庵源山隧道三台阶临时仰拱法开挖施工方案
- 格式:doc
- 大小:494.00 KB
- 文档页数:17
赣龙铁路扩能改造工程GL-5标阳明山隧道进口洞身开挖安全专项施工方案1、编制依据、编制目的及编制范围1.1 编制依据(1)合同文件(2)设计图纸及相关参考通用图(3)国家和铁道部相关规范、标准:《客货共线铁路隧道工程施工技术指南》(TZ204-2008)《铁路隧道工程施工安全技术规范》(TB10304-2009/J946-2009)《新建时速200公里客货共线铁路工程施工质量验收暂行标准》(铁建设[2004]8号《铁路隧道工程施工质量验收标准》(TB10417-2003/J287-2004)(4)《总体施工组织设计》1.2 编制目的(1)通过编制隧道开挖方案,针对隧道不同围岩的开挖方法进行布置,指导现场施工,确保施工安全。
(2)通过编制隧道开挖施工方案,保证隧道开挖质量,控制隧道超欠挖。
1.3 编制范围本专项施工方案适用范围为中铁五局赣龙铁路扩能改造工程GL-5标工程指挥部隧道三项目部承担的阳明山隧道进口洞身开挖工程。
2、工程概述2.1 工程概况阳明山隧道位于福建省上杭县古田镇及蛟洋镇境内,起于蛟洋镇森坑村,沿线跨牛角坑,大洋坑,止于上杭县古田镇郭车村,隧道起点里程为DK237+402,终止里程DK244+250。
全长6848m,隧道最大埋深约460m,为单洞双线隧道。
阳明山隧道为国家I级双线铁路隧道,设计行车速度:200km/h,线间距4.4m。
隧道进口施工里程为:DK237+402~DK239+335,全长1933m,施工段落位于直线段,纵向坡度为+12.9‰。
2.2 地区地形、地质、水文特征隧址位于剥蚀中低山区,地线起伏较大,自然坡度20~40°,山体连绵起伏,植被发育,山间冲沟发育,多呈“V ”字型,沟谷切割较深,为山间洪水和地下水的排泄通道。
沟谷中一般常年均有流水,水质清澈,水量受季节性影响;局部为悬崖峭壁。
隧址所穿越山体海拔标高为500~1000m ,沟谷中最低标高约480m ,最大相对高差640m 。
三台阶临时仰拱法开挖作业指导书1 适用范围适应于新建铁路福州至平潭铁路站前二标隧道工程三台阶临时仰拱法开挖施工。
2 作业准备(1)施工测量放样:开挖前将控制开挖的中线、水平引至开挖部位掌子面,确定开挖轮廓(根据测得的围岩收敛数据分析得出需放大的净空值,设计一般有规定可供参考)。
(2)钻爆设计确定:炮眼的布置、数目、深度和角度,装药量和装药结构,起爆方法和爆破顺序,凿岩机的台数安排等。
(3)开挖台车准备就绪,加固良好,防护安全。
(4)开挖作业照明安装,高压风水管的连接到位。
(5)机械、机具数量满足要求且状况良好。
(6)人员到位,且培训合格。
3 技术要求隧道施工应坚持“弱爆破、短进尺、强支护、早封闭、勤量测”的原则,开挖方式采用弱爆破,爆破时严格控制炮眼深度及装药量,严格控制超欠挖。
并按有关规范及标准图的要求,进行监控量测,及时反馈结果,分析洞身结构的稳定,为支护参数的调整、灌筑二次衬砌的时机提供依据。
4 施工程序与工艺流程4.1 施工工序示意图(1)三台阶临时仰拱法施工工序示意图(2)三台阶临时仰拱法工序说明A 利用上一循环架立的钢架施作隧道超前支护;弱爆破开挖①部;施作①部导坑周边的初期支护,即初喷4cm 厚混凝土,钻设锚杆、挂网、架三台阶临时仰拱工法工序平面隧底填充立钢架,并设锁脚钢管;导坑底部铺设I18轻型工字钢,喷10cm厚混凝土,施作①部临时仰拱,必要时封闭掌子面;复喷混凝土至设计厚度。
B 在滞后于①部一段距离后,弱爆破开挖②部;导坑周边部分初喷混凝土,钻设锚杆、挂网、架立钢架,并设锁脚钢管;导坑底部铺设I18轻型工字钢,喷10cm厚混凝土,施作②部临时仰拱;复喷混凝土至设计厚度。
C 在滞后于②部一段距离后,弱爆破开挖③部;初喷混凝土,钻设锚杆、挂网、架立钢架,并设锁脚钢管;开挖④部,及时封闭初期支护;隧底周边部分喷混凝土至设计厚度。
D 浇筑该段仰拱和填充。
E 根据监控量测结果分析,待初期支护收敛后,利用衬砌模板台车一次性灌筑二部衬砌。
隧道洞身三台阶临时仰拱开挖作业指导书1.编制依据《铁路隧道工程施工技术指南》TZ204-2008《铁路隧道工程施工质量验收标准》TB10417-2003《铁路隧道工程施工安全技术规程》TB10304-2009《双线隧道辅助施工措施及施工工法参考图》(蒙华浩三段施隧参11)2.适用范围适用于蒙华铁路MHTJ-4标段一工区隧道的Ⅴ级围岩开挖施工。
3.施工程序与工艺流程3.1施工顺序上台阶开挖→支护→临时仰拱→中台阶开挖→支护→下台阶开挖→支护→仰拱、填充→拱墙衬砌。
3.2工艺流程隧道开挖可采用钻爆法或机械开挖,黄土地段采用机械开挖。
当隧道掌子面不稳定时,上、中台阶应预留核心土,开挖时钢架部分采取掏槽施工,掏槽宽度以满足人工开挖即可。
上台阶每循环开挖进尺Ⅴ级围岩不应大于1榀钢架间距,边墙开挖每循环开挖进尺不得大于2榀钢架间距,仰拱开挖每循环进尺不得大于3m。
三台阶临时仰拱法施工工序流程图(石质)、三台阶临时仰拱法工序横断面图、三台阶临时仰拱法施工工序纵断面图如下。
4.施工要求隧道施工应坚持“弱爆破、管超前、短进尺、强支护、早封闭、勤量测”的原则。
隧道爆破前进行炮眼布置试验,多钻孔、少放药,确定最佳炮眼布置方案。
超前支护与格栅钢架连接牢固,形成棚架效应。
施工准备地质预报、测量、量测钻爆设计布置炮眼台车(台架)就位调整钻爆参数上部断面钻眼下部断面钻眼装药、爆破通风排烟、排险初喷混凝土、锚杆、出渣开挖质量检查地质素描初期支护超前支护仰拱、拱墙复合衬砌施工结束不合格三台阶临时仰拱法施工工序流程图中部断面钻眼三台阶临时仰拱法工序横断面示意图锁脚锚管斜向下45°钻设,严禁水平钻设,锁脚锚管应与格栅通过U型筋焊接连接成整体。
开挖时格栅钢架两侧脚部应预留部分土体人工开挖,确保格栅钢架坐落在稳定地层上,防止两侧脚部悬空。
可采用临时垫板增加受力面。
隧道洞身存在连续土石分界面时(隧道上部为黄土,下部为岩石),爆破作业时产生的震动对围岩和地表的影响,易引起土石界面处围岩应力变化,极易造成土体沿土石界面处滑塌和拱部坍塌事故。
炎庙一号隧道三台阶开挖施工方案一、概况根据目前已开挖的炎庙一号隧道进口出露的地质情况揭示:隧道地质主要为泥质砂岩,棕红色~紫红色,粉砂、细砂结构,泥质、钙质胶结,节理不发育。
风化较严重,有少量裂隙渗漏水。
结合我局类似隧道的施工经验。
建议该隧道采用三台阶爆破开挖,二衬紧砌跟的施工方案。
二、三台阶开挖施工方案1、①台阶开挖高度4.81m,①台阶开挖完成后及时进行初期支护。
开挖时土层采用机械开挖,人工配合修整;岩层采用光面爆破开挖。
每榀钢架底部要求设置8根φ42的锁脚钢管,每侧4根,长度4m,其中两根为水平锁脚钢管,两根下插45°~60°,且锁脚钢管要与钢架焊接牢固。
2、②台阶开挖滞后①台阶进3m,②台阶开挖高度2.63m,每次开挖长度与①台阶进尺长度相同。
②台阶开挖完成后及时进行初期支护。
开挖时土层采用机械开挖,人工配合修整;岩层采用光面爆破开挖。
每榀钢架底部要求设置8根φ42的锁脚钢管,每侧4根,长度4m,其中两根为水平锁脚钢管,两根下插45°~60°,且锁脚钢管要与钢架焊接牢固。
3、③台阶开挖滞后②台阶25m,③台阶开挖高度3.7m,每次开挖长度与①台阶进尺长度相同。
③台阶开挖完成后及时进行初期支护。
开挖时土层采用机械开挖,人工配合修整;岩层采用光面爆破开挖。
每榀钢架底部要求设置8根φ42的锁脚钢管,每侧4根,长度4m,其中两根为水平锁脚钢管,两根下插45°~60°,且锁脚钢管要与钢架焊接牢固。
4、仰拱④在③台阶开挖及初期支护完成后及时跟进,仰拱④每次开挖长度与①台阶进尺长度相同,且保持距③台阶长度不超过3m。
开挖时土层采用机械开挖,人工配合修整;岩层采用光面爆破开挖。
仰拱开挖完成后应及时对仰拱初期支护,以尽快封闭成环。
5、仰拱每完成6~8m及时进行填充施工。
仰拱及仰拱填充采用栈桥施工,栈桥采用I36b的工字钢每5榀拼成一组,长12m。
浅埋偏压溶蚀隧道三台阶临时仰拱法开挖施工工法浅埋偏压溶蚀隧道三台阶临时仰拱法开挖施工工法一、前言浅埋偏压溶蚀隧道是一种在工程中常见的隧道类型,为了满足施工的需求,需要采用合适的施工工法。
本文将介绍一种适用于浅埋偏压溶蚀隧道开挖施工的三台阶临时仰拱法工法。
本工法具有工程实用性,经过实践验证,在实际工程中具备可行性和可靠性。
二、工法特点该工法的特点在于使用临时仰拱进行开挖支护,通过三台阶的形式,将施工过程分阶段进行,以确保施工的稳定性和安全性。
该工法适用于浅埋深度和较松软地层的情况下,能够减少地面沉降和地面微震的影响。
三、适应范围该工法适用于浅埋偏压溶蚀隧道的开挖施工,特别是在地表存在建筑物或其他重要设施的情况下。
它可以有效地保护地面结构和设施,减少对周边环境的影响。
四、工艺原理该工法的工艺原理是通过使用临时仰拱和分阶段开挖的方式,保证施工过程中的稳定性和安全性。
在施工过程中,根据地层条件和开挖深度,采取相应的技术措施,包括临时仰拱的设计和施工、开挖的分阶段进行等。
五、施工工艺1. 施工准备:确定施工区域和开挖起点,组织相应的劳动力和机具设备。
2. 地面平整:对施工区域进行地面平整处理,确保施工安全和施工设备的稳定。
3. 临时仰拱搭设:根据设计要求,搭设临时仰拱结构,包括横拱和纵拱。
确保临时仰拱的稳定性和承载能力。
4. 第一台阶开挖:从隧道起点开始,进行第一台阶的开挖,同时加固临时仰拱结构,确保施工安全。
5. 第二台阶开挖:在第一台阶完成后,进行第二台阶的开挖,同样要加固临时仰拱结构。
6. 第三台阶开挖:在第二台阶完成后,进行第三台阶的开挖,同样要进行临时仰拱结构的加固。
7. 拱脚处理:对开挖完成后的临时仰拱进行处理,包括拆除或保留,根据实际需求进行决策。
六、劳动组织施工过程中需要有专业的施工队伍组织工作,包括工程师、技术人员和操作工。
根据施工进度和工程量的大小,确定合适的劳动力规模和施工队伍的组织架构。
三台阶临时仰拱法作业指导书1.适用范围本方法适用于XXXXXXX隧道具备一定自稳能力的Ⅴ级围岩地段,从上而下分三个台阶开挖,各台阶成环受力。
主要段落见下表1-1。
表1-1 XXXXXXX隧道三台阶临时仰拱法施工段措施表2.作业准备(1)编制施工工艺设计、工序质量控制设计和现场技术交底、安全交底;(2)确定弃砟场的位置和范围;汽车运输道路的引入和其他运输设施的布置;(3)配置钢架加工及试拼设备,准备钢架加工车间及贮存棚(5)做好施工材料准备。
(4)做好施工用风、用水和用电设施布置。
1)施工用风①空压机功率要求隧道施工用风应采用固定或移动空压机供风空压机最大功率应满足同时工作的各种风动机具的最大用风量和足够风压的要求。
②空压机位置要求固定式空压机站应设置在洞口附近,并靠近变电站。
空压机站应有具体的防水、降温和保温设施。
③风管的安装和使用A.高压风管及接头装置的材质必须符合相关标准规定;B.高压风管应敷设平顺,接头严密,不漏风;C.在洞外地段,当风管长度大于100m以内和温度变化较大时宜安装伸缩器,靠近空压机150m以内,风管的法兰盘接头宜用石棉衬垫;D.长度大于1000m时,应在高压风管最低处设置油水分离器,定时放出管中的积油和水;E.洞内高压风管应敷设在电缆电线相对应的一侧,风管的前端至开挖面距离宜保持30~40m,并用分风器(可自制)连接高压软风管;F.各种闸阀在安装前应拆开清洗,阀门应进行水压强度试验,合格后方可使用;G.高压风管在安装前应进行检查,当有裂纹、创伤、凹陷等现象不得使用,管内不得保留有残余物和其他脏物;H.高压风管使用应有专人负责检查、养护。
2)施工用水①隧道施工供水方案的选择及设备的配置A.水源的水量应能够满足工程和生活用水的需要。
有高山自然水源时,应蓄水利用。
水池高度应通过计算,并能满足洞内最大水压的要求;B.水池的容量应计算并有一定的储备量,满足洞内外集中用水的需要;C.采用机械抽水站供水时,应有备用的抽水机;D.工程和生活用水使用前必须经过水质鉴定。
三台阶临时仰拱法施工工艺 [图片]•分享•转载•复制地址转载自可以不完美 2010年12月29日 08:10 阅读(10) 评论(1) 分类:技术资料•举报•字体:大▼o小o中o大三台阶法即三台阶临时仰拱法,是指在软弱围岩大跨隧道中,先开挖隧道的上台阶,然后开挖中台阶,最后再开挖下台阶的施工方法。
施工方法如下:首先将隧道全断面自上而下大致等分成三部分,从上到下分台阶先开挖上台阶,上台阶开挖掘进30~50米后,再进行中台阶的开挖,中台阶开挖掘进10~20米后,再进行下台阶开挖,下台阶开挖支护完成后及时施作仰拱,及早封闭成环.同时每个开挖工作面喷射10厘米厚封底混凝土,及时封闭成环。
待隧道整环拱架封闭成环后,再施作混凝土工程。
一、开挖支护施工先后顺序和各断面结构尺寸1、开挖支护施工先后顺序在此对照附图一“三台阶法施工工序示意图”进行说明,待洞口长管棚施工完毕后,首先进行①部工序施工(即上台阶施工),开挖进尺长度控制在0.6~1.0m,开挖完毕后,及时进行初喷混凝土施工。
然后进行①部工序施工(上台阶支护:钢架安装、锚杆、喷射混凝土施工);①部工序施工完毕后进行②部工序施工(中台阶左侧开挖施工),开挖长度控制在0.6~1.0m,上中台阶间距控制在30~50m内,开挖完毕后,进行初喷混凝土施工。
然后进行②部右侧工序施工(中台阶右侧断面支护:钢架安装、锚杆、喷射混凝土施工);中台阶左侧掌子面和右侧掌子面必须错开至少5米,避免上台阶拱脚同时悬空.②部工序施工完毕后,进行③部工序施工(下部左侧断面开挖施工),开挖长度控制在0.6~1.0m,中下台阶间距控制在10~20m内,开挖完毕后,进行初喷混凝土施工;然后进行③部右侧工序施工(下台阶右侧断面支护:钢架安装、锚杆、喷射混凝土施工);下台阶左侧掌子面和右侧掌子面必须错开至少5米,避免中台阶拱脚同时悬空。
然后进行IV部施工,即仰拱施工,仰拱施工应全断面一次施工封闭成环。
三台阶临时仰拱法
三台阶临时仰拱法,开挖台阶长度3~5m,开挖采用风镐或弱爆破,掘进循环进尺控制在0.5m~1.0m。
具体详见三台阶临时仰拱法施工工序横断面图、三台阶临时仰拱法施工工序纵断面、三台阶临时仰拱法施工工序平面图。
三台阶临时仰拱法施工工序:
1、(1)利用上一循环架立的钢架施作隧道超前支护,(2)弱爆破开挖①部(3)施作①部导坑周边的初期支护,即初喷4cm厚混凝土,架立工字钢架。
(4)导坑底部喷8cm厚混凝土,施作①部临时仰拱。
(5)钻设系统锚杆后复喷混凝土至设计厚度。
2、(1)在滞后于①部一段距离后,弱爆破开挖②部(2)导坑周边部分初喷4cm厚混凝土,架立工字钢架(3)施导坑底部8cm厚混凝土,施作②部临时仰拱(4)钻设系统锚杆后复喷混凝土至设计厚度。
3、(1)在滞后于②部一段距离后,弱爆破开挖③部。
(2)隧底周边部分喷混凝土至设计厚度。
4、浇筑Ⅳ部边墙基础与仰拱及隧底填充(仰拱及隧底填充分次施作)。
5、根据监控量测结果分析,待初期支护收敛后,利用衬砌台车一次性浇筑Ⅴ部衬砌(拱墙衬砌一次施作)
施工注意事项:
1、隧道施工应坚持“弱爆破、短进尺、强支护、勤量测”的原则。
2、小炮开挖,严格控制装药量。
3、导坑开挖长度及台阶高度可根据施工机具、人员等安排进行适当调整。
4、钢架之间纵向连接钢筋应及时施作并连接牢固。
5、复合式衬砌段在施工时,须进行监控量测,根据监控量测的结果进行分析,确定二次衬砌的时机及调整支护参数。
表错误!未找到引用源。
-1 客运专线隧道主要施工(开挖)方法。
目录1.适用条件、范围 (1)2.作业准备 (1)3.技术要求 (1)4.施工程序与工艺流程 (1)5.施工要求 (13)6.劳动组织 (14)7.材料要求 (14)8.设备机具配置 (15)9.质量控制及检测 (15)10.安全及环保要求 (17)三台阶法施工作业指导书1.适用条件、范围本作业指导书适用于新建怀邵衡铁路三台阶法、三台阶临时仰拱法开挖隧道洞身。
2.作业准备2.1内业准备(1)熟悉隧道设计图纸,澄清有关技术问题。
(2)熟悉《铁路隧道工程施工质量验收标准》(TB10417-2003)、《新建时速200公里客货共线铁路工程施工质量验收暂行标准》(铁建设[2004]8号)、《铁路混凝土施工质量验收标准》(TB10424-2010)、《铁路隧道工程施工技术指南》(TZ204-2008)等规范和技术标准。
(3)对施工人员进行三台阶法、三台阶临时仰拱法开挖技术交底。
(4)对参加施工人员进行上岗前技术培训,考核合格后持证上岗。
2.2外业准备(1)施工机械进场到位、人员配置满足施工需要;(2)测量人员进行施工放样,测绘洞身横断面图与设计比较;(3)砂石料、钢材、水泥等原材料试验完成,配合比设计完成并经监理审批;(4)混凝土拌和站安装完毕并经调试,按规定程序验收通过。
3.技术要求隧道施工应坚持“弱爆破、短进尺、强支护、早封闭、勤量测”的原则,开挖方式采用弱爆破,爆破时严格控制炮眼深度及装药量,严格控制超欠挖。
并按有关规范及标准图的要求,进行监控量测,及时反馈结果,分析洞身结构的稳定性,为支护参数的调整、开挖工法的转换提供依据。
4.施工程序与工艺流程4.1三台阶法12图1 三台阶法施工工艺流程三台阶法是将隧道分成上中下三部分开挖,施工时先开挖上台阶,待开挖到一定长度后再同时开挖中台阶及下台阶,形成上、中、下三台阶同时并进的方法。
将隧道断面分上、中、下台阶开挖,爆破施工分三次进行,可以减小爆破对围岩的扰动,保护围岩,上台阶开挖后,为中、下台阶创造临空面,降低炸药消耗,同时三台阶开挖可减少隧道开挖后的空间效应,初期支护能尽早施工,可充分发挥围岩的自稳、自承能力,获得安全的地3下空间。
三台阶临时仰拱法其主要施工工艺流程下载温馨提示:该文档是我店铺精心编制而成,希望大家下载以后,能够帮助大家解决实际的问题。
文档下载后可定制随意修改,请根据实际需要进行相应的调整和使用,谢谢!并且,本店铺为大家提供各种各样类型的实用资料,如教育随笔、日记赏析、句子摘抄、古诗大全、经典美文、话题作文、工作总结、词语解析、文案摘录、其他资料等等,如想了解不同资料格式和写法,敬请关注!Download tips: This document is carefully compiled by theeditor.I hope that after you download them,they can help yousolve practical problems. The document can be customized andmodified after downloading,please adjust and use it according toactual needs, thank you!In addition, our shop provides you with various types ofpractical materials,such as educational essays, diaryappreciation,sentence excerpts,ancient poems,classic articles,topic composition,work summary,word parsing,copy excerpts,other materials and so on,want to know different data formats andwriting methods,please pay attention!三台阶临时仰拱法的主要施工工艺流程详解三台阶临时仰拱法是一种在隧道施工中广泛应用的工法,尤其适用于地质条件复杂、稳定性较差的地段。
合福铁路安徽段站前四标隧道工程编号:(ZYZDS-SD-2019-004)隧道开挖施工作业指导书单位: HFZQ-4汇编:葛世康审核:林凡科批准:付伟庆2019年08月14日发布 2019年08月16日实施第 1 页隧道正洞工程施工作业指导书(三台阶法、三台阶临时供法)1.适用范围适用于新建铁路合福线双线隧道正洞及其辅助坑道的开挖施工。
2.作业准备2.1内业准备开工前,组织技术人员认真学习实施性施工组织设计;熟悉、审核图纸,复核设计坐标及高程,保证图纸的正确性;澄清相关技术问题,熟悉相关规范和技术标准。
制定施工安全保证措施,提出应急预案。
对施工人员进行书面技术交底,并对施工人员进行上岗前技术培训,关键作业人员考核合格后持证上岗。
2.2外业准备及技术准备(1)测量人员进行施工放样,放出线路中桩,测绘洞身横断面图与设计比较。
(2)挖掘机、装载机、空压机、钻机、运输车辆进场并进行保养。
(3)防护材料进场。
(4)混凝土拌合站安装完毕并经调试。
2.3 技术准备(1)导线复测完毕,成果可用。
(2)砂、石、料、钢材、水泥等原材料试验完成,混凝土配合比设计完成并经监理审批。
(3)分项开工报告已批复。
3.技术要求隧道施工应坚持“弱爆破、短进尺、强支护、早封闭、勤量测”的原则,开挖方式采用弱爆破,爆破时严格控制炮眼深度及装药量,严格控制超欠挖。
并按有关规范及标准图的要求,进行监控量测,及时反馈结果,分析洞身结构的稳定,为支护参数的调整、灌筑二次衬砌的时机提供依据。
4.施工程序与工艺流程4.1台阶法4.1.1 台阶法施工工艺流程台阶法施工工艺流程见图。
图 1 台阶法施工工艺流程图4.1.2台阶法施工工序说明 台阶法工序见附图。
(1)开挖 1 部台阶,施作 1 部洞身结构的初期支护。
(2)上台阶施工至适当距离后,开挖 2 部台阶,施作洞身结构的初期支护。
(3)灌筑该段内 Ⅲ 部底板(或仰拱)。
(4)利用衬砌模板台车一次性灌筑 Ⅳ 部二次衬砌(拱墙衬砌一次施作)。
大断面隧道三台阶加临时仰拱出洞方案浅述三车道大断面高速公路洞口段软弱围岩施工中,传统的施工方法有双侧壁导坑法、CD法等,特别是单向出洞的中短隧道,应用特别广泛,但这些施工方法进度慢、工效低、存在一定的局限性,如:限制了大型施工机械的使用,基本靠人工配合小药量火工品爆破开挖,工效低、速度慢,难以满足建设工期等要求;拆除临时支护时,正洞初期支护会因突然卸载而出现大的变形,特别在低埋深的洞口段存在安全风险;各分部开挖面循环衔接性差,相互干扰大,施工质量得不到充分保证;临时支护反复拆除,成本投入大等。
借鉴近几年我公司在大断面隧道施工的经验,规避传统施工方法的局限性,以加快隧道施工进度、保证隧道施工安全、提高施工质量、减少采用超前大管棚支护过程中钻孔及注浆对周围大气及水系的破坏。
洞口段采取此方式出洞,减少修建场地、便道的数量,减少资源浪费,符合“零开挖理念”的要求,在由中铁十五局施工的汕湛高速惠清项目TJ6标采用了三台阶加临时仰拱法隧道出洞的工法,通过对工艺流程、施工步骤、控制要点、劳动组织、机具设备等分析,突出三车道隧道大断面洞口段软岩隧道施工的技术特点总结完善形成本工法。
一、三台阶加临时仰拱法工法特点施工利用空间大,便于机械操作,可以多个作业面同时施工。
可以统筹安排施工,工效较高;当地质条件发生变化时,可以及时转换施工工序,调整施工方法,避免窝工;软弱围岩下利用上台阶预留核心土法开挖施工,利于减小对围岩的扰动,保证开挖作业面稳定;在围岩变形较大或突变时,保证安全和满足设计要求的前提下,可尽快缩短施工时间;为初期支护工序在时间和空间上创造了条件,减少洞口临建设施的修建,避免洞口大开挖,符合“零开挖理念”的要求。
二、采用三台阶加临时仰拱工法出洞隧道的工程概况和原设计情况长山埔2号隧道隧道穿过构造剥蚀低山地貌区,为小净距分离式隧道,左线隧道起迄里程K88+369~K88+865,长496m,进口端洞门采用削竹式,洞口设计标高250m,出口端洞门采用端墙式,洞口设计标高240m,坡度-1.7%,隧道最大埋深约84m。
3、施工方案3.1、洞身开挖施工方案3.1.1、三台阶临时仰拱法(设临时钢架)施工方案3.1.1.1、三台阶临时仰拱法(设临时钢架)施工工序示意图1.1.2、三台阶临时仰拱法(设临时钢架)施工工工艺第一步:上台阶开挖第二步:施做上台阶(拱部)初期支护第三步:施做上台阶临时仰拱(使上台阶在小范围内封闭成环)第四步:中台阶开挖第五步、第六步:施做中台阶初期支护第七步:施做中台阶临时仰拱(使中台阶在小范围内封闭成环)第八步:下台阶开挖(不含仰拱部分土体)第九步、第十步:施做下台阶初期支护第十一步:施做仰拱初期支护第十二步:施做仰拱砼第十三步:施做仰拱填充砼第十四步:施做二衬砼3.1.2、六步CD法施工方案3.1.2.1、六步CD法施工工序示意图3.1.2.2、六步CD法施工工序第一步:先行上导开挖第二步、第三步:施做先行上导及上导中隔墙初期支护第四步:施做先行上导封底C25喷砼第五步:先行中导开挖第六步、第七步:施做先行中导及中导中隔墙初期支护第八步:施做先行中导临时仰拱(使先行中导、先行上导在小范围内封闭成环)第九步:先行下导开挖(含仰拱部分土体)第十步、第十一步:施做先行下导初期支护第十二步:施做先行下导仰拱初期支护第十三步:后行上导开挖第十四步:施做后行上导初期支护第十五步:施做后行上导封底C25喷砼第十六步:后行中导开挖第十七步:施做先行中导初期支护第十八步:施做后行中导临时仰拱(使后行中导、后行上导在小范围内封闭成环)第十九步:后行下导开挖(含仰拱部分土体)第二十步:施做先行下导初期支护第二十一步:施做后行下导仰拱初期支护第二十二步:拆除临时支撑(中隔墙)第二十三步:施做仰拱砼第二十四步:施做仰拱填充砼3.2、初期支护施工方案3.2.1、中空锚杆施工方案:中空锚杆施工流程为:钻孔→清孔→锚杆安装→止浆塞→注浆→等强→上垫板、螺母。
锚杆所注浆液为水泥浆,水泥浆液水灰比为1:1(重量比)。
锚杆安装前,先对岩面初喷4cm厚C25砼。
三台阶临时仰拱法吴晔丁卫林摘 要:研究目的:探讨有关隧道开挖施工技术。
研究方法:通过对隧道三台阶法开挖的工程实例,对此类隧道开挖的施工工艺、质量控制方法及注意事项进行了详细的阐述。
研究结果:为隧道三台阶法开挖提供了可靠的数据和参考依据,为我国在新建客运专线积累了宝贵的经验。
研究结论:三台阶临时仰拱法临时仰拱是关键关键词:开挖 台阶 临时仰拱1.前言目前隧道的施工方法有多种多样,地质条件较好的隧道在施工方法选择上较为灵活,而地质条件较差的隧道在施工方法选择上有一定的局限性,主要体现在安全与效益的有机协调统一上。
三台阶临时仰拱法主要应用于软弱围岩隧道中,从上而下分三个台阶进行开挖,各台阶成环受力的施工方法。
2.工法特点2.1 施工空间大。
方便机械化施工,可以多作业面平行作业。
部分软岩活土质地段可以采用挖掘机直接开挖,工效较高。
2.2 在地质条件发生变化时,便于灵活、及时地转换施工工序,调整施工方法。
2.3 适应不同跨度和多种断面形式,初期支护工序操作便捷。
2.4 在台阶法开挖的基础上,预留核心土,左右错开开挖,利于开挖工作面稳定。
2.5 当围岩变形较大活突变时,在保证安全和满足净空要求的前提下,可尽快调整闭合时间。
2.6 各部开挖及支护自上而下,步步成环,及进封闭,各分部封闭成环时间短,临时仰拱能有效阻止支护结构的水平收敛,减少隧道围岩变形。
3.适用范围本工法适用于开挖断面为100~180m2,具备一定自稳条件的Ⅳ、Ⅴ级围岩地段隧道的施工。
4.工艺原理 三台阶临时仰拱法就是将大断面划分成自上而下三个小单元进行开挖,缩小开挖断面;采用临时仰拱就是使每个小单元及时封闭成环,形成环向受力,有效地发挥初期支护整体受力效果,有效阻止支护结构变形。
5.施工工艺流程采用短台阶,分步平行开挖,爆破施工分成多个作业面进行,将集中爆破化为分散爆破,,既减少对围岩的扰动,又充分利用时间,还增加了爆破临空面,降低炸药消耗。
三台阶临时仰拱法作业指导书一、目的明确隧道开挖作业的工艺流程、操作要点和相应的工艺标准,指导、规范隧道开挖施工,尽可能地减少超挖,保证隧道的开挖作业安全、保证开挖质量。
二、编制依据1.《客运专线铁路隧道工程施工指南》(TZ214-2005)2.《客运专线铁路隧道工程施工质量验收标准》铁建设[2005]160号三、适用范围三台阶临时仰拱法适用于新建铁路客运专线双线隧道Ⅳ级围岩深埋地段、Ⅲ级围岩浅埋及偏压地段的正洞开挖施工。
四、三台阶临时仰拱法施工工序1.(1)开挖1部台阶。
(2)施作1部洞身结构的初期支护,即初喷4cm厚混凝土,架立钢架。
(3)钻设系统锚杆后复喷混凝土至设计厚度,底部喷10cm混凝土封闭。
2.上台阶施工至适当距离后,开挖2部台阶,接长钢架,施作洞身结构的初期支护和封底,可参见工序1进行。
3.(1)开挖3部台阶,及时封闭初期支护,可参见工序2进行。
(2)浇筑该段内Ⅳ部仰拱。
(3)浇筑该段内Ⅴ部隧底填充。
4.利用衬砌模板台车一次性浇筑Ⅵ部二次衬砌(拱墙衬砌一次施作)。
五、三台阶临时仰拱法施工注意事项1.隧道施工应坚持“弱爆破、短进尺、强支护、早封闭、勤量测”的原则。
2.如有超前支护等辅助施工措施,应首先利用上一循环架立的钢架施作完毕,再开挖。
3.开挖方式均采用弱爆破。
爆破时严格控制炮眼深度及装药量。
4.锁脚小导管可根据需要设置,以确保下台阶施工的安全。
5.各步台阶一次开挖长度宜在2~3m之间。
第三部台阶开挖后仰拱应紧跟。
6.施工中,应按有关规范及标准图的要求,进行监控量测,及时反馈结果,分析洞身结构的稳定,为支护参数的调整、浇筑二次衬砌的时机提供依据。
六、隧道开挖和钻爆施工安全技术措施掘进是隧道安全控制的最重要环节,由于隧道开挖断面大,施工时严格按设计图纸及施工组织设计采取合理的开挖方案,严格控制循环进尺,选择最佳的爆破参数,确保施工安全。
浅埋段、破碎带地段隧道开挖要采用机械开挖或浅孔控制爆破方法。
三台阶初期支护施工方案一、施工方案概述本三台阶初期支护施工方案旨在确保隧道施工安全,提高工程质量,有效处理软弱围岩地段,采用科学的施工方法,确保支护结构的稳定性和耐久性。
施工方案遵循国家相关标准和行业规范,结合工程实际,进行精心设计与组织。
二、总体施工流程施工流程包括施工准备、开挖作业、初期支护施工、仰拱施工、小边墙分段施工、防水板与钢筋施工、衬砌台车施工等步骤。
各环节紧密衔接,确保施工效率和工程质量。
三、围岩软弱地段处理针对围岩软弱地段,采取超前小导管注浆加固措施,提高围岩自承能力。
注浆材料选择合理,注浆压力控制准确,确保加固效果。
四、仰拱施工方法仰拱施工采用分块浇筑的方式,确保每块仰拱的施工质量。
同时,采取防水措施,防止地下水渗漏对工程质量造成影响。
五、小边墙分段施工小边墙施工采用分段施工的方法,每段施工完成后进行质量检查,确保符合设计要求。
分段施工的同时,注意与仰拱施工的协调配合。
六、防水板与钢筋施工防水板铺设要平整、无皱褶,与围岩密贴,确保防水效果。
钢筋加工和安装要符合规范要求,保证支护结构的稳定性。
七、衬砌台车施工衬砌台车施工要保证台车定位准确,浇筑过程中严格控制混凝土质量,确保衬砌结构的整体性和耐久性。
八、支护参数及开挖高度支护参数和开挖高度根据地质条件、隧道埋深等因素综合确定,确保施工安全和质量。
施工过程中,根据实际情况进行适时调整。
九、人员组织与培训成立专业的施工队伍,进行技术培训和安全教育,确保施工人员具备相应的专业技能和安全意识。
同时,建立健全人员管理制度,确保施工过程的顺利进行。
十、材料准备与验收材料采购要符合规范要求,进场前进行严格的验收和检测,确保材料质量。
施工过程中,对材料的使用进行严格控制,防止浪费和损失。
十一、施工区域准备施工前要对施工现场进行清理和平整,确保施工区域的整洁和安全。
同时,做好排水措施,防止因施工造成的水土流失。
十二、施工过程安排与控制制定详细的施工计划,合理安排施工进度和资源投入。
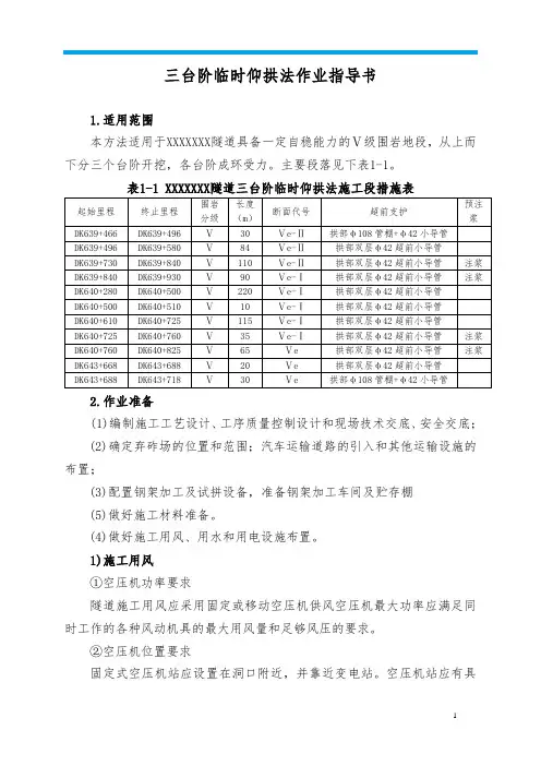
新建合福铁路客运专线(闽赣段)HFMG-5标庵源山隧道三台阶临时仰拱法开挖施工方案编制:复核:审核:中铁一局京福铁路客专闽赣V标项目经理部2010年11月庵源山隧道三台阶临时仰拱法开挖施工方案一.工程概况庵源山隧道全长1673m,起讫里程DK590+835~DK592+508。
进口位于将口镇将口村,进口北接将口大桥,南侧终于童游街道新岭村贵口组接入茶窠仔1#大桥。
隧道内设6处综合洞室,其中通信区直放站洞室1处,单侧洞室间距为500m,洞室沿隧道两侧交错布置。
隧道出口 DK592+423.25~ DK592+508段为直线,其余段位于曲线上,隧道纵坡为下坡,坡度为6.615‰。
隧道进口DK590+835~DK590+859段设计为帽檐斜切开孔式缓冲结构(L-24m),明暗交界里程为DK590+859,暗洞洞口段设计采用33m注浆长管棚进行超前支护。
明洞边仰坡采用喷锚网防护。
二.编制范围编制范围为:编制范围为:庵源山隧道DK590+859~DK590+892、DK590+892~DK590+953、DK591+080~DK591+110、DK591+110~DK591+215、DK591+720~DK591+805、DK592+250~DK592+280段三台阶临时仰拱法开挖。
三、施工工艺原理及特点1 工艺原理铁路客运专线大断面隧道三台阶临时仰拱开挖法是将隧道断面分成上中下三个部分进行开挖的施工工法;要求及时施作各部临时仰拱;各部位的开挖与支护沿隧道纵向错开、平行推进的隧道施工方法。
2 工艺特点⑴.施工空间较大,可进行机械化施工,可以多作业面平行施工,工效较高。
⑵.在地质条件发生变化时,便于及时、灵活地调整施工方法,转换施工工法。
⑶.适应不同跨度和多种断面形式,初期支护工序操作便捷。
⑷.在台阶法开挖的基础上,分上、中、下三部分错开开挖,有利于开挖工作面的稳定。
⑸.当围岩变形较大或突变时,在保证安全和满足净空要求的前提下,可尽快调整闭合时间。
四、施工方案1 临时支护参数临时钢架采用I18轻型工字钢,每榀钢架间距与主洞身钢架一致,且与洞身钢架以螺栓连接(接头处加设3mm厚橡胶垫片),洞身钢架架设后在相应位置焊接预埋钢板并预置螺栓,以便临时钢架连接,连接钢板接头处焊缝高度不小于6mm;相邻钢架采用Φ22钢筋连接,环向间距1.2m,斜向内侧布置,并与钢架内侧翼缘焊接;每台阶两侧拱脚锁脚钢管采用4根Φ50无缝钢管,壁厚3.5mm,L=5m;采用C25喷射混凝土,临时封底厚10cm,钢架与初喷混凝土间要求密切接触。
2 三台阶临时仰拱法施工工艺流程三台阶临时仰拱法施工工艺流程图3 施工方法1 第一步1) 开挖①部。
2) 施作①部导坑周边的初期支护。
即先初喷厚4cm的混凝土,再铺设钢筋网片,然后人工配合机械架立型钢钢架。
钢架设锁脚锚管,锁脚锚管设置于台阶钢架拱(墙)脚以上30cm高度处,紧贴钢架两侧边沿按下倾角30°打入,并于钢架牢固焊接。
拱脚采用钢垫板(规格为280mm×280mm×16mm )。
同时,为保证拱脚基础牢固,防止拱顶下沉量过大,对拱脚位置采用槽钢或木板支垫。
VI V IV三台阶临时仰拱工法工序纵断面示意边墙墙脚线123隧底填充仰拱系统径向锚杆钢架拱部超前支护3) 打设径向锚杆后复喷混凝土到设计厚度。
底部架立临时仰拱(I18临时钢架),喷射10cm 混凝土封闭。
开挖过程中,根据施工时围岩的地质情况及监控量测资料调整支护结构形式,必要时加设中间竖撑(采用圆木),使围岩支护得到有利的保护和加强。
2 第二步1) 在滞后①部5~10m 距离后, 先拆除①部2~3榀I18临时钢架,再人工配合机械开挖②部。
开挖进尺为2~3榀钢拱架间距。
2) 导坑周边部分初喷厚4cm 混凝土。
3) 铺设钢筋网片,架立型钢钢架,打设径向锚杆后复喷混凝土到设计厚度。
4) 架立临时仰拱(I18临时钢架), 打设锁脚锚管,封闭临时仰拱。
3 第三步1) 在滞后于②部5~10m距离后,开挖③部,同时错开2m开挖④部两侧边墙,以便施作钢架,每循环开挖进尺保持在2~3m。
开挖边墙时,在拱脚处向开挖轮廓线外开挖30×30×30cm 的扩大拱脚。
扩大拱脚采用C30喷射混凝土。
2) 施作台阶周边的初期支护。
4 第四步1)开挖④部其余仰拱部位,每次循环开挖进尺不大于3~4m。
2)及时施作仰拱部位初期支护并封闭成环。
封闭位置距离掌子面不得大于35m。
5 第五步1) 根据监控量测结果分析,待初期支护收敛后,拆除②部临时仰拱。
2) 浇筑Ⅳ部仰拱及Ⅴ部仰拱填充(仰拱与仰拱填充分开施作)。
6 第六步利用衬砌模板台车一次性灌注Ⅵ部拱墙二次衬砌(拱墙衬砌一次施作)。
4 钢架安装要求初喷混凝土施工完毕后进行钢支撑的架设,钢拱架在洞外加工,加工前在钢板板上放出钢拱架1:1大样图,或制作模具,然后根据大样或模具进行钢拱架的加工制作。
初喷完成后及时安设钢拱架,永久支护采用I22a型钢,临时支护采用I18工字钢,工字钢纵向间距60cm。
每榀钢拱架安装时,要测量人员准确定位,不偏、不斜,轮廓要符合设计要求,确保净空尺寸。
为保证钢架整体受力,设置纵向连接钢筋。
连接筋为φ22钢筋焊接,环向间距1.0m。
为减少钢支撑的沉降,永久支撑和临时支撑落地脚板安设25a槽钢或采用100×30×10cm 的方木作为支撑,增大受力面积,减小下沉量。
为减少下部开挖时拱脚的下沉量,在永久支撑和临时支撑落地脚板以上30cm部位增设注浆锁脚锚管,采用φ50×3.5mm,长度5.0m的小导管。
钢拱架安装工艺流程图5.超前小导管支护工艺超前小导管注浆工艺流程见图。
小导管采用φ42无缝钢管,钢管前端做成尖楔状,便于插入孔中或直接打入,在管身前部2.0m范围内按梅花形布置,钻φ10mm的注浆孔,以便钢管进入地层后对围岩空隙注浆。
注入纯水泥浆时,水泥浆水灰比为1:1.5、1:1、0.8:1三个等级,水泥浆由稀到浓逐渐变换,即先注稀浆,然后逐级变浓至0.8:1为止。
为注浆后尽快开挖,选用普通水泥或早强水泥并掺入一定量的三乙醇胺与氯化钠溶液,以缩短初凝、终凝时间,提高强度,提高水泥浆的可压注性;注入水泥砂浆时,其配比为水灰比1:1、砂灰比2:1。
注浆采用PF-40A型注浆泵,Ⅳ级围岩一般地段,注浆压力≮1.0MPa,Ⅳ级围岩加强地段和Ⅴ级围岩地段,注浆压力≮2.0MPa。
注浆异常现象处理:发生串浆现象:即浆液从其它孔中流出时,采用多台泵同时注浆或堵塞串浆孔隔孔注浆;注浆压力突然升高:可能发生了堵管,停机检查;注浆量很大,压力长时间不升高:则应调整浆液浓度及配合比,缩短凝胶时间,进行小量低压力注浆或间歇式注浆,使浆液在裂隙中有相对停留时间,以便凝胶,但停留时间不能超过浆液的凝胶时间。
6.锚杆、钢筋网、喷射砼施做要求1.钢筋网钢支撑施工完毕后进行钢筋网的安设,钢筋网采用φ6mm钢筋,网格尺寸为20×20cm,钢筋网贴钢支撑外弧进行布设,钢筋网必须和工字钢焊接牢固。
2.锚杆在钢支撑施工完毕后进行系统锚杆施工,拱部采用长度为4.0m,φ25mm中空注浆锚杆,纵环间距为1.5(纵)×1.5(环)m,墙部采用φ22mm砂浆锚杆长度4.0m,纵环间距为1.2(纵)×1.2(环)m,呈梅花型布置。
3.喷射砼1) 初喷混凝土应在开挖后立即进行,以减少围岩暴露时间。
2) 用高压风自上而下吹净岩面,埋设控制喷射混凝土厚度的标志钉。
3) 工作面滴水或淋水时,宜采用钻孔埋管做好引排水。
大面积潮湿的岩面宜采用粘结性强的混凝土,通过添加外加剂、掺合剂、素纤维改善混凝土性能。
4) 喷射混凝土必须满足设计强度、厚度及其与岩面粘结力要求。
5) 喷射作业应分段分片、分层依次进行,喷射作业从拱脚或墙脚自下而上进行,作业时应避免上部喷射回弹料虚掩拱(墙)脚;先找平凹洼部分,后喷射凸出部分,各部平顺连接。
喷头应与受喷面垂直,喷嘴口至受喷面距离宜保持在0.6~1.0m,沿水平方向以螺旋形划圈移动。
湿喷砼工艺流程图潮喷机操作过程框图7.仰拱施工⑴专人指挥仰拱开挖,隧底开挖应采用全幅分段施工,上面架设仰拱栈桥,每循环开挖长度宜为3m。
⑵隧底开挖后,应及时清除虚渣、杂物、泥浆、积水,立即初喷4cm厚混凝土封闭岩面,按照设计要求安装仰拱钢架,复喷射混凝土至设计厚度,使初期支护及时闭合成环。
⑶仰拱应超前拱墙衬砌,每循环浇筑长度宜为3m。
仰拱混凝土应分段全幅浇筑,一次成型,不留纵向施工缝,仰拱施工缝和变形缝应设置中埋式橡胶止水带。
⑷仰拱填充混凝土应在仰拱混凝土终凝后浇筑,浇筑前应清除仰拱表面的杂物和积水,连续浇筑,一次成型,不留纵向施工缝。
填充混凝土强度达到5MPa后允许行人通行,达到设计强度的100%后允许车辆通行。
仰拱填充表面坡度应符合设计要求,应平顺、排水通畅。
五、技术保证措施1 一般技术措施1)隧道施工应坚持“弱爆破、短进尺、强支护、早封闭、勤量测”的原则。
2)机械开挖时预留20cm部分采用人工开挖,可有效缓解对围岩的扰动,减少超挖,确保安全。
3)开挖需要爆破时,均采用弱爆破或人工开挖,爆破时严格控制炮眼深度及装药量。
开挖控制在2~3m,必须采用多打眼,少装药,弱爆破,不得超挖。
专职安全员控制装药量,减少对围岩的扰动。
在满足作业空间和台阶稳定的前提下,尽量缩短台阶长度。
4)钢架(或临时钢架)应设锁脚钢管,且必须对锁脚钢管注浆,以确保钢架基础稳定。
钢架之间纵向连接钢筋应及时施作并连接牢固。
5)施工过程通过监控量测,掌握围岩和支护的变形情况,及时调整支护参数和预留变形量,保证施工安全。
6)三台阶临时仰拱法施工时,各步台阶一次开挖长度宜为2~3m,下台阶开挖后仰拱应紧跟。
各台阶开挖长度控制,上台阶:5~10m ,中台阶:5~10m ,下台阶:10~15m 。
7)本段洞身施作初期支护时,拱部锚杆间距(环×纵)为1.0×1.0m ,墙部锚杆间距(环×纵)为1.0×1.0m 。
8)如到达各种预埋洞室及预埋件安设位置,根据实际情况可以不预留,待初期支护在本断面范围内完成或二次衬砌前另行开挖或预埋。
9)对上导下底临时横撑用枕木进行支垫时,必须高于底横撑面,并尽可能的减少空隙,以减少行车对钢支撑的扰动。
10)施工中重点解决好上、中、下各台阶的施工干扰问题,下部施工减少对上部围岩、支护的扰动。
11)上台阶施作钢架时,采用扩大拱脚或施作锁脚锚杆等措施,控制围岩和初期支护变形;中台阶在上台阶喷射混凝土达到设计强度70%以上时开挖,开挖完成后施作接长边墙钢架及中台阶临时仰拱钢架,使之形成闭合环;下台阶在中台阶喷射混凝土达到设计强度70%以上时开挖。