555定时器多谐波电路Multisim仿真
- 格式:docx
- 大小:317.90 KB
- 文档页数:5
技能训练-用仿真软件Multisim 10仿真测试555电路的简单应用一、实训目的1.掌握555定时器的简单应用2.仿真测试由555定时器构成的接近开关电路3.仿真测试由555定时器构成的救护车警笛电路二.实训器材三、实训原理及操作(一)实训原理参照图5-26、5-27所示电路,进行接线测试。
(二)实训操作1.仿真测试由555定时器构成的接近开关电路原件选取仿真电路所用元件及选取途径如下:电源VCC:Place Source→POWER_SOURCES→VCC接地:Place Source→POWER_SOURCES→GROUND,选取电路中的接地。
电阻选取:Place Basic→RESISTOR,选取100KΩ一个、68.1Ω一个、2.2MΩ一个。
电容的选取:Place Basic→CAPACITOR,选取470nF和10nF。
555定时器的选取:Place Mixed→TIMER→LM555CM开关的选取:Place Electromechanical→SUPPLEMENTORY_CO…→SPDT_SB发光二极管的选取:Place Diode→LED→LED_RED电压表的选取:Place Indicators→VOLTMETER→VOLTMETER_V2.仿真测试由555定时器构成的救护车警笛电路元件选取仿真电路所用元件及选取途径如下:电源VCC:Place Source→POWER_SOURCES→VCC接地:Place Source→POWER_SOURCES→GROUND,选取电路中的接地。
电阻选取:Place Basic→RESISTOR,选取100KΩ、5.1 KΩ。
电容的选取:Place Basic→CAPACITOR,选取10nF。
电解电容的选取:Place Basic→CAP_ELECTROLIT→100μF。
555定时器的选取:Place Mixed→TIMER→LM555CN电压表的选取:Place Indicators→VOLTMETER→VOLTMETER_V蜂鸣器的选取:Place Indicators→BUZZER→SONALERT,如图5-29所示。
技能训练-用仿真软件Multisim 10仿真测试555电路的逻辑功能一、实训目的1.掌握555定时电路的连接方法2.掌握555定时电路单稳态工作方式的仿真测试方法3.掌握555定时电路无稳态工作方式的仿真测试方法二.实训器材(一)实训原理参照表5-1所示的555定时电路的功能表,了解其各个管脚的作用,然后进行接线测试。
(二)实训操作1.555定时电路单稳态工作方式的仿真测试(1)元件选取仿真电路所用元件及选取途径如下:电源VCC:Place Source→POWER_SOURCES→VCC接地:Place Source→POWER_SOURCES→GROUND,选取电路中的接地。
信号源V1的选取:Place Source→SIGNAL_VOLTAGE_SO...→AC_VOLTAGE即可,需要注意,默认的电压为1V,需要设置电压为2.5V。
电阻选取:Place Basic→RESISTOR,选取1KΩ和10Ω电容的选取:Place Basic→CAPACITOR,选取0.1μF和0.01mF555定时器的选取:Place Mixed→TIMER→LM555CM,如图5-21所示。
四通道示波器XSC1:从虚拟仪器栏中选取。
图5-21 555定时器的选取(2)电路组成若以555定时器的TRI端作为触发信号的输入端;电阻R1、R2和C1组成充放电电路,电压源Vcc经电阻R1、R2给电容C1充电,电容C1经R2、内部的放电管对地放电,这样就构成了单稳态触发器。
仿真电路如图5-22所示。
图中,从Multisim 10中调出的555定时器LM555CM上标注的含义为:VCC:电源端;GND:接地端;RST:复位端;DIS:放电端;THR:高电平触发端;TRI:低电平触发端;CON:控制电压端;OUT:输出端图5-22 由555定时器构成的单稳态触发器(3)仿真分析打开仿真开关,进行仿真测试。
电路的输入信号采用正弦信号,输入输出波形用4通道示波器XSC1检测。
555定时器报警电路
本电路采用两片555定时器并配以适当外围元件组成如上图所示电路,电路中左右两片555电路分别构成两个振荡频率不同的多谐振荡器,因为左边振荡器的充放电时间常数远大于右边振荡器的充放电时间常数,因此左振荡器的振荡周期远大于右振荡器,将左振荡器的输出接到右振荡器的控制电压输入端,利用左振荡器的高、低电平控制右振荡器产生两个不同频率的振荡,从而可推动扬声器产生报警音响效果。
报警电路中左、右两个振荡器输出电压波形如图所示,0为低频振荡,1为高频、变频振荡。
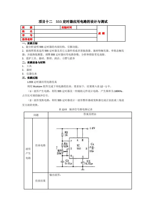
项目十二 555定时器应用电路的设计与调试班 级 实验时间成 绩姓 名 学 号 指导老师一、实践目标1.能分析说明555定时器的内部结构、引脚功能;2.能按照要求选用555定时器及其它元器件组成多谐振荡器、施密特触发器、单稳态触发器;并能熟练测量、调整555定时器应用电路参数,分析和排除常见故障。
3.爱护工具、器材、整理、清洁、习惯与素养 二、实践设备与材料 1. 工具 2. 器材 3. 仪器仪表 三、实践过程1.555定时器应用电路仿真利用Multisim 软件完成下列电路的仿真,要求如下,结果填入表12-1中。
(1)波形产生电路:利用555定时器及一些辅助元件设计电路,产生频率为100KHz 、占空比可调的脉冲信号。
(2)波形变换电路:利用555定时器设计一波形整形器或变换器完成正弦波或三角波至方波的变换。
表12-3 脉冲信号源电路记录问题答案及理由波形产生电路仿真电路仿真结果输出波形:周期:T=(R1+2R3+2R P)C2\1.43 频率:最大占空比:t w1=T k\T 最小占空比:t w2=t\T波形变换电路仿真电路仿真结果输入波形:输出波形:周期:T=(R1+2R3+2R P)C2\1.43 频率:自我评价小组评价教师评价2.单稳态电路仿真与测试图12-3 555 定时器构成单稳态触发器如果用图12-3所示单稳态电路输出定时时间为1 s 的正脉冲,R = 27 kΩ,试确定定时元件C 的取值,并选择合适的电容。
若定时时间改为5 s 的正脉冲,C = 30uF,试确定定时元件R 的取值。
并通过仿真进行验证。
结果记录在表12-2中。
表12-2 单稳态电路仿真与测试电阻电容仿真波形及脉冲时间时间为1 s 的正脉冲R = 10 kΩC=0.1μF时间为5 s 的正脉冲R =51KΩC=0.1uF自我评价小组评价教师评价3.1kHZ的脉冲信号源电路的设计与制作理解图12-4所示电路,使用555电路为某TTL电路设计一个1kHZ的脉冲信号源。
555定时器仿真实验报告
实验目的:
1. 了解555定时器的工作原理;
2. 掌握555定时器的基本应用;
3. 掌握使用仿真软件进行实验的方法。
实验器材:
1. 电脑;
2. 仿真软件(如Proteus);
3. 555定时器集成电路。
实验步骤:
1. 打开仿真软件,并创建新的电路图;
2. 在电路图中添加一个555定时器;
3. 为555定时器的引脚添加合适的元件,如电阻、电容等;
4. 设置555定时器的工作模式,如单稳态模式或多谐振荡模式;
5. 设置元件的参数,如电阻和电容的数值;
6. 运行仿真,观察555定时器的输出信号。
实验结果:
根据实验中设置的参数和工作模式,555定时器应该能够正确输出相应的信号。
通过仿真软件可以实时观察到555定时器的输出波形,并可以调整参数进行实时仿真。
实验分析:
通过实验可以发现,555定时器具有较高的稳定性和精确性,能够根据设置的参数生成稳定的时间延迟或者频率信号。
在实际应用中,555定时器常用于计时、频率分频、脉冲调制等电路中。
实验总结:
通过本次实验,我们了解了555定时器的基本工作原理和应用,在仿真软件的帮助下,我们能够更加直观地观察和分析555定时器的输出波形,加深了对555定时器的理解。
在实际应用中,我们需要根据具体的需求选择合适的参数和工作模式,以达到预期的效果。
Multisim软件使用步骤新建设计电路图属性设置绘制导线仿真放置元件54321Multisim软件窗口界面认识菜单栏标题栏仪表工具栏标准工具栏设计工具箱元件工具栏仿真工具栏主工具栏电路编辑区视图工具栏探针工具栏电子表格视图状态栏鼠标左键双击Multisim软件图标后,弹出软件界面,然后鼠标左键单击“文件”选择子菜单“设计”弹出软件界面,然后鼠标左键单击“文件”选择子菜单“保存”。
弹出窗口,如下图,选择计算机中的位置,本例中路径F:\software\multisim work,然后在下方文件名的位置处输入文件名“555timer1.ms14”后,鼠标左键选择“保存”。
观察设计工具箱位置处,文件名已经变更,如下图,完成文件保存。
鼠标右键单击电路编辑区(中间白色区域),选择弹出菜单中的属性,或者键盘输入“Ctrl+M”。
将电路图属性对话框中“元器件”标签的“印迹管脚名称(F)”左侧的复选按钮选中打“ ”,然后将“网络名称”标签的“全部显示”左侧单选按钮选中,如下图所示,最后“确定”,完成设置。
框系列中选择“LED”,然后在右侧元器件中选择“LED_green”,然后点击“确定”。
在“电路编辑区”合适位置鼠标左键单击,即可放置“LED”,按照此步骤,依次放置6盏LED灯。
然后弹出的“选择一个元器件”对话框,选择“组”中下拉列表,将“Diodes”变更为“Basic”,“系列”内选择“RESISTOR”(电阻),“元器件”内选择“510”,最后鼠标左键“确认”,如下图。
在“电路编辑区”合适位置鼠标左键单击,即可放置“RESISTOR”,按照此步骤,依次放置6个电阻。
然后弹出的“选择一个元器件”对话框,选择“组”中下拉列表,将“Basic”变更为“TTL”,“系列”内选择“74LS”,“元器件”内选择“74LS11N”,N表示“DIP”封装,最后“确认”,如下图。
“确定”后会弹出如下图(红色框)的对话框,A、B、C可以任选,对仿真没有影响。
实验9 555定时器应用电路设计学号:姓名:专业:一、实验目的:1.了解555定时器的工作原理。
2.学会分析555电路所构成的几种应用电路工作原理。
3.熟悉掌握EDA软件工具Multisim的设计仿真测试应用。
二、实验设备及材料:仿真计算机及软件Multisim。
附:集成电路555管脚排列图三、实验原理:555电路是一种常见的集模拟与数字功能于一体的集成电路。
只要适当配接少量的元件,即可构成时基振荡、单稳触发等脉冲产生和变换的电路,其内部原理图如图1所示,其中(1)脚接地,(2)脚触发输入,(3)脚输出,(4)脚复位,(5)脚控制电压,(6)脚阈值输入,(7)脚放电端,(8)脚电源。
图1555集成电路功能如表1所示。
表1:注:1.(5)脚通过小电容接地。
2.*栏对CMOS 555电路略有不同。
图2是555振荡电路,从理论上我们可以得出:振荡周期: C R R T ⋅+=)2(7.021 (1)高电平宽度: C R R t W ⋅+=)(7.021 ..........................…….....2 占空比: q =21212R R R R ++ (3)图3为555单稳触发电路,我们可以得出(3)脚输出高电平宽度为: RC t W 1.1= (4)四、计算机仿真实验内容及步骤、结果:1. 时基振荡发生器:(1). 单击电子仿真软件Multisim基本界面左侧左列真实元件工具条“Mixed”按钮,如图4所示,从弹出的对话框“Family”栏中选“TIMER”,再在“Component”栏中选“LM555CM”,如图5所示,点击对话框右上角“OK”按钮将555电路调出放置在电子平台上。
图4图5(2). 从电子仿真软件Multisim基本界面左侧左列真实元件工具条中调出其它元件,并从基本界面左侧右侧调出虚拟双踪示波器,按图6在电子平台上建立仿真实验电路。
图6(3). 打开仿真开关,双击示波器图标,观察屏幕上的波形,示波器面板设置参阅图3.12.7。
Multisim软件使用步骤新建设计电路图属性设置绘制导线仿真放置元件54321Multisim软件窗口界面认识菜单栏标题栏仪表工具栏标准工具栏设计工具箱元件工具栏仿真工具栏主工具栏电路编辑区视图工具栏探针工具栏电子表格视图状态栏鼠标左键双击Multisim软件图标后,弹出软件界面,然后鼠标左键单击“文件”选择子菜单“设计”弹出软件界面,然后鼠标左键单击“文件”选择子菜单“保存”。
弹出窗口,如下图,选择计算机中的位置,本例中路径F:\software\multisim work,然后在下方文件名的位置处输入文件名“555timer1.ms14”后,鼠标左键选择“保存”。
观察设计工具箱位置处,文件名已经变更,如下图,完成文件保存。
鼠标右键单击电路编辑区(中间白色区域),选择弹出菜单中的属性,或者键盘输入“Ctrl+M”。
将电路图属性对话框中“元器件”标签的“印迹管脚名称(F)”左侧的复选按钮选中打“ ”,然后将“网络名称”标签的“全部显示”左侧单选按钮选中,如下图所示,最后“确定”,完成设置。
框系列中选择“LED”,然后在右侧元器件中选择“LED_green”,然后点击“确定”。
在“电路编辑区”合适位置鼠标左键单击,即可放置“LED”,按照此步骤,依次放置6盏LED灯。
然后弹出的“选择一个元器件”对话框,选择“组”中下拉列表,将“Diodes”变更为“Basic”,“系列”内选择“RESISTOR”(电阻),“元器件”内选择“510”,最后鼠标左键“确认”,如下图。
在“电路编辑区”合适位置鼠标左键单击,即可放置“RESISTOR”,按照此步骤,依次放置6个电阻。
然后弹出的“选择一个元器件”对话框,选择“组”中下拉列表,将“Basic”变更为“TTL”,“系列”内选择“74LS”,“元器件”内选择“74LS11N”,N表示“DIP”封装,最后“确认”,如下图。
“确定”后会弹出如下图(红色框)的对话框,A、B、C可以任选,对仿真没有影响。
论文题目由CB555构成的闪烁警示灯电路设计及multisim仿真姓名姚佳茜所在学院机电及自动化专业班级09机械电子2班学号0911116048日期2011年11月14日引言:555定时器是一种模拟电路和数字电路相结合的中规模集成器件,它性能优良,适用范围很广,外部加接少量的阻容元件可以很方便地组成单稳态触发器和多谐振荡器,以及不需外接元件就可组成施密特触发器。
固态继电器(SOLIDSTATE RELAYS),简写成“SSR”,是一种全部由固态电子元件组成的新型无触点开关器件,它利用电子元件的开关特性,可达到无触点无火花地接通和断开电路的目的,因此又被称为“无触点开关”。
图11.电路组成如图1所示电路主要由IC1 ,SSR ,LED1为核心构成.其中IC1的型号为CB555,是一块单时基集成电路.SSR是一种固态继电器;LED1是一只红色发光二极管,用于指示震荡电路的工作状态。
2.各组成部分工作原理(1)由555定时器组成的多谐震荡电路由555定时器构成的多谐振荡器如图2所示,R1,R2和C是外接定时元件,电路中将高电平触发端(6脚)和低电平触发端(2脚)并接后接到R2和C的连接处,将放电端(7脚)接到R1,R2的连接处。
由于接通电源瞬间,电容C来不及充电,电容器两端电压uc为低电平,小于(1/3)Vcc,故高电平触发端与低电平触发端均为低电平,输出uo为高电平,放电管VT截止。
这时,电源经R1,R2对电容C充电,使电压uc按指数规律上升,当uc上升到(2/3)Vcc时,输出uo为低电平,放电管VT导通,把uc从(1/3)Vcc 上升到(2/3)Vcc这段时间内电路的状态称为第一暂稳态,其维持时间TPH的长短与电容的充电时间有关。
充电时间常数T充=(R1+R2)C。
由于放电管VT导通,电容C通过电阻R2和放电管放电,电路进人第二暂稳态.其维持时间TPL的长短与电容的放电时间有关,放电时间常数T放=R2C0随着C的放电,uc下降,当uc下降到(1/3)Vcc时,输出uo。
数字电子技术仿真实验报告实验名称:555定时器学生姓名:刘佳璇学号:20152523指导教师:金丹院系:电气工程学院班级:201502D2017 年11 月29 日555定时器一、实验目的1、学会使用 MULTISIM 软件进行数字电子实验仿真。
2、学习了解555定时器的工作原理。
二、实验内容多谐振荡器三、实验原理555定时器的内部电路图及引脚排列见下图,功能表见下表。
555定时器的功能主要由两个比较器决定。
两个比较器的输出电压控制RS 触发器和放电管的状态。
在电源与地之间加上电压,当5脚悬空时,则电压比较器C1的同相输入端的电压为3/2CC V ,C2的反相输入端的电压为VCC 若触发输入端TR 的电压小于3/CC V ,则比较器C2的输出0,可使RS 触发器置1,使输出端OUT=1。
如果阈值输入端TH 的电压大于3/2CC V ,同时TR 端的电压大于3/CC V ,则C1的输出为0,C2的输出为1,可将RS 触发器置0,使输出为0电平。
多谐振荡器又称为无稳态触发器,它没有稳定的输出状态,只有两个暂稳态。
在电路处于某一暂稳态后,经过一段时间可以自行触发翻转到另一暂稳态。
两个暂稳态自行相互转换而输出一系列矩形波。
多谐振荡器可用作方波发生器。
电路如图。
四、 实验设计与仿真构建仿真电路如图所示,其中Ω=k R 21,Ω=k R 12,F C μ1.0=。
接通V 5电源,用示波器观察c u 和o u 的波形。
波形如下图:仿真结果与实验结果一致。
五、实验小结这次的仿真实验是 555 定时器(多谐振荡器)电路,实验连线较简单,但是原理并不简单,通过实验我更加深刻的理解了555定时器的工作原理。
(M u l t i s i m数电仿真)555电路应用实验9 555定时器应用电路设计学号:姓名:专业:一、实验目的:1.了解555定时器的工作原理。
2.学会分析555电路所构成的几种应用电路工作原理。
3.熟悉掌握EDA软件工具Multisim的设计仿真测试应用。
二、实验设备及材料:仿真计算机及软件Multisim。
附:集成电路555管脚排列图三、实验原理:555电路是一种常见的集模拟与数字功能于一体的集成电路。
只要适当配接少量的元件,即可构成时基振荡、单稳触发等脉冲产生和变换的电路,其内部原理图如图1所示,其中(1)脚接地,(2)脚触发输入,(3)脚输出,(4)脚复位,(5)脚控制电压,(6)脚阈值输入,(7)脚放电端,(8)脚电源。
图1555集成电路功能如表1所示。
表1:注:1.(5)脚通过小电容接地。
2.*栏对CMOS 555电路略有不同。
图2是555振荡电路,从理论上我们可以得出:振荡周期: C R R T ⋅+=)2(7.021...........................…….....1 高电平宽度: C R R t W ⋅+=)(7.021 ..........................…….....2 占空比: q =21212R R R R ++ (3)图2 图3图3为555单稳触发电路,我们可以得出(3)脚输出高电平宽度为: RC t W 1.1 (4)四、计算机仿真实验内容及步骤、结果:1. 时基振荡发生器:(1). 单击电子仿真软件Multisim 基本界面左侧左列真实元件工具条“Mixed ”按钮,如图4所示,从弹出的对话框“Family ”栏中选“TIMER ”,再在“Component ”栏中选“LM555CM ”,如图5所示,点击对话框右上角“OK ” 按钮将555电路调出放置在电子平台上。
图4图5(2). 从电子仿真软件Multisim基本界面左侧左列真实元件工具条中调出其它元件,并从基本界面左侧右侧调出虚拟双踪示波器,按图6在电子平台上建立仿真实验电路。
数字电子技术仿真实验报告
实验名称:555定时器
学生姓名:刘佳璇学号:********
指导教师:**
院系:电气工程学院班级:201502D
2017 年11 月29 日
555定时器
一、实验目的
1、学会使用 MULTISIM 软件进行数字电子实验仿真。
2、学习了解555定时器的工作原理。
二、实验内容
多谐振荡器
三、实验原理
555定时器的内部电路图及引脚排列见下图,功能表见下表。
555定时器的功能主要由两个比较器决定。
两个比较器的输出电压控制RS 触发器和放电管的状态。
在电源与地之间加上电压,当5脚悬空时,则电压比较器C1的同相输入端的电压为3/2CC V ,C2的反相输入端的电压为VCC 若触发输入端TR 的电压小于3/CC V ,则比较器C2的输出0,可使RS 触发器置1,使输出端OUT=1。
如果阈值输入端TH 的电压大于3/2CC V ,同时TR 端的电压大于3/CC V ,则C1的输出为0,C2的输出为1,可将RS 触发器置0,使输出为0电平。
多谐振荡器又称为无稳态触发器,它没有稳定的输出状态,只有两个暂稳态。
在电路处于某一暂稳态后,经过一段时间可以自行触发翻转到另一暂稳态。
两个暂稳态自行相互转换而输出一系列矩形波。
多谐振荡器可用作方波发生器。
电路如图。
四、 实验设计与仿真
构建仿真电路如图所示,其中Ω=k R 21,Ω=k R 12,F C μ1.0=。
接通V 5电
源,用示波器观察c u 和o u 的波形。
波形如下图:
仿真结果与实验结果一致。
五、 实验小结
这次的仿真实验是 555 定时器(多谐振荡器)电路,实验连线较简单,但是原理并不简单,通过实验我更加深刻的理解了555定时器的工作原理。