现场总线电动门故障分析诊断
- 格式:doc
- 大小:4.14 MB
- 文档页数:8
一、故障现象分析处理1、只要送电就偶尔报通讯故障,各子站随机出现通讯故障。
粗略检测回路电阻,阻值为112Ω左右,阻值在正常范围内。
对故障1,首先检查接线顺序问题,通讯DP头A、B端子的电缆是否有接反现象,其次看接线是否有不良现象,然后测量总线上的回路电阻值,理论上电阻值在110Ω左右就没有问题;偶尔报通讯故障一般就是信号衰减的问题,主要有接线和通讯头两方面原因。
2、各子站随机出现通讯故障。
粗略检测回路电阻,阻值为85Ω,阻值不在正常范围内。
对故障2,检查两端的DP通讯头,发现末尾的DP通讯头阻值异常,应该是220Ω,却只有140Ω左右,更换正常DP通讯头后,恢复正常。
3、运行时偶尔22~25子站报通讯故障,不运行时没有问题。
粗略测量阻值为112Ω,阻值在正常范围内。
对故障3,接线和通讯头均正常,测量阻值为112Ω,阻值在正常范围内,电缆也没有新增。
但是运行时报故障,判断是设备运行导致故障的发生,应是电磁干扰、变频电机在运行时影响通讯所致。
在电缆隧道中,通讯电缆与电机的动力电缆是在一起的。
为证实这一判断把这4个子站所带的电机全部停下,然后试车,发现不再报通讯故障。
因此,故障原因就是电磁干扰。
这种情况需重新敷设,避免通讯电缆和动力电缆同隧道。
二、问题分析1、单个从站故障现场总线控制系统中的从站基本都是安装在现场的设备,而现场环境比较恶劣,灰尘、雨水、振动等会影响现场设备的使用寿命。
当某个从站故障时,它会通过总线向主站发出大量的故障信息,如果总线中某处数据传输存在瓶颈,就有可能造成网络堵塞,导致所有从站与主站失去通信。
在闭冷水系统中,水的压力高、流速快,管道会有较大的振动,造成个别电动门频繁故障,故障电动门通过总线向DCS卡件发送大量报警信息。
而这个系统中光电转换器就是一个瓶颈,报警信息足够多时会使光电转换器出现数据堵塞而中断网络。
网络一旦中断,所有现场总线电动门就无法在DCS中操控。
只有处理好故障电动门,同时清空光电转换器数据,才能使网络恢复正常。
电动门闪烁原因分析报告一、引言电动门作为现代建筑中常见的出入口设施,其重要性不言而喻。
然而,随着使用时间的增长,一些电动门在工作过程中出现了闪烁的现象。
这种闪烁不仅会影响门的正常使用,还可能对用户的安全带来潜在风险。
为了找出电动门闪烁的原因,并提出相应的解决方案,本报告对电动门闪烁问题进行了深入的分析和研究。
二、现象描述在实地调查过程中,我们发现电动门闪烁主要有以下几种现象:1. 门在打开或关闭过程中,灯光闪烁频率较快;2. 门打开或关闭后,灯光持续地闪烁而不消失;3. 电动门启动后灯光立即熄灭,但在运行过程中会突然闪烁。
三、可能的原因基于实地观察和与相关专业人员的交流,本报告归纳出电动门闪烁的可能原因如下:1. 电源问题:可能是电源电压不稳定,或是供电设备损坏导致的闪烁。
可以通过检查电源电压的波动情况和更换供电设备来解决。
2. 控制系统故障:电动门的闪烁现象也可能是由于控制系统的故障引起的。
例如,控制面板的电路板出现短路或接线不良等问题,都可能导致闪烁。
解决方法是检查电路板的连接是否牢固,及时更换损坏的元件。
3. 灯光故障:电动门上的灯具也可能存在问题,例如灯泡老化、灯光开关失灵等。
需要及时更换灯泡或维修开关,以保证灯光的正常使用。
4. 电机问题:电动门闪烁还可能与电机有关,例如电机故障导致电流不稳定,从而引起灯光的闪烁。
可以通过检查电机的接线情况和电流的稳定性来解决。
5. 外部干扰:电动门周围的电磁干扰也可能成为闪烁的原因之一。
例如,附近的电子设备、通信设备等可能会干扰电动门的正常工作,进而引起灯光的闪烁。
可以通过增加屏蔽措施或调整设备位置来减少干扰。
四、解决方案为了解决电动门闪烁问题,我们提出以下解决方案:1. 检查电源:将电源电压进行测量,如果存在波动或不稳定的情况,应及时处理。
可以考虑安装稳压设备或更换合适的供电设备。
2. 检查控制系统:对电动门的控制系统进行全面检查,确保电路板连接牢固,排除接线不良等问题。
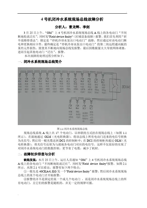
4号机闭冷水系统现场总线故障分析分析人:曹龙辉、李剑3月25日上午,“OM”上4号机闭冷水系统现场总线A线上的各电动门“不间断地轮流泛红”,同时发"Field device faulty"(区域设备故障)报警。
我们首先利用“折半故障排查法”,锁定是“停机冷却水泵出口电动门”故障,然后通过对该电动门断电和更换相应卡件,最终确定是“停机冷却水泵出口电动门”的第二块远程通讯板的某些元件损伤,致使其不断地向现场总线发报警,最后因数据量太大导致网络堵塞,进而引起其他电动门“泛红”、报警。
本次故障的处理过程分析如下:一、闭冷水系统现场总线简介图1.1闭冷水系统现场总线现场总线系统A线上共17个电动门,以串联的方式挂在现场总线上(如图1.1所示),在就地通过OLM(光电转换器),将该总线上所有电动门送来的电信号转换为光信号,然后用一根光缆送到DCS的控制柜中;在DCS的控制柜再通过OLM(光电转换器),将光信号还原为与就地各电动门对应的电信号。
这样不仅很好的实现了对闭冷水系统电动门的集散控制,更节省了电缆,减少了耗材。
二、故障初步排查与分析缺陷发现:本月25日上午,运行人员通知“OM”上4号机闭冷水系统现场总线A线上的各电动门“不间断地轮流泛红”,同时发"Field device faulty"报警,如图2.1所示。
从图2.1可以看出,报警有如下两个特点:①一般先是40CKA41.KG发一个"Field device faulty”报警,然后闭冷水系统现场总线上的某个电动门才开始报警;②报警的并不是固定的某一个或几个电动门,而是闭冷水系统现场总线上的所有电动门,且它们的报警是随机的,并无一定的规律可循。
图2.1图2.2原因分析一:可能因为闭冷水系统现场总线上的某个或某些电动门的逻辑板、远程通讯板的插线松动;或现场总线接线板的接线松动或破损接地;导致该门报警,或其不断地向现场总线发报警,最后因数据量太大导致网络堵塞,进而引起其他电动门“泛红”、报警。
4号机闭冷水系统现场总线故障分析分析人:曹龙辉、李剑3月25日上午,“OM”上4号机闭冷水系统现场总线A线上的各电动门“不间断地轮流泛红”,同时发"Field device faulty"(区域设备故障)报警。
我们首先利用“折半故障排查法”,锁定是“停机冷却水泵出口电动门”故障,然后通过对该电动门断电和更换相应卡件,最终确定是“停机冷却水泵出口电动门”的第二块远程通讯板的某些元件损伤,致使其不断地向现场总线发报警,最后因数据量太大导致网络堵塞,进而引起其他电动门“泛红”、报警。
本次故障的处理过程分析如下:一、闭冷水系统现场总线简介图1.1闭冷水系统现场总线现场总线系统A线上共17个电动门,以串联的方式挂在现场总线上(如图1.1所示),在就地通过OLM(光电转换器),将该总线上所有电动门送来的电信号转换为光信号,然后用一根光缆送到DCS的控制柜中;在DCS的控制柜再通过OLM(光电转换器),将光信号还原为与就地各电动门对应的电信号。
这样不仅很好的实现了对闭冷水系统电动门的集散控制,更节省了电缆,减少了耗材。
二、故障初步排查与分析缺陷发现:本月25日上午,运行人员通知“OM”上4号机闭冷水系统现场总线A线上的各电动门“不间断地轮流泛红”,同时发"Field device faulty"报警,如图2.1所示。
从图2.1可以看出,报警有如下两个特点:①一般先是40CKA41.KG发一个"Field device faulty”报警,然后闭冷水系统现场总线上的某个电动门才开始报警;②报警的并不是固定的某一个或几个电动门,而是闭冷水系统现场总线上的所有电动门,且它们的报警是随机的,并无一定的规律可循。
图2.1图2.2原因分析一:可能因为闭冷水系统现场总线上的某个或某些电动门的逻辑板、远程通讯板的插线松动;或现场总线接线板的接线松动或破损接地;导致该门报警,或其不断地向现场总线发报警,最后因数据量太大导致网络堵塞,进而引起其他电动门“泛红”、报警。
.电动门的控制原理、调试步骤及常见故障处理我厂使用的电动门和执行结构有扬州、常州、ROTORK、SIPOS、AUMA、瑞基、EMG 等系列。
一、概述电动装置是电动阀门的驱动装置,用以控制阀门的开启和关闭。
适用于闸阀、截止阀、节流阀、隔膜阀、其派生产品可适用于球阀、碟阀和风门等,它可以准确地按控制指令动作,是对阀门实现远控和自动控制的必不可少的驱动装置. 二、电动门的控制原理(一)电动装置的结构阀门电动装置由六个部分组成:即电机,减速器,控制机构,手--自动切换手轮及电气部分.1、控制机构由转矩控制结构,行程控制机构及可调试开度指示器组成.用以控制阀门的开启和关闭及阀位指示.1)转矩控制机构由曲拐、碰块、凸轮、分度盘、支板和微动开关组成.当输出轴受到一定的阻转矩后,蜗杆除旋转外还产生轴向位移,带动曲拐旋转,同时使碰块也产生一角位移,从而压迫凸轮,使支板上抬.当输出轴上的转矩增大到预定值时,则支板上抬直至微动开关动作,切断电源,电机停转,以实现电动装置输出转矩的控制.2)行程控制机构由十进位齿轮组,顶杆,凸轮和微动开关其.组成,简称计数器工作原理是由减速箱(Z=8)内的主动小齿轮如.带动计数器工作果计数器已经按阀门,开或关的位置已调好当计数器随输出轴转到预先调整好的位置则凸轮将被转动时,压迫微动开关,90度.,以实现对电动装置的控制,动作,切断电源电机停转而由手电动转变为手动需要扳动切换手柄,2、手自动切换机构为半自动切换,动变为电动时系自动进行。
由电动变为手动时,即用人工把切换手柄向手动方向推动,使输出轴上的中间离合器向上移动,压迫压簧。
当手柄推到一定位置时,中间离合器脱离蜗轮与手动轴爪啮合,则可使手轮上的作用力通过中间离合器传到输出轴上,即成为手动状态。
手动变为电动为自动切换,当电机旋转带动蜗轮转动时,直立杆立即倒下,在压簧作用下中间离合器迅速向蜗轮方向移动,与手轮轴脱开,..与蜗轮啮合,则成为电动状态。
总线控制系统阀门无法控制的解决方案发表时间:2020-12-11T14:30:52.420Z 来源:《中国电业》2020年22期作者:梁锦凤刘烽炎[导读] 现场总线是应用在生产现场、在微机化测量控制设备之间实现双向串行多节点数字通信的系统,也被称为开放式、数字化梁锦凤刘烽炎中国电建集团江西省电力建设有限公司江西南昌 330001【摘要】现场总线是应用在生产现场、在微机化测量控制设备之间实现双向串行多节点数字通信的系统,也被称为开放式、数字化、多点通信的底层控制网络。
新型的现场总线控制系统突破了DCS系统中通信由专用网络的封闭系统来实现所造成的缺陷,把基于封闭、专用的解决方案变成了基于公开化、标准化的解决方案,即可以把来自不同厂商而遵守同一协议规范的自动化设备,通过现场总线网络连接成系统,实现综合自动化的各种功能,同时把DCS集中与分散相结合的集散系统结构,变成了新型全分布式结构,把控制功能彻底下放到现场,依靠现场智能设备本身实现基本控制功能。
【关键词】总线控制通讯网络控制 T30001 引言作为众多现场总线家族成员之一,Profibus是在欧洲工业界得到最广泛应用的现场总线标准,也是目前国际上通用的现场总线标准之一。
Profibus是属于单元级、现场级的SIMITAC网络,适用于传输中、小量的数据。
其开放性可以允许众多厂商开发各自的符合Profibus协议的产品,这些产品可以连接在同一个Profibus网络上。
Profibus是一种电气网络,物理传输介质可以是屏蔽双绞线、光纤或无线传输。
Profibus是一种具有广泛应用范围的、开放的数字通信系统,特别适用于工厂自动化和过程自动化领域。
Profibus主要由现场总线报文(Profibus-FMS)、分布式外围设备(Profibus-DP)和过程控制自动化(Profibus-PA)三部分组成,总线系统具有节省硬件数量与投资、节省安装费用、节省维护开销、准确性与可靠性高等特点。
浅谈门机电气设备故障排查法门机是港口企业重要装卸生产设备之一,随着科技日益发展,其电气系统采用PLC控制和变频驱动代替原有的接触器控制方式。
门机电气设备故障排除法主要是通过触摸显示屏这种简单的人机交流模式,实时显示门机各个机构的运行状态和控制线路的执行状态,当门机发生电气故障时,屏幕会自动显示故障点及故障的排除方法。
标签:触摸屏;PLC控制;故障点引言北仑第二港埠分公司通用泊现有门机5台,每天担负着繁重的工作量。
门机作业中会发生各种各样的电气故障。
每当故障发生时,维修人员要带着万用表、图纸等工具去修理,往往为了一个小小的限位故障,需要检查很长时间。
既增大了修理人员的劳动强度,又对生产带来一定的影响。
门机电气设备故障排查法就是把门机的起升、变幅、旋转、行走、电源等常见电气故障经过整理、分类归纳总结后,编辑到触摸屏(GP)内。
当门机发生故障时,通过点击触摸屏,屏幕会根据设置的要求,自动显示故障点的位置及器件的名称,并且还会反映造成该故障点的原因及故障的排除方法。
它的应用可以使普通的维修电工也能很快地掌握门机电气的维修技巧。
有了这个排查法,门机电气故障平均修理时间从原来的45分种缩短到15分种,加快了修理速度,提高了生产效率,保证了门机电气设备的正常运行。
1 门机电气故障排查法的原理在现有的门机控制系统中,PLC是控制中心,利用触摸屏应用软件,先在电脑上编制好各种动作显示画面和所需要的电气控制功能,再通过GP线传送到触摸屏上,触摸屏与PLC连接应使用RS232C串行通信接口。
触摸屏型号为GP-2500S,屏幕大小为10.4寸,电源电压为直流24V,有非常强大的显示功能,能够使整台门机电气控制系统中的元器件动作情况以动画形式显示在触摸屏上,达到了电气设备的实时监控和故障显示目的。
使维修人员能够及时地对设备进行修理,提高了修理速度。
2 制作流程触摸屏主画面分司机自查法、电工排查法、电气技术参数三种功能,供门机司机和维修人员使用。
电动门故障处理方案1. 概述本手册旨在为电动门故障处理提供一套详细、专业的解决方案。
电动门在日常生活中广泛应用,如商场、办公楼、酒店等场所。
为确保其正常运行和使用寿命,定期维护和正确的故障处理至关重要。
本方案涵盖了常见的电动门故障现象及其处理方法,以帮助维护人员快速定位问题并采取相应措施。
2. 故障现象与处理方法2.1 电动门无法开启或关闭现象描述:- 门体静止不动,无法启动。
- 门体运动过程中突然停止。
可能原因:- 电源故障或电源插头松动。
- 控制电路故障,如断路、短路等。
- 驱动装置故障,如电机损坏、传动带断裂等。
- 门体受阻或平衡系统故障。
处理方法:- 检查电源是否正常,插头是否牢固。
- 使用万用表检测控制电路各部分是否通畅。
- 检查驱动装置,如有损坏,及时更换。
- 检查门体是否平衡,调整平衡系统。
2.2 电动门运行不稳定现象描述:- 门体运行过程中出现晃动、振动。
- 门体运行速度时快时慢。
可能原因:- 门体安装不平衡。
- 驱动装置故障或调整不当。
- 悬挂系统故障,如轨道弯曲、滚轮损坏等。
处理方法:- 检查门体安装是否牢固,调整平衡。
- 检查驱动装置,调整至正常工作状态。
- 检查悬挂系统,更换损坏部件。
2.3 电动门运行声音过大现象描述:- 门体运行过程中噪音过大,影响正常使用。
可能原因:- 滚轮损坏或磨损严重。
- 轨道积累灰尘、异物。
- 悬挂系统故障。
处理方法:- 检查滚轮是否损坏或磨损,及时更换。
- 清理轨道灰尘、异物,保持轨道清洁。
- 检查悬挂系统,调整至正常工作状态。
2.4 电动门门锁无法锁定现象描述:- 门体关闭后,门锁无法正常锁定。
可能原因:- 门锁故障或损坏。
- 门锁安装不当。
- 门体与门框之间的间隙过大。
处理方法:- 检查门锁是否损坏,如有损坏,及时更换。
- 检查门锁安装是否牢固,重新安装。
- 调整门体与门框之间的间隙,确保门锁能正常工作。
3. 故障处理流程1. 接报:接收电动门故障报告。
门禁系统故障原因分析和排查方法门禁维修方法门禁系统故障原因分析和排查1、报有门禁通讯不通维修方法1)检查串口是否设置错误(确定所使用的串口)2)检查门禁通讯总线是否存在短路或断路(排除通讯线短路与断路现象)3)检查RS485通讯卡通讯芯片75184损坏(更换通讯芯片75148)4)RS485通讯卡损坏(更换RS485通讯卡)2、个别门禁通讯不通维修方法1)检查门禁通讯线中否接线有误(调整接线)2)检查门禁通讯芯片75148是否损坏(更换通讯芯片75148)3)检查门禁读写芯片及模块是否损坏(更换读写芯片及模块)4)门禁读写板故障(更换门禁读写板)5)检查机号是否改变(调整机号)3、部分门禁通讯不能1)检查门禁通讯总线是否中间出现断路(排除断路现象)2)通信线路过长或连接门禁设备过多(加装RS485放大器)4、门禁读卡后不能开门维修方法1)检查读卡后读瞳板有无电压信号输出(如无电压输出,更换读卡板输出部分电路D880及9013)2)检查外接继电是否损坏(更换继电器)3)检查外接延时板是否损坏(更换延时板4)检查磁力锁控制器是否损坏(更换磁力锁控制器)5)电锁故障(更换电锁)6)电磁锁鸣叫(增大门禁电源功率即更换功率大的变压器)7)读卡闪红灯(门禁时间及IC卡权限、挂失做相应的处理)5、IC卡无法读卡1)IC卡片在IC卡授权时已作读卡有效时间段设置(可作全天读卡有效设置)2)门禁控制器异常发热(更换门禁主板)3)门禁读写天线(调整微调电容,增强读卡距离)6、门禁早稻鸣器不停鸣叫维修方法1)门禁板存储参数错乱(门禁板电池放电并重新加载参数)2)检查读卡板读写芯片与读写模块是否损坏(更换读写芯片与读写模块)3)读卡板芯片DS1302损坏(更换芯片DS1302)4)门禁板故障(更换门禁板)7、门禁地临实时临控时能信政党但读卡后有个别门禁无法提取记录维修方法1)通讯线路不畅通需加装RS485放大器8、门禁软件进入实时临控后门禁自劝发出开门信号维修方法1)门禁软件系统设置中,门村类型“在线门禁”改为“脱机门禁”9、门禁记录提取不完维修方法清空门禁控制器,重新加载时间)。
电动门机故障检修方案电动门是一种可以通过电力控制打开和关闭的门,广泛应用于商业建筑、机场、医院、地铁等场所。
然而,在长时间使用过程中,由于各种原因,电动门会出现故障,影响其正常使用。
本文将针对电动门的常见故障进行分析,并提出相应的检修方案。
一、电动门无法打开或关闭1.检查电源线是否插紧,确保电源供应正常。
2.检查电机电缆连接是否松动或破损,如有松动或破损,重新连接或更换电缆。
3.检查门体是否卡住,查看导轨、滑轮、滑块等部件是否干涉或损坏,如有问题,进行修复或更换。
二、电动门打开或关闭过程中发出异常声音1.检查导轨是否有异物堵塞,清理导轨内的杂物。
2.检查滑轮、滑块、导向轮等部件是否磨损或损坏,如有问题,及时更换。
3.检查传动链条、齿轮是否缺油或过度磨损,如有需要,添加润滑油或更换相应配件。
三、电动门打开或关闭速度过慢1.检查电机工作状态,确认电机是否正常运转,如果电机异常,进行维修或更换。
2.检查传动系统是否有过度磨损或松动,如有问题,进行修复或更换。
3.检查控制器设置是否不正确,重新调整门体运行速度。
四、电动门遇到阻力自动停止或逆行1.检查门体下方是否有障碍物,将障碍物移开。
2.检查遇阻停止装置是否正常,如有问题,进行修复或更换。
3.检查遇阻逆行装置是否正常,如有问题,进行修复或更换。
五、电动门遇到紧急情况无法打开1.检查应急开门按钮是否正常,如有问题,进行修复或更换。
2.确认控制器设置是否正确,调整为应急情况下自动开启状态。
3.检查电源供应是否中断,确保电源供应正常。
综上所述,对于电动门的常见故障,可以根据故障的具体情况,采取相应的检修方案。
在检修过程中,需要特别注意安全,确保电动门的故障得到有效解决,恢复正常工作状态。
此外,定期对电动门进行维护保养,可以有效地减少故障的发生,延长电动门的使用寿命。
电子门电路维修中的故障检查方法1,面板施压法:对主机以及分机面板或面板外的按键及开关和分级压簧等元件稍微施加压力面板外开关的接触不良。
这种方法主要是判断面板外开关损坏而导致的接触不良或因为面板变形导致的串铃等故障。
注:施压时要注意控制力度,以免力度过大导致面板变形及电路印制板断裂。
2,直观检查法:(1)用眼看:在检查电子门故障前根据故障现象首先观察一下主机板或分机上按键,压簧是否弹出,电路板中的元器件是否有烧糊,电解电容是否有电解液溢出,电源指示灯是否亮,连接线及电路印制板是否有断裂或主机面板是否严重变形的故障用眼睛直观观察的方法。
(2)用手摸:电子门电路中的工作电压都是安全电压。
所以在维修工作中可以用手对元器件温度,从而判断元器件故障而产生的过热现象或因为不正常的电压以及电流产生的过热现象。
在用手摸的过程中先用手轻轻的触摸一下,如果感觉不是很烫,方可长时间碰触。
并且通过用手摸开关元件或压簧的弹性可以判断由于元件中的金属疲劳而导致接触不良的故障。
(3)耳听:在待机工作的主机扬声器是应该没有任何杂音和干扰声的。
所以我们在维修工作时通过耳听来判断各种故障的。
如果听到嗡嗡的交流干扰声,就是滤波电路故障,很可能是滤波电容老化,不能有效的去除整流后的交流杂波。
如果能听到室内的声响,一定是有住户室内分机没有挂好,如果我们在室内将分级挂好机还能贴耳细听分机扬声器有声音传出,那一定是压簧开关不能通断的故障。
如果主机扬声器传出强烈的自啸声,是由于主机话筒灵敏度太高或电路元器件老化从而产生零星漂移从而产生的自激震荡波。
注:直观检测法是电子门维修方法中最常用也是最简便的,在维修工作中本着由简入繁的维修原则,第一步首先通过直观的判断方法对各种故障现象进项分析判断。
3,并接法:就是在维修工作中我们在主机往用户分机的输出端并接一分机。
通过并接分机的工作状况从而判断故障是在主机上还是在分机上。
也可以通过使用好的分机并接在用户分机接线上从而判断此户分机是否损坏。
车门电动锁系统故障排查一、引言车门电动锁系统是现代汽车的重要组成部分之一,负责控制车门的开闭操作。
然而,由于各种原因,车门电动锁系统可能会出现故障,导致车门无法正常锁定或解锁。
本文将介绍一些常见的车门电动锁系统故障,并提供相应的排查方法,以帮助车主解决问题。
二、车门无法解锁的故障排查1. 检查车钥匙电池:有时候,车钥匙电池电量不足会导致车门电动锁系统无法解锁。
首先,我们可以更换钥匙电池,然后再尝试解锁车门。
2. 检查中控锁按钮:车内的中控锁按钮也可能发生故障,导致车门无法解锁。
这时,我们需要检查按钮是否松动或损坏,如果是,则需要更换中控锁按钮。
3. 检查车门电动锁控制模块:车门电动锁控制模块是控制车门锁定与解锁的核心部件。
如果车门无法解锁,有可能是控制模块出现故障。
我们可以通过检查模块的连接线路是否正常、模块是否受潮或受损等方式来判断故障是否出现在控制模块上。
如果发现故障,需要及时更换车门电动锁控制模块。
三、车门无法锁定的故障排查1. 检查车门开关传感器:车门开关传感器是用来检测车门是否关闭的。
如果传感器出现故障,系统将无法判断车门是否锁上,导致锁定失败。
我们可以通过检查传感器的线路是否正常、传感器是否受损等方式来排查故障,并及时修复或更换损坏的传感器。
2. 检查车内锁定按钮:车内的锁定按钮也可能出现故障,导致车门无法锁定。
与车门解锁故障一样,我们需要检查按钮是否松动或损坏,并在需要时更换。
3. 检查车门锁驱动器:车门锁驱动器是控制车门锁定与解锁的机械部件。
如果锁驱动器出现故障,车门将无法锁定。
我们可以通过检查驱动器的连杆、驱动电机、连接线路等主要部件是否正常来判断故障是否出现在锁驱动器上。
如果需要,我们可以更换驱动器来解决问题。
四、其他常见故障排查1. 检查保险丝:车门电动锁系统通常有专用的保险丝来保护其电路。
如果保险丝熔断,可能会导致系统无法工作。
我们可以检查保险丝的状态,并更换熔断的保险丝。
电动门常见的故障几排除方法电动门是一种使用电动机驱动的门,广泛应用于商业、工业等场所。
然而,由于长时间使用以及不当操作等原因,电动门可能会出现各种故障。
在日常维护和保养中,我们需要了解电动门的常见故障排除方法,以确保其正常运行。
以下是电动门常见故障的几种排除方法。
1.电动门无法开启或关闭:-检查电源:首先检查电源线是否插好,并且电源是否正常。
如果电源有问题,可以更换电源或修复电源线。
-检查控制器:控制器是电动门的核心部件,负责控制门的开关。
如果控制器出现故障,可以尝试重新设置或更换控制器。
-检查马达:电动门的驱动部件是电动马达,如果电动马达故障,可能导致电动门无法正常开启或关闭。
可以检查马达连接是否松动或马达是否损坏。
-检查限位器:限位器是控制电动门开关位置的装置,如果限位器出现故障,可能导致电动门开启或关闭不到位。
可以检查限位器的安装位置及连接线是否正常。
2.电动门噪音过大:-润滑轨道:电动门的滑轨通常需要定期润滑,以减少噪音并保持顺畅运行。
可以使用适量的润滑油涂抹在滑轨上。
-检查齿轮:电动门的驱动系统通常包括齿轮和传动带,如果齿轮损坏或磨损,可能导致噪音增加。
可以检查齿轮是否松动或需要更换。
-检查马达:马达本身也可能产生噪音,可以检查马达的固定是否稳定,如果马达有严重噪音并持续增加,可能需要更换马达。
3.电动门运行速度过慢:-检查电源电压:电动门需要一定的电压来保持正常的运行速度,如果电压不稳定或电源线有问题,可能导致运行速度减慢。
可以使用电压表检查电源电压是否正常。
-调整传动带松紧度:电动门的传动带通常需要适当的松紧度来保持正常的运行速度。
可以调整传动带松紧度,确保传动带能够正常传输马达的动力。
-检查齿轮:齿轮磨损或损坏也可能导致电动门运行速度减慢。
可以检查齿轮是否需要更换。
4.电动门遇阻自动停止:-调整限位器:限位器用于控制电动门的开关位置,如果限位器设置不正确,电动门可能会错位或遇阻自动停止。
4号机闭冷水系统现场总线故障分析
分析人:龙辉、剑
3月25日上午,“OM”上4号机闭冷水系统现场总线A线上的各电动门“不间断地轮流泛红”,同时发"Field device faulty"(区域设备故障)报警。
我们首先利用“折半故障排查法”,锁定是“停机冷却水泵出口电动门”故障,然后通过对该电动门断电和更换相应卡件,最终确定是“停机冷却水泵出口电动门”的第二块远程通讯板的某些元件损伤,致使其不断地向现场总线发报警,最后因数据量太大导致网络堵塞,进而引起其他电动门“泛红”、报警。
本次故障的处理过程分析如下:
一、闭冷水系统现场总线简介
图1.1闭冷水系统现场总线
现场总线系统A线上共17个电动门,以串联的方式挂在现场总线上(如图1.1所示),在就地通过OLM(光电转换器),将该总线上所有电动门送来的电信号转换为光信号,然后用一根光缆送到DCS的控制柜中;在DCS的控制柜再通过OLM(光电转换器),将光信号还原为与就地各电动门对应的电信号。
这样不仅很好的实现了对闭冷水系统电动门的集散控制,更节省了电缆,减少了耗材。
二、故障初步排查与分析
缺陷发现:本月25日上午,运行人员通知“OM”上4号机闭冷水系统现场总线A线上的各电动门“不间断地轮流泛红”,同时发"Field device faulty"报警,如图
2.1所示。
从图2.1可以看出,报警有如下两个特点:
①一般先是40CKA41.KG发一个"Field device faulty”报警,然后闭冷水系统现场总线上的某个电动门才开始报警;
②报警的并不是固定的某一个或几个电动门,而是闭冷水系统现场总线上的所有电动门,且它们的报警是随机的,并无一定的规律可循。
图2.1
图2.2
原因分析一:可能因为闭冷水系统现场总线上的某个或某些电动门的逻辑板、远程通讯板的插线松动;或现场总线接线板的接线松动或破损接地;导致该门报警,或其不断地向现场总线发报警,最后因数据量太大导致网络堵塞,进而引起其他电动门“泛红”、报警。
排除方法一:从闭冷水系统现场总线的终端电动门开始:
①依次检查各电动门的逻辑板、远程通讯板的插线是否松动,并加以紧固;
②依次检查各电动门的现场总线接线板的接线是否松动或破损接地,并加以紧固,确保绝缘。
处理效果一:各电动门的逻辑板、远程通讯板的插线已无松动,现场总线接线板的接线也已无松动,绝缘良好。
经过上述处理之后,“OM”上闭冷水系统现场总线的报警并未消除或减少,和处理前变化不大,如图2.2所示:
结论一:此次闭冷水系统现场总线电动门的报警,并非由各电动门的逻辑板、远程通讯板的插线松动或现场总线接线板的接线松动,破损接地引起。
指示灯:黄色为正常
红色为故障
现场总线的光缆插座
图2.3 就地OLM(光电转换器) 原因分析二:可能因为闭冷水系统现场总线就地的OLM光缆插头松动、接地或OLM(如图2.3)老化、损坏,使各总线电动门送来的信号堵塞,进而导致其他电动门“泛红”、报警。
排除方法二:
①就地重新拔插OLM光缆插头,确保其不接地,无松动;
②更换一个新的OLM。
处理效果二:OLM光缆插头无松动,绝缘良好。
经过该步处理之后,“OM”上闭冷水系统现场总线的报警频度较处理前少有减少,但报警还会平均每隔5~6分钟来一次,如图2.4所示。
结论二:此次闭冷水系统现场总线电动门的报警,与就地的OLM光缆插头松动、接地或OLM老化关系不大。
图2.4
三、“折半故障排查法”故障排查与分析
缺陷发现:经过初步故障排查之后,“OM”上闭冷水系统现场总线上的各电动门仍然“不间断地轮流泛红”,并同时发"Field device faulty"报警。
原因分析:可能因为某个或某些电动门与现场总线的通讯板件(现场总线接线板或远程通讯板)损坏,致使其不断地向现场总线发报警,最后因数据量太大导致网络堵塞,进而引起该电动门或其他电动门“泛红”、报警。
排除方法:
1、先用“折半故障排查法”找出产生故障的电动门:
第一步:用“折半”法定“终端电动门”
将原闭冷水系统现场总线的中间一个电动门作为新的“终端电动门”,此时该电动门和其之前的电动门组成新的现场总线电动门。
第二步:判定围
如果从此刻起,现场总线电动门不再“不间断地轮流泛红”和发"Field device faulty"报警,则说明此时的“终端电动门”及其之前的所有电动门是完好的,引起故障的电动门在此时的“终端电动门”之后的电动门之中。
(否则,引起故障的电动门在此时的“终端电动门”及其之前的电动门之中。
)
第三步:重新定“终端电动门”,判定的出故障电动门所在的围
将第二步设定的“终端电动门”恢复为中间电动门。
根据第二步判定的出故障电动门所在的围,利用“折半”法,取所判定围的中间一个电动门作为新的“终端电动门”,按照第二步的方法更进一步锁定故障电动门所在的围。
第四步:重复执行第三步,直到找到引起故障的电动门所在的位置为止。
处理效果1:经过多步排查,将“闭式循环冷却水从空压机来进水电动门”和“停机冷却水泵出口电动门”分别作为“终端电动门”时,OM上的报警如图3.1和图3.2所示。
图3.1
图3.2
结论1:引起此次闭冷水系统现场总线电动门的报警的电动门是“停机冷却水泵出口电动门”。
2、进一步诊断该电动门的故障所在
第一步:将该电动门定为“终端电动门”,拔掉就地电动门的电源插头(带有现场总线接线板),观察OM上是否还继续“不间断地轮流泛红”和发"Field device faulty"报警。
如果仍然来报警,则现场总线接线板损坏,更换现场总线接线板,否则现场总线接线板正常。
第二步:若现场总线接线板正常,打开就地电动门的智能头,依次更换第一、二块远程通讯板,如果仍然来报警,则相应的远程通讯板损坏,更换相应的远程通讯板,否则相应的远程通讯板正常。
处理效果2:将“停机冷却水泵出口电动门”的电源插头拔掉之后,OM上的报警消失,如图3.3所示;更换“停机冷却水泵出口电动门”的第一块远程通讯板之后,OM上的仍然来报警,如图3.4所示;更换“停机冷却水泵出口电动门”的第二块远程通讯板之后,OM上的报警消失,如图3.5所示。
结论2:引起此次“停机冷却水泵出口电动门”故障的是该电动门的第二块远程通讯板。
图3.3
图3.4
图3.5
四、故障分析小结
本次对闭冷水系统现场总线电动门故障报警的处理,我们采取的是“由面到点,逐级排查”的策略。
首先通过故障初步排查,排除了此次缺陷报警是由于常规的故障引起,如总线电动门板件的插线、接线松动或接地,OLM(光电转换器)插头松动或损坏等;然后用“折半故障排查法”,锁定是由于现场总线上的“停机冷却水泵出口电动门”故障引起,进一步缩小了故障的围;最后只针对“停机冷却水泵出口电动门”,进行拔插电源插头和更换远程通讯卡件,最终确定故障的根源是其第二块远程通讯卡的某些元件损伤,致使其不断地向现场总线发报警,最后因数据量太大导致网络堵塞,进而引起该门和其他电动门的“泛红”、报警。
五、关于现场总线电动门故障的特点及处理盲点
现场总线电动门的故障原因有很多,常见的有如下原因:
1、逻辑板元器件损坏导致电动门翻红。
2、现场管道振动太大导致电动门电源模块元器件短路烧掉,如闭冷泵出口电动门。
3、现场总线接线断线导致整条线翻红。
这次因电动门远程通讯板的元件损坏出现频繁报警导致通讯堵塞还是第一次出现。
现场总线电动门是很多电动门串在一条总线上的,其中一个电动门故障就极有可能引起整条线上的电动门故障,我们上面分析的故障就是很典型的一个例子。
如果电动门故障报警不是非常频繁的报出来,而是偶尔报出来一个,这就出现了一个处理的盲点。
这种报警的特点是报过之后很快消失,无论OM上还是就地电动门都没有任何异常,这样的话上面的分析方法就失效了,因为不能确定处理之后的效果怎么样,就无法准确定位故障的所在。
虽然可以查找出某个故障的电动门,却不能找出具体是哪块卡件出现故障。
因为出现一个报警就更换一个新的智能头,这样虽然能完全消除故障,但是费用太高。
常规的处理方法就是对该电动门断电后紧固卡件及接线,继续观察,期盼故障不会再来或者电动门马上出现异常,判断到底是哪里出现故障。
由于我们没有专门对现场总线电动门进行故障诊断的手段,目前对此类电动门故障的处理还是显得效率很低,尤其是整条总线故障,处理起来经常要耗费很多时间去观察等待。