发电机定子绕组水内冷系统
- 格式:ppt
- 大小:272.50 KB
- 文档页数:10
第三章 600MW发电机结构及其冷却系统第一节概述我国自20世纪80年代后期起,从国外进口了不同制造厂商生产的600MW汽轮发电机。
哈尔滨电机有限公司(原哈尔滨电机厂)生产的引进(美国西屋公司)型600MW汽轮发电机两台,于1989年和1992年先后在安徽平圩电厂投入运行。
1994年,我国首台国产化型600MW汽轮发电机也已装于哈尔滨第三发电厂正常运行。
到目前为止上海汽轮发电机有限公司引进美国西屋公司已生产QFSN-600-2型发电机近20台。
岱海发电有限责任公司一期工程汽轮发电机是上海汽轮发电机有限公司引进美国西乌公司技术生产的由汽轮机驱动的600MW水氢氢高速汽轮发电机,能与各种型号、规格的600MW亚临界、超临界、核电汽轮机相匹配。
本发电机是在电力部对引进技术600MW发电机组提出的优化和机组创优工程要求基础上进行优化设计的:一发电机特点该发电机容量上满足与600MW汽机匹配的最大出力要求,最大的连续出力可达648.4MW ,设计效率高达99%。
发电机组沿用了引进的高起始响应的励磁系统,能在电力系统故障时0.1秒内达到顶值电压与额定电压之差的95%。
采用静止励磁方式顶值电压可大于2.5倍以上,并用数字式AVR代替模拟式AVR,提高励磁系统的可靠性。
转子采用国内有成熟经验的气隙取气冷却方式,其他主要结构均保留西屋公司原有的成熟可靠结构,如穿心螺杆、磁屏蔽、分块压板固定的定子铁心、上下层不同截面的定子线圈、刚一柔结构的定子端部固定、端盖式轴承、可倾瓦式轴瓦、双流双环式密封瓦等以保证足够的运行可靠性。
改进了转子阻尼结构,提高电机负序电流承载能力。
方便运输:定子最大运输宽度从考核机组4.115米减小到4米,定子运输重量不超过320t。
对内陆地区,可采用分段式机座,运输重量为260t。
该发电机具有容量大、效率高、性能好和高可靠性等特点,是一个完全达到电力部门优化要求的、科技含量很高、相当于当代国际先进水平的新产品:二遵循的标准该600兆瓦级优化型水氢氢汽轮发电机的接收、吊运、储存、安装、运行、维护和检修遵循如下标准:国标GB/T7064“透平型同步电机技术要求”国标GB755“旋转电机基本技术要求”IEC34-1(第八版)“旋转电机第一部分一额定值和性能”IEC34-3“汽轮发电机的特殊要求”国标GB7409“大中型同步发电机励磁系统技术条件”IEC34-16(1991-02 )“关于同步电机励磁系统的若于规定”美标ANSI C50.13“隐极式汽轮发电机的技术要求”标准编制中,同时也满足我国有关安全、环保等标准和规定,并在消化引进西屋公司300-600兆瓦级氢冷汽轮发电机组技术的有关技术资料(含最新信息)的内容后结合国产(300MW和600MW)定于水内冷技术以及转子气隙取气氢内冷技术编写而成。
水内冷发电机在定子绕组内通水时直流耐压试验分析摘要:本文介绍了沙角A电厂200MW发电机定子绕组直流耐压试验情况,分析了该试验中存在的问题,针对问题提出了解决的办法。
关键词:定子绕组,绝缘,绝缘电组,直流高压,导电率,时间常数T沙角A发电厂I期3台200MW发电机,由哈尔滨电机厂生产,其部份主要参数发电机型号#1:QFSN-200-2、#2.#3:QFSN2-200-2;额定电压15.75KV;冷却方式水氢--氢(密封循环式)。
发电机主要由定子,转子及端盖轴承等组成,定子又由铁芯,机坐及定子绕组组成,其中定子绕组的功能是产生和输出电能。
因此,定子绕组必须有优良的绝缘性能,以确保发电机正常运转。
沙AI期发电机的定子绕组绝缘为夹层复合绝缘,其结构为粉云母带环氧热固性绝缘。
它的优点是耐电,耐热,机械性能和抗腐蚀性好。
因而,发电机定子绕组绝缘在额定条件下,在一定年限以内,其绝缘性能强度能保持良好状态。
但是,实际上,由于内外因互助,发电机定子绕组绝缘也会出现异常现象,使绝缘存在着缺陷。
比如,发电机定子绕组绝缘受潮(运行中氢气湿度大,汇水管驳口渗水,检修中空气湿度大等,都有会不同程度的造成绕组绝缘受潮)、脏污、开裂等。
另外,绝缘介质在长期运行中受到电场,热,化学,机械等作用,而且常常是这几种因素的共同作用下,使定子绕组绝缘逐渐老化,并随着时间积累,使绝缘向损坏方向发展,最后导致定子绕组绝缘的击穿。
因此,根据发电机运行实际情况,必须定期对发电机定子绕组进行其绝缘检查试验,通过检查试验的数据进行综合分析,判断定子绕组绝缘是否存在缺陷,并制订和实施相应的检修措施,使发电机定子绕组绝缘维持在良好状态下。
检测发电机定子绕组绝缘状态的电气试验方法有几种,但对于夹层复合绝緣来说,直流高压试验是比较有效的。
电气设备预防性试验规程也明确规定:发电机定子绕组每年1次或小修时,大修前后进行绝缘电阻(吸收比或极化指数),泄漏电流测量和直流耐压试验(我们简称直流高压试验)。
发电机内冷水系统运行规定1.1 汽轮机投入盘车前应投入冷却软化水系统,向冷水箱补水至正常水位,启动内冷水泵向发电机转、静子通水,并通知化学验水质合格做内冷水泵联动试验良好。
1.2 发电机冷却水系统正常运行时,应保持转子冷却水额定流量27m3/h,静子冷却水额定流量36m3/h(包括定子线圈28m3/h和两端压圈8m3/h),冷却水进水压力0.2~0.3MPa。
1.3 发电机内冷水压力应比本系统内冷却器的循环水来的冷却水压高 0.3~0.4MPa。
1.4软化水在冷水器出口水温应控制在20~45℃内,不应超过45℃,当软化水出口水温超过45℃且调节无效时,可以三台冷水器一起运行,并查明原因,及时处理。
1.5发电机冷却水系统运行时,流出发电机的软化冷却水温度不大于85℃。
1.6发电机冷水系统安装完毕或大修后应进行静压试验合格,水路系统要在每次大、小修后进行正反冲洗,冲洗合格后方可投入运行,发电机静子线圈的反冲洗,只允许开机前进行,反冲洗时应将定子线圈进口过滤器的滤芯抽出。
1.7 冷却水电导率达9.5μs/cm报警时,应进行处理。
1.8 运行的内冷水泵掉闸,备用内冷水泵必须在5s内启动并达额定转速。
1.9 主内冷水管道的过滤器两端压降比正常值大0.02MPa时,应切换过滤器运行,并清理。
1.10 备用冷水器投入运行时,务必将冷水器中的软化水管内的空气排净。
1.11备用冷水器滤网投入运行时,务必将其中的空气排净。
启动前的检查2.1 确认系统阀门开关位置正确,设备仪表齐全良好;2.2 冷却水泵轴承油位油质良好,电机接线、接地线良好,靠背轮装好,保护罩完好,内冷水箱水位正常,水质化验合格;2.3 确认A、B内冷水泵进口阀开启,出口阀关闭;2.4 内冷水泵联锁解除,测量内冷水泵电机绝缘良好,A、B内冷水泵送电;内冷水系统的投入3.1 启动A(或B)内冷水泵,开启出口门,电流、出口压力在正常的范围内,检查内冷水泵轴承温度、振动,各部情况应正常,向内冷水系统充水。
优化发电机内冷却水防止铜腐蚀的方法和措施白亚民1,戴骥2,宋朝晖3(1.华北电力科学研究院有限责任公司,北京市100045;2.东方电机控制设备有限公司,四川省德阳市618000;3.国电电力大同发电有限责任公司,山西省大同市037043)摘要:对国内水内冷汽轮发电机长期运行后普遍存在内冷空心铜导线腐蚀和绝缘引水管堵塞等问题进行了分析,提出了防止铜线圈腐蚀以及水管堵塞的有效方法和措施。
关键词:水内冷发电机绕组铜腐蚀水管堵塞大型发电机定、转子绕组采用水内冷技术较好地解决了内部散热问题,使发电机温升得到了有效的控制,为发电设备长期稳定的安全运行提供了必要的保障。
随着发电机水内冷却技术的不断进步,特别是国外先进技术的引进,近些年发电机内冷水系统故障有了明显下降,但依然是造成发电机非计划停运的主要原因之一,特别是铜线圈腐蚀以及水管堵塞故障的现象依然时有发生,这是因为虽然设计、材料、工艺等方面的技术进步对防止水系统机械性故障的发生有较大改善,但目前我国火力发电厂在内冷水系统设备的运行、维护和管理等方面,普遍存在一定问题。
发电机长期安全运行对内冷水质的要求比较高,某些技术指标达不到要求,特别是电导率和酸碱度(pH值)超标长期运行,可能会产生很严重的后果。
因此,相应的国家标准、电力行业标准、机械行业标准,以及原国家电力公司颁布的防止发生重大电力生产事故的措施中,都专门对发电机内冷水水质控制做出了规定。
但由于各生产厂家和不同时期制定的不同体系的标准对水质要求的规定不够统一,在生产实践中产生了一定的混乱,甚至由于某些参数规定的不合理,最终导致了发电机水内冷管路发生堵塞等故障,为此原国家经贸委于2002年发布了新编制的电力行业标准[1],对此进行了规范。
本文介绍了发电机内冷水系统的工作原理和相关参数控制的理论基础,从理论上对内冷水质控制不当可能产生的危害进行阐述,并介绍了优化内冷水系统控制的有效手段和重要措施。
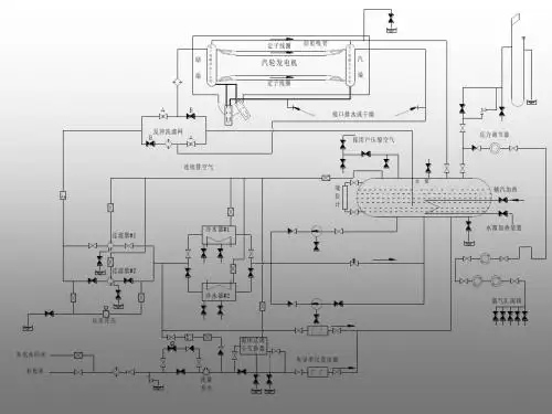
1 发电机内冷水系统的结构1.1 定子绕组水内冷却定子绕组水冷却回路是从水箱流出的水经过泵、冷却器、主过滤器、汇流管,流入定子绕组,最后再回到水箱。
定子冷却水系统一、定子冷却水系统相关介绍1、定子:定子是电机静止不动的部分。
定子由定子铁芯、定子绕组和机座三部分组成。
定子的主要作用是产生旋转磁场。
2、发电的冷却方式:国内外大容量发电机组采用的冷却方式主要有三种:全氢内冷方式,定子绕组水冷转子及铁芯氢冷却方式(水氢氢),双水内冷却方式(水水空)。
国峰煤电机组采用水氢氢冷却方式。
3、区别于空气冷却,发电机采用氢气冷却的优缺点:优点:(1)氢气密度小,大大降低了发电机风扇和通风系统等的摩擦损耗,提高了发电机的效率;(2)氢气传热系数大,导热能力强,可提高发电机的单机容量和缩小发电机的体积;(3)氢气的绝缘性能好,电离现象微弱,可以延长线圈的使用寿命;(4)由于氢气密度小,且采用密闭循环系统后,可使机组噪音大大减小。
缺点:氢气属于易燃易爆物质。
4、发电机定子采用水冷的原因:水冷的效果是氢冷的50倍,定子铁心和转子绕组内部有通风道,采用氢气冷却,若转子、定子铁芯采用水冷,设备较为复杂,制造工艺上较困难。
水内冷绕组的导体既是导电回路又是通水回路,定子绕组内部的空心导体里通水,水带走发电机运行过程中产生的热量,实现冷却的作用。
二、定子冷却水系统的作用运行中的发电机定子绕组产生的热量和发电机的输出功率有着密切的关系,发电机的输出功率越大,其发热量也越多。
定子绕组温度过高,会影响其内部的绝缘。
为了保证机组的安全运行,大容量发电机组都设置有发电机定子冷却装置,用来带走发电机运行中产生的热量。
对于水内冷发电机组,就是利用定子冷却水来带走发电机运行中产生的热量。
三、定子冷却水系统流程:定子冷却水系统是汽轮发电机控制系统中一个独立的回路。
定子冷却水从水箱出来,经过冷却水泵和冷却器后及滤网,通过外部进水管进入发电机励端定子机座内的环形总进水管,其中一路通过绝缘水管流入定子线棒中的空心导线,然后从线圈另一端经绝缘水管汇入环形出水管;另一路经绝缘引水管流入定子线圈主引线,出主引线后经绝缘引水管汇入安置在出线盒内的出水管,然后也经外管道汇入汽端环形出水管。
1000MW发电机定子线圈水冷结构简析及异常分析摘要:本文从1000MW机组发电机定子线圈的结构入手,介绍了1000MW机组定子线棒的冷却方式,并与300MW机组进行了对比;根据相关运行管理规定对运行中可能发生的异常情况进行了分析。
关键词:定子线棒水冷异常分析1 引言:某厂1000MW机组采用上海电气集团引进德国西门子技术的THDF-125/67型隐极式、两极、三相同步发电机。
机组配有一套氢水油控制系统,采用水氢氢冷却方式,即定子绕组水冷、转子绕组及定子主出线氢内冷,铁芯轴向氢气冷却。
下面我们从发电机定子线圈的结构入手,了解其冷却方式。
2 发电机定子线棒的布置:1000MW发电机定子绕组是由条形线棒构成的分数节距、双层、双星形(YY)、叠绕组。
定子铁芯沿内圆周均匀分布着42个矩形槽,84根条形线棒分上、下层嵌装在其中。
一根线棒分为直线部分和两个端接部分,直线部分放在槽内,它是切割转子旋转磁场磁力线、感应出电动势的有效边,端部按叠绕组接线形式连接,节距为17/21,即每两根相距17个槽的线棒在端部相连接。
定子线棒端部的所有股线均焊接到水电接头上,通过铜带将两根线棒水电接头焊接在一起形成电气连接。
定子冷却水首先流入位于励磁机端部的一圈圆形汇流母管,并从汇流母管经过绝缘引水软管流入线棒端部的水电接头再进入线棒。
每一根定子线棒通过一根独立的软管与汇流管相连。
在流出定子线棒后,定冷水再经过汽端的绝缘软管流入汇流管,再从汇流管流回定冷器。
定冷水仅能沿一个方向流过定子线棒,即从发电机励端流向汽端,从而在最大程度上减小了冷却介质的温升(进而减小了定子线棒的温升),因而将上下层定子线棒由于热膨胀不同而导致的相对移动减到最低。
3 发电机定子线棒的内部结构工艺:发电机定子线棒由一定比例的不锈钢空心股线和铜实心股线混编而成。
分上、下层嵌装在定子铁芯的槽内,定子线棒就是通过不锈钢空心股线中的水介质来冷却的。
定子线棒采用可靠的VPI真空浸渍绝缘工艺,绝缘性能非常优异,大大降低了定子线圈匝间短路的可能性。
发电机结构知识讲解发电机结构介绍1 发电机基本构成汽轮发电机主要由定子、转子、端盖和轴承等部件组成,具体的发电机结构见下图。
2 发电机冷却方式发电机的发热部件,主要是定子绕组、定子铁芯(磁滞与涡流损耗)和转子绕组。
必须采用高效的冷却措施,使这些部件所发出的热量散发除去,以使发电机各部分温度不超过允许值。
发电机采用水-氢-氢冷却方式,即发电机定子绕组及引线是水内冷,发电机的转子绕组是氢内冷,转子本体及定子铁芯是氢冷。
为此,发电机还设有定子水冷系统,发电机氢冷系统和为防止氢气从轴封漏出的密封油系统。
3 发电机定子发电机定子主要由机座、定子铁芯、定子绕组、端盖等部分组成。
1)机座与端盖机座是用钢板焊成的壳体结构,它的作用主要是支持和固定定子铁芯和定子绕组。
此外,机座可以防止氢气泄漏和承受住氢气的爆炸力。
在机壳和定子铁芯之间的空间是发电机通风(氢气)系统的一部分。
由于发电机定子采用径向通风,将机壳和铁芯背部之间的空间沿轴向分隔成若干段,每段形成一个环形小风室,各小风室相互交替分为进风区和出风区。
这些小室用管子相互连通,并能交替进行通风。
氢气交替地通过铁芯的外侧和内侧,再集中起来通过冷却器,从而有效地防止热应力和局部过热。
端盖是发电机密封的一个组成部分,结构如图所示。
为了安装、检修、拆装方便,端盖由水平分开的上下两半构成,并设有端盖轴承。
在端盖的合缝面上还设有密封沟,沟内充以密封胶以保证良好的气密。
轴瓦采用椭圆式水平中分面结构,轴瓦外园的球面形状保证了轴承有自调心的作用。
在转轴穿过端盖处的氢气密封是依靠油密封的油膜来保证。
密封瓦为铜合金制成,内圆与轴间有间隙,装在端盖内圆处的密封座内。
密封瓦分成四块,在径向和轴向均有卡紧弹簧箍紧,尽管密封瓦在径向可以随轴一起浮动,但在密封座上下均有销子可以防止它切向转动。
密封油经密封座和密封瓦的油腔流入瓦和轴之间的间隙沿径向形成油膜以防止氢气外泄。
在滑环端轴承及油密封设有对地绝缘以防止轴电流损伤转轴。
汽轮发电机绕组内部水系统检验方法及评定标准介绍范围:本标准规定了水冷绕组内部水系统密封性和流通性的试验项目、方法及质量评定的要求本标准适用于水冷却的汽轮发电机制造过程的检验,也适用用于机组的交接验收及大修过程的检验。
检验方法分类密封性试验:水压检漏法、气体检漏法:流通性试验:测水流量法、测测气流量法、标准块法、定子绕组发热试验法、热水流试验法。
常用试验方法的试验目的测水流量法:发电机定子冷却水系统安装完成后,通过超声波流量法测量定子线棒各绝缘引水管的水流量。
热水流试验法:检验发电机定子冷却水系统的任一部分有无发生严重的水流堵塞现象.试验前必须具备的条件试验时定子内冷却水系统安装调试完成,并经验收合格本试验是在定子内冷却水系统在闭式循环的条件下进行:发电机定子上层线棒出水口温度已能在DCS上正常显示发电机定子下层线棒出水口温度已能在DCS上正常显示发电机定子线圈槽内层间温度已能在DCS上正常显示以上各点温度能在DCS中可以同时做趋势曲线记录并打印测试范围发电机定子线棒冷却水管流量发电机定子上层线棒出水口温度发电机定子下层线棒出水口温度发电机定子线圈槽内层间温度试验方法超声波流量法测定子内冷却水系统流量:发电机内冷水系统(正常运行时全套设备)测量精度、测量管径范围、测量介质满足要求的超声波流量计试验方法1、向发电机内冷水箱注满符合要求的内冷水2、启动内冷水泵:按照发电机定子内冷水入口压力,检测过程中维持内冷水系统闭式循环进行3、用超声流量计对内冷水总励端全部的定子线棒定子引线、出线套管的冷却水流量逐条的进行测量。
4、按被检件编号或名称进行流量数值的记录;5、按定子线棒、定子引引线、出线套管分类计算平均流量并计算出各被检件与对应平均流量的相对差值评定要求1、定子线棒:不超过整台线棒内冷水流量平均值的-15%,对超标的应在汽端对相关线棒内冷水流量进行检测,综合判断被测线棒内冷水流通状况。
2、定子引线:不超过整台引线内冷水流量平均值的-15%。
发电机结构知识讲解发电机结构介绍1 发电机基本构成汽轮发电机主要由定子、转子、端盖和轴承等部件组成,具体的发电机结构见下图。
2 发电机冷却方式发电机的发热部件,主要是定子绕组、定子铁芯(磁滞与涡流损耗)和转子绕组。
必须采用高效的冷却措施,使这些部件所发出的热量散发除去,以使发电机各部分温度不超过允许值。
发电机采用水-氢-氢冷却方式,即发电机定子绕组及引线是水内冷,发电机的转子绕组是氢内冷,转子本体及定子铁芯是氢冷。
为此,发电机还设有定子水冷系统,发电机氢冷系统和为防止氢气从轴封漏出的密封油系统。
3 发电机定子发电机定子主要由机座、定子铁芯、定子绕组、端盖等部分组成。
1)机座与端盖机座是用钢板焊成的壳体结构,它的作用主要是支持和固定定子铁芯和定子绕组。
此外,机座可以防止氢气泄漏和承受住氢气的爆炸力。
在机壳和定子铁芯之间的空间是发电机通风(氢气)系统的一部分。
由于发电机定子采用径向通风,将机壳和铁芯背部之间的空间沿轴向分隔成若干段,每段形成一个环形小风室,各小风室相互交替分为进风区和出风区。
这些小室用管子相互连通,并能交替进行通风。
氢气交替地通过铁芯的外侧和内侧,再集中起来通过冷却器,从而有效地防止热应力和局部过热。
端盖是发电机密封的一个组成部分,结构如图所示。
为了安装、检修、拆装方便,端盖由水平分开的上下两半构成,并设有端盖轴承。
在端盖的合缝面上还设有密封沟,沟内充以密封胶以保证良好的气密。
轴瓦采用椭圆式水平中分面结构,轴瓦外园的球面形状保证了轴承有自调心的作用。
在转轴穿过端盖处的氢气密封是依靠油密封的油膜来保证。
密封瓦为铜合金制成,内圆与轴间有间隙,装在端盖内圆处的密封座内。
密封瓦分成四块,在径向和轴向均有卡紧弹簧箍紧,尽管密封瓦在径向可以随轴一起浮动,但在密封座上下均有销子可以防止它切向转动。
密封油经密封座和密封瓦的油腔流入瓦和轴之间的间隙沿径向形成油膜以防止氢气外泄。
在滑环端轴承及油密封设有对地绝缘以防止轴电流损伤转轴。