直接空冷凝汽器 空冷岛运行维护手册 HAC_S-D01.1
- 格式:pdf
- 大小:251.03 KB
- 文档页数:19
Air-water Coolers Installation Operation Maintenance ManualCONTENTS1 General2 Installation and removal of cooler3 Commissioning4 Protective film5 Standstill6 Service control6.1 General6.2 Performance test7 Cleaning7.1 General7.2 Cleaning of the water side7.2.1 Mechanical cleaning7.2.2 Hydraulic cleaning7.2.3 Chemical cleaning7.2.3.1 Chemical cleaning -Insitu7.2.3.2 Chemical cleaning-Cooler removed7.3 Cleaning of the air-side7.3.1 General7.3.2 Hydraulic cleaning7.3.3 Chemical cleaning1. GeneralThe water cooler is a finned tube heat exchanger .The hot air flows through the fins on the outside of the tubes and the cooling fluid flows through the tubes. The heat exchanger surface of the cooler consists of elliptical core tubes with rectangular threaded on fins or round core tubes with either wound-on fins or continuous flat plate fins. The bond between fin and tube is achieved either by mechanical means or by soldering.The core tubes are rolled into the tube sheets at each end of the tubes with roller.Side wall form an integral part of the cooler and are bolted to tube sheets.Water Headers (Namely connection and Return headers) are provided for water handling. The number of separation baffles conforms to the number of water passes. The headers are bolted to the tube sheets, gaskets interposed to form a seal. Plugs in the header are provided for cooler venting and draining.The materials for headers, tube, sheets and core tubes are chosen in accordance with the specification of the cooling water to be used and the recommended water velocity in the tubes.2.Installation and removal of the coolerRead all the maintenance instructions before you begin bundling this product.The cooler should be installed where it is accessible for cleaning, but not where the general public has access to it. Only let trained personnel with profound knowledge of the product and the appropriate safety rules carry out any work on the cooler.Prior to installation of the cooler ,the transport covers of the air side and the blanks on the water connection flanges are to be removed .The air and water side sealing surfaces ,which areprotected priot to shipping, must be cleaned by the use of turpentine.The cooler can either be mounted to the engine as a self mounted in the air duct as a cantilever unit. The air side connections are bolted to the air ducts using gaskets or sealing compound provided by the engine builder.The cooling water pipes are bolted to connection flanges on the connection header using gaskets also provided by the engine builder.To avoid deformation and stresses when installing the cooler all connecting surfaces must be parallel and the tolerances should be kept as small as possible.All connections are to be air and water tight. Transport lugs are provided on the side walls forlifting and handling of the complete cooler. Lifting lugs are also welded to the tube stack side walls. Prior to installation of the cooler casing into the air duct the tube stack can be removed by means of unscrewing the bolts holding the protruding tube sheet to the casing frame and removal of the gland packing or cover plate at the extension end tube sheet. At the fixed end of tube stack threads are provided in the water header for eyebolts to be used when lifting and pulling out.3. CommissioningThe cooler is subject to a hydraulic pressure test in our factory. It is however recommended to carry out a test with the specified test pressure before installation.If after prolonged storage or extended standstill the geared gaskets are leaking, tightening of the geared bolts might prevent further leakage. If this is not sufficient the header gaskets must be replaced. A pressure test with specified test pressure should be carried out after replacement.When refitting the headers ,tighten the bolts in the order .Tightening torque :70NmAfter assembly of the cooler is completed the cooler is circulated with the specified cooling water quantity prior to venting.For cooler venting, the vent plugs in the headers are removed. After the air has escaped from the cooler the plugs are fitted again. Venting should be repeated shortly after cooler is taken into operation. Venting of the complete cooling system is better than venting only thecooler and should therefore be preferred.With multi-circuit or multi-stage coolers, each circuit or stage should be vented separately.After a leak test has been carried out on all plant components, and the water flow has been checked to en-sure there are no restrictions, the cooler can be put into operation.Upon accelerating the engine to the nominal load the air temperature should be measured before and after the cooler and the cooling water flows set in accordance with the nominal water flows stated in the performance data sheet for the cooler in question.Never operate at min. velocity for a prolonged period of time. The nominal water flow stated in the performance data sheet for the cooler in question should be maintained.Frequent fluctuation of the water velocity impede the formation of a protective film on the tube inside, which are vital for corrosion protection. A too low water velocity encourages dirt deposits and a too high velocity causes erosion. To throttle the water flow or improper position of the water intake could lead to oxygen enriched water which favors corrosion. To keep the water flow, and so the watervelocity, constant also during part load operation ,control devices should be installed.4. Protection filmMeasures to assure the formation of a strong and durable protective film.The inherent good chemical corrosion-resistance of cop-per and copper alloys is due to their ability to form a natural protective film which is difficult to dissolve.New cooler tubes lacking a sufficiently strong protective film should never be operated with contaminated water, as deposits on the material surface would prevent the formation of such a protective film.For the above reason clean fresh water is used for the hydraulic test of the heat exchanger. The utilization of contaminated water should also be avoided during test runs. During test runs it is recommended to add small quantity of easily soluble ferrous sulphate (FeSO4.7H2O) to the cooling water to make sure that a good protective film is formed before operating with contaminated water.It is sufficient to add about 5mg/l to cooling water during a period of one hour every 24 hours. Adding of ferrous sulphate should, if possible, be repeated during normal operation until the first inspection is carried out.An appropriate valve for adding ferrous sulphate should be provided in the piping close to the water inlet nozzle of the cooler.5. StandstillA standstill of the cooling water system, leaving the cooler undrained, is hazardous for cooler parts made of copper , copper alloys, steel and cast iron.For copper and copper alloys standstills are especially hazardous prior to the formation of a protective film or in the case that the destruction of the same must be feared for reason of deposit attacked by putrefaction products such as ammonium compounds and hydrogen sulphide.If possible, cooler operation should not be interrupted during the first 2 months after commissioning if the cooler can not be drained.However, if there is a failure in cooling water supply and operation is resumed within 3 days and then for a prolonged period of time kept uninterrupted, the cooler may be left undrained.It must be then guaranteed that the tubes are free from deposits. If deposits have formed, the cooler should be drained, the tubes cleaned and flushed with clean water prior to being dried. We recommend the use of warm or pre-dried air for blowing through the tubes.The coolers need to be vented adequately. If sea water, brackish or saline water(chloride content>500mg/l) is used as cooling water, water with low salinity (drinking water quality)should be used for flushing. In case of standstill within the start-up period of 2 months which is expected to last for more than 3 days, and where deposits must be feared, the cooler should be drained, flushed and dried.To avoid standstill corrosion after the first 2 months of operation the above described cleaning procedure should be repeated by every standstill lasting longer than 2 weeks.In case of permanent service interruptions after the start-up period it may be necessary to limit the standstill where the cooler is kept undrained to 3 days and operate the unit under conditions as recommended for the start-up period.During short standstill the cooler can be operated at low cooling water velocity soformation of deposits in the tubes can be prevented. Operating with low water velocities is to be preferred to cooling water standstill in the tubes as putrefaction products, such as ammonium compounds and hydrogen sulphide are washed away from their point of origin.During winter time standstill if frost injury to the cooler could occur the cooler should be drained also during the shortest standstill.6.Service control6.1 GeneralFor service control, thermometers are to be installed in the air ducts and in the cooling water piping before and after the cooler, we recommend to keep record of the air and water temperatures in the machine log book periodically. Further control instruments can be provided in accordance with the individual requirement.In case of the occurrence of a major amount of condensate after the cooler, further condensation can be prevented ,or at least limited, by the use of a bypass control of the cooling water as previous described.A possibility to drain the condensate must be assured.6.2 Performance testThe performance guarantee given is main expressed by the temperature difference between cold water and cold air during normal operation and should be checkedfrom time to time.In the event that a considerable increase of the guaranteed temperature difference observed during normal operation ,this might be due to accumulation of air in the cooler. To remedy the above the cooler should be vented by using the procedure previously described.In case a performance increase cannot be achieved by proceeding as above and provided no other disturbance can be found , the cooler needs cleaning.A differential pressure gauge can also be used to check whether or not cleaning of the air or water side of the cooler is necessary. We recommend to install differential pressure gauges in the air duct and water piping before and after the cooler.7. Cleaning7.1 GeneralCleaning of the water and air side heat exchange surfaces is imperative for a long and trouble free operation of the cooler. The cleaning intervals vary with the mode of operation, cooling water quality, intake air characteristics etc.Cleaning can be done by either mechanical , hydraulical or chemical means.7.2 Cleaning of the water sideRegular cleaning is necessary. The cleaning intervals depend on the cooling water used. Cleaning of the water side is not only required to maintain the thermal performance of the cooler. Scaling increases the risk of biting corrosion and obstacles partly blocking the tubes favors erosion.7.2.1 Mechanical cleaningMechanical cleaning is done by use of nylon brushes fitted to a rod. The length of the rod corresponds to the tube length of the cooler in question and the type of brush is chosen in accordance with the finned tube type. The brush with rod is part of each cooler delivery.Mechanical cleaning can be done insitu or with the cooler removed. At least one header needs to be removed when cleaning. For header removal threaded holes with the same dimension as the header bolts are provided in the header flange to serve as jacking screws. The wet tubes should be thoroughly brushed clean one after the other and the dirt flushed out until no residues are left. After the cleaning is completed the headers are refitted using new gaskets. Venting must be repeated after cooling water is refilled7.2.2 Hydraulic cleaningHydraulic cleaning is carried out with the cooler removed using a high pressure spray gun with special nozzle to remove dirt deposits inside the tubes.7.2.3 Chemical cleaningChemical cleaning can be carried out in-situ or with the cooler removed.7.2.3.1 Chemical cleaning In-situTo ensure that the cooler is always operated without fouling or scaling in the tubes we recommend an integrated and continuously operating chemical cleaning system to be fitted.Such cleaning system comprises of a circuiting pump and a detergent tank with the necessary piping and shut off valves. The detergent circuit is connected to the cooling water inlet and outlet piping between their shut off valves and the water header flanges.Prior to cleaning, the cooling water flow is interrupted to allow the cooler to drain via the cooling water outlet piping. For draining the vent screw are removed. After draining, the cooling water valves are closed. The valves of the cleaning circuit are opened and the circulating pump switched on. The vent screws are fitted after venting completed.It is recommended to connect the cleaning circuit to the cooling water outlet piping in such a way that the deter-gent flow is opposite to the normal cooling water flow.When cleaning completed the cooler is drained leaving no detergent in the cooler. The valves of the cleaning circuit are closed and the cooling water valves opened. Flushing is done with normal cooling water. Reventing of the cooler is necessary.Scaling deposits in the cooling tubes can be removed by chemical cleaning as well. For removal, a 10% HCL hydrochloric, or muriatic acid is used and a 0.5% inhibitor (specifically suitable for the individual tube material added.After cleaning, the cooler is to be flushed thoroughly, i.e. no detergent residues are allowed to be left in the cooler.This is most important in case the cooler is shut down for a short time after cleaning.If the cooler is chemically cleaned in mounted position the headers need not be dismounted. For chemical cleaning we recommend to use suitable detergents to clean:The instructions and handling guidelines provided by the manufacturer of the detergent in question should always be observed when using the chemical.7.2.3.2 Chemical cleaning Cooler removedChemical cleaning while the cooler is removed is required if neither mechanical or hydraulic cleaning proved successful and if the cooler is not connected to a continuously operating cleaning system.The complete cooler with attached header will be connected by the use of blind flanges to an external cleaning circuit or filled with detergent on the water side. Time of saturation depends on the grade of deposit. If the result is not satisfying, cleaning should be repeated.7.3 Cleaning of the air-side7.3.1 GeneralCleaning of the air-side should be done early enough to avoid accumulations of soot and oil on the fins, which after a period of time form a hard crust that is difficult to remove, as well as the deposition of other crack products as for instance residues that form a sulphuric acid (compound with condensate) when left on the fins and tubes for some time.7.3.2 Hydraulic cleaningHydraulic cleaning is effected when the cooler is removed .A high pressure spray gun as described above is suitable also for this requirement. We recommend a nozzle size of 3mm. If the water jet attacks the cooling tubes vertically, i.e. in parallel to the fins, a pressure of 120bar is suitable to be applied at a distance of 2m from the fin surface.7.3.3 Chemical cleaningWe recommend chemical cleaning of the air side while the cooler is removed.The water headers are detached from the cooler bundle .The tube bundle is then immersed into a chemical cleaning bath. The time of immersion is a function of the degree of fouling. When cleaning completed, the cooler is to be flushed by applying a powerful water jet. If the result isstill not satisfying, cleaning should be repeated.To intensify the cleaning effect of the bath and shorten the cleaning time, it is recommended to circulate the detergent. The chemical detergents can also be applied by spraying. The following detergents are recommended for air side cleaning.The instructions and handling guidelines provided by the manufacturer of the detergent in question should always be observed when using the chemical.。
1.0工程概况该作业指导书用于指导内蒙古杭锦发电厂2×330MW煤矸石机组工程1#直接空冷系统安装。
该工程汽机排汽冷却系统采用直接空冷方式,每台机组空冷凝汽器分30个冷却单元,每个冷却单元由管束组成,下面布置有空冷风机,空冷风机与平台通过减震器连接。
主要部件包含:受压斜支撑、主桁架、平台梁、走道梁、挡风墙。
杆件与杆件之间连接形式采用高强螺栓连接。
空冷平台钢结构紧靠主厂房A′列外,空冷单元按正方形布置排列,共30个单元,按5行6列布置,平面外形尺寸,座落在高度27.65米的9根混凝土柱上,高为6.5m。
平台由钢架连接而成,钢架上下弦杆、立杆、腹杆及支撑主材采用热轧H型钢,强度等级为Q235B。
2.0编制依据2.1《电力建设安全工作规程》火力发电厂部分,1996年版2.2《钢结构工程施工设计规范》2.3《焊接工艺及技术规范》2.4《建筑施工高处作业安全技术规范》JGJ80—912.5《钢结构用扭剪型高强度螺栓连接副技术条件》GB3633-832.6《钢结构工程施工质量验收规范》GB50205-2001。
2.7《电力建设施工质量验收及评价规程》汽机篇。
2.8《电力建设施工质量验收及评价规程》管道篇。
2.9《火电施工质量检验及评定标准》3.0作业前应具备和必须具备条件3.1施工方案编制完成,并与相关专业讨论确定,已审批完成。
3.2起吊机械及索具全部准备好,并经检查检修合格。
3.3空冷区通道平实、平整清洁3.4设专人监护并挂警示牌3.5空冷平台支柱施工完毕钢桁架开始吊装。
3.6空冷平台各孔洞、周围安全防护栏杆和安全网等安全设施完善。
4.0参加作业人员资格要求4.1参加作业人员必须熟练掌握钢架起吊过程步骤要求及注意事项,并有较强责任心。
4.2所有参加作业人员必须要经三级教育,且考试合格,特殊工种人员必须持证上岗。
4.3参加作业人员必须要进行施工安全交底。
5.0所需工、机、器具5.1施工机械准备根据空冷岛施工情况,布置以下施工工具:DBQ2000塔吊,为主起吊机械,布置在主厂房LC列柱与LE列柱之间,与250吨履带吊车配合,负责钢架、管束和风机及其它构件的安装。
直接空冷机组空冷系统的运行和维护管理摘要:直接空冷机组以其优秀的节水效果在我国有了良好的发展势头,提高直接空冷系统的运行和维护管理水平具有重大的现实意义,通过在运行调整、设备维护、冬季防冻等方面采取有效措施,确保机组安全高效运行。
关键词:直接空冷机组;空冷系统;运行;维护1、直接空冷系统的常见问题分析1.1、受季节及天气情况的影响直接空冷机组在运行中对气象条件的变化及其敏感,故在夏季高温大负荷时段,要求运行机组必须留出一定的背压裕量来,防止发生由于气候条件突变,背压急剧升高,机组保护动作跳闸故障。
在冬季环境温度低于0℃时,由于空冷凝汽器的散热器各管排间的热负荷分配不均匀,以及大量的不凝结气体的存在,运行调整不当,就会发生管内流体凝结、堵塞和冻结,使空冷凝汽器的传热性能降低、空冷风机电耗增加、经济性大幅下降,如果处理不及时会发生空冷凝汽器冻结损坏,甚至导致机组停运。
1.2、机组漏真空直接空冷机组除具有湿冷机组原有的真空容积外,又增加了新的真空容积,构成的真空系统与同容量湿冷机组相比容积增大约5-6倍,由于这些设备制造、安装、运行等原因,使得庞大的真空容积漏真空几率大大增加。
系统漏真空会使不凝结气体增多,排汽压力和温度升高,降低机组经济性,还会造成凝结水含氧量增加,加剧管道腐蚀,空气积聚在空冷系统内部还会形成空气阻,降低传热效果。
1.3、空冷凝汽器冷却风机故障空冷凝汽器冷却风机是直接空冷系统的核心部件,主要有电动机、减速机、风叶和变频调节装置四部分组成,空冷凝汽器冷却风机故障将直接影响机组背压,威胁机组的安全、经济运行。
1.4、空冷散热器翅片污染受沙尘、环境灰尘以及杨柳絮的影响,会造成空冷散热器翅片积垢、污染等情况,空冷散热器表面脏污将增加散热器风阻,同时降低换热系数,大大影响机组的经济性,所以及时对空冷散热器进行清洗也是空冷机组日常维护的重要工作。
2、直接空冷系统运行维护管理措施2.1、空冷系统夏季运行调整措施机组在高背压运行期间,应保持控制背压值与背压保护曲线间留出15kpa的余量,防止大风产生的热风回流造成背压高保护掉机故障的发生。
1.1.6.5空冷系统计算和保证值1.1.6.5.2直接空冷系统的计算和保证值=运行工况21.1.6.5.3直接空冷系统的计算和保证值=运行工况31.1.6.5.4在运行工况一时主要技术参数表(单台机组)1.2.9.1系统介绍空冷岛布置在机房“A”列墙外,占地面积7500m2,由六根直径为3m空心钢筋混凝土支柱支撑钢架结构平台,平台标高为34m。
空冷系统由六列总共240片换热管束和24台风机组成。
每台风机向10片管束提供冷却风;180片管束为顺流管束,60片为逆流管束,冷却元件为平行排列的三排错列翅片管,蒸汽在管内表面凝结,同时冷却空气横掠过管外表面。
汽轮机的排汽经直径为5.5m的管道和伸缩节引出,经过排汽装置汇入一根总排汽管,并由蒸汽分配管箱由6根直径2.5m的立式蒸汽管引入6列顺流和逆流散热片中。
其中第三、四列进汽管上没有蒸汽分配控制阀,其余4列设有蒸汽分配控制阀,相对应设有凝结水回水阀、抽真空阀。
在排汽装置的底部设置排汽疏水箱,用以收集机组各处的疏水。
排汽疏水箱位于整个系统的最低处,疏水箱内的疏水由两台排汽疏水泵打至凝结水箱。
1.2.9.2空冷系统投入1.2.9.2.1按列启动顺序是:3-4-2-5-1-6;按组启动顺序是:2-4-3-1按列停止顺序是:6-1-5-2-4-3;按组停止顺序是:1-3-4-21.2.9.2.2空冷系统投入方式1.手动方式:1)在CRT画面上手动操作,投入各风机自动;2)打开2、5、1、6列的抽空气门、凝结水回水门和蒸汽分配阀;3)投入凝结水系统运行;4)打开抽真空旁路电动蝶阀,分别启动三台真空泵运行,待真空大于60KPa时维持以太真空泵运行,关闭抽真空旁路电动蝶阀;或启动三台真空泵,通过正常抽空气回路直接抽真空,抽真空旁路电动蝶阀关闭。
5)根据设定的排汽背压,空冷风机自动投入运行,对应维持一定高度的真空。
2.自动方式1)自动方式应满足下列条件:(1)凝结水箱水位>1500mm;(2)真空泵、凝结水泵、排汽疏水泵已预选;(3)顺控组无故障。
空调系统设备使用、维护、保养及维修手册指南目录目录.......................................................................... .1操作说明.. (3)1日常操作要求 (3)1.1每天工作(适用于所有机电设备) (3)2制冷系统操作 (3)3供热系统操作 (4)3.1操作流程 (4)4新风处理机及空调处理机操作 (4)4.1新风处理机操作 (4)5排风机及新风机操作 (5)5.1防排烟系统操作 (5)6风机盘管操作 (6)维护、保养及维修说明 (6)1维修前说明 (6)2例行维修及检查要求 (6)2.1水泵 (6)1)每月一次工作 (7)2)每季一次工作 (7)3)每半年一次工作 (7)4)每年一次工作 (7)5)维修记录表 (8)2.2热交换器 (9)1)每月一次工作 (9)2)每季一次工作 (9)3)每半年一次工作 (9)4)每年一次工作 (9)2.3新风处理机及空调处理机 (9)1)每月一次工作 (9)2)每季一次工作 (10)3)每半年一次工作 (10)4)每年一次工作 (10)2.4风机(带起动箱类) (11)1)每月一次工作 (11)2)每季一次工作 (11)3)每半年一次工作 (12)4)每年一次工作 (12)2.5离心式制冷机 (12)1)每月一次工作 (13)2)每季一次工作 (13)3)每半年一次工作 (13)4)每年例行的维修及检查要求 (13)2.6风机盘管 (14)1)每月一次的工作 (14)2)每季一次的工作 (14)3)每半年一次的工作 (14)4)每年一次的工作 (14)2.7电动机/控制屏 (15)1)每月一次的工作 (15)2)每季一次的工作 (15)3)每半年一次的工作 (15)4)每年一次的工作 (15)2.8冷却塔 (16)1)每月一次检查 (16)2)每季一次检查 (16)3)每半年一次检查 (16)4)每年一次检查 (16)2.9水处理系统 (17)1)每月一次的工作 (17)2)每季一次的工作 (17)2)每半年一次的工作 (17)2)每年一次的工作 (17)2.10油漆 (17)安全保险 (18)1电气事故的防护措施 (18)2机械事故的防护措施 (18)3火灾和爆炸事故的防护措施 (18)4化学事故的防护措施 (19)5急救及意外报告 (19)操作说明1日常操作要求在参看竣工图纸、系统图、自控接线及原理图、电控图、设备表等的同时,还必须阅此说明,方能操作此空调系统,确保操作无误。
空冷器操作维护检修规程一、空冷器的操作(一)、空冷器管束操作时应注意的事项:1、管内介质、温度、压力均应符合设计条件,严禁超压,超温操作;2、管内升压、升温时,应缓慢逐级递升,以免因冲击驟热而损坏设备;3、空冷器正常操作时,应先开启风机,再向管束内通入介质.停止操作时,应先停止向管束内通入介质,后停风机;4、易凝介质于冬季操作时,其程序与3条相反;5、负压操作的空冷器开机时,应先开启抽气器,管内达到规定的真空度时再启动风机,然后通入管内介质,停机时,按相反程序操作.冬季操作时,开启抽气器达到规定真空度后,先通入管内介质,再启动风机,以免管内冻结无法运行;6、停车时,应用低压蒸汽吹扫并排净凝液,以免冻结和腐蚀;7、开车前应将浮动管箱两端的紧定螺钉卸掉,保证浮动管箱在运行过程中可自由移动,以补偿翅片管热胀冷缩的变形量。
(二)、空气冷却器风机操作应注意的事项:1、风机叶片角度应按照设计提供的数据安装盲目增大叶片安装角,会使电机超负荷运行2、运行过程中应密切注意电机电流情况,尤其是用风量较大时。
二、空冷器的维护保养(一)、空冷器空冷风机系统的维护保养及使用注意事项1、日常巡检●运行中有无异常性声音和振动.●回转部件有无过热、松动.2、定期维护保养●每三个月通过注油嘴加注锂基润滑油.●定期调整三角带的松紧度,并检查三角带胶带的磨损程度,磨损严重的应及时予以更换.●全面检查各零、部件的紧固状态一年一次.●风筒与叶轮的径向间隙检查一年一次.●叶片角度及叶片沿风机轴向跳动应每年检查、调整一次.●清除风机叶片表面油污,检查叶片损坏,半年一次.3、检修注意事项●风机使用角度不得超过规定的调角范围以防电机过载.●加注黄油不应超过油腔的2/3,以免轴承过热.●每次检修和更换电机时,必须注意接线相应,应保证风机叶轮俯视顺时针方向旋转.●皮带传动机构的皮带应保持一定的张紧力。
如过于松弛,则电机的动力无法有效的传递至风机,风机效率下降,甚至造成皮带飞出的事故。
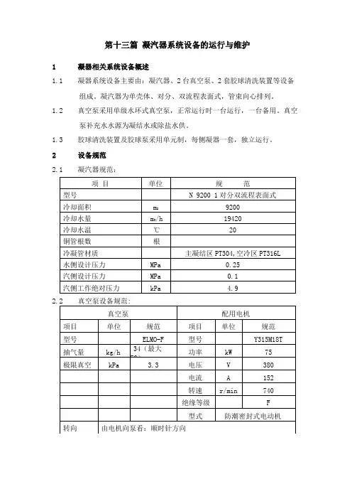
第十三篇凝汽器系统设备的运行与维护1凝器相关系统设备概述1.1凝器系统设备主要由:凝汽器、2台真空泵、2套胶球清洗装置等设备组成。
凝汽器为单壳体、对分、双流程表面式,管束向心排列。
1.2真空泵采用单级水环式真空泵,正常运行时一台运行,一台备用。
真空泵补充水水源为凝结水或除盐水供。
1.3胶球清洗装置及胶球泵采用单元制,每侧凝器一套,独立运行。
2设备规范2.1凝汽器规范:2.2 真空泵设备规范:胶球泵规范(两台)2.4凝器通循环水2.4.1通水前的系统检查2.4.2相关系统、设备检修工作结束,工作票终结,检查现场整洁卫生。
2.4.3确认凝器内无人及工具遗留,检查凝器人孔门关闭。
2.4.4相关系统表计齐全,一次门开启,仪表、信号电源送上,CRT指示正常。
2.4.5有关阀门校验正常。
2.4.6系统检查正常。
2.5循母已投入运行凝器的通水:(现暂不用此方式进行通水)2.5.1检查凝器循环水出水门关闭。
2.5.2联系相关岗位,稍开循环水进水门充压。
2.5.3开启凝器水侧放空气门,空气放尽后关闭放空气门。
2.5.4开启循环水进、出水门,注意循泵出口压力变化及循泵运行情况,必要时经值长同意增开循泵。
2.5.5检查凝器水侧及汽侧无泄漏(凝器通循环水后注意热井放水门是否有水流出)2.6循母尚未运行,启动循泵通循环水:2.6.1检查循泵具备启动条件。
2.6.2检查凝器循环水侧放水门关闭。
2.6.3检查凝器循环水进、出水门开启。
2.6.4启动循泵,循环水系统充压(此方式充压需至就地缓慢开启循泵出口液控蝶阀向系统充压),注意系统有关放空气门,空气放尽后关闭。
2.6.5凝器水侧空气放尽后关闭水侧放空气门。
2.6.6注意凝器进、出水压力,循泵出口压力,循环水回水情况。
2.6.7检查凝器水侧、汽侧无泄漏,如发现问题及时联系处理。
3凝器的隔离与恢复(运行中应值长同意,在全能值班员监护下进行)3.1凝器半边隔离的操作3.1.1检查隔离侧凝器胶球清洗装置退出运行。
运行维护手册版 本 号: 1 编制 审核: 修改纪录 日期: 日期:空冷凝汽器运行维护手册文件号:C00009036运行维护手册C00009036空冷岛运行维护手册-1.docpage 2 of 11目录 页次 1 概述 31.1 缩写代码 31.2 参考系统图(P&I )图 31.3 主要部件 3见各项目供货范围 3 2 运行32.1 抽真空系统 32.1.1 水环真空泵(或射汽抽气器)单元 3 2.2 空冷凝汽器 (ACC)32.2.1 概述 32.2.2 运行 32.2.3 ACC 的启动、ACC 的停机、ACC 风机控制的配置等 3详见“Cxxxx9025控制描述”。
32.2.4 特殊运行工况 33.维护管理33.1风机的维护管理 33.1.1开机的准备及步骤 33.1.2试运转 33.1.3风机维护 33.2减速机的维护管理 33.2.1减速机的启动 33.2.2维护 3运行维护手册1 概述1.1 缩写代码ACC 直接空冷凝汽器(Air cooled condenser)Condenser bundles 顺流凝汽管束(Co-current flow heat exchanger bundles)Dephlegmator bundles逆流凝汽管束(Counter-current flow heat exchanger bundles)PCMS 电厂控制和监测系统(Plant’s control and monitoring system)Control SystemGC 功能组控制(Group control)SGC 子组控制Sub-group control1.2 参考系统图(P&I)图相关的参考系统图(P&I 图)见:ACC系统(P&I )图Cxxxx66001.3 主要部件见各项目供货范围2 运行2.1 抽真空系统在启动阶段各台水环真空泵(或射汽抽气器)的启停是根据需要自动控制的。
Air Cooled CondenserOperation and MaintenanceManual空冷凝汽器运行维护手册Ref.-No.: D3461_MAN7901Purchaser 采购方: ShanDong Electric Power Engineering山东电力设计院End User最终用户: Shenhua Yili Power Plant 神化亿利电厂SPX - Contract - No. 合同号: 260-03461SPX Cooling Technologies GmbHErnst-Dietrich Platz 240882 RatingenPhone电话 : +49 - 2102 - 1669-786Fax传真 : +49 - 2102 - 1669-215Project Manager项目经理 : Mrs. Hui Sun-DegenhardPhone电话 : +49 - 2102 - 1669-239Final Issue终版 :Revision版本 : 0Date日期 :Register登记 : d0025956_Index目录1.GENERAL SAFETY CONCEPT一般安全概念错误!未定义书签。
1.1G ENERAL I NSTRUCTIONS总说明错误!未定义书签。
1.2S AFETY I NSTRUCTIONS FOR O PERATION,I NSPECTION AND R EPAIR错误!未定义书签。
运行,检查,修理安全指导错误!未定义书签。
1.3S TART-UP S AFETY安全启动错误!未定义书签。
1.4S AFETY DURING P ERMANENT O PERATION持续运行时的安全措施错误!未定义书签。
1.5S HUT-DOWN S AFETY P ROCEDURE停机安全步骤错误!未定义书签。
1.6D ANGER WHEN S AFETY I NSTRUCTIONS ARE NOT FOLLOWED不遵守安全指导的危险错误!未定义书签。
气分装置空冷的运行维护刘志彬(哈尔滨石化公司第一联合车间)摘要:分析了气分装置湿式空冷器运行中遇到的跑水、喷头堵塞、水槽腐蚀、管束泄漏、冷却效果不好等问题并提出具体的解决办法关键词:空冷;喷淋 ; 运行维护;对策前言:哈尔滨石化公司气分装置空冷于1999年9月投入使用,丙烷塔顶气相和丙烯塔顶气相采用哈尔滨空气调节机厂制造的湿式空气冷却器进行冷凝、冷却,其中丙烷塔两组,丙烯塔五组,随着我厂加工量的不断提高,原有的空冷已不能满足生产的需要,2006年将原二气分两台旧空冷利旧,增加到丙烯塔部分。
空冷在运行过程中存在着空冷器喷淋跑水、喷淋喷头堵塞、水槽腐蚀、管束泄漏、冷却效果不好等现象。
严重影响了空冷的安全平稳运行,增大了空冷器运行的维护量,此外还增大了空冷的水耗、电耗,增加了装置的总体能耗。
正文:1、湿式空冷器的冷却原理及结构湿式空冷器综合了空冷和水冷的优点,是干式空冷的发展和改进。
在干式空冷的基础上向管束迎风面上适量喷水,由于水在翅片外表面蒸发吸收大量热量,强化了传热。
在夏季工况使用得当可使介质出口温度接近环境气温,甚至可低于环境气温1-2摄氏度,因此,湿式空冷可以一次实现低温流体的冷凝和冷却,取代水后冷。
湿式空冷器由风机、湿式管束、构架、喷淋管束装置组成,管束置于构架两侧,风机安排在构架的顶部。
两片管束配用3台或2台风机,各风机风室之间相互隔开,这样便于用风机的流量控制管内介质的温度。
喷淋装置位于管束外侧。
主要设备型号为:风机Y-SF24W6-f15喷淋装置P-9*3管束 SL9*3-6-225-25S-17.4/RL-II构架 JS9*3-24/32、空冷运行过程中存在问题及解决办法2.1.空冷跑水问题2.1.1空冷跑水的原因:2.1.1.1气流原因造成跑水由于风机是从空冷两侧引风至空冷风机风室内,当空冷有风机不运转时这种向内的“吸力”就会消失,喷淋水喷到管束上形成的水雾就会顺着百叶窗向外弥漫,在百叶窗上汇聚成水滴流下。
ACC运行维护手册直接空冷器运行维护手册洛阳隆华电力事业部技术中心2010-6-1目录一、概述 (3)1、空冷凝汽器的工作原理 (3)2、空冷凝汽器优势和问题 (3)二、空冷凝汽器系统的运行说明 (11)1、控制变量 (12)2、运行模式 (12)3空冷凝汽器启动 (13)4、空冷凝汽器运行控制 (15)三、空冷凝汽器检修和维护的说明 (16)1、安全守则 (16)2、系统的维护 (16)3、风机的维护 (16)4、减速器的维护 (17)5、空冷凝汽器换热管束的清洗 (18)6、空冷凝汽器的防冻措施 (18)四、设备故障产生的原因及处理 (21)1、风机电机轴承超温 (21)2、风机跳闸 (21)3、热风再循环 (22)4、凝结水回水管振动 (22)5、主排汽管振动 (23)6、系统发生冻结 (23)7、真空泵轴承工作异常 (24)8、真空泵水温高 (24)9、真空泵汽水分离器液位不正常 (25)五、气密性检验方法 (25)1、气压法气密性试验 (25)2、真空衰减试验 (28)3、故障排除 (29)4、泄漏检测程序 (30)一、概述火力发电在我国发电行业中占有重要地位,其中凝汽器做为三大主机外一个重要设备,其运行的好坏直接影响电厂的经济性。
直接空冷凝汽器是由洛阳隆华传热科技股份有限公司自主研发的电站凝汽设备。
1:直接空冷系统工作原理直接空冷是指汽轮机排汽在空冷凝汽器的翅片管束中被空气冷却而凝结成水,排汽与空气之间的热交换是在表面式空冷凝汽器内完成的[9]。
直接空冷系统的冷源是空气,冷却对象是饱和蒸汽。
处于真空状态下的汽轮机排汽经大直径排汽管道送至空冷凝汽器中;空气在轴流冷却风机驱动下,从翅片管束外侧流过,与管内饱和蒸汽进行换热,使饱和蒸汽凝结成饱和水。
冷凝后的凝结水由凝结水泵送至回热系统,并经汽轮机的抽汽加热后,作为锅炉给水循环使用。
其工作原理示意图如图1所示。
图1 火电厂直接空气冷却系统图1-汽轮机;2-空冷凝汽器;3-凝结水泵;4-发电机;5-凝结水箱;6-低压加热器;7-除氧器;8-给水泵;9-高压加热器;10-锅炉。
直接空冷凝汽器系统空冷岛运行维护手册神木洁能综合利用发电有限公司2009年5月第一部分:总的安全措施一、一般性说明:二、运行、检查和修理时的安全措施三、启动时的安全措施四、持续运行时的安全措施五、停机时的安全措施六、不遵守安全措施的危险七、ACC平台下的变压器一、一般性说明:本手册包括了关于ACC系统的运行、检查、维护的基本说明。
有关操作人员必须遵守。
该设备的功能为蒸汽冷凝器,必须由合格人员进行操作和检查,操作员应在开始使用前完整的学习本手册。
严禁雇佣不合格的员工,操作员必须明白所有安全措施。
本手册适用于指定的运行工况,对于极端运行工况,应有特殊考虑。
特殊运行工况要求操作员要更多的加以注意,对于本手册没有预计到的工况或问题,请及时与哈空调股份有限公司联系。
对于由于自然原因造成业主的全部或部分损失,由于业主的代理或雇员没有严格遵守本手册的每一个过程,指导和注意事项而造成业主的全部或部分损失,及擅自改动本手册而造成的业主的全部或部分损失,哈空调股份有限公司公司不承担责任。
任何此类违反操作规程的行为也将免去哈尔滨空调股份有限公司公司对受影响的工作部分的保障。
二、运行、检查和修理时的安全措施:进行任何工作时都应遵守安全措施及事故预防措施。
任何工作开始前,所有设备应断电,并采取措施防止设备重新启动的事故。
电机、风机、泵、执行机构应静止、断电,并从主控制室进行闭锁,防止发生误动。
注意事故预防措施,风机齿轮箱输出端和电机的轴承可在设备运行时从风机梁步道上给予加注润滑液,不可在风机运行时给齿轮箱换油。
警告:电厂内人员应戴安全帽、穿防护鞋。
要特别注意下列各项工作时,必须做好有关安装措施:1.清洗管束时,应停止风机、齿轮箱、电机,并用塑料布盖好防止进水。
2.对风机采取任何操作前,必须关掉电机,切断电源并锁止。
在电机梁上工作时,如必要应移去格栅板。
维修人员开始工作前应着安全服。
对于在电机梁下的维修步道上工作时同样适用。
空冷岛结构维修施工方案1. 介绍空冷岛是电厂的一个重要设备,负责对发电机进行冷却,确保其正常运行。
然而,由于长期使用以及环境因素,空冷岛结构可能会出现损坏或故障,需要进行维修。
本文将介绍空冷岛结构维修的施工方案。
2. 维修方案2.1 维修准备工作在开始维修之前,需要进行以下准备工作:•确定维修区域:对空冷岛结构进行彻底检查,确定需要维修的具体区域。
•制定维修计划:根据维修区域的情况,制定详细的维修计划,包括维修步骤、所需材料和工具等。
•资源准备:确保维修所需的材料、工具和设备等资源齐备,并进行组织和调配。
2.2 维修步骤2.2.1 拆除损坏部件根据维修计划,首先需要拆除损坏的部件。
这包括清除残留材料、拆除破损的支撑结构等。
在进行拆除工作时,需要注意安全问题,确保维修人员的安全。
2.2.2 修复或更换零件在拆除损坏部件后,需要对其进行修复或更换。
根据维修计划,可以选择对零件进行修复,或者更换全新的零件。
修复工作应该在指定的维修区域进行,确保质量和可靠性。
2.2.3 加固支撑结构在空冷岛维修过程中,可能会发现支撑结构存在松动或损坏的情况。
这时需要对支撑结构进行加固,以确保其稳定性和可靠性。
加固工作包括清理支撑结构表面、涂覆增强材料等。
2.2.4 防腐处理为了延长空冷岛结构的使用寿命,维修完成后还需要进行防腐处理。
这包括对维修区域的表面进行清理,然后涂覆防腐涂料。
防腐涂料应选择符合标准要求的产品,并按照规定的方法进行施工。
2.3 完工验收在维修施工完成后,需要进行完工验收。
验收工作应由专业的验收人员进行,以确保维修工作符合相关标准和要求。
验收内容包括对维修区域的质量、工艺和安全等方面进行检查。
3. 安全措施在进行空冷岛结构维修时,需要采取一系列安全措施,以确保维修人员的安全:•严格遵守安全操作规程,如佩戴安全帽、手套等个人防护装备。
•维修现场应设置警示标识,防止未授权人员进入维修区域。
•维修人员应具备相应的专业技能和操作经验,不得擅自进行维修工作。
博茨瓦纳 MORUPULE B 燃煤电站工程直接空冷系统空冷凝汽器调试运行维护手册文件号:C041D-9035版本号: A 编制:校对:审核:修订记录:会签:结构:管道:电控:目录1钢结构............................................................................................................................ 错误!未定义书签。
概述.................................................................................................................................. 错误!未定义书签。
主结构的防腐.................................................................................................................. 错误!未定义书签。
连接部位的防腐.............................................................................................................. 错误!未定义书签。
主结构的维护.................................................................................................................. 错误!未定义书签。
围护结构的维护.............................................................................................................. 错误!未定义书签。
***电厂汽轮机凝汽器冷端系统运行维护管理规定(试行)第一章总则第一条为保证我厂机组的安全、经济、稳定运行,确保汽机真空系统恢复后的持续稳定运行,制定本管理规定。
第二条本规定仅作为凝汽器冷端系统运行维护的补充规定,未涉及到的或与相关规程规定冲突的内容按厂内相关规程及上级相关行业规定执行。
第二章凝汽器冷端系统的运行维护第三条冷却塔运行维护(一)冷却塔冷却效率主要监督指标为冷却幅高,冷却幅高由生技部每月5日前定期测试一次,并建立相应台账。
(二)冷却塔停运后应作为必检项目,由热机分场负责,主要检查冷却塔填料沉积物附着堵塞、损坏及配水、淋水系统等情况;检查支撑柱上藻类附着情况;检查水塔内水泥构件腐蚀情况;塔内池底沉积物及杂质情况。
(三)冷却塔运行中,由生技部、热机分场、运行分场联合每周进塔检查一次,列为定期工作。
主要检查冷却塔配水均匀性,填料及百叶窗是否有结垢等,由运行分场建立相应的检查台账。
第四条胶球清洗装置运行维护(一)建立胶球清洗装置投运台账(见附件2),由运行大值按运行分场定期工作规定每日中班定期投运一次,投运后应检查投运效果,从观察窗检查胶球的回球情况,注意凝汽器真空、端差的变化,并负责记录填报台账,每月统计分析胶球清洗装置投运率并于次月3日前报生技部。
(二)为确保胶球清洗装置投运率,凡影响投运率的设备缺陷一律按一类填报,生技部严格按照《***电厂生产对标指标促进管理办法》及《***电厂设备缺陷管理办法》规定进行奖惩。
(三)运行分场每月1日和15日上夜班定期进行收球、数球(停运胶球泵前应先关闭胶球泵进口门,再停泵)、计算收球率,并按胶球清洗装置胶球收球率台账(见附件3)于次月3日前填报生技部。
(四)运行分场每月1日收球后定期将胶球收回,打开电动推杆对收球网进行冲洗,同时开出胶球泵进出口门,对胶球泵进口管段进行反冲,直到2日中班关闭严密电动推杆后重新更换补充新球,投入胶球清洗装置。
(五)若收球后计算收球率不达标,应将球收回,重新进行一次收球,并适当调整循环水压力,重新计算收球率,若仍不合格,应及时汇报生技部。
直接空冷凝汽器空冷岛运行维护手册HAC/S-D01.1哈尔滨空调股份有限公司第一部分:总的安全措施一.一般性说明二.运行、检查和修理时的安全措施三.启动时的安全措施四.持续运行时的安全措施五.停机时的安全措施六.不遵守安全措施的危险七.ACC 平台下的变压器(如有)一.一般性说明:本手册包括了关于ACC系统的运行、检查、维护的基本说明。
有关操作人员必须遵守。
该设备的功能为蒸汽冷凝器,必须由合格人员进行操作和检查,操作员应在开始使用前完整地学习本手册。
严禁雇用不合格的员工,操作员必须明白所有安全措施。
本手册适用于指定的运行工况,对于极端运行工况,应有特殊考虑。
特殊运行工况要求操作员要更多的加以注意,对于本手册没有预计到的工况或问题,请及时与哈尔滨空调股份有限公司联系。
对于由于自然原因造成业主的全部或部分损失,由于业主的代理或雇员没有严格遵守本手册的每一个过程,指导和注意事项而造成业主的全部或部分损失,及擅自改动本手册而造成的业主的全部或部分损失,哈尔滨空调股份有限公司公司不承担责任。
任何此类违反操作规程的行为也将免去哈尔滨空调股份有限公司公司对受影响的工作部分的保障。
二.运行、检查和修理时的安全措施:进行任何工作时都应遵守安全措施及事故预防措施。
任何工作开始前,所有设备应断电,并采取措施防止设备重新启动的事故。
电机、风机、泵、执行机构应静止、断电,并从主控制室进行闭锁,防止发生误动。
注意事故预防措施, 风机齿轮箱输出端和电机的轴承可在设备运行时从风机梁步道上给予加注润滑液,不可在风机运行时给齿轮箱换油。
警告:电厂内人员应戴安全帽、穿防护鞋。
要特别注意下列各项工作时,必须做好有关安装措施:1.对风机采取任何操作前,必须关掉电机,切断电源并锁止。
在电机梁上工作时,如必要应移去格栅板。
维修人员开始工作前应着安全服。
对于在电机梁下的维修步道上工作时同样适用。
在电机维修期间如无人职守,应确保该位置安全。
2.应遵守步道、风机护网和格栅板的最大允许载荷,重型设备应加木方垫以分散承载面积。
3.即使在正常工作时,ACC系统内部件也可能很烫,检查、操作人员应带手套。
4.在打开ACC系统中的法兰或人孔、蒸汽管道、凝结水箱时,应确认系统已处于正常大气压力而非真空状态。
在进入凝结水箱和汽机排汽装置前,应将其彻底排空。
5.对蒸汽管道和蒸汽分配管道进行内部检查时,应有第二人陪同。
建议着安全服、系安全绳。
应排除从汽机、旁路或其它地方进汽的可能性。
6.在有害环境工作的人员必须着安全服。
7.工作完成后,所有安全保护装备必须复位。
8.操作人员不仅应遵循本手册的安全措施,还要遵守其它子系统的运行维护手册。
三.安全启动:所有管束出厂前已做泄漏检测。
但在ACC试车之前,应再次检查系统的气密性。
应特别注意法兰连接、所有与蒸汽或凝结水连接的设备和配件都要检查,如果需要,要对系统内部进行清洁(用自来水冲洗),除去灰尘及其它物件。
应尽量防止任何突然的热冲击或由于蒸汽流量小而分配不均造成的管束受热不均,否则有可能发生管子弯曲甚至与管片分离。
冷凝器内真空的建立由抽真空设备完成。
在建立真空过程中,达到启动背压后,汽机和轴流风机同时起动。
在ACC停运的情况下,重启前应对每个部件进行检查:1.启动前,应检查齿轮箱内润滑油和其它油脂的数量及质量。
2.在蒸汽进入ACC后30分钟内蒸汽流量必须到达空冷岛的最小防冻流量。
这是为了确保即使在冬季也可安全启动。
3.凝结水温度和报警要在启动期间准确显示。
万一30分钟后凝结水温度低(低于35度),蒸汽流量必须充分地增加。
否则,机组必须停下来以防止翅片管束冻结。
四.运行时的安全措施:1.ACC系统要在自控系统和相关过程监控下启动和操作。
2.风机启动数量由运行工况决定,如是否为低温环境。
五.停机时的安全措施:1.停机时,进入ACC的蒸汽流必须在风机停机前停止。
2.在冬季进入ACC的蒸汽量应快速降低。
禁止在蒸汽量低于20%额定值时长时间保持ACC运行,以防止有可能发生冻结时。
具体操作参见控制说明。
注意:如果停机时间长达2-3周或更多,应向ACC系统内吹入干空气以防腐。
对于有凝结水的部分,在冬季应采取拌热措施以防冻或把水排空。
长期停机期间,风机每月至少运行一次且持续20分钟,以保持电机和齿轮箱可用,泵每周转动一次。
长期停机期间,要求系统应完全排空。
六.不遵守安全措施的危险:如果不遵守安全措施,操作人员有可能被电器或转动设备击伤。
也有可能因不遵守安全措施而损坏设备。
七.ACC 平台下的变压器:当清洗ACC系统时,必须严格遵守变压器厂家或相关标准的安全要求。
并同时注意下列事项:1.如果在ACC下的高压系统在工作,万一下雨,任何人不能停留在ACC平台上。
2.如果闪电,任何人不能停留在ACC平台上。
如果有人来不及离开平台,他/她应该待在单元内部。
3.当高压系统工作时,禁止从平台上倒下液体。
4.对于高压的危险,请参考高压系统供应商的手册或说明书。
第二部分:总体要求一.总体布置二.系统功能和设计三.技术数据和图纸1.设计数据和图纸2.运行原则四.设备的安全及监控1.防止储运损耗2.长期保存3.旋转设备一.总体布置:ACC系统主要包括下列设备与部件:1. 排汽管道2. 空冷平台,包括下列设备与部件:A:钢结构B:翅片管式换热器C:风机单元D:蒸汽分配管E:挡风墙3. 凝结水收集系统4. 排气系统5. 抽真空装置二.系统功能和设计:每台ACC系统都包括换热单元和风机。
每台风机配备换热管束,换热面积由带翅片的基管提供。
换热管束由顺流管束和逆流管束组成。
排汽管道负责向冷凝器输送蒸汽,它连接汽轮排汽装置的出口和ACC蒸汽分配联箱。
圆形蒸汽分配联箱,焊接在顺流换热单元顶部,向屋顶型换热单元输送蒸汽。
在顺流换热单元的管子内,冷凝水流向与蒸汽流向相同。
另一部分未凝结蒸汽,流经下部联箱和凝结水收集管,进入逆流换热单元作最后凝结。
在逆流换热单元的管子内,冷凝水流向与蒸汽流向相反。
不凝气体由逆流换热单元上部排出,经真空系统压缩后排入大气。
凝结水经凝结水疏水管靠重力流入凝结水箱。
同时,蒸汽管道及汽机排汽装置内的凝结水收集在汽机排汽装置的凝结水收集装置。
冷却空气由轴流风机从大气吸入并吹过翅片管换热器。
通过变频器(如有)控制风机的速度来满足冷却所需的空气流量。
汽轮机排汽按对排汽压力的某种比例凝结,决定于实际流量和排汽焓值,也决定于大气温度。
三.技术数据和图纸:1.设计数据和图纸:详见签字版技术协议以及竣工图(含带有数据表的总平面布置图)。
2.ACC系统运行原则:要凝结的蒸汽从汽机(或汽机旁路)经蒸汽管道流入冷凝器管束,蒸汽沿分配管注入管束,在凝汽器段蒸汽与冷凝水流向相同。
另一部分未凝结蒸汽,流经下部联箱和凝结水收集管,进入逆流换热单元作最后凝结。
在逆流换热单元的管子内,冷凝水流向与蒸汽流向相反。
不凝结气体由逆流换热单元上部排出,经真空系统压缩后排入大气。
凝结水经凝结水管道靠重力流入排汽装置,凝结水泵把水经凝结水精处理、机组回热系统输送给锅炉。
通过控制风机不同的速度(通过变频电机或双速电机)来满足冷却所需的空气流量。
排汽量和汽机背压相关,这些参数的关系见特性曲线。
物理过程为蒸汽与环境空气的换热。
如果流量增大,则要通过多开风机和增加温差来满足,增大温差可使背压降低。
四.设备的安全及监控:1.防止储运损耗:必须遵守每个设备供应商的指导。
正常停机2-3周时,无需特别的保护措施,最好不去碰ACC。
在冬季当有冻结可能时,要把凝结水全部排掉或采取伴热措施。
2.长期保存:如果停机时间延长,最好把容器和泵内的水排出。
停机时间延长后,应把整个ACC系统内部烘干以防腐蚀。
重新启动前应检查各部件并排除故障。
启动前,应检查齿轮箱内润滑油和其它油脂的数量及质量。
3.旋转设备:停机期间,所有泵每周至少转动一圈,无论停机时间多长。
如果没有风的作用使风机周期性转动,风机每月至少运行一次且持续20分钟,以保持电机和齿轮箱可用,保护轴承不因静力而产生凹痕。
第三部分:直接空冷系统控制说明详见控制说明。
第四部分:报警及故障处理一.凝结水温度二.抽真空温度三.风机振动开关四.齿轮箱油压开关五.冬季保护报警六.冬季回暖报警一.凝结水温度:机组凝结水系统设有远传温度仪表,位于凝结水收集联箱下部凝结水支管上,每列根据需要设置一定数量温度热电阻、温度计,用于显示机组在运行时凝结水的温度,给运行调节提供依据。
名称 凝结水温度报警说明 凝结水温度低于+35℃, 并且环境温度<2℃时,30℃到35℃可调。
报警结果 1.环境温度大于等于+2℃;不动作。
2.环境温度小于+2℃;顺流风机以10%/min的速率降低转速,同时逆流风机以恒速转动。
3.其他列的风机正常运转以维持背压.报警原因 1.流量过低2.真空系统不严3.水环泵功能错误4.轴流风机转速过高,凝结水过冷却纠正方法 1.增加流量2.检查真空系统,消除泄漏。
3.检查水环泵4.调整风机转速二.抽空气温度:机组在抽空气管道上设有抽空气温度热电阻,每列根据需要在抽空气管道上设置一定数量的温度热电阻。
在机组运行时显示真空系统抽空气温度,给运行人员提。