接口技术实验一实验报告
- 格式:doc
- 大小:30.50 KB
- 文档页数:3
接口技术实验报告接口技术实验报告导言:接口技术在现代科技发展中扮演着重要的角色。
它是不同系统之间进行数据交换和通信的桥梁,为各种设备和软件提供了互联互通的能力。
本实验旨在通过实际操作,深入了解接口技术的原理和应用。
一、实验目的本次实验的目的是探索接口技术在实际应用中的作用和效果。
通过搭建一个简单的接口系统,我们可以了解接口的基本原理、数据传输方式以及如何进行接口的配置和测试。
二、实验设备和材料本次实验所需的设备和材料包括:一台计算机、一个串口转USB线缆、一块开发板、一根网线。
三、实验步骤1. 连接计算机和开发板将串口转USB线缆的USB接口插入计算机的USB接口,然后将串口转USB线缆的串口接口插入开发板的串口接口上。
2. 配置串口参数打开计算机的设备管理器,找到串口转USB线缆所对应的串口号,记录下来。
然后打开开发板上的串口配置界面,将串口号设置为与计算机上一致。
3. 编写测试程序使用C语言编写一个简单的测试程序,通过串口与开发板进行通信。
程序中包括发送数据和接收数据的功能,可以进行双向通信测试。
4. 运行测试程序将编写好的测试程序下载到开发板上,然后在计算机上运行相应的接收程序。
通过观察计算机上的输出和开发板上的LED灯状态,判断数据的传输是否成功。
5. 测试结果分析根据实际测试结果,分析接口技术的稳定性和可靠性。
如果数据传输成功率较高,说明接口配置正确,接口技术应用良好。
四、实验结果与讨论通过本次实验,我们成功搭建了一个简单的接口系统,并进行了数据传输测试。
实验结果显示,接口技术在数据传输方面表现出较高的稳定性和可靠性。
通过合理的配置和编程,我们能够实现计算机与外部设备之间的数据交换和通信。
接口技术的应用范围非常广泛,涉及到计算机、通信、自动化控制等领域。
例如,USB接口被广泛应用于外部设备的连接,如打印机、扫描仪等;串口接口则常用于嵌入式系统和单片机的通信;网口接口则用于实现计算机之间的局域网通信等等。
最新精选全文完整版(可编辑修改)《计算机接口技术》实验报告专业:电信息科学与技术班级:姓名:学号:年月日实验一:8255A并行口实验实验目的:掌握通过8255A并行口传输数据的方法,以控制发光二极管的亮与灭。
实验内容:一、实验原理实验原理图如图5-9所示,PB4 ~ PB7和PC0 ~ PC7分别与发光二极管电路L1~ L12 相连,本实验为模拟交通灯实验。
交通灯的亮灭规律如下:设有一个十字路口,1、3为南北方向,2、4为东西方向,初始为四个路口的红灯全亮,之后,1、3路口的绿灯亮,2、4路口的红灯亮,1、3路口方向通车;延时一段时间后,1、3路口的绿灯熄灭,而1、3路口的黄灯开始闪烁,闪烁若干次以后,1、3 路口红灯亮,而同时2、4路口的绿灯亮,2、4路口方向通车;延时一段时间后,2、4 路口的绿灯熄灭,而黄灯开始闪烁,闪烁若干次以后,再切换到1、3路口方向,之后重复上述过程。
8255A的PB4~ PB7对应黄灯,PC0 ~ PC3对应红灯,PC4~ PC7对应绿灯。
8255A 工作于模式0,并置为输出。
由于各发光二极管为共阳极,使其点亮应使8255A相应端口清0。
二、实验线路连接(1) CS-8255插孔连译码输出Y7插孔。
(2) L1 - PC4 L4 - PC5 L7 - PC6 L10 - PC7L2 - PB4 L5 - PB5 L8 - PB6 L11 - PB7L3 - PC0 L6 - PC1 L9 - PC2 L12 - PC3三、实验软件清单见随机光盘,文件名为H8255-2.ASM四、实验步骤1、按图5-9连好实验线路2、运行实验程序在DVCC-8086JHN上显示"8255-2"。
同时L1~L12 发光二极管模拟交通灯显示。
CODE SEGMENTASSUME CS:CODEIOCONPT EQU 0073H ;设置控制端常量IOAPT EQU 0070H ;设置数据端口A地址常量IOBPT EQU 0071H ;设置数据端口B地址常量IOCPT EQU 0072H ;设置数据端口C地址常量IOBDATA EQU 0500HCONTPORT EQU 00DFHDA TAPORT EQU 00DEHDA TA1 EQU 0640HSTART: JMP IOLEDIOLED: CALL FORMATCALL LEDDISPMOV AX,0HMOV DS,AXMOV AL,82HMOV DX,IOCONPT ;写8255控制字,三个口均工作于方式0OUT DX,AL ;往控制端口写控制字,设置A口工作在方式0输入,B方式0输出MOV DX,IOBPT ;读PB口数据存0601H单元IN AL,DXnot almov al,00hnopnopMOV BYTE PTR DS:[0501H],ALMOV DX,IOCONPT ;写方式控制字均为输出MOV AL,80HOUT DX,ALMOV DX,IOBPT ;置PB0,PB4~PB6为1,其余为0MOV AL,DS:[0501H]OR AL,0FH ;使PB0~PB3为1,PB4~PB7为0OUT DX,AL ;即熄灭红灯,点亮绿灯MOV DX,IOCPT ;使PC1,PC4~PC6为1,其余为0MOV AL,0FH ;使PC0~PC3为1,PC4~PC7为0OUT DX,ALCALL DELAY1 ;延时IOLED0: MOV AL,01011010B ;使2,4路口绿灯亮,1,3口红灯亮MOV DX,IOCPTOUT DX,ALCALL DELAY1CALL DELAY1and AL,0FH ;灭2,4路口绿灯OUT DX,ALMOV CX,8H ;只计数器值为8IOLED1: MOV DX,IOBPTMOV AL,DS:[0501H]or AL,01011111B ;点亮2,4路口黄灯OUT DX,ALCALL DELAY2 ;短暂延时and AL,00000000B ;灭掉黄灯OUT DX,ALCALL DELAY2LOOP IOLED1 ;黄灯闪烁8次MOV DX,IOCPTMOV AL,0FH ;点亮4个绿灯,灭掉4个红灯OUT DX,ALCALL DELAY2MOV AL,10100101B ;点亮1,3口红灯和2,4路口绿灯OUT DX,ALCALL DELAY1CALL DELAY1and AL,0FH ;灭掉红灯OUT DX,ALMOV CX,8HIOLED2: MOV DX,IOBPTMOV AL,DS:[0501H]or AL,10101111B ;点亮1,3路口黄灯OUT DX,ALCALL DELAY2and AL,00000000B ;灭掉黄灯OUT DX,ALCALL DELAY2LOOP IOLED2MOV DX,IOCPTMOV AL,0FH ;点亮4个绿灯,灭掉4个红灯OUT DX,ALCALL DELAY2JMP IOLED0 ;循环DELAY1: PUSH AXPUSH CX ;延时子程序MOV CX,0030HDELY2: CALL DELAY2LOOP DELY2POP CXPOP AXRETDELAY2: PUSH CXMOV CX,8000HDELA1: LOOP DELA1POP CXRETLEDDISP:MOV AL,90HMOV DX,CONTPORTOUT DX,ALMOV BYTE PTR DS:[0600H],00LED1: CMP BYTE PTR DS:[0600H],07H JA LED2MOV BL,DS:[0600H]MOV BH,0HMOV AL,CS:[BX+DATA1]MOV DX,DATAPORTOUT DX,ALADD BYTE PTR DS:[0600H],01HJNZ LED1LED2: RETFORMAT: MOV BX,0MOV WORD PTR DS:[BX+0640H],405BHADD BX,2MOV WORD PTR DS:[BX+0640H],4040HADD BX,2MOV WORD PTR DS:[BX+0640H],6D6DH ADD BX,2MOV WORD PTR DS:[BX+0640H],7F5BHRETCODE ENDSEND START实验二:定时/计数器实验目的:1. 学会8253芯片和微机接口原理和方法。
实验名称:编程接口技术应用实验日期:2023年X月X日实验地点:XX大学计算机实验室实验目的:1. 理解编程接口的基本概念和作用。
2. 掌握编程接口的常见类型及其应用场景。
3. 学会使用编程接口进行实际项目开发。
实验内容:一、实验背景随着计算机技术的飞速发展,编程接口(API)已成为软件开发中不可或缺的一部分。
编程接口允许不同的软件组件之间进行通信,提高了软件的可重用性和扩展性。
本实验旨在通过实际操作,加深对编程接口的理解和应用。
二、实验环境1. 操作系统:Windows 102. 开发工具:Visual Studio 20193. 编程语言:C#三、实验步骤1. 理解编程接口的基本概念编程接口是指一组预定义的函数、类、方法和数据结构,用于实现不同软件组件之间的交互。
编程接口包括以下几种类型:(1)函数接口:通过函数声明和函数调用实现接口。
(2)类接口:通过类定义和对象创建实现接口。
(3)接口:通过接口定义和实现接口实现接口。
2. 学习常见编程接口(1).NET Framework API:提供丰富的类库,包括Windows窗体、WPF、 等。
(2)Java API:提供Java标准库、Java Web开发库等。
(3)Python API:提供Python标准库、第三方库等。
3. 使用编程接口进行实际项目开发(1)创建一个简单的Windows窗体应用程序。
(2)在应用程序中添加一个按钮,并为按钮添加点击事件处理程序。
(3)在事件处理程序中,使用编程接口实现以下功能:- 显示一个消息框,提示用户“按钮被点击了!”。
- 获取当前时间,并显示在应用程序的标签控件中。
4. 实验结果与分析通过本实验,我们成功创建了一个简单的Windows窗体应用程序,并实现了以下功能:- 使用函数接口实现按钮点击事件处理。
- 使用.NET Framework API显示消息框。
- 使用.NET Framework API获取当前时间,并显示在标签控件中。
微机原理与接口技术实验报告
本次实验是关于微机原理与接口技术的实验报告,通过本次实验,我们将深入
了解微机原理与接口技术的相关知识,并通过实际操作来加深对这些知识的理解和掌握。
实验一,微机原理。
在本次实验中,我们首先学习了微机的基本原理,包括微机的组成结构、工作
原理和基本功能。
通过实际操作,我们了解了微机的主要组成部分,如中央处理器(CPU)、内存、输入输出设备等,并学习了它们之间的工作原理和相互配合关系。
同时,我们还学习了微机的基本指令系统和数据传输方式,加深了对微机工作原理的理解。
实验二,接口技术。
在接口技术的实验中,我们学习了微机与外部设备之间的接口技术,包括并行
接口、串行接口和通用接口等。
我们通过实际操作,了解了这些接口技术的工作原理和应用场景,学会了如何通过接口技术实现微机与外部设备的数据交换和通信。
实验三,实验综合。
在本次实验的最后,我们进行了一个综合实验,通过实际操作来综合运用微机
原理和接口技术的知识,实现一个具体的功能。
通过这个实验,我们加深了对微机原理与接口技术的理解,掌握了如何将理论知识应用到实际操作中。
总结。
通过本次实验,我们深入学习了微机原理与接口技术的相关知识,并通过实际
操作加深了对这些知识的理解和掌握。
微机原理与接口技术作为计算机科学与技术的基础知识,对我们今后的学习和工作都具有重要意义。
希望通过这次实验,能够对大家的学习和工作有所帮助,并为今后的学习打下坚实的基础。
以上就是本次实验的实验报告,希望对大家有所帮助。
感谢大家的阅读!。
单片机及接口技术实验报告实验一数据传送程序一、实验目的1、掌握汇编语言设计和调试方法。
2、掌握DVCC实验系统的操作步骤。
二、实验内容1、编程实现,把7000H~70FFH单元的内容清零。
2、编程实现,把源地址为6000H开始的单元内容,传送到目的地址7000H开始的单元中,传送个数为0FFFH个。
三、DVCC实验系统操作说明1、接通DVCC实验系统电源,在DVCC实验箱上应显示闪动的“P”,否则按Reset键。
2、运行DVCC软件。
(程序DVCC598H实验系统DVCC实验系统)3、单击工具栏上“新建”或“打开”按钮,编写源程序。
单击“编译”按钮,使其形成可执行文件。
4、单击工具栏上“联接”按钮,同时按下DVCC实验箱上PCDBG键(键盘上最右边第2个),实现PC机和实验箱的联接。
联机成功,屏幕上出现:.反汇编窗口、寄存器标示位窗口。
5、在成功联机后,单击工具栏上“调试”按钮,把最终目标文件装载到实验系统RAM区;或者通过单击菜单栏中的“动态调试”,选择“传送(.EXE)文件”来实现。
6、单击工具栏上“运行”或“单步”按钮,运行实验程序。
7、单击工具栏上“窗口”,选择“显示内部数据窗口”或“显示外部数据窗口”可显示数据窗口。
鼠标右击数据窗口的数据,可设置数据块新地址;鼠标左键单击数据,可修改数据数值。
8、运行完毕,先按实验箱上的复位按钮Reset键,再按PCDBG键,并且点击屏幕上OK,即可退出运行状态。
四、实验程序代码1、把7000H~70FFH单元的内容清零。
程序代码:ORG 0000HAJMP STARTORG 70HSTART: MOV P2, #70H ;送地址高8位到P2端口MOV R0, #00H ;R0=00H,表地址低8位CLR A ;将累加器A清0LOOP: MOVX @R0, A ;将A送入以R0内容为地址的外部RAM.INC R0 ;R0+1-->R0CJNE R0,#00H,LOOP;比较条件转移指令,若R0不等于0,则跳转到LOOPAJMP $ ;暂停END2、编程实现,将源地址为6000H开始的单元,传送到目的地址7000H开始的单元,传送个数为0FFFH个。
贵州大学实验报告纸系别电科班级电科091班姓名学号课程名称微机接口技术成绩评定教师签名实验时间2012年 5 月11日实验一 I/O口输入、输出实验一、实验目的学习单板方式下扩展简单I/O接口的方法。
学习微处理器的编程技术。
二、实验内容数据口扩展74LS244输入数据,数据口扩展74LS273输出数据。
输入端接八位逻辑电平输出,输出端接八位逻辑电平显示,编写一个程序,读入开关状态并输出显示。
三、实验要求根据实验内容编写一个程序,并在实验仪上调试和验证。
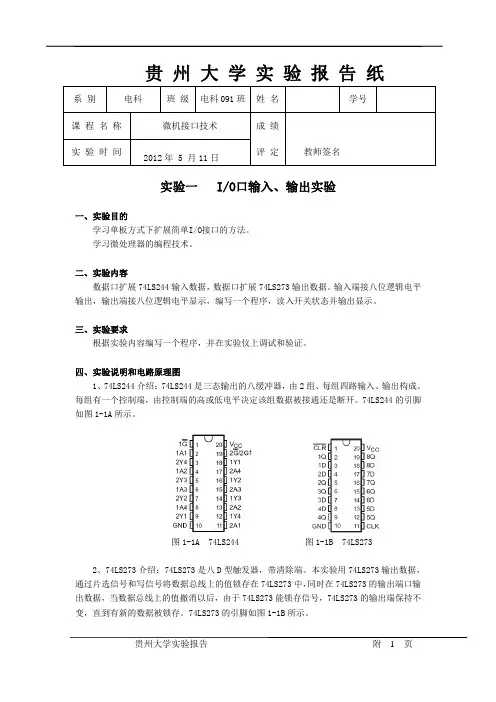
四、实验说明和电路原理图1、74LS244介绍:74LS244是三态输出的八缓冲器,由2组、每组四路输入、输出构成。
每组有一个控制端,由控制端的高或低电平决定该组数据被接通还是断开。
74LS244的引脚如图1-1A所示。
图1-1A 74LS244 图1-1B 74LS2732、74LS273介绍:74LS273是八D型触发器,带清除端。
本实验用74LS273输出数据,通过片选信号和写信号将数据总线上的值锁存在74LS273中,同时在74LS273的输出端口输出数据,当数据总线上的值撤消以后,由于74LS273能锁存信号,74LS273的输出端保持不变,直到有新的数据被锁存。
74LS273的引脚如图1-1B所示。
图1-2 74LS244扩展输入电路本实验需要用到CPU模块(F3区)、八位逻辑电平输出模块(E4区)、八位逻辑电平显示模块(B5区)、扩展输入模块(F2区)、扩展输出模块(F1区)。
扩展输入电路原理图参见图1-2,扩展输出电路原理图参见图1-4,八位逻辑电平输出电路原理图参见图1-3,八位逻辑电平显示电路原理图参见图1-5。
图1-3 八位逻辑电平输出图1-4 74LS273扩展输出电路图1-5 八位逻辑电平显示五、实验程序1、实验修改后程序:;//**************************************************************** ;文件名: In_Out for 8088;功能: I/O口输入、输出实验;接线: 用8位数据线连接八位逻辑电平输出模块的JD1E到扩展输入模块的JD2C;; 八位逻辑电平显示模块的JD4B到扩展输出模块的JD1C;; 用导线连接CPU模块的8000H到扩展输入模块的CS_244;; 8100H到扩展输出模块的CS_273。
最新微机接口实验报告实验目的:1. 熟悉微机接口的基本原理和功能。
2. 掌握微机接口的编程和操作技巧。
3. 通过实验加深对微机接口技术的理解。
实验环境:- 微机接口实验箱- 个人电脑- 相关软件和驱动程序实验内容:1. 实验一:了解微机接口的基本结构和工作原理。
- 学习微机接口的基本概念,包括数据总线、地址总线、控制总线等。
- 观察实验箱中的微机接口模块,识别各部分的功能。
2. 实验二:编写简单的输入输出程序。
- 使用汇编语言或C语言编写程序,实现对微机接口的控制。
- 通过程序实现LED灯的点亮和熄灭,以及按键的读取。
3. 实验三:中断和DMA操作。
- 学习中断的基本概念和处理流程。
- 实现一个基于中断的键盘输入程序。
- 了解DMA的工作原理,并编写相应的数据传输程序。
实验步骤:1. 准备实验环境,确保所有设备和软件均已正确安装和配置。
2. 按照实验指导书的要求,逐步完成各个实验项目。
3. 在实验过程中记录关键步骤和结果,以便撰写实验报告。
4. 对遇到的问题进行分析和解决,记录解决方案。
实验结果:1. 成功理解微机接口的基本结构和功能。
2. 编写的输入输出程序能够正确控制LED灯和读取按键状态。
3. 中断和DMA操作实验顺利完成,实现了预期的功能。
实验结论:通过本次实验,加深了对微机接口技术的理解,掌握了基本的编程和操作技能。
实验中遇到的问题和挑战也有助于提高解决问题的能力。
通过实践,更加明确了理论知识与实际应用之间的联系。
建议和反思:- 在实验过程中,应更加注重对理论知识的应用,以提高实验效率。
- 对于复杂的问题,应采取分步解决的策略,避免在实验中出现混乱。
- 未来应加强实验前的准备工作,确保实验能够顺利进行。
微机原理与接口技术实验报告实验一,微机原理实验。
1. 实验目的。
本实验旨在通过对微机原理的实验,加深学生对微机原理相关知识的理解,提高学生的动手能力和实验技能。
2. 实验内容。
本实验主要包括微机原理的基本知识、微处理器的结构和功能、微机系统的总线结构、存储器与I/O接口。
3. 实验步骤。
(1)了解微机原理的基本知识,包括微处理器的分类、功能和工作原理。
(2)学习微机系统的总线结构,掌握总线的分类、功能和工作原理。
(3)了解存储器与I/O接口的基本概念和工作原理。
(4)进行实际操作,通过实验板进行微机原理实验,加深对微机原理知识的理解。
4. 实验结果。
通过本次实验,我深刻理解了微机原理的基本知识,掌握了微处理器的结构和功能,了解了微机系统的总线结构,以及存储器与I/O接口的工作原理。
通过实际操作,我对微机原理有了更深入的认识,提高了自己的动手能力和实验技能。
实验二,接口技术实验。
1. 实验目的。
本实验旨在通过对接口技术的实验,加深学生对接口技术相关知识的理解,提高学生的动手能力和实验技能。
2. 实验内容。
本实验主要包括接口技术的基本知识、接口电路的设计与调试、接口技术在实际应用中的作用。
3. 实验步骤。
(1)了解接口技术的基本知识,包括接口的分类、功能和设计原则。
(2)学习接口电路的设计与调试,掌握接口电路设计的基本方法和调试技巧。
(3)了解接口技术在实际应用中的作用,包括各种接口的应用场景和实际案例。
(4)进行实际操作,通过实验板进行接口技术实验,加深对接口技术知识的理解。
4. 实验结果。
通过本次实验,我深刻理解了接口技术的基本知识,掌握了接口电路的设计与调试方法,了解了接口技术在实际应用中的作用。
通过实际操作,我对接口技术有了更深入的认识,提高了自己的动手能力和实验技能。
总结。
通过微机原理与接口技术的实验,我对微机原理和接口技术有了更深入的理解,提高了自己的动手能力和实验技能。
希望通过今后的学习和实践,能够更加深入地掌握微机原理与接口技术的知识,为将来的工作和研究打下坚实的基础。
实验报告
课程名称微机原理及接口技术
实验名称实验报告(一):小灯闪烁仿真实验
实验目标:利用Keil的仿真实验环境,编程实现使连接到P1.0引脚的小灯亮灭闪烁。
请图文结合详细描述实验流程与实验结果,给出带注释的源代码以及实验结论等。
1.实验流程
·新建一个工程项目文件,并取名为“led闪烁”,同时选择目标器件AT89C51。
由于是汇编语言,故而选择“否”
·将文件添加到项目中并键入程序
创建文件,保存为“led闪烁.asm”,并将文件添加到项目中。
将程序键入。
·为工程项目设置软硬件调试环境并生成.hex文件。
·程序文件的编译·软件仿真、调试
在调试窗口调试,观察P1观察口。
运行程序可观察到P1窗口闪烁变化。
2. 实验结果
·编译结果
·P1.0引脚的小灯亮灭闪烁结果
3. 带注释的源代码
4. 实验结论、建议和意见
实验结论:
利用Keil的仿真实验环境,可以通过设置延时来编程实现并观察到P1.0引脚的小灯亮。
接口技术实验报告五、实验步骤1、实验连线:地址总线单元的输出端插孔FF80H、FF90H分别与74LS244、74LS273的片选信号CS1、CS2相连;电平开关的输出端K1~K8分别与简单I/O单元的Y0~Y7对应连接;简单I/O单元的输出端Q0~Q7分别与发光二极管的输入端L 1~L8对应连接。
2、编辑程序启动:首先将通信选择开关调至88模式,打开实验装置的电源开关,这时实验装置上的六位数码管显示P.。
接着点击桌面PCI图标,运行8086实验系统。
此时,窗口左下角显示“连接上下位机”,说明进入连机操作模式。
编辑:点击快捷图标[新建],进入编辑系统。
将编写好的源程序逐一输入,然后保存。
这时在桌面上就会产生以new .asm 命名的文件。
编译运行:选择[调试]菜单,点击[编译装载],对源程序进行汇编、连接,这时在屏幕下方显示“编译成功”,反汇编区域有显示;然后点击快捷图标RUN,即运行程序。
3、调试通过后,全速运行程序,观看实验结果。
4、编写实验报告,完成思考题与练习。
六、实验框图七、思考与练习1、K1-K4开关向上,让L1-L4发光二极管灯灭,而其它发光二极管灯保持不变,程序如何修改。
答:加一行代码XOR AL,0FH;使控制信息高四位不变,第四位与原来相反。
2、74LS244、74LS273的片选信号可以改变,若244/273的片选信号改为与地址总线单元中的FF30H、FFA0H相连,应如何修改程序中相应地址。
答:更换程序中地址线端口,详见以下程序代码;同时修改实际试验箱上的连线:把片选信号与FF30H和FFA0H相连。
3、写出实验源程序,并给出注释。
答:(1)原程序:CSEG SEGMENT。
DONGFANG COLLEGE,FUJIAN AGRICULTURE AND FORESTRY UNIVERSITY课程名称:微机原理与接口技术系别:计算机系年级专业: 2010级电子信息工程学号: 1050302103姓名:廖少兵任课教师:孙奇燕成绩:2012 年12 月24 日实验一二进制多位加法运算一、实验目的1、熟悉实验系统键盘显示的使用。
2、掌握使用加法类运算指令编程及调试方法。
3、掌握加法类指令对状态标志位的影响。
二、实验内容计算X+Y+Z=?(X、Y、Z为16位二制数)三、编程指南由于本实验是三个十六位二制数相加运算,因此,当X+Y时要考虑用ADC指令,把进位C加到结果的高16位中,当(X+Y)+Z时,再把进位C加到结果的高16位中,本实验设定三个加数0FFFFH,计算结果应为2FFFDH。
四、实验步骤联机模式:(1)在PC机和实验系统联机状态下,运行该实验程序,可用鼠标左键单击菜单栏“文件”或工具栏“打开图标”,弹出“打开文件”的对话框,然后打开8kAsm文件夹,点击S1.ASM文件,单击“确定”即可装入源文件,再单击工具栏中编译,即可完成源文件自动编译、装载目标代码功能,再单击“调试”中“连续运行”或工具图标运行,即开始运行程序。
(2)运算结果保留在内存4100H~4102H单元中,点击DICE-8086K软件中存贮器RAM窗口,输入RAM的起始地址4100、4101、4102,单元内容应为FD、FF、02。
脱机模式:⑴在P.态下,按SCAL键,输入2CA0,按EXEC键。
⑵复位RST键,运算结果保留在内存4100H~4102H单元中,共内容分别为:FD、FF、02,低位在前,高位在后,具体操作方法:输入键[4100]→[ME]→[NX]→[NX]。
五、实验程序清单CODE SEGMENT ;S1.ASM-->BIN ADDASSUME CS:CODEORG 2CA0H ;this is a program of addSTART: CLCMOV SI,4000H ;result in [4100]MOV [SI],0ffffH MOV [SI+2],0ffffH MOV [SI+4],0ffffH MOV AX,0000H MOV [SI+102H],AX MOV AX,[SI]ADD AX,[SI+2] ADC [SI+102H],0000 ADD AX,[SI+4] MOV [SI+100H],AX ADC [SI+102H],0000 JMP $CODE ENDSEND START实验心得和体会通过对实验一,二进制多位加法运算, 使我对二进制多位加法运算加深了理解,由于本实验是三个十六位二制数相加运算,因此,当X+Y时要考虑用ADC指令,,由于对课本知识的积累不够,在实验过程中遇到了种种困难,特别是编程和换位进制遇到了一些问题,多亏得到同学和老师的帮助才得以解决实验二A/D转换实验一、实验目的了解模/数转换基本原理,掌握ADC0809的使用方法。
交通灯控制系统一任务和目的交通灯控制系统:按照时间控制原则,利用并行接口和定时器,采用时间中断方式设计一套十字路口的交通灯管理系统,通行时间(或禁止时间)30秒,准备时间3秒,在准备时间里黄灯闪烁3次,闪烁频率为0.5秒,周而复始。
可利用8255、8253、8259等接口电路。
通过并行接口 8255 实现十字路口交通灯的模拟控制,进一步掌握对并行口的使用。
二设计原理8255工作原理并行接口是以数据的字节为单位与I/O设备或被控制对象之间传递信息。
CPU和接口之间的数据传送总是并行的,即可以同时传递8位、16位、32位等。
8255可编程外围接口芯片是Intel公司生产的通用并行I/O接口芯片,它具有A、B、C三个并行接口,用+5V单电源供电,能在以下三种方式下工作:方式0--基本输入/出方式、方式1--选通输入/出方式、方式2--双向选通工作方式。
8255方式一输入输出电路图图1 输出电路图图2 输入电路三详细设计如图 5-3,L7、L6、L5 作为南北路口的交通灯与 PC7、PC6、PC5 相连,L2、L1、L0 作为东西路口的交通灯与 PC2、PC1、PC0 相连。
编程使六个灯按交通灯变化规律燃灭。
图5-3程序设计流程图设计目标通过对8255并行接口输入不同的控制指令来实现交通灯的相互转换,具体现象如下所示(1)南北路口的绿灯、东西路口的红灯同时亮 3 秒左右。
(2)南北路口的黄灯闪烁若干次,同时东西路口的红灯继续亮。
(3)南北路口的红灯、东西路口的绿灯同时亮 3 秒左右。
(4)南北路口的红灯继续亮、同时东西路口的黄灯亮闪烁若干次。
(5)转(1)重复。
设计代码A0 EQU 04C08hA1 EQU 04C09hA2 EQU 04C0AhA3 EQU 04C0Bh;8255端口地址D1 EQU 0005hD2 EQU 0FFFFh;调整闪烁时间CODE SEGMENTASSUME CS:CODEL: MOV DX,A3MOV AL,10000000B;控制字,C口方式0OUT DX,ALMOV DX,A2MOV AL,00000000B;清零,灯全灭OUT DX,ALL1: MOV AL,00101000B;南北路口绿灯亮,东西路口红灯亮OUT DX,ALCALL DELLAY1;延时3秒左右MOV CX,D1L2: MOV AL,01001000B;南北路口黄灯亮,东西路口红灯亮 OUT DX,ALCALL DELLAY2MOV AL,00001000B;南北路口黄灯灭,东西路口红灯亮 OUT DX,ALCALL DELLAY2LOOP L2;形成闪烁L3: MOV AL,10000001B;南北路口红灯亮,东西路口绿灯亮 OUT DX,ALCALL DELLAY1L4: MOV AL,10000010B;南北路口红灯亮,东西路口黄灯亮 OUT DX,ALCALL DELLAY2MOV AL,10000000B;南北路口红灯亮,东西路口黄灯灭 OUT DX,ALCALL DELLAY2LOOP L4 ;形成闪烁MOV AH,01HCMP AL,03H ;CTR-C结束JZ OUTERJMP L1OUTER: MOV AX,4C00HINT 21HDELLAY1 PROCPUSH CXPUSH AXMOV CX,0FFFFhT10: LOOP $MOV CX,00FFhT11: MOV AX,00FFhT12: DEC AXJNZ T12LOOP T11POP AXPOP CXRETDELLAY1 ENDPDELLAY2 PROCPUSH AXMOV AX,D2T21: DEC AXJNZ T21POP AXRETDELLAY2 ENDPCODE ENDSEND L五设计总结本实验在原理上不难,但在编译过程中需要头脑清醒,运行程序时过,程序经常出现死循环,主要是因为在写程序时过分相信自己的记忆力了,没有写注释,以后要注意!而且在实现黄灯闪亮的时候遇到困难,在程序设计时,我是以为时钟频率是1.8432MHZ所以我以两重循环,内层0FFFFH,外层3CH次刚好能使延时达到3秒,但是实验证明,时钟频率不是1.8432MHZ所以我增加了外层循环次数,使得长延时基本上在三秒左右,段延时在0.3秒左右,经过多次计算和调试终于通过调用合适的短延时来实现黄灯的闪亮,并实现了最后的实验效果。
微机原理与接口技术实验报告实验目的,通过本次实验,掌握微机原理与接口技术的基本知识,了解并掌握微机接口技术的应用方法。
实验仪器与设备,微机实验箱、接口卡、示波器、电源等。
实验原理,微机接口技术是指微机与外部设备进行数据交换的技术。
它是微机与外部设备之间的桥梁,通过接口技术可以实现微机与外部设备之间的数据传输和通信。
实验内容与步骤:1. 实验一,串行通信接口实验。
a. 将串行通信接口卡插入微机实验箱的接口槽中;b. 连接示波器和外部设备,并进行数据传输测试;c. 观察并记录数据传输的波形和数据传输情况。
2. 实验二,并行通信接口实验。
a. 将并行通信接口卡插入微机实验箱的接口槽中;b. 连接外部设备,并进行数据传输测试;c. 观察并记录数据传输的情况。
3. 实验三,AD转换接口实验。
a. 将AD转换接口卡插入微机实验箱的接口槽中;b. 连接外部模拟信号源,并进行模拟信号转换测试;c. 观察并记录模拟信号转换的波形和数据传输情况。
实验结果与分析:1. 串行通信接口实验结果分析:通过实验发现,在串行通信接口实验中,数据传输的波形稳定,数据传输速度较快,适用于对数据传输速度要求较高的应用场景。
2. 并行通信接口实验结果分析:在并行通信接口实验中,数据传输稳定,但数据传输速度相对较慢,适用于对数据传输速度要求不高的应用场景。
3. AD转换接口实验结果分析:经过实验发现,AD转换接口可以将模拟信号转换为数字信号,并且转换精度较高,适用于对信号转换精度要求较高的应用场景。
实验总结与展望:通过本次实验,我们深入了解了微机原理与接口技术的基本知识,掌握了串行通信接口、并行通信接口和AD转换接口的应用方法。
同时,也发现不同接口技术在数据传输速度、稳定性和精度方面各有优劣,需要根据实际应用场景进行选择。
未来,我们将继续深入学习和探索微机接口技术的应用,为实际工程项目提供更好的技术支持。
结语:通过本次实验,我们对微机原理与接口技术有了更深入的了解,实验结果也验证了接口技术在数据传输和信号转换方面的重要作用。
计算机接口技术实验报告数学与计算机学院《计算机接口技术》实验报告专业: 班级: 学号: 姓名: 指导老师:实验1 定时与中断接口程序设计一实验目的1了解定时器/计数器8253、并行I/O接口8255A在PC机中的电路连接方法;2.学习使用TURBO C++对8253、8255进行编程操作;3(熟悉拦截PC机中断向量的TC++ 编程方法。
二实验内容1(8253、8255在PC/XT机中的电路连接介绍1, 8088 8253 2,D7…D0 OUT0 D7…D0 至8259 IRQ0,中断类型=8 3, RD GATE0 +5V IOR4, WR CLK0 IOW5, A0 OUT1 A0 至8237的DRAM刷新请求6, A1 GATE1 A1 +5V7, CLK18,地址OUT2 IO/M & 放大 9,译码CS GATE2 A9…A210, CLK0,1,2 40H~43H1.19MHz地址PB0译码 CS PB160H~63H 8255PC机启动后,系统设置的初始状态为:芯片有关工作方式初值运行情况通道0#:方式3(方波计数初值:OUT输出55ms方波至0000H 发生器) 8259的IRQ0 8253 通道2#:,(1KHz) 计数初值:,,(1KHz方波) (1190)PB0、PB1:方式0(简控制蜂鸣器发声。
0:不发8255 单输出) 声,1:发声 8259 IRQ0:允许中断中断类型号:8 CPU响应8号中断 2(程序要求(1)程序启动时,要求输入定时时间,以秒为单位。
(2)按秒计时,每秒到达时,在屏幕上显示当前为第几秒,同时蜂鸣器发出短促叫声;(3)当定时时间到,则显示“Time Up!”,结束程序。
三. 实验步骤1(建立源文件:启动TURBO C++3.0,建立Timer.CPP。
保存到D:\ ×(学号)\Timer.CPP;2(设置TC工作目录:选菜单Options/Directories,第1、2栏保持不变,第3、4栏填写您的文件存放目录,OK。
微机原理与接口技术实验报告学院:潇湘学院专业:计算机科学与技术班级:计算机001班学号:0955010108姓名:肖江南2011年11月28日实验一两个多位十进制数相减实验一、实验要求将两个多位十进制数相减,要求被减数,减数均以ASCII码形式按顺序存放在以DATA1和DATA2为首的5个内存单元中(低位在前),结果送回DATA1处。
二、实验目的1. 学习数据传送和算术运算指令的用法。
2. 熟悉在PC机上建立、汇编、链接、调试和运行汇编语言程序的过程。
三、实验程序框图开始显示减数和被减数被减数和减数转换成十六进制数设置计数值清除最低进位位带进位减结果送被减数区调整偏移量N计数值-1=0Y结果转换成A S C I I码字符串显示结果结束四、实验内容实验源码如下:DATA SEGMENTDATA1 DB 33H,39H,31H,37H,38H ;第一个数据(作为被减数)DATA2 DB 36H,35H,30H,38H,32H ;第二个数据(作为减数)MES1 DB '-','$'MES2 DB '=','$'DATA ENDSSTACK SEGMENT ;堆栈段STA DB 20 DUP(?)TOP EQU LENGTH STASTACK ENDSCODE SEGMENTASSUME CS:CODE,DS:DATA,SS:STACK,ES:DATASTART: MOV AX,DATAMOV DS,AXMOV ES,AXMOV AX,STACKMOV SS,AXMOV AX,TOPMOV SP,AXMOV SI,OFFSET DATA1MOV BX,05CALL DISPL ;显示被减数MOV AH,09HLEA DX,MES1INT 21HMOV SI,OFFSET DATA2MOV BX,05 ;显示减数CALL DISPLMOV AH,09HLEA DX,MES2INT 21HMOV SI,OFFSET DATA1MOV DI,OFFSET DATA2CALL SUBA ;减法运算MOV SI,OFFSET DATA1MOV BX,05 ;显示结果CALL DISPLMOV DL,0DHMOV AH,02HINT 21HMOV DL,0AHMOV AH,02HINT 21HINT 21HMOV AX,4C00HINT 21HDISPL PROC NEAR ;显示子功能DSI: MOV AH,02MOV DL,[SI+BX-1] ;显示字符串中一字符INT 21HDEC BX ;修改偏移量JNZ DSIRETDISPL ENDPSUBA PROC NEARMOV DX,SIMOV BP,DIMOV BX,05SU1: SUB BYTE PTR[SI+BX-1],30HSUB BYTE PTR[DI+BX-1],30HDEC BX ;将ASCII 码表示的数字串JNZ SU1 ;转化为十六进制的数字串MOV SI,DXMOV DI,BPMOV CX,05 ;包括进位,共5位CLC ;清进单位SU2: MOV AL,[SI]MOV BL,[DI]SBB AL,BL ;带进位相减AAS ;非组合BCD码的减法调整MOV [SI],AL ;结果送被减数区INC SIINC DI ;指向下一位LOOP SU2 ;循环MOV SI,DXMOV DI,BPMOV BX,05SU3: ADD BYTE PTR [SI+BX-1],30HADD BYTE PTR [DI+BX-1],30HDEC BX ;十六进制的数字串转化ASCII码表示的数字串JNZ SU3RETSUBA ENDPCODE ENDSEND START实验二两个数相乘的实验一、实验要求实现十进制数的乘法,被乘数和乘数均以ASCII码形式存放在内存中,算式及结果在屏幕上显示出来。
接口技术实验(一)
程序控制方式输入输出接口电路的工作班级:电子班学号:0839062 姓名:李睿一、实验任务
1.无条件输入输出的实现。
以8个拨动开关为输入外设,在现有实验箱的条件下构建一个基本输入端口,并编程控制将8个拨动开关的状态用一根地址线读入CPU 内,然后通过一个基本输出端口在发光二极管上显示相应的数码,如:8个拨动开关的状态为‘1 1 1 1 0 0 0 0’,则在八段数码管上显示‘亮、亮、亮、亮、亮、灭、灭、灭、灭’。
输入、输出端口的口地址从实验箱上的I/O地址译码输出中自行选定。
2.查询方式输入输出的实现。
以拨动开关为输入外设,以发光二极管做为输出外设,在现有实验箱的条件下构建一个查询方式输入输出接口电路。
具体做法:以第一个拨动开关高电平状态为‘输入准备好’的状态信号,将第一个拨动开关拨到高电平后,表示可以读取所有8个拨动开关的状态;将拨动开关的状态读入后再送到发光二极管上进行显示。
如:8个拨动开关的状态为‘1 1 1 0 0 0 1 1’,则在八段数码管上显示‘亮、亮、亮、灭、灭、灭、灭、亮、亮’。
二、实验时间
2011年4月14日19点—22点
三、实验原理分析
1.无条件输入输出的实现:CPU通过端口0x4c00读取开关的状态,再通过端口
0x4c00控制LED灯。
2.查询方式输入输出的实现:通过端口0x4c08查询开关最高位的状态。
当开关
最高位为高电平时,CPU通过端口0x4c00读取开关的状态来控制LED灯;当开关最高位为低电平时,LED灯不受开关的影响。
四、实验内容
☆软件部分
1.无条件输入输出的实现:
Data Segment
Data ends
Code segment
Assume cs:code,ds:data
Start:
Mov dx,4c00h
In al,dx
Not al
Mov dx,4c08h
Out dx,al
mov ah,0bh
int 21h
cmp al,0ffh
jnz start
mov ax,4c00h
int 21h
code ends
end start
2.查询方式输入输出的实现:
Data Segment
Data ends
Code segment
Assume cs:code,ds:data
Start:
Mov ax,data
Mov ds,ax
One:
Mov dx,4c00h
In al,dx
Test al,01h
Jz one
Mov dx,4c00h
In al,dx
Mov dx,4c08h
Out dx,al
mov ah,0bh
int 21h
cmp al,0ffh
jnz start
mov ax,4c00h
int 21h
code ends
end start
五、实验结果分析
1.无条件输入输出的实现:在DOS环境下运行程序,可以通过拨动开关,调节
状态,LED发生相应的变化。
如:当开关状态为“01”时,第一个LED灯亮。
按任意键退出程序。
2.查询方式输入输出的实现:在DOS环境下运行程序,首先查询开关最高位的
状态。
当开关最高位为高电平时,CPU通过读取开关状态控制LED灯的亮与暗;当开关最高位为低电平时,LED不受开关状态影响,继续保持原来状态。
六、实验总结与体会
其实本来是抱着试试的心态来学习这门课的,不知道这门课是不是能够去学,不过现在既然选了也就只能努力的去学习。
经过这么一次的实验,我认为我的汇编真的需要继续好好复习一下了,以前的东西得捡回来了,因为试验的程序需要。
据说可以用C语言做也,但是没有尝试过呢,回去自己可以试试。
再则觉得老师上课说的还是很重要的啊,上课不好好听课这实验就是不好去做啊,以后上课得好好听课了,虽然这个不是很能太懂,自己还是需要好好的去研究摸索啊!。