达因笔测试表面张力的方法
- 格式:doc
- 大小:59.50 KB
- 文档页数:2
固体表面张力参数值达英测试笔的使用方法
《获得固体表面张力参数值达英测试笔的使用方法》
达因笔(电晕笔)的使用方法:
1.选择合适达因值的达因(电晕)笔
2.将物件表面清洁干净并平平放于水平桌面上。
3.用达因笔在物件面上轻轻划上一笔。
4.如果三秒内液体无收缩,则达到所选达因,反之则未达到。
注:(判断约在二至三秒内)
达因笔型号如下:
30、34、38、40、42、44、46、48、50、52、54、56、58、60、62、64、68、70、72(达因)
达因笔适用范围:
适用于凹版印刷、胶印印刷、UV印刷、丝网印刷、轧染印刷、喷墨印刷,干式复合、挤压复合、吹膜、T型挤出薄膜、拉伸薄膜、涂布等(另外,还有用来检测物品表面油污,电镀表面张力的多用途)达因笔所适用材料:
薄膜类:PS、PE、PP、PET、PI、PC、NY、CPP、OPP等。
导电性材料:铝箔、铜箔、碳膜、蒸镀膜。
其他材料:玻璃、陶瓷、玻纤、塑料制品等。
部分材料表面张力对照表。
材料名称初始张力要求张力
聚乙烯(PE) 31达因 38达因
聚丙烯(PP) 31达因 38达因
聚酯(PET) 39达因 52达因
聚氯乙烯(PVC) 39达因 48达因
尼龙(PA) 41达因 56达因
注意事项:
使用后,请务必盖紧笔盖。
笔墨沾在手或皮肤上时,请马上用水冲洗。
请避开直射日光,放在阴凉处保管。
表面张力测试达因值标准一、测试原理表面张力测试是通过测量液体表面张力,从而了解液体分子间的相互作用的强度。
达因值是表示液体表面张力的单位,它是通过将液体表面的力与一个标准重物所做的功相平衡来得到的。
二、测试仪器1.表面张力仪:用于测量液体的表面张力。
2.标准重物:用于测量液体表面的力。
3.恒温水槽:用于保持测试温度的恒定。
4.样品杯:用于盛装测试液体。
三、样品准备1.按照测试要求选择合适的液体样品。
2.将样品倒入样品杯中,确保样品表面干净、平整。
3.将样品杯放入恒温水槽中,保持测试温度在规定范围内。
四、测试步骤1.打开表面张力仪,预热仪器。
2.将标准重物放置在表面张力仪的力臂上,调整力臂位置,确保与液面垂直。
3.将样品杯放置在表面张力仪的测试台上,确保样品表面与力臂平行且无气泡。
4.开始测试,记录表面张力值和测试温度。
5.进行至少三次测试,取平均值作为最终结果。
五、数据处理与结果分析1.根据测试结果计算达因值。
达因值的计算公式为:达因值= 表面张力值/温度。
2.将不同样品的测试结果进行比较,分析表面张力与物质性质之间的关系。
3.根据测试结果,可以进一步研究液体表面的微观结构和分子间相互作用。
六、测试报告编写1.测试报告应包括以下内容:样品信息、测试温度、表面张力值、达因值、结果分析和结论。
2.报告中应附上测试原始数据和图表,以便进行数据分析和验证。
3.测试报告应简洁明了地表达测试结果和结论,为使用者提供有价值的信息。
七、注意事项与误差控制1.确保测试过程中样品表面无气泡干扰,以免影响测试结果。
2.在测试过程中要保持温度的恒定,以减小温度变化对表面张力的影响。
3.对同一样品进行多次测试,以减小测试结果的误差。
1、表面张力的测定:
测定方法有用达因笔测定和达因液测定二种方法。
使用达因笔测定,须购买38、42、52三种型号规格方能满足检测要求,另外达因笔价格比较贵,且使用时间较短,仅能维持2-3个月,因其达因数会随时间延长而下降,引起检测结果偏差。
使用达因液测定,比较实用。
薄膜表面电晕处理检验方法测定液配方,见表一。
注:以上比例均为体积比
用棉球醮取测定液,涂于倾斜30度的薄膜上,留下1cm宽10cm长的液膜,如果5秒钟内液膜不收缩,则判断该薄膜达到你要测定的表面张力值,如液膜收缩很少,便仍有0.8cm宽的液膜,则判断为接近你要
测定的表面张力值,如液膜完全破裂,收缩成颗粒状或条状小于0.5cm宽度,则判断为该薄膜未达到你要测定的表面张力值。
(如下图)。
达因笔测试表面张力的方法DY-L系列达因笔可以准确的测试出塑料薄膜之表面张力是否达到试笔的数值。
令使用者清楚的了解此塑料薄膜是否适合于印刷,复合或镀铝。
有效的控制质量及减少因材质不合格所造成的工具延误。
而且DY-L系列达因笔并不仅限于塑料薄膜,还可以测试其他平面材料的表面张力。
一般来说,薄膜基材形成墨滴、涂层和其表面的能量相关。
如果基材表面的能量低于所涂测试液的表面的张力,则形成珠点和画线收缩(如图中1所示),这就是所谓的润湿。
大多数塑料基材的原始表面张力都比较小,几种聚合物的原始表面张力大致如下:表一部分塑料表面张力(mN/m,20℃)塑料表面张力塑料表面张力PTFE聚四氟乙烯18.5 PVC 39.0PVF聚偏二氟乙烯28.0 PMMA 39.0PCTFE聚三氟氯乙烯31.0 PVDC 40.0PE、PP 31.0 PET 44.0PS 33.0通常用作油墨溶剂的表面能为:乙醇22 mN/m、醋酸乙酯24 mN/m,而配制油墨需要加入树脂、粘结料、颜料、助剂后,表面张力一般要在38-42达因左右。
塑料表面张力数值与成型温度、降温速度、添加剂和是否处理都有关系,所以彩印常用的BOPP薄膜在印刷前要进行电晕处理,使其表面张力不能小于油墨的表面张力,这样才能达到润湿,如下图。
图一,薄膜-油墨润湿张力示意图图中θ是润湿角。
显然,当θ>90°则因润湿张力小而不润湿;θ<90°时则润湿;而在θ=0°时,可以完全润湿。
可以看出,薄膜的表面张力最少要在38达因以上,才能让其与油墨的润湿角小于90°,做到润湿,这样印刷效果才比较好。
如果要薄膜的表面张力进一步加大,或者油墨的表面张力降低印刷效果会不会更好呢?所谓润湿角为零行不行呢,可以准确的说,抛开成本和物理上的可行不论,理论上那样一点点油墨会铺满整张薄膜,各种颜色会混在一起,再也看不见图案了。
对多数薄膜来说,在印刷前测试薄膜的表面张力,要求达因笔在36-40达因/厘米之间。
达因笔达因笔,又名表面张力测试笔、电晕处理笔、及塑料薄膜表面张力检测笔。
是薄膜表面电晕度(达因)的测试工具,专门用于测定薄膜受电晕处理后的效果。
表面张力测试笔有32、34、36、38、40、42、44、46、48、50、52、54、56、58、60或以上十多种不同张力的试笔,能准确地测试出塑料薄膜表面张力是否达到试笔的数值。
令使用者清楚了解此薄膜是否适合于印刷、复合或真空镀铝等等,从而有效地控制质量,减少因材质不合格所造成的损失。
一.达因笔的适用范围:适用于凹版印刷、胶印印刷、UV印刷。
二.达因笔的规格:32、34、36、38、40、42、44、46、48、50、52、54、56、58、60。
三.达因笔的使用方法:使表面张力测试笔垂直于薄膜平面,加上适当的压力,在薄膜表面上画一条线.量程稍小的表面张力测试笔较易画上直线,因此不须太大压力;而40、42、44的表面张力测试笔需在画线时多加一点压力。
一般情况下,初次测试为保测量的准确度,需备6支不同型号的表面张力测试笔;若确定薄膜表面张力度数字变化极小,则至少需要3支不同型号的表面张力测试笔。
分析结果:1、已经适当电晕处理的薄膜若画线很平均地分布,不起任何珠点,则说明该薄膜表面达因,高于或等于表面张力测试笔上所标出的指数2、没有适当电晕处理的薄膜若画线慢慢地收缩,则说明该薄膜表面达因,低于表面张力测试笔上所标出的指数。
3、没有电晕处理的薄膜若画线立即收缩,并且形成珠点,则说明该薄膜表面达因,极低于表面张力测试笔所标出的指数。
四.达因笔的测试原理:应用表面张力测试笔,能够很容易的分析出不同固体的表面能、亲水性、润湿度等微小变化。
分析方法简单且有效,仅在基材表面上划一道痕就能迅速知道准确结果。
这是专为生产线的测试而设计的,由工厂经过培训的操作者进行。
测试时,应选择一个中间值来作起点,如38mN/m,测试时,如果在2秒内测试笔湿了基材表面,则基材表面张力比所选值要大或正好,那么须要选一更大值的测试笔进行第二次测试,如此类推,直到测试结果在2秒内改缩成水珠(球状),则这次测试之前一次的值就被视为基材的表面能。
达因笔达因笔,又名表面张力测试笔、电晕处理笔、及塑料薄膜表面张力检测笔。
是薄膜表面电晕度(达因)的测试工具,专门用于测定薄膜受电晕处理后的效果。
表面张力测试笔有32、34、36、38、40、42、44、46、48、50、52、54、56、58、60或以上十多种不同张力的试笔,能准确地测试出塑料薄膜表面张力是否达到试笔的数值。
令使用者清楚了解此薄膜是否适合于印刷、复合或真空镀铝等等,从而有效地控制质量,减少因材质不合格所造成的损失。
一.达因笔的适用范围:适用于凹版印刷、胶印印刷、UV印刷。
二.达因笔的规格:32、34、36、38、40、42、44、46、48、50、52、54、56、58、60。
三.达因笔的使用方法:使表面张力测试笔垂直于薄膜平面,加上适当的压力,在薄膜表面上画一条线.量程稍小的表面张力测试笔较易画上直线,因此不须太大压力;而40、42、44的表面张力测试笔需在画线时多加一点压力。
一般情况下,初次测试为保测量的准确度,需备6支不同型号的表面张力测试笔;若确定薄膜表面张力度数字变化极小,则至少需要3支不同型号的表面张力测试笔。
分析结果:1、已经适当电晕处理的薄膜若画线很平均地分布,不起任何珠点,则说明该薄膜表面达因,高于或等于表面张力测试笔上所标出的指数2、没有适当电晕处理的薄膜若画线慢慢地收缩,则说明该薄膜表面达因,低于表面张力测试笔上所标出的指数。
3、没有电晕处理的薄膜若画线立即收缩,并且形成珠点,则说明该薄膜表面达因,极低于表面张力测试笔所标出的指数。
四.达因笔的测试原理:应用表面张力测试笔,能够很容易的分析出不同固体的表面能、亲水性、润湿度等微小变化。
分析方法简单且有效,仅在基材表面上划一道痕就能迅速知道准确结果。
这是专为生产线的测试而设计的,由工厂经过培训的操作者进行。
测试时,应选择一个中间值来作起点,如38mN/m,测试时,如果在2秒内测试笔湿了基材表面,则基材表面张力比所选值要大或正好,那么须要选一更大值的测试笔进行第二次测试,如此类推,直到测试结果在2秒内改缩成水珠(球状),则这次测试之前一次的值就被视为基材的表面能。
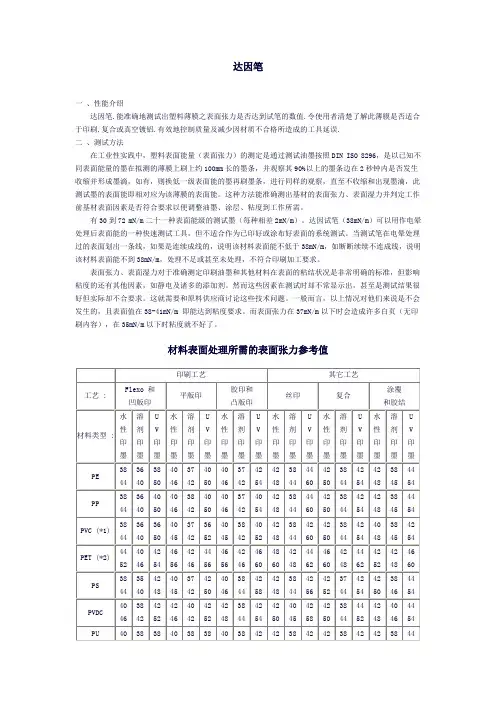
达因笔一、性能介绍达因笔.能准确地测试出塑料薄膜之表面张力是否达到试笔的数值.令使用者清楚了解此薄膜是否适合于印刷.复合或真空镀铝.有效地控制质量及减少因材质不合格所造成的工具延误.二、测试方法在工业性实践中,塑料表面能量(表面张力)的测定是通过测试油墨按照DIN ISO 8296,是以已知不同表面能量的墨在拟测的薄膜上刷上约100mm长的墨条,并观察其90%以上的墨条边在2秒钟内是否发生收缩并形成墨滴,如有,则换低一级表面能的墨再刷墨条,进行同样的观察,直至不收缩和出现墨滴,此测试墨的表面能即相对应为该薄膜的表面能。
这种方法能准确测出基材的表面张力、表面湿力并判定工作前基材表面因素是否符合要求以便调整油墨、涂层、粘度到工作所需。
有30到72 mN/m二十一种表面能级的测试墨(每种相差2mN/m)。
达因试笔(38mN/m)可以用作电晕处理后表面能的一种快速测试工具,但不适合作为已印好或涂布好表面的系统测试。
当测试笔在电晕处理过的表面划出一条线,如果是连续成线的,说明该材料表面能不低于38mN/m,如断断续续不连成线,说明该材料表面能不到38mN/m,处理不足或甚至未处理,不符合印刷加工要求。
表面张力、表面湿力对于准确测定印刷油墨和其他材料在表面的粘结状况是非常明确的标准,但影响粘度的还有其他因素,如静电及诸多的添加剂。
然而这些因素在测试时却不常显示出,甚至是测试结果很好但实际却不合要求。
这就需要和原料供应商讨论这些技术问题。
一般而言,以上情况对他们来说是不会发生的,且表面值在38-41mN/m 即能达到粘度要求。
而表面张力在37mN/m以下时会造成许多白页(无印刷内容),在35mN/m以下时粘度就不好了。
材料表面处理所需的表面张力参考值。
文章标题:探索达因笔测试塑胶产品表面判定标准的意义与方法一、引言在塑胶产品的生产和制造过程中,表面质量是一个非常关键的因素。
良好的表面质量不仅可以提升产品的外观质感,还能影响产品的使用寿命和性能。
而达因笔测试作为一种常用的表面检测方法,对塑胶产品的质量判定起着至关重要的作用。
本文将从深度和广度的角度出发,探讨达因笔测试塑胶产品表面判定标准的意义与方法,帮助读者更全面、深入地理解这一主题。
二、达因笔测试的定义及原理我们需要了解达因笔测试的基本定义和原理。
达因笔是一种专门用于测试塑料表面张力的工具,它的原理是利用油墨的表面张力来测试塑料表面的接收性能。
简单来说,达因笔测试就是用一种特殊的笔在塑料表面画线,通过观察油墨的表现来判断塑料表面的性能。
三、达因笔测试在塑胶产品制造中的意义接下来,让我们来探讨达因笔测试在塑胶产品制造中的意义。
塑胶产品的表面质量直接影响着产品的使用寿命和外观质感。
而达因笔测试可以帮助生产厂家判断塑料表面的接收性能,从而及时发现和解决产品表面质量的问题。
通过达因笔测试,生产厂家可以更准确地评估塑胶产品的表面质量,为产品质量的控制和改进提供重要参考依据。
四、达因笔测试的方法与流程在实际操作中,达因笔测试的方法与流程也需要我们十分重视。
我们需要准备好达因笔测试所需的仪器和试剂,比如达因笔、测试板等。
按照标准的测试方法和流程进行测试操作,尽量避免外界因素对测试结果的影响。
根据测试结果进行数据分析和评价,及时调整生产工艺或改进产品设计。
五、个人观点及总结就我个人而言,我认为达因笔测试在塑胶产品表面质量控制中具有非常重要的作用。
通过达因笔测试,我们可以及时发现产品表面的质量问题,并且有针对性地进行改进和控制,从而提升产品的整体质量和竞争力。
达因笔测试是一个简单而有效的测试方法,值得在塑胶产品制造中广泛应用。
六、结语通过本文的探讨,相信读者对达因笔测试在塑胶产品表面判定标准方面有了更深入的了解。
达因笔一、性能介绍达因笔.能准确地测试出塑料薄膜之表面张力是否达到试笔的数值.令使用者清楚了解此薄膜是否适合于印刷.复合或真空镀铝.有效地控制质量及减少因材质不合格所造成的工具延误.二、测试方法在工业性实践中,塑料表面能量(表面张力)的测定是通过测试油墨按照DIN ISO 8296,是以已知不同表面能量的墨在拟测的薄膜上刷上约100mm长的墨条,并观察其90%以上的墨条边在2秒钟内是否发生收缩并形成墨滴,如有,则换低一级表面能的墨再刷墨条,进行同样的观察,直至不收缩和出现墨滴,此测试墨的表面能即相对应为该薄膜的表面能。
这种方法能准确测出基材的表面张力、表面湿力并判定工作前基材表面因素是否符合要求以便调整油墨、涂层、粘度到工作所需。
有30到72 mN/m二十一种表面能级的测试墨(每种相差2mN/m)。
达因试笔(38mN/m)可以用作电晕处理后表面能的一种快速测试工具,但不适合作为已印好或涂布好表面的系统测试。
当测试笔在电晕处理过的表面划出一条线,如果是连续成线的,说明该材料表面能不低于38mN/m,如断断续续不连成线,说明该材料表面能不到38mN/m,处理不足或甚至未处理,不符合印刷加工要求。
表面张力、表面湿力对于准确测定印刷油墨和其他材料在表面的粘结状况是非常明确的标准,但影响粘度的还有其他因素,如静电及诸多的添加剂。
然而这些因素在测试时却不常显示出,甚至是测试结果很好但实际却不合要求。
这就需要和原料供应商讨论这些技术问题。
一般而言,以上情况对他们来说是不会发生的,且表面值在38-41mN/m 即能达到粘度要求。
而表面张力在37mN/m以下时会造成许多白页(无印刷内容),在35mN/m以下时粘度就不好了。
材料表面处理所需的表面张力参考值刷出来的薄膜是否符合标准,但是有很多印刷厂商不知道如何去确定哪种达因笔好,或者如何去测试这个达因值,下面我来给大家提供一点本人的意见,有什么不当之处希望大家见谅,并愿意与大家交换意见!!达因笔(又叫表面张力测试笔,电晕笔,塑料薄膜测试笔,电晕值测试笔,达因测试笔等)可以准确测试薄膜表面达因值或表面润湿张力,为国外先进工艺技术生产。
达因笔使用注意事项
1.关于达因笔
达因笔又称表面张力测试笔、电晕笔以及塑料薄膜表面张力测试笔.
2.达因笔测试原理
应用表面张力测试笔,能够很容易的分析出不同固体的表面能、亲水性、湿润度等微小变化。
分析方法简单且有效,仅在基材表面上划一道痕就能迅速知道准确结果。
测试时应选择一个中间值来做起点,如果在两秒内测试笔湿润了基材表面,则基材表面张力比所选值要大或正好,那么需要选一更大值的测试笔进行第二次测试。
如此类推,直到测试结果在两秒内改缩成水珠(球状),则这次测试之前一次的值就被视为基材的表面能,并以此做比较分析用。
如果次测试就收缩成水珠,则换上数值小的测试笔进行第二次测试,知道表面湿为止。
这种方法能准确测出基材的表面张力、表面湿力并判定工作前基材表面因素是否复合要求以便调整到工作所需。
3.注意事项
达因笔使用后要及时盖上笔盖,以免里面的达因液挥发。
达因笔的使用都有时效性,不同的厂家和品牌会有区别,一般使用时间是
3-6个月,长不超过1年。
表面张力测试笔的介绍与应用方法(总2页)-CAL-FENGHAI.-(YICAI)-Company One1-CAL-本页仅作为文档封面,使用请直接删除表面张力测试笔(达因笔)应用表面张力测试笔,能够很容易的分析出不同固体的表面能、亲水性、润湿度等微小变化。
分析方法简单且有效,仅在基材表面上划一道痕就能迅速知道准确结果。
这是专为生产线的测试而设计的,由工厂经过培训的操作者进行。
测试时,应选择一个中间值来作起点,如38mN/m,测试时,如果在2秒内测试笔湿了基材表面,则基材表面张力比所选值要大或正好,那么须要选一更大值的测试笔进行第二次测试,如此类推,直到测试结果在2秒内改缩成水珠(球状),则这次测试之前一次的值就被视为基材的表面能。
并以此作比较分析用。
使表面张力测试笔垂直于薄膜平面,加上适当的压力,在薄膜表面上画一条线。
量程稍小的表面张力测试笔较易画上直线,因此不须太大压力;而40、42、44的表面张力测试笔需在画线时多加一点压力。
一般情况下,初次测试为保测量的准确度,需备6支不同型号的表面张力测试笔;若确定薄膜表面张力度数字变化极小,则至少需要3支不同型号的表面张力测试笔。
在工业性实践中,塑料表面能量(表面张力)的测定是通过测试油墨按照DIN ISO 8296,是以已知不同表面能量的墨在拟测的薄膜上刷上约100mm长的墨条,并观察其90%以上的墨条边在2秒钟内是否发生收缩并形成墨滴,如有,则换低一级表面能的墨再刷墨条,进行同样的观察,直至不收缩和出现墨滴,此测试墨的表面能即相对应为该薄膜的表面能。
这种方法能准确测出基材的表面张力、表面湿力并判定工作前基材表面因素是否符合要求以便调整油墨、涂层、粘度到工作所需。
表面张力、表面湿力对于准确测定印刷油墨和其他材料在表面的粘结状况是非常明确的标准,但影响粘度的还有其他因素,如静电及诸多的添加剂。
然而这些因素在测试时却不常显示出,甚至是测试结果很好但实际却不合要求。
一、概述金属达因笔是一种常见的书写工具,在生活和工作中被广泛使用。
而笔的书写流畅度和书写顺滑度,与其表面张力息息相关。
对金属达因笔的表面张力进行测试并制定标准判定,对于保证笔的书写质量具有重要意义。
二、金属达因笔表面张力测试的意义1. 保证书写质量金属达因笔的书写质量受到表面张力的影响,良好的表面张力可以保证笔尖与纸张的良好接触,使得笔迹更加流畅,提升书写质量。
2. 笔的耐用性表面张力过强或过弱都会影响金属达因笔的寿命,过强则容易造成笔头磨损,过弱则容易导致笔迹断续,影响使用寿命。
3. 笔墨的稳定性通过表面张力的测试可以了解笔墨的稳定性,是否容易出现污渍或渗透现象,从而影响书写效果。
三、金属达因笔表面张力测试标准的制定1.测试方法的制定针对金属达因笔的不同材质和尺寸,制定相应的测试方法,包括表面张力测试仪器的选择和使用方法。
2.标准数值的确定通过大量的实验数据和对书写效果的观察,确定不同类型金属达因笔的表面张力标准数值范围,以便于对比测试结果。
3.等级划分根据不同的表面张力数值范围,划分金属达因笔的等级,便于用户选择和生产厂家质量把控。
四、金属达因笔表面张力测试的影响因素1. 笔尖材质不同材质的笔尖对表面张力的影响不同,需针对不同材质进行测试和制定标准。
2. 笔墨配方不同的笔墨配方会对表面张力产生影响,需对不同配方的笔墨进行测试,并调整笔墨配方,提升书写质量。
3. 笔的制作工艺制作工艺对表面张力也有一定的影响,需对不同工艺制作的笔进行测试,确保制作工艺不影响表面张力的稳定性。
五、金属达因笔表面张力测试的前景展望1. 提升书写品质通过对金属达因笔表面张力的测试标准的制定,可以提升金属达因笔的书写品质,提升用户体验。
2. 增强品牌竞争力生产厂家可以根据表面张力的测试结果调整生产工艺和材料选用,提升产品品质,增强品牌竞争力。
3. 推动行业标准金属达因笔表面张力测试标准的制定可以推动整个行业的标准化发展,引导用户对产品品质的重视,从而改善整个行业的产品质量。
达因笔达因笔,又名表面张力测试笔、电晕处理笔、及塑料薄膜表面张力检测笔。
是薄膜表面电晕度(达因)的测试工具,专门用于测定薄膜受电晕处理后的效果。
表面张力测试笔有32、34、36、38、40、42、44、46、48、50、52、54、56、58、60或以上十多种不同张力的试笔,能准确地测试出塑料薄膜表面张力是否达到试笔的数值。
令使用者清楚了解此薄膜是否适合于印刷、复合或真空镀铝等等,从而有效地控制质量,减少因材质不合格所造成的损失。
一.达因笔的适用范围:适用于凹版印刷、胶印印刷、UV印刷。
二.达因笔的规格:32、34、36、38、40、42、44、46、48、50、52、54、56、58、60。
三.达因笔的使用方法:使表面张力测试笔垂直于薄膜平面,加上适当的压力,在薄膜表面上画一条线.量程稍小的表面张力测试笔较易画上直线,因此不须太大压力;而40、42、44的表面张力测试笔需在画线时多加一点压力。
一般情况下,初次测试为保测量的准确度,需备6支不同型号的表面张力测试笔;若确定薄膜表面张力度数字变化极小,则至少需要3支不同型号的表面张力测试笔。
分析结果:1、已经适当电晕处理的薄膜若画线很平均地分布,不起任何珠点,则说明该薄膜表面达因,高于或等于表面张力测试笔上所标出的指数2、没有适当电晕处理的薄膜若画线慢慢地收缩,则说明该薄膜表面达因,低于表面张力测试笔上所标出的指数。
3、没有电晕处理的薄膜若画线立即收缩,并且形成珠点,则说明该薄膜表面达因,极低于表面张力测试笔所标出的指数。
四.达因笔的测试原理:应用表面张力测试笔,能够很容易的分析出不同固体的表面能、亲水性、润湿度等微小变化。
分析方法简单且有效,仅在基材表面上划一道痕就能迅速知道准确结果。
这是专为生产线的测试而设计的,由工厂经过培训的操作者进行。
测试时,应选择一个中间值来作起点,如38mN/m,测试时,如果在2秒内测试笔湿了基材表面,则基材表面张力比所选值要大或正好,那么须要选一更大值的测试笔进行第二次测试,如此类推,直到测试结果在2秒内改缩成水珠(球状),则这次测试之前一次的值就被视为基材的表面能。
达因笔的选购和使用方法一般选购常识一般来说,基材形成墨滴,涂层和粘贴能力和表面的能量相关。
如果PP,PE,PET等塑料薄膜的表面的能量低于所涂测试液的表面的张力,则形成珠点和画线收缩。
因而,对大多数的基于印刷,塑胶的溶剂来说,测试笔的要求在36-40达因/厘米之间。
基于墨液体要求测试笔在40-44达因/厘米之间。
而一些碾压和涂层的应用要求表面能量在50达因/厘米或者以上。
显而易见,在进行印刷,涂层和碾压前需要对表面的能量先预估。
基本使用方法将表面张力测试笔垂直于要测试的材料表面,在表面均匀的画上一条直线,如果连续成直线,没有产生收缩现象,则表明该物件表面张力已经达到试笔的张力值。
如果断断续续,并凝聚成小水珠,则表明未达到试笔的张力值。
测定达因值方法用达因笔在材料表面画一条线,2~3秒后,观察是否发生收缩并凝聚成水珠点。
如有收缩水珠,则换低一级数值的达因笔再画直线,直至不收缩,没有水珠点,来确定物件的表面张力值。
表面张力系数的单位达因值来源于达因。
达因是力的单位,1达因=10-5牛。
达因值是一个通俗叫法,其主要用在表述表面张力的大小中。
但通常我们说的表面张力其实也是通俗的叫法,准确的说应该是表面张力系数。
定义是液体表面相邻两部分之间,单位长度内互相牵引的力。
表面张力的单位在SI制中为牛顿/米(N/m),但仍常用达因/厘米(dyn/cm),1dyn/cm = 1mN/m。
综上所述,达因值其实是达因/厘米的俗称,表述的是表面张力系数的大小。
达因值通常的简易测试方法是达因笔,达因笔有36、38、40、42、44等各种规格,其代表的就是相应的表面张力系数。
我们通常所说的达因值是38、40这样的数字就是代表该材料表面张力系数这么大。
达因值的测量在印刷里最常用,可反映出该材料好不好印刷,适用什么样的油墨。
因为材料的达因值是某个数值,选用的油墨要与之接近并稍小才能达到最好的印刷效果。
印刷中测试薄膜的表面达因值用澳达打印笔,电晕笔
印刷中有很多地方需要测试薄膜的表面达因值,或者说是电晕值,来确定印刷出来的
薄膜是否符合标准,但是有很多印刷厂商不知道如何去确定哪种达因笔好,或者如何
去测试这个达因值,下面我来给大家提供一点本人的意见,有什么不当之处希望大家见谅,并愿意与大家交换意见!!
澳达达因笔(又叫澳达表面张力测试笔,澳达电晕笔,澳达塑料薄膜测试笔,澳达电
晕值测试笔,达因测试笔等)可以准确测试薄膜表面达因值或表面润湿张力,为国外先进工艺技术生产。
使用方法:使电晕笔垂直于薄膜平面,加上适当的压力,在薄膜表面上画一条线。
量程稍小的达因笔较易画上直线,因此不须太大压力;而40、42、44的达因笔需在画线时多加一点压力。
一般情况下,初次测试为保测量的准确度,需备6支不同型号的达因笔;若确定薄膜表面张力度数字变化极小,则至少需要3支
不同型号的达因笔分析结果: 1、已经适当电晕处理的薄膜若画线很平均地分布,不起任何珠点,则说明该薄膜表面达因,高于或等于达因笔上所标出的指数 2、没有适当电晕处理的薄膜若画线慢慢地收缩,则说明该薄膜表面达因,低于达因笔上
所标出的指数。
3、没有电晕处理的薄膜若画线立即收缩,并且形成珠点,则说明该薄膜表面达因,极低于达因笔所标出的指数达因笔,
30,32,34,36,38,40,42,44,46,48,50,52,54,56,58,60有些时候,可能是产品不过关,所
以用达因笔测试不出来,这就要求我们在购买达因笔之前一定要将自己需要测试的物
品情况向代理商或者经销商反映清楚,一般只要是正规的经销商都能给你提供最佳的
方案。
达因笔是用于测量液体表面张力的仪器,其准确性对于某些行业如印刷、涂覆和表面处理等至关重要。
为了保证达因笔的精度和可靠性,需要进行定期的检定和校准。
以下是一般的达因笔检定规程:
1. 根据达因笔的型号和规格,选择相应的检定溶液,并按照标准操作方法准备好溶液。
2. 将待检达因笔平放在水平的台子上,不得用手触摸笔头。
3. 将达因笔浸入检定溶液中,保证液面与笔尖的刻度线完全吻合,并且立即记录读数。
4. 重复步骤3至少3次,并取这些次数的平均值作为检定结果。
5. 将检定结果与标准值进行比较,如果误差在允许的范围内,则认为该达因笔符合要求;否则,需要进行调整或更换。
6. 在检定完成后,及时清洗并干燥达因笔,并妥善保存。
需要注意的是,达因笔的检定应在恒温、恒湿、无风的环境下进行,以保证检定结果的准确性。
同时,为了避免检定结果受到其他因素的影响,应尽量减小环境噪声和干扰源。
达因笔一般建议每年进行一次检定,以确保其精度和可靠性。
《获得固体表面张力参数值达英测试笔的使用方法》
达因笔(电晕笔)的使用方法:
1.选择合适达因值的达因(电晕)笔
2.将物件表面清洁干净并平平放于水平桌面上。
3.用达因笔在物件面上轻轻划上一笔。
4.如果三秒内液体无收缩,则达到所选达因,反之则未达到。
注:(判断约在二至三秒内)
达因笔型号如下:
30、34、38、40、42、44、46、48、50、52、54、56、58、60、62、64、68、70、72(达因)
达因笔适用范围:
适用于凹版印刷、胶印印刷、UV印刷、丝网印刷、轧染印刷、喷墨印刷,干式复合、挤压复合、吹膜、T型挤出薄膜、拉伸薄膜、涂布等(另外,还有用来检测物品表面油污,电镀表面张力的多用途)
达因笔所适用材料:
薄膜类:PS、PE、PP、PET、PI、PC、NY、CPP、OPP等。
导电性材料:铝箔、铜箔、碳膜、蒸镀膜。
其他材料:玻璃、陶瓷、玻纤、塑料制品等。
部分材料表面张力对照表。
材料名称初始张力要求张力
聚乙烯(PE) 31达因 38达因
聚丙烯(PP) 31达因 38达因
聚酯(PET) 39达因 52达因
聚氯乙烯(PVC) 39达因 48达因
尼龙(PA) 41达因 56达因
注意事项:
使用后,请务必盖紧笔盖。
笔墨沾在手或皮肤上时,请马上用水冲洗。
请避开直射日光,放在阴凉处保管。
达因笔测试表面张力的方法
DY-L系列达因笔可以准确的测试出塑料薄膜之表面张力是否达到试笔的数值。
令使用者清楚的了解此塑料薄膜是否适合于印刷,复合或镀铝。
有效的控制质量及减少因材质不合格所造成的工具延误。
而且DY-L系列达因笔并不仅限于塑料薄膜,还可以测试其他平面材料的表面张力。
一般来说,薄膜基材形成墨滴、涂层和其表面的能量相关。
如果基材表面的能量低于所涂测试液的表面的张力,则形成珠点和画线收缩(如图中1所示),这就是所谓的润湿。
大多数塑料基材的原始表面张力都比较小,几种聚合物的原始表面张力大致如下:
表一部分塑料表面张力(mN/m,20℃)
塑料表面张力塑料表面张力PTFE聚四氟乙烯18.5 PVC 39.0
PVF聚偏二氟乙烯28.0 PMMA 39.0
PCTFE聚三氟氯乙烯31.0 PVDC 40.0
PE、PP 31.0 PET 44.0
PS 33.0
通常用作油墨溶剂的表面能为:乙醇22 mN/m、醋酸乙酯24 mN/m,而配制油墨需要加入树脂、粘结料、颜料、助剂后,表面张力一般要在38-42达因左右。
塑料表面张力数值与成型温度、降温速度、添加剂和是否处理都有关系,所以彩印常用的BOPP薄膜在印刷前要进行电晕处理,使其表面张力不能小于油墨的表面张力,这样才能达到润湿,如下图。
图一,薄膜-油墨润湿张力示意图
图中θ是润湿角。
显然,当θ>90°则因润湿张力小而不润湿;θ<90°时则润湿;而在θ=0°时,可以完全润湿。
可以看出,薄膜的表面张力最少要在38达因以上,才能让其与油墨的润湿角小于90°,做到润湿,这样印刷效果才比较好。
如果要薄膜的表面张力进一步加大,或者油墨的表面张力降低印刷效果会不会更好呢?所谓润湿角为零行不行呢,可以准确的说,抛开成本和物理上的可行不论,理论上那样一点点油墨会铺满整张薄膜,各种颜色会混在一起,再也看不见图案了。
对多数薄膜来说,在印刷前测试薄膜的表面张力,要求达因笔在36-40达因/厘米之间。
而尼龙要求52达因/厘米左右,PET要求48达因/厘米左右配备达因笔。
使用方法:使DY-L达因笔垂直于薄膜平面,加上适当的压力,轻轻在薄膜表面上画一条线(见下图)。
一般需要3支相邻型达因数的达因笔。
图二,不同达因数的DY-L达因笔对薄膜划线效果图
分析结果:
1、画线很平均地分布,不起任何珠点,则说明该薄膜表面张力,高于达因笔上所标出的指数,这种情况可以印刷。
2、画线慢慢地收缩,则说明该薄膜表面张力,稍低于达因笔上所标出的指数。
这种情况印刷效果不好。
3、画线立即收缩,并且形成珠点,则说明该薄膜表面张力,很低于达因笔所标出的指数。
这种情况不能印刷。