实验五时序逻辑电路实验报告
- 格式:docx
- 大小:107.39 KB
- 文档页数:7
时序逻辑实验报告时序逻辑实验报告引言:时序逻辑是计算机科学中的重要概念,它描述了事件在时间上的顺序和发生关系。
在本次实验中,我们将探索时序逻辑的基本原理,并通过实际的电路设计和仿真来加深对其理解。
实验一:时钟信号的生成和分频时钟信号是时序逻辑中的基础,它提供了时间参考,使得电路中的各个元件能够按照特定的时间序列进行操作。
在本实验中,我们首先学习了如何通过计数器和分频器生成时钟信号。
通过调整分频器的参数,我们可以得到不同频率的时钟信号,并观察其对电路行为的影响。
实验二:时序逻辑电路的设计在本实验中,我们将学习如何设计时序逻辑电路。
时序逻辑电路通常由触发器、计数器、状态机等组成,它们能够根据输入信号的变化产生不同的输出。
我们将通过实际的案例来展示时序逻辑电路的设计过程,并使用仿真工具验证其正确性。
实验三:状态机的设计和实现状态机是时序逻辑中常用的模型,它描述了系统根据输入信号的变化而转换的状态。
在本实验中,我们将学习如何设计和实现状态机。
通过定义状态和状态转换条件,我们可以将复杂的系统行为转化为简单的状态转换图,并通过电路实现这些状态转换。
实验四:时序逻辑电路的故障排查时序逻辑电路的故障排查是电子工程师日常工作中的重要环节。
在本实验中,我们将学习如何通过逻辑分析仪和示波器等工具来排查时序逻辑电路的故障。
通过观察信号波形和逻辑分析结果,我们可以确定故障的原因,并采取相应的修复措施。
实验五:时序逻辑电路的应用时序逻辑电路在计算机科学和电子工程中有着广泛的应用。
在本实验中,我们将学习一些时序逻辑电路的典型应用,如计数器、时序多路复用器等。
通过实际的案例,我们可以更好地理解时序逻辑电路在实际系统中的作用和价值。
结论:通过本次实验,我们深入了解了时序逻辑的基本原理和应用。
我们学习了时钟信号的生成和分频,掌握了时序逻辑电路的设计和实现方法,学会了使用工具进行故障排查。
时序逻辑在现代电子系统中起着重要的作用,通过实验的学习,我们对其有了更深入的理解和应用能力。
实验五计数器的设计——实验报告邱兆丰 15331260一、实验目的和要求1.熟悉JK触发器的逻辑功能。
2.掌握用JK触发器设计同步计数器。
二、实验仪器及器件1、实验箱、万用表、示波器、2、74LS73,74LS00,74LS08,74LS20三、实验原理1.计数器的工作原理递增计数器----每来一个CP,触发器的组成状态按二进制代码规律增加。
递减计数器-----按二进制代码规律减少。
双向计数器-----可增可减,由控制端来决定。
2.集成J-K触发器74LS73⑴符号:图1 J-K触发器符号⑵功能:表1 J-K触发器功能表⑶状态转换图:图2 J-K触发器状态转换图⑷特性方程:⑸注意事项:①在J-K触发器中,凡是要求接“1”的,一定要接高电平(例如5V),否则会出现错误的翻转。
①触发器的两个输出负载不能过分悬殊,否则会出现误翻。
② J-K触发器的清零输入端在工作时一定要接高电平或连接到实验箱的清零端子。
3.时序电路的设计步骤内容见实验预习。
四、实验内容1.用JK触发器设计一个16进制异步计数器,用逻辑分析仪观察CP和各输出波形。
2.用JK触发器设计一个16进制同步计数器,用逻辑分析仪观察CP和各输出波形。
3.设计一个仿74LS1944.用J-K触发器和门电路设计一个特殊的12进制计数器,其十进制的状态转换图为:5.考虑增加一个控制变量D,当D=0时,计数器按自定义内容运行,当D=1时,反方向运行五、实验设计及数据与处理实验一16进制异步计数器设计原理:除最低级外,每一级触发器用上一级触发器的输出作时钟输入,JK都接HIGH,使得低一级的触发器从1变0时高一级触发器恰好接收下降沿信号实现输出翻转。
实验二16进制同步计数器设计原理:除最低级外,每一级的JK输入都为所有低级的输出的“与”运算结果实验三仿74LS194设计原理:前两个开关作选择端输入,下面四个开关模仿预置数输入,再下面两个开关模仿左移、右移的输入,最后一个开关模仿清零输入。
实验时序电路实验报告摘要:时序电路是数字电路中的一种重要电路,它负责控制系统中各个部件和信号的时序关系。
本实验旨在通过设计和实现一个简单的时序电路,加深对时序电路原理的理解,并掌握时序电路设计的基本方法和步骤。
在实验中,我们采用了JK触发器和计数器等器件,通过逻辑电平的高低和输入信号的输入顺序来实现不同的时序控制功能。
通过实验我们发现,在正确配置和连接时序电路的各个部件后,时序电路可以准确地按照预定的时序顺序进行工作,实现了预期的控制效果。
一、实验目的1. 了解时序电路的基本概念和工作原理;2. 掌握JK触发器和计数器的基本特性和设计方法;3. 设计和实现一个简单的时序电路。
二、实验器材和设备1. 实验台板2. 集成电路(IC):7404、74107、741613. 电源、导线等三、实验原理1. 时序电路简介时序电路又称为序贯电路,是数字电路中按照一定的时序和顺序进行工作的电路。
它根据输入信号和内部时钟信号的时序关系来控制系统的输出,能够实现各种复杂的逻辑控制功能。
时序电路对时钟信号的边沿触发具有较高的要求,通常使用触发器作为时序电路的基本单元。
2. JK触发器JK触发器是一种常用的时序电路元件,具有两个正反馈输入端(J和K)和两个输出端(Q和Q')。
JK触发器的工作原理是当时钟触发信号为上升沿时,J、K输入信号控制Q输出端的电平状态。
3. 计数器计数器是一种常用的时序电路模块,它可以根据时钟信号的输入进行计数,并输出对应的计数结果。
常见的计数器有二进制计数器、十进制计数器等。
四、实验内容和步骤1. 实验电路的设计根据实验要求和所学知识,设计一个简单的时序电路。
本实验中,我们设计一个由两个JK触发器和一个计数器构成的时序电路。
其中,JK触发器用于接收输入信号和时钟信号,并根据输入信号的顺序和时钟信号的边沿触发生成输出信号;计数器用于对输入信号的个数进行计数,并根据计数结果控制输出信号的状态。
一、实验目的1. 掌握时序逻辑电路的基本原理和设计方法。
2. 熟悉常用时序逻辑电路器件的结构和功能。
3. 培养实际操作能力,提高电路设计水平。
二、实验原理时序逻辑电路是指输出不仅与当前输入有关,还与过去输入有关,即电路的输出状态具有记忆功能的电路。
本实验主要涉及同步计数器和寄存器的设计与测试。
三、实验设备1. 数字电子实验箱2. 示波器3. 信号发生器4. 74LS163、74LS00、74LS20等集成器件四、实验内容1. 设计一个4位同步计数器,实现二进制加法计数功能。
2. 设计一个8位同步寄存器,实现数据的暂存和传送功能。
五、实验步骤1. 4位同步计数器设计(1)根据计数器功能要求,列出状态转换表。
(2)根据状态转换表,画出状态转换图。
(3)根据状态转换图,画出电路图。
(4)将电路图连接到实验箱上,并进行调试。
(5)观察计数器输出,验证计数功能是否正确。
2. 8位同步寄存器设计(1)根据寄存器功能要求,列出数据输入、保持、清除和输出控制信号的真值表。
(2)根据真值表,画出电路图。
(3)将电路图连接到实验箱上,并进行调试。
(4)观察寄存器输出,验证寄存功能是否正确。
六、实验结果与分析1. 4位同步计数器实验结果经过调试,4位同步计数器能够实现二进制加法计数功能。
观察计数器输出,验证计数功能正确。
2. 8位同步寄存器实验结果经过调试,8位同步寄存器能够实现数据的暂存和传送功能。
观察寄存器输出,验证寄存功能正确。
七、实验总结本次实验,我们通过设计4位同步计数器和8位同步寄存器,掌握了时序逻辑电路的基本原理和设计方法。
在实际操作过程中,我们提高了电路设计水平,培养了实际操作能力。
八、实验心得1. 在设计时序逻辑电路时,要充分理解电路功能要求,合理选择器件,确保电路能够实现预期功能。
2. 在调试过程中,要仔细观察电路输出,发现问题及时解决。
3. 通过本次实验,我们对时序逻辑电路有了更深入的了解,为今后学习和实践打下了基础。
时序实验报告总结时序实验报告总结时序实验是计算机科学中的一项重要实验,旨在通过设计和实现时序电路,来加深对数字电路和时序逻辑的理解。
本文将对我在时序实验中的学习和总结进行分享。
实验一:时序电路设计在时序电路设计实验中,我通过学习时序逻辑的基本概念和设计原理,成功完成了一个简单的时序电路设计。
通过该实验,我深入理解了时钟信号、触发器和状态机的概念,并学会了使用Verilog语言进行时序电路的建模和仿真。
实验二:时序电路优化时序电路优化实验是进一步提高时序电路设计能力的关键一步。
在该实验中,我通过对已有电路的分析和优化,实现了电路的性能提升。
通过优化电路的关键路径,我成功降低了电路的延迟,并提高了电路的工作速度。
实验三:时序电路测试时序电路测试是保证电路正确性的重要环节。
在该实验中,我学会了使用测试向量和模拟器对时序电路进行测试。
通过设计全面的测试用例和检查电路的输出波形,我成功发现和解决了电路中的一些问题,并提高了电路的稳定性和可靠性。
实验四:时序电路综合时序电路综合是将逻辑电路转化为物理电路的过程。
在该实验中,我学会了使用综合工具将Verilog代码转化为门级电路,并通过对综合结果的分析和优化,提高了电路的面积效率和功耗性能。
实验五:时序电路布局与布线时序电路布局与布线是将逻辑电路映射到芯片上的过程。
在该实验中,我学会了使用布局与布线工具对电路进行布局和布线,并通过对布局和布线结果的分析和优化,提高了电路的可靠性和稳定性。
实验六:时序电路验证时序电路验证是验证电路设计的正确性和可靠性的重要环节。
在该实验中,我学会了使用仿真和验证工具对电路进行验证,并通过对验证结果的分析和优化,提高了电路的正确性和稳定性。
通过以上实验,我深入了解了时序电路的设计、优化、测试、综合、布局与布线以及验证等方面的知识和技能。
通过实践和总结,我不仅提高了对时序电路的理解和掌握,还培养了问题解决和创新能力。
时序实验的学习过程中,我还遇到了一些挑战和困惑。
数字电路与逻辑设计实验报告数字电路与逻辑设计实验报告摘要:本实验旨在通过设计和实现数字电路和逻辑门电路,加深对数字电路和逻辑设计的理解。
实验过程中,我们使用了逻辑门电路、多路选择器、触发器等基本数字电路元件,并通过实际搭建电路和仿真验证,验证了电路的正确性和可靠性。
引言:数字电路和逻辑设计是计算机科学与工程领域的重要基础知识。
在现代科技发展中,数字电路的应用范围非常广泛,涉及到计算机、通信、控制等各个领域。
因此,深入理解数字电路和逻辑设计原理,掌握其设计和实现方法,对于我们的专业学习和未来的工作都具有重要意义。
实验一:逻辑门电路的设计与实现逻辑门电路是数字电路中最基本的元件之一,通过逻辑门电路可以实现各种逻辑运算。
在本实验中,我们通过使用与门、或门、非门等逻辑门电路,设计并实现了一个简单的加法器电路。
通过搭建电路和进行仿真验证,我们验证了加法器电路的正确性。
实验二:多路选择器的设计与实现多路选择器是一种常用的数字电路元件,可以根据控制信号的不同,选择不同的输入信号输出。
在本实验中,我们通过使用多路选择器,设计并实现了一个简单的数据选择电路。
通过搭建电路和进行仿真验证,我们验证了数据选择电路的正确性。
实验三:触发器的设计与实现触发器是一种常用的数字电路元件,可以存储和传输信息。
在本实验中,我们通过使用触发器,设计并实现了一个简单的二进制计数器电路。
通过搭建电路和进行仿真验证,我们验证了二进制计数器电路的正确性。
实验四:时序逻辑电路的设计与实现时序逻辑电路是一种特殊的数字电路,其输出不仅与输入信号有关,还与电路的状态有关。
在本实验中,我们通过使用时序逻辑电路,设计并实现了一个简单的时钟电路。
通过搭建电路和进行仿真验证,我们验证了时钟电路的正确性。
实验五:数字电路的优化与综合数字电路的优化与综合是数字电路设计中非常重要的环节。
在本实验中,我们通过使用逻辑代数和Karnaugh图等方法,对已有的数字电路进行了优化和综合。
数字电⼦技术实验五触发器及其应⽤(学⽣实验报告)实验三触发器及其应⽤1.实验⽬的(1) 掌握基本RS、JK、D和T触发器的逻辑功能(2) 掌握集成触发器的逻辑功能及使⽤⽅法(3) 熟悉触发器之间相互转换的⽅法2.实验设备与器件(1) +5V直流电源(2) 双踪⽰波器(3) 连续脉冲源(4) 单次脉冲源(5) 逻辑电平开关(6) 逻辑电平显⽰器(7) 74LS112(或CC4027);74LS00(或CC4011);74LS74(或CC4013)3.实验原理触发器具有 2 个稳定状态,⽤以表⽰逻辑状态“1”和“0”,在⼀定的外界信号作⽤下,可以从⼀个稳定状态翻转到另⼀个稳定状态,它是⼀个具有记忆功能的⼆进制信息存贮器件,是构成各种时序电路的最基本逻辑单元。
(1) 基本RS触发器图4-5-1为由两个与⾮门交叉耦合构成的基本RS触发器,它是⽆时钟控制低电平直接触发的触发器。
基本RS触发器具有置0 、置1 和保持三种功能。
通常称S为置“1”端,因为S=0(R=1)时触发器被置“1”;R为置“0”端,因为R=0(S=1)时触发器被置“0”,当S=R=1时状态保持;S=R=0时,触发器状态不定,应避免此种情况发⽣,表4-5-1为基本RS触发器的功能表。
基本RS触发器。
也可以⽤两个“或⾮门”组成,此时为⾼电平电平触发有效。
图4-5-1 基本RS触发器(2) JK触发器在输⼊信号为双端的情况下,JK触发器是功能完善、使⽤灵活和通⽤性较强的⼀种触发器。
本实验采⽤74LS112双JK触发器,是下降边沿触发的边沿触发器。
引脚功能及逻辑符号如图4-5-2所⽰。
JK触发器的状态⽅程为Q n+1=J Q n+K Q nJ和K是数据输⼊端,是触发器状态更新的依据,若J、K有两个或两个以上输⼊端时,组成“与”的关系。
Q与Q为两个互补输出端。
通常把 Q=0、Q=1的状态定为触发器0 状态;⽽把Q=1,Q=0定为 1 状态。
图4-5-2 74LS112双JK触发器引脚排列及逻辑符号下降沿触发JK触发器的功能如表4-5-2注:×— 任意态↓— ⾼到低电平跳变↑— 低到⾼电平跳变Q n (Q n )— 现态 Q n+1(Q n+1)— 次态φ— 不定态JK 触发器常被⽤作缓冲存储器,移位寄存器和计数器。
时序电路测试及研究实验报告一、实验目的1、掌握时序电路的基本概念和工作原理;2、学习时序电路的测试方法;3、实验对仿真结果验证,进一步了解和理解时序电路的性能。
二、实验仪器和材料1、示波器;2、信号发生器;3、逻辑分析仪;4、7400、7474、74163等数字集成电路芯片;5、电路板、连接线等。
三、实验原理时序电路是一种含有存储单元的组合电路,可以实现不同时刻的输入、输出和状态转移。
时序电路可以分为同步时序电路和异步时序电路两种类型。
同步时序电路是指每次时钟上升沿时,电路的状态都会根据当前的输入信号和存储器的状态进行更新,因此该电路的输出状态只与时钟信号有关。
常见的同步时序电路有触发器、寄存器、计数器等。
异步时序电路是指每次时钟上升沿时,电路的状态不仅根据当前的输入信号和存储器的状态进行更新,而且可能还受到外部输入信号的影响。
因此该电路的输出状态除了与时钟信号有关外,还与其他输入信号有关。
常见的异步时序电路有锁存器、触发器等。
时序电路的测试是指通过特定的输入序列,观察电路在不同时刻的输出状态,并对电路的正确性进行判断。
常见的时序电路测试方法有基本时序测试和边界值测试。
基本时序测试是指通过在不同时间点上施加不同的输入信号序列,观察电路的输出状态,通过比对期望的输出状态和实际的输出状态,判断电路是否正常工作。
边界值测试是指通过在输入信号中使用最大值、最小值、最大不稳定延迟和最小不稳定延迟等极限数据进行测试,以检测电路的极限工作条件下的正确性和可靠性。
四、实验步骤1、搭建基本的时序电路,如触发器、寄存器、计数器等;2、给电路施加不同的输入信号序列,观察电路的输出状态;3、利用逻辑分析仪、示波器等工具,对电路的输入信号和输出信号进行测试;4、对比实际的输出状态和期望的输出状态,判断电路是否正常工作;5、使用边界值测试方法,对电路的极限工作条件下的正确性和可靠性进行测试。
五、实验结果及分析在实验过程中,我们使用了不同的数字集成电路,包括7400、7474、74163等。
实验五计数器及其应用一、实验目的1.熟悉由集成触发器构成的计数器电路及其工作原理。
2.熟练掌握常用中规模集成电路计数器及其应用方法。
二、实验原理所谓计数,就是统计脉冲的个数,计数器就是实现“计数”操作的时序逻辑电路。
计数器的应用十分广泛,不仅用来计数,也可用作分频、定时等。
计数器种类繁多。
根据计数体制的不同,计数器可分成二进制(即2n进制)计数器和非二进制计数器两大类。
在非二进制计数器中,最常用的是十进制计数器,其它的一般称为任意进制计数器。
根据计数器的增减趋势不同,计数器可分为加法计数器——随着计数脉冲的输入而递增计数的;减法计数器——随着计数脉冲的输入而递减的,可逆计数器——既可递增、也可递减的。
根据计数脉冲引人方式不同,计数器又可分为同步计数器——计数脉冲直接加到所有触发器的时钟脉冲(CP)输入端;异步计数器——计数脉冲不是直接加到所有触发器的时钟脉冲(CP)输入端。
1.异步二进制加法计数器异步二进制加法计数器是比较简单的。
图32 (a)是由4个JK(选用74LS112集成片)触发器构成的4位二进制(十六进制)异步加法计数器,图32 (b)和(c)分别为其状态图和波形图。
对于所得状态图和波形图可以这样理解:触发器FFo(最低位)在每个计数沿(CP)的下降沿(1 → 0)翻转,触发器FF1的 CP 端接 FF0的 Q0端 .因而当 FF0(Q0)由1→0时,FF1翻转。
类似地,当 FF l(Q l)由1→0时,FF2翻转,FF2(Q2)由1→0时,FF3翻转。
(a)逻辑图(b)状态图(c)波形图图32 4位二进制(十六进制)异步加法计数器4位二进制异步加法计数器从起始态0000到1111共十六个状态,因此,它是十六进制加法计数器,也称模16加法计数器 (模M = 16)。
从波形图可看到,Q0的周期是CP周期的二倍;Q l是Q0的二倍,CP的四倍;Q2是Q1的二倍,Q0的四倍,CP的八倍;Q3是Q2的二倍,Q l的四倍,Q0的八倍,CP 的十六倍。
《数字逻辑实验》报告五:中规模元件及综合设计一.中规模时序元件测试1.实验目的:在计数器74LS161芯片上,分别用反馈置数法和清零法构造模10计数器,并进行测试。
2.原理:74LS161是四位可预置数二进制加计数器,采用16脚双列直插式封装的中规模集成电路。
外形如下图。
RD异步复位输入端;ET、EP计数使能输入端;CP 时钟输入端;RCO 是进位输出端;VCC电源输入端;GND接地端;A、B、C、D 预置数据输入端LD预置端;QA、QB、QC、QD 计数值输出端。
在复位端高(RD)电平、预置端(LD)低电平时为同步预置功能,即时钟信号能使输出状态QA、QB、QC、QD等于并行输入预置数A、B、C、D。
在复位和预置端都为无效电平时,计数使能端输入使能信号(ET、EP=1)时,74161为模16加法计数功能。
而ET、EP =0 时,实现状态保持功能。
在QA、QB、QC、QD=1111时,进位输出端RCO=1 。
1)反馈清零法:74LS161从Q3Q2Q1Q0=0000开始计数,经过M-1个时钟脉冲状态对应二进制数最大,下一个CP后计数器应复位,开始新一轮M计数。
复位信号在M个CP时产生,所以复位信号在Q3Q2Q1Q0=1100时,使计数器复位Q3Q2Q1Q0=0000。
由状态1100产生的低位电平复位信号可用与非门实现。
即/RD=/Q3Q2。
接线图与状态图如图所示2)反馈置数法一:通过反馈产生置数信号/LD,将预置的D3D2D1D0数预置到输出端。
预置数D3D2D1D0=0000,应在Q3Q2Q1Q0=1011时预置端变为低电平,故/LD=/Q3Q1Q0 接线图和状态图如图所示3)反馈置数法二:预置数D3D2D1D0=0100,进位输出CO作为预置信号/LD,即/LD=/CO。
电路图与时序图如图所示3.实验步骤:①用74LS161芯片按照实验指导书中,反馈置零法和反馈置数法的接线图,分别连接芯片引脚;②进行测试。
实验五时序电路测试及研究一、实验目的:1.掌握常用时序电路分析,设计及测试方法。
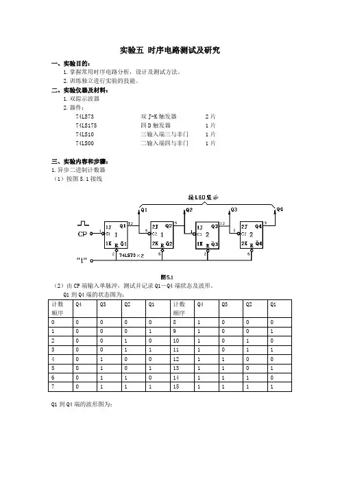
2.训练独立进行实验的技能。
二、实验仪器及材料:1.双踪示波器2.器件:74LS73 双J-K触发器2片74LS175 四D触发器1片74LS10 三输入端三与非门1片74LS00 二输入端四与非门1片三、实验内容和步骤:1.异步二进制计数器(1)按图5.1接线(2)由CP端输入单脉冲,测试并记录Q1—Q4端状态及波形。
Q1到Q4端的状态图为:计数顺序Q4 Q3 Q2 Q1 计数顺序Q4 Q3 Q2 Q10 0 0 0 0 8 1 0 0 01 0 0 0 1 9 1 0 0 12 0 0 1 0 10 1 0 1 03 0 0 1 1 11 1 0 1 14 0 1 0 0 12 1 1 0 05 0 1 0 1 13 1 1 0 16 0 1 1 0 14 1 1 1 07 0 1 1 1 15 1 1 1 1 Q1到Q4端的波形图为:CPRQ1Q2Q3Q4(3)试将异步二进制加法计数改为减法计数,参考加法计数器,要求实验并记录。
二进制减法计数器的电路图如下:二进制减法计数器的状态表为:计数顺序Q4 Q3 Q2 Q1 计数顺序Q4 Q3 Q2 Q10 0 0 0 0 9 0 1 1 11 1 1 1 1 10 0 1 1 02 1 1 1 0 11 0 1 0 13 1 1 0 1 12 0 1 0 04 1 1 0 0 13 0 0 1 15 1 0 1 1 14 0 0 1 06 1 0 1 0 15 0 0 0 17 1 0 0 1 16 0 0 0 08 1 0 0 0 17 1 1 1 1 波形图为:CPRQ1Q2Q3Q42.异步二一十进制加法计数器(1)按图5.2接线。
Q A、Q B、Q C、Q D 4个输出端分别接发光二极管显示,CP端接连续脉冲或单脉冲。
(2)在CP端接连续脉冲.观察 CP、Q A、Q B、Q C及Q D的波形。
时序电路测试及研究实验报告总结时序电路测试及研究实验报告总结一、实验目的1. 理解时序电路的基本概念和原理;2. 学习时序电路的设计方法;3. 掌握时序电路测试方法。
二、实验器材1. 电源;2. 示波器;3. 函数发生器;4. 逻辑分析仪。
三、实验原理1. 时序电路的概念和分类:时序电路是指由触发器、计数器等组成的数字电路,按照信号传递时间顺序控制输出信号状态。
根据输入输出关系可分为同步时序电路和异步时序电路。
2. 触发器:触发器是一种用于存储二进制信息的数字元件,它可以将输入信号转换为稳定的输出信号,并能够保持该状态。
3. 计数器:计数器是一种用于计数的数字元件,它能够根据输入信号进行计数,并在达到设定值后产生输出信号。
四、实验步骤与结果1. D触发器测试:(1)连接D触发器并设置输入端口和输出端口;(2)使用函数发生器模拟输入脉冲,并使用示波器检测输出脉冲;(3)通过逻辑分析仪观察D触发器的时序波形。
结果:通过实验,我们得到了D触发器的时序波形,可以清晰地看到输入信号和输出信号的变化过程。
2. JK触发器测试:(1)连接JK触发器并设置输入端口和输出端口;(2)使用函数发生器模拟输入脉冲,并使用示波器检测输出脉冲;(3)通过逻辑分析仪观察JK触发器的时序波形。
结果:通过实验,我们得到了JK触发器的时序波形,可以清晰地看到输入信号和输出信号的变化过程。
3. T触发器测试:(1)连接T触发器并设置输入端口和输出端口;(2)使用函数发生器模拟输入脉冲,并使用示波器检测输出脉冲;(3)通过逻辑分析仪观察T触发器的时序波形。
结果:通过实验,我们得到了T触发器的时序波形,可以清晰地看到输入信号和输出信号的变化过程。
4. 计数器测试:(1)连接计数器并设置计数范围;(2)使用函数发生器模拟输入脉冲,并使用示波器检测计数范围内产生的输出信号;(3)通过逻辑分析仪观察计数器的时序波形。
结果:通过实验,我们得到了计数器的时序波形,可以清晰地看到输入信号和输出信号的变化过程。
一、实验目的1. 理解时序逻辑电路的工作原理和基本结构;2. 掌握触发器、计数器等时序逻辑电路的设计方法;3. 熟悉Multisim软件在时序逻辑电路设计与仿真中的应用;4. 培养实际操作能力和分析问题、解决问题的能力。
二、实验原理时序逻辑电路是一种在时钟信号控制下,输出不仅与当前输入有关,还与电路历史状态有关的数字电路。
其基本结构包括触发器、计数器等。
触发器是时序逻辑电路的基本单元,用于存储一位二进制信息。
计数器是时序逻辑电路的一种应用,用于对输入脉冲进行计数。
三、实验内容1. 触发器实验(1)实验目的:熟悉触发器的工作原理和功能,掌握触发器的使用方法。
(2)实验内容:设计一个JK触发器,实现时钟信号控制下的同步置1、同步置0、计数等功能。
(3)实验步骤:① 使用Multisim软件,搭建JK触发器电路;② 搭建计数器电路,实现时钟信号控制下的计数功能;③ 设置输入信号,观察触发器和计数器的输出波形,验证功能。
2. 计数器实验(1)实验目的:掌握计数器的设计方法,熟悉不同计数器电路的功能。
(2)实验内容:设计一个模为24的二进制计数器和模为60的十进制计数器。
(3)实验步骤:① 使用Multisim软件,搭建二进制计数器电路;② 设置输入信号,观察计数器的输出波形,验证功能;③ 使用Multisim软件,搭建十进制计数器电路;④ 设置输入信号,观察计数器的输出波形,验证功能。
四、实验结果与分析1. 触发器实验实验结果显示,设计的JK触发器能够实现同步置1、同步置0、计数等功能。
在计数过程中,触发器的输出波形符合预期,验证了JK触发器的功能。
2. 计数器实验实验结果显示,设计的模为24的二进制计数器和模为60的十进制计数器均能实现预期的计数功能。
在计数过程中,计数器的输出波形符合预期,验证了计数器电路的功能。
五、实验总结本次实验通过设计、搭建和仿真时序逻辑电路,掌握了触发器、计数器等时序逻辑电路的设计方法,熟悉了Multisim软件在时序逻辑电路设计与仿真中的应用。
实验五时序逻辑电路实验报告一、实验目的1.了解时序逻辑电路的基本原理和设计方法。
2.掌握时序逻辑电路的设计方法。
3.运用Verilog语言进行时序逻辑电路的设计和仿真。
二、实验原理时序逻辑电路是指在电路中引入记忆元件(如触发器、计数器等),通过电路中的时钟信号和输入信号来控制电路的输出。
时序逻辑电路的输出不仅与当前输入有关,还与之前输入和输出的状态有关,因此对于时序逻辑电路的设计,需要考虑时钟信号的频率、输入信号的变化及当前状态之间的关系。
三、实验内容本次实验通过使用Verilog语言设计和仿真下列时序逻辑电路。
1.设计一个10进制累加器模块,实现对输入信号进行累加并输出,并在仿真中验证结果的正确性。
2.设计一个4位二进制计数器模块,实现对输入时钟信号的计数,并在仿真中验证结果的正确性。
3.设计一个4位带加载/清零控制功能的二进制计数器模块,实现对输入时钟信号的计数,并在仿真中验证结果的正确性。
四、实验步骤1.根据实验原理和要求,利用Verilog语言设计10进制累加器模块。
在设计中需要注意时钟的频率和输入信号的变化。
2.编译并运行仿真程序,验证设计的10进制累加器模块的正确性。
3.在设计时钟频率和输入信号变化的基础上,设计4位二进制计数器模块。
4.编译并运行仿真程序,验证设计的4位二进制计数器模块的正确性。
5.在设计4位二进制计数器模块的基础上,引入加载/清零控制功能,设计一个4位带加载/清零控制功能的二进制计数器模块。
6.编译并运行仿真程序,验证设计的带加载/清零控制功能的二进制计数器模块的正确性。
7.总结实验结果,撰写实验报告。
五、实验结果与分析1.经过验证实验,10进制累加器模块能够正确实现对输入信号的累加并输出正确的结果。
2.经过验证实验,4位二进制计数器模块能够正确实现对输入时钟信号的计数,并输出正确的计数结果。
3.经过验证实验,带加载/清零控制功能的二进制计数器模块能够正确实现对输入时钟信号的计数,并在加载或清零信号的控制下实现加载或清零操作。
竭诚为您提供优质文档/双击可除数电流水灯实验报告篇一:东南大学数字电路实验报告(五)东南大学电工电子实验中心实验报告课程名称:数字逻辑电路实验第五次实验实验名称:时序逻辑电路设计院(系):电气工程专业:电气工程及自动化姓名:学号:实验室:104实验时间:20XX年12月13日评定成绩:审阅教师:一、实验目的1.2.3.4.掌握时序逻辑电路的一般设计过程;掌握时序逻辑电路的时延分析方法,了解时序电路对时钟信号相关参数的基本要求;掌握时序逻辑电路的基本调试方法;熟练使用示波器和逻辑分析仪观察波形图,并会使用逻辑分析仪做状态分析。
二、实验原理1.时序逻辑电路的特点(与组合电路的区别):——具有记忆功能,任一时刻的输出信号不仅取决于当时的输出信号,而且还取决于电路原来的值,或者说还与以前的输入有关。
2.时序逻辑电路的基本单元——触发器(本实验中只用到D触发器)触发器实现状态机(流水灯中用到)3.时序电路中的时钟1)同步和异步(一般都是同步,但实现一些任意模的计数器时要异步控制时钟端)2)时钟产生电路(电容的充放电):在内容3中的32768hz的方波信号需要自己通过电路产生,就是用到此原理。
4.常用时序功能块1)计数器(74161)a)任意进制的同步计数器:异步清零;同步置零;同步置数;级联b)序列发生器——通过与组合逻辑电路配合实现(计数器不必考虑自启动)2)移位寄存器(74194)a)计数器(一定注意能否自启动)b)序列发生器(还是要注意分析能否自启动)三、实验内容1.广告流水灯a.实验要求用触发器、组合函数器件和门电路设计一个广告流水灯,该流水等由8个LeD组成,工作时始终为1暗7亮,且这一个暗灯循环右移。
①写出设计过程,画出设计的逻辑电路图,按图搭接电路。
②将单脉冲加到系统时钟端,静态验证实验电路。
③将TTL连续脉冲信号加到系统时钟端,用示波器和逻辑分析仪观察并记录时钟脉冲cLK、触发器的输出端Q2、Q1、Q0和8个LeD上的波形。
第1篇一、实验目的1. 理解和掌握数字电路的基本原理和组成。
2. 熟悉数字电路实验设备和仪器的基本操作。
3. 培养实际动手能力和解决问题的能力。
4. 提高对数字电路设计和调试的实践能力。
二、实验器材1. 数字电路实验箱一台2. 74LS00若干3. 74LS74若干4. 74LS138若干5. 74LS20若干6. 74LS32若干7. 电阻、电容、二极管等元器件若干8. 万用表、示波器等实验仪器三、实验内容1. 基本门电路实验(1)验证与非门、或非门、异或门等基本逻辑门的功能。
(2)设计简单的组合逻辑电路,如全加器、译码器等。
2. 触发器实验(1)验证D触发器、JK触发器、T触发器等基本触发器的功能。
(2)设计简单的时序逻辑电路,如计数器、分频器等。
3. 组合逻辑电路实验(1)设计一个简单的组合逻辑电路,如4位二进制加法器。
(2)分析电路的输入输出关系,验证电路的正确性。
4. 时序逻辑电路实验(1)设计一个简单的时序逻辑电路,如3位二进制计数器。
(2)分析电路的输入输出关系,验证电路的正确性。
5. 数字电路仿真实验(1)利用Multisim等仿真软件,设计并仿真上述实验电路。
(2)对比实际实验结果和仿真结果,分析误差原因。
四、实验步骤1. 实验前准备(1)熟悉实验内容和要求。
(2)了解实验器材的性能和操作方法。
(3)准备好实验报告所需的表格和图纸。
2. 基本门电路实验(1)搭建与非门、或非门、异或门等基本逻辑电路。
(2)使用万用表测试电路的输入输出关系,验证电路的功能。
(3)记录实验数据,分析实验结果。
3. 触发器实验(1)搭建D触发器、JK触发器、T触发器等基本触发电路。
(2)使用示波器观察触发器的输出波形,验证电路的功能。
(3)记录实验数据,分析实验结果。
4. 组合逻辑电路实验(1)设计4位二进制加法器电路。
(2)搭建电路,使用万用表测试电路的输入输出关系,验证电路的正确性。
(3)记录实验数据,分析实验结果。
●实验名称:利用VerilogHDL设计一个10110101序列发生器
●实验目的:
1.熟悉用可编程器件实现基本时序逻辑电路的方法。
2.了解计数器的Verilog描述方法,以及序列发生器的设计思路与原理。
●预习要求:
1.回顾数字电路中序列发生器的相关知识。
●实验说明:
1.用MAX+plus II软件开发PLD器件有两种设计输入方式:原理图输入和HDL语言
输入方式,或者将两者结合起来,一部分电路采用原理图,另一部分采用HDL语
言。
2.序列信号发生器是指在系统时钟的作用下能够循环产生一组指定序列信号的时序
电路,本实验要求设计一个能够循环产生“10110101”信号的时序电路。
3.请大家回忆前期课程讲过的johnson计数器的实现原理(教材P114),循环产生序
列的设计思路跟johnson计数器是类似的。
●实验内容与步骤:
1.新建一个属于自己的工程目录。
2.用VerilogHDL语言方式编写一个10110101序列发生器。
3.对此序列发生器模块进行编译和仿真。
●实验报告要求:
1.将自己绘制的电路图或者编写的VerilogHDL代码,截图或者复制到实验报告中。
2.将代码关键位置写上相应注释(可用中文)。
3.对仿真波形截图,贴到实验报告中。
●实验图表与数据:
1. 10110101序列发生器的Verilog代码:
2. 10110101序列发生器的仿真波形:。
实验五时序逻辑电路(计数器和寄存器)-实验报告一、实验目的
1掌握同步计数器设计方法与测试方法。
2 •掌握常用中规模集成计数器的逻辑功能和使用方法。
二、实验设备
设备:THHD-2型数字电子计数实验箱、示波器、信号源
器件:74LS163、74LS00、74LS20 等。
三、实验原理和实验电路
1计数器
计数器不仅可用来计数,也可用于分频、定时和数字运算。
在实际工程应用中,一般很少使用小规模的触发器组成计数器,而是直接选用中规模集成计数器。
2. (1)四位二进制(十六进制)计数器74LS161 (74LS163)
74LS161是同步置数、异步清零的4位二进制加法计数器,其功能表见表。
74LS163是同步置数、同步清零的4位二进制加法计数器。
除清零为同步外,其他功能与74LS161相同。
二者的外部引脚图也相同,如图所示。
3.集成计数器的应用一一实现任意M进制计数器
Eft
CR IK rh th Ih
ET 7-I1A C1M
/(
制扭环计数 同步清零法器 同步置数法
般情况任意M 进制计数器的结构分为 3类,第一类是由触发器构成的简单计数器。
第 二类是
由集成二进制计数器构成计数器。
第三类是由移位寄存器构成的移位寄存型计数器。
第一类,可利用时序逻辑电路的设计方法步骤进行设计。
第二类,当计数器的模 M 较小时用
一片集成计数器即可以实现,当 M 较大时,可通过多片计数器级联实现。
两种实现方法:反 馈置数法和反馈清零法。
第三类,是由移位寄存器构成的移位寄存型计数器。
4•实验电路:
十进制计数器
1
图74LS161 (74LS163)外部引脚图
四、实验内容及步骤
1 .集成计数器实验
(1)按电路原理图使用中规模集成计数器74LS163和与非门74LS00,连接成一个同步置数或同步清零十进制计数器,并将输出连接至数码管或发光二极管。
然后使用单次脉冲作为触发输入,观察数码管或发光二极管的变化,记录得到电路计数过程和状态的转换规律。
(2)根据电路图,首先用D触发器74LS7474构成一个不能自启的六进制扭环形计数器,同样将输出连接至数码管或发光二极管。
然后使用单次脉冲作为触发输入,观察数码管或发光二
极管的变化,记录得到电路计数过程和状态的转换规律。
注意观察电路是否能自启,若不能自启,则将电路置位有效状态。
接下来再用D触发器74LS7474构成一个能自启的六进制扭环
形计数器,重复上述操作。
2•分频实验
依据实验原理图用74LS163及74LS00组成一个具有方波输出的六分频电路。
选择适当时钟输入方式及频率(CP接连续波脉冲),用双踪示波器观察并记录时钟与分频输出信号的时序波形。
五、实验结果及数据分析
1 .集成计数实验同步清零和同步置数的十进制加一计数器状态转换过程分别如下所示:
0000 : 0001 : 0010 : 0011 ; 0100
爲00*卄庇爲爲卄yh
六进制扭环形计数器的状态转换过程如下:
不能自启的计数状态转换图
能够自启的状态转换图
分频实验成功实现了六分频输出,始终和输出波形如下所示:
毕_________ I I I | 厂六、实验总结及改进
本次试验比较成功,通过本次试验,我掌握了同步计数器设计方法与测试方法,还掌握
了常用中规模集成计数器的逻辑功能和使用方法,本次试验使我对数字电路设计有了更加深
刻的理解,加深了我对相关数电理论的认识,增加了学习数字电子技术的兴趣。
本次实验中,关于同步置数的加一计数器和分频电路,都存在另外的设计思路,这也体现了数字电路设计中的多样性,因此在实际设计中,我们应该努力拓展自己的思路,应用多种角度去思考,以便设计出更加合理高效的电路。
七、实验思考题解答
(1)同步计数器与异步计数器有何区别计数器与分频器有何区别
同步计数器与异步计数器的主要区别在于:同步计数器电路采用统一的时钟脉冲,而异步计
数器则没有统一的时钟脉冲。
分频器的时钟脉冲CP—定是周期信号,则输出信号也是周期
性,输出信号的周期是输入信号周期的M倍,反过来输出信号的频率是输入信号频率的M 分之一。
计数器的时钟脉冲CP不一定是周期信号,可以是随机脉冲,称为计数脉冲,则输出信号也不一定是周期性。
计数器工作目的是纪录计数脉冲个数(递加或递减)以及产生溢
出(进位或借位)信号。
(2 )集成计数器的同步清零和异步清零有和区别
同步清零的实现需要等待触发信号的触发,而异步清零则可直接将电路状态置零,不需要触
发输入。
(3)如何判断计数器能否自启动
从电路的任意状态开始,经过有限次状态变换,电路能够进入有效状态循环,则说明此电路
能够自启。
(3)简述用双踪示波器测试多路信号的时序波形的方法。
用双踪示波器同时观察两个频率有倍数关系的信号时般选用频率较低的信号作为示波器
的内部同步信号。
这样操作比较容易得到稳定的观察波形。
(4)在利用数码管或发光二极管观察电路的状态转换规律及用示波器观察时序波形时,时钟输入方式及频率应如何选择电路状态较少时应选数码管或发光二极管以单次脉冲作为触发输入观察状态转换规律,对于复杂的状态转换,
,应选用双踪示波器,以低频时钟信号作为同步信号,观察记录输出与输入时钟信号时序关系和电路状态转换规律。