线路参数计算(公式)
- 格式:doc
- 大小:183.00 KB
- 文档页数:6
参数计算(第一版)1.线路参数计算内容已知量:线路型号(导线材料、截面积mm 2)、长度(km)、排列方式、线间距离(m)、外径(mm)、分裂数、分裂距(m)、电压等级(kV)、基准电压U B (kV, 母线电压作为基准电压)、基准容量S B (100MVA)。
待计算量:电阻R(Ω/km)、线电抗X(Ω/km)、零序电阻R0(Ω/km)、零序电抗X0(Ω/km)、对地电纳B(S/km)、对地零序电纳B0(S/km)。
计算公式: 1.3.1线路电阻R=ρ/S (Ω/km)R*=R2BBU S 式中ρ——导线材料的电阻率(Ω·mm 2/km); S ——线路导线的额定面积(mm 2)。
1.3.2线路的电抗X=eqm r D +n 0157.0(Ω/km)X*=X 2BBU S式中m D ——几何均距,m D =ac bc ab D D D (mm 或cm,其单位应与eq r 的单位相同);eq r ——等值半径, eq r =n n m rD 1(mm,其中r 为导线半径);n ——每个导线的分裂数。
1.3.3零序电阻R0=R+3R g (Ω/km)R0*=R02BBU S 式中R g ——大地电阻, R g =π2×10-4×f =×10-4×f (Ω/km)。
在f =50Hz 时,R g =Ω/km 。
1.3.4零序电抗X0=sg D D (Ω/km)X0*=X02BBU S 式中g D ——等值深度, g D =γf 660,其中γ为土壤的电导率,S/m 。
当土壤电导率不明确时,在一般计算中可取g D =1000m 。
s D ——几何平均半径, s D =32m D r '其中r '为导线的等值半径。
若r 为单根导线的实际半径,则对非铁磁材料的圆形实心线,r '=r ;对铜或铝的绞线,r '与绞线股数有关,一般r '=~r ;纲芯铝线取r '=r ;若为分裂导线,r '应为导线的相应等值半径。
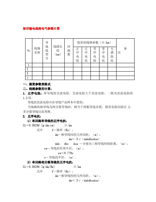
架空输电线路电气参数计算一、提资参数表格式二、线路参数的计算:1.3倍。
导线的直流电阻可在导线产品样本中查到。
当线路的相导线为两分裂导线时,相当于两根导线并联,则其电阻应除以2。
多分裂导线以此类推。
1)单回路单导线的正序电抗:X1=0.0029f lg(d m/r e) Ω/km式中f-频率(Hz);d m-相导线间的几何均距,(m);dm=3√(d ab d bc d ca)d ab d bc d ca -分别为三相导线间的距离,(m);r e-导线的有效半径,(m);r e≈0.779rr-导线的半径,(m)。
2)单回路相分裂导线的正序电抗:X1=0.0029f lg(d m/R e) Ω/km 式中f-频率(Hz);d m-相导线间的几何均距,(m);dm=3√(d ab d bc d ca)d ab d bc d ca -分别为三相导线间的距离,(m);R e-相分裂导线的有效半径,(m);n=2 R e=(r e S)1/2n=4 R e=1.091(r e S3)1/4n=6 R e=1.349(r e S5)1/6S-分裂间距,(m)。
3)双回路线路的正序电抗:X1=0.0029f lg (d m/R e) Ω/km式中f-频率(Hz);d m-相导线间的几何均距,(m); a 。
c′。
dm=12√(d ab d ac d a b′d ac′‵d ba d bc d ba′d bc′d ca d cb d ca′d cb′) b 。
b′。
d ab d bc ……分别为三相双回路导线间的轮换距离,(m); c 。
a′。
R e-相分裂导线的有效半径,(m);R e=6√(r e3 d aa′d bb′d cc′)国内常用导线的线路正序电抗查《电力工程高压送电线路设计手册》第二版 P18~P19查表时注意:1)弄清计算线路有代表性的塔型(用得多的塔型),或有两种塔型时,用加权平均计算出线路的几何均距。
参数计算(第一版)1.线路参数计算内容1.1已知量:线路型号(导线材料、截面积mm 2)、长度(km)、排列方式、线间距离(m)、外径(mm)、分裂数、分裂距(m)、电压等级(kV)、基准电压U B (kV , 母线电压作为基准电压)、基准容量S B (100MV A)。
1.2待计算量:电阻R(Ω/km)、线电抗X(Ω/km)、零序电阻R0(Ω/km)、零序电抗X0(Ω/km)、对地电纳B(S/km)、对地零序电纳B0(S/km)。
1.3计算公式: 1.3.1线路电阻R=ρ/S (Ω/km) R*=R2BBU S 式中ρ——导线材料的电阻率(Ω·mm 2/km); S ——线路导线的额定面积(mm 2)。
1.3.2线路的电抗X=0.1445lgeqm r D +n 0157.0(Ω/km)X*=X 2BBU S式中m D ——几何均距,m D =ac bc ab D D D (mm 或cm,其单位应与eq r 的单位相同);eq r ——等值半径, eq r =n n m rD 1(mm,其中r 为导线半径);n ——每个导线的分裂数。
1.3.3零序电阻R0=R+3R g (Ω/km)R0*=R02BBU S 式中R g ——大地电阻, R g =π2×10-4×f =9.869×10-4×f (Ω/km)。
在f =50Hz 时,R g =0.05Ω/km 。
1.3.4零序电抗X0=0.4335lgsg D D (Ω/km)X0*=X02BBU S 式中g D ——等值深度, g D =γf 660,其中γ为土壤的电导率,S/m 。
当土壤电导率不明确时,在一般计算中可取g D =1000m 。
s D ——几何平均半径, s D =32m D r '其中r '为导线的等值半径。
若r 为单根导线的实际半径,则对非铁磁材料的圆形实心线,r '=0.779r ;对铜或铝的绞线,r '与绞线股数有关,一般r '=0.724~0.771r ;纲芯铝线取r '=0.95r ;若为分裂导线,r '应为导线的相应等值半径。
架空输电线路电气参数计算文档大全一、提资参数表格式文档大全二、线路参数的计算:1.3倍。
导线的直流电阻可在导线产品样本中查到。
当线路的相导线为两分裂导线时,相当于两根导线并联,则其电阻应除以2。
多分裂导线以此类推。
X1=0.0029f lg(d m/r e) Ω/km式中f-频率(Hz);d m-相导线间的几何均距,(m);dm=3√(d ab d bc d ca)d ab d bc d ca -分别为三相导线间的距离,(m);r e-导线的有效半径,(m);r e≈0.779r文档大全r-导线的半径,(m)。
2)单回路相分裂导线的正序电抗:X1=0.0029f lg(d m/R e) Ω/km 式中f-频率(Hz);d m-相导线间的几何均距,(m);dm=3√(d ab d bc d ca)d ab d bc d ca -分别为三相导线间的距离,(m);R e-相分裂导线的有效半径,(m);n=2 R e=(r e S)1/2n=4 R e=1.091(r e S3)1/4n=6 R e=1.349(r e S5)1/6S-分裂间距,(m)。
文档大全3)双回路线路的正序电抗:X1=0.0029f lg (d m/R e) Ω/km式中f-频率(Hz);d m-相导线间的几何均距,(m); a 。
c′。
dm=12√(d ab d ac d a b′d ac′‵d ba d bc d ba′d bc′d ca d cb d ca′d cb′) b 。
b′。
d ab d bc ……分别为三相双回路导线间的轮换距离,(m); c 。
a′。
R e-相分裂导线的有效半径,(m);R e=6√(r e3 d aa′d bb′d cc′)国内常用导线的线路正序电抗查《电力工程高压送电线路设计手册》第二版 P18~P19查表时注意:1)弄清计算线路有代表性的塔型(用得多的塔型),或有两种塔型时,用加权平均计算出线路的几何均距。
架空输电线路电气参数计算文案大全一、提资参数表格式文案大全二、线路参数的计算:1.3倍。
导线的直流电阻可在导线产品样本中查到。
当线路的相导线为两分裂导线时,相当于两根导线并联,则其电阻应除以2。
多分裂导线以此类推。
X1=0.0029f lg(d m/r e) Ω/km式中f-频率(Hz);d m-相导线间的几何均距,(m);dm=3√(d ab d bc d ca)d ab d bc d ca -分别为三相导线间的距离,(m);r e-导线的有效半径,(m);r e≈0.779r文案大全r-导线的半径,(m)。
2)单回路相分裂导线的正序电抗:X1=0.0029f lg(d m/R e) Ω/km 式中f-频率(Hz);d m-相导线间的几何均距,(m);dm=3√(d ab d bc d ca)d ab d bc d ca -分别为三相导线间的距离,(m);R e-相分裂导线的有效半径,(m);n=2 R e=(r e S)1/2n=4 R e=1.091(r e S3)1/4n=6 R e=1.349(r e S5)1/6S-分裂间距,(m)。
文案大全3)双回路线路的正序电抗:X1=0.0029f lg (d m/R e) Ω/km式中f-频率(Hz);d m-相导线间的几何均距,(m); a 。
c′。
dm=12√(d ab d ac d ab′d ac′‵d ba d bc d ba′d bc′d ca d cb d ca′d cb′) b 。
b′。
d ab d bc ……分别为三相双回路导线间的轮换距离,(m); c 。
a′。
R e-相分裂导线的有效半径,(m);R e=6√(r e3 d aa′d bb′d cc′)国内常用导线的线路正序电抗查《电力工程高压送电线路设计手册》第二版P18~P19查表时注意:1)弄清计算线路有代表性的塔型(用得多的塔型),或有两种塔型时,用加权平均计算出线路的几何均距。
电力线路参数计算公式
1.电力线路电流计算公式:
电流(I)等于电压(V)除以电阻(R)。
即:I=V/R
2.电力线路电阻计算公式:
电阻(R)等于电压(V)除以电流(I)。
即:R=V/I
3.电力线路电压计算公式:
电压(V)等于电流(I)乘以电阻(R)。
即:V=I*R
4.电力线路电容计算公式:
电容(C)等于电流(I)除以频率(f)乘以电压(V)。
即:
C=I/(f*V)
5.电力线路电感计算公式:
电感(L)等于电压(V)除以频率(f)乘以电流(I)。
即:
L=V/(f*I)
其中,电压单位为伏特(V),电流单位为安培(A),电阻单位为欧姆(Ω),电容单位为法拉(F),电感单位为亨利(H),频率单位为赫兹(Hz)。
这些公式适用于直流和交流线路,但在交流线路中需要注意电压和电流的相位差,以及虚部和实部的计算。
电力线路参数的计算公式是基础,通过这些公式可以确定电路中的各项重要参数,对于电力系统的设计、运行和维护具有重要的指导作用。
在
实际应用中,还需要考虑电线材料的电阻、电容和电感等因素,以及线路长度、电压降和功率因数等影响因素,进一步精确计算电力线路的参数。
以上是关于电力线路参数计算公式的简要介绍,希望能帮助您理解和应用电力线路参数计算公式。
如有更多详细需求,请提供具体的参数和背景信息,以便进行更深入的计算和分析。
架空输电线路电气参数计算一、提资参数表格式二、线路参数的计算:1.3倍。
导线的直流电阻可在导线产品样本中查到。
当线路的相导线为两分裂导线时,相当于两根导线并联,则其电阻应除以2。
多分裂导线以此类推。
1)单回路单导线的正序电抗:X1=0.0029f lg(d m/r e) Ω/km式中f-频率(Hz);d m-相导线间的几何均距,(m);dm=3√(d ab d bc d ca)d ab d bc d ca -分别为三相导线间的距离,(m);r e-导线的有效半径,(m);r e≈0.779rr-导线的半径,(m)。
2)单回路相分裂导线的正序电抗:X1=0.0029f lg(d m/R e) Ω/km 式中f-频率(Hz);d m-相导线间的几何均距,(m);dm=3√(d ab d bc d ca)d ab d bc d ca -分别为三相导线间的距离,(m);R e-相分裂导线的有效半径,(m);n=2 R e=(r e S)1/2n=4 R e=1.091(r e S3)1/4n=6 R e=1.349(r e S5)1/6S-分裂间距,(m)。
3)双回路线路的正序电抗:X1=0.0029f lg (d m/R e) Ω/km式中f-频率(Hz);d m-相导线间的几何均距,(m); a 。
c′。
dm=12√(d ab d ac d a b′d ac′‵d ba d bc d ba′d bc′d ca d cb d ca′d cb′) b 。
b′。
d ab d bc ……分别为三相双回路导线间的轮换距离,(m); c 。
a′。
R e-相分裂导线的有效半径,(m);R e=6√(r e3 d aa′d bb′d cc′)国内常用导线的线路正序电抗查《电力工程高压送电线路设计手册》第二版 P18~P19查表时注意:1)弄清计算线路有代表性的塔型(用得多的塔型),或有两种塔型时,用加权平均计算出线路的几何均距。
架空输电线路电气参数计算一、提资参数表格式二、线路参数的计算:1. 正序电阻:即导线的交流电阻。
交流电阻大于直流电阻,一般为直流电阻的1.3倍。
导线的直流电阻可在导线产品样本中查到。
当线路的相导线为两分裂导线时,相当于两根导线并联,则其电阻应除以2。
多分裂导线以此类推。
2. 正序电抗:1)单回路单导线的正序电抗:X1=0.0029f lg(dm/re) Ω/km式中 f-频率(Hz);dm-相导线间的几何均距,(m);dm= 3√(dabdbcdca)dab dbc dca -分别为三相导线间的距离,(m);re-导线的有效半径,(m);re≈0.779rr-导线的半径,(m)。
2)单回路相分裂导线的正序电抗:X1=0.0029f lg(dm/Re) Ω/km式中 f-频率(Hz);dm-相导线间的几何均距,(m);dm= 3√(dabdbcdca)dab dbc dca -分别为三相导线间的距离,(m);Re-相分裂导线的有效半径,(m);n=2 Re=(re S)1/2n=4 Re=1.091(re S3)1/4n=6 Re=1.349(re S5)1/6S-分裂间距,(m)。
3)双回路线路的正序电抗:X1=0.0029f lg (dm/Re) Ω/km式中 f-频率(Hz);dm-相导线间的几何均距,(m); a 。
c′。
dm=12√(dabdacdab′dac′‵dba dbcdba′dbc′dcadcbdca′dcb′) b 。
b′。
dab dbc ……分别为三相双回路导线间的轮换距离,(m); c 。
a′。
Re-相分裂导线的有效半径,(m);Re=6√(re3 daa′dbb′dcc′)国内常用导线的线路正序电抗查《电力工程高压送电线路设计手册》第二版 P18~P19查表时注意: 1)弄清计算线路有代表性的塔型(用得多的塔型),或有两种塔型时,用加权平均计算出线路的几何均距。
2)区别计算单回路与双回路的几何均距。
架空输电线路电气参数计算一、提资参数表格式二、线路参数的计算:1.正序电阻:I即导线的交流电阻。
交流电阻大于直流电阻,一般为直流电阻的导线的直流电阻可在导线产品样本中查到。
当线路的相导线为两分裂导线时,相当于两根导线并联,则其电阻应除以1)单回路单导线的正序电抗:X1 = 0.0029f lg(d m/r e)Q /km式中 f —频率(Hz);d m —相导线间的几何均距,(m);dm = 3"(d ab d bc d ca)d ab d bc d ca —分别为三相导线间的距离,(m);r e—导线的有效半径,(m);1.3 倍。
2。
多分裂导线以此类推~ 0.779r rer —导线的半径,(m2)单回路相分裂导线的正序电抗:X1 = 0.0029f lg(d m/R e)Q /km 式中 f —频率(Hz);d m —相导线间的几何均距,(m);dm = 3"(d ab d bc d ca)d ab d bc d ca —分别为三相导线间的距离,(m);R e—相分裂导线的有效半径,(m);n = 2 R e=(r e S)1/2n = 4 R e= 1.091 (r e S3)1/4n = 6 R e= 1.349 (匚S5)1/6S—分裂间距,(m)。
3)双回路线路的正序电抗:X1 = 0.0029f lg (d m /R e )式中 f —频率(Hz );d m —相导线间的几何均距,(m );a 。
c '。
dm =12"( d ab d ac d a b d ac ' d ba d bc d ba d bc d ca d cb d ca d eb )b 。
b 。
d ab d bc ....... 分别为三相双回路导线间的轮换距离,(m ); c 。
a '。
R e —相分裂导线的有效半径,(m );R e = 6V ( r e 3d aa d bb ' d cc ')国内常用导线的线路正序电抗查《电力工程高压送电线路设计手册》第二版 P18〜P19查表时注意:1)弄清计算线路有代表性的塔型(用得多的塔型),或有两种塔型时,用加权平均计算出线Q /km2零序电阻即为正序电阻。
接线方式:,将输电线路末端三相独立悬浮公式:零序导纳;y=I/(3U)---------------------I和U为实测零序电导;g=W/(3U2)------------------W为实测损耗零序电纳;b=y2-g2零序电容;C=b/(2∏f)二、线间互感阻抗将线路1 和线路2 末端都短路接入大地,将电源的零相“Uo”接到仪器的“Uo” 接线端子再接入大地。
公式:互感阻抗:Z=U/I I;加压线路中的电流。
U;非加压回路的感应电压互感:M=Z/(2∏f),将输电线路末端三相短路并接入大地,将电源的零相“O”接到仪器的“Uo” 接线端子。
公式:零序电阻:Ro=3*W/I02R=Z* COSΦ零序阻抗:Z=3*U o/I o零序电抗: X=Z*SINΦ=Z2-R2四、正序阻抗将线路末端短路悬浮,将三相电源的零相“O”接到仪器的“Uo”接线端子。
公式:正序阻抗:Z=U/( 3 *I)正序电阻: R=W/(3*I2)=Z* COSΦ正序电抗: X=Z2-R2五、正序电容将线路末端独立悬浮,将三相电源的零相“O”接到仪器的“Uo”接线端子。
公式:正序电导:g=W/U2正序导纳:y= 3 *I/U正序电纳:b=y2-g2正序电容:C=b/(2∏f)六、线间电容将单相电源的“U”接到仪器的“Ia 入”接线端子,将输电线被测相其中一相接到仪器的“Ia 出”、“Ua”接线端子,将输电线路被测相的另一相接到电源的零相“O”并接到仪器的“Uo”接线端子,将输电线末端独立悬浮公式:线间导纳: y=I/U线间电导: g=y*COSΦ线间电纳: b=y*SINΦ线间电容: c=b/2Πf七、线间阻抗将单相电源的“U”接到仪器的“Ia 入”接线端子,将输电线被测相其中一相接到仪器的“Ia 出”、“Ua”接线端子,将输电线另一相接到电源的零相并接到仪器的“Uo”接线端子。
将输电线末端短路悬浮。
公式:线间阻抗:Z=U/I/2 (折算到单条线)线间电阻: R=Z*COSΦ线间电抗: X=Z*SINΦ八、线地阻抗将单相电源的“U”接到仪器的“Ia 入”接线端子,将输电线被测相接到仪器的“Ia 出”、“Ua”接线端子,将输电线路被测相末端接地,电源的零相接到仪器的“Uo”接线端子再接入大地。
电工配线计算公式电气系统设计重要的一环是配线计算,电工配线计算公式是准确确定系统构成及参数的基础,为了确保系统的安全运行,需要准确的电工配线计算公式,本文将介绍电工配线计算公式的电压、电流、功率等重要参数。
一、电压配线计算公式电压配线计算公式是指确定系统各线路电压时需确定的计算公式。
这些公式可以帮助电工准确确定线路的电压,以便确保系统正常运行,常用电压配线计算公式如下:1、电压总和定律:电路中所有电路及支路的电压总和等于源电压,即:U1+U2+…+Uin=Us2、电压分压定律:电路中任一支路的电压分压(或负载电压)等于支路上所有电阻的压降之和,即: U1=R1*I1+R2*I2+…+Rn*In3、等压点原理:等压点的电压与接触它的任一支路的电压相等,即: U1=U24、电压分配定律:不考虑电流流量的情况下,电路系统中所有电流的电压分配是均衡的。
二、电流配线计算公式电流配线计算公式是指在确定系统各支路电流量时需确定的计算公式,常用电流配线计算公式如下:1、电流总和定律:电路中所有电流的总和等于源电流,即:I1+I2+I3+…+Iin=Is2、电流分配定律:电路系统中流入等压点的电流等于流出等压点的电流,即: I1=I23、电流分流定律:电路中任一支路的电流等于其上各电阻的电流分比之积,即: I1 =(R1/R1+R2+…+Rn)*Is三、功率配线计算公式功率配线计算公式是指确定系统各支路功率时用到的计算公式,常用功率配线计算公式如下:1.率总和定律:电路中所有功率的总和等于源功率,即:P1+P2+…+Pin=Ps2.率平衡定律:电路系统中所有电功率的合功率等于消耗的总功率,即: P1+P2+…+Pn=Pc3.率分配定律:电路系统中流入等压点的功率等于流出等压点的功率,即: P1=P2四、例题例1:某电路系统中有三个电阻,它们的阻值分别是R1=1.5Ω, R2=2.0Ω, R3=4.0Ω,源电压是24V,求R1、R2、R3各支路上的电流和功率。
线路电抗标幺值计算公式
1.首先定义一些基本参数:
-线路电感L(单位:亨):线路对电磁场产生的电感。
电感值较大时,线路对电流的变化不敏感。
-线路电容C(单位:法拉):线路对电磁场产生的电容。
电容值较
大时,线路对电压的变化不敏感。
-线路电阻R(单位:欧姆):线路本身导线的电阻。
-线路频率f(单位:赫兹):电力系统的工频频率。
2.线路电抗标幺值计算公式如下:
-Xl=2πfL:线路电感的电抗值(单位:欧姆)。
-Xc=1/(2πfC):线路电容的电抗值(单位:欧姆)。
3.如果线路存在电阻,则线路总的电抗标幺值为:
-X=√(R^2+(Xl-Xc)^2):线路总电抗的标幺值(单位:欧姆)。
以上是基本的线路电抗标幺值计算公式。
需要注意的是,这个公式可
以适用于简单的线性电路,而对于复杂的非线性电路,计算电抗标幺值可
能需要使用更加复杂的方法。
另外,实际应用中,还需要考虑线路的长度、结构以及周围环境等因素,这些因素会影响电抗标幺值的准确计算。
因此,在实际工程应用中,需要综合考虑各种因素,采用更加精确的计算方法。
参数计算(第一版)
1.线路参数计算内容
1.1已知量:
线路型号(导线材料、截面积mm 2)、长度(km)、排列方式、线间距离(m)、外径(mm)、分裂数、分裂距(m)、电压等级(kV)、基准电压U B (kV , 母线电压作为基准电压)、基准容量S B (100MV A)。
1.2待计算量:
电阻R(Ω/km)、线电抗X(Ω/km)、零序电阻R0(Ω/km)、零序电抗X0(Ω/km)、对地电纳B(S/km)、对地零序电纳B0(S/km)。
1.3计算公式: 1.3.1线路电阻
R=ρ/S (Ω/km) R*=R
2B
B
U S 式中
ρ——导线材料的电阻率(Ω·mm 2/km); S ——线路导线的额定面积(mm 2)。
1.3.2线路的电抗
X=0.1445lg
eq
m r D +n 0157
.0(Ω/km)
X*=X 2B
B
U S
式中
m D ——几何均距,m D =ac bc ab D D D (mm 或cm,其单位应与eq r 的单位相同);
eq r ——等值半径, eq r =n n m rD 1
(mm,其中r 为导线半径);
n ——每个导线的分裂数。
1.3.3零序电阻
R0=R+3R g (Ω/km)
R0*=R0
2B
B
U S 式中
R g ——大地电阻, R g =π2×10-4×f =9.869×10-4×f (Ω/km)。
在f =50Hz 时,
R g =0.05Ω/km 。
1.3.4零序电抗
X0=0.4335lg
s
g D D (Ω/km)
X0*=X0
2B
B
U S 式中
g D ——等值深度, g D =
γ
f 660,其中γ为土壤的电导率,S/m 。
当土壤电导率不明
确时,在一般计算中可取g D =1000m 。
s D ——几何平均半径, s D =32
m D r '其中r '为导线的等值半径。
若r 为单根导
线的实际半径,则对非铁磁材料的圆形实心线,r '=0.779r ;对铜或铝的绞线,r '与绞线股数有关,一般r '=0.724~0.771r ;纲芯铝线取r '=0.95r ;若为分裂导线,r '应为导线的相应等值半径。
m D 为几何均距。
1.3.5对地电钠
B=
610lg 58
.7-⨯eq
m
r D (S/km) B*=B B
B
S U 2
式中
m D ——几何均距,m D =ac bc ab D D D (mm 或cm,其单位应与eq r 的单位相同);
eq r ——等值半径, eq r =n n m rD 1
-(其中r 为导线半径);
1.3.6零序对地电钠
B0=100πC 0 (S/km)
B0*=B0B
B
S U 2
式中
C 0=
609.1lg
1003883.03
2223'''2'2'2'6
⨯⎪⎪⎭
⎫
⎝
⎛⨯-ca bc ab cc bb aa c
b c
a b
a d d d r D
D D D D D φF/km
2.双绕组变压器参数计算内容
2.1已知量:
变压器型号、变压器高压侧额定电压N V (kV)、接线组别、变压器容量N S (MV A)及变压器铭牌参数:短路损耗ΔP S (kW)、短路电压%S U 、空载损耗0P ∆(kW)、空载电流%0I 、基准电压U B (kV,选变压器所连母线电压作为基准电压)、基准容量S B (100MV A)。
2.2待计算量:
变压器等值电路中的电阻R T (Ω)、电抗X T (Ω)、电导G T (S)、电纳B T (S)。
2.3计算公式:
2.3.1变压器等值电路中的电阻
R T =
2
2
1000N
N S S V P ⋅∆(Ω)
R T * = R T
2B
B
U S 式中
N V ——变压器高压侧额定电压(KV)。
2.3.2变压器等值电路中的电抗
X T =N
N S S V U 2
100%⨯
(Ω) X T * = X T
2B
B
U S 2.3.3变压器等值电路中的电导
G T =
201000N
V
P ∆(S)
G T * = G T B
B
S U 2
2.3.4变压器等值电路中的电纳
B T =
20100%N
N
V S I ⨯(S) B T * = B T B
B
S U 2
3.三绕组变压器参数计算内容
3.1已知量:
变压器型号、变压器高压侧额定电压N V (kV)、接线组别、额定容量N S (MV A)、
N S 2(MV A)、N S 3(MV A)、短路电压百分数12U (高中)%、 23U (中低)%、13U (高低)%、
实验数据'
)21(-∆S P 、')32(-∆S P 、'
)13(-∆S P ,空载损耗0P ∆(kW)、空载电流%0I 、基准电压U B (kV ,选变压器所连母线电压作为基准电压)、基准容量S B (100MV A)。
3.2待计算量:
各绕组的电阻R 1、R 2、R 3, ,各绕组的等值电抗X 1、X 2、X 3, 电导G T 、电纳B T 。
3.3计算公式: 3.3.1各绕组的电阻i R
22
111000N
N
S S
V P R ∆=
(Ω)
22
221000N
N
S S
V P R ∆=
(Ω)
22
331000N
N
S S
V P R ∆=
(Ω)
i R * = i R
2B
B
U S 式中
())32()31()21(121
---∆-∆+∆=
∆S S S S P P P P ())31()32()21(221
---∆-∆+∆=∆S S S S P P P P
())21()32()31(32
1
---∆-∆+∆=∆S S S S P P P P
其中2
2')21()
21(⎪⎪⎭⎫ ⎝⎛∆=∆--N N
S S S
S P P
232')32()
32(⎪⎪⎭⎫ ⎝⎛∆=∆--N N
S S S
S P P
23')13()
13(⎪⎪⎭
⎫ ⎝⎛∆=∆--N
N
S S S
S P P 3.3.2各绕组的等值阻抗i X
N
N
Si Ti
S V U X 2
100%⨯
=(Ω) Ti X * = Ti X
2B
B
U S 式中
%1s U =
21
(12U %+13U %-23U %); %2s U =21
(12U %+23U %-13U %);
%3s U =2
1
(23U %+13U %-12U %)。
3.3.3变压器等值电路中的电导
G T =
3
2010-⨯∆N
V P (S) G T * = G T B
B
S U 2
3.3.4变压器等值电路中的电纳
B T =32010100%-⨯⨯N
N
V S I (S)
B T * = B T B
B
S U 2
4.发电机参数计算内容
4.1已知量:
发电机型号、额定功率(MV A),功率因素、额定电压(kV )、次直轴瞬态电抗百分数
%"
d X 、基准容量B S (一般取100MV A)。
4.2待计算量:
次直轴瞬态电抗标幺值"
d X (*) 4.3计算公式:
"
d X (*)=cos φ⨯
N
B S S 100%"
d X。