水文地质参数计算公式
- 格式:doc
- 大小:396.00 KB
- 文档页数:8
1、 突水系数《煤矿床水文地质、工程地质及环境地质勘察评价标准》(MT/T1091-2008)附录E(1)适用于水文地质条件简单、含水层富水性较弱、补给条件差的矿区Ts 突水系数MPa/mP 隔水层承受的水压,MPaCp 采矿对底板隔水层的扰动破坏厚度,m M 底板隔水层厚度,m(2)水文地质条件复杂、含水层富水性较强、补给条件较好的矿区。
含义同上。
2、 地下径流模数=集水面积平均流量 单位:2km s /L ⋅3、矿井涌水量:一、水文地质比拟法预算矿井涌水量 原理和应用条件:水文地质比拟法就是利用地质和水文地质条件相似、开采方法基本相同的开采矿区或生产矿井的排水资料,来预计勘探矿区或新建矿井的涌水量。
应用前提是勘探矿区的地质、水文地质条件与开采矿区或生产矿井基本相似,老矿井要有较长期的水量观测资料,以保证涌水量与各影响因素之间数学关系表达式的可靠性。
一般而言,水文地质比拟法主要适用于条件比较简单,充水岩层的透水性比较均一的孔隙或裂隙充水矿床,特别是用于已有多年生产历史的矿井。
根据上水平的实际排水资料预测延伸水平的涌水量或根据生产采区的排水资料预测延伸水平的涌水量,效果更好。
计算方法:(1)富水系数比拟法:根据0p P Q K =K p 为富水系数,Q 0为一定时期内从矿井排出的总水量,m 3; P 0为同时期内的矿石开采量,t ; 得出:Q=K p ·P原来的生产矿井的K p 值乘以同时期新矿井的设计开采量P ,即得新矿井的涌水量(2)单位涌水量比拟法:根据地下水符合层流或紊流状态,选择下述公式:层流000S F Q q =紊流0000S F Q q =F 0、S 0、Q 0分别为老矿井的开采面积、水位降深和排水量。
所以新矿井的涌水量Q 比拟计算式为F 、S 分别为新矿井的设计开采面积和水位降深。
既非层流又非稳流,改进公式:m 和n为待定系数,根据经验通过计算或曲线拟合确定,或用最小二乘法求得。
水文地质参数计算公式水文地质参数是指在水文地质调查中通过采集和分析水文地质数据所得到的一系列参数指标,用于描述地下水的含水层性质和地下水运动规律,是研究地下水资源开发利用和环境保护的重要依据。
常见的水文地质参数包括压力系数、渗透系数、有效孔隙度、地下水涌泉速度等。
压力系数是指地下水压力与深度之比。
通常参考大量的水井资料计算得到,可以通过以下公式计算:P = ρgh其中,P为地下水压力(单位:帕),ρ为水的密度(单位:千克/立方米),g为重力加速度(单位:米/秒的平方),h为地下水埋深(单位:米)。
渗透系数是指单位时间内,单位毛管头差下,单位面积上地下水通过含水层的能力。
可以通过以下公式计算:k=qL/(At)其中,k为渗透系数(单位:米/秒),q为单位时间内通过含水层单位面积的水流量(单位:立方米/秒),L为毛管头差(单位:米),A为含水层截面积(单位:平方米),t为时间(单位:秒)。
有效孔隙度表示岩石或土壤中所含明显的和普遍存在的有益于地下水储存和运动的微小空隙的相对比例。
可以通过以下公式计算:n=(Vv/Vt)*100%其中,n为有效孔隙度(单位:%),Vv为有效孔隙体积(单位:立方米),Vt为总体积(单位:立方米)。
地下水涌泉速度是指单位时间内从地下储层出流的地下水量与地下储层的面积之比。
可以通过以下公式计算:Q=Aq其中,Q为地下水涌泉速度(单位:立方米/秒),A为出水面积(单位:平方米),q为单位时间内流出地下水量(单位:立方米/秒)。
除了以上所述的水文地质参数,还有一些重要的参数,如渗透率、含水层厚度、孔隙度、地下水补给量等,具体的计算公式可以根据不同的研究目的和数据条件来选择和应用。
水文地质参数的计算需要借助于有关的实测数据和地质勘探资料,能够提供科学、准确的参数数据,为地下水资源开发和管理提供科学依据。
煤矿水文地质常用计算公式及其应用范围1.水位演变计算公式1.1.叠加法公式叠加法公式是根据地下水位的影响因素线性叠加的原理,用于预测地下水位的演变。
其公式为:h = h0 + ∑(Wi * ∆hi)其中,h为未来其中一时刻地下水位,h0为当前地下水位,Wi为第i 个影响因素的权重,∆hi为第i个影响因素的变化量。
1.2.贝克公式贝克公式是采用水平二维地下水流模型分析地下水位演变的方法,用于计算远离煤矿开采区的地下水位。
其公式为:h=h0+(Q/K)*(1/π)*[(W*Ln(r1/r0)+S*(r1-r0))/(W+2*S)]其中,h为未来其中一时刻地下水位,h0为当前地下水位,Q为煤矿开采的总排水量,K为地下水流动的渗透系数,W为水井屏蔽距离的水力学属性,S为水井屏蔽距离的屏蔽系数,r1为地下水汇入水井的距离,r0为地下水通过煤矿开采区域的最短距离。
应用范围:叠加法公式适用于简化的地下水位演变预测,可以预测多个因素对地下水位的综合影响;贝克公式适用于具体的区域状况,可用于计算煤矿远离开采区的地下水位演变情况。
2.水量计算公式2.1.煤层透水量计算公式煤层透水量计算公式是用于计算煤层水文地质参数之一,即单位时间内通过单位面积的煤层水量。
其公式为:Q=K*i*A其中,Q为单位时间内通过单位面积的水量,K为渗透系数,i为水头斜率,A为煤层的投影面积。
2.2.煤层渗透系数计算公式煤层渗透系数计算公式是用于计算煤层的渗透性能,即单位时间内单位面积的水通过单位水头的渗透量。
其公式为:K=Q/(i*A)其中,K为渗透系数,Q为单位时间内通过单位面积的水量,i为水头斜率,A为煤层的投影面积。
应用范围:煤层透水量计算公式和煤层渗透系数计算公式可以用于评估煤层的水资源开采潜力和水力特性,为矿井水管理提供依据。
3.渗流计算公式3.1.边界渗流计算公式边界渗流计算公式是根据地下水位和矿井排水情况,计算边界位置处的渗流量。
第一种模式承压水含水层厚降深影响半径代号QQ M S R 单位立方米/小时立方米/天升/秒米米米模式自动计算自动计算自动计算输入输入输入结果20.67011836496.082841 5.7416995441.4 3.3218.54546最大水量(1.75倍降深36.17270712868.14497110.047974441.4 5.8118.54546最大水量(降深到顶板622.593926414942.2542172.94276441.410018.54546第二种模式承压水影响半径依据经验公式含水层厚降深影响半径代号QQ M S R 单位立方米/小时立方米/天升/秒米米米模式自动计算自动计算自动计算输入输入输入正常水量7.83517209188.044132.1764367441.41 5.642196正常水量正常水量)(lg 73.200Lgr R MS K Q -=)(lg 73.200Lgr R MS K Q -=最大水量(1.75倍降深12.23566883293.656052 3.3987969441.4 1.759.831468最大水量(降深到顶板392.12404329410.97704108.92335441.4100558.6261第一种模式潜水潜水计算涌水量含水层厚降深影响半径代号H0S R单位立方米/小时立方米/天升/秒米米米模式自动计算自动计算自动计算输入输入输入正常水量561.833937213484.0145156.06498800.7638.0258537.22最大水量(1.75倍降深)494.879236311877.1017137.46645800.71116.543758537.22最大水量(降深到含水层厚度的一半)439.524560810548.5895122.09016800.7400.378537.22第二种模式潜水潜水计算涌水量含水层厚降深影响半径代号H0S R单位立方米/小时立方米/天升/秒米米米模式自动计算自动计算自动计算输入输入输入正常水量561.810323313483.4478156.05842800.7638.0258540.097最大水量(1.75倍降深)462.572488711101.7397128.49236800.71116.5437514943.05最大水量(降深到含水层厚度的一半)466.621136811198.9073129.61698800.7400.375360.086承压转潜水计算涌水量第一种模式含水层厚度降深影响半径代号m SR单位立方米/小时立方米/天升/秒米米米Q 流量Q正常水量Q 正常水量)(lg 2(366.1220Lgr R hw m m H K Q ---=))(lg )2(366.10LgrRS S HKQ --=)(lg )2(366.10LgrRS S HKQ --=正常水量30.59348499734.243648.498190340.15240.31563.04最大水量(1.75倍降深)-20.47614172-491.4274-5.68781740.15420.5251056.593最大水量(降深到含水层厚度的一半)26.81982868643.6758887.449952440.15220.225554.6423承压转潜水计算涌水量第一种模式含水层厚度降深影响半径代号m S R单位立方米/小时立方米/天升/秒米米米模式自动计算自动计算自动计算输入输入输入正常水量65.522242581572.5338218.20062340.15240.31215.365最大水量(1.75倍降深)-19.69363061-472.64713-5.47045340.15420.5251338.262最大水量(降深到含水层厚度的一半)25.67795563616.2709357.132765540.15220.225702.1497水文地质参数:非完整承压水井第一种模式有效厚度降深影响半径代号Q Ma S R0单位立方米/小时立方米/天升/秒米米米模式自动计算自动计算自动计算输入输入输入正常水量36.38257768873.18186410.10627210076022600水文地质参数:非完整承压水井第二种模式有效厚度降深影响半径代号QMa SR0单位立方米/小时立方米/天升/秒米米米流量Q )(lg 2(366.1220Lgr R hw m m H K Q ---=)2M()Mat ()Lgr (lgR S Ma 2.73K Q 21⨯⨯-⨯⨯=2M()Mat ()Lgr (lgR S Ma 2.73K Q 21⨯⨯-⨯⨯=正常水量10.79999094259.199783 2.999997510079.35185.4203进水厚度降深影响半径代号Q Q L Sw R=1.6×L单位立方米/小时立方米/天升/秒米米米模式自动计算自动计算自动计算输入输入输入结果5.345752542128.298061 1.4849313100 3.32160最大水量(1.75倍降深)9.355066948224.521607 2.5986297100 5.81160最大水量(降深到顶板)161.01664283864.3994344.726845100100160最大水量(降深到底板)322.03328577728.7988689.45369100200160渗透系数渗透系数降深代号KMS 单位立方米/小时立方米/天升/秒米/天米米模式自动计算自动计算自动计算输入输入输入结果1093.87652326253.0365303.854590.1400500正常水量含水层初期突然弹性释放计算(非稳定流量Q井壁进水的非完整计算计算)6.1(lg 73.20Lgr L LS K Q W -=)(1416.34u W SM K Q ⨯⨯⨯⨯=Q(m³/h)Q(m³/d)19.7472.812.4297.6R:影响半径实际观测水井半径渗透系数水头高于顶板高度rw KH 米米/天米输入输入输入0.05650.3120.05650.3120.05650.312100影响半径依据经验公式推算:R=10sk^0.5+rw水井半径渗透系数水头高于顶板高度rw KH 米米/天米输入输入输入0.05650.312)7300Lgr R MSK0.05650.3120.05650.312100R:影响半径实际观测水井半径渗透系数剩余厚度rw Khw 米米/天米输入输入输入2.820.0559162.7152.820.0559-315.8042.820.0559400.37影响半径依据经验公式推算:R=2s(kh)^0.5+rw水井半径渗透系数剩余厚度rw Khw 米米/天米输入输入输入2.820.0559162.7152.820.0559-315.8042.820.0559400.37R:影响半径实际观测水井半径渗透系数从地板起算的水头高度剩余厚度rwKH0hw米米/天米米)220Lgr R hw m m H ---)))0LgrS S H-输入输入输入输入9750.00623240.32.760.0628240.3-180.2252.760.0628240.320.075影响半径依据经验公式推算:R=2s(kh)^0.5+rw水井半径渗透系数从地板起算的水头高度剩余厚度rw K H0hw米米/天米米输入输入输入输入9750.00623240.302.760.0628240.3-180.2252.760.0628240.320.075R:影响半径实际观测钻孔半径坑道内有效揭露厚度渗透系数r t K米米米/天输入输入输入4450100.008影响半径依据经验公式推算:R=10SK^0.5+rw钻孔半径坑道内有效揭露厚度渗透系数rtK 米米米/天)g 2(220Lgr R hw m m H ---)41)Mat 2Ma ()Ma t ()r S 21-⨯⨯⨯41)Mat 2Ma ()Ma t ()r S 21-⨯⨯⨯输入输入输入0.05500.054574条件:L/Rw>5水井半径渗透系数水头高于顶板高度含水层厚度rw K H M米米/天米米输入输入输入输入10.31210010.31210010.31210010010.312100100井半径时间储水系数泰斯井函数泰斯井函数误差r t s弹u W(u)W(u)最后一项误差米天输入输入输入自动计算自动计算2.50.10.00013.91E-059.573171 1.51582E-25非稳定流)Q(L/S) 5.472222 3.444444Q(L/S) 5.472222 3.444444。
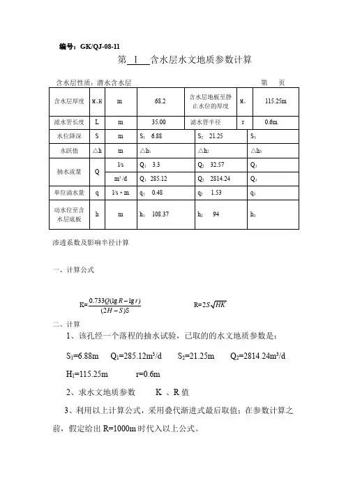
水文地质计算K 、R 值公式选择一、 承压水完整井K 值计算 1、承压完整井rR S M Q K lg 366.0⋅= 裘布依2、承压完整井有一个观测孔3、承压完整孔二、 承压水非完整井K 值计算 1、承压非完整井 SM QK ⋅=π2 用于潜水时将M 换成H2、承压水非完整井(井壁进水)式中r —过滤器半径,长度L<0.3m3、承压水非完整井(井壁、井底进水)4、 承压水非完整孔(GB50027—规范)当M>150r, L/M>1时三、 潜水完整井K 值计算 1、实用于潜水—承压水完整井及非完整井2、潜水完整井()rRS S H Q K lg2733.0-=裘布依3、潜水完整井四、 潜水非完整孔K 值计算 1、潜水非完整孔当1.0,150>>h L r h 时: 式中:H —自然情况下,潜水含水层厚度(m );h —潜水含水层在自然情况下和抽水时的厚度的平均值(m );h —潜水含水层在抽水时的厚度(m );Q —抽水孔大降深时的流量(m 3/d )。
2、潜水非完整孔 五、影响半径计算公式1、 承压水概略计算K S R 10= 吉哈尔特KHIQR 2=凯尔盖 2、潜水概略计算K H S R ⋅=2 对直径大的和单井算出的R 值偏大3μKHtR = 威伯六、 利用观测孔水位下降值计算R值1、承压水完整井、两个观测孔211221lg lg lg S S r S r S R --=裘布依2、潜水完整井注: S 1,S 2—观测孔降深(m )r 1,r 2—观测孔至抽水孔距离(m )H —潜水含水层厚度(m ) R —影响半径(m ) t —时间(日)μ—给水度I —地下水水力坡度在2221,h h ∆∆—在2h ∆—lgr 关系曲线的直线段上任意两点的纵坐标值(m 2)。
七、 给水度、释水系数、渗透系数、导水系数、传导系数1、潜水含水层的给水度(μ):又叫延迟储水系,即水能从岩层中自由流出的能力,数值等于流出的水体积和岩石体积之比。
水文与水资源工程教学实习指导水文地质参数的计算水文地质参数是表征岩土水文地质性能大小的数量指标,是地下水资源评价的重要基础资料,主要包括含水层的渗透系数和导水系数、承压含水层贮水系数、潜水含水层的给水度、弱透水层的越流系数及含水介质的水动力弥散系数。
水文参数是表征与岩土性质、水文气象等因素有关的性能大小的相关指标,主要包括降水入渗系数、潜水蒸发系数、灌溉水回渗补给系数。
确定这些水文地质参数的方法可以概括为两类:一类是用水文地质试验法(如野外现场抽水试验、注水试验、渗水试验及室内渗压试验、达西试验、弥散试验等),这种方法可以在较短的时间内求出含水层参数而得到广泛应用;另一类是利用地下水动态观测资料来确定,是一种比较经济的水文地质参数测定方法,并且测定参数的范围比前者更为广泛,可以求出一些用抽水试验不能求得的一些参数。
§6.1给水度的确定方法一、影响给水度的主要因素给水度是表征潜水含水层给水能力和储蓄水量能力的一个指标,在数值上等于单位面积的潜水含水层柱体,当潜水位下降一个单位时,在重力作用下自由排出的水量体积和相应的潜水含水层体积的比值。
给水度不仅和包气带的岩性有关,而且随排水时间、潜水埋深、水位变化幅度及水质的变化而变化。
各种岩性给水度经验值见表6-1。
表6-1 各中岩性给水度经验值岩性给水度岩性给水度亚粘土0.03~0.045中细砂0.085~0.12亚砂土0.035~0.06中砂0.09~0.13黄土状亚粘土0.02~0.05中粗砂0.10~0.15黄土状亚砂土0.03~0.06粗砂0.11~0.15粉砂0.06~0.08粘土胶结的砂岩0.02~0.03粉细砂0.07~0.010裂隙灰岩0.008~0.10岩土性质对给水度的影响,主要有三个方面,即岩土的矿物成分,颗粒大小、级配及分选程度,空隙情况。
不同的矿物成分对水分子的吸附力不同,吸附力与给水度成反比;岩土颗粒从两个方面影响给水度,一是吸附的水量不同,颗粒小的吸附水量多,相应的给水度就小,颗粒粗的吸附水量少,给水度则大;二是颗粒大小、级配及分选程度决定了空隙大小,级配愈不均匀,给水度就愈小,反之,级配均匀,给水度愈大。
1、(回采)突水系数:M P T =式中T —突水系数(Mpa/m)P--底板隔水层承受的水头压力(Mpa)M —底板隔水层厚度2、(掘进)安全隔水层厚度:()PP K L P K L L t 4822γγ-+=式中t--安全隔水层厚度(m)L —巷道宽度(m )γ—底板隔水层的平均重度(MN/m 3)K P --底板隔水层的平均抗拉强度(Mpa )p-底板隔水层承受的水头压力(Mpa) 3、含水或导水断层防水煤(岩)柱留设经验公式:()m K P KM L P 8.181.0/67.031.245.0/35.0=⨯⨯⨯== 式中L--煤(岩)柱留设宽度(m )K —安全系数,一般取2-5M —煤层厚度或采高(m)P--底板隔水层承受的水头压力(Mpa)K P —煤(岩)的抗拉强度(Mpa )4、垮落带高度的计算公式: 5.1322.6100++=M M H m 式中:M---10Ⅱ层煤厚(采高)2.1m可见10Ⅱ层煤开采垮落带高度进入9层煤范围但未进入8层。
2﹞10Ⅱ层导水裂隙带的高度及保护层厚度的计算:: ㈠ 10Ⅱ层煤开采垮落带高度进入9层煤范围但未进入8层,由公式: ∑M=M 2+(M 1-h 1-2/y 2)计算9、10Ⅱ层综合开采厚度:式中:∑M —-综合开采厚度M 2----10Ⅱ层煤厚(采高)M 1----9层煤厚h 1-2----9层、10Ⅱ层垂直间距y 2-----10Ⅱ层冒高与采厚比5、导水裂隙带厚度公式:0.40.51.3100++=∑∑M M H L式中H L --导水裂隙带厚度(m)∑M —-综合开采厚度(m ) 6、保护层厚度: n MA H b ∑==33式中H b --保护层厚度 (m)∑M —-综合开采厚度(m )n —开采分层数7、开采上限公式:开采上限=地面标高-第四系厚度-导水裂隙带高度-保护层厚度8、煤层可采指数:n n k m '=式中 n ′ —见煤点≥最低可采煤厚的点数n —评价区域内所有见煤点数9、变异系数的计算公式为: %100⨯=⋅=mS V C r 样本标准差: 1)(2--=∑n m m S 式中m —各见煤点煤厚(m )m --平均煤厚(m )n —见煤点数10、矿井(采区)涌水量预计: “大井”法计算公式 πF r =0 (1) K S R 10= (2) 00r R R += (3) )lg lg 73.200r R KMS Q -= (4)式中:Q ---------采区涌水量(m 3/h )K ---------渗透系数(m/d )M ---------含水层厚度(m ) S ---------设计降深(m )R 0--------- 引用影响半径(m )r 0--------- 引用大井半径(m )R --------- 抽水影响半径(m )F ---------采区面积(m 2) 10、矿井(采区)涌水量预计: 比拟法计算公式 m s s Q Q 1212=式中:Q 2----设计水平五灰最大突水量(m 3/h )S 2 ----- 设计降深 (m )Q 1------ 已知放水量 (m 3/h )S 1 ------已知降深 (m )m -----流态指数 取 1.4311、单孔出水量估算公式:gh CW q 2=式中:q----单孔出水量(m 3/h )C ----- 流量系数,一般取0.6—0.62W------ 钻孔的断面积(m 2) g ------重力加速度 (9.81m/s 2) h -----钻孔出水处的水头高度(m )12、浆液注入量预算公式:βπn R AH V 2=式中:V ――注浆孔浆液预算注入量(m 3 )A――浆液扩散消耗系数,取1.2-1.5 H――注浆段高(m )R ――浆液有效扩散半径(m) β――充填系数,取0.9n――裂隙率,取0.01213、堰测法流量计算公式 ①直角三角堰:h h Q 2014.0=三角堰梯形堰②梯形堰:h Bh Q 018.0= ③矩形堰无缩流:h Bh Q 018.0=(有缩流指堰口宽度小于堰墙口宽度) 矩形堰有缩流:h h h B Q )(018.0-=(无缩流指堰口宽度等于堰墙口宽度) 式中:Q ――流量(m 3/h )h ――水头高度(m )B ――堰口(底)宽(m )。
一、 水文情况:
31205工作面位于31200采区第三区段,绝对高程为-345~-410m ,东到F30断层;西为本采区下山,南是31203工作面;北以-400m 煤层底板等高线为下限,不受老空水威胁。
隔水层条件:
煤3下距底板含水砂岩平均匀26.46m ,由粉砂岩,粘土岩等构成隔水层。
含水砂岩厚4.8m ,其富水性具有明显的不均一性,钻孔揭露水量为0~20m 3/h ,平均为11m 3/h 。
q=0.1~
1.81/s.m ,k=0.7~1.23m/d ,水质类型重碳酸,氯、钠、钙型,矿化度0.5g/l 。
该砂岩富水性以静储量为主,疏降效果明显。
二、安全隔水层厚度计算
现砂岩水位于-210m ,工作面最低标高-410m ,则隔水层底板承受的最大水压为226.46tf/m 2。
据公式:t =
式中: t — 安全底板隔水层厚度,m ;
r — 隔水层底板岩石容重2500kg/m 3;
L — 掘进巷道底板最大宽度4m ;
Kp rL KpH L r L 4)
8(22-+
Kp —隔水层底板岩石的抗张强度4.61×104Pa ; H — 隔水层底板承受的水头压力2.22×106 Pa
则:t=
= 19.6(m ) <26.46(m )
由此可见该面正常块段掘进不受底板砂岩水威胁。
最大涌水量:30m 3/h ,正常涌水量:5m 3/h 。
46221061.44)425001022.210461.4842500(4⨯⨯⨯-⨯⨯⨯⨯+⨯⨯。
一般规定8.1.1 水文地质参数的计算,必需在分析勘探区水文地质条件的基础上,合理地选用公式(选用的公式应注明出处)。
8.1.2 本章所列潜水孔的计算公式,当采用观测孔资料时,其利用范围应限制在抽水孔水位下降漏斗坡度小于1/4处。
渗透系数8.2.1 单孔稳固流抽水实验,当利用抽水孔的水位下降资料计算渗透系数时,可采用下列公式:1 当Q~s(或Δh2)关系曲线呈直线时,1)承压水完整孔:(8.2.1-1)2)承压水非完整孔:当M>150r,l/M>时:(8.2.1-2)或当过滤器位于含水层的顶部或底部时:(8.2.1-3)3)潜水完整孔:(8.2.1-4)4)潜水非完整孔:当>150r,l>时:(8.2.1-5)或当过滤器位于含水层的顶部或底部时:(8.2.1-6)式中K——渗透系数(m/d);Q——出水量(m3/d);s——水位下降值(m);M——承压水含水层的厚度(m);H——自然情形下潜水含水层的厚度(m);h——潜水含水层在自然情形下和抽水实验时的厚度的平均值(m);h——潜水含水层在抽水实验时的厚度(m);l——过滤器的长度(m);r——抽水孔过滤器的半径(m);R——影响半径(m)。
2 当Q~s(或Δh2)关系曲线呈曲线时,可采用插值法得出Q~s 代数多项式,即:s=a1Q+a2Q2+……a n Qn (8.2.1-7)式中a1、a2……a n——待定系数。
注:a1宜按均差表求得后,可相应地将公式(8.2.1-1)、()、()中的Q/s和公式()、()、()中的以1/a1代换,别离进行计算。
3 当s/Q (或Δh2/Q)~Q关系曲线呈直线时,可采用作图截距法求出a1后,按本条第二款代换,并计算。
8.2.2 单孔稳固流抽水实验,当利用观测孔中的水位下降资料计算渗透系数时,若观测孔中的值s(或Δh2)在s(或Δh2)~lgr关系曲线上能连成直线,可采用下列公式:1 承压水完整孔:(8.2.2-1)2 潜水完整孔:(8.2.2-2)式中s1、s2——在s~lgr关系曲线的直线段上任意两点的纵坐标值(m);——在Δh2~lgr关系曲线的直线段上任意两点的纵坐标值(m2);r1、r2———在s(或Δh2)~lgr关系曲线上纵坐标为s1、s2(或)的两点至抽水孔的距离(m)。
8.1 一般规定
8.1.1 水文地质参数的计算,必须在分析勘察区水文地质条件的基础上,合理地选用公式(选用的公式应注明出处)。
8.1.2 本章所列潜水孔的计算公式,当采用观测孔资料时,其使用范围应限制在抽水孔水位下降漏斗坡度小于1/4处。
8.2 渗透系数
8.2.1 单孔稳定流抽水试验,当利用抽水孔的水位下降资料计算渗透系数时,可采用下列公式:
1 当Q~s(或Δh2)关系曲线呈直线时,
1)承压水完整孔:
(8.2.1-1)
2)承压水非完整孔:
当M>150r,l/M>0.1时:
(8.2.1-2)
或当过滤器位于含水层的顶部或底部时:
(8.2.1-3)
3)潜水完整孔:
(8.2.1-4)
4)潜水非完整孔:
当>150r,l>0.1时:
(8.2.1-5)
或当过滤器位于含水层的顶部或底部时:
(8.2.1-6)式中K——渗透系数(m/d);
Q——出水量(m3/d);
s——水位下降值(m);
M——承压水含水层的厚度(m);
H——自然情况下潜水含水层的厚度(m);
h——潜水含水层在自然情况下和抽水试验时的厚度的平均值(m);
h——潜水含水层在抽水试验时的厚度(m);
l——过滤器的长度(m);
r——抽水孔过滤器的半径(m);
R——影响半径(m)。
2 当Q~s(或Δh2)关系曲线呈曲线时,可采用插值法得出Q~s 代数多项式,即:
s=a1Q+a2Q2+……a n Qn (8.2.1-7)
式中a1、a2……a n——待定系数。
注:a1宜按均差表求得后,可相应地将公式(8.2.1-1)、(8.2.1-2)、(8.2.1-3)中的
Q/s和公式(8.2.1-4)、(8.2.1-5)、(8.2.1-6)中的以1/a1代换,分别进行计算。
3 当s/Q (或Δh2/Q)~Q关系曲线呈直线时,可采用作图截距法求出a1后,按本条第二款代换,并计算。
8.2.2 单孔稳定流抽水试验,当利用观测孔中的水位下降资料计算渗透系数时,若观测孔中的值s(或Δh2)在s(或Δh2)~lgr关系曲线上能连成直线,可采用下列公式:
1 承压水完整孔:
(8.2.2-1)
2 潜水完整孔:
(8.2.2-2)
式中s1、s2——在s~lgr关系曲线的直线段上任意两点的纵坐标值(m);
——在Δh2~lgr关系曲线的直线段上任意两点的纵坐标值(m2);
r1、r2———在s(或Δh2)~lgr关系曲线上纵坐标为s1、s2(或)的两点至抽水孔的距离(m)。
8.2.3 单孔非稳定流抽水试验,在没有补给的条件下,利用抽水孔或观测孔的水位下降资料计算渗透系数时,可采用下列公式:
1 配线法:
1)承压水完整孔:
2)潜水完整孔:
式中W(u)——井函数;
S——承压水含水层的释水系数;
μ——潜水含水层的给水度。
2 直线法:
当<0.01时,可采用公式(8.2.2-1)、(8.2.2-2)或下列公式:1) 承压水完整孔:
(8.2.3-5)
水完整孔:
(8.2.3-6)
式中s1、s2——观测孔或抽水孔在s~lgt关系曲线的直线段上任意两点的纵坐标值(m);
——观测孔或抽水孔在Δh2~lgt关系曲线的直线段上任意两点的纵坐标值(m2);
t1、t2——在s (或Δh2)~lgt关系曲线上纵坐标为s1、s2(或)两点的相应时间(min)。
8.2.4 单孔非稳定流抽水试验,在有越流补给(不考虑弱透水层水的释放)的条件下,利用s~lgt关系曲线上拐点处的斜率计算渗透系数时,可采用下式:
(8.2.4)
式中r——观测孔至抽水孔的距离(m);
B——越流参数;
m i——s~lgt关系曲线上拐点处的斜率。
注:1 拐点处的斜率,应根据抽水孔或观测孔中的稳定最大下降值的1/2确定曲线的拐点位置及拐点处的水位下降值,再通过拐点作切线计算得出。
2 越流参数,应根据,从函数表中查出相应的r/B,然后确定越流参数B。
8.2.5 稳定流抽水试验或非稳定流抽水试验,当利用水位恢复资料计算渗透系数时,可采用下列公式:
1 停止抽水前,若动水位已稳定,可采用公式(8.2.4)计算,式中的m i值应采用恢复水
位的曲线上拐点的斜率。
2 停止抽水前,若动水位没有稳定,仍呈直线下降时,可采用下列公式:
1)承压水完整孔:
(8.2.5-1)2)潜水完整孔:
(8.2.5-2)式中t k——抽水开始到停止的时间(min);
t T——抽水停止时算起的恢复时间(min);
s——水位恢复时的剩余下降值(m);
h——水位恢复时的潜水含水层厚度(m)。
注:1 当利用观测孔资料时,应符合当<0.01时的要求。
2 如恢复水位曲线直线段的延长线不通过原点时,应分析其原因,必要时应进行修正。
8.2.6 利用同位素示踪测井资料计算渗透系数时,可采用下列公式:
(8.2.6-1)
(8.2.6-2)
式中V f——测点的渗透速度(m/d);
I——测试孔附近的地下水水力坡度;
r——测试孔滤水管内半径(m);
r0——探头半径(m);
t——示踪剂浓度从N0变化到N t所需的时间(d);
N0——同位素在孔中的初始计数率;
N t——同位素t时的计数率;
N b——放射性本底计数率;
a——流场畸变校正系数。
8.3 给水度和释水系数
8.3.1 潜水含水层的给水度和承压水含水层的释水系数,可利用单孔非稳定流抽水试验观测孔的水位下降资料计算确定,或采用野外试验和室内试验的方法确定。
8.4 影响半径
8.4.1 利用稳定流抽水试验观测孔中的水位下降资料计算影响半径时,可采用下列公式:1 承压水完整孔:
(8.4.1-1)
2 潜水完整孔:
(8.4.1-2)
8.4.2 缺少观测孔的水位下降资料时,影响半径可采用经验数据,也可选用有关公式计算。
8.5 降水入渗系数
8.5.1 勘察区或附近设有地下水均衡场时,降水入渗系数可直接采用均衡场的降水入渗系数的观测计算值或采用比拟法确定。
8.5.2 在平原地区,利用降水过程前后的地下水水位观测资料计算潜水含水层的一次降水入渗系数时,可采用下式近似计算:
α=μ(h max-h±Δh·t)/X (8.5.2)
式中α——一次降水入渗系数;
h max——降水后观测孔中的最大水柱高度(m);
h——降水前观测孔中的水柱高度(m);
Δh——临近降水前,地下水水位的天然平均降(升)速(m/d);
t——从h变到h max的时间(d);
X——t日内降水总量(m)。