《继电保护综合实验》实验指导书
- 格式:pdf
- 大小:840.01 KB
- 文档页数:30
前言电力系统继电保护是本专业的主要课程,是一门理论性和实践性都很强的专业课,要求学生通过本课程的学习,掌握电力系统继电保护的基本原理、基本概念、考虑和解决问题的基本方法以及基本的实验技能,为学生毕业后从事本专业范围内的各项工作奠定专业基础。
因此,实验是教学的主要环节之一,通过实验,掌握各种主要保护继电器的构造、特性及一般调试方法,巩固和丰富所学到的理论知识、培养操作技能,并可从中发现和探讨新的问题。
为保护实验的顺利进行,提高实验质量,以达到预期的效果,实验应按以下要求进行:1.实验前应对实验内容认真预习,弄清所需仪器设备规范、性能及使用方法,并写好预习报告。
预习报告内容应包括:实验目的;简明的实验步骤;实验接线图及实验数据记录表格。
实验前将预习报告交指导教师签阅后方可参加实验。
否则,不得参加实验。
2.按实验接线图接线。
接线要整齐、清晰。
线路接好后须经指导教师检查、方可接通电源进行实验。
3.按实验步骤进行实验。
每做完一项实验,应将数据交指导教师检查后,方能拆线,再进行下一个实验。
注意:改变实验接线前应先拉开电源。
4.实验中如遇异常事故,应首先切断电源,请指导教师一起查明原因后方可再进行实验。
事故损坏的仪器设备,按学校规定处理。
5.实验完毕,应将全部数据交指导教师审阅后再拆除实验线路,整理好实验所用的仪器设备及导线。
6.实验报告按规定内容书写,按时交指导教师批阅。
实验一、DL-10系列电流继电器、DJ-100系列电压继电器的特性实验一、实验目的:1.了解电磁型电流继电器和电压继电器的构造及动作原理。
2.测量继电器的各项电气参数及进行各部件调整以达到掌握电流、电压继电器的基本检验及调试方法。
3.加深对过量继电器和欠量继电器的动作、返回的意义的理解。
二、实验内容:1.观察电流继电器及电压继电器的构造及其动作原理。
2.测量电流继电器的动作电流IDZ 及返回电流IFH,计算返回系数KFH。
3.测量低电压继电器起动电压UDZ 和返回电压UFH,计算返回系数KFH。
继电保护实验指导书第一章实验的基本要求和安全操作规程1-1 实验的基本要求实验课的目的在于培养学生掌握基本的实验方法与操作技能。
培养学生学会根据实验目的,实验内容及实验设备拟定实验线路,选择所需仪表,确定实验步骤,测取所需数据,进行分析研究,得出必要结论,从而完成实验报告。
在整个实验过程中,必须集中精力,及时认真做好实验。
现按实验过程提出下列基本要求。
一、实验前的准备实验前应复习课本有关章节,认真研读实验指导书,了解实验目的、项目、方法与步骤,明确实验过程中应注意的问题(有些内容可到实验室对照实验预习,如熟悉组件的编号,使用及其规定值等),并按照实验项目准备记录抄表等。
实验前应写好预习报告,经指导教师检查认为确实作好了实验前的准备,方可开始作实验。
认真作好实验前的准备工作,对于培养同学独立工作能力,提高实验质量和保护实验设备都是很重要的。
二、实验的进行1、建立小组,合理分工每次实验都以小组为单位进行,每组由2~3人组成,实验进行中的接线、调节负载、保持电压或电流、记录数据等工作每人应有明确的分工,以保证实验操作协调,记录数据准确可靠。
2、选择组件和仪表实验前先熟悉该次实验所用的组件,选择仪表量程,然后依次排列组件和仪表便于测取数据。
3、按图接线根据实验线路图及所选组件、仪表、按图接线,线路力求简单明了,按接线原则是先接串联主回路,再接并联支路。
为查找线路方便,每路可用相同颜色的导线或插头。
4、开启电源,观察电源指示在正式实验开始之前,先熟悉电源仪表指示。
然后按交直流电源操作说明规范启动电源,观察所有仪表是否正常(如3个指示仪表是否一致、是否超满量程等)。
如果出现异常,应立即切断电源,并排除故障;如果一切正常,即可正式开始实验。
5、完成实验内容预习时对每次实验的试验方法、步骤及所需测数据的大小作到心中有数。
正式实验时,根据实验步骤逐次测取数据。
6、认真负责,实验有始有终实验完毕,须将数据交指导教师审阅。
实验三组合型信号继电器实验一、实验目的熟悉和掌握DXM—2A型信号继电器的工作原理,实际结构,基本特性及其工作参数和释放参数的测试方法。
二、预习与思考1、DXM—2A型信号继电器具有那些特点?2、实验时为什么要注意工作线圈的极性和释放线圈的极性?如接反了会出现什么情况?3、如继电器端子①⑥加电流使其动作后,S2不断开,就合上S3,在端子④⑨间加入释放电压,这样操作对吗?为什么?三、原理说明图3-1信号继电器横截面结构图DXM—2A型信号继电器适用于直流操作的继电保护线路和自动控制线路中作远距离复归的动作指示。
继电器由密封干簧接点,工作绕组,释放绕组,自锁磁铁和指示灯等组成。
横截面结构示意图见图3-1。
当继电器工作绕组的端子①—⑥加入电流(或电压)时,线圈所产生的磁场作用在簧片两端的磁通极性与放置在线圈内的永久磁铁极性相同,两磁通迭加,使触点闭合,信号指示灯亮。
在工作绕组断电后触点借永久磁铁的作用进行自保持;当在释放绕组④—⑨二端间加入电压时,所产生的磁场作用在触点簧片两端的磁通与磁铁极性相反,两磁通相互抵消,使触点返回原位,指示灯灭。
继电器内部接线图见图3-2。
图3-2信号继电器内部接线图四、 实验设备523417869V I++23417869VV++电流起动电压起动五、实验步骤和要求*1、观察DXM—2A型信号继电器的结构和内部接线,该继电器有如下特点(1)采用干簧触点代替普通青铜接触片。
(2)用磁力自保持代替机械自保持。
(3)用灯光指示代替信号掉牌指示。
(4)可以远距离复归。
*2、绝缘测试用1000伏兆欧表测试全部端子对铁支架的绝缘电阻应不小于50兆欧。
工作绕组与释放绕组间的绝缘电阻不小于10兆欧。
绕组对触点的绝缘电阻应不小于50兆欧。
并将测得数据填入表3--1。
表3-1信号继电器实验记录表3、动作电流(电压)和释放电压测试电流(电压)启动信号继电器实验接线分别见图3-3、图3-4。
图3-3 电流启动型信号继电器实验接线图接线时应注意工作线圈和释放线圈的极性,端子①为工作绕组正极性端子,端子④为释放线圈的正极性端子,接好线经指导教师检查后方可合上开关S 1及S 2,慢慢调整可变电阻R 2加大输出电流(或电压)直至继电器动作,指示灯亮。
继电保护实验指导书邵阳学院电气工程系电力系统保护实验室2010.9实验说明第一次实验前请仔细阅读第一章,了解实验系统各部分的功能和连接方式。
实验过程中接线切记以下几点:1. 测试仪上的电流输出应连接到各继电器及多功能微机保护实验装置的电流输入端子上!并注意接好电流公共端!与多功能微机保护实验装置连接时注意把三相电流公共端连在一起后再连接到测试仪电流公共端上!2. 测试仪的电压输出应连接到各继电器及多功能微机保护实验装置的电压输入端子上!并注意接好电压公共端!3. 测试仪的开关量信号分清楚开入和开出,不要接错!4. 实验前必须仔细阅读《TQWX-II微机型继电保护试验测试仪用户手册》(或继电保护信号测试系统软件帮助文件)和《TQDB-II 型多功能微机保护实验装置用户手册》,熟悉TQWX-II微机型继电保护试验测试仪和TQDB-II型多功能微机保护实验装置的操作使用后方可进行实验。
5. 实验电流较大(大于12A)时,测试仪不得长期工作!6.接线完毕后,必须由另一人检查线路。
第一章概述一、系统简介:TQDB-III多功能微机保护与变电站综合自动化实验培训系统采用集成式、开放式的设计思路,覆盖了多个专业多门课程,适合电力系统、电气类、自动化类、电工类专业学生进行研究性、综合性、设计性、开放性实验、课程设计、毕业设计及创新设计。
本实验指导书着重介绍与《电力系统继电保护原理》、《电力系统微机保护》、《变电站综合自动化》课程相关的实验。
本实验台可完成:常规继电器特性实验、数字式继电器特性实验及成组微机保护综合实验三大部分。
其中包含的常规继电器有:DL-31型电流继电器、DY-36型电压继电器、LG-11型功率方向继电器、LCD-4型变压器差动继电器。
数字式继电器有:数字式电流继电器、电压继电器,反时限电流继电器,功率方向继电器,差动继电器,阻抗继电器,零序电流、零序电压继电器,负序电流继电器、负序电压继电器,反时限零序继电器、反时限负序电流继电器。
继电保护实验指导书目录继电器的特性实验单侧电源辐射型线路三段式电流电压保护实验微机及其变压器保护实验继电器的特性实验1.实验目的1)了解继电器基本分类方法及其结构。
2)熟悉电流继电器的构成原理。
3)学会调整、测量电磁型继电器的动作值、返回值和计算返回系数。
4)测量继电器的基本特性。
2.继电器的类型与原理继电器是电力系统常规继电保护的主要元件,它的种类繁多,原理与作用各异。
1)继电器的分类继电器按所反应的物理量的不同可分为电量与非电量的两种。
属于非电量的有瓦斯继电器、速度继电器等;反应电量的种类比较多,一般分类如下:(1)按结构原理分为:电磁型、感应型、整流型、晶体管型、微机型等。
(2)按继电器所反应的电量性质可分为:电流继电器、电压继电器、功率继电器、阻抗继电器、频率继电器等。
(3)按继电器的作用分为:起动动作继电器、中间继电器、时间继电器、信号继电器等。
近年来电力系统中已大量使用微机保护,整流型和晶体管型继电器以及感应型、电磁型继电器使用量已有减少。
2)电磁型继电器的构成原理继电保护中常用的有电流继电器、电压继电器、中间继电器、信号继电器、阻抗继电器、功率方向继电器、差动继电器等。
下面仅就常用的电磁型电流继电器的构成及原理作简要介绍。
电磁型继电器的典型代表是电磁型电流继电器,它既是实现电流保护的基本元件,也是反应故障电流增大而自动动作的一种电器。
下面通过对电磁型电流继电器的分析,来说明一般电磁型继电器的工作原理和特性。
图2-1为DL 系列电流继电器的结构图,它由固定触点1、可动触点2、线圈3、铁心4、弹簧5、转动舌片6、止档7所组成。
当线圈中通过电流KA I 时,铁心中产生磁通φ,它通过由铁心、空气隙和转动舌片组成的磁路,将舌片磁化,产生电磁场,产生电磁力e F ,形成一对力偶。
由这对力偶所形成的电磁转矩,将使转动舌片按磁阻减小的方向(即顺时针方向)转动,从而使继电器触点闭合。
电磁力e F 与磁通φ的平方成正比,即21e F K φ=其中/K A K A CI N R φ= 所以2221/e K A K ACF K I N R = 式中,KA N ——继电器线圈匝数;C R ——磁通φ所经过的磁路的磁阻。
资料内容仅供您学习参考,如有不当或者侵权,请联系改正或者删除。
一、前言( 一) 发电厂变电所二次系统的基本概念1.一次系统与二次系统的概念发电厂和变电所的电气设备分为一次设备和二次设备。
一次设备有发电机、变压器、断路器、隔离开关、电抗器、电力电缆以及母线、输电线路等。
由这些设备按一定规律相互连接构成的电路称为一次接线或一次回路, 它是发电、变电和输配电的主体。
二次设备包括监察测量仪表、控制及信号器具、继电保护装置、自动装置、远动装置等。
这些设备一般是由电流互感器、电压互感器、蓄电池组成或厂( 所) 用低压电源供电, 表明它们互相连接关系的电路称为二次接线又称二次回路。
二次回路的设备一般为低压设备。
在发电厂和变电所中, 虽然一次接线是主体, 可是, 要实现安全、可靠、优质、经济地发、变、输配电, 二次接线同样是不可缺少的重要组成部分。
特别是对于运行控制而言, 二次接线显得更加重要。
2.断路器的控制回路和信号回路在发电厂和变电所内对断路器的控制, 按控制地点可分集中控制和就地控制两种。
对主要设备, 如发电机、主变压器、母线分段或母联、旁路断路器、 35KV及以上电压的线路以及高、低压厂用工作与备用变压器等采用集中控制, 对6~10kV线路以及厂用电动机等采用就地控制。
所谓集中控制就是集中在主控制室内进行控制, 被控的断路器与主控制室之间一般都有几十米到几百米的距离。
所谓就地控制是指在断路器安装地点进行控制, 能够大大地减少主控制室的建筑面积和节省控制电缆。
断路器的控制一般是经过电气回路来实现的, 为此必须有相应的二次设备, 在主控制室的控制屏上应当有能发出跳、合闸命令的控制开关, 在断路器上应当有执行命令的操动机构( 跳、合闸线圈) 。
( 二) 继电保护的任务与作用原理及组成1.作用原理电力系统中发生故障和出现不正常运行情况时, 系统正常运行遭到破坏, 以致造成对用户的停止供电或少供电, 有时甚至破坏设备。
继电保护实验指导书1 -CAL-FENGHAI.-(YICAI)-Company One1一、电磁型电流继电器实验一、实验目的熟悉DL型电流继电器的实际结构、工作原理、基本特性;掌握动作电流值、动作电压值及其相关参数的整定方法。
二、预习与思考1、电流继电器的返回系数为什么恒小于12、动作电流、返回电流和返回系数的定义是什么3、实验结果如返回系数不符合要求,你能正确地进行调整吗4、返回系数在设计继电保护装置中有何重要用途三、原理说明图1-1电流继电器实验接线图2四、实验设备五、实验步骤和要求1、绝缘测试(1)全部端子对铁芯或底座的绝缘电阻应不小于50兆欧。
(2)各线圈对触点及各触点间的绝缘电阻应不小于50兆欧。
(3)各线圈间绝缘电阻应不小于50兆欧。
2、整定点的动作值、返回值及返回系数测试实验接线图1-2为电流继电器的实验接线,可根据下述实验要求分别进行。
实验参数电流值(或电压值)可用单相自耦调压器、变流器、变阻器等设备进行调节。
实验中每位学生要注意培养自己的实践操作能力,调节中要注意使参数平滑变化。
a、选择ZB11继电器组件中的DL—24C/6型电流继电器,确定动作值并进行初步整定。
本实验整定值为及的两种工作状态。
3b、根据整定值要求对继电器线圈确定接线方式(串联或并联)c、按图1-1接线,检查无误后,调节自耦调压器及变阻器,增大输出电流,使继电器动作。
读取能使继电器动作的最小电流值,即使常开触点由断开变成闭合的最小电流,记入表1-2;动作电流用I dj表示。
继电器动作后,反向调节自耦调压器及变阻器降低输出电流,使触点开始返回至原来位置时的最大电流称为返回电流,用I fj表示,读取此值并记入表1--2,并计算返回系数;继电器的返回系数是返回电流与动作电流的比值,用K f表示。
I fjK f =-----I dj过电流继电器的返回系数在~之间。
当小于或大于时,应进行调整。
表1-2电流继电器实验结果记录表动作值与返回值的测量应重复三次,每次测量值与整定值的误差不应大于±3%。
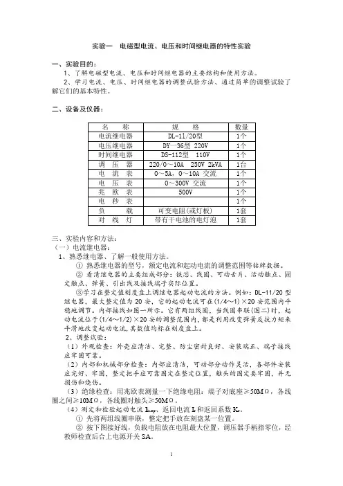
实验一电磁型电流、电压和时间继电器的特性实验一、实验目的:1、了解电磁型电流、电压和时间继电器的主要结构和使用方法。
2、学习电流、电压、时间继电器的调整试验方法、通过简单的调整试验了解它们的基本特性。
二、设备及仪器:三、实验内容和方法:(一)电流继电器:1、熟悉继电器、了解一般使用方法。
①熟悉继电器的型号,额定电流和起动电流的调整范围等铭牌数据。
②看清继电器的主要组成部分:铁芯、线圈、可动舌片、活动触点、固定触点、弹簧、引出线及接线端子实际位置。
③学习在整定值刻度盘上调继电器起动电流的方法。
例如:DL-11/20型继电器,最大整定值为20安,它的起动电流可在(1/4~1)×2O安范围内平稳地调节。
内部接线如图一所示。
它有两组线圈,当线圈串联(图二)时,起动电流位于(1/4~1/2)×20安的调整范围内,都是利用改变弹簧反抗力矩来平滑地改变起动电流,其数值均标在刻度盘上。
2、调整试验:(1)外观检查:外壳应清洁、完整、防尘密封良好、安装端正、端子接线应牢固可靠。
(2)内部和机械部分检查:内部应清洁,可动部分动作灵活,各部件安装应完好、牢固,整定把手应可靠固定在整定位置,触头的固定要牢固,并无损伤和烧伤。
(3)绝缘检查:用兆欧表测量一下绝缘电阻:端子对底座≥50MΩ,各线圈之间≥10MΩ,各线圈对触头≥50MΩ。
(4)测定和检验起动电流I k.op、返回电流I r和返回系数K r。
①先将两组线圈串联,整定把手放在刻盘某一位置。
②按下图接好线,负载电阻放在电阻最大位置,调压器手柄指零位,经教师检查后合上电源开关SA。
③升高调压器输出电压在100~150V左右,用减小负载电阻的方法,初步调节流入继电器线圈电流的大小。
④电流表读数接近继电器整定值时改用调压器进行细调:缓慢升高电压,电流也缓慢上升、到对线灯发亮为止(继电器动作,常开接点闭合、接通对线灯电路),此时电流表读数为继电器的实际起动电流I k.op。
电力系统继电保护实验室安全操作规程为了按时完成电力系统继电保护实验,确保实验时人身安全与设备安全,要严格遵守如下规定的安全操作规程。
1、实验时,人体不可接触带电线路和带电体。
2、接线或拆线都必须在切断电源的情况下进行。
3、学生独立完成接线或改接线路后必须经指导教师检查和允许,并使组内其它同学引起注意后方可接通电源。
实验中如发生事故,应切断电源,经查清问题和妥善处理故障后,才能继续进行实验。
4、通电前应先检查所有仪表量程是否符合要求,是否有短路回路存在,以免损坏仪表或电源。
5、总电源或实验台控制屏上的电源应由实验指导老师来控制,其他人员只能经指导老师允许后方可操作,不得自行合闸。
继电器的一般性检验1、外部检查继电器应符合以下要求:(1)外壳应清洁无灰尘。
(2)外壳,玻璃或塑料面应完整,嵌接良好。
(3)外壳与底座接合应紧密牢固,防尘密封良好。
(4)整体安装端正,端子接线及焊点牢固可靠,导电部分与屏柜面板的距离不小于3~5mm。
2、内部和机械检查(1)内部应清洁,无灰尘和油污。
(2)可动部分应动作灵活,无卡阻现象,转轴纵向和横向活动范围应适当。
(3)时间继电器的钟表机构及可动系统在前进和后退过程中动作应灵活。
(4)各部件安装完好,螺丝拧紧,整定把手应能可靠的固定在整定的位置上,整定螺丝插头与整定孔的接触良好。
(5)弹簧应无变形,层间距离要均匀,整个弹簧平面应与转轴垂直。
(6)内部触点无损伤且接触良好,动作后有明显的动作行程,即压力足够,且行程应符合要求,动、静触点接触时应中心相对。
(7)具有多对触点的继电器,除特殊要求外,各对触点的接触应同步。
(8)内部各焊点应牢固可靠,谨防虚焊、脱焊,相邻焊点及接线鼻之间要有一定的距离,以避免短路。
实验一电磁型电流继电器一、实验目的1、了解DL型继电器的构造,各部分的功用及动作原理。
2、掌握DL型继电器的调整步骤及调整方法。
3、学会DL型电流继电器返回系数的调整方法。
实验一三段式电流保护综合实验(微机型)一、实验目的:1.掌握无时限电流速断保护、带时限电流速断保护及过电流保护的电路原理、工作特性及整定原则。
2. 理解输电线路阶段式电流保护的原理图、展开图及保护装置中各继电器的功用。
二、预习与思考:1. 三段式电流保护为什么要使各段的保护范围和时限特性相配合?2. 由指导教师提供有关技术参数,你能对三段式电流保护进行计算与整定吗?3. 为什么在实验中,采用单相接线三段式保护能满足教学要求?4. 三段式保护模拟动作操作前,是否必须对每个继电器进行参数整定?为什么?5.三段式电流保护各段是如何实现选择性的?为什么电流Ⅲ段的动作最灵敏?三、实验仪器与设备:JSY-2000继电保护实验台四、实验原理:1. 电流速断保护原理及整定原则。
2. 限时电流速断保护原理及整定原则。
3.定时限过电流保护原理及整定原则。
4.三段式电流保护的原理。
1)三段式电流保护的构成无时限电流速断只能保护线路的一部分,带时限电流速断只能保护本线路全长,但却不能作为下一线路的后备保护,还必须采用过电流保护作为本线路和下一线路的后备保护。
由无时限电流速断、带时限电流速断与定时限过电流保护相配合可构成的一整套输电线路阶段式电流保护,叫做三段式电流保护。
图1-1 三段式电流保护各段的保护范围及时限配合输电线路并不一定都要装三段式电流保护,有时只装其中的两段就可以了。
例如用于“线路-变压器组”保护时,无时限电流速断保护按保护全线路考虑后,此时,可不装设带时限电流速断保护,只装设无时限电流速断和过电流保护装置。
又例如在很短的线路上,装设无时限电流速断往往其保护区很短,甚至没有保护区,这时就只需装设带时限电流速断和过电流保护装置,叫做二段式电流保护。
在只有一个电源的辐射式单侧电源供电线路上,三段式电流保护装置各段的保护范围和时限特性见图1-1。
XL-1线路保护的第Ⅰ段为无时限电流速断保护,它的保护范围为线路XL-1的前一部分即线路首端,动作时限为t1I,它由继电器的固有动作时间决定。
实验一电磁型电流继电器、电压继电器实验一、实验目的:1.熟悉电磁型电流继电器和电压继电器的构造,规范。
2.掌握继电器基本参数的测试方法。
二、电磁型电流继电器实验:1.实验内容:(1)观察继电器的构造,熟悉其动作原理,了解整定方法。
(2)测量继电器的起动电流,返回电流,返回系数的意义。
2.实验接线:3.实验步骤:(1)观察继电器构造及铭牌上规范,线圈连接情况及整定把手与整定电流之间关系。
(2)将两个线圈顺向串联,整定把手置于刻度最小、最中、最大三个位置时,分别读取继电器起动电流值(常开接点刚好闭合时最小电流为起动电流)和返回电流( 接点闭合后逐渐减小电流,使接点刚好打开时电流即为返回电流)。
(3)计算返回系数:=Kre/IreIop(4)将继电器两个线圈并联,重复上述(2)步骤,并与其比较。
(5)记录实验读数并计算返回系数。
4.注意事项:(1)起动电流测量值与整定值误差不应大于±5%,如不符合要求时,可先将整定把手放在最大刻度位置,当测量值小于刻度值时,将Z形舌片起始位置向远离电磁铁的磁极位置调节,反之则反,然后再将把手放在最小位置,调节弹簧拉力,使在最小时亦满足,此时应注意接点接触的可靠性。
(2)返回系数应在0.85~0.95之间。
调整静接点片弹力及舌片弹力及舌片终置位置,限位螺杆的位置改变返回系数。
(3)在1.05倍起动电流使接点闭合时,接点不应抖动。
三、电磁型电压继电器实验:1.实验内容:(1)观察继电器的构造及线圈特点,理解其动作原理整定方法。
(2)测量继电器的动作电压、返回电压,求出返回系数,理解低电压继电器上述数据的不同点。
2.实验接线:3.实验步骤:(1)观察继电器构造及铬牌上规范,线圈连接情况及整定把手与整定电压之间关系。
(2)观察继电器线圈并用万能表测量线圈直流电阻。
(3)根据试验电源电压,选用试验设备及继电器整定电压范围,将继电器线圈串联或并联,分别在最小、中间、最大三个位置,读取动作电压与返回电压。
实验一电磁型电流继电器实验一、实验目的熟悉DL型电流继电器的实际结构、工作原理、基本特性;掌握动作电流值、动作电压值及其相关参数的整定方法。
二、预习与思考1、电流继电器的返回系数为什么恒小于1?2、动作电流、返回电流和返回系数的定义是什么?3、实验结果如返回系数不符合要求,你能正确地进行调整吗?4、返回系数在设计继电保护装置中有何重要用途?三、原理说明DL—20c系列电流继电器用于反映发电机、变压器及输电线路短路和过负荷的继电保护装置中。
DL—20c系列继电器的内部接线图见图1一1。
上述继电器是瞬时动作的电磁式继电器,当电磁铁线圈中通过的电流达到或超过整定值时,衔铁克服反作用力矩而动作,且保持在动作状态。
过电流继电器:当电流升高至整定值(或大于整定值)时,继电器立即动作,其常开触点闭合,常闭触点断开。
继电器的铭牌刻度值是按电流继电器两线圈串联时标注的指示值等于整定值;若上述二继电器两线圈分别作并联和串联时,则整定值为指示值的2倍。
转动刻度盘上指针,以改变游丝的作用力矩,从而改变继电器动作值。
图1-1电流继电器内部接线图图1-2电流继电器实验接线图12348765DL-21CDY-21C、26C12348765DL-23CDY-23C、28C12348765DY-22C 12348765DY-24C、29C12348765DY-25C四、实验设备五、验步骤和要求*1、绝缘测试单个继电器在新安装投入使用前或经过解体检修后,必须进行绝缘测试,对于额定电压为100伏及以上者,应用1000伏兆欧表测定绝缘电阻;对于额定电压为100 伏以下者,则应用500伏兆欧表测定绝缘电阻。
测定绝缘电阻时,应根据继电器的具体接线情况,注意把不能承受高压的元件(如半导体元件、电容器等)从回路中断开或将其短路。
本实验是用1000伏兆欧表测定导电回路对铁芯的绝缘电阻及不连接的两回路间的绝缘电阻,要求如下:(1)全部端子对铁芯或底座的绝缘电阻应不小于50兆欧。
实验一:微机型电网电流、电压保护实验实验台工作原理及接线实验台一次接线如图,它是单侧电源供电的输电线路,由系统电源,AB 、BC 线路和负载构成。
系统实验电源由三相调压器TB 调节输出线电压100V 和可调电阻R s 组成;线路AB 和BC 距离长短分别改变可调电阻R AB 、R BC 阻值即可;负载由电阻和灯组成。
A变电站和B变电站分别安装有S300L 微机型电流电压保护监控装置。
线路AB 、BC 三相分别配置有保护和测量用的电流互感器,变比15/5。
TBV Rs R AB R BC R fA B CS L S L KM KM图 电流、电压实验台一次接线线路正常运行时:线电压100V ,2,8,15,28s AB BC f R R R R =Ω=Ω=Ω=Ω实验台对应设备名称分别是:(1)1KM 、2KM :分别为A 变电站和B 变电站模拟断路器;(2)R AB 、R BC :分别是线路AB 和BC 模拟电阻;(3)3KM 、4KM :分别是线路AB 和BC 短路实验时模拟断路器;(4)3QF 、4QF :分别是线路AB 和BC 模拟三相、两相短路开关;实验内容:1、正确连接保护装置A 站、B 站的电流保护回路和测量回路,注意电流互感器接线。
2、合上电源开关,调节调压器电压从0V 升到100V ,根据计算得到: A 站=set A I I . 7 A ,=set A II I . 3 A ,=set A III I. 2 A ,t =I A 0 s , t =II A 0.5 s , t =III A 1 s ; B 站=set B I I . 3 A ,=set B III I . 2 A ,t =I B 0 s ,t =III B 0.5 s ,将整定值分别在S300L 保护监控装置A 站、B 站保护中设定。
注:A 站保护配置电流I 、II 、III 段保护,B 站只配置电流I 、III 段保护。
实验一三段式电流保护与自动重合闸装置综合实验(-)实验目的1.了解电磁式电流保护的组成。
2.学习电力系统电流保护中电流、时间整定值的调整方法。
3.研究电力系统中运行方式变化对保护灵敏度的影响。
4.分析三段式电流保护动作配合的正确性。
()基本原理1.电流保护实验基本原理图in 电流保护实验一次系统图1)三段式电流保护当网络发生短路时,电源与故障点之间的电流会增大。
根据这个特点可以构成电流保护。
电流保护分无时限电流速断保护(简称I段)、带时限速断保护(简称II 段)和过电流保护(简称II段)。
下面分别讨论它们的作用原理和整定计算方法。
(1)无时限电流速断保护(I段)单侧电源路线上无时限电流速断保护的作用原理可用图1-2来说明。
短路电流的大小人和短路点至电源间的总电阻R E及短路类型有关。
三相短路和两相短路时,短路电流人与R E的关系可分别表示如下:/⑶=E, = E,K R E凡+ R。
,/ (2)=心* Esk — 2R +R,ls式中,E——电源的等值计算相电势;R——归算到保护安装处网络电压的系统ss等值电阻;Ro——路线单位长度的正序电阻;I ――短路点至保护安装处的距离。
由上两式可以看到,短路点距电源愈远(Z愈长)短路电流&愈小;系统运行方式小(尺愈大的运行方式)4亦小。
4与I的关系曲线如图1-2曲线1和2所示。
曲线1为最大运行方式(R,最小的运行方式)下的衣=/( /)曲线,曲线2为最小运行方式(Rs最大的运行方式)下的I K=JU)曲线。
路线AB和BC上均装有仅反应电流增大而瞬时动作的电流速断保护,则当路线AB上发生故障时,希翼保护KA?能瞬时动作,而当路线BC 士故障时,希望保护KAi 能瞬时动作,它们的保护范围最好能达到本路线全长的00%。
但是这种愿望是否能实现,需要作具体分析。
以保护KA 2为例,当本路线末端妇点短路时,希翼速断保护KA2能够瞬时动作切除故障,而当相邻路线BC的始端(习惯上又称为出口处)化点短路时,按照选择性的要求,速断保护KA2就不应该动作,因为该处的故障应由速断保护KAi动作切除。
目录电力系统继电保护原理部分实验一电流继电器特性实验实验二功率方向继电器特性实验实验三重合闸继电器特性实验实验四差动继电器特性实验实验五发电机保护屏整组实验实验六变亚器保护屏整组实验微机保护部分实验七微机线路相间方向距离保护实验实验八微机接地方向距离保护特性实验实验九微机零序方向电流保护特性实验实验十微机线路保护屏整组试验实验十一微机变压器差动速断//后备保护特性实验实验十二微机变压器比率差动//谐波制动特性实验实验十三微机变压器保护屏整组试验实验十四系统振荡//PT失压微机线路保护暂态特性实验附录一THL200系列线路保护装置使用说明附录二THT200系列变压器保护装置使用说明附录三M2000微机保护综合测试仪使用手册实验一电流继电器特性实验一、实验目的1、了解继电器的結构及工作原理。
2、掌握继电器的调试方法。
二、构造原理及用途继电器由电磁铁、线圈、Z型舌片、弹簧、动触点、静触点、整定把手、刻度盘、轴承、限制螺杆等组成。
继电器动作的原理:当继电器线圈中的电流增加到一定值时,该电流产生的电磁力矩能够克服弹簧反作用力矩和摩擦力矩,使Z型舌片沿顺时针方向转动,动静接点接通,继电器动作。
当线圈的电流中断或减小到一定值时,弹簧的反作用力矩使继电器返回。
利用连接片可将继电器的线圈串联或并联,再加上改变调整把手的位置可使其动作值的调整范围变更四倍。
继电器的内部接线图如下:图一为动合触点,图二为动断触点,图三为一动合一动断触点。
电流继电器用于发电机、变压器、线路及电动机等的过负荷和短路保护装置。
三、实验内容1. 外部检查2. 内部及机械部分的检查3. 绝缘检查4. 刻度值检查5. 接点工作可靠性检查四、实验步骤1、外部检查检查外壳与底座间的接合应牢固、紧密;外罩应完好,继电器端子接线应牢固可靠。
1. 内部和机械部分的检查a. 检查转轴纵向和横向的活动范围,该范围不得大于0.15~0.2mm,检查舌片与极间的间隙,舌片动作时不应与磁极相碰,且上下间隙应尽量相同,舌片上下端部弯曲的程度亦相同,舌片的起始和终止位置应合适,舌片活动范围约为7度左右。
电力系统继电保护实验指导书1. 实验目的:了解电力系统继电保护的基本原理和运行方式,搞清楚各种继电保护装置的工作原理,熟悉各种装置的联动控制,掌握手动、自动重合器的操作方法。
2. 实验内容:(1)了解电力系统保护装置的种类和作用;(2)掌握电力系统故障类型和特点;(3)掌握各种距离保护装置的特点和工作原理;(4)掌握继电保护系统的联动控制原理和操作方法;(5)掌握手动、自动重合器的操作方法。
3. 实验仪器和器材:(1)距离保护装置;(2)电力系统模拟实验装置;(3)手动、自动重合器。
4. 实验原理:(1)电力系统保护装置的种类和作用:电力系统保护装置包括继电保护、保险丝保护、断路器保护、接地保护等。
继电保护是一种通过电气信号来控制断路器的装置,它可以对电力系统的各种故障进行侦测和保护,确保电力系统不会出现大面积故障。
(2)电力系统故障类型和特点:电力系统故障可以分为线路短路故障、接地故障和断相故障等。
故障的特点是在一定的时间内,电力系统中出现了短路或失相现象,这样就会对电力系统的正常运行产生影响。
(3)距离保护装置的特点和工作原理:距离保护装置是用于防止电力系统中发生短路故障的一种保护装置,它可以依据电力系统中的电压和电流的变化来判断是否发生了故障,并发出信号让断路器进行分闸操作。
(4)继电保护系统的联动控制原理和操作方法:为了保证电力系统的正常运行,各个继电保护装置之间需要进行联动控制。
联动控制是通过信号的传递和接收来实现的,不同的装置之间通过不同的通信协议进行通信。
(5)手动、自动重合器的操作方法:手动、自动重合器的作用是为了保证电力系统的正常运行,当出现故障时可以及时地进行重合。
手动、自动重合器的操作方法是由人工或计算机控制,通过输入指令来实现操作。
5. 实验步骤:(1)接通电力系统模拟实验装置电源,并按照说明书进行连接;(2)打开距离保护装置,并进行调整,使其达到最佳工作状态;(3)进行继电保护系统的联动控制,测试各个装置的联动控制是否正常;(4)操作手动、自动重合器,测试其操作是否正常,能否保证电力系统的normal 运行。