新版检验批卷材防水现场检查原始记录
- 格式:xls
- 大小:30.00 KB
- 文档页数:1
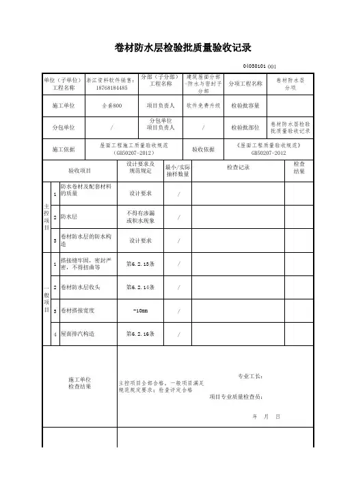
卷材防水层检验批质量验收记录
(GB50208-2002)表 4.3 编号:010503□□□
注:按铺贴面积100m2作为一处抽查,且不少于3处。
强制性条文
3.0.6 地下防水工程所用的防水材料,应有产品的合格证书和性能检测报告,材料的品种、
规格、性能等应符合现行国家产品标准和设计要求。
对进场的防水材料应按本规范附录A和附录B的规定抽样复验,并提出试验报告;
不合格的材料不得在工程中使用。
主控项目
卷材防水层所用卷材及主要配套材料必须符合设计要求。
检验方法:检查出厂合格证、质量检验报告和现场抽样试验报告。
卷材防水层及其转角处、变形缝、穿墙管道等细部做法均须符合设计要求。
检验方法:观察检查和检查隐蔽工程验收记录。
一般项目
卷材防水层的基层应牢固,基面应洁净、平整,不得有空鼓、松动、起砂和脱皮现象;基层阴阳
角处应做成圆弧形。
检验方法:观察检查和检查隐蔽工程验收记录。
卷材防水层的搭接缝应粘(焊)结牢固,密封严密,不得有皱折、翘边和鼓泡等缺陷。
检验方法:观察检查。
侧墙卷材防水层的保护层与防水层应粘结牢固,结合紧密、厚度均匀一致。
检验方法:观察检查。
卷材搭接宽度的允许偏差为-10mm。
检验方法:观察和尺量检查。
注:本表由施工项目专业质量检查员填写,监理工程师(建设单位项目专业技术负责人)组织项目
专业质量(技术)负责人等进行验收。
“现场验收检查原始记录”填写说明与依据
1.填写依据
《建筑工程施工高质量验收统一标准解读与资料编制指南》
2.相关要求
(1)检验批验收时需填写“现场验收检查原始记录”,分为两种形式,一是移动验收终端原始记录,二是手写检查原始记录,建议使用移动验收终端原始记录形式。
(2)该原始记录应由专业监理工程师和施工单位专业质量检查员、专业工长共同签署,必须手填,禁止机打,并在单位工程竣工验收前存档备查。
以便于建设、施工、监理等单位及监督部门对验收结果进行追溯、复核,单位工程竣工验收后可以继续保留或销毁。
(3)现场验收检查原始记录的格式可在本表基础上深化设计,由施工、监理单位自行确定,但必须包括本表包含的检查项目、检查位置、检查结果等内容。
(4)检验批验收应由监理单位组织,施工单位派人员参加,“现场检查原始记录”可由施工单位检查、记录,监理单位校核。
3.解释说明
(1)《建筑工程施工质量验收统一标准》50300-2001中规定的“检验批质量验收记录”在使用中存在一些问题,验收时要求填写具体的检查结果,但不能体现所检查的工程部位,无法对这些检查结果的数据进行复核,导致一些工程的验收数据不真实。
(2)使用移动验收终端原始记录,实质就是利用现代移动互联网、云计算技术,实现施工现场质量状况图形化地显示在设计图纸上,有明确的检查点位置和真实的照片数据。
(3)表格中设置检查位置一栏,用于填写楼层、区段、轴线编号等信息,对验收抽样的工程部位进行精确定位,这样就可以对验收结果进行复核,弥补了2001版标准的不足。
gb50303-2023检验批检查原始记录本文档旨在介绍《GB-2023 检验批检查原始记录》的主要目的和重要性。
#g-2023检验批检查原始记录本文档旨在介绍《GB-2023 检验批检查原始记录》的主要目的和重要性。
#g-2023检验批检查原始记录概述《GB-2023 检验批检查原始记录》对记录内容、格式和保存要求的规定。
根据《GB-2023 检验批检查原始记录》的规定,检查记录应包括以下内容:检查日期和时间:记录进行检查的具体日期和时间。
检查人员:记录进行检查的人员姓名或工号。
检查内容:详细描述所检查的项目、部位或工序。
检查结果:记录所检查项目的合格或不合格情况。
备注:记录其他需要额外说明的事项。
记录的格式要求如下:页面要整洁清晰,便于阅读和理解。
应使用规范的文档编制格式,如字体、字号、行距等。
检查记录应按照一定的顺序和结构进行编写,使信息流畅且条理清晰。
使用简洁、明确的表述,避免使用模糊、含糊不清的词语。
对于记录的保存要求,应遵循以下原则:应按照相关法律法规的规定保存记录,确保记录的可追溯和完整性。
根据项目需要,可以选择电子或纸质形式保存记录。
若采用电子形式保存记录,应采取措施保护记录的安全和可读性。
长期保存的记录应妥善管理,并按照规定的时间进行归档或销毁。
根据以上记录要求,编写《GB-2023 检验批检查原始记录》可以提高检查过程的规范性、可靠性和便捷性。
确保你已经阅读并理解了《GB-2023 检验批检查原始记录》的相关要求和规定。
获取所需要填写的表格。
确保表格的版本与《GB-2023 检验批检查原始记录》一致。
在表格的适当位置填写项目名称、建设单位、填表日期等基本信息。
根据实际情况,在表格的每一项中填入对应的内容。
确保填写的内容准确、完整、清晰。
如有需要,在表格的备注栏中提供额外的信息或说明。
在填写过程中,务必遵守《GB-2023 检验批检查原始记录》的规定,并确保填写的内容真实、准确。
卷材防水检验批质量验收记录A:DB29-54-2009;B:GB50208-2011A-38 单位(子单位)工程名称分部(子分部)工程名称验收部位施工单位项目经理专业分包单位专业分包项目经理施工执行标准名称及编号施工质量验收规范的规定施工单位检查评定记录监理单位验收意见主控项目1卷材防水层所用卷材及其配套材料必须符合设计要求B第4.3.15条2卷材防水层在转角处、变形缝、穿墙管等部位做法均须符合设计要求B第4.3.16条一般项目1卷材防水层的搭接缝应粘贴或焊接牢固,密封严密,不得有扭曲、褶皱、翘边和起泡缺陷B第4.3.17条2采用外防外贴法铺贴卷材防水时,立面卷材接槎的搭接宽度,高聚物改性沥青类卷材应为150mm,合成高分子类卷材应为100mm,且上层卷材应盖过下层卷材。
B第4.3.18条3侧墙卷材防水层的保护层与防水层应结合紧密,保护层厚度应符合设计要求B第4.3.19条4卷材防水材料必须与混凝土结构表面结合牢固,接茬严密A第9.3.3条5 卷材搭接宽度允许偏差-10mm B第4.3.20条6允许偏差(mm)保护层平整度先贴防水 5 A第9.3.4条后贴防水10保护层高程先贴防水0,-10后贴防水+20,-10施工单位检查评定结果项目专业质量检查员:年月日监理单位验收结论专业监理工程师:年月日填表说明主控项目:1、卷材防水层所用卷材及其配套材料必须符合设计要求。
检查数量:按表B.0.2抽检。
检查方法:检查产品合格证、产品性能检测报告和进场材料检验报告。
2、卷材防水层在转角处、变形缝、穿墙管等部位做法均须符合设计要求。
检查数量:全数检查。
检查方法:观察检查和检查隐蔽工程验收记录。
一般项目:1、卷材防水层的搭接缝应粘贴或焊接牢固,密封严密,不得有扭曲、褶皱、翘边和起泡缺陷。
检查数量:按铺贴面积每100m2抽查一处,每处10m2,且不少于3处。
检查方法:观察检查。
12、采用外防外贴法铺贴卷材防水时,立面卷材接槎的搭接宽度,高聚物改性沥青类卷材应为150mm,合成高分子类卷材应为100mm,且上层卷材应盖过下层卷材。