泰华PHC管桩进场质量检验标准
- 格式:doc
- 大小:34.00 KB
- 文档页数:2
【干货】PHC管桩施工质量控制要点总结PHC管桩桩身混凝土强度高,可打入密实的砂层和强风化岩层,今天我们总结了PHC管桩的质量控制要点,一起来看吧.进场控制1.管桩的强度达到设计值100%方可运至现场.2.进场时需对其产品合格证书、外观、外形尺寸进行检查.(1)外观:无蜂窝、露筋、裂缝、色感均匀,桩顶处无裂缝.(2)外形:桩径±5mm,管壁厚度±5mm,桩尖中心线小于2mm,顶面平整度小于10mm,桩顶弯曲小于1/1000L(L为桩长).(3)桩身有管桩标记、制造日期、管桩编号的标记.1.管桩吊桩时采用两支点法,也可采用在两端板处勾吊,绳索与桩身水平交角大于45°.2.装卸起吊时要平移,严禁抛掷、碰撞、滚落.3.管桩堆放场地必须平整、坚实,要有排水措施.4.管桩最下层按两支点法设置垫木,支撑点应在同一水平面上,间距2/3L(L为桩长).5.管径400mm可堆放4层,管径500mm,600mm可堆放3层,每层均需按两支点法设置垫木.6.按管桩的不同规格、型号分别堆放.1.轴线的施放应以国家三角网控制点引入,并应多次复核确定.施工现场轴线控制点的位置不受沉桩作业的影响,数量不宜少于两个.2.检查施工现场附近是否有建筑物、上空是否有杆线、地下是否有管线,并采取以下措施.(1)挖防震沟,沟宽0.5~0.8m,深度按土质情况以边坡能自立为准.(2)设置袋装沙井,直径70~80㎜,间距1~1.5m,深度10~12m.3.根据桩的密集程度以及与周围建筑的关系确定打桩顺序.(1)若桩较密集,且距建筑物较远,场地开阔时,宜从中间向四周进行.(2)若桩较密集,场地狭长,两端距建筑物较远时,宜从中间向两端进行.(3)若桩较密集,且侧边靠近建筑物,宜从毗邻建筑物的一侧开始,由近向远进行.(4)根据桩的规格,宜先大后小,先长后短.4.检查压桩机各部件是否正常运行、连接是否牢固,压力表必须经权威部门检测合格后方能使用.5.压桩机的安装地点应按施工要求进行处理,应平整场地,地面平均地基承载力应达到35kPa.6.检查桩位,偏差不得大于20mm.7.在管桩上划出以m为单位的长度标记.1.第一节管桩起吊就位插入地面的垂直度偏差不得大于0.5%,用测量仪器从正面、侧面按90°方向架设经纬仪监测下桩垂直度,必要时宜拔出重插,严禁移动桩机纠偏.2.管桩接长时,宜在桩头高出地面0.5~1m进行.3.接桩时,上下节桩应保持顺直,错位偏差不宜大于2mm.4.对接时清理干净接驳面和坡口,如桩节间隙较大,可用铁片填实焊牢,结合面间隙不得大于2mm.5.施焊时,先对称点焊4~6点,再由两个焊工(焊工合格证)对称施焊,焊接层数不得少于2层,第一层必须用直径3.2mm焊条打底,第二层方可用粗焊条(直径4mm或直径5mm焊条),内层必须清理干净后方能施焊外层,电焊厚度应高出坡口1mm,焊缝应饱满、连续,无气孔、焊瘤、裂缝.6.电焊结束后停歇时间大于5min,严禁用冷水冷却或焊后施压.7.压桩过程中应检查压力、桩的垂直度、接桩间歇时间、桩的连接质量及压入深度,重要工程应对电焊接桩的接头做10%的探伤检查.8.气温低于0℃、雨、雪等无可靠措施确保焊接质量时,不得焊接.9.每根桩应一次性连续施工,尽量减少停歇时间.10.桩间距小于3倍桩径必须跳打.11.控制桩顶标高,根据设计桩顶标高计算送桩高度,并在送桩器上做出标记.12.保护好高出地面的桩头,截桩应用割桩器截割,严禁用大锤敲击或强行扳拉截桩.。
PHC管桩施工质量检验桩垂直度容许偏差为1/100;桩中心位置容许偏差值为:a、单排或双排桩条形桩基沿垂直轴线方向的偏差为100mm,沿平行轴线方向的偏差为150mm;b、承台桩数为2~4根时的偏差为100mm;5~16根时周边偏差为100mm;中间桩偏差为d/3或150mm两者中较大值;多于16根时周边桩偏差为150mm,中间桩偏差为d/2。
c、单柱下的单桩之桩中心位置容许偏差为80mm。
泵站站身采用块基型整体结构,站身底板顺水流方向长13.8m,垂直水流方向宽16.3m,泵站安装4台单向立式轴流泵。
工程区基岩之上的地基土层以淤泥和淤泥质土为主属软弱场地土,场地基岩埋深一般在15~50m范围,故场地类别为Ⅲ类。
工程区处于江河岸边,大部分堤基内存在深厚淤泥和淤泥质土层,存在地震震陷问题,属于抗震不利地段。
本区地震动峰值加速度为1.0g,相对应的地震基本烈度为Ⅶ度,所在的设计地震分组为第一组。
堤基在15m深度范围内多为淤泥和淤泥质粘土,粘粒含量较高,判别为不液化。
工程区地下水和河水对混凝土均无腐蚀性;在干湿交替条件下河水对钢结构和钢筋混凝土中的钢筋有中等腐蚀性。
本场地地基土为饱和土,地基土对混凝土无腐蚀性。
本堤段覆盖层自上而下为①1层堤身填土、①2层粉质粘土、②层淤泥、③层粉质粘土、④层中砂等组成,厚度一般在30~50m,下伏基岩为花岗岩。
本工程区①层淤泥普遍分布,不宜直接作为大堤的天然地基,应采取地基处理措施。
工程范围内大部分堤段有老堤存在。
南围涌附近段堤顶与挡墙接触部位有空洞,破损比较严重;堤身上多见老鼠、螃蟹洞及水流淘刷洞。
经地质测绘和勘探,堤身填土以粉质粘土为主的,比较均匀,渗透小。
梅山工业区局部填土以砂夹碎石、碎石土等为主,土质不均匀,可能存在渗透问题。
堤防施工时,应分期填筑、加速地基排水固结,防止地基发生剪切破坏。
外坡脚采取防冲措施。
拟建鬼横涌泵闸闸基下各土层自上而下为:①层填土、②层淤泥、③层粉质粘土、④层含粒中粗砂和⑤层花岗岩。
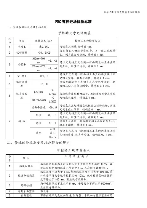
竭诚为您提供优质文档/双击可除phc管桩检测规范篇一:泰华phc管桩进场质量检验标准phc管桩进场检验标准一、管桩各部位尺寸偏差的规定管桩的尺寸允许偏差二、管桩的外观质量要求应符合的规定管桩的外观质量要求篇二:静压预应力管桩试桩及检测要求静压预应力管桩试桩及检测要求一、试桩及其检测条件:在设计有要求或满足下列条件时,桩基工程施工前应采用静载试验确定单桩竖向抗压承载力特征值:设计等级为甲级、乙级的桩基;地质条件复杂,桩施工质量可靠性低;本地区采用新桩型或新工艺。
二、检测数量:检测数量在同一条件下不应少于3根,且不宜少于总桩数的1%;当工程桩总数在50根内时,不少于2根。
三、桩基检测开始时间:承载力检测前受检桩的混凝土龄期达到28天或预留同条件养护试块强度达到设计强度,同时休止时间应满足以下要求:四、检测费用:基桩检测采用堆载法,检测费用按堆载吨位取费,吨位按试验荷重计,试验荷载按设计有关参数确定。
根据江苏省建设厅《关于核定〈江苏省建设工程质量测和建筑材料试验收费标准〉的通知》(苏价服[20xx]113号)规定,检测价格:荷重≤100吨,100元每吨;100吨<荷重≤300吨,90元每吨;300吨<荷重≤1000吨,80元每吨。
泰州现行市场价约30-60元每吨之间。
荷载运输费按运距10km计,市区内不作调整,桩头处理、试坑开挖、疏干排水另计。
篇三:phc预制管桩施工及检测phc预制管桩施工及检测一、执行质量标准(本桩基工程)gbj202—83《地基与基础工程施工及验收规范》jgj94—94《建筑桩基技术规范》gbj301—88《建筑工程质量检验评定标准》dbj/t15-22-98《预应力砼管桩基础技术规程》(广东省标准)二、质量目标控制点及预检项目:1.监理人员对如下质量控制点进行控制①防止桩倾斜及偏位②防止桩顶压碎③保证桩端条件符合设计要求④预应力管桩的制作应符合设计与规范要求2.监理人员以如下内容作为预检项目①施工方案:施工进度计划表,施工桩位顺序;②堆放场地:平整坚实,地基良好,排水顺畅;③桩基质量检查:按质量标准进行;④桩位复核:检查桩位的平面位置。
竭诚为您提供优质文档/双击可除phc管桩检测规范篇一:泰华phc管桩进场质量检验标准phc管桩进场检验标准一、管桩各部位尺寸偏差的规定管桩的尺寸允许偏差二、管桩的外观质量要求应符合的规定管桩的外观质量要求篇二:静压预应力管桩试桩及检测要求静压预应力管桩试桩及检测要求一、试桩及其检测条件:在设计有要求或满足下列条件时,桩基工程施工前应采用静载试验确定单桩竖向抗压承载力特征值:设计等级为甲级、乙级的桩基;地质条件复杂,桩施工质量可靠性低;本地区采用新桩型或新工艺。
二、检测数量:检测数量在同一条件下不应少于3根,且不宜少于总桩数的1%;当工程桩总数在50根内时,不少于2根。
三、桩基检测开始时间:承载力检测前受检桩的混凝土龄期达到28天或预留同条件养护试块强度达到设计强度,同时休止时间应满足以下要求:四、检测费用:基桩检测采用堆载法,检测费用按堆载吨位取费,吨位按试验荷重计,试验荷载按设计有关参数确定。
根据江苏省建设厅《关于核定〈江苏省建设工程质量测和建筑材料试验收费标准〉的通知》(苏价服[20xx]113号)规定,检测价格:荷重≤100吨,100元每吨;100吨<荷重≤300吨,90元每吨;300吨<荷重≤1000吨,80元每吨。
泰州现行市场价约30-60元每吨之间。
荷载运输费按运距10km计,市区内不作调整,桩头处理、试坑开挖、疏干排水另计。
篇三:phc预制管桩施工及检测phc预制管桩施工及检测一、执行质量标准(本桩基工程)gbj202—83《地基与基础工程施工及验收规范》jgj94—94《建筑桩基技术规范》gbj301—88《建筑工程质量检验评定标准》dbj/t15-22-98《预应力砼管桩基础技术规程》(广东省标准)二、质量目标控制点及预检项目:1.监理人员对如下质量控制点进行控制①防止桩倾斜及偏位②防止桩顶压碎③保证桩端条件符合设计要求④预应力管桩的制作应符合设计与规范要求2.监理人员以如下内容作为预检项目①施工方案:施工进度计划表,施工桩位顺序;②堆放场地:平整坚实,地基良好,排水顺畅;③桩基质量检查:按质量标准进行;④桩位复核:检查桩位的平面位置。
phc管桩验收规范PHC管桩是一种常用的工程施工材料,用于地下工程中的桩基施工。
为了确保工程质量和安全,对于PHC管桩的验收工作非常重要。
以下是PHC管桩验收规范的一些建议:一、验收前准备1. 验收前应对PHC管桩进行外观检查,确认是否有明显的破损、裂缝或其他缺陷。
2. 要检查PHC管桩的规格和长度是否符合设计要求,并核对与合同中的规格是否一致。
二、打桩机的验收1. 打桩机的品牌、型号、作业能力应符合设计要求,并有相关资质证书。
2. 打桩机的工作原理和操作方法应掌握,并能按照要求进行施工。
三、PHC管桩的验收1. 验收人员应对每根PHC管桩进行外观检查,包括表面光滑度、破损、裂缝等情况。
2. PHC管桩应经过静载荷试验,荷载应符合设计要求,并记录试验数据。
3. PHC管桩的长度和直径应符合设计要求,并进行测量记录。
四、灌浆与标志的验收1. PHC管桩的灌浆应符合设计要求,灌浆厚度应均匀且符合规范要求。
2. 灌浆浆液应具有一定的流动性和充填性,且有足够的强度。
3. 对于PHC管桩的标志,应符合相关的标准要求,包括编号、日期、桩号等信息。
五、验收结果的处理1. 如果PHC管桩不符合验收标准,应及时进行整改或更换,并重新进行验收。
2. 验收合格的PHC管桩应做好相关的记录,包括桩号、规格、长度、灌浆情况等信息,并进行归档保存。
六、验收报告的编制1. 验收完成后,应编制相应的验收报告,并注明验收结果、存在的问题及整改措施等内容。
2. 验收报告应由施工单位、监理单位和业主单位签字确认,并保留在工程档案中。
以上是对PHC管桩验收规范的一些建议,不同的项目和具体情况可能会有所不同,具体的验收工作还需根据项目的实际情况进行调整和完善。
同时,在验收过程中,要注意安全规范,确保施工人员的安全,并根据需要进行相应的安全技术措施。
PHC管桩质量控制要点PHC管桩质量控制要点一、引言PHC管桩作为一种常用的桩基施工工艺,具有承载力高、抗压抗弯性能好等优势,被广泛应用于各类建筑工程中。
为确保PHC管桩的质量,需要进行严格的质量控制。
本文档将介绍PHC管桩质量控制的要点,以供参考使用。
二、桩基设计要求1. 设计桩长和直径:- 根据工程承载力要求和地质条件确定桩长。
- 根据承载力要求和土层情况确定桩径。
2. 桩位布置:- 桩位布置应满足建筑结构的要求。
- 确保桩位之间的间距符合设计要求。
3. 锚固长度和角度:- 根据计算结果确定锚固长度和角度。
- 确保锚固长度和角度符合设计要求。
三、材料要求1. PHC管桩:- 材料应符合相关标准,如GB/T 13477-2002《预应力混凝土中空桩(管桩)》。
- 外观应无明显损伤,无开裂、裂缝等缺陷。
- 桩端应光滑平整,无锈蚀、氧化等现象。
2. 钢筋:- 符合设计要求,材质应与PHC管桩相匹配。
- 确保钢筋与PHC管桩之间的粘结牢固。
3. 灌浆材料:- 使用符合相关标准的灌浆材料,如GB/T 50119-2013《建筑施工水泥基灌浆材料试验方法标准》。
- 灌注浆液应均匀,无气泡和结块。
四、施工过程质量控制1. 桩基成孔:- 严格按照设计要求进行成孔。
- 监测成孔过程中的钻孔深度、管壁清洁度等。
2. 入桩质量控制:- PHC管桩的下沉速度应符合设计要求。
- 桩与土壤的接触应良好,无明显空隙。
3. 钢筋加工和焊接:- 确保钢筋加工尺寸准确,焊接牢固。
- 符合设计要求的锚固长度和角度。
4. 灌浆施工:- 灌浆浆液的比例应符合要求。
- 施工过程中监测灌浆压力和流量。
五、质量检验方法1. PHC管桩外观检查:- 检查桩体是否有明显的裂缝、缺陷等。
- 检查桩端是否符合要求。
2. 钢筋粘结检验:- 使用超声波测厚仪等工具,检测钢筋与PHC管桩之间的粘结情况。
3. 灌浆质量检验:- 取样检测浆液的强度、流动性等指标。
phc管桩试桩要求PHC管桩是由普通预制混凝土浆和钢筋制成的土木工程结构材料,应用于基础工程中,是一种重要的承重杆件。
试桩是在进行PHC管桩施工之前预先进行的工程质量评估,评估的过程包括PHC管桩的制作、运输、安装等工作的质量检查,以及试验桩的安装和负载测试。
一. 试桩的准备1.按照设计图纸,挑选代表性好的发生地、质地较均匀的土层、含水量大小与要埋设管桩的实际条件较为接近的场地作为试验施工场地;2.在选定的场地上清理出充分的试验空间,为试验桩的安装提供操作空间;3.确定试验桩的设计标准、桩径、桩长和桩身钢筋配筋方案;4.钢筋配筋应严格按照设计图纸要求,在钢筋作业现场加强安全措施,如区分好各种规格钢筋的归置场所、装卸渣土的方法等。
二. 试桩施工1.首先进行的工作是钢筋加工和质量检查,包括钢筋的直径、长度、扭曲度、弯曲度、锈蚀等情况的检验;2.根据设计要求,选用合适的埋置设备,将试验桩纵向安装于挖孔中,在倾斜、扭曲或其他非常规放置方案中,应保证试验桩沿设计轴线放置;3.要确保试验桩的垂直度和桩端的稳固性,安装过程中应注意桩身的不断水平校准;4.完成安装后,应严格按照设计要求进行搅拌合格混凝土的灌注,直至灌注口埋置深度达到设计要求,然后及时封口,防止水泥浆溢出;5.在灌注的混凝土凝固之前,应使用振动棒或其他设备,对桩身进行振动,使其密度更加紧实。
1.安装试验桩后,在约定时间内进行荷载试验,观察并记录试验桩的变形和响应情况;2.对变形和响应情况进行分析,判断试验桩的质量是否达到了设计要求;3.如在试验过程中发现问题,必须及时进行处理,以确保优质的PHC管桩施工质量。
如果试验桩在荷载试验中表现优秀,符合设计标准、图纸要求及各项技术指标,才能合格通过验收。
如果试验桩转动、沉降、弯曲等情况超出了要求,需要重新制作和安装试验桩,直到合格通过验收。
总之,PHC管桩试桩过程中所有步骤应严格按照设计要求进行,确保试验桩的质量稳定达标。
phc管桩验收规范PHC管桩验收是指在工程施工中对预制混凝土管桩进行质量检验和验收的过程,目的是保证管桩的安全可靠,符合设计要求和规范要求。
下面是关于PHC管桩验收规范的内容,共计1000字:一、PHC管桩验收前的准备工作1. 管桩质量检查:检查管桩的外观是否完整,有无裂缝等缺陷;检查管桩的长度是否符合设计要求;检查管桩的外径、内径和壁厚是否符合规范要求;检查管桩的质量证明文件是否齐全。
2. 管桩标志:给每根管桩打上标志,包括序号、长度等信息。
3. 验收装置准备:准备好验收用的装置,包括测斜仪、静载荷试验仪器等。
4. 施工日志和工序报告:准备好施工日志和工序报告,记录管桩施工过程中的各个环节和情况。
二、PHC管桩质量检查和验收方法1. 外观检查:对管桩的外观进行检查,查看有无裂缝、缺陷等情况。
外观检查应包括全长外观检查和孔隙检查。
全长外观检查应对每根管桩逐一进行,检查管桩的表面是否平整、光滑,无明显裂缝和缺陷。
孔隙检查应对每根管桩的一定长度范围进行,检查管桩内部是否有孔隙和砂眼。
2. 尺寸检查:对管桩的长度、外径、内径和壁厚进行检查。
长度检查应按照设计要求进行,偏差不应大于设计偏差范围。
外径、内径和壁厚检查应按照规范要求进行,不得超过规范允许的偏差范围。
3. 静载荷试验:对管桩进行静载荷试验,以验证其承载能力。
试验时应按照设计要求施加试载荷并测量变形。
试验结果应符合设计要求和规范要求。
4. 测斜仪测斜:对管桩进行测斜,用以检测管桩的竖直度。
测斜仪应按照规范要求进行安装和测量,测量结果应符合规范要求。
5. 混凝土质量检查:对管桩的混凝土质量进行检查。
检测方法可以采用取样试验,根据取样试验结果判断混凝土的强度和密实度是否符合规范要求。
三、PHC管桩验收记录和报告1. 管桩验收记录:记录管桩的验收过程,包括外观检查、尺寸检查、静载荷试验、测斜等内容。
记录应详细、准确,并附上验收装置的检定证书和操作人员的签字。
PHC管桩质量控制要点一、进场控制1.管桩的强度达到设计值100%方可运至现场。
2.进场时需对其产品合格证书、外观、外形尺寸进行检查:⑴外观:无蜂窝、露筋、裂缝、色感均匀,桩顶处无裂缝。
⑵外形:桩径±5㎜,管壁厚度±5㎜,桩尖中心线<2㎜,顶面平整度<10㎜,桩顶弯曲<1/1000L(L为桩长)。
⑶桩身有管桩标记、制造日期、管桩编号的标记。
二、场地堆放1.管桩吊桩时采用两支点法,也可采用在两端板处勾吊,绳索与桩身水平交角大于45°2.装卸起吊时要平移,严禁抛掷、碰撞、滚落。
3.管桩堆放场地必须平整、坚实,要有排水措施。
4.管桩最下层按两支点法设置垫木,支撑点应在同一水平面上,间距2/3L(L为桩长)5.管径400㎜可堆放四层,管径500、600㎜可堆放三层,每层均需按两支点法设置垫木。
6.按管桩的不同规格、型号分别堆放。
三、施工流程1.测定坐标、轴线及桩位。
2.压桩机就位调整。
3.将管桩压入压桩机夹腔。
4.将管桩对准桩位调直。
5.压桩至底桩露出地面2.5—3m时调入上节桩与底桩对齐,压底桩至桩头露出地面0.5—1m。
6.调整上下节桩与底桩对中。
7.电焊接桩、再静压、再接桩、直至设计深度或达到一定终压值,必要时适当复压8.终压前用送桩器将工程桩头压到地面以下。
四、施工前的准备工作1.审查施工方提供的施工组织设计,施工组织设计的内容应包括:⑴工程概况⑵水文地质资料⑶总平面图⑷管桩结构图⑸定位放线⑹桩的吊运⑺施工流水⑻沉桩方法及机械设备⑼对周围建筑或地下管线影响⑽劳动力及材料设备供应计划⑾总进度计划及安全施工措施。
2.轴线的施放应以国家三角网控制点引入,并应多次复核确定。
施工现场轴线控制点的位置不受沉桩作业的影响,数量不宜少于两个。
3.设置控制标高的水准点,桩基施工的标高控制应遵照设计要求进行,每根桩入土后均应做标高记录。
4.检查施工现场附近是否有建筑物、上空是否有杆线、地下是否有管线,并采取措施:⑴挖防震沟,沟宽0.5—0.8m,深度按土质情况以边坡能自立为准。
PHC管桩压桩工程质量控制实施细则一、PHC管桩简介:PHC是单词prestress high concrete的缩写。
PHC管桩,即预应力高强度混凝土管桩。
是采用先张预应力离心成型工艺,并经过10个大气压、1800 ℃左右的蒸汽养护,制成一种空心圆筒型混疑土预制构件,标准节长为10m ,直径从300mm~800mm ..PHC 管桩的优点:单桩承载力高, 应用范围广, 沉桩质量可靠, 工程造价便宜.PHC管桩施工方法主要有锤击和静压两种,目前用柴油锤、液压锤锤击法沉桩的施工工艺在我国还是占主导地位,特别在日本主要用锤击法沉桩。
近几年来,随着大吨位( 6800KN ) 压桩机的问世和静压沉桩施工工艺的完善,静压法施工工艺与锤击法相比具有明显的优点,因此发展迅速,有望取代锤击法的态势。
二、PHC管桩压桩工程监理要点:一、质量标准:(GB50202—2002)1.先张法预应力管桩的质量必须符合设计要求和施工规范的规定。
●检验方法:观察检查和检查出厂合格证、出厂检验报告。
●要点:主要检查表观质量(几何尺寸和表观情况),;检查出厂合格证,主要检查桩的结构质量(钢筋混凝土),并根据情况进行必要的抽检试验。
外观质量:无蜂窝、露筋、裂缝、色感均匀、桩顶处无孔隙。
2.压桩的标高,桩的接头接点处理必须符合设计要求和施工规范要求。
当桩顶压至场地标高时,进行中间验收。
●检验方法:观察检查和检查施工记录、试验报告。
●要点:采用旁站方法检查施工单位的操作是否符合规范要求、施工记录真实准确。
检查施工记录指检查桩的位置、下沉速度、桩顶标高和接桩质量,试验报告指确定桩的焊接质量、桩的承载力和桩身完整性等情况。
3.允许偏差项目:钢筋混凝土预制桩桩位允许偏差二、质量预控:1.审查压桩单位资质●检查压桩单位的三证(施工许可证、营业执照、资质证书);●了解压桩单位近期的表现和工程情况;●检查压桩单位组织架构和管理人员名单;●检查特殊工种上岗证。
PHC预制管桩施工及检测一、执行质量标准(本桩基工程)GBJ202—83 《地基与基础工程施工及验收规范》JGJ94—94 《建筑桩基技术规范》GBJ301—88 《建筑工程质量检验评定标准》DBJ/T15-22-98 《预应力砼管桩基础技术规程》(广东省标准)二、质量目标控制点及预检项目:1.监理人员对如下质量控制点进行控制①防止桩倾斜及偏位②防止桩顶压碎③保证桩端条件符合设计要求④预应力管桩的制作应符合设计与规范要求2.监理人员以如下内容作为预检项目①施工方案:施工进度计划表,施工桩位顺序;②堆放场地:平整坚实,地基良好,排水顺畅;③桩基质量检查:按质量标准进行;④桩位复核:检查桩位的平面位置。
四、施工准备1 建筑物场地工程地质资料和必要的水文地质资料。
2 桩基工程施工图。
3 建筑场地和邻近区域内的地下管线(管道、电缆)等的调查资料。
4 认真检查打桩设备各部件的性能,以保证正常作业。
5 桩基工程的施工组织设计或施工方案。
6 水泥、砂、石子、钢筋、外加剂等原材料及其制品的质检报告。
7 有关荷载、施工工艺的试验参考资料。
8 成桩机械必须经鉴定合格,不得使用不合格机械。
9 桩基施工用的临时设施,如供水、供电、道路、排水、临时房屋等开工前准备就绪,场地平整,以保证施工机械正常作业。
10 基桩轴线的控制点和水准点应在不受施工影响的地方,开工前,经复核后应妥善保护,施工中应经常复测。
五、桩的验收:1、桩的表面应平整、密实,掉角的深度不应超过10mm,且局部蜂窝和掉角的缺损总面积不得超过桩表面全部面积的0.5%。
并且不得过分集中。
2、由于收缩产生的裂缝深度不得大于20mm,宽度不得大于25mm,横向裂缝长度不得超过直径的一半。
3、桩顶和桩尖处不得有蜂窝、麻面、裂缝和掉角。
4、管桩检查时,应参照《地基与基础工程施工和验收规范》做好记录,桩上应注明编号、制作日期和吊点位置。
5、在现场验收运来的管桩观感时,应附出厂合格证、并做入场登记。
PHC f桩检测报告
批准:审核:校核:项目负责:
(以下空白)
(附页1)
管桩外观质量及尺寸偏差检测结果
表
管桩抗弯性能检测结果
管桩规格样品编号抗裂弯距(kN m) 极限弯距(kN m) 抗弯性能
管桩预应力筋直径、数量检测结果
(附页)
管桩螺旋筋检测结果
表4
管桩端板尺寸偏差检测结果
表
(附页3)
预应力混凝土用钢棒检测结果
表6
混凝土立方体抗压强度检测结果
(附页)
碎石级配及压碎指标检测结果
(附页5)
砂级配检测结果
砂筛分曲线
,)_
余
筛
计累
(附页6)
产品质量保证体系检查结果
表10。
PHC管桩检测方案一、工程概况(1)工程名称:(2)工程地点;(3)基础形式:管桩加筏板基础(4)设计参数(5)布桩总数:116根;动测数量:24根。
二、检测依据(1)《工程桩基平面图》(2)《建筑地基基础工程施工质量验收规范》(GB50202-2002)(3)《建筑基桩检测技术规范》(JGJ106-2003)(4)《建筑桩基技术规范》JGJ94-2008(5)《建筑地基基础设计规范》(GB50007-2011)(6)其他技术资料三、检测项目、检测方法及检测装置(一)检测项目1、单桩竖向抗压静载试验,量测试桩桩顶在各级荷载作用下对应的沉降量,确定试桩竖向荷载与沉降、时间的关系,从而确定试桩竖向承载力。
2、桩身完整性(二)检测方法:单桩竖向抗压静载试验将最大加载量分成10级,按照规范逐级等量加载(第一级可取分级荷载的2倍)。
桩身完整性采用低应变反射波法。
3、检测装置:拟采用钢梁堆载反力系统。
堆载所需配重至少为最大加载值的1.25倍。
四.委托方配合的工作(一)、三通一平准备:路通:测桩现场能驶入机动车,且能靠近工程的基槽;电通:免费提供持续稳定的380V与220V电源,且距离测桩现场不超过20米;场地平整:在靠近试桩桩位的槽边自然地坪上,不能有杂物、堆土,以便安放汽车吊。
(二)试桩准备:1、静载。
桩身强度:桩身强度达到设计要求,且休止时间不少于砂土7天,粉土10天,非饱与粘性土15天,饱与粘性土25天。
试桩桩位:按照设计要求确定。
桩头处理:静载试验前桩头应按设计要求加固或按《建筑基桩检测技术规范》(JGJ106-2003)附录B执行。
桩头加固后养护混凝土强度达到设计强度。
设备占位:以试桩为中心,清理出6米*8米的平整场地。
2、桩身完整性。
龄期:混凝土强度至少达到设计强度的70%不少于15Mpa;试桩桩位:按照《抽样方案》确定;桩顶标高:将试桩桩顶处理到设计标高;桩头处理:桩顶面应平整、密实,激振点应选择在中心,测量传感器宜为距桩中心2/3半径处。
PHC预制管桩施工及检测一、执行质量标准(本桩基工程)GBJ202—83 《地基与基础工程施工及验收规范》JGJ94—94 《建筑桩基技术规范》GBJ301—88 《建筑工程质量检验评定标准》DBJ/T15-22-98 《预应力砼管桩基础技术规程》(广东省标准)二、质量目标控制点及预检项目:1.监理人员对如下质量控制点进行控制①防止桩倾斜及偏位②防止桩顶压碎③保证桩端条件符合设计要求④预应力管桩的制作应符合设计与规范要求2.监理人员以如下内容作为预检项目①施工方案:施工进度计划表,施工桩位顺序;②堆放场地:平整坚实,地基良好,排水顺畅;③桩基质量检查:按质量标准进行;④桩位复核:检查桩位的平面位置。
四、施工准备1 建筑物场地工程地质资料和必要的水文地质资料。
2 桩基工程施工图。
3 建筑场地和邻近区域内的地下管线(管道、电缆)等的调查资料。
4 认真检查打桩设备各部件的性能,以保证正常作业。
5 桩基工程的施工组织设计或施工方案。
6 水泥、砂、石子、钢筋、外加剂等原材料及其制品的质检报告。
7 有关荷载、施工工艺的试验参考资料。
8 成桩机械必须经鉴定合格,不得使用不合格机械。
9 桩基施工用的临时设施,如供水、供电、道路、排水、临时房屋等开工前准备就绪,场地平整,以保证施工机械正常作业。
10 基桩轴线的控制点和水准点应在不受施工影响的地方,开工前,经复核后应妥善保护,施工中应经常复测。
五、桩的验收:1、桩的表面应平整、密实,掉角的深度不应超过10mm,且局部蜂窝和掉角的缺损总面积不得超过桩表面全部面积的0.5%。
并且不得过分集中。
2、由于收缩产生的裂缝深度不得大于20mm,宽度不得大于25mm,横向裂缝长度不得超过直径的一半。
3、桩顶和桩尖处不得有蜂窝、麻面、裂缝和掉角。