电子技术实验报告6—移位寄存器及其应用
- 格式:doc
- 大小:218.50 KB
- 文档页数:6
移位寄存器及其应用实验报告1. 背景在数字电路中,移位寄存器是一种常见的基本电路元件。
它可以将输入数据按照一定规则进行移位操作,并输出处理后的数据。
移位寄存器通常由触发器构成,分为串行移位寄存器和并行移位寄存器。
在实际应用中,移位寄存器常用于数据存储、数据传输、脉冲发生器等方面。
本实验旨在通过设计移位寄存器电路及其应用电路的实验,加深对移位寄存器工作原理的理解,掌握其应用。
2. 实验目的1.了解移位寄存器的基本原理;2.学会设计移位寄存器电路及其应用电路;3.掌握移位寄存器的应用方法。
3. 实验原理与方法3.1 移位寄存器原理移位寄存器将输入数据按照一定规则进行移位操作,并输出处理后的数据。
常见的移位规则包括:左移、右移、循环左移、循环右移等。
移位寄存器通常由触发器构成,触发器的状态决定了寄存器中存储的数据。
本实验主要探究两种常用的移位寄存器:串行移位寄存器和并行移位寄存器。
3.1.1 串行移位寄存器串行移位寄存器中,数据是按照位的顺序逐个进行移位的。
串行移位寄存器可以通过级联多个D触发器实现,每个D触发器的输出与下一个D触发器的输入相连。
3.1.2 并行移位寄存器并行移位寄存器中,数据的位同时进行移位。
并行移位寄存器可以通过级联多个D 触发器实现,每个D触发器的输入都与移位数据的对应位相连。
3.2 实验所用材料与方法3.2.1 材料•移位寄存器芯片•发光二极管(LED)•电路连接线3.2.2 方法1.实验预备:准备实验所需的移位寄存器芯片、LED和电路连接线。
2.按照移位寄存器原理,设计移位寄存器电路并进行布线连接。
3.使用示波器检查电路的正确性。
4.进行实验验证,观察移位寄存器的运行情况,并记录实验结果。
4. 实验结果与分析本实验设计了一个4位串行移位寄存器电路,并进行了验证实验。
首先,按照原理部分的描述,我们选择了一个基于D触发器的4位串行移位寄存器芯片。
通过连接四个D触发器,将其串联起来,即可构成一个4位的串行移位寄存器。
移位寄存器实验报告移位寄存器和计数器的设计实—期:专业班级:_姓名:_____________ 学号:一、实验目的1. 了解二进制加法计数器的工作过程。
2. 掌握任意进制计数器的设计方法。
实验内容(一)用D触发器设计左移移位寄存器(二)利用74LS161和74LS00设计实现任意进制的计数器设计要求:以实验台号的个位数作为所设计的任意进制计数器(0、1、2任选)三、实验原理图1. 由4个D触发器改成的4位异步二进制加法计数器(输入二进制:11110000)2. 测试74LS161的功能输入端 输出时 清 置 P T Qn钟 J —| —A零 数3. 熟悉用74LS161设计十进制计数器的方法。
①利用置位端实现十进制计数器。
16 15 14 13 12 1 1 10 9 74LS16112 3 4 5 16 7 8 捺出 LD數据输入Ci- GND 允许”邃 <―二^允详置人出 Qo Qi O2 Q?② 利用复位端实现十进制计数器。
四、实验结果及数据处理1. 左移寄存器实验数据记录表要求:输入二进制:11110000移位寄存器状态XX X X 清零+ 1X X 置数+1 1 1 1计数X 1 1 0 X 不计数X 1 1 X 0 不计数1 1— CP-共阴极共阴机数码管数码管C BI s1D C B A74LS161q 小 Ditl IT 「「-1(741SQ0]移位脉冲的次Q4Q3Q2Q1 000001000120011301114111151110 6110071000 800002. 画出你所设计的任意进制计数器的线路图(计数器从零开始计数),并简述设计思路8 进制利用复位法实现8进制计数器,8=1000B将A端同与非门相连,当A端=1时,使复位端获得信号,复位,从而实现8进制。
五、思考题1. 74LS161是同步还是异步,加法还是减法计数器?答:在上图电路中74LS161是异步加法计数器。
一、实训目的1. 理解同步移位寄存器的概念和原理。
2. 掌握74LS194移位寄存器的逻辑功能和使用方法。
3. 熟悉移位寄存器在实际电路中的应用。
4. 提高动手实践能力和电路设计能力。
二、实训原理同步移位寄存器是一种具有同步时序的数字电路,它可以将输入的数据以串行或并行的形式存储在寄存器中,并在时钟脉冲的作用下实现数据的移位。
同步移位寄存器具有以下特点:1. 同步时序:所有触发器在同一个时钟脉冲的作用下同时动作。
2. 移位方向:数据可以左移或右移。
3. 数据输入/输出方式:串行输入/串行输出、串行输入/并行输出、并行输入/串行输出、并行输入/并行输出。
74LS194是一种典型的4位双向移位寄存器,它具有以下功能:1. 右移:串行数据从SA输入,同时向右移位。
2. 左移:串行数据从SD输入,同时向左移位。
3. 并行输入:并行数据从d、c、b、a输入。
4. 保持:输出不变。
三、实训器材1. 74LS194移位寄存器芯片1片2. 74LS00门电路芯片1片3. 74LS20反相器芯片1片4. 74LS273锁存器芯片1片5. 电阻、电容、二极管、LED灯等元器件6. 逻辑电平转换器7. 信号发生器8. 示波器9. 数字万用表10. 实验板、连接线等四、实训内容1. 74LS194移位寄存器功能测试(1)测试目的:验证74LS194移位寄存器的逻辑功能。
(2)测试步骤:1. 将74LS194的输入端SD、SA、d、c、b、a连接到逻辑电平转换器,输出端Q0、Q1、Q2、Q3连接到LED灯。
2. 使用信号发生器产生时钟脉冲,连接到74LS194的时钟端CP。
3. 分别测试74LS194的右移、左移、并行输入和保持功能。
4. 观察LED灯的显示情况,验证74LS194的逻辑功能。
2. 74LS194移位寄存器应用电路设计(1)设计目的:设计一个基于74LS194的4位二进制计数器。
(2)设计步骤:1. 分析计数器的要求,确定计数器的位数和计数范围。
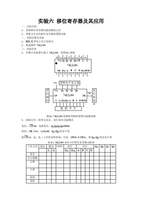
实验六 移位寄存器及其应用一、实验目的1、 掌握移位寄存器功能的测试方法2、 掌握4位双向移位寄存器的逻辑功能 二、实验仪器及设备1、 EEL-II 型电工电子实验台2、 集成器件74LS194 三、实验内容1、 在数字实验箱中插入74LS194,按图6.1接线V CC S 1S 0D SR A D SL B C D GNDQ A Q B Q C Q DCRCP逻辑电平显示器数 据 开 关+5v复位按钮SB单次脉冲74LS194图6.1 74LS194管脚排列图和逻辑功能测试图2、 接线完毕,检查无误后,进行基本功能测试 复位:CR =0,电路复位,Q A Q B Q C Q D =0000 保持:CR 非=1,S 1=S 0=0,Q A ~Q D 状态不变使CR =1,S 1、S 0(工作状态控制端)任意,CP=0或CP=1,则Q A ~Q D 状态也不变表6.1 74LS194双向4位移位寄存器功能表并行置数:置CR=1,S1=S0=10,数据输入端DCBA置为0101,输入单次脉冲,则Q D Q C Q B Q A=0101,如果改变DCBA数据,再按单次脉冲,新数据将置入。
右移位:置CR=1,S1=0,S0=1,D SR=1,D SL=*,输入单次脉冲,则Q A=1,Q B=Q An,Q C=Q Bn,Q D=Q Cn左移位:置CR=1,S1=1,S0=0,D SR=*,D SL=1,输入单次脉冲,则Q D=1,Q C=Q Dn,Q B=Q Cn,Q A=Q Bn3、循环右移应用如将上图中的D SR端接到Q D端,并将寄存器Q D~Q A置为1000,且满足右移条件,在寄存器会右移一个“1”,每4个时钟脉冲完成一次循环。
4、用74LS194组成8位移位寄存器原理如图6.2所示。
逻辑状态显示器图6.2 用74LS194组成8位移位寄存器原理图四、实验报告整理各项测试结果。
移位寄存器实验心得在数字电路实验中,移位寄存器是一个非常重要的组件,它在数字信号处理和数据存储中起着至关重要的作用。
通过对移位寄存器的实验,我对其工作原理和应用有了更深入的了解,并且积累了一些宝贵的实验心得。
首先,移位寄存器是一种能够将数据按位进行移动的寄存器,它可以实现数据的左移和右移操作。
在实验中,我使用了几种不同类型的移位寄存器,包括串行移位寄存器和并行移位寄存器。
通过对这些寄存器的实验,我发现它们在数据处理中具有非常灵活的应用方式,能够满足不同的需求。
其次,通过实验我了解到移位寄存器在数字信号处理中的重要性。
在实际应用中,移位寄存器可以用来实现数字信号的平移、延迟和时序控制等功能。
在数字滤波、数字调制解调、数字信号处理等领域,移位寄存器都扮演着不可或缺的角色。
另外,通过实验我还学会了如何使用移位寄存器来实现数据存储和传输。
在实验中,我将移位寄存器和其他逻辑门电路结合起来,实现了数据的存储和传输功能。
这种方法可以在数字系统设计中发挥重要作用,提高数据处理的效率和可靠性。
在实验中,我还发现了一些需要注意的问题。
首先是移位寄存器的时钟信号。
在实际应用中,时钟信号的频率和相位对移位寄存器的工作有着重要影响,需要合理设计和控制。
其次是移位寄存器的级联和级联。
在实验中,我发现级联多个移位寄存器可以实现更复杂的数据处理功能,但是需要注意级联的时序和逻辑关系,以避免出现故障。
总的来说,通过对移位寄存器的实验,我对其工作原理和应用有了更深入的了解,并且积累了一些宝贵的实验心得。
移位寄存器在数字信号处理和数据存储中具有非常重要的作用,它可以实现数据的移动、存储和传输等功能,对于数字系统设计和数字信号处理具有重要意义。
希望通过不断的实验和学习,我能够更深入地理解移位寄存器的工作原理和应用,为将来的工程实践打下坚实的基础。
移位寄存器实验心得(精品5篇)移位寄存器实验心得篇1以下是一篇移位寄存器实验心得:移位寄存器实验心得移位寄存器是数字电路中的一个基本组件,它可以在一个有限位的寄存器中存储数据,并可以通过移位操作将数据向左或向右移动。
在本次实验中,我们通过使用移位寄存器来实现一个简单的计数器,并通过对移位寄存器的操作来实现其他功能。
在实验中,我们首先使用了一个4位二进制移位寄存器来实现计数器。
我们通过输入不同的数值,并使用移位操作来控制计数器的计数方式。
通过观察实验结果,我们发现计数器的计数方式与我们所输入的数值和移位操作有关。
接着,我们使用移位寄存器来实现了一个简单的LED显示电路。
我们将移位寄存器中的数据通过一个数码管显示出来,从而实现了LED显示的功能。
在这个实验中,我们学习了如何将数字转换成二进制码,并将其存储在移位寄存器中,然后通过数码管将数据显示出来。
最后,我们使用移位寄存器来实现了一个简单的电子琴电路。
我们将移位寄存器中的数据通过一个电子琴模拟出来,从而实现了电子琴的功能。
在这个实验中,我们学习了如何将数字转换成二进制码,并将其存储在移位寄存器中,然后通过电子琴将数据模拟出来。
通过这次实验,我们不仅学习了移位寄存器的基本原理和操作方法,还加深了对数字电路的理解和认识。
同时,我们也学会了如何将理论知识与实际操作相结合,提高了我们的动手能力和解决问题的能力。
移位寄存器实验心得篇2在进行移位寄存器实验的过程中,我不仅对移位寄存器有了更深入的理解,还掌握了一些实际操作技巧。
以下是我对这次实验的心得体会。
首先,实验开始前,我对于移位寄存器的工作原理感到困惑。
但是在实验过程中,我逐渐明晰了其工作机制。
移位寄存器是一种具有存储功能的电子元件,可以将数据从高位移至低位或低位移至高位,从而实现数据的传递和存储。
这一过程让我对电子元件的工作原理有了更深入的了解。
在实验过程中,我遇到了一些问题,例如在编程时出现了错误。
但是,通过查阅相关资料和反复试验,我逐渐找到了解决问题的方法。
实验五移位寄存器及其应用一、实验目的1、掌握中规模4位双向移位寄存器逻辑功能及使用方法。
2、熟悉移位寄存器的应用—实现数据的串行、并行转换和构成环形计数器。
二、实验原理1、移位寄存器是一个具有移位功能的寄存器,是指寄存器中所存的代码能够在移位脉冲的作用下依次左移或右移。
既能左移又能右移的称为双向移位寄存器,只需要改变左、右移的控制信号便可实现双向移位要求。
根据移位寄存器存取信息的方式不同分为:串入串出、串入并出、并入串出、并入并出四种形式。
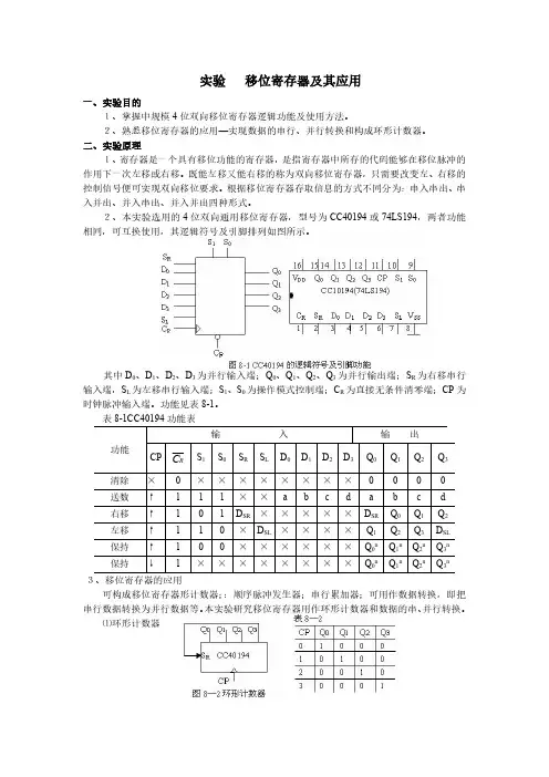
本实验选用的4位双向通用移位寄存器,型号为CC40194或74LS194,两者功能相同,可互换使用,其逻辑符号及引脚排列如图5-1所示。
图5-1 CC40194的逻辑符号及引脚功能其中D0、D1、D2、D3为并行输入端;Q0、Q1、Q2、Q3为并行输出端;S R为右移串C为直接无条件清零端;行输入端,S L为左移串行输入端;S1、S0为操作模式控制端;RCP为时钟脉冲输入端。
CC40194有5种不同操作模式:即并行送数寄存,右移(方向由Q0→Q3),左移(方向由Q3→Q0),保持及清零。
S1、S0和R C端的控制作用如表5-1。
表5-12、移位寄存器应用很广,可构成移位寄存器型计数器;顺序脉冲发生器;串行累加器;可用作数据转换,即把串行数据转换为并行数据,或把并行数据转换为串行数据等。
本实验研究移位寄存器用作环形计数器和数据的串、并行转换。
(1)环形计数器把移位寄存器的输出反馈到它的串行输入端,就可以进行循环移位,如图5-2所示,把输出端Q3和右移串行输入端S R 相连接,设初始状态Q0Q1Q2Q3=1000,则在时钟脉冲作用下Q0Q1Q2Q3将依次变为0100→0010→0001→1000→……,如表5-2所示,可见它是一个具有四个有效状态的计数器,这种类型的计数器通常称为环形计数器。
图5-2 电路可以由各个输出端输出在时间上有先后顺序的脉冲,因此也可作为顺序脉冲发生器。
实验六 移位寄存器及应用一、实验目的1、了解并掌握四位单向、双向移位寄存器的逻辑功能;2、熟悉移位寄存器的基本使用方法。
二、实验器材和仪器设备 1、实验仪器设备(1)DLC —1数字电子技术实验箱 (2)万用表2、实验器件:74LS194、74LS04、74LS20 等 三 实验原理1、在数字系统中能寄存二进制信号,并进行移位的逻辑部件称为移位寄存器。
根据移位输入和输出信号的方式有:串入串出、串入并出、并入串出、并入并出四种形式,按移位方向有左移、右移两种。
2、集成双向移位寄存器集成移们寄存器的种类很多,现以典型芯片74194为例来介绍其逻辑功能。
下图是74LS194芯片,它有16个引脚。
其功能真值表如表所示。
图5-3 四位双向移位寄存器74194引脚图R C :异步清零端; CP:时钟送数脉冲输入端; S 1S 0 :控制方式选择端, S R :右移串行输入数据端; S L :左移输入端。
Q 3:右移串行输出端;Q 0:左移串行输出端。
D 0-D 3:并行输入;Q 0-Q 3:并行输出。
表5-2 74194双向移位功能表........① 清0功能。
当CR =0时,双向移位寄存器置0。
Q 0-Q 3 都为0状态。
② 保持功能。
当CR =1、CP= 0或1 CR 、S 1S 0 =00时,双向移位寄存器保持原状态不变。
③ 并行送数功能。
当CR =1、S 1S 0 =11时,在CP 上升沿作用下,使D 0-D 3 端输入的数码d 0-d 3并行送入寄存器,显然是同步并行送数。
④ 右移串行送数功能。
当CR =1、S 1S 0 =01时,在CP 上升沿作用下,执行右移功能,D SR 端输入的数码依次送入寄存器。
⑤ 左移串行送数功能。
当CR =1、S 1S 0 =10时,在CP 上升沿作用下,执行左移功能,D SL 端输入的数码依次送入寄存器。
四、实验内容1.验证74LS194 双向移位寄存器的逻辑功能(70分)D 0、D 1、 D 2、D 3分别接数据开关K 1、K 2、K 3、K 4。
移位寄存器及其应用实验报告一、实验目的1.了解移位寄存器的基本原理和工作方式;2.掌握移位寄存器的应用场景和使用方法;3.通过实验验证移位寄存器的功能和性能。
二、实验原理移位寄存器是一种特殊的寄存器,它可以将数据按照一定的规律进行移位操作。
移位操作可以分为左移和右移两种方式,左移是将数据向左移动一定的位数,右移则是将数据向右移动一定的位数。
移位寄存器可以用于数据的移位、数据的存储和数据的转换等多种应用场景。
移位寄存器的基本原理是利用触发器和门电路实现数据的移位操作。
触发器是一种存储器件,可以存储一个二进制位的数据。
门电路则是一种逻辑电路,可以实现数据的逻辑运算。
移位寄存器通常由多个触发器和门电路组成,可以实现多位数据的移位操作。
移位寄存器的工作方式是通过时钟信号来控制数据的移位操作。
当时钟信号为高电平时,移位寄存器开始工作,数据按照一定的规律进行移位操作。
当时钟信号为低电平时,移位寄存器停止工作,数据保持不变。
移位寄存器还可以通过控制输入端和输出端的电平来实现不同的功能。
三、实验内容本次实验主要是通过实验板上的移位寄存器模块,实现数据的移位和存储操作。
具体实验内容如下:1.将实验板上的移位寄存器模块连接到开发板上;2.使用开发板上的按键控制移位寄存器的工作方式,包括左移、右移、存储和清零等操作;3.使用示波器观察移位寄存器的时钟信号和数据输出信号,验证移位寄存器的工作状态和性能。
四、实验步骤1.将实验板上的移位寄存器模块连接到开发板上,按照连接图进行连接;2.使用开发板上的按键控制移位寄存器的工作方式,具体操作如下:(1)按下左移按键,移位寄存器开始向左移动数据;(2)按下右移按键,移位寄存器开始向右移动数据;(3)按下存储按键,移位寄存器将当前数据存储到寄存器中;(4)按下清零按键,移位寄存器将当前数据清零。
3.使用示波器观察移位寄存器的时钟信号和数据输出信号,具体操作如下:(1)将示波器的探头连接到移位寄存器的时钟输入端,观察时钟信号的波形;(2)将示波器的探头连接到移位寄存器的数据输出端,观察数据输出信号的波形。
实验移位寄存器及其应用一、实验目的1、掌握中规模4位双向移位寄存器逻辑功能及使用方法。
2、熟悉移位寄存器的应用—实现数据的串行、并行转换和构成环形计数器。
二、实验原理1、寄存器是一个具有移位功能的寄存器,是指寄存器中所存的代码能够在移位脉冲的作用下一次左移或右移。
既能左移又能右移的称为双向移位寄存器,只需要改变左、右移的控制信号便可实现双向移位要求。
根据移位寄存器存取信息的方式不同分为:串入串出、串入并出、并入串出、并入并出四种形式。
2、本实验选用的4位双向通用移位寄存器,型号为CC40194或74LS194,两者功能相同,可互换使用,其逻辑符号及引脚排列如图所示。
其中D0、D1、D2、D3为并行输入端;Q0、Q1、Q2、Q3为并行输出端;S R为右移串行输入端,S L为左移串行输入端;S1、S0为操作模式控制端;C R为直接无条件清零端;CP为时钟脉冲输入端。
功能见表8-1。
表8-1CC40194功能表功能输入输出CP R C S1S0S R S L D0D1D2D3Q0Q1Q2Q3清除×0××××××××0000送数↑111××a b c d a b c d右移↑101D SR×××××D SR Q0Q1Q2左移↑110×D SL××××Q1Q2Q3D SL保持↑100××××××Q0n Q1n Q2n Q3n保持↓1××××××××Q0n Q1n Q2n Q3n3、移位寄存器的应用可构成移位寄存器形计数器;:顺序脉冲发生器;串行累加器;可用作数据转换,即把串行数据转换为并行数据等。
移位寄存器实验报告篇一:移位寄存器实验报告移位寄存器实验报告(一)实验原理移位寄存器是用来寄存二进制数字信息并且能进行信息移位的时序逻辑电路。
根据移位寄存器存取信息的方式可分为串入串出、串入并出、并入串出、并入并出4种形式。
74194是一种典型的中规模集成移位寄存器,由4个RS触发器和一些门电路构成的4位双向移位寄存器。
该移位寄存器有左移,右移、并行输入数据,保持及异步清零等5种功能。
有如下功能表(三)实验内容1. 按如下电路图连接电路十个输入端,四个输出端,主体为74194. 2. 波形图参数设置:End time:2usGrid size:100ns 波形说明:clk:时钟信号;clrn:置0 s1s0:模式控制端 sl_r:串行输入端 abcd:并行输入 qabcd:并行输出结论:clrn优先级最高,且低有效高无效;s1s0模式控制,01右移,10左移,00保持,11置数重载;sl_r控制左移之后空位补0或补1。
3. 数码管显示移位(1)电路图(2)下载验证管脚分配:a,b,c,d:86,87,88,89 bsg[3..0]:99,100,101,102 clk:122 clk0:125 clrn:95 q[6..0]:51,49,48,47,46,44,43 s0,s1:73,72 sl_r:82,83 结论:下载结果与仿真结果一致,下载正确。
一、实验日志1.移位寄存器的实验真的挺纠结的,本来想用7449的,但是下载结果出现了错误,想到它在这个电路图中的功能比较单一,就自己写了一个my7449,终于对了。
五、思考题(1)简单说明移位寄存器的概念及应用情况?概念:移位寄存器是用来寄存二进制数字信息且能进行信息移动的时序逻辑电路。
根据移位寄存器存取信息的方式不同可以分为串入串出,串入并出,并入串出,并入并处4种形式。
应用:移位寄存器可以构成计数器,顺序脉冲发生器,串行累加器,串并转换,并串转换等。
实验六项目名称:移位寄存器及其应用一、实验目的1、掌握中规模4位双向移位寄存器逻辑功能及使用方法。
2、熟悉移位寄存器的应用—实现数据的串行、并行转换和构成环形计数器。
二、实验设备1、数字电子技术实验箱2、CC40194×2(74LS194)三、实验内容及步骤1 、测试CC40194(或74LS194)的逻辑功能按图6-5接线,R C、S1、S0、S L、S R、D0、D1、D2、D3分别接至逻辑开关的输出插口;Q0、Q1、Q2、Q3接至逻辑电平显示输入插口。
CP端接单次脉冲源。
按图6-5 CC40194逻辑功能测试(1)清除:令R C=0,其它输入均为任意态,这时寄存器输出Q0、Q1、Q2、Q3应均为0。
清除后,置R C=1 。
(2)送数:令R C=S1=S0=1 ,送入4位二进制数,如令:D0D1D2D3=1001,加CP脉冲,此时Q0、Q1、Q2、Q3输出状态为:1001 。
(3)右移:令R C=1,S1=0,S0=1,然后右移输入端S R送入二进制数码如0,加CP脉冲,此时Q0、Q1、Q2、Q3显示为:0100 ;紧接着,右移输入端S R送入二进制数码如1,加CP脉冲,此时Q0、Q1、Q2、Q3显示为:1010 ;紧接着,右移输入端S R送入二进制数码如0,加CP脉冲,此时Q0、Q1、Q2、Q3显示为:0101 ;紧接着,右移输入端S R送入二进制数码如0,加CP脉冲,此时Q0、Q1、Q2、Q3显示为:0010 。
(4) 左移:先令R C=0进行清零,再令R C=1,S1=1,S0=0,然后左移输入端S L送入二进制数码如1,加CP脉冲,此时Q0、Q1、Q2、Q3显示为:0001 ;紧接着,左移输入端S L送入二进制数码如1,加CP脉冲,此时Q0、Q1、Q2、Q3显示为:0011 ;紧接着,左移输入端S L送入二进制数码如1,加CP脉冲,此时Q0、Q1、Q2、Q3显示为:0111 ;紧接着,左移输入端S L送入二进制数码如1,加CP脉冲,此时Q0、Q1、Q2、Q3显示为:1111 。
实验六 移位寄存器功能测试及应用--实验报告要求一. 实验目的(0.5分)1. 熟悉寄存器、移位寄存器的电路结构和工作原理。
2. 掌握中规模4位双向移位寄存器逻辑功能及使用方法。
3. 熟悉移位寄存器的应用。
二. 实验电路D0、D1 、D2 、D3为并行输入端;Q0、Q1、Q2、Q3为并行输出端;SR 为右移串行输入端,SL 为左移串行输入端;S1、S0 为操作模式控制端;R C 为直接无条件清零端;CP 为时钟脉冲输入端。
三图2 CC40194/74LS194逻辑功能测试图1 CC40194/74LS194的逻辑符号及引脚功能图3 环形计数器四. 实验原理(0.5分)1.移位寄存器是一个具有移位功能的寄存器,是指寄存器中所存的代码能够在移位脉冲的作用下依次左移或右移。
既能左移又能右移的称为双向移位寄存器,只需要改变左、右移的控制信号便可实现双向移位要求。
根据移位寄存器存取信息的方式不同分为:串入串出、串入并出、并入串出、并入并出四种形式。
本实验选用的4位双向通用移位寄存器,型号为CC40194或74LS194,两者功能相同,可互换使用。
74LS194有5种不同操作模式:即并行送数寄存,右移(方向由Q0-->Q3),左移(方向由Q3→Q0),保持及清零。
2.移位寄存器应用很广,可构成移位寄存器型计数器:顺序脉冲发生器;串行累加器;可用数据转换,即把串行数据转换为并行数据,或把并行数据转换为串行数据等。
本实验研究移位寄存器用作环形计数器和数据的串、并行转换。
(1)环行计数器把移位寄存器的输出反馈到它的串行输入端,就可以进行循环移位。
(2)实现数据、并行转换器a)串行∕并行转换器串行∕并行转换器是指串行输入的数码,经转换电路之后变换成并行输出。
b)并行∕串行转换器并行∕串行转换器是指并行输入的数码经转换电路之后,换成串行输出。
五. 实验内容与步骤(共1分)1.测试74LS194的逻辑功能(0.5分)(1)在实验箱上选取一个16P插座,按定位标记插好74LS194集成块。
学生实验报告系别电子信息学院课程名称电子技术实验班级10通信A班实验名称实验六移位寄存器及其应用姓名葛楚雄实验时间2012年5月16日学号2010010101019 指导教师文毅报告内容一、实验目的和任务1.掌握四位双向移位寄存器的逻辑功能与使用方法。
2.了解移位寄存器的使用—实现数据的串行,并行转换和构成环形计数器。
二、实验原理介绍1、移位寄存器是一个具有移位功能的寄存器,是指寄存器中所存的代码能够在移位脉冲的作用下依次左移或右移。
既能左移又能右移的称为双向移位寄存器,只需要改变左右移的控制信号便可实现双向移位要求。
根据寄存器存取信息的方式不同分为:串入串出、串入并出、并入串出、并入并出四种形式。
本实验选用的4位双向通用移位寄存器,型号为74LS194或CC40194,两者功能相同,可互换使用,其逻辑符号及引脚排列如图15-1所示。
图15-1 74LS194(或CC40194)的逻辑符号及引脚排列其中SR为右移串行输入端,SL为左移串行输入端;功能作用如表15-1所示。
2、移位寄存器应用很广,可构成移位寄存器型计数器、顺序脉冲发生器和串行累加器;可用作数据转换,即把串行数据转换为并行数据,或把并行数据转换为串行数据等。
(1)环形计数器把移位寄存器的输出反馈到它的串行输入端,就可以进行循环移位,如下图所示。
将输出端Q3与输入端SR相连后,在时钟脉冲的作用下Q0Q1Q2Q3将依次右移。
同理,将输出端Q0与输入端SL相连后,在时钟脉冲的作用下Q0Q1Q2Q3将依次左移。
(2)实现数据串、并转换○1串行/并行转换器串行/并行转换是指串行输入的数据,经过转换电路之后变成并行输出。
下面是用两片74LS194构成的七位串行/并行转换电路。
电路中S0端接高电平1,S1受Q7控制,两片寄存器连接成串行输入右移工作模式。
Q7是转换结束标志。
当Q7=1时,S1为0,使之成为S1S0=01的串入右移工作方式。
当Q7=0时,S1为1,有S1S0=11,则串行送数结束,标志着串行输入的数据已转换成为并行输出。
电学实验报告模板实验原理移位寄存器是逻辑电路中的一种重要逻辑部件,它能存储数据,还可以用来实现数据的串行-并行转换、数据的运算和处理。
1.寄存器(1)D触发器图1 D触发器图1所示D触发器。
每来一个CLK脉冲,触发器都在该CLK脉冲的上升沿时刻,接收输入数据D,使之作为触发器的新状态。
D触发器的特性方程为(2)用D触发器构成并行寄存器图2 用D触发器构成并行寄存器图2所示为用D触发器构成四位并行寄存器。
为异步清零控制端,高电平有效。
当时,各触发器输出端Q的状态,取决于CLK上升沿时刻的D端状态。
2.移位寄存器(1)用D触发器构成移位寄存器图3 用D触发器构成4位串行移位寄存器图3所示为用D触发器构成的4位串行移位寄存器。
其中左边第一个触发器的输入端接收输入数据,其余的每一个触发器的输入端均与左边相邻的触发器的Q端连接。
当时钟信号CLK的上升沿时刻,各触发器同时接收输入数据。
四位寄存器的所存数据右移一位。
(2)双向移位寄存器74LS194图4 双向移位寄存器74LS194逻辑框图图4 所示为集成电路芯片双向移位寄存器74LS194逻辑框图。
为便于扩展逻辑功能,在基本移位寄存器的基础上增加了左右移控制、并行输入、保持和异步清零等功能。
74LS194的逻辑功能如表1所列。
表13.用移位寄存器构成计数器(1)环形计数器图5 环形计数器如果将移位寄存器的串行移位输出端接回到串行移位输入端,如图5所示。
那么,在时钟CLK的作用下,寄存器里的数据将不断循环右移。
例如,电路的初始状态为,则电路的状态转换图如图6所示。
可以认为,这是一个模4计数器。
图6 环形计数器状态转换图实验内容及步骤1. 用两片74LS74构成四位移位寄存器(1)74LS74引脚图图10 74LS74引脚图(2)用74LS74构成四位移位寄存器图11 用74LS74构成四位移位寄存器实验电路按照图11连接电路。
首先设置,使寄存器清零。
然后,设置,在CLK输入端输入单次脉冲信号当作时钟信号,通过输出端的发光二极管观察的状态,判断移位的效果。
一、实验目的本次实验旨在让学生掌握位移寄存器的基本原理,熟悉其结构、工作方式及功能,并学会利用位移寄存器实现数据串行与并行的相互转换。
通过实验,使学生深入了解数字电路在实际应用中的重要作用,提高动手实践能力。
二、实验原理1. 位移寄存器的基本原理位移寄存器是一种具有移位功能的寄存器,它可以在时钟脉冲的作用下,将寄存器中的数据依次左移或右移。
在实验中,我们采用D触发器作为基本单元,构成一个4位双向移位寄存器。
2. 位移寄存器的结构实验中使用的4位双向移位寄存器由4个D触发器组成,其逻辑符号及引脚排列如下:- D3、D2、D1、D0:并行输入端,用于输入数据;- Q3、Q2、Q1、Q0:并行输出端,用于输出数据;- SR:右移串行输入端,用于输入右移数据;- SL:左移串行输入端,用于输入左移数据;- S1、S0:操作模式控制端,用于选择寄存器的操作模式;- CR:直接无条件清零端,用于清零寄存器;- CP:时钟脉冲输入端,用于产生时钟信号。
3. 位移寄存器的功能74LS194或CC40194型4位双向移位寄存器具有以下5种操作模式:(1)并行送数寄存:将并行数据同时送入寄存器;(2)右移:将寄存器中的数据向右移动,SR端输入数据;(3)左移:将寄存器中的数据向左移动,SL端输入数据;(4)保持:保持寄存器中的数据不变;(5)清零:将寄存器中的数据清零。
三、实验内容与步骤1. 实验内容(1)搭建4位双向移位寄存器实验电路;(2)观察并记录寄存器在不同操作模式下的输出;(3)实现数据串行与并行的相互转换;(4)分析实验结果,验证实验原理。
2. 实验步骤(1)根据实验电路图,连接实验板上的各个元件;(2)将实验板接入电源,观察电路工作状态;(3)设置操作模式控制端S1、S0,选择所需的操作模式;(4)输入并行数据或串行数据,观察寄存器输出;(5)调整输入数据,观察寄存器在不同操作模式下的输出;(6)记录实验数据,分析实验结果。
学生实验报告
系别电子信息学院课程名称电子技术实验
班级10通信A班实验名称实验六移位寄存器及其应用
姓名葛楚雄实验时间2012年5月16日
学号2010010101019 指导教师文毅
报告内容
一、实验目的和任务
1.掌握四位双向移位寄存器的逻辑功能与使用方法。
2.了解移位寄存器的使用—实现数据的串行,并行转换和构成环形计数器。
二、实验原理介绍
1、移位寄存器是一个具有移位功能的寄存器,是指寄存器中所存的代码能够在移位脉冲的作用下依次左移或右移。
既能左移又能右移的称为双向移位寄存器,只需要改变左右移的控制信号便可实现双向移位要求。
根据寄存器存取信息的方式不同分为:串入串出、串入并出、并入串出、并入并出四种形式。
本实验选用的4位双向通用移位寄存器,型号为74LS194或CC40194,两者功能相同,可互换使用,其逻辑符号及引脚排列如图15-1所示。
图15-1 74LS194(或CC40194)的逻辑符号及引脚排列
其中SR为右移串行输入端,SL为左移串行输入端;功能作用如表15-1所示。
2、移位寄存器应用很广,可构成移位寄存器型计数器、顺序脉冲发生器和串行累加器;可用作数据转换,即把串行数据转换为并行数据,或把并行数据转换为串行数据等。
(1)环形计数器
把移位寄存器的输出反馈到它的串行输入端,就可以进行循环移位,如下图所示。
将输出端Q3与输入端SR相连后,在时钟脉冲的作用下Q0Q1Q2Q3将依次右移。
同理,将输出端Q0与输入端SL相连后,在时钟脉冲的作用下Q0Q1Q2Q3将依次左移。
(2)实现数据串、并转换
○1串行/并行转换器
串行/并行转换是指串行输入的数据,经过转换电路之后变成并行输出。
下面是用两片74LS194构成的七位串行/并行转换电路。
电路中S0端接高电平1,S1受Q7控制,两片寄存器连接成串行输入右移工作模式。
Q7是转换结束标志。
当Q7=1时,S1为0,使之成为S1S0=01的串入右移工作方式。
当Q7=0时,S1为1,有S1S0=11,则串行送数结束,标志着串行输入的数据已转换成为并行输出。
○2并行/串行转换器
并行/串行转换是指并行输入的数据,经过转换电路之后变成串行输出。
下面是用两片74LS194构成的七位并行/串行转换电路,如图15-4所示。
与图15-3相比,它多了两个与非门,而且还多了一个转动换启动信号(负脉冲或低电平),工作方式同样为右移。
对于中规模的集成移位寄存器,其位数往往以4位居多,当所需要的位数多于4位时,可以把几片集成移位寄存器用级连的方法来扩展位数。
三、实验内容和数据记录
1、测试74LS194移位寄存器的逻辑功能;
1、测并入功能的要点:
①先清零;②令S1S0=11;
③对D0~D3置数,送数1001;
④在CP作用下即完成。
将输出状态变化记录在预设置的表里。
功能 CP Cr S1 S0 Q0 Q1 Q2 Q3 清零 X 0 X X 0 0 0 0 并入 ↑ 1 1 1 1 0 0 1 保持 ↑ 1 0 0 1 0 0 1 CP1 ↑ 1 0 0 1 0 0 1 CP2 ↑ 1 0 0 1 0 0 1 CP3 ↑ 1 0 0 1 0 0 1 CP4
↑
1
1
1
2、74LS194构成扭环型计数器; 工作原理:
1.先清零,3210Q Q Q Q =0000;
2.S1S0=01,右移工作模式;
3.DSR=/Q3,在CP 的作用下,3210Q Q Q Q 实现右移;
4.3210Q Q Q Q (0000)-(1000)-(1100)-(1110)-(1111)-(0111)-(0011)-(0001)-(0000); 实现8进制循环计数。