一次性脉冲冲洗引流器产品技术要求中诺恒康
- 格式:docx
- 大小:268.48 KB
- 文档页数:7
医用冲洗器适用范围:适用于骨科、创伤手术创面、软组织冲洗。
1.1 设备和其应用部分的分类:1.1.1 按防电击类型分类:内部电源。
1.1.2 按防电击的程度分类: B型应用部分。
1.1.3 按制造商推荐的消毒、灭菌方法分类:环氧乙烷灭菌。
1.1.4 按运动模式分类:短时运行。
1.2产品型号见表1表1 医用冲洗器型号1.3医用冲洗器的材料见表2表2 医用冲洗器的名称及材料1.4 AK冲洗器的型号、结构组成及外形尺寸(mm)1.4.1 产品的型号本技术要求给出如下型号表示形式:1.4.2产品结构组成产品由枪体、吸引管、电源线、导液管、插头、节流夹、管接头、(柱状/伞状)喷嘴、电池盒、锁环、开关、开关保险夹组成。
1.4.3 医用冲洗器的外形及基本尺寸1.4.3.1枪体的外形及基本尺寸见图1 。
图1 AK CX-01枪体1.4.3.2 吸引管的外形及基本尺寸见图2。
图2 吸引管1.4.3.3 导液管的外形及基本尺寸见图3。
图3 导液管1.4.3.4 插头的外形及基本尺寸见图4。
图4 插头1.4.3.5 节流夹的外形及基本尺寸见图5。
图5 节流夹1.4.3.6 管接头的外形及基本尺寸见图6。
图6 管接头1.4.3.7 喷嘴(伞状)的外形及基本尺寸见图7。
图7 喷嘴(伞状)1.4.3.8 喷嘴(柱状)的外形及基本尺寸见图8。
图8 喷嘴(柱状)1.4.3.9 电池盒的外形及基本尺寸见图9 。
图9 电池盒1.4.3.10 锁环的外形及基本尺寸见图10。
图12 AK CX-01锁环1.4.3.11 开关的外形及基本尺寸见图11 。
图 11 AK CX-01开关1.4.3.12 开关保险夹的外形及基本尺寸见图12。
图12 AK CX-01开关保险夹2.1 正常工作条件下的参数a) 环境温度:5℃~40℃;b) 相对湿度:≤80%RH;c) 大气压力:86kPa~106kPa;d) 工作电源:d.c.12V(八个1.5V的AA碱性电池)。
医疗器械产品技术要求编号:一次性使用冲洗吸引器1.产品型号/规格及划分说明1.1产品型号WMC-10461.2型号划分说明WMC-XXXX公司代码1.3结构组成一次性使用冲洗吸引器主要由抽吸管、冲洗管、三通管、不锈钢管、针头套及管夹组成。
1.3适用范围该产品用于腹腔镜手术中抽吸废液及冲洗组织器官。
1.4产品储存条件及有效期:1.4.1产品有效期为3年;1.4.2环境温度:+5℃~+40℃;1.4.3相对湿度:30%~80%;1.4.4气压:700hPa~1080hPa。
2.性能指标2.1物理性能2.1.1外观2.1.1.1冲洗吸引器管路应透明或足够透明,外表面应光滑、圆整、清洁,无明显波纹、凝胶、麻点和机械损伤。
2.1.1.2不锈钢管外表面应光洁、圆整,不应有锋棱、毛刺、弯钩和机械损伤,不锈钢管头端应圆滑,有侧孔。
2.1.2尺寸冲洗吸引器尺寸应符合表1的要求,允差±5%;表1单位:mm规格型号不锈钢管外径(允差±5%)不锈钢管长(允差±5%)导管长度(允差±5%)标准型PB30 3.03303000 PB50 5.03303000 PB808.03303000吸PY30 3.03303000烟型PY50 5.03303000 PY808.033030002.1.3连接牢固度冲洗吸引器各连接处连接应牢固,应能承受15N的静拉力持续30s不断开或破损。
2.1.4耐负压性冲洗吸引器处于吸引状态时,应能承受30kPa的负压,持续15s而不扁瘪或开裂。
2.1.5气密性冲洗吸引器应有良好的气密性,通入30kPa的气压持续15s,连接处应不产生泄漏。
2.1.6吸烟过滤性能使用吸烟过滤功能时,可以通过蓝色旋钮控制吸力大小,当蓝色旋钮调到ON,则吸力最大,当蓝色按钮调到OFF,则关闭吸烟通道。
2.1.7畅通性按照GB/T15812.1-2005中附录E的试验方法,冲洗管、抽吸管的流量均应不小于300mL/min。
一次性脉冲冲洗引流器适用范围:适用于骨科、创伤手术创面、软组织冲洗。
1.1型号命名:一次性脉冲冲洗引流器型号规格:EP18-01、EP18-02、EP18-03。
1.2结构组成一次性脉冲冲洗引流器由主体(包括主机、电池盒、管路)和三种可适用的喷头(带刷雾化喷头、加长雾化喷头、花洒喷头)组成,电气部分由电池组、按钮、微型马达组成。
各型号差异见表1。
表1一次性脉冲冲洗引流器各型号差异产品组件见图1,规格见表2,各喷头图示见图2-图5,规格见表3。
1喷头2主机3入水管4出水管5电线6电池盒图1产品结构示意图表2产品组件规格组成规格允差主机17cm×12cm(长×宽)±0.5cm 喷头见表3见表3入水管275cm(长)±5cm 出水管275cm(长)±5cm 电线260cm(长)±5cm电池盒135mm×65mm(长×宽)±5mm表3喷头规格喷头类型有效长度/mm外径/mm雾化喷头L1=100±5D1=35±D2=12±1.2正常工作环境a)环境温度范围:+10℃~+40℃;b)环境湿度范围:30%~75%;c)大气压力范围:700hPa~1060hPa;d)额定电源:DC12V。
1.3产品材料组成产品材料组成见表4。
表4灭菌方式为辐照灭菌,有效期24个月。
2.1外观2.1.1冲洗引流器外观端正,不应有锋棱、毛刺、损坏和变形;2.1.2冲洗引流器上的文字和标志应准确、清晰;2.1.3冲洗引流器的主机和电池盒应闭合牢固;2.1.4喷头锁环应能灵活调节,锁紧后,喷头应被牢固固定。
2.2尺寸产品的各部件尺寸应符合表2和表3。
2.3密合性2.3.1正压试验冲洗引流器的进水管路施加75kPa正压的压力下应无渗漏破裂现象;2.3.2负压试验冲洗引流器的出水管路施加75kPa负压的压力下应无渗漏破裂现象。
一次性使用医用冲洗器产品技术审评规范(2017年)本规范旨在指导注册申请人对一次性使用医用冲洗器产品注册申报资料的准备及撰写,同时也为技术审评部门审评注册申报资料提供参考。
本规范是对一次性使用医用冲洗器产品的一般要求,申请人应依据产品的具体特性确定其中内容是否适用,若不适用,需具体阐述理由及相应的科学依据,并依据产品的具体特性对注册申报资料的内容进行充实和细化。
本规范是供申请人和审查人员使用的指导文件,不涉及注册审批等行政事项,亦不作为法规强制执行,如有能够满足法规要求的其他方法,也可以采用,但应提供详细的研究资料和验证资料。
应在遵循相关法规的前提下使用本规范。
本规范是在现行法规、标准体系及当前认知水平下制定的,随着法规、标准体系的不断完善和科学技术的不断发展,本规范相关内容也I各适时进行调整。
一、适用范围本规范适用于骨科手术所使用的〃一次性使用医用冲洗器产品〃(以下简称冲洗器)。
该产品的〃管理类别〃为n类,分类编码为6854,属于手术室、急救室、诊疗室设备及器具。
产品在《医疗器械分类目录(2017年版)》中管理类别为II类,属于〃:14注输、护理和防护器械〃中序号〃07〃,一级产品类别为〃清洗、灌洗、吸引、给药器械",二级产品类别为冲洗器械〃的产品。
二.技术审查要点(-)产品名称要求冲洗器产品的命名应采用《医疗器械通用名称命名规则(2015年局令第19号)》、《医疗器械分类目录(2017年版)》或国家标准、行业标准中的通用名称,如:一次性使用脉冲冲洗器、一次性使用医用冲洗器、无菌冲洗器。
(二)产品的结构和组成1,产品的结构和组成冲洗器一般由喷管(如:淋浴状喷管,刷装喷管等)、枪体(含锁环和扳机)、进液管、电源盒和吸引管等组成。
典型产品结构示意图见图lo图1冲洗器结构示意图A-锁环B-淋浴状喷管C-枪体D-进液管E-袋装冲洗药液(生理盐水等,非系统的构件)F-刷状喷管-电源盒H■扳机J-吸引管【说明:产品因电源内置或使用网电源等及其他结构性差异,与图示情形可能不完全一致】(三)产品工作原理和作用机理1.产品工作原理枪体内的微型电机,带动活塞往复运动,使活塞腔内容积发生变化,容积增大冲洗液被吸入,容积变小冲洗液被压出,枪体前端可装配不同类型的喷管,冲洗液通过不同类型喷管后的形态和冲击力会有差异,达到冲洗手术创面的目的。
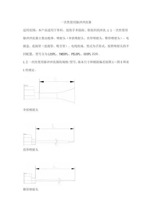
一次性使用脉冲冲洗器适用范围:本产品适用于骨科、创伤手术创面、软组织的冲洗.1.1一次性使用脉冲冲洗器主要由枪体、喷射头(伞状喷射头、直形喷射头、锥形喷射头)、电源盒、连接管(进液管、吸引管)、电线组成,型式为手持式。
按照喷射头的不同配置,型号分为LSSPL、YMEDPL、PELDPL、OSSPL四种。
1.2一次性使用脉冲冲洗器的规格/型号、基本尺寸和极限偏差按图1~图3和表1的规定。
伞状喷射头直形喷射头锥形喷射头图1 一次性使用脉冲冲洗器整体示意图图2 枪体图3 电源盒表1 基本尺寸和极限偏差单位:mm1.3基本参数1.3.1 电源电压: DC12V。
1.3.2 材料:连接管和喷射头材料为医用PVC,应符合GB15593-1995输血(液)器具用软聚氯乙烯塑料标准的要求,枪体、电源盒材料为ABS。
正常工作条件:a)环境温度:+5℃~+40℃;b)相对湿度:≤80%;c)电源电压:DC12V。
d)大气压力:700hPa~1060hPa。
2.1 装配件:冲洗器所有控制器件均须安装正确、牢固。
2.2 外观:冲洗器的壳体和配件应光洁,不得有裂纹锋棱。
2.3 冲洗器的水流流速、喷射距离。
2.3.1 水流流速可以任意选择高速流速、低速流速和停止三种方式;2.3.2 高速流速:12~26mL/s;2.3.3 低速流速:7~16mL/s;2.3.4 原始喷射高速喷射距离:最远距离不小于1m;2.3.5 原始喷射低速喷射距离:最远距离不小于0.5m。
2.4 冲洗器连续工作时间2min,高速流量为1440mL~3120mL。
2.5 吸引管接口:接口内径尺寸为φ8.5±0.5mm。
2.6 电源盒、枪体的尺寸为应符合表1的规定。
2.7 冲洗器的进液管、吸引管应相互不泄漏。
2.8生物学性能2.8.1 无菌冲洗器经环氧乙烷灭菌,应无菌。
2.8.2 环氧乙烷残留量环氧乙烷残留量≤10ug/g。
2.9冲洗器的环境试验:按GB/T 14710中气候环境Ⅱ组和机械环境Ⅱ组要求进行试验,并补充表2的规定。
一次性使用医用冲洗器适用范围:适用于骨科创伤手术创面、软组织清洗。
1.1 产品型号: LDK-CX011.2 产品划分说明1.3 结构组成:一次性使用医用冲洗器由喷管、枪体(含锁扣、电源开关)、进液管、电源盒和吸引管组成。
医用药液管(包括进液管和吸引管)和喷管分别采用医用软聚氯乙烯和医用聚丙烯材料或医用聚碳酸酯材料。
见图1。
图 1 LDK-CX01结构示意图A1-喷管1 A2-喷管2 B-锁扣C-枪体D-电源开关 E-吸引管(非本系统本身构件) F-进液管I-流量控制卡 G- 电源盒H-袋装冲洗药液(外配)2.1 正常工作条件:2.1.1 环境温度:5℃~40℃。
2.1.2 相对湿度:≤80%。
2.1.3 大气压力 86.0kPa~106.0kPa。
2.1.4 电源:d.c. 12V±1.2V(8节1.5V的5#干电池)。
2.2 外观要求:2.2.1 冲洗器表面应平整光洁,其内表面不得有明显可见的润滑剂汇集。
2.2.2 冲洗器文字和标志应清晰可见。
2.2.3 冲洗器内包装不得有任何损坏。
2.3 性能指标2.3.1 冲洗器的电源开关应灵敏可靠,无卡壳现象。
2.3.2 冲洗器的锁扣应能锁紧枪头,无松动现象。
2.3.3 冲洗器装上喷管,开关在“——”高速档时,可喷射出的液体距离不小于2000mm,流量不小于12mL/s。
2.3.4 冲洗器装上喷管,电源开关在“—”低速档时,可喷射出的液体距离不小于500mm,流量不小于7mL/s。
2.3.5 停止功能当开关在停止档时,冲洗器停止工作。
2.3.6 流量控制卡的止流功能当流量控制卡完全锁住时,应无液体从吸引管流出。
2.4 灭菌2.4.1冲洗器采用环氧乙烷方式灭菌,灭菌后应无菌。
2.4.2 冲洗器环氧乙烷残留量不大于10μg/g。
2.5 安全性能2.5.1 电磁兼容:应符合YY 0505-2012《医用电气设备第1-2部分:安全通用要求并列标准:电磁兼容要求和试验》的要求。
一次性使用冲洗吸引管路套件2.性能指标2.1外观管路套件应光滑无杂质,应无毛边、毛刺、塑流、塑化不均等不可接受的缺陷。
2.2尺寸管路套件连接管路尺寸应符合下表1的规定。
外径和内径允差为±0.1mm,有效长度允差为±5%。
表1管路套件连接管路尺寸对照表序号部件名称外径(mm)内径(mm)有效长度(cm)1输液管 4.0 3.01602抽吸管 3.8 1.81803灌注管 4.5 3.01802.3物理性能2.3.1透明度管路套件液路的管路应透明。
按YY0585.1-2005第A.1章规定试验时,应能检测出气水分界面。
2.3.2微粒污染管路套件按GB8368-2018第 A.1章试验时,污染指数应符合GB8368-2018的规定。
2.3.3连接强度管路套件液路各部分应能承受至少15N的静拉力15s。
2.3.4无泄漏试验开始前,应将整个系统在实验温度下进行状态调节。
按YY0585.1-2005第A.4章规定试验时,应无空气和水泄漏。
2.3.5圆锥接头管路套件各部位的圆锥接头应符合GB/T1962.1-2015和/或GB/T1962.2-2001的规定。
2.3.6瓶塞穿刺器瓶塞穿刺器应符合GB8368-2018中6.4的要求。
2.3.7保护套保护套应符合GB8368-2018中6.13的要求。
2.3.8负压测试将管路套件接入超声乳化仪进行负压测试时,管路套件内负压应大于600mmHg。
2.3.9管道耐负压性在-65KPa负压下30s,管体无扁瘪现象。
2.3.10空气阀空气阀应符合GB8368-2018中6.5的要求。
2.3.11药液过滤器药液过滤器应符合GB8368-2018中6.7的要求。
2.3.12流量管路应畅通,每分钟液流量大于90ml。
2.4化学性能2.4.1还原物质检验液与同批空白对照液相比,0.002mol/L高锰酸钾消耗量不应超过2.0mL。
2.4.2酸碱度检验液与同批空白对照液相对照,pH值之差不得超过1.5。
(19)中华人民共和国国家知识产权局(12)发明专利申请(10)申请公布号 (43)申请公布日 (21)申请号 201910283905.7(22)申请日 2019.04.10(71)申请人 苏州中科先进技术研究院有限公司地址 215028 江苏省苏州市工业园区金鸡湖大道99号纳米城西北区20幢3楼318(72)发明人 沈光国 李凌 辜嘉 (74)专利代理机构 深圳市科进知识产权代理事务所(普通合伙) 44316代理人 曹卫良(51)Int.Cl.A61M 3/02(2006.01)A61M 1/00(2006.01)A61M 39/22(2006.01)(54)发明名称一种一次性冲洗吸引器(57)摘要本发明属于医疗器械技术领域,具体涉及一种一次性冲洗吸引器,所述冲洗吸引器包括一个三通阀门,所述三通阀门包括中央控制单元和分别连接在中央控制单元上的公共通道、吸引通道、冲洗通道,所述公共通道位于吸引通道和冲洗通道中间;所述中央控制单元包括密封的控制室、与控制室紧密贴合的活塞和操作杆;所述操作杆的一端与活塞固定连接,另一端伸出所述控制室;本发明通过设置三通阀门,保证冲洗和吸引操作的互不干涉,吸引通道打开时,冲洗通道完全隔离,不会堆积回流,相反也是同样效果;本发明能够手动调节流量、使用范围广阔,结构简单实用,便于广泛推广。
权利要求书1页 说明书3页 附图2页CN 109908424 A 2019.06.21C N 109908424A权 利 要 求 书1/1页CN 109908424 A1.一种一次性冲洗吸引器,其特征在于,所述冲洗吸引器包括一个三通阀门,所述三通阀门包括中央控制单元和分别连接在中央控制单元上的公共通道、吸引通道、冲洗通道,所述公共通道位于吸引通道和冲洗通道中间;所述中央控制单元包括密封的控制室、与控制室紧密贴合的活塞和操作杆;所述操作杆的一端与活塞固定连接,另一端伸出所述控制室。
2.如权利要求1所述的一次性冲洗吸引器,其特征在于,所述控制室呈长筒形状,所述公共通道连接于所述控制室的中间,所述冲洗通道和所述吸引通道对称连接在所述公共通道两侧的控制室上。
一次性使用导药器适用范围:本产品用于输液时的配药和药液转移。
1. 产品型号/规格及其划分说明1.1一次性使用导药器根据瓶塞穿刺器长度的不同分为DYQ-A1、DYQ-B1两种型号。
1.2产品组成:一次性使用导药器由瓶塞穿刺器保护套、瓶塞穿刺器、瓶口固定端组成,结构如图1所示。
产品主要材料为聚碳酸酯(PC)和丙烯晴--丁二烯--苯乙烯(ABS)。
1-瓶塞穿刺器保护套 2-瓶口固定端 3-瓶塞穿刺器图1 一次性使用导药器结构示意图2. 性能指标2.1 物理要求2.1.1 微粒污染导药器应在最小的微粒污染的条件下制造。
所有部件必须光滑和清洁。
按GB8368-2005第A.1章试验时,微粒污染的评价指数应不超过90。
2.1.2 拉伸强度瓶口固定端和瓶塞穿刺器的连接,应承受15N的静拉力不少于15s。
2.1.3 密合性瓶塞穿刺器应具有密封性。
按要求试验时,应不发生泄漏。
2.1.4 畅通性应确保空气和(或)液体自由流动。
2.1.5 瓶塞穿刺器瓶塞穿刺器应适宜于预期穿刺的输液容器和(或)注射容器。
穿刺后应确保通道内液体的畅通性。
穿刺器表面应光滑无毛刺。
瓶塞穿刺器的最大直径应不大于6.5mm。
2.1.6 穿刺力应不超过表1规定的穿刺力。
表1 穿刺力2.1.7 穿刺落屑每10次穿刺产生的落屑宜不超过2个。
2.1.8 保护套瓶塞穿刺器保护套应保持瓶塞穿刺器无菌。
保护套宜牢靠不能自然脱落,但要在不触及被保护部位的前提下易于拆除。
保护套应适宜于预期的灭菌过程。
2.1.9 带外罩的导药器带外罩的导药器的外罩和保护套应能起到防止刺伤或触及瓶塞穿刺器的作用。
2.2化学要求2.2.1 还原物质(易氧化物))=0.002mol/L]的体积之差应不超过检验液和空白液消耗高锰酸钾溶液c(KMnO42.0ml。
2.2.2 重金属离子检验液呈现的颜色不应超过质量浓度ρ(Pb2+)= 1ug/ml标准对照液;检验液中钡、铬、铜、铅、锡的总含量应不超过1µg/ml。
一次性使用电动脉冲冲洗器产品技术要求shandeshi一次性使用电动脉冲冲洗器适用范围:适用于医疗机构手术中手术部位的冲洗。
1.1 型号命名1.2 型号划分说明只有单一型号。
1.3 组成主机、喷头、负压连接管、冲洗连接管等组成。
2.1 流量不小于650ml/min。
2.2 扬程不小于2m。
注:在最高档位测试。
2.3 其它能喷出呈雾状【使用短喷头(2a) 】和脉冲线状【使用长喷头(2b)喷头】两种不同形状的冲洗液。
2.4 电气安全应符合《GB9706.1-2007医用电气设备第一部分:安全通用要求》的基本安全特征。
基本安全特征见附录A。
2.5 环境试验应符合GB/T 14710-2009中气候环境试验II组和机械环境试验II 组及附录B的要求。
2.6电磁兼容应符合《YY 0505 –2012 医用电气设备- 第1 - 2部分:安全通用要求- 并列标准:电磁兼容- 要求和试验》标准的要求。
2.7 物理要求2.7.1 材质冲洗器连接管和喷头均是由聚氯乙烯原材料制成,材料应符合GB 15593-1995《输血(液)器具用聚氯乙烯塑料》的规定。
2.7.2 连接管尺寸连接管长度不小于2450mm,管径:∮9.5±0.5mm,管壁厚不应小于1.6±0.2mm。
注:负压连接管和冲洗连接管长度均不小于2450mm。
2.7.3 密封性冲洗器上各连接件和连接管接口应无泄漏。
2.7.4 拉伸强度冲洗器液体通道各组件间的连接,应能承受不小于15N的静拉力,持续15s,不分离。
2.8 化学性能2.8.1重金属总含量按GB/T14233.1-2008中5.6方法一试验时,浸提液呈现的颜色不应超过质量浓度的标准对照液。
2.8.2酸碱度按GB/T 14233.1规定方法进行试验时,冲洗器液体通道组件浸提液的pH值与同批空白对照液对照,pH值之差不得超过1.5。
2.8.3易氧化物冲洗器液体通道组件浸提液与等体积的同批空白对照液相比,0.002mol/L 的高锰酸钾溶液消耗量之差应≤2.0mL。
附件11一次性使用引流管产品注册技术审查指导原则本指导原则旨在指导和规范一次性使用引流管产品的技术审评工作,帮助审评人员理解和掌握该类产品原理/ 机理、结构、性能、预期用途等内容,把握技术审评工作基本要求和尺度,对产品安全性、有效性作出系统评价。
本指导原则所确定的核心内容是在目前的科技认识水平和现有产品技术基础上形成的,因此,审评人员应注意其适宜性,密切关注适用标准及相关技术的最新进展,考虑产品的更新和变化。
本指导原则不作为法规强制执行,不包括行政审批要求。
但是,审评人员需密切关注相关法规的变化,以确认申报产品是否符合法规要求。
一、适用范围本指导原则的适用范围为《医疗器械分类目录》中第H类一次性使用引流管产品,分类代号为6866 。
目前临床使用的带引流功能的产品种类繁多,按其结构和功能不同分类管理。
本指导原则适用于按照H类管理的,主要用于外科做手术区域体液引流的产品。
而按照皿类管理的脑室和胸腔引流管以及用途完全不同的H类产品如导尿管、胃管和泪道引流管等不在本原则中描述。
二、技术审查要点(一)产品名称的要求一次性使用引流管产品的命名应采用《医疗器械分类目录》或国家标准、行业标准上的通用名称,或以产品结构和应用范围为依据命名。
产品名称在通用名称基础上可带有表示材质、用途或结构等描述性词语,举例如下:—208 —1. 一次性使用硅橡胶引流管(材质);2. 一次性使用三腔引流管(结构);3. 一次性使用负压引流管(预置负压)。
(二)产品的结构和组成一次性使用引流管通常由管体和接头组成,有的根据需要会配有穿透针、负压球(或预置负压装置)。
管体远端(病人端)可带有一个或数个侧孔,病人端也可以是“ T”形、“蘑菇头”形、Y型或潘氏型(管腔内设计有数条纵向突起的脊)等。
产品所用材料有天然乳胶、硅橡胶、TPU[热塑性聚氨酯弹性体(Thermoplasticpolyurethane)]和PVC(聚氯乙烯)等。
典型产品外形结构见图1。
一次性脉冲冲洗管路耗材产品说明:
产品由医用脉冲冲洗仪和一次性使用无菌冲洗管配套组成,适用于
1. 手术对伤口和创面进行冲洗及残液吸引,
2. 骨科关节置换术,各种骨折内固定术,
3. 配合各种腔镜进行术中冲洗使用,
4. 对手术器械及内窥镜的清洗,
5. 肿瘤手术术中冲洗
6. 普外科,妇产科,心胸外科,泌尿外科术中清洗
产品特点:
1、喷枪有两种:既有冲洗喷头又有同冲同吸喷头,冲洗
的同时可以吸走组织、脂肪和液体
2、多种喷头设计:直嘴、扇叶状。
3、冲洗压力可调:具有合适的中高低档压力设置,根据
不同的创面及手术要求进行合理的临床选择
4、冲洗流量大:100—1200ml/min,能够达到快捷有效的冲洗,缩短手术时间
5、理想的防护罩设计:可有效防止冲洗液飞溅,保护医
务人员,降低交叉感染的几率
6、一次性无菌管路设计,减少因冲洗而造成的交叉感染1、清创简单有效,可减轻对创面造成的二次损害,缩短
清创时间
2、降低手术感染率,减少抗生素用量,减少手术术后粘连发生率
3、骨外科手术时,能创造良好的骨界面,便于骨科植入
物的有效植入 4、在人工关节置换术中冲洗骨髓腔,能增加骨水泥穿透组织,减少翻修率及基本杜绝脂肪栓塞发生率
5、腔镜术中冲洗,提高手术视野清晰度
6、肿瘤术中冲洗,减少瘤细胞种植危险。
(19)中华人民共和国国家知识产权局
(12)实用新型专利
(10)申请公布号
CN209809162U
(43)申请公布日 2019.12.20(21)申请号CN201822114578.6
(22)申请日2018.12.17
(71)申请人北京中诺恒康生物科技有限公司
地址102299 北京市昌平区超前路23号院C111室
(72)发明人李鹏
(74)专利代理机构北京彭丽芳知识产权代理有限公司
代理人隋勤
(51)Int.CI
权利要求说明书说明书幅图
(54)发明名称
一次性使用医用脉冲冲洗引流器
(57)摘要
本实用新型公开了一种一次性使用医用脉
冲冲洗引流器,包括:主机,所述主机前端设置
有喷头,所述主机的末端分别连接入水管、出水
管以及电源线,所述出水管另一端与负压吸引装
置相连。
本实用新型针对不同的软组织创面进行
不同喷头设计,进而调节不同的压力,以达到能
够水压可控的脉冲效果;同时连接负压吸引装置
能够把冲洗后废液一次性的回收处理。
法律状态
法律状态公告日法律状态信息法律状态2019-12-20授权授权
权利要求说明书
一次性使用医用脉冲冲洗引流器的权利要求说明书内容是....请下载后查看
说明书
一次性使用医用脉冲冲洗引流器的说明书内容是....请下载后查看。
一次性脉冲冲洗引流器
组成:
一次性脉冲冲洗引流器由主体(包括主机、电池盒、管路)和三种可适用的喷头组成,电气部分由电池组、按钮、微型马达组成。
各型号差异见表1。
表1 一次性脉冲冲洗引流器各型号差异
适用范围:适用于骨科、创伤手术创面、软组织冲洗。
2. 性能指标
2.1外观
2.1.1冲洗器外观端正,不应有锋棱、毛刺、损坏和变形;
2.1.2冲洗器上的文字和标志应准确、清晰;
2.1.3冲洗器的主机和电池盒应闭合牢固;
2.1.4喷头锁环应能灵活调节,锁紧后,喷头应被牢固固定。
2.1.5冲洗控制应灵敏可靠,无卡壳现象。
准确控制开启和停止。
2.2尺寸
产品的各部件尺寸应符合表2和表3。
2.3密合性
2.3.1正压试验
冲洗器的进水管路施加75kPa正压的压力下应无渗漏破裂现象;
2.3.2负压试验
冲洗器的出水管路施加75kPa负压的压力下应无渗漏破裂现象。
2.4温升
冲洗器在额定工作条件下连续工作30min后,可触及的外壳表面温度不应超过环境温度25℃。
2.5脉冲流量
冲洗器的低脉冲出水流量0.600L/min~0.800L/min,高脉冲出水流量
1.200L/min~1.400L/min。
2.6噪声
冲洗器正常工作时的噪声不大于80dB(A)。
2.7化学性能
2.7.1还原物质
)=0.002mol/L]的体检验液与同批空白对照液所消耗的高锰酸钾溶液[C(KMnO
4
积之差应不超过2.0mL。
2.7.2重金属
比色分析方法进行测定时,检验液呈现的颜色应不超过质量浓度ρ(Pb2+)=1μg/mL标准对照液。
检验液中钡、铬、铜、铅、锡的总含量不超过1μg/mL,镉的含量应不超过0.1μg/mL。
2.7.3酸碱度
检验液与同批空白对照液作对照,pH值之差不得超过1.5。
2.7.4蒸发残渣
50mL检验液蒸发残渣的总量应不超过2mg。
2.7.5紫外吸光度
检验液在250nm~320nm波长范围内的吸光度应不大于0.1。
2.7.6色泽
检验液应无色透明。
2.8无菌
产品应无菌。
2.9电磁兼容
冲洗器应符合YY 0505-2012的要求。
2.10电气安全
冲洗器应符合GB 9706.1-2007的要求,见附录A。
2.11环境要求
冲洗器的环境要求应按照GB/T 14710-2009中的气候试验Ⅱ组和机械试验Ⅱ组及附录B的规定。