最新建筑幕墙与采光顶设计施工安装验收及标准规范全书(精)
- 格式:doc
- 大小:591.50 KB
- 文档页数:7
建筑幕墙施工规范幕墙系统安装与验收标准建筑幕墙施工规范:幕墙系统安装与验收标准一、前言建筑幕墙施工是现代建筑中重要的一环,它不仅起到美化外观的作用,还有着保护建筑结构和提供舒适室内环境的功能。
为确保幕墙系统的质量和安全性,制定了本文所述的建筑幕墙施工规范。
二、材料准备1. 幕墙系统所使用的材料应符合相应国家标准,并具备相关防火、防水、防腐、抗风压等性能要求。
2. 材料运输和储存应遵循合适的方式和环境条件,确保材料不受损坏。
三、施工准备工作1. 幕墙施工前,需准备详细的设计方案和相关施工图纸,并组织专业人员进行技术交底和方案认可。
2. 对施工现场进行彻底清理,并确保施工区域的安全。
四、幕墙系统安装1. 根据设计方案和施工图纸,按照正确的顺序进行幕墙系统的安装。
2. 安装过程中,应严格按照幕墙系统制造商的要求进行,确保每个零部件的正确位置和连接质量。
3. 幕墙系统的安装应参照相关规范和标准,确保其结构的稳定性和安全性。
五、幕墙系统验收1. 幕墙安装完成后,进行初步验收。
检查幕墙系统的安装是否符合设计要求,是否存在松动、变形、漏水等问题。
2. 对幕墙系统进行全面检测,包括抗风压性能、抗震性能等,确保其满足相关标准和规范要求。
3. 验收合格后,根据实际情况填写相应的验收文件,并进行档案保存。
六、施工质量管理1. 施工单位应建立完善的质量管理体系,并严格执行施工规范和标准。
2. 施工过程中,适时进行质量检查和监督,及时发现和纠正问题,确保施工质量的稳定和可靠。
七、施工安全管理1. 幕墙施工人员应进行必要的安全培训,了解施工安全规范和操作手册。
2. 施工现场应设置明确的安全警示标志,配备必要的安全设备。
3. 施工期间应加强安全监管,确保施工过程中的安全和稳定。
八、总结建筑幕墙施工规范的制定和执行,对于保障幕墙系统的安全性和可靠性至关重要。
各相关单位和人员应严格遵循施工规范和标准,加强质量管理和安全管理,提升施工质量水平,确保建筑幕墙的工程质量。
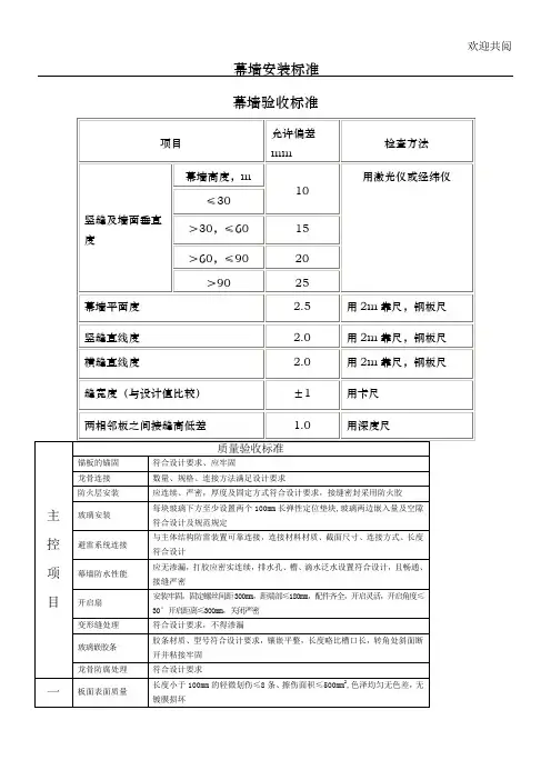
幕墙工程9.1 一般规定9.1.1 本章适用于玻璃幕墙、金属幕墙、石材幕墙等分项工程的质量验收。
说明:9.1.1 由金属构件与各种板材组成的悬挂在主体结构上、不承担主体结构荷载与作用的建筑物外围护结构,称为建筑幕墙。
按建筑幕墙的面板可将其分为玻璃幕墙、金属幕墙、石材幕墙、混凝土幕墙及组合幕墙等。
按建筑幕墙的安装形式又可将其分为散装建筑幕墙、半单元建筑幕墙、单元建筑幕墙、小单元建筑幕墙等。
9.1.2 幕墙工程验收时应检查下列文件和记录:1 幕墙工程的施工图、结构计算书、设计说明及其他设计文件。
2 建筑设计单位对幕墙工程设计的确认文件。
3 幕墙工程所用各种材料、五金配件、构件及组件的产品合格证书、性能检测报告、进场验收记录和复验报告。
4 幕墙工程所用硅酮结构胶的认定证书和抽查合格证明;进口硅酮结构胶的商检证;国家指定检测机构出具的硅酮结构胶相容性和剥离粘结性试验报告;石材用密封胶的耐污染性试验报告。
5 后置埋件的现场拉拔强度检测报告。
6 幕墙的抗风压性能、空气渗透性能、雨水渗漏性能及平面变形性能检测报告。
7 打胶、养护环境的温度、湿度记录;双组份硅酮结构胶的混匀性试验记录及拉断试验记录。
8 防雷装置测试记录。
9 隐蔽工程验收记录。
10 幕墙构件和组件的加工制作记录;幕墙安装施工记录。
9.1.3 幕墙工程应对下列材料及其性能指标进行复验:1 铝塑复合板的剥离强度。
2 石材的弯曲度;寒冷地区石材的耐冻融性;室内用花岗石的放射性。
3 玻璃幕墙用结构胶的邵氏硬度、标准条件拉伸粘结强度、相容性试验;石材用结构胶的粘结强度;石材用密封胶的污染性。
9.1.4 幕墙工程应对下列隐蔽工程项目进行验收:1 预埋件(或后置埋件)。
2 构件的连接节点。
3 变形缝及墙面转角处的构造节点。
4 幕墙防雷装置。
5 幕墙防火构造。
9.1.5 各分项工程的检验批应按下列规定划分:1 相同设计、材料、工艺和施工条件的幕墙工程每500—1000m2应划分为一个检验批,不足500 m2也应划分为一个检验批。
幕墙施工质量验收规范1.4.1 本节适用于建筑高度不大于100m、抗震设防烈度不大于8度的石材幕墙工程的质量验收。
主控项目1.4.2 石材幕墙工程所用材料的品种、规格、性能等级,应符合设计要求及国家现行产品标准和工程技术规范的规定。
石材的弯曲强度不应小于8.0MPa;吸水率应小于0.8,。
石材幕墙的铝合金挂件厚度不应小于4.0mm,不锈钢挂件厚度不应小于3.0mm。
检验方法:观察;尺量检查;检查产品合格证书、性能检测报告、材料进场验收记录和复验报告。
1.4.3 石材幕墙的造型、立面分格、颜色、光泽、花纹和图案应符合设计要求。
检验方法:观察。
1.4.4 石材孔、槽的数量、深度、位置、尺寸应符合设计要求。
检验方法:检查进场验收记录或施工记录。
1.4.5 石材幕墙主体结构上的预埋件和后置埋件的位置、数量及后置埋件的拉拔力必须符合设计要求。
检验方法:检查拉拔力检测报告和隐蔽工程验收记录。
1.4.6 石材幕墙的金属框架立柱与主体结构预埋件的连接、立柱与横梁的连接、连接件与金属框架的连接、连接件与石材面板的连接必须符合设计要求,安装必须牢固。
检验方法:手扳检查;检查隐蔽工程验收记录。
this precious resourceAdvantage took full advantage, mobilizing forces for the development suggestions in Pingliang. Four is to increase funding in infrastructure-building onto a new stage. "SARS" impact of Pingliang, Pingliang Mansion Hotel and calmly, insist on one hand and preventing "SARS", one hand and normal operation. Under the care and support of the municipal government, hotel in Pingliang actively financing, comprehensive hardware facilities have been upgraded1.4.7 金属框架的连接件和防腐处理应符合设计要求。
幕墙工程施工质量验收规范1.1 本规范适用于幕墙工程的施工质量验收。
1.2 幕墙工程施工质量验收应符合相关法律法规、标准和规范的要求,确保工程质量符合设计要求、规范要求、合同约定以及业主的需求。
1.3 施工单位应严格执行本规范的要求,保证施工质量的符合性。
二、验收条件2.1 施工单位应向业主提交施工完成的相关验收文件,包括但不限于工程竣工图纸、施工记录、检测报告等。
2.2 业主应组织专业人员对施工单位提交的验收文件进行审核,并与现场实际情况进行核对。
2.3 施工单位应确保验收时的现场情况符合相关法律法规、标准和规范的要求,确保验收过程的真实性和准确性。
三、验收内容3.1 幕墙工程的施工质量验收应包括但不限于以下内容:(1)材料验收:包括幕墙材料的质量、规格、数量等方面的验收。
(2)构件验收:包括幕墙构件的安装质量、连接处的结构强度、密封性能等方面的验收。
(3)施工质量验收:包括幕墙的垂直度、水平度、外观质量、安装工艺等方面的验收。
3.2 验收过程中,应注重对关键工序的检查,如密封处理、支撑结构、外墙板安装等。
3.3 验收时应注意对施工单位的操作规范、工艺流程、安全措施等方面的检查。
四、验收标准4.1 幕墙工程的施工质量验收应符合相关标准的要求,包括但不限于《建筑幕墙工程施工及验收规范》、《建筑幕墙工程材料与构件验收规范》等。
4.2 验收过程中,应严格按照相关标准的要求进行操作,确保验收的准确性和合理性。
4.3 若发现验收不合格的情况,应及时进行整改,并重新进行验收。
五、验收结果5.1 若验收合格,应出具相关证明文件,并进行档案归档。
5.2 若验收不合格,应通知施工单位进行整改,并重新进行验收。
5.3 若施工单位多次未能通过验收,业主有权追究其责任,并可以对其进行处罚。
六、附则6.1 本规范自发布之日起正式实施。
6.2 对于已经施工完成的幕墙工程,应按照本规范的要求进行验收,确保工程质量符合相关标准和规范的要求。
建筑行业施工规范建筑物幕墙工程的施工要求与验收标准建筑物幕墙工程在现代建筑中起着至关重要的作用。
它不仅能够为建筑物提供外观美观的装饰效果,还能够保障建筑物的结构安全和节能效果。
因此,在幕墙工程的施工过程中,严格遵守施工规范和验收标准是非常重要的。
本文将对建筑行业施工规范建筑物幕墙工程的施工要求和验收标准进行探讨。
一、材料选择和准备幕墙工程的质量和性能直接受材料的选择和准备所影响。
在施工过程中,需要选用符合国家标准的材料,并进行相应的检测和验证。
例如,玻璃幕墙应选择优质的钢化玻璃或夹层玻璃,铝型材应具备强度和耐腐蚀性能等。
二、基础施工要求幕墙工程的基础施工要求是保证整个工程的稳定性和安全性的基础。
在施工前,需要进行详细的现场勘测和工程确定。
同时,根据幕墙设计方案和相关要求,进行基础的处理和施工,确保基础能够承受幕墙工程的重量和荷载。
三、幕墙系统的安装幕墙系统的安装是幕墙工程的核心环节,其质量和施工效果直接关系到整个幕墙工程的稳定性和安全性。
在施工过程中,需要严格按照幕墙设计方案进行安装。
同时,安装工艺应满足相关规范要求,确保幕墙系统的密封性和结构性能。
四、幕墙工程的隔热和防水隔热和防水是幕墙工程的重要功能之一。
在施工过程中,需要保证幕墙的隔热和防水性能,以提高建筑物的节能性能和使用寿命。
隔热层的选择和施工应符合相关标准,防水层的施工应严格按照施工工艺进行,确保幕墙工程具备良好的隔热和防水效果。
五、幕墙工程的验收标准幕墙工程的验收标准是确保施工质量和工程效果的重要指标。
验收标准应符合国家相关规范和标准,并进行专业的评价和检测。
在验收过程中,应对幕墙工程的外观质量、结构性能、防水性能、隔热性能等方面进行全面检查和评估,并出具相应的验收报告。
六、施工过程中的安全措施在幕墙工程的施工过程中,安全是至关重要的。
施工单位应制定相关的安全管理措施,并确保所有施工人员具备必要的安全意识和操作技能。
同时,应配备专业的安全设备和工具,确保施工现场的安全性和施工人员的人身安全。
幕墙工程验收标准 Document serial number【KKGB-LBS98YT-BS8CB-BSUT-BST108】幕墙工程施工工艺及标准1、适用范围:本节玻璃幕墙工程适用于建筑高度不大于150m,抗震设防裂度不大于8度的隐框玻璃幕墙,半隐框玻璃幕墙、明框玻璃幕墙、全玻璃幕墙支承玻璃幕墙工程;幕墙工程适用于建筑高度不大于150m,抗震设防裂度不大于8度的幕墙安装工程;金属板幕墙工程适用于建筑高度不大于150m的金属幕墙工程;2、材料要求:按不同种类的建筑幕墙,各种材料应符合设计要求,同时要严格执行国家现行颁发的楼阁规范中对材料的选订。
2.1玻璃幕墙材料要求2.1.1金属:铝合金挤压型材和板材,应符合规范要求。
碳钢:型材、板材符合JISG3131,紧固件符合JISG3101规范。
不锈钢:紧固件符合JISG4304,型材、板材应符合JISG4305规范。
2.1.2密封胶:按设计确定各种密封胶,并进行鉴定。
隐框、半隐框幕墙所采用的结构粘结材料必须是中性硅硐结构密封胶,其性能必须符合《建筑用硅硐结构密封胶》GB16766的规定;硅硐结构密封胶必须在有效期内使用。
2.1.3幕墙所用金属材料除不锈钢外,均应作防腐处理(如铝合金表面的阳极氧化处理)2.1.4幕墙上的材料应符合国家或行业的有关质量规定,并附有出厂合格证,符合不燃材料或难燃材料的要求。
2.1.5幕墙上使用的密封材料(如密封条、密封胶等)应均为耐水、耐溶剂、耐老化和低温弹性、低透气率的特点。
2.1.5结构硅硐密封胶应与所接触的材料间有相容性试验报告,并具有质量使用保证书。
隐框、半隐框幕墙所采用的结构粘结材料必须是中性硅酮结构密封胶,其性能必须符合《建筑用硅酮结构密封胶》GB16776的规定;硅酮结构密封胶必须在有效期内使用。
2.1.6在主体结构与玻璃幕墙的构件之间,应使用耐热的硬质有机材料垫片。
在立柱与横梁间的连接件,宜使用橡胶垫片。
2.1.7玻璃幕墙采用玻璃应符合下列规定:2.1.7.1幕墙应使用安全玻璃,玻璃的品种、规格、颜色光学性能及安装方向应符合设计要求。
建筑物幕墙工程验收标准建筑物幕墙工程是指建筑外部的围护结构系统,主要由玻璃、铝合金型材及配件组成,作为建筑的外部保护层,起到隔热、防水、遮阳等功能。
为确保幕墙工程质量,制定统一的验收标准是必要的。
本文将介绍建筑物幕墙工程验收的标准和要求。
1. 幕墙工程材料验收标准1.1 玻璃玻璃作为幕墙的主要材料,应符合以下标准:1.1.1 强度和耐热性能:玻璃片应符合国家相应的标准,具有足够的强度和耐热性能。
1.1.2 平整度:玻璃表面不得有凹凸不平、磨损和划伤等缺陷。
1.1.3 透光性:玻璃应保持良好的透光性,不得有色彩畸变和光斑。
1.1.4 渗透率:玻璃应具备良好的渗透率,不得有气泡、石子等杂质。
1.2 铝合金型材铝合金型材作为幕墙的支撑骨架,应满足以下标准:1.2.1 强度和刚性:铝合金型材应具备充足的强度和刚性,能够承受幕墙自重和外部负荷。
1.2.2 表面处理:铝合金型材表面应经过阳极氧化处理,具有耐腐蚀和耐候性能。
1.2.3 尺寸精度:铝合金型材尺寸应符合设计要求,不得有明显的变形和尺寸偏差。
1.3 配件幕墙工程的配件包括密封胶、连接件等,应符合以下标准:1.3.1 密封胶:密封胶应具备耐候性、耐老化性和良好的密封性能,能够防止水和空气渗透。
1.3.2 连接件:连接件应具备足够的强度和可靠性,能够确保幕墙的稳定和安全。
2. 幕墙工程安装验收标准2.1 幕墙承重结构2.1.1 安装位置:幕墙承重结构应按照设计要求进行安装,位置准确、稳定。
2.1.2 强度:幕墙承重结构应能够承受幕墙的自重和外部负荷,具备足够的强度和刚性。
2.2 幕墙板安装2.2.1 安装位置:幕墙板应按照设计要求进行安装,与承重结构连接稳固。
2.2.2 对齐度:幕墙板之间应平整对齐,不得有凹凸不平和过大的缝隙。
2.2.3 紧固性:幕墙板的紧固件应牢固可靠,不得出现漏脱和松动现象。
2.3 密封性能幕墙的密封性能对于防水、隔音和保温具有重要作用,应符合以下标准:2.3.1 玻璃密封:玻璃与铝合金型材的密封应严密可靠,不得有渗漏现象。
采光顶工程验收规范本章适用于平面结构形式(单坡、双坡)、单元空间结构形式(锥体)采光顶安装工程。
1保证项目采光顶所用的骨架型材及辅件的品种、规格、型号必须符合设计和国家现行相关标准的规定采光顶所用的玻璃、有机玻璃。
塑料板等材料的品种、规格、颜色,必须符合设计和国家现行相关标准的规定。
采光顶玻璃裁割和安装:裁割采光顶用玻璃必须一刀割开成型,严禁用硬物件进行敲震和用钢钳咬边。
安装时玻璃必须与支承体连接牢固无松动。
采光顶所用结构胶、防水密封胶,密封条必须与所接触的材料相容,并在贮存、使用保质期内。
采光顶所用金属件,木构件必须进行相应的防锈、防腐、防火处理,用螺栓、自攻钉连接的部位应加有抗耐热、耐磨垫片,不同金属材料相接触部位应有防腐蚀措施,与铝合金件固定的紧固件必须为不锈钢件。
采光顶严禁渗漏,必须满足水密性、气密性、保温性、抗冲击性等设计指标要求,冷凝水排泄系统必须畅通。
采光顶支承系统安装必须牢固可靠,造型尺寸准确,骨架无论采用钢、铝、木材制作安装必须符合国家现行相应的施工与验收规范要求。
采光顶支承系统与墙,柱连接严禁用膨胀螺栓固定,采用预埋铁件焊接固定时其焊缝必须满足设计要求。
检验方法:观察、尺量检查、泼水检查、检查产品合格证书。
2基本项目采光顶表面质量应符合以下规定:支承体系。
合格:坡度、造型尺寸正确、杆件顺直,拼接严密,无铝屑、毛刺、砸压变形,表面无凹坑、麻点、返锈、颜色基本一致,洁净、无污染。
优良:坡度、造形尺寸准确、杆件顺直,拼接严密,无铝屑、毛刺、砸压变形、表面无凹坑、麻点、返锈、划痕,颜色一致,洁净美观。
透光材料合格:安装的坡度、搭接尺寸、朝向符合设计要求,表面无翘曲,颜色基本一致,洁净无污染。
优良:安装的坡度、搭接尺寸、朝向符合设计要求,有造型要求的群体成行成线无错位,表面无翘曲、无擦伤、划痕,色泽一致,洁净、美观无污染。
防水密封胶、紧固件安装合格:粘结牢固,边缘顺直,无污染,无遗漏,表面光滑,紧固件安装牢固,垫片(圈)齐全,直线性好。
建筑幕墙工程施工规范标准一、施工前的准备工作1. 幕墙工程的招标及合同签订在进行幕墙工程施工前,需进行招标工作,并在确认中标单位后签订合同。
合同中需要明确工程的开工日期、完工日期、工程质量标准、施工期限、付款方式等各项内容。
2. 施工图纸和资料审核在开始施工前,相关设计方需要提供完整、准确的施工图纸和资料,施工单位要对这些资料进行认真审核,确保施工过程中能够按照设计要求进行操作。
3. 施工前技术交底在正式开工前,施工单位需要组织相关人员进行技术交底,详细讲解幕墙的施工方案、质量要求、安全注意事项等内容,确保施工人员都能够清楚了解施工工艺和要求。
二、施工过程中的规范标准1. 施工人员的安全防护施工人员在进行幕墙工程施工时,必须严格遵守安全操作规程,做好安全防护工作。
包括佩戴安全帽、安全绳、防护眼镜等个人防护用具,不得擅自翻越围挡,不得在高处作业时玩忽职守。
2. 施工材料的质量要求在选择幕墙施工材料时,必须严格遵循相关国家标准,材料要经过验收合格后方可使用。
同时,施工单位要对材料进行合理的存放和保护,防止材料的损坏和浪费。
3. 施工工艺的严格执行在施工过程中,必须严格按照设计图纸和技术要求进行操作,不能擅自改动设计方案。
尤其是对于幕墙的安装和固定,必须严格按照规范进行施工。
4. 质量检验和验收在施工完成后,施工单位需要对幕墙工程进行全面的质量检验,并提交相关验收资料。
验收合格后方可移交给业主单位,并办理竣工手续。
5. 安全生产监管施工现场要做好安全生产监管工作,保证施工现场的安全和秩序。
要定期进行安全检查和隐患排查,发现问题及时整改,确保施工过程中的安全。
三、施工后的保养维护1. 完工验收及保修期建筑幕墙工程竣工后需要进行完工验收,确保施工合格。
同时,施工单位还需对幕墙进行一定时期的保修,保证幕墙的使用寿命和功能。
2. 定期维护与清洁业主单位在接收幕墙工程后,要对幕墙进行定期的维护和清洁工作,保持幕墙的外观和性能。
建筑幕墙工程施工与验收规范近年来,随着城市化进程的加速和人们对建筑外观的追求,建筑幕墙工程得到了广泛应用。
为了确保建筑幕墙的质量和安全,制定一套相应的施工与验收规范显得尤为重要。
本文将从材料选择、施工工艺、工程管理、验收标准等多个方面进行论述,为建筑幕墙工程的施工与验收提供依据。
一、材料选择建筑幕墙工程的质量和安全直接关系到幕墙材料的选择。
在选择幕墙材料时,应考虑其保温性能、隔音效果、耐久性等多个因素。
常用的幕墙材料包括铝合金、玻璃、石材等。
铝合金具有轻质、耐腐蚀的优点,适合用于大面积的幕墙构件;玻璃具有透光性好、美观大方的特点,在现代建筑设计中得到广泛应用;石材则常常用于高档建筑中,给人一种稳重大气的感觉。
在材料选择中需考虑到建筑幕墙的风压、温度变化等因素,根据实际情况选择最合适的材料,以确保幕墙的性能与安全。
二、施工工艺1. 幕墙结构施工幕墙结构施工是建筑幕墙工程中的核心环节。
在施工过程中,需要严格控制施工质量,确保施工与设计图纸一致。
首先,施工方要对工程进行细致测量,了解建筑的几何形状和尺寸,确保施工过程中尺寸的准确性。
其次,幕墙结构施工需要使用专业的设备和工具,确保施工过程中的安全。
在施工过程中,要注意检查焊接点、螺栓等连接部位的质量,确保结构的稳固性和密封性。
2. 幕墙材料安装幕墙材料的安装是保证幕墙质量的重要环节。
在安装前,要对材料进行检查,严防存在缺陷的材料进入施工现场。
对于大面积的玻璃板安装,需要使用专业的吸盘和吊装设备,确保安装过程中的安全。
在安装过程中,要严格按照设计图纸的要求进行施工,确保幕墙的平整度和垂直度。
同时,要注意材料的密封处理,以防止漏水和空气渗透。
三、工程管理1. 施工组织在建筑幕墙工程施工过程中,施工组织的合理性对工程质量和时间进度起着至关重要的作用。
施工组织应根据工程规模和具体情况,科学合理地安排施工流程,制定详细的施工方案。
同时要加强施工现场的管理,确保现场秩序井然,加强安全防护,提高施工效率。
建筑施工规范幕墙工程验收标准随着城市建设的不断发展,幕墙作为建筑外立面的重要组成部分,具有保温、防水、隔热、采光等功能,在建筑工程中起着极为重要的作用。
为确保幕墙工程的质量和安全性,制定并执行一套科学合理的幕墙工程验收标准是至关重要的。
本文将对建筑施工规范幕墙工程验收标准进行详细阐述。
一、幕墙铝合金构件验收标准1. 材料验收要求:幕墙铝合金构件采用的铝材应符合国家或行业标准的要求,表面无氧化、划伤、脱漆等缺陷,颜色一致。
2. 外观质量验收标准:幕墙铝合金构件的外观应平整、光滑,无明显色差、变形、掉色等缺陷,连接部位严密,无裂缝,角部应无焊接痕迹。
3. 尺寸和偏差验收标准:幕墙铝合金构件的尺寸应符合设计要求,长度和高度偏差不超过规定范围,角度偏差控制在允许范围内。
二、幕墙玻璃验收标准1. 材料验收要求:幕墙玻璃必须符合国家或行业标准,表面无破损、白雾、异物等缺陷,颜色均匀。
2. 平整度验收标准:幕墙玻璃的安装面应平整,不允许有凹凸不平、波浪现象。
3. 平面度验收标准:幕墙玻璃的平面度应符合规定的标准,不得超出允许范围。
三、幕墙背板验收标准1. 材料验收要求:幕墙背板应采用符合国家标准的耐候性和防火性能的材料,无污损、破损等缺陷。
2. 尺寸和厚度验收标准:幕墙背板的尺寸和厚度应符合设计要求,且达到相关行业标准。
3. 平整度验收标准:幕墙背板的安装面应平整,无波浪、鼓起等问题。
四、幕墙工程施工验收标准1. 硬件安装验收标准:幕墙工程的硬件安装应牢固可靠,在承受正常风压和其他外力时不得发生断裂、脱落等情况。
2. 现场施工质量验收标准:幕墙的施工现场应干净整洁,无渣滓、防水漆溅落等现象,幕墙连接处应牢固。
3. 施工工艺验收标准:幕墙工程施工应符合相关工艺要求,无空鼓、开裂等现象,玻璃胶密封严密。
五、幕墙工程安全验收标准1. 防护设施验收标准:幕墙施工现场应设置必要的防护措施,确保工人和周围环境安全。
2. 系统安全验收标准:幕墙工程的安全设施应完备,必要的防火、防风等措施应考虑在内。
幕墙的质量验收规范篇一:最新建筑幕墙验收规范《玻璃幕墙工程质量检验标准》JGJ/T139-2001《玻璃幕墙光学性能》 GB/T18091-2000《采暖居住建筑节能检验标准》JGJ132-2001《彩色涂层钢板和钢带试验方法》 GB/T13448-2006《钢结构工程施工质量验收规范》 GB50205-2001《混凝土结构工程施工质量验收规范》GB50204-2002《建筑防水材料老化试验方法》GB/T18244-2000《建筑幕墙气密、水密、抗风压性能检测方法》 GB/T15227-2007《建筑幕墙抗震性能振动台试验方法》GB/T18575-2001《建筑幕墙平面内变形性能检测方法》《建筑外窗保温性能分级及检测方法》《建筑外窗采光性能分级及检测方法》《建筑外窗抗风压性能分级及检测方法》《建筑外窗空气隔声性能分级及检测方法》《建筑外窗气密性能分级及检测方法》《建筑外窗水密性能分级及检测方法》《建筑装饰装修工程施工质量验收规范》《金属材料室温拉伸试验方法》 GB/T18250-2000 GB/T8484-2002 GB/T11976-2002 GB/T7106-2002 GB/T8485-2002GB/T7107-2002 GB/T7108-2002 GB50210-2001 GB/T228-2002篇二:幕墙质量验收标准7、安装施工的质量要求和检测方法(表二)8、幕墙施工质量标准和检测方法篇三:玻璃幕墙验收规范玻璃幕墙验收规范1、合格证项目隐框玻璃幕墙用铝合金型材其规格、型号必须符合设计要求及国家有关标准要求。
隐框玻璃幕墙用的结构胶,耐候胶必须与相粘结和接触部位的材料相容;结构胶必须是在贮存保质期内。
隐框玻璃幕墙用的玻璃品种,颜色必须符合设计要求,质量应符合国家现行有关标准。
镀膜玻璃的镀膜层,其附着力与寿命必须可靠,安装时镀膜层必须在室内一侧。
使用其它特种玻璃其安装朝向不能有误。
隐框玻璃幕墙使用的金属件,其中与铝合金构件接触的紧固件必须为不锈钢件,其余均应进行防锈处理,用螺栓、自攻钉连接的部位,应加有机耐热耐磨垫片。
建筑幕墙质量验收标准建筑幕墙作为建筑外立面的重要组成部分,其质量直接关系到建筑的外观美观、安全性能和使用寿命。
因此,对建筑幕墙的质量验收标准必须严格执行,以确保建筑幕墙的质量达到规定的标准要求。
首先,建筑幕墙的材料验收是质量验收的重要环节。
在进行建筑幕墙安装前,必须对幕墙所使用的材料进行验收。
这包括玻璃、铝合金型材、密封胶等材料的质量检测。
玻璃的验收应当符合国家标准,表面应无裂纹、砂眼、气泡等缺陷;铝合金型材的验收应符合设计要求,外观应平整、无变形、无损伤;密封胶的验收应符合相关标准,无分层、开裂、气泡等现象。
其次,建筑幕墙的安装验收是质量验收的关键环节。
在进行建筑幕墙安装时,必须严格按照设计图纸和施工规范进行操作,确保幕墙的安装质量。
安装验收应包括幕墙结构的垂直度、水平度、尺寸偏差等方面的检查。
同时,还应对幕墙的密封胶、连接件、固定件等进行验收,确保其安装牢固、密封性能良好。
另外,建筑幕墙的外观验收也是质量验收的重要内容。
外观验收包括幕墙表面的清洁度、平整度、色差等方面的检查。
幕墙的外观应该整洁、无污染、无色差,符合设计要求。
最后,建筑幕墙的性能验收是质量验收的关键环节。
性能验收包括幕墙的抗风压性能、抗震性能、保温隔热性能等方面的检测。
幕墙的性能应符合设计要求,能够满足建筑使用的功能需求。
综上所述,建筑幕墙的质量验收标准是确保建筑幕墙质量的重要手段。
只有严格执行建筑幕墙的质量验收标准,才能确保建筑幕墙的质量达到规定的标准要求,保障建筑的安全、美观和使用寿命。
因此,各相关部门和施工单位应高度重视建筑幕墙的质量验收工作,确保建筑幕墙的质量。