钢结构检验批原始记录填写-钢梁
- 格式:pdf
- 大小:27.46 MB
- 文档页数:28
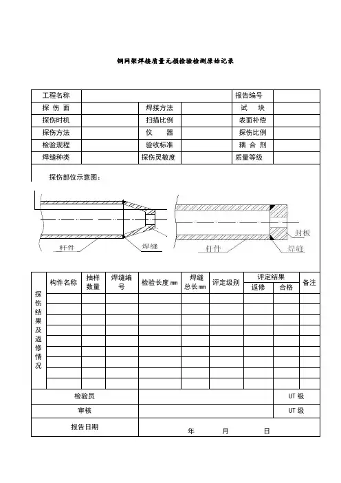
钢网架焊接质量无损检验检测原始记录工程名称报告编号探伤面焊接方法试块探伤时机扫描比例表面补偿探伤方法仪器探伤比例检验规程验收标准耦合剂焊缝种类探伤灵敏度质量等级探伤部位示意图:探伤结果及返修情况构件名称抽样数量焊缝编号检验长度mm焊缝总长mm评定级别评定结果备注返修合格检验员UT级审核UT级报告日期年月日杆件焊缝锥头涂层厚度检测原始记录检验:审核:年月日高强度大六角螺栓检测原始记录检验:审核:年月日扭剪型高强螺栓检测原始记录检验:审核:年月日紧固件机械性能检测原始记录检验:审核:年月日粗牙螺纹螺母检测原始记录检验:审核:年月日六角头螺栓检测原始记录检验:审核:年月日钢网架螺栓球节点高强螺栓检测原始记录检验:审核:年月日钢网架螺栓球节点检测原始记录检验:审核:年月日钢网架焊接空心球节点检测原始记录检验:审核:年月日钢筋焊接件检测原始记录检验:审核:年月日焊接接头及焊接试样检测原始记录检验:审核:年月日构件摩擦面检测原始记录检验:审核:年月日焊接球及螺栓球加工质量检测原始记录检验:审核:年月日钢网架杆件尺寸检测原始记录检验:审核:年月日钢网架支承面检测原始记录检验:审核:年月日总拼及安装质量检测原始记录检验:审核:年月日钢柱垂直度检测原始记录检验:审核:年月日节点承载力检测原始记录检验:审核:年月日网架工程挠度检测原始记录表检测:审核:钢网架整体偏差检测原始记录检验:审核:年月日垂直度和侧向弯曲检测原始记录检验:审核:年月日主体结构尺寸检测原始记录检验:审核:年月日。
表88钢构件(钢梁)组装检验批质量验收记录编号:编号:编号:聚乙烯(PE)简介1.1聚乙烯化学名称:聚乙烯英文名称:polyethylene,简称PE结构式:聚乙烯是乙烯经聚合制得的一种热塑性树脂,也包括乙烯与少量α-烯烃的共聚物。
聚乙烯是五大合成树脂之一,是我国合成树脂中产能最大、进口量最多的品种。
1.1.1聚乙烯的性能1.一般性能聚乙烯为白色蜡状半透明材料,柔而韧,比水轻,无嗅、无味、无毒,常温下不溶于一般溶剂,吸水性小,但由于其为线性分子可缓慢溶于某些有机溶剂,且不发生溶胀。
工业上为使用和贮存的方便通常在聚合后加入适量的塑料助剂进行造粒,制成半透明的颗粒状物料。
PE易燃,燃烧时有蜡味,并伴有熔融滴落现象。
聚乙烯的性质因品种而异,主要取决于分子结构和密度,也与聚合工艺及后期造粒过程中加入的塑料助剂有关。
2.力学性能PE是典型的软而韧的聚合物。
除冲击强度较高外,其他力学性能绝对值在塑料材料中都是较低的。
PE密度增大,除韧性以外的力学性能都有所提高。
LDPE 由于支化度大,结晶度低,密度小,各项力学性能较低,但韧性良好,耐冲击。
HDPE支化度小,结晶度高,密度大,拉伸强度、刚度和硬度较高,韧性较差些。
相对分子质量增大,分子链间作用力相应增大,所有力学性能,包括韧性也都提高。
几种PE的力学性能见表1-1。
表1-1 几种PE力学性能数据3.热性能PE受热后,随温度的升高,结晶部分逐渐熔化,无定形部分逐渐增多。
其熔点与结晶度和结晶形态有关。
HDPE的熔点约为125~137℃,MDPE的熔点约为126~134℃,LDPE的熔点约为105~115℃。
相对分子质量对PE的熔融温度基本上无影响。
PE的玻璃化温度(T g)随相对分子质量、结晶度和支化程度的不同而异,而且因测试方法不同有较大差别,一般在-50℃以下。
PE在一般环境下韧性良好,耐低温性(耐寒性)优良,PE的脆化温度(T b)约为-80~-50℃,随相对分子质量增大脆化温度降低,如超高相对分子质量聚乙烯的脆化温度低于-140℃。
钢梁制作检验批质量验收记录(1)A:DB 29-51-2003 B:CJJ2-2008B-78 单位(子单位)工程名称分部(子分部)工程名称验收部位施工单位项目经理专业分包单位分包项目经理施工执行标准名称及编号施工质量验收规范的规定施工单位检查评定记录监理单位验收记录主控项目1制作钢梁用的材料材质必须符合设计要求和国家标准的规定A:第14.2.1条2钢梁制作的几何尺寸及焊缝等级应符合设计要求和国家标准的规定A:第14.2.2条3钢梁加工制作的焊缝应饱满,表面平顺,不得有裂纹、未溶合、夹渣、未填满弧等现象;焊缝必须进行探伤检测A:第14.2.3条一般项目4 高强螺栓必须进行强度检验A:第14.2.4条5高强螺栓栓接的构件表面必须进行处理,抗滑移系数应符合设计要求A:第14.2.5条6 栓接枢孔应垂直、孔壁光滑A:第14.2.6条7焊缝外观质量应符合国家规范规定A:第14.2.7条8钢枢直径允许偏差为±0.1mm第14.2.8条枢孔直径允许偏差为±0.2mm9高强螺栓施拧前,扭矩扳手应进行校正第14.2.9条施工单位检查评定结果项目质量检查员:年月日监理单位验收结论专业监理工程师:年月日填表说明主控项目1制作钢梁用的材料材质必须符合设计要求和国家及行业现行技术标准的规定。
检查数量:抽查检查。
检验方法:检查试验报告。
2钢梁制作的几何尺寸及焊缝等级应符合设计要求和国家现行技术规范的规定。
3钢梁加工制作的焊缝应饱满,表面平顺,不得有裂纹、未溶合、夹渣、未填满弧等现象;焊缝必须进行探伤检测。
检查数量:射线探伤检查焊缝总数的10%,超声波探伤检查焊缝总数的100%。
注:焊缝探伤的具体要求按《公路桥涵施工技术规范》的规定执行。
检验方法:观察、检查探伤试验报告。
一般项目4高强螺栓必须进行强度检验。
检查数量:抽查检查。
检验方法:检查试验报告。
5高强螺栓栓接的构件表面必须进行处理,抗滑移系数应符合设计要求。
钢网架焊接质量无损检验检测原始记录工程名称报告编号探伤面焊接方法试块探伤时机扫描比例表面补偿探伤方法仪器探伤比例检验规程验收标准耦合剂焊缝种类探伤灵敏度质量等级探伤部位示意图:探伤结果及返修情况构件名称抽样数量焊缝编号检验长度mm焊缝总长mm评定级别评定结果备注返修合格检验员UT级审核UT级报告日期年月日涂层厚度检测原始记录杆件焊缝锥头查验:审核:年月日高强度大六角螺栓检测原始记录查验:审核:年月日扭剪型高强螺栓检测原始记录查验:审核:年月日紧固件机械性能检测原始记录查验:审核:年月日粗牙螺纹螺母检测原始记录查验:审核:年月日六角头螺栓检测原始记录查验:审核:年月日钢网架螺栓球节点高强螺栓检测原始记录查验:审核:年月日钢网架螺栓球节点检测原始记录查验:审核:年月日钢网架焊接空心球节点检测原始记录查验:审核:年月日钢筋焊接件检测原始记录查验:审核:年月日焊接接头及焊接试样检测原始记录查验:审核:年月日构件摩擦面检测原始记录查验:审核:年月日焊接球及螺栓球加工质量检测原始记录查验:审核:年月日钢网架杆件尺寸检测原始记录查验:审核:年月日钢网架支承面检测原始记录查验:审核:年月日总拼及安装质量检测原始记录查验:审核:年月日钢柱垂直度检测原始记录查验:审核:年月日节点承载力检测原始记录查验:审核:年月日网架工程挠度检测原始记录表检测:审核:钢网架整体偏差检测原始记录查验:审核:年月日垂直度和侧向弯曲检测原始记录查验:审核:年月日主体结构尺寸检测原始记录查验:审核:年月日。
钢结构工程检验批质量验收记录1. 项目信息
2. 验收内容
3. 验收结果
本次钢结构工程检验批质量验收结果如下:
- 合格项:[填写合格项数目]
- 不合格项:[填写不合格项数目]
4. 重要说明
- 若存在不合格项,请详细列出不合格的具体项目,并填写备
注说明。
- 如需进行修复或改进,应在验收记录中注明,并设定合理的
整改期限。
- 验收结果及整改情况应及时通知相关责任方。
- 本验收记录需妥善保管,作为工程质量文件的重要组成部分。
5. 验收人员签字
质量管理员:_______________
验收人员1: _______________
验收人员2: _______________ 日期:____________________。
钢结构检验批填写范例1. 概述本文档提供了钢结构检验批填写的一个范例,旨在帮助用户了解如何正确填写钢结构检验批。
在钢结构施工过程中,每一道工序都需要进行检验,并填写相应的检验批,以确保施工质量符合要求。
2. 检验批表格钢结构检验批通常以表格的形式进行填写,下面是一个典型的钢结构检验批表格的示例:编号工程名称零件名称检验内容检验结果备注1 柱A柱钢筋绑扎符合无2 梁B梁吊装不符合有缺陷3. 填写示例3.1 编号每个检验批都应该有一个唯一的编号,用于标识不同的工程和零件。
编号的格式可以自行定义,但需要确保其唯一性和易于识别。
3.2 工程名称和零件名称钢结构可能包含多个工程和零件,需要在表格中填写相应的名称,以便清楚地标识检验的对象。
3.3 检验内容检验内容应详细描述需要进行的具体检查项目,如钢筋绑扎、焊接质量、吊装操作等。
确保每个检验内容都具体明确,以方便检验人员按步骤进行检查。
3.4 检验结果检验结果需要根据实际情况进行填写,通常分为符合和不符合两种情况。
对于不符合的情况,需要在备注栏中说明具体的缺陷或问题。
3.5 备注备注栏用于补充说明检验过程中的一些重要信息,如具体缺陷描述、整改要求等。
确保备注内容简明扼要,不要涉及无关信息。
4. 填写要求为了准确填写钢结构检验批,以下是一些填写要求的建议:•检验批应由具备相应资质的工程技术人员进行填写,确保填写人员具备相关知识和经验。
•检验批应及时填写,及时发现问题并采取相应的整改措施,以确保施工质量。
•检验批应按照工序的先后顺序进行填写,确保工程进展的顺利进行。
•检验批的内容要准确、清晰、明了,不含模糊语言或错误信息。
•检验批应有明确的章、节、条,便于日后查阅和追溯。
•检验批应保留备份,方便日后随时查阅。
5. 总结本文档提供了钢结构检验批填写的范例,包括了表格的示例和填写要求。
通过合理填写检验批,可以及时发现问题,采取相应的措施进行整改,确保钢结构施工质量符合要求。
钢结构(普通紧固件连接)分项工程检验批质量验收记录一、检验项目序号检验项目检验标准验收标准1 钢结构件尺寸工程图纸公差控制在设计要求范围内2 焊缝外观质量JB/T7940-1999 表面平整、无裂纹、夹渣、气孔等质量缺陷3 紧固件连接GB/T3098.1-2000无松动、脱落、锈蚀等情况4 钢结构件防腐处理GB/T8923-1988 涂层平整、无缺陷、质量达到设计要求二、检验部位本次检验的钢结构(普通紧固件连接)分项工程主要包括以下部位:1.支架梁2.制板支架3.地板支架4.屋面支架三、检验方法本次钢结构(普通紧固件连接)分项工程检查根据相应的验收标准要求执行,主要检查项包括钢结构件尺寸、表面质量、螺栓紧固是否达到要求、涂层表面质量及防腐处理质量等。
检验时采用目测和测量两种方式进行,对表面质量、螺栓紧固等点位进行逐一检查,夹具锤等工具使用要求检验人员熟练操作。
四、检验结果序号检验项目检验标准实测值验收标准1 钢结构件尺寸工程图纸长度误差:±5mm 公差控制在设计要求范围内合格2 焊缝外观质量JB/T7940-1999表面平整、无裂纹、夹渣、气孔等质量缺陷无缺陷合格3 紧固件连接GB/T3098.1-2000无松动、脱落、锈蚀等情况所有紧固件连接良好合格4 钢结构件防腐处理GB/T8923-1988涂层平整、无缺陷、质量达到设计要求涂层表面平整、无划痕、起皮等合格五、检验经检验,本次钢结构(普通紧固件连接)分项工程检验合格,符合设计规范、施工标准及相关要求。
同时,建议提高施工过程中的品质管理及工艺水平,切实做好钢结构分项工程的施工质量控制和管理工作,确保施工过程中的安全和质量,保证工程的长期稳定运行。
钢网架焊接质量无损检验检测原始记录工程名称报告编号探伤面焊接方法试块探伤时机扫描比例表面补偿探伤方法仪器探伤比例检验规程验收标准耦合剂焊缝种类探伤灵敏度质量等级探伤部位示意图:探伤结果和返修情况构件名称抽样数量焊缝编号检验长度mm焊缝总长mm评定级别评定结果备注返修合格检验员UT级审核UT级报告日期年月日杆件焊缝锥头涂层厚度检测原始记录检验:审核:年月日高强度大六角螺栓检测原始记录检验:审核:年月日扭剪型高强螺栓检测原始记录检验:审核:年月日紧固件机械性能检测原始记录检验:审核:年月日粗牙螺纹螺母检测原始记录检验:审核:年月日六角头螺栓检测原始记录检验:审核:年月日钢网架螺栓球节点高强螺栓检测原始记录检验:审核:年月日钢网架螺栓球节点检测原始记录检验:审核:年月日钢网架焊接空心球节点检测原始记录检验:审核:年月日钢筋焊接件检测原始记录检验:审核:年月日焊接接头和焊接试样检测原始记录检验:审核:年月日构件摩擦面检测原始记录检验:审核:年月日焊接球和螺栓球加工质量检测原始记录检验:审核:年月日钢网架杆件尺寸检测原始记录检验:审核:年月日钢网架支承面检测原始记录检验:审核:年月日总拼和安装质量检测原始记录检验:审核:年月日钢柱垂直度检测原始记录检验:审核:年月日节点承载力检测原始记录检验:审核:年月日网架工程挠度检测原始记录表检测:审核:钢网架整体偏差检测原始记录检验:审核:年月日垂直度和侧向弯曲检测原始记录检验:审核:年月日主体结构尺寸检测原始记录检验:审核:年月日。