钢结构工程验收检验批整理版
- 格式:docx
- 大小:358.25 KB
- 文档页数:92
钢结构工程检验批质量验收记录表全套钢结构焊接工程检验批质量验收记录工程名称:XXX环境集烟系统综合处理项目总包单:XXX分包单:XXX检验部位:45万方钢结构平台监理:项目经理施工单位检查记录:1.焊材与母材必须相互匹配,并按要求烘焙存放。
按照施工质量验收规范规定,焊条、焊丝、焊剂、电渣焊熔嘴等焊材与母材的匹配应符合行业标准81规定。
同时,焊接材料应按产品说明书及焊接工艺文件的规定进行烘焙和存放。
2.焊工必须考试合格并取得合格证书。
持证焊工必须在其考试合格项目及其认可范围内施焊。
3.施工单位对首次采用的钢材、焊接材料、焊接方法,焊后热处理等应进行焊接工艺评定,并应根据评定报告确定焊接工艺。
4.设计要求全焊透的一、二级焊缝应采用超声波探伤进行内部缺陷检验。
不能对缺陷作出判断时,采用射线探伤。
5.T型、十字、角接接头要求熔透的对接和角对接组合焊缝设计有疲劳验算要求的吊车梁或类似构件的腹板与上翼缘连接焊缝应为≥t/40~4mm4.6.焊缝表面不得有裂纹、焊瘤等缺陷。
一、二级焊缝不得有表面气孔、夹渣、弧坑裂纹、电弧擦伤等缺陷。
且一级焊缝不得有咬边、未焊满、根部收缩等缺陷。
焊缝表面无裂纹、气孔、夹渣、焊瘤等缺陷。
焊工有焊工证,符合设计以及规范要求。
7.对于需要进行焊前预热或焊后热处理的焊缝,其预热或后热温度应符合国家现行标准的规定或通过工艺试验确定。
预热区在焊道两侧,每侧宽度均应大于焊件厚度的1.5倍,且不小于100mm。
后热处理应在焊后立即进行,保温时间应根据板厚按每25mm板厚1h确定。
8.焊缝凹形的角焊缝,焊缝金属与母材间应平缓过渡。
加工成凹形的角焊缝,不得在其表面留下切痕。
9.焊缝感观应达到:外形均匀成型好,焊道与焊道、焊道与基础金属间过渡平滑,焊渣和飞溅物基本清除干净。
10.二、三级焊缝外观质量标准应符合规范规定。
三级对接焊缝应按二级焊缝标准进行外观质量检验。
以上记录符合执行企业标准名称及编号《钢结构工程施工质量验收规范》GB-2001的要求。
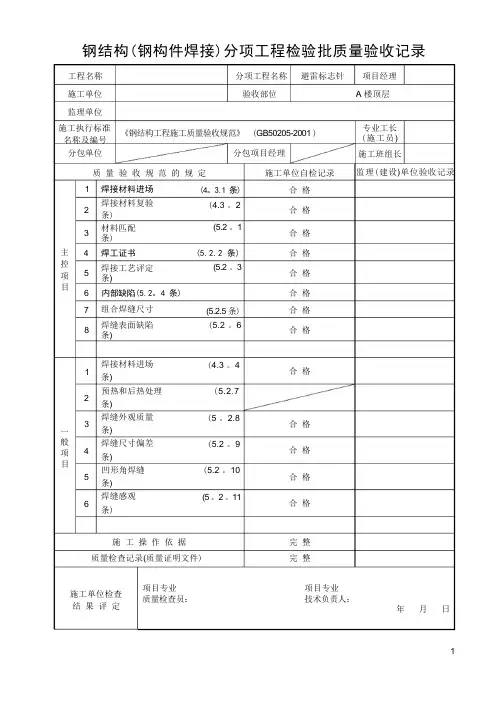
钢结构(钢构件焊接)分项工程检验批质量验收记录工程名称分项工程名称避雷标志针项目经理施工单位验收部位 A 楼顶层监理单位施工执行标准名称及编号分包单位《钢结构工程施工质量验收规范》 (GB50205-2001 )分包项目经理主控项目12345678123456质量验收规范的规定施工单位自检记录合格合格合格合格合格合格合格合格合格合格合格合格合格完整完整焊接材料进场焊接材料复验条)材料匹配条)焊工证书焊接工艺评定条)内部缺陷(5.2。
4 条)组合焊缝尺寸焊缝表面缺陷条)焊接材料进场条)预热和后热处理条)焊缝外观质量条)焊缝尺寸偏差条)凹形角焊缝条)焊缝感观条)(4。
3.1 条)(4.3 。
2(5.2 。
1(5.2.2 条)(5.2 。
3(5.2.5 条)(5.2 。
6(4.3 。
4(5.2.7(5 。
2.8(5.2 。
9(5.2 。
10(5 。
2 。
11施工操作依据质量检查记录(质量证明文件)专业工长(施工员)施工班组长监理(建设)单位验收记录施工单位检查结果评定项目专业质量检查员:项目专业技术负责人:年月日一般项目专业监理工程师:(建设单位项目专业技术负责人)年 月 日监理(建设) 单位验收结论钢结构(焊钉焊接)分项工程检验批质量验收记录(GB50205—2001)表 J.O 。
2 编号: 010902/020402□□□分项工程名称 验收部位 总监理工程师专业工长 (施工员)分包项目经理质量验收规范的规定1 焊接材料进场。
2 焊接材料复验.3 焊接工艺评定.4 焊后弯曲试验。
焊钉和瓷环尺寸。
条)焊缝外观质量。
施 工 操 作 依 据质量检查记录(质量证明文件)施工单位检查 结 果 评 定监理(建设) 单位验收结论钢结构(普通紧固件连接)分项工程检验批质量验收记录工程名称施工单位监理单位施工执行标准 名称及编号分包单位(4。
3.1 条)(4。
3。
2 条)(5.3.1 条)(5。
3.2 条)施工班组长监理(建设)单位验收记录专业监理工程师:(建设单位项目专业技术负责人)(4 。
钢结构工程检验批质量验收记录表旁站监理方案本文介绍了钢结构零部件加工工程的检验批质量验收记录表,以及钢构件组装工程检验批质量验收记录表。
其中,钢结构天桥和吊车梁(桁架)是本文中需要进行验收的两个部位。
钢结构零部件加工工程检验批质量验收记录表中,需要检验的内容包括材料品种、规格、钢材复验、切面质量、矫正和成型、边缘加工和制孔等方面。
具体的验收标准和规定在表格中有详细说明。
钢构件组装工程检验批质量验收记录表中,需要检验的内容包括焊接H型钢接缝、焊接H型钢精度、焊接组装精度、顶紧接触面、轴线交点错位、焊缝坡口精度、铣平面保护和外形尺寸等方面。
同样,具体的验收标准和规定在表格中有详细说明。
在进行验收时,需要由专业工长(施工员)进行检查评定,并由施工单位进行检查评定记录。
如果符合验收标准和规定,则为合格,否则为不合格。
最后,本文提供了监理(建设)单位验收结论的空白表格,需要由专业监理工程师进行填写,并由建设单位项目专业技术负责人进行签字确认。
总之,本文提供了一份完整的钢结构零部件加工工程和钢构件组装工程的验收记录表格,有助于确保工程质量的合格性。
项目经理XXX加强分包项目经理施工执行标准名称及编号为《钢结构工程施工质量验收规范》(GB-2001)。
其中,多层板叠螺栓孔第9.2.1条规定施工单位检查评定记录监理(建设)单位验收记录通过率应达标。
经检查,主控项目符合要求,一般项目抽样检查均符合设计及规范要求。
针对涂料性能第4.9.1条,涂装基层验收、涂层厚度、涂料质量、表面质量、附着力测试、标志等方面的验收,施工单位检查评定记录应符合设计标准要求。
经检验,涂层符合要求,无结皮、结块、误涂、漏涂,标志清晰。
施工班组长表示主控项目检验合格,一般项目抽样检验符合设计及规范要求。
针对钢结构防火涂料涂装工程的验收,施工单位检查评定记录应符合《钢结构工程施工质量验收规范》(GB-2001)的规定。
涂层表面质量的验收应符合第14.3.6条。
钢结构工程检验批质量验收记录表
施工测量放线报验单工程名称:贡山县丹当公园修复(二期)工程
土方开挖工程检验批质量验收记录表TJ4.1.1
钢结构零件及部件加工工程检验批质量验收记录
GB50202-2001
钢结构零件及部件加工工程检验批质量验收记录
GB 50205-2001
钢结构防火涂料涂装工程检验批质量验收记录
钢结构制作(安装)焊接检验批质量验收记录
钢构件(钢梯、平台及栏杆)安装检验批质量验收记录表
T
防腐涂料涂装检验批质量验收记录表
技术交底记录GJ1.4
注:本记录一式两份,一份交接受交底人,一份存档。
结构工程质量控制资料核查表GJ1.7
钢结构工程观感质量检查记录GJ1.9
焊缝检查记录GJ2.3.1(通用表)(强制性条文检查通用表)。
钢结构工程验收报告钢结构工程验收报告「篇一」1#厂房工程根据《建筑工程质量验收统一标准》GB50300的规定,钢结构工程进行分部竣工验收。
一、安全功能检验1、对现场所用高强度螺栓进行开箱见证取样,做复试符合设计要求和现行国家产品的规定,符合GB50205-20xx第4.4.2的规定,见复检报告。
2、焊缝质量:根据设计要求和规范规定对二、二级焊缝进行超声波探伤,均符合GB50205-20xx第5.2.4、5.2.6、5.2.8、5.2.9条的规定,见探伤报告。
3、高强度螺栓的施工质量:经现场抽检共检查58个点,合格56个点,合格率96%。
符合GB50205-20xx第3.0.5的规定,判定合格。
4、柱角及支座的施工质量:现场抽检垫板、二次送浆、锚栓坚固,共抽检38处,合格处,合格率92%。
5、钢梁及钢柱(1)检查钢梁的变形垂直度和侧向弯曲,共抽查6根梁,采用吊线、拉线、经纬仪和钢尺现场实测偏差均符合GB50205-20xx第10.3.3的规定。
(2)钢柱的垂直度,现场抽查32个,采用全站仪和钢尺实测均符合GB50205-20xx第11.3.2表中柱子安装的允许偏差。
6、主体结构的平面整体弯曲和整体垂直度,用经纬仪测量偏差均在GB50205-20xx第10.3.4表的偏差要求之内。
二、1#厂房结构工程观感质量检查如下:1、普通涂层:每轴线共查5处,观察构件表面无误涂、无漏刷、无漏层、无脱皮和反锈等,基本均匀,没出现皱皮、流坠、针眼、气泡现象。
2、防火涂层:检查符合GB50205-20xx第14.3.5和14.3.6的规定,见消防部门出具的'消防验收检测报告。
3、压型金属板表面:对1#厂房屋面、墙面压型金属板进行全面观察检查,均符合GB50305-20xx第13.3.4条的规定。
三、以上检查结果评定如下:1、1#厂房分项工程质量均符合GB50205-20xx的规定和设计文件的要求。
2、质量控制资料基本齐全。
钢结构(钢构件焊接)分项工程检验批验收记录附表附表-01普通紧固件连接)分项工程检验批验收记录附表钢结构(高强度螺栓连接附表-02钢结构(零件及部件加工)分项工程检验批验收记录附表(一)附表-03钢结构(零件及部件加工)分项工程检验批验收记录附表(二)附表-04钢结构(零件及部件加工)分项工程检验批验收记录附表(二)附表-05附表—06附表—07钢结构(构件组装)分项工程检验批验收记录附表(三)附表-08钢结构(构件组装)分项工程检验批验收记录附表(四)附表-09钢结构(构件组装)分项工程检验批验收记录附表(五)附表-10钢结构(构件组装)分项工程检验批验收记录附表(六)附表—11钢结构(构件组装)分项工程检验批验收记录附表(七)附表-12钢结构(预拼装)分项工程检验批质量验收记录附表附表-13附表—14附表-15钢结构(单层构件安装)分项工程检验批质量验收记录附表(三)附表—16附表—17附表-18钢结构(多层及高层结构安装)分项工程检验批质量验收记录附表(一)附表—19钢结构(多层及高层结构安装)分项工程检验批质量验收记录附表(二)附表—20钢结构(多层及高层结构安装)分项工程检验批质量验收记录附表(三)附表-21钢结构(多层及高层构件安装)分项工程检验批质量验收记录附表(四)附表—22钢结构(网架结构安装)分项工程检验批质量验收记录附表—23钢结构(压型金属板)分项工程检验批质量验收记录附表—24防腐涂料涂装)分项工程检验批质量验收记录钢结构(防火涂料涂装附表—25钢结构(钢构件焊接)分项工程检验批质量验收记录钢结构(普通紧固件连接)分项工程检验批质量验收记录钢结构(高强度螺栓连接)分项工程检验批质量验收记录钢结构(焊钉焊接)分项工程检验批质量验收记录钢结构(防火涂料涂装)分项工程检验批质量验收记录钢结构(多层及高层结构安装)分项工程检验批质量验收记录钢结构(单层结构安装)分项工程检验批质量验收记录钢结构(零件及部件加工)分项工程检验批质量验收记录钢结构(构件组装)分项工程检验批质量验收记录钢结构(预拼装)分项工程检验批质量验收记录。
640510123456789101第4.5.1条
第4.5.2条
2第4.6.1条
第4.6.2条
3第4.7.1条
第4.7.2条
4第4.10.1条
5第12.2.1条
第12.2.2条
6第12.2.3条
第12.2.4条
7第12.3.1条
第12.3.2条
8第12.3.3条
9第12.3.4条
123456789101第4.5.3条
第4.5.4条
2第4.6.4条
3第4.6.3条
4第12.2.5条
5第12.3.5条
6第12.3.6条
监理(建设)单验收部位项目经理专业工长施工班组长年
施工单位检查评定记录规范规定
规范规定
分包项目 经 理施工单位检查评定记录拼装精度节点承载力试验结构挠度焊接球精度螺栓球精度螺栓球螺纹精度一般项目焊接球螺栓球封板、锥头、套筒橡胶垫基础验收支座施工单位检查
评定结果
验收结论锚栓精度结构表面安装精度项目专业质量检查员:
钢结构(网架结构安装)工程检验批质量验收记录
1.1.9钢结构-10
工程名称
施工单位
施工执行标准名称及编号
分包单位主控项目
年
监理工程师
(建设单位项目技术负责人):监理(建设)单位
验收结论
注:本表由施工项目专业质量检查员填写,监理工程师(建设单位项目技术负责人)组织项目专业质量检查员等进行
设)单位验收记录
年 月 日
年 月 日等进行验收。
引言概述:
钢结构工程是现代建筑中常用的一种结构形式,其具有强度高、稳定性好、施工周期短等优点。
为了保障钢结构工程的质量和安全性,验收检验批是不可或缺的环节。
本文将针对钢结构工程验收检验批进行详细的整理和阐述,以便相关人员更好地进行建设与管理。
正文内容:
一、验收检验批的概述
1.验收检验批的定义与作用
2.验收检验批的分类及相关要求
3.验收检验批的组成与管理流程
二、验收检验批的主要内容
1.钢结构工程的图纸资料审查
1.1铺设方案、制图标准的合理性审核
1.2工程实施过程中的技术交底记录
1.3改动及变更设计说明的审查
2.钢材与焊接材料的验收与检验
2.1钢材的化学成分及力学性能检验
2.2钢材的外观质量检验
2.3焊接材料的质量检验与验收
3.钢结构构件的加工、制作与安装过程监督
3.1加工制作过程中的工艺检验
3.2构件的准确度检验与控制
3.3构件的防腐处理与涂装检验
4.钢结构工程的施工过程监督
4.1施工现场的图片及记录资料
4.2施工过程中的顶升、安装质量检验
4.3各种工艺节点的验收
5.完工验收及资料整理
5.1钢结构施工方案变更和工艺研究记录资料
5.2钢结构工程竣工图审查
5.3钢结构工程竣工记录与检验报告整理
总结:
钢结构工程的验收检验批是确保钢结构工程质量和安全性的重要环节。
本文通过对验收检验批的概述和主要内容进行详细阐述,使相关人员能够更好地理解和掌握钢结构工程验收检验批的要求和工作流程。
只有在严格按照验收检验批的要求进行工作,才能确保钢结构工程的质量和安全性,提高工程的可持续发展水平。
污水处理厂钢结构分部工程目录技术交底记录GJ1.4注:本记录一式两份,一份交接受交底人,一份存档。
技术交底记录GJ1.4注:本记录一式两份,一份交接受交底人,一份存档。
技术交底记录GJ1.4注:本记录一式两份,一份交接受交底人,一份存档。
技术交底记录GJ1.4注:本记录一式两份,一份交接受交底人,一份存档。
材料(构配件)、设备进场使用报验单钢构件进场验收记录工程名称:二选厂选矿废水深度处理与回用工程质检员:项目技术负责人:监理工程师:钢构件进场验收记录工程名称:二选厂选矿废水深度处理与回用工程质检员:项目技术负责人:监理工程师:钢构件进场验收记录工程名称:二选厂选矿废水深度处理与回用工程质检员:项目技术负责人:监理工程师:钢构件进场验收记录工程名称:二选厂选矿废水深度处理与回用工程质检员:项目技术负责人:监理工程师:产品合格证工程名称:二选厂选矿废水深度处理与回用工程构件名称:钢柱数量:件出厂日期:本产品经检验符合技术要求及有关标准,产品合格准予出厂。
郑州江硕环境科技有限公司质检部20 13 年月日产品合格证工程名称:二选厂选矿废水深度处理与回用工程构件名称:钢梁数量:件出厂日期:本产品经检验符合技术要求及有关标准,产品合格准予出厂。
郑州江硕环境科技有限公司质检部20 13 年月日产品合格证工程名称:二选厂选矿废水深度处理与回用工程构件名称:抗风柱数量:件出厂日期:本产品经检验符合技术要求及有关标准,产品合格准予出厂。
郑州江硕环境科技有限公司质检部2013 年月日产品合格证工程名称:二选厂选矿废水深度处理与回用工程构件名称:雨棚数量:件出厂日期:本产品经检验符合技术要求及有关标准,产品合格准予出厂。
郑州江硕环境科技有限公司质检部2013 年月日产品合格证工程名称:二选厂选矿废水深度处理与回用工程构件名称:屋檩条数量:件出厂日期:本产品经检验符合技术要求及有关标准,产品合格准予出厂。
郑州江硕环境科技有限公司质检部2013 年月日产品合格证工程名称:二选厂选矿废水深度处理与回用工程构件名称:墙檩条数量:件出厂日期:本产品经检验符合技术要求及有关标准,产品合格准予出厂。
钢结构分部分项及检验批质量验收记录1.引言本文档为钢结构工程的分部分项及检验批质量验收记录。
钢结构工程是一项复杂的工程,在建设过程中需要严格控制质量,确保工程的安全性和可靠性。
因此,对于钢结构工程,必须进行全过程的质量控制和质量检验。
本文档列出了钢结构分部分项及检验批的质量验收记录,希望能够有效地保障钢结构工程的质量。
2.钢结构分部分项质量验收记录2.1 钢结构工程基础检验部位检验内容检验结果备注地基地基承载力符合设计要求无土壤土壤腐蚀性无腐蚀性无地下水地下水位符合设计要求无2.2 钢结构工程钢材检验部位检验内容检验结果备注钢材物理性能符合标准要求无钢材化学性能符合标准要求无钢材外观质量无砂眼、裂纹、褶皱、夹渣等缺陷无2.3 钢结构工程焊接检验部位检验内容检验结果备注焊缝焊接工艺符合设计要求无焊缝焊接质量无裂纹、气孔、未焊透等缺陷无焊接焊接工人持有焊工证无3. 钢结构检验批质量验收记录3.1 检验项目•地下水、地基、土壤检验•钢结构材料检验•焊接质量检验3.2 检验过程•检查验收单、检验规范和设计文件,核对与验收单相应检验项目的数据和规定的检验标准是否一致。
•到钢结构现场或仓库进行实地检验,严格按要求进行检验,对不符合工程质量和安全要求的问题立即进行处理。
•对验收现场、时间、人员等进行记录。
3.3 检验结果根据检验项目的要求,将各项检验数据填入检验记录表中,并确定检验结果。
对于不合格的检验项目,要求整改后方可通过验收。
4.本文档记录了钢结构分部分项及检验批的质量验收记录,有效保障了钢结构工程的质量和安全。
通过全过程的质量控制和质量检验,确保钢结构工程的可靠性和安全性。
在今后的工程建设中,将更加重视工程质量和安全,确保每个工程都能够顺利完成和交付。
xxx水电站
钢结构网架安装检验批质量验收表
钢结构(网架结构安装)分项工程检验批质量验收记录
钢结构(压型金属板)分项工程检验批质量验收记录
钢结构(防腐涂料涂装)分项工程检验批质量验收记录
钢结构(防火涂料涂装)分项工程检验批质量验收记录
xxx水电站
钢结构网架安装质量检查表
xxx水电站工程
钢结构网架安装分项工程检验批有关允许偏差检查记录
续表1
压型金属板安装分项工程检验批有关允许偏差记录
钢结构工程观感质量检查记录
隐蔽工程检查验收记录
钢构件合格证汇总表
钢构件进场验收记录
《难得的是有份清闲时光,难得的是有种知途迷返,知之为知之,不知为不知,知你冷暖,懂你悲欢,把你放在了心头上的人。
难得的是面对片深山广林、教你为人,怎样处事,面对人生;淡泊世事,践行伯乐,明镜心扉。
心似无物化有物,道似无情渡有情,佛似无边胜有边,儒似学而不思厌也,山高不止于流水,流水不止于小桥,除非去哪里在看看,除非去哪里在历历,除非去哪里在观光!一路走马观花,沐浴星星的乐园,想哪,念那。
白若溪在月牙泉唱着:每当太阳落下西边的阳,也有美丽的月牙泉,它是天的镜子,也是沙漠的眼。
就在那片天的很远很远,从那年我月牙泉边走过,从此以后魂牵梦绕,也许是你们不懂得这种爱恋,除非也去那里看看。
我们都是追梦的人,有些人,有些事,该忘的那就都忘了吧。
这世界即没平白无故的付出,也没有平白无故的缘分,那我们就因更当珍惜,当你的眼泪忍不住快要流出来的时候。
睁大眼睛!千万别眨眼,或许会让你看到世界由清晰、变模糊的全过程,在你心泪落下的那一瞬间,至此变得清澈明晰。
连接用紧固标准件检验批质量验收记录
苏 GJ4.1.3
江苏省建设工程质量监督总站监制
焊接球检验批质量验收记录
江苏省建设工程质量监督总站监制
焊接球检验批质量现场检查原始记录
苏 GJ4.1.4
江苏省建设工程质量监督总站监制
螺栓球检验批质量验收记录
苏 GJ4.1.5
江苏省建设工程质量监督总站监制
螺栓球检验批质量现场检查原始记录
苏 GJ4.1.5
江苏省建设工程质量监督总站监制
封板、锥头和套筒检验批质量验收记录
苏 GJ4.1.6
江苏省建设工程质量监督总站监制
封板、锥头和套筒检验批质量现场检查原始记录
苏 GJ4.1.6
江苏省建设工程质量监督总站监制
金属压型板检验批质量验收记录
苏 GJ4.1.7
江苏省建设工程质量监督总站监制
金属压型板检验批质量现场检查原始记录
苏 GJ4.1.7
江苏省建设工程质量监督总站监制
涂装材料检验批质量验收记录
GJ4.1.8
江苏省建设工程质量监督总站监制
涂装材料检验批质量现场检查原始记录
GJ4.1.8
江苏省建设工程质量监督总站监制
钢结构焊接检验批质量验收记录
苏 GJ4.2.1
江苏省建设工程质量监督总站监制
钢结构焊接检验批质量现场检查原始记录
江苏省建设工程质量监督总站监制
焊钉(栓钉)焊接工程检验批质量验收记录
苏 GJ4.2.2
江苏省建设工程质量监督总站监制
焊钉(栓钉)焊接工程检验批质量现场检查原始记录
苏 GJ4.2.2
江苏省建设工程质量监督总站监制
普通紧固件连接检验批质量验收记录
苏 GJ4.3.1
江苏省建设工程质量监督总站监制
普通紧固件连接检验批质量现场检查原始记录
苏 GJ4.3.1
江苏省建设工程质量监督总站监制
高强度螺栓连接检验批质量验收记录
江苏省建设工程质量监督总站监制
高强度螺栓连接检验批质量现场检查原始记录
切割检验批质量验收记录
苏 GJ4.4.1
江苏省建设工程质量监督总站监制
切割检验批质量现场检查原始记录
江苏省建设工程质量监督总站监制
矫正和成型检验批质量验收记录
江苏省建设工程质量监督总站监制
矫正和成型检验批质量现场检查原始记录
苏 GJ4.4.2
江苏省建设工程质量监督总站监制
边缘加工检验批质量验收记录
苏 GJ4.4.3
江苏省建设工程质量监督总站监制
边缘加工检验批质量现场检查原始记录
苏 GJ4.4.3
江苏省建设工程质量监督总站监制
管、球加工检验批质量验收记录
苏 GJ4.4.4
江苏省建设工程质量监督总站监制
管、球加工检验批质量现场检查原始记录
江苏省建设工程质量监督总站监制
制孔检验批质量验收记录
苏 GJ4.4.5
江苏省建设工程质量监督总站监制
制孔检验批质量现场检查原始记录
苏 GJ4.4.5
江苏省建设工程质量监督总站监制
焊接H型钢检验批质量验收记录
江苏省建设工程质量监督总站监制
焊接H型钢检验批质量现场检查原始记录
江苏省建设工程质量监督总站监制
组装检验批质量验收记录
苏 GJ4.5.2
江苏省建设工程质量监督总站监制
组装检验批质量现场检查原始记录
苏 GJ4.5.2
江苏省建设工程质量监督总站监制
端部铣平及安装焊缝坡口检验批质量验收记录
苏 GJ4.5.3
江苏省建设工程质量监督总站监制
端部铣平及安装焊缝坡口检验批质量现场检查原始记录
苏 GJ4.5.3
江苏省建设工程质量监督总站监制
钢构件(单层钢柱)外形尺寸检验批质量验收记录
苏 GJ4.5.4
江苏省建设工程质量监督总站监制
钢构件(单层钢柱)外形尺寸检验批质量现场检查原始记录
苏 GJ4.5.4
江苏省建设工程质量监督总站监制
钢构件(多节钢柱)外形尺寸检验批质量验收记录
苏 GJ4.5.5
江苏省建设工程质量监督总站监制
钢构件(多节钢柱)外形尺寸检验批质量现场检查原始记录
苏 GJ4.5.5
江苏省建设工程质量监督总站监制
钢构件(焊接实腹钢梁)外形尺寸检验批质量验收记录
苏 GJ4.5.6
江苏省建设工程质量监督总站监制
钢构件(焊接实腹钢梁)外形尺寸检验批质量现场检查原始记录
苏 GJ4.5.6
江苏省建设工程质量监督总站监制。