现浇结构外观及尺寸偏差检验批(墙柱)
- 格式:doc
- 大小:54.00 KB
- 文档页数:3
现浇结构外观及尺寸偏差检验批质量验收记录表GB50204—2002(Ⅰ)现浇结构外观及尺寸偏差检验批质量验收记录表GB50204—2002(Ⅰ)现浇结构外观及尺寸偏差检验批质量验收记录表GB50204—2002(Ⅰ)现浇结构外观及尺寸偏差检验批质量验收记录表GB50204—2002(Ⅰ)现浇结构外观及尺寸偏差检验批质量验收记录表GB50204—2002(Ⅰ)现浇结构外观及尺寸偏差检验批质量验收记录表GB50204—2002(Ⅰ)现浇结构外观及尺寸偏差检验批质量验收记录表GB50204—2002(Ⅰ)现浇结构外观及尺寸偏差检验批质量验收记录表GB50204—2002(Ⅰ)现浇结构外观及尺寸偏差检验批质量验收记录表GB50204—2002(Ⅰ)【附加总结类文档一篇,不需要的朋友可以下载后编辑删除,谢谢】2015年文化馆个人工作总结在XXXX年X月,本人从XXXX学院毕业,来到了实现我梦想的舞台--XX区文化馆工作。
在这里我用艰辛的努力,勤劳的付出,真诚而认真地工作态度认真的做好自身的每一项文化馆相关工作,取得了较为良好的工作业绩。
随着一场场活动的成功举办、一台台戏剧的成功出演,在这个带有着梦想和希望的舞台上,转眼之间我已在这里渡过了XX年的青春事业,我亦与舞台共同成长,逐步由一名青涩的毕业生,历练成为了今天的XXX。
梦想在于不断坚持,未来的旅途在于不断的前进,在这个承载着梦的舞台上,我持以坚定的信心和丰富的工作能力与工作经验,一步一步超前迈进着。
下面我将自身XX年来的工作能力情况总结如下:一、一专多能服务1、高端学识水平。
本人于XXXX年XX月毕业于XXXX大学XX专业。
随后于XXXX年X 月进入XX区文化馆从事XX工作,至今已有XX年的时间。
在本人从事文化馆XX工作的XX年里,我始终坚持积极探索、勤奋学习,做到辅助教学与实际工作相长,坚定与时俱进的思想理念,努力攻克各项困难,将提高效益型,能力型的工作绩效作为自己的奋斗目标,并在自身的素质方面进行了坚持不懈的强化与提高。
现浇混凝土结构外观及尺寸偏差检验批质量验收记录
一、前言
为确保现浇混凝土结构的质量符合相关标准和要求,保证施工质量及工程安全,进行外观及尺寸偏差检验批质量验收。
本文档对验收过程中的情况进行记录。
二、验收对象
本次验收对象为建筑工地现浇混凝土结构,属于水平平台装修工程的一部分。
三、验收内容
3.1 外观检验
根据《现浇混凝土结构工程验收规范》(GB50214-2015)的要求,对混凝土
结构的外观进行检验,确认其表面光洁度、密实度、是否有损伤、开裂、蜂窝等缺陷。
在检验过程中,及时记录缺陷的位置和范围、类型及大小。
经检验,混凝土结构的表面光洁度符合要求,密实度良好,没有发现明显损伤、开裂及蜂窝等缺陷。
3.2 尺寸偏差检验
根据《建筑工程验收规范》(GB50300-2018)的要求,对混凝土结构的尺寸
偏差进行检验,确认结构各部位的长度、宽度和高度是否符合设计要求,在检验过程中,记录尺寸偏差,分析原因。
经检验,混凝土结构的长度、宽度和高度均符合设计要求,符合国家规定。
四、验收结果
通过现场检验,混凝土结构的表面光洁度、密实度符合要求,没有明显的损伤、开裂及蜂窝等缺陷,各部位的长度、宽度和高度也符合设计要求,验收结果为合格。
五、验收
现场外观及尺寸偏差检验批混凝土结构的质量符合相关标准和要求,通过本次
质量验收。
同时,建议在以后的施工工程中,做好监理和质检的工作,保证施工质量,提升工程质量。
六、附件
无。
七、致谢
感谢参与验收的工作人员的付出和辛勤工作,使本次质量验收得以圆满完成。
现浇结构外观及尺寸偏差检验批质量验收记录表GB50204—2002(Ⅰ)0106030 1
现浇结构外观及尺寸偏差检验批质量验收记录表GB50204—2002
(Ⅰ)0106030 2
现浇结构外观及尺寸偏差检验批质量验收记录表GB50204—2002
(Ⅰ)0106030 3
现浇结构外观及尺寸偏差检验批质量验收记录表GB50204—2002
(Ⅰ)0106030 4
现浇结构外观及尺寸偏差检验批质量验收记录表GB50204—2002
(Ⅰ)0106030 5
现浇结构外观及尺寸偏差检验批质量验收记录表GB50204—2002
(Ⅰ)0106030 6
商城县人民医院扩建项目—
现浇结构外观及尺寸偏差检验批质量验收记录表
GB50204—2002
现浇结构外观及尺寸偏差检验批质量验收记录表GB50204—2002
(Ⅰ)0106030 8
现浇结构外观及尺寸偏差检验批质量验收记录表GB50204—2002
(Ⅰ)0106030 9。
现浇混凝土结构外观及尺寸偏差检验批质量验收记录项目名称:XXX工程施工单位:XXX公司验收时间:20XX年XX月XX日1.项目概述本次验收的项目为XXX工程的现浇混凝土结构外观及尺寸偏差检验批。
该批次包括建筑物的墙体、砌体、柱、梁等混凝土结构。
2.验收目的确认该批混凝土结构的外观质量和尺寸偏差是否符合设计要求和施工规范的要求,确保该批次混凝土结构的质量可控,并评估当前施工质量水平。
3.验收内容3.1外观验收3.1.1墙体外观:检验墙体表面的平整度、垂直度、表面平整度以及是否有裂缝、空鼓等现象。
3.1.2砌体外观:检验砌体排列的规整程度、砌体是否有掉角、掉垂、缺口等现象。
3.1.3柱梁外观:检验柱梁的精确度、外观质量,包括是否存在混凝土浇筑不均匀、裂缝、缺损等问题。
3.2尺寸偏差验收3.2.1墙体尺寸:测量墙体的高度、宽度和厚度,与设计要求进行比对,确认尺寸偏差是否在限制范围内。
3.2.2砌体尺寸:测量砌体的长度、宽度和高度,与设计要求进行比对,确认尺寸偏差是否在限制范围内。
3.2.3柱梁尺寸:测量柱梁的长度、宽度和高度,与设计要求进行比对,确认尺寸偏差是否在限制范围内。
4.验收方法4.1外观验收:由验收人员进行目测验收和触摸验收,记录有无问题的地方,并进行拍照备案。
4.2尺寸偏差验收:采用测量设备(如测量尺、卷尺等)进行测量,测量结果与设计要求进行比对,记录尺寸偏差。
5.验收结果5.1外观验收结果:5.1.1墙体外观:经过目测验收,墙体表面平整度良好,无明显裂缝和空鼓现象。
5.1.2砌体外观:经过触摸验收,砌体排列整齐,无掉角、掉垂和缺口现象。
5.1.3柱梁外观:经过目测验收,柱梁表面无明显混凝土浇筑不均匀、裂缝和缺损现象。
5.2尺寸偏差验收结果:5.2.1墙体尺寸:测量结果与设计要求比对,墙体高度、宽度和厚度的偏差均在允许范围内。
5.2.2砌体尺寸:测量结果与设计要求比对,砌体长度、宽度和高度的偏差均在允许范围内。
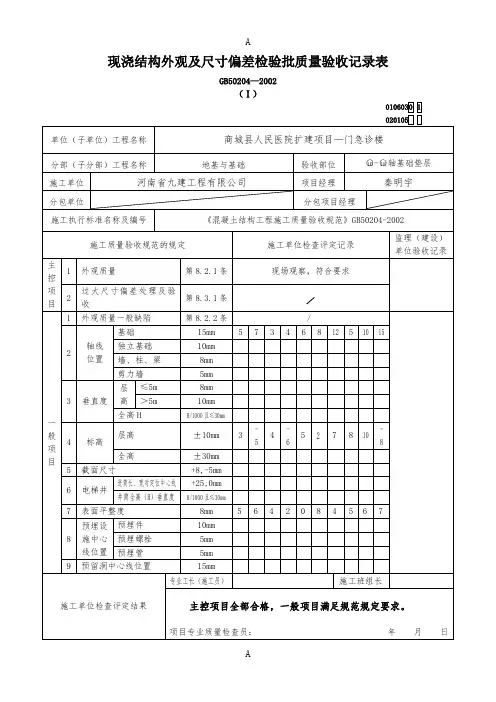
ha现浇结构外观及尺寸偏差检验批现浇结构外观及尺寸偏差检验批质量验收记录(Ⅰ)010603□□02010501 单位(子单位)工程名称##3#楼分部(子分部)工程名称主体分部验收部位底层柱及一层梁板施工单位##有限公司项目经理##分包单位/分包项目经理/施工执行标准名称及编号《混凝土结构工程施工质量验收规范》GB50204-2002施工质量验收规范的规定施工单位检查评定记录监理(建设)单位验收记录主控项目1 外观质量第8.2.1条√2 过大尺寸偏差处理及验收第8.3.1条/一般项目1 外观质量一般缺陷第8.2.2条√2 轴线位置基础15mm独立基础10mm墙、柱、梁8mm 2 3 5 8 5 6 3 5 4 2 剪力墙5mm3 垂直度层高≤5m8mm 4 2 6 9 3 2 4 5 7 3>5m 10mm全高(H)H/1000且≤30mm4 标高层高±10mm +3 -8 +2 +11 +7 -5 -6 +8 +7 -5全高±30mm5 截面尺寸+8mm,-5mm -2 -3 -6 +4 +5 -3 +7 +4 +5 -36 电梯井井筒长、宽对定位中心线mm+25mm,0mm井筒全高(H)垂直度H/1000且≤30mm7 表面平整度8mm 2 7 5 5 6 9 4 6 2 3 8预埋设施中心线位置预埋件10mm 9 4 6 7 5 3 12 5 9 7预埋螺栓5mm预埋管5mm 3 4 3 1 2 3 4 2 6 2 9 预留洞中心线位置15mm 12 16 10 8 9 7 5 3 5 6施工单位检查评定结果专业工长(施工员)施工班组长主控项目全部合格,一般项目符合设计和验收规范要求,检查评定合格。
项目专业质量检查员:2009 年11月10日监理(建设)单位验收结论专业监理工程师:(建设单位项目专业技术负责人) 年月日现浇结构外观及尺寸偏差检验批质量验收记录(Ⅰ)010603□□单位(子单位)工程名称##3#楼分部(子分部)工程名称主体分部验收部位一层柱及二层梁板施工单位##有限公司项目经理##分包单位/分包项目经理/施工执行标准名称及编号《混凝土结构工程施工质量验收规范》GB50204-2002施工质量验收规范的规定施工单位检查评定记录监理(建设)单位验收记录主控项目1 外观质量第8.2.1条√2 过大尺寸偏差处理及验收第8.3.1条/一般项目1 外观质量一般缺陷第8.2.2条√2 轴线位置基础15mm独立基础10mm墙、柱、梁8mm 5 4 7 3 6 2 4 3 4 5 剪力墙5mm3 垂直度层高≤5m8mm 5 4 3 7 2 4 9 5 4 6>5m 10mm全高(H)H/1000且≤30mm4 标高层高±10mm +3 -8 +11 +3 +7 -5 -6 +8 +7 -5全高±30mm5 截面尺寸+8mm,-5mm -2 -3 +9 +4 +5 -3 +7 +2 +5 -36 电梯井井筒长、宽对定位中心线mm+25mm,0mm井筒全高(H)垂直度H/1000且≤30mm7 表面平整度8mm 2 7 5 5 6 9 4 6 2 3 8预埋设施中心线位置预埋件10mm 8 4 4 7 11 3 9 5 9 7预埋螺栓5mm预埋管5mm 3 4 3 1 2 3 4 2 6 2 9 预留洞中心线位置15mm 10 12 10 8 11 7 5 13 5 6施工单位检查评定结果专业工长(施工员)施工班组长主控项目全部合格,一般项目符合设计和验收规范要求,检查评定合格。
-----WORD格式--可编辑--专业资料-----
主控项目
现浇结构不应有影响结构性能和使用功能的尺寸偏差。
对超过尺寸允许偏差且影响结构性能和安装、使用功能的部位,应由施工单位提出技术提出处理
方案,并经监理(建设)单位认可后进行处理。
对经处理的部位,应重新检查验收。
检查数量:全数检查。
检验方法:量测,检查技术处理方案。
一般项目
现浇结构拆摸后的尺寸偏差应符合表的规定。
检查数量:按楼层、结构缝或施工段划分检验批。
在同一检验批内,对梁、柱和独立基础,应抽查构件数量的10%,且不少于3件;对墙和板,应按有代表性的自然间抽查10%,且不少于3间;对大空间结构,墙可按相邻轴线间高度5m左右划分检查面,板可按纵、横轴线划分检查面,抽查10%,且均不少于3面;对电梯井,应全数检查。
现浇结构尺寸允许偏差和检验方法表-1
2、本表由施工项目专业质量检查员填写,专业监理工程师(建设单位项目专业技术负责人)组织
项目专业质量(技术)负责人等进行验收。
--完整版学习资料分享----。