数字式心电图机产品技术要求mq
- 格式:docx
- 大小:23.24 KB
- 文档页数:5
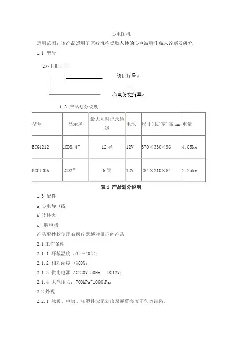
心电图机适用范围:该产品适用于医疗机构提取人体的心电波群作临床诊断及研究1.1 型号1.2 产品划分说明表1 产品划分说明1.3 配件a)心电导联线b)肢体夹c) 胸电极产品配件均使用有医疗器械注册证的产品2.1工作条件2.1.1 环境温度 5℃~40℃;2.1.2 相对湿度≤80%;2.1.3 供电电源 AC220V 50Hz; DC12V;2.1.4 大气压力:700hPa~1060hPa;2.2外观2.2.1 涂覆、电镀、注塑件应无划痕及屏幕亮度不匀等缺陷。
2.2.2 螺钉及端子等应无松动。
2.2.3 铭牌的印刷文字无擦伤、粘贴位置正确、标有产品名称(型号)、额定电源、设备分类、出厂编号等内容。
2.3记录灵敏度2.3.1 标准灵敏度10mm/mV,允差±2%。
2.3.2 定标电压:1mV±5%,满足YY1139-2013的4.2.8节、YY0782-2010的51.103.2节条款要求。
2.3.3 灵敏度切换放大器在打印时设有1/4(2.5mm/mV)、1/2(5mm/mV)、1(10mm/mV)、2(20mm/mV)、4(40mm/mV)灵敏度档。
由1档(标准灵敏度)向各档切换时幅度允差±5%。
符合YY1139-2013的4.2.4节条款及YY0782-2010的51.104节条款要求。
2.3.4 耐极化电压施加±600mV直流电压后,记录灵敏度的变化不超过±5%。
2.3.5 最小检测信号对10Hz、20μVp-p偏转的正弦信号能检验。
符合YY0782-2010的51.107.3节条款。
2.4内部噪声折合为输入端等效噪声电压不超过15μVp-p。
(在频率响应范围内,工频滤波器都设置为主动电源的工作频率且开启,其他所有滤波器都关闭,按规定方法进行试验时,幅值不超过0.3mm)。
符合YY1139-2013的4.2.12.1节、YY0782-2010的51.106.4节条款要求。
心电图机产品技术要求科曼2心电图机2性能要求2.1安全要求应符合GB 9706.1-2007、GB 10793-2000、YY 0782-2010 的要求;2.2电磁兼容应符合YY 0505-2012 的要求。
2.3导联类型12 导。
2.4输入动态范围以320 mV/s 最大变化率、在-650 mV~+650 mV 范围内的直流偏置电压以及在±5 mV 差分电压范围内变化,在任意导联上施加这样信号时心电诊断设备应能够作出响应和显示。
在规定的直流偏置范围内,输出信号随时间变化的幅度应不超过±5%。
2.5增益控制、准确度和稳定性2.5.1增益设置和准确度心电图机应能提供2.5 mm/mV、5 mm/mV、10 mm/mV、20 mm/mV、AGC (自动)、10/5 mm/mV(分级增益,前面表示肢体导联增益,后面表示胸部导联增益)、20/10 mm/mV 共七档,AGC (自动)默认为10 mm/mV,增益误差应为±2%。
2.5.2增益切换符合YY1139-2013 中 4.2.4.3 的要求。
2.5.3增益稳定性符合YY1139-2013 中 4.2.4.4 的要求。
2.6时间基准选择和准确度2.6.1时间基准选择设备应具有时间基准 5 mm/s 、10mm/s 、12.5mm/s、25mm/s 和50mm/s 五档。
2.6.2时间基准准确度时间基准准确度在0.2 s~2.0s 范围内允许的时间测量误差应不超过±2%。
2.7输出显示2.7.1输入信号符合YY1139-2013 中 4.2.6.1 的要求。
2.7.2通道宽度符合YY1139-2013 中 4.2.6.2 的要求。
2.7.3轨迹宽度和可视性符合YY1139-2013 中4.2.6.3 的要求。
2.7.4直角坐标/记录点对齐符合YY1139-2013 中 4.2.6.4 的要求。
2.7.5时间和幅度刻度符合YY1139-2013 中 4.2.6.5 的要求。
数字式心电图机技术参数(2018)一、设备名称:全功能数字式心电图机1.1 必须符合电磁兼容标准(提供电磁兼容合格检测报告)1.2 必须通过国家计量认证。
(提供制作计量许可证书)二、技术参数2.1 一体化数字心电图机2.2 电源:AC 220V2.3 标准12导﹢同步心电向量采集2.4 全触摸显示屏幕≥10.1寸2.5 输入回路输入电流:≤0.1μA2.6 输入阻抗:≥10.0MΩ2.7 耐极化电压:±600mV2.8 共模抑制比:≧89dB2.9 频响范围:0.05-250Hz全频滤波2.10 定标电压准确度(灵敏度):最大允许误差为±5%2.11 配有LAN、microUSB、USB与RS232接口2.12 内置4G卡槽,支持移动、联通、电信全网通(不接受外接方式)2.13 无线WIFI模块,支持2.4G/5G无线网络2.14 连续工作≥8小时2.15 采集时间≥30分钟2.16、具有智能起博实时监测功能,采集时能对起博心电进行预警(提供心电图采集设备功能截图)2.17支持运动去伪迹处理,可以矫正婴幼儿身体抖动引起的干扰2.18支持阿托品试验采集及处理流程,采集时能对注射事件进行标记2.19 支持连续采集10分钟以上心电图波形,并保存和上传2.20 安卓操作系统,内置远程更新功能OTA2.21 具有采集前五秒的数据回顾功能,方便捕捉偶发心率失常数据2.22 具备Worklist功能2.23 具备自动分析诊断分级功能2.24 可输出XML、PDF、HL7、DICOM格式2.25数据传输和医院现有网络实现无缝对接,可实时传输心电数据到其它医院诊断(免费开通)三、配置3.1 标配3.2 配专用推车四、售后服务4.1、质保期:自验收合格之日起质保期为三年4.2、提供厂家原始正版的零配件、耗材价格表。
2性能指标2.1外观与结构2.1.1外观:外机壳表面应无明显划痕毛刺,色泽均匀,无伤斑、裂纹、变形及锋棱。
文字、符号、标识应清晰、准确、牢固。
2.1.2结构:控制件操作应灵活可靠,紧固件应无松动,接插件应连接可靠。
2.2输入动态范围以 320 mV/s 最大变化率、在-300 mV~+300 mV 范围内的直流偏置电压以及在±5 mV 差分电压范围内变化,在任意导联上施加这样信号时心电图机应能够做出响应和显示。
在规定的直流偏置范围内,输出信号随时间变化的幅度应不超过±5%。
2.3增益控制、准确度和稳定性2.3.1增益设置和准确度:应有 40mm/mV、20mm/mV、10mm/mV、5mm/mV、2.5mm/mV、1.25 mm/mV 六个档,增益准确度为±2%,标准灵敏度为 10mm/mV。
2.3.2增益切换:手动设置优先。
2.3.3增益稳定性:开机 1min 后,每分钟增益变化率不应超过 0.33%。
每档固定增益的 1h 的总变化率不应超过±3%。
2.4时间基准选择和准确度2.4.1时间基准选择:5mm/s、6.25mm/s、10mm/s、12.5mm/s、25mm/s 和50mm/s。
2.4.2时间基准准确度:在 0.2 s~2.0 s 范围内允许的时间测量误差应不超过±2%。
2.5输出显示2.5.1输入信号:输出显示应能适应 2.2 规定的信号范围。
2.5.2通道宽度:每通道的显示宽度应不少于 40mm。
2.5.3轨迹宽度和可视性:在响应 320 mV/s 输入信号变化率和不低于 5 mm/mV 增益时记录的轨迹应是可见的,轨迹宽度应不超过 1mm。
2.5.4直角坐标/记录点对齐:应在直角坐标上进行记录,记录点按时间轴对齐偏差应小于0.5mm 或对应的 10ms 两者取大者。
2.5.5时间和幅度刻度:打印的刻度应是直角坐标,刻度的最大误差为有效记录宽度的 0.5%,标称刻度应是 1mm,大刻度为 5mm,在规定的工作条件下刻度容差为±2%。
2.性能指标2.1输入动态范围:应符合 YY 1139-2013 中4.2.3 的规定。
2.2增益控制、准确度和稳定性1)设备应有固定增益选择 20mm/mV、10mm/mV、5mm/mV、2.5mm/mV、1.25mm/mV 和自动六档,增益准确度为±5%。
2)增益切换:心电图机提供了自动灵敏度切换,当灵敏度改变时所记录的输出应有相应指示。
自动灵敏度切换应有一个手动设置优先的功能。
3)增益稳定性:仪器上电开机一分钟后的增益变化不应超过每分钟 0.33%;1h 内的总变化不应超过任何可用的固定增益设置的±3%。
2.3时间基准选择和准确度设备应有时间基准选择 5 mm/s、6.25 mm/s、10 mm/s、12.5 mm/s、25 mm/s 和 50 mm/s 六档,误差应不大于±5%。
2.4 输出显示:应符合 YY 1139-2013 中4.2.6 的规定。
2.5 系统误差:应符合 YY 1139-2013 中4.2.7.1 的规定。
2.6 频率和脉冲响应:以 10Hz 为基准,应符合 YY 1139-2013 中4.2.7.2 的规定。
2.7 导联权重因子:应符合YY 1139-2013 中4.2.7.3 的规定。
2.8 滞后:应符合YY 1139-2013 中4.2.7.4 的规定。
2.9 定标电压:应符合 YY 1139-2013 中4.2.8 的规定。
12.10 输入阻抗:应符合 YY 1139-2013 中4.2.9 的规定。
2.11患者电极连接的直流电流:应符合 YY 1139-2013 中4.2.10 的规定。
2.12共模抑制比:共模抑制能力应不小于 112dB(打开滤波)。
2.13 系统噪声:应符合 YY 1139-2013 中4.2.12 的规定。
2.14 通道串扰:应符合 YY 1139-2013 中4.2.12.2 的规定。
22.15 基线控制和稳定性:应符合 YY 1139-2013 中4.2.13 的规定。
12道心电图机技术参数一、设备需求1、设备名称:数字式十二道心电图机2、基本功能:体检心电图机,适应社区、医院规模性公共体检二、技术参数1.导联模式:标准导联、Cabrera 导联2.输入电路:浮地输入,具有除颤保护电路3.采集方式:12导联同步采集、同步打印4.灵敏度(增益):1.25、2.5、5、10、20、10/5、20/10mm/mV及自动增益5.耐极化电压:≥±500mV6.共模拟制比:≥100dB7.滤波功能:具有交流/工频滤波(50/60HZ)、肌电/低通滤波(25Hz、35Hz、75Hz、100Hz、150Hz、250Hz)和漂移/高通滤波(0.01Hz、0.02Hz、0.05Hz、0.35Hz、0.5Hz、0.8Hz)8.★频响:0.05~250Hz,适应于成人、儿童、新生儿心电图9.检查类型:常规心电图和体检心电图2种类型10.显示屏:≥7寸彩色液晶屏,0-80度可翻转11.显示方式:具有心电波形同屏显示和分屏显示12.★数据存储:内部存储>10000份病例,标配SD卡,支持U盘13.系统语言:中文、英语等14.具有导联脱落人体指示图,可直观提示脱落导联,方便医生操作15.长时间R-R分析,可采集300秒不压缩心电波形,具有趋势图、直方图分析16.特有实时波形冻结,支持300秒钟波形全息电影回放,方便异常心电波形扑捉17.特有手动/自动心率不齐检查,可自动检测并打印心率不齐波形18.特有CardiPro成人\儿童专用分析算法、明尼苏达码编码系统,分析更准确19.待机时间:0、5、10、30、60、120分钟可调20.自动关机时间:0、30、60、120、180分钟可调21.波形节律时间:30-300S可调22.心电信号采集时间:10S23.屏幕网格具有开启和关闭显示功能24.记录系统:热敏点阵打印25.具有根据临床需求可对内置热敏打印机进行开启和关闭功能26.记录纸规格:210x140mm折叠纸27.走纸速度:5、6.25、10、12.5、25、50mm/s28.记录格式:3*4,3*4+1R,3*4+3R,6*2,6*2+1R,6*2+3R,12*129.记录模式:自动、手动、周期、自动触发,省纸、采集上传等模式30.屏幕显示内容:心电波形显示、心率、导联名称、电极安放位置、走纸速度、增益、滤波器状态、系统时间、记录模式、患者信息、起搏状态等31.报告格式:简单报告、详细报告、代表心博报告、手动报告32.仪器端口:2个USB接口(可存储数据、软件升级和连接扫描枪)、1个SD卡插槽(可存储数据)、1个LAN网络接口(标配有线功能)、预留1个外接键盘接口等33.★具备在无网格纸上打印网格功能34. 可充电锂电池.35. 带电脑工作站,软件,打印机。
技术参数要求一、采购清单二、技术参数(一)、数字式电图机1、支持12导心电图采集2、一体化平板设计,全触控操作,无外接键盘和采集仪。
(提供产品制造商公开发布的资料证明)3、显示屏幕≥10吋4、具备LAN、USB等传输接口5、支持智能操作系统,可远程更新升级(提供软件功能截图)6、心电图主机支持内置4G功能、2.4GHz/5GHz无线Wi-Fi(提供公开发表的证明材料)7、锂电池额定容量>10000mAh,在室温下支持5小时以上连续工作(提供产品制造商公开发布的资料证明)8、输入阻抗:≥10.0MΩ9、内部噪声:≤15μVP-P10、共模抑制比:≥80dB11、耐极化电压:±600mV12、频响范围:0.05-249Hz全频滤波(提供医疗器械注册证或检测报告证明材料)13、QTc参数测量:内置测量算法≥4种,QTc计算方法可通过系统设置调阅并设置(提供QTc算法功能截图证明材料)14、心电图机可通过下载获取待检查信息,并支持待检查列表显示,列表应包含检查姓名、性别、年龄等信息。
(提供自动下载获取待检查信息列表功能截图)15、心电图机通过IHE测试(提供IHE认证证书复印件)16、对于危急值检查数据,心电图机应支持优先诊断功能,以提醒诊断中心优先诊断。
(提供心电图机支持优先诊断功能证明)17、记录测值包括:心率、电轴、P波时限、P-R间期、QRS时限、Q-T间期、QTc、T波、Rv5、Sv1等。
18、具有向量分析技术(提供标注该功能描述的医疗器械注册证所在页复印件)19、阿托品试验采集及处理流程(提供标注该功能描述的医疗器械注册证所在页复印件)20、具备任意心搏放大、单导联图谱漂移功能、全屏图谱漂移功能21、具备梯形图生成技术(提供标注该功能描述的医疗器械注册证所在页复印件)22、支持心电事件、起搏心电、晚电位功能(提供标注该功能描述的医疗器械注册证所在页复印件)(二)、数字式心电图机(含打印功能)1、支持12导心电图采集2、输入阻抗:≥10.0MΩ3、噪声电平:≤30μVP-P4、共模抑制比:>80dB5、耐极化电压:±600mV6、频响范围:0.05-249Hz全频滤波(提供医疗器械注册证或检测报告证明材料)7、全触控设计,无需键盘和按键操作。
2.性能指标2.1性能指标2.1.1性能指标应符合 YY 1139-2013《心电诊断设备》的要求。
2.1.2输入动态范围以 320 mV/s 最大变化率、在-550 mV~+550 mV(ECG-8080 为-500 mV~+500 mV)范围内的直流偏置电压以及在±30mV(ECG-8080 为±5mV)差分电压范围内变化,在任意导联上施加这样信号时心电诊断设备应能够做出响应和显示。
在规定的直流偏置范围内,输出信号随时间变化的幅度应不超过±5%。
2.1.3增益设置和准确度设备(除ECG-8080 外)应有固定增益选择1.25 mm/mV、2.5 mm/mV、5mm/mV、10/5 mm/mV、10mm/mV、20/10 mm/mV、20mm/mV、40mm/mV 和自动增益,增益准确度为±3%(标准增益10mm/mV±0.2mm/mV)。
ECG-8080 应有固定增益选择2.5 mm/mV、5mm/mV、10mm/mV、和20mm/mV,增益准确度为± 3%(标准增益10mm/mV±0.2mm/mV)。
2.1.4时间基准选择和准确度2.1.4.1时间基准选择设备(除ECG-8080 外)应有时间基准:5 mm/s、6.25 mm/s、10 mm/s、12.5 mm/s、25 mm/s 和50 mm/s。
ECG-8080 应有时间基准:12.5 mm/s、25 mm/s 和50 mm/s。
2.1.4.2时间基准准确度时间基准准确度在 0.2 s~2.0 s 范围内允许的时间测量误差应不超过±3%。
12.1.5输入信号输出显示应能适应 2.1.2 规定的信号范围。
22.1.6频率和脉冲响应以 10Hz 为基准,在(0.05Hz~250Hz)[ECG-8080 适用范围为(0.05Hz~150Hz)]内+0.4(-3.0 dB)。
数字心电图机适用范围:适用于提取诊断用的心电图。
1.1型号/规格MECG-10001.2型号/规格划分说明1.3结构及组成数字心电图机由主机、18导心电导联线(选配)组成。
1.4软件1.4.1 软件名称数字心电图机嵌入式软件组件1.4.2 型号/规格MECG-10001.4.3 软件发布版本V1.01.4.4 完整软件版本命名规则公司软件版本命名规则为VX.Y.Z。
a) X:为发布版本号,表示重大增强类软件更新,当软件进行了重大增强类更新时,该号码加1,Y和Z归0。
b) Y:为子版本号,表示轻微增强类软件更新,当软件进行轻微增强类更新时,该号码加1,Z归0。
c) Z:为修正版本号,表示纠正类软件更新,当软件进行纠正类更新时,该号码加1。
2.1正常工作条件a) 环境温度:5℃~40℃;b) 相对湿度:25%~95%(无冷凝);c) 大气压力:700hPa~1060hPa。
d) 供电电源:电源电压:AC220V、电源频率:50Hz;直流(锂电池):DC 22.2V,2.6AH。
2.2 外观2.2.1外表面涂覆应清洁、色泽均匀、无锈蚀、剥落、破损。
2.2.2文字、符号等标识应清晰。
2.2.3外观应整齐、无变形等缺陷。
2.3性能要求符合YY 1139-2013《心电诊断设备》的相关要求,见附录C。
符合YY 0782-2010《医用电气设备第2-51部分:记录和分析型单道和多道心电图机安全和基本性能专用要求》的相关要求。
2.4软件功能2.4.1导联脱落具有导联脱落提示功能。
2.4.2自动记录菜单自动记录菜单中包括:10秒、15秒、20秒、30秒、1分钟、3分钟、5分钟。
2.4.3数据传输数据可通过无线和有线两种方式完成数据上传。
2.4.4数据接口数据通过有线网络(100M/1000M)或者无线网络基于TCP/IP传输协议以XML、HL7、DICOM、EDF格式进行传输。
2.4.5用户访问控制系统分为管理员、操作员两种角色:管理员主要负责功能设置、用户管理功能;操作员主要使用业务功能完成检查。
2.性能指标2.1性能指标2.1.1性能指标应符合 YY 1139-2013《心电诊断设备》的要求。
2.1.2输入动态范围以 320 mV/s 最大变化率、在-550 mV~+550 mV(ECG-8080 为-500 mV~+500 mV)范围内的直流偏置电压以及在±30mV(ECG-8080 为±5mV)差分电压范围内变化,在任意导联上施加这样信号时心电诊断设备应能够做出响应和显示。
在规定的直流偏置范围内,输出信号随时间变化的幅度应不超过±5%。
2.1.3增益设置和准确度设备(除ECG-8080 外)应有固定增益选择1.25 mm/mV、2.5 mm/mV、5mm/mV、10/5 mm/mV、10mm/mV、20/10 mm/mV、20mm/mV、40mm/mV 和自动增益,增益准确度为±3%(标准增益10mm/mV±0.2mm/mV)。
ECG-8080 应有固定增益选择2.5 mm/mV、5mm/mV、10mm/mV、和20mm/mV,增益准确度为± 3%(标准增益10mm/mV±0.2mm/mV)。
2.1.4时间基准选择和准确度2.1.4.1时间基准选择设备(除ECG-8080 外)应有时间基准:5 mm/s、6.25 mm/s、10 mm/s、12.5 mm/s、25 mm/s 和50 mm/s。
ECG-8080 应有时间基准:12.5 mm/s、25 mm/s 和50 mm/s。
2.1.4.2时间基准准确度时间基准准确度在 0.2 s~2.0 s 范围内允许的时间测量误差应不超过±3%。
12.1.5输入信号输出显示应能适应 2.1.2 规定的信号范围。
22.1.6频率和脉冲响应以 10Hz 为基准,在(0.05Hz~250Hz)[ECG-8080 适用范围为(0.05Hz~150Hz)]内+0.4(-3.0 dB)。
心电图机技术参数要求1.频率响应:0.05Hz---150Hz(在-3db之内)。
2.抗极化电压:≥±550mV或以上。
3.A/D转换位数:18位。
4.灵敏度选择:1/4,1/2,1,2cm/mV;手动或自动。
5.*采样频率:8000次/秒/通道。
6.记录速度:5、10、12.5、25、50mm/秒±3%。
7.*内部存储器:≥500组测量信息。
8.外部存储器:可存储于U盘或SD卡选配。
9.*显示器:高清彩色液晶触摸屏,高分辨率。
10.可选配外接条码读出器或者ID读卡器,快速载入病人数据,准确无误。
11.方便的纸槽:145mm宽记录纸,卷纸和折叠纸都可以方便使用。
12.回顾记录:可回放记录1分钟秒测量的心电图波形或回顾1分钟心电图波形。
13.操作装置:触摸屏和标准全键盘(触屏可变为字母键盘输入使用)。
14.具有拷贝功能,它可为用户任意重新打印不同的记录波形格式、不同的报告格式、详细测量值和分析注悉,满足用户的不同的报告格式。
15.采用最新的心电图诊断分析系统。
分析诊断定为9分类4分级,从而提高了分析精度和准确度,使到机器提供的报告结果更加符合实际情况。
16.*报警信息显示点击安装不正确:即时警示电极左右接反问题,防止在病人离开医院后才发现此类问题。
17.网络(LAN)端口:标准IEEE802.3U 100BASE-TX18.*完善的网络功能:除去通过LAN接口连接的网络功能以外,也可选择无线上网功能。
19.*心电图机数据输出模式:XML格式数据20.具有维护自检测功能,自带标准心电发生器。
2性能指标2.1安全应满足GB 9706.1-2007《医用电气设备第1部分:安全通用要求》、GB 10793-2000《医用电气设备第2部分: 心电图机安全专用要求》、YY 0782-2010《医用电气设备第2-51部分:记录和分析型单道和多道心电图机安全和基本性能专用要求》的安全要求。
2.2电磁兼容性应满足YY 0505-2012《医用电气设备第1-2部分:安全通用要求并列标准:电磁兼容要求和试验》,符合GB 4824-2013 《工业、科学和医疗(ISM)射频设备骚扰特性限值和测量方法》的1组A类要求。
2.3心电2.3.1应满足YY 0782-2010 和YY 1139-2013《心电诊断设备》的要求。
2.3.2最大描迹偏转幅度BeneHeart R3、BeneHeart R3A和BeneHeart R3B:每道≥40mm;BeneHeart R12、BeneHeart R12A和BeneHeart R12B:每道≥25mm。
2.3.3输入阻抗不小于50MΩ(10Hz)。
2.3.4输入回路电流肢体电极不大于0.1μ A,驱动电极不大于1μ A。
2.3.5定标电压提供1mV定标电压,误差不超过±5%。
2.3.6灵敏度BeneHeart R3、BeneHeart R3A和BeneHeart R3B:应提供2.5mm/mV、5mm/mV、10mm/mV、20mm/mV 和自动,误差不超过±5%;BeneHeart R12、BeneHeart R12A和BeneHeart R12B:应提供2.5mm/mV、5mm/mV、10mm/mV、20mm/mV、L=10 C=5、L=20 C=10和自动,误差不超过±5%。
加±600mV的直流极化电压,灵敏度变化不超过±5%。
2.3.8最小检测信号对10Hz、20μ Vp-p偏转的正弦信号应能检测。
-3.0dB所有导联电极接入51kΩ电阻和0.047μF 电容并联网络后连接到一起,折合到输入端的噪声电平不超过15μVP -P 。
心电图机技术参数心电图机技术参数1.导联:标准12导联、十二道同步采集,六通道记录2.输入回路电流≤0.1μA3.输入阻抗≥50MΩ▲4.定标电压:1mV±1%5.标准灵敏度:10mm/mV ±2%6.增益:1/4、1/2、1、2cm/mV,手动或自动7.耐极化电压≥±550mV8.共模抑制比≥103dB9.频响: 0.05~150Hz10.噪声电平: ≤15uVp-p除颤保护11.时间常数≥3.2s▲12.采样速率:8000/s13.道间干扰≤0.5mm14.基线稳定性:灵敏度变化时(无信号输入)其位移不超过2mm15.温度漂移:在5~40℃温度范围内,基线漂移平均不超过0.5mm/℃16.内置显示器:彩色触摸液晶显示器≥6.5英寸,分辨率640*480带背光源,可显示3、6、12道ECG波形、心率数、ID号码、性别、年龄、工作状态、操作程序菜单及显示某个电极脱落等参数。
17.滤波器:具有交流、肌电、漂移和高频截止滤波器。
交流滤波器:50/60Hz ≥20dB漂移滤波器:0.25/0.5Hz ≥3dB肌电滤波器:25/35Hz ≥3dB高频截止滤波器:75/100/150Hz18.具有抗除颤保护功能19.自诊断功能:具有设备自诊断及故障提示功能20.检查方式:标准12导联检查、心律不齐检查、R-R测量检查、负荷后检查21.记录方式:具有自动记录、手动记录、回顾记录、延长记录、间隔记录、定时记录、压缩记录等方式;可在记录时标记异常波形;记录相位具有时间连续和同步模式。
▲22.分析结果:手动及自动记录时均可打印分析结果报告,并可设定是否输出分析结果。
▲23.回顾记录:可回放记录1分钟秒测量的心电图波形或回顾1分钟心电图波形。
24.心律不齐自动延长记录:分析记录时,当心律不齐被检出时,自动打印心律不齐心电图报告。
▲25.分析结果指南:具有分析结果指南功能26.记录日志:可打印当天、指定日期或全部心电图日志27.记录速度:5、10、12.5、25、50mm/s ±3%28.记录道数:3 CH、3 CH +1(节律导联)、6 CH29.记录纸:内置145mm宽卷纸和折纸▲30.内置存储器:主机可存储500组以上的心电图数据31.外接存储器:SD卡或U盘存储,选用512M SD卡可至少存储15000件心电图文件32.输入设备:触摸屏输入,另可外接USB接口键盘输入。
2性能指标2.1安全a)仪器的安全应符合 GB 9706.1-2007、GB 10793-2000、YY0782-2010 的要求;b)仪器的电磁兼容安全应符合 YY 0505-2012 的要求。
2.2基本性能指标产品应符合 YY 1139-2013 的规定,还应满足以下要求:2.2.1最大描迹偏转幅度每道应≥25mm(包括波形交越部分)。
2.2.2外接输出2.2.2.1灵敏度:1V/mV 误差范围应为±5%或0.5V/mV 误差范围应为±5%。
2.2.2.2外接输出阻抗应≤100 Ω。
2.2.2.3输出短路时应不损坏心电图机。
2.2.3外接直流信号输入2.2.3.1灵敏度:10mm/V 误差范围应为±5%。
2.2.3.2外接直流信号的输入阻抗应≥100kΩ。
2.2.4输入电路2.2.4.1按图 1 试验电路测试输入阻抗,各导联电极串入 620kΩ电阻与 4700pF 电容并联阻抗,衰减后的信号应不小于表 2 所规定的值。
2.2.4.2输入阻抗应≥50MΩ。
2.2.5输入回路电流:各输入回路电流应不大于 10nA。
2.2.6定标电压应为 1mV 误差范围应为±2%。
2.2.7灵敏度2.2.7.1灵敏度控制心电图机应提供2.5mm/mV、5mm/mV、10mm/mV、20mm/mV、自动(AGC)、10/5 mm/mV 六档,转换误差应为±5%。
2.2.7.2耐极化电压加±600mV的直流极化电压,灵敏度变化范围应为±5%。
2.2.7.3最小检测信号对10Hz、20μVP-P 偏转的正弦信号应能检测。
表 2 阻抗2.2.8噪声电平输入端与中性电极之间接入 51kΩ电阻与0.047μF电容并联阻抗,在2.2.12 规定的频率范围内,折合到输入端的噪声电平应不大于12.5μVP-P。
2.2.9抗干扰能力2.2.9.1在进行抗干扰能力试验时,心电图机各导联的共模抑制比应大于 60dB。
性能指标2.1心电图机外观和调节机构要求2.1.1心电图机外壳应整齐美观,表面应整洁,色泽均匀,无伤斑、裂纹等缺陷。
2.1.2心电图机面板上应无涂覆层脱落、锈蚀,文字和标志应清晰、准确、牢固。
2.1.3心电图机塑料件应无起泡、开裂、变形、灌注物溢出现象。
2.1.4机械控制和调节机构应灵活可靠,紧固部位应无松动,按键应灵敏。
2.2状态/波形显示通过面板操作观察其各状态显示功能是否正常。
如果具有心电波形显示功能,观察波形显示是否正常工作。
2.3基本技术要求产品应符合 YY 1139-2013《心电诊断设备》的要求,并满足以下补充要求:2.3.1增益设置和准确度2.3.1.1设备应至少有五档增益选择20mm/mV、10mm/mV、5mm/mV、2.5mm/mV和自动,增益准确度为±5%。
2.3.1.2耐极化电压:叠加±500mV的直流极化电压,增益变化应为±5%。
2.3.1.3最小检测信号:对 10Hz、20μVp-p 偏转的正弦信号能检测。
2.3.2时间基准选择及准确度设备应至少有时间基准:6.25mm/s、12.5mm/s、25mm/s和50mm/s,允差±3%;2.3.3频率和脉冲响应设备的频率响应在增益为10mm/mV时,应与表2规定的要求一致,需至少同时满足方法A、B、C、D的要求。
2.3.4定标电压1mV定标电压幅度偏差为±2%。
2.4输入阻抗输入阻抗应≥50MΩ。
2.5噪声电平噪声电平应不大于15μVp-p。
2.6共模抑制比-3.0dB 共模抑制比应不小于100dB 。
2.7 输入回路电流各输入回路电流应不大于50nA 。
2.8 频率特性2.8.1低频特性 时间常数应≥3.2s。
2.8.2 幅度频率特性以10Hz 为基准,应 (0.05Hz ~165Hz)+0.4dB。
2.9 外接输出 2.9.1 外接输出灵敏度:1V/mV 或 0.5 V/mV ,误差范围±5%。
心电图机的具体要求
1.所购心电图机要求是原装进口(日本)六通道全自动分析心电图机。
参考品牌:日本光电1250—P 日本福田FX7302
2.供货商必须具有医疗器械经营资质。
3.产品的生产厂家必须具备医疗器材生产许可证。
4.非投标产品商必须获得产品制造商的授权,如果是代理商则应取得原厂商的授权书,同时具
有医疗器械经营许可资质。
5.供货商必须提供有效的购货人认可的售后服务承诺书。
6.投标品牌在四川或绵阳有固定的售后服务代理机构,确保设备出现故障时24小时以内提供
维修服务。
7.技术参数。
2.性能指标
2.1输入动态范围:应符合 YY 1139-2013 中4.2.3 的规定。
2.2增益控制、准确度和稳定性
1)设备应有固定增益选择 20mm/mV、10mm/mV、5mm/mV、2.5mm/mV、1.25mm/mV 和自动六档,增益准确度为±5%。
2)增益切换:心电图机提供了自动灵敏度切换,当灵敏度改变时所记录的输出应有相应指示。
自动灵敏度切换应有一个手动设置优先的功能。
3)增益稳定性:仪器上电开机一分钟后的增益变化不应超过每分钟 0.33%;1h 内的总变化不应超过任何可用的固定增益设置的±3%。
2.3时间基准选择和准确度
设备应有时间基准选择 5 mm/s、6.25 mm/s、10 mm/s、12.5 mm/s、25 mm/s 和 50 mm/s 六档,误差应不大于±5%。
2.4 输出显示:应符合 YY 1139-2013 中4.2.6 的规定。
2.5 系统误差:应符合 YY 1139-2013 中4.2.7.1 的规定。
2.6 频率和脉冲响应:以 10Hz 为基准,应符合 YY 1139-2013 中4.2.7.2 的规定。
2.7 导联权重因子:应符合YY 1139-2013 中4.2.7.3 的规定。
2.8 滞后:应符合YY 1139-2013 中4.2.7.4 的规定。
2.9 定标电压:应符合 YY 1139-2013 中4.2.8 的规定。
1
2.10 输入阻抗:应符合 YY 1139-2013 中4.2.9 的规定。
2.11患者电极连接的直流电流:应符合 YY 1139-2013 中4.2.10 的规定。
2.12共模抑制比:共模抑制能力应不小于 112dB(打开滤波)。
2.13 系统噪声:应符合 YY 1139-2013 中4.2.12 的规定。
2.14 通道串扰:应符合 YY 1139-2013 中4.2.12.2 的规定。
2
2.15 基线控制和稳定性:应符合 YY 1139-2013 中4.2.13 的规定。
2.16 过载保护:应符合 YY 1139-2013 中4.2.14 的规定。
2.17存储功能:内置存储病例数≥200;选择外置存储卡存储例数≥1000。
2.18打印分辨率(热线阵打印)及记录功能。
a)Y 轴:应≥8点/mm;
b)X 轴:应≥40点/mm(走纸速度 25mm/s)、应≥20点/mm(走纸速度 50mm/s)。
c)在记录时应能打印导联、纸速、增益、滤波器等工作状态。
2.19具有导联脱落检测功能:当导联线没有连接或脱落时应有提示未检测到。
2.20具有心电图回放功能,能回放存储的病例。
2.21测量模式:手动,自动。
2.22数字滤波器:
a)交流 50 Hz/60 Hz;
b) 肌电 25Hz/35Hz/45Hz/75Hz/100Hz;
2.23连续工作时间
a)直流:可充电锂电池:连续工作时间≥2h。
b)交流:可连续工作时间≥8h。
2.24数据接口:
a)心电信号接口,无通讯协议固件,心电信号通过导联线电极片,输入到机器接口内进行信号处理。
b)外接输入输出接口,采用 UART 串口通讯,波特率为 115200,开发部专用的 debug 调试接口,要使专用的线缆用于扑捉关键信息。
c)SD 存储卡接口(预留),无 SD 总线协议或无 SPI 通讯协议固件,明确不支持 SD 卡外部存储,当用户接入 SD 卡时,心电图机不会与 SD 卡进行任何数据读写操作,心电图机不提示 SD 信息,也不破坏 SD 卡数据内容。
d)USB 接口,通讯协议为 USB2.0;当用户使用 USB 线连接 PC 时,PC 与机器不会产生通讯;当用户接入 U 盘时,不会对 U 盘进行读写,不提示 U 盘设备。
3
e)高清视频端口(预留),无 HDMI2.0 高清视频通讯协议固件,明确不支持 HDMI 高清视频功能,当用户接入高清视频线到显示器时,不会驱动显示屏进行显示应用。
f)以太网接口(预留),无 RJ45 网口协议固件,明确不支持网线联网功能,用户接入网线时,无网络连接的提示。
g)
音频输出接口(预留),音频协议:无,明确不支持声音输出,当用户接入耳机时,不会收到任何形式的播放声音。
2.25外观及结构要求:外表无凹凸不平及毛刺,无明显划痕、裂纹及变形等缺陷;控制部件安装、接口连接牢靠;开关、按键等操作灵活、准确、可靠。
2.26安全要求
安全要求应符合 GB 9706.1-2007、GB 10793-2000 的要求。
2.27电磁兼容性要求
电磁兼容性应符合 YY 0505-2012 的要求。
2.28环境试验要求
应按 GB/T14710-2009 规定的气候环境试验Ⅱ组,机械强度试验Ⅱ组的要求及表 4 的规定进行。
运输试验、电源电压适应能力试验应分别符合 GB/T14710-2009 中第4 章、第 5 章的规定。
采用液晶显示器作为显示部件的心电图机,低温贮存试验为-20℃。
表3 环境试验要求
4
2.29标记要求,产品上应有下列明显标记。
产品名称,规格型号,技术要求编号,注册证号,出厂编号,出厂日期,产品输入电压范围,电源频率,输入功率,防电击类型,制造商名称,制造商注册地址和生产地址,制造商联系方式。
(以下内容无)
5。