心电检测仪产品技术要求科瑞康
- 格式:docx
- 大小:24.41 KB
- 文档页数:4
心电图机适用范围:该产品适用于医疗机构提取人体的心电波群作临床诊断及研究1.1 型号1.2 产品划分说明表1 产品划分说明1.3 配件a)心电导联线b)肢体夹c) 胸电极产品配件均使用有医疗器械注册证的产品2.1工作条件2.1.1 环境温度 5℃~40℃;2.1.2 相对湿度≤80%;2.1.3 供电电源 AC220V 50Hz; DC12V;2.1.4 大气压力:700hPa~1060hPa;2.2外观2.2.1 涂覆、电镀、注塑件应无划痕及屏幕亮度不匀等缺陷。
2.2.2 螺钉及端子等应无松动。
2.2.3 铭牌的印刷文字无擦伤、粘贴位置正确、标有产品名称(型号)、额定电源、设备分类、出厂编号等内容。
2.3记录灵敏度2.3.1 标准灵敏度10mm/mV,允差±2%。
2.3.2 定标电压:1mV±5%,满足YY1139-2013的4.2.8节、YY0782-2010的51.103.2节条款要求。
2.3.3 灵敏度切换放大器在打印时设有1/4(2.5mm/mV)、1/2(5mm/mV)、1(10mm/mV)、2(20mm/mV)、4(40mm/mV)灵敏度档。
由1档(标准灵敏度)向各档切换时幅度允差±5%。
符合YY1139-2013的4.2.4节条款及YY0782-2010的51.104节条款要求。
2.3.4 耐极化电压施加±600mV直流电压后,记录灵敏度的变化不超过±5%。
2.3.5 最小检测信号对10Hz、20μVp-p偏转的正弦信号能检验。
符合YY0782-2010的51.107.3节条款。
2.4内部噪声折合为输入端等效噪声电压不超过15μVp-p。
(在频率响应范围内,工频滤波器都设置为主动电源的工作频率且开启,其他所有滤波器都关闭,按规定方法进行试验时,幅值不超过0.3mm)。
符合YY1139-2013的4.2.12.1节、YY0782-2010的51.106.4节条款要求。
2.性能指标2.1通用要求2.1.1处理对象生理参数传输管理软件:处理深圳市中瑞奇电子科技有限公司的单导联动态心电记录仪:型号 DL-191、DL-291 和心电采集盒及处理软件:型号 EL-194、EL-198 所采集的心电数据;处理深圳市科瑞康实业有限公司的脉搏血氧饱和度仪:型号PC-68B、POD-1W 所采集的血氧数据;处理顺泰医疗器材(深圳)有限公司的医用电子血压计型号:BP60E 和深圳市瑞光康泰科技有限公司的脉搏波血压计型号:BP-88B 所采集的血压数据。
2.1.2最大并发数服务器最大并发数为 100;2.1.3数据接口2.1.3.1本产品唯一数据接口:HTTP;2.1.3.2硬件接口,硬件设备如下表所示:2.1.4特定软硬件2.1.4.1需配合如下表二的硬件设备完成临床功能:表二2.1.5临床功能2.1.5.1主菜单“我的患者”,可完成如下功能:a)添加患者:增加患者信息,并对患者信息进行编辑;b)病例列表:添加患者历史病例记录或者当前病例记录;①添加病例:填写主诉、检查、诊断、上传报告、保存病例;②运动处方:记录处方、记录运动类型、记录运动项目(自定义或者选择已有的选项)、记录心率和运动时间;③用药处方(医生记录患者用药情况包括):药品名称、频次、剂量和时段。
c)病例夹:存放患者添加的病例和生成的报告,查看报告;d)康复运动报告(只适用型号 SPCT-1):下载康复运动报告,重新分析报告,下载 ECG 文件;e)心电监测报告(只适用型号 TUCE-1):下载心电监测报告,重新分析报告,下载 ECG 文件;f) 6 分钟报告(只适用型号 MWT6-1):查看报告,下载 ECG 文件;g)基本信息:增加和编辑患者基本信息。
2.1.5.2主菜单:“康复运动”,可完成如下功能:主界面康复运动显示心电波形、同时显示心率、血压和血氧的数据;(只适用型号:SPCT-1)2.1.5.3主菜单:“6分钟”,可完成如下功能:主界面 6 分钟显示心电波形、同时显示心率、血压和血氧的数据;(只适用型号:MWT6-1)2.1.5.4主菜单:“心电监测”,可完成如下功能:主界面心电监测显示心电波形、同时显示心率、血压和血氧的数据;(只适用型号:TUCE-1)2.1.5.5主菜单:“医生管理”,可完成如下功能:添加医生:增加和保存医生信息;2.1.5.6点击主菜单“设备维护”,可完成如下功能:添加设备:手动输入添加设备号、蓝牙地址。
心电遥测系统适用范围:适用于医疗单位对患者的心电数据进行长时间的采集、显示、并可对采集的心电数据进行编辑、分析、报告和打印。
1.1产品型号说明1.2 结构组成该产品由心电发射器(1~8台)、心电导联线(1~8套)、心电遥测软件和加密锁组成。
2.1 最大输入范围每个通道应能够响应和显示幅度峰峰值为6mV、变化率为125mV/s的差分信号。
可监测到随时间变化的输出电压幅度折合到输入端,其变化量应不超过±10%。
2.2 最小描记灵敏阈描记速度为25mm/s、灵敏度为10mm/mV时,记录器应能对10Hz、50μV的正弦波信号记录到可分辨的波形。
2.3 耐极化电压加入±300mV直流极化电压,幅度变化量应在±10%范围内。
2.4 输入阻抗对于10Hz正弦波信号,各输入通道的输入阻抗应大于3MΩ。
2.5 灵敏度误差各档灵敏度误差应不超过±10%。
2.6 灵敏度稳定度记录器开机1min之后的任一时刻,灵敏度变化量应不超过0.33%/min;1h内的总变化量应不超过3%。
2.7 定标电压定标电压应在(1±0.05)mV范围内。
2.8 频率响应在0.67Hz~75Hz频率范围内,幅度变化量应在115%~70%(+1.2dB~-3.0dB)之间(参考频率为5Hz)。
具备ST段分析的记录器,最低截止频率应为0.05Hz。
2.9 过冲方波过冲不超过20%。
2.10 滞后偏离基线1.5mV后,滞后应不超过50μV。
2.11 定时误差24h内误差不得超过±30s。
2.12 硬拷贝描记速度误差回放装置至少具备25mm/s的描记速度,其测量误差应不超过±5%。
2.13 道间干扰记录器各通道之间的道间干扰,对于任一通道,折合到输入端其峰峰值都应不超过输入信号的5%。
2.14 共模抑制比大于80dB(50Hz正弦波信号)。
2.15 系统噪声电平折合到输入端的噪声电平应不超过50μV峰峰值。
心电监测系统适用范围:该产品用于采集24小时12导联动态心电图数据,并通过分析软件对动态心电图数据进行回放和分析。
1.1 心电监测系统型号 ME-3011.2 心电监测系统划分说明1.3 心电监测系统结构组成心电监测系统由心电记录器、心电导联线、数据传输线、心电监测系统分析软件、软件加密锁、用户手册组成。
1.4.1 心电监测系统分析软件组件a) 软件名称:心电监测系统分析软件b) 软件规格型号:ME-301c) 软件发布版本号:V1.0 d) 软件完整版本号:V1.0.0001.4.2 心电监测系统分析软件划分说明其中“X”为主版本号,版本号从0开始向上计数;“Y”为副版本号,副版本号从0开始向上计数。
主版本号的改变涉及到软件功能的重要增加、减少或改动;副版本号的改变只涉及到原有功能的完善和修正。
2.1 工作条件a) 环境温度: 10℃~45℃;b) 相对湿度: 10%~95%(无冷凝);c) 大气压力: 86 kPa~106 kPa; d)电源:DC 3.0V;2.2 性能要求2.2.1 设备外观要求心电监测系统各个部件的机壳表面应无划痕毛刺,色泽均匀,无伤斑、裂纹、变形等缺陷。
文字符号、标识清晰可见,作用与面板说明相符。
2.2.2 接插件心电监测系统的接插件应连接可靠。
2.2.3 导联线要求导联线规格为标准威尔逊导联体系十芯十二导联,导联线须采购有医疗器械注册证且可重复使用的的产品。
2.2.4 功能要求心电监测系统通过心电记录器进行数据采集,通过相应的软件系统实现信号的回放、显示、分析、打印等功能。
2.2.5 标准灵敏度标准灵敏度为10mm/mV,误差范围±5%;2.2.6 显示灵敏度显示灵敏度分为下列三档,误差范围±5%;— X1/2:5 mm/mV;— X1:10 mm/mV;— X2:20 mm/mV。
2.2.7 输入回路电流各输入回路电流不大于0.1μA;2.2.8 输入阻抗单端输入阻抗不小于5MΩ;2.2.9 最小检测信号对10Hz、20μVp-p偏转的正弦信号能检测;最小描记灵敏阈:描记速度为25mm/s,灵敏度为10mm/mv时,被检装置应能对10Hz、50 μV的正弦波信号记录到可分辨的波形。
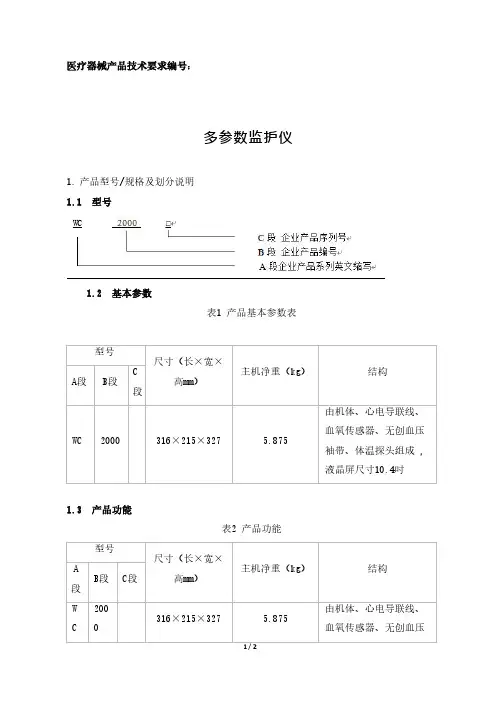
医疗器械产品技术要求编号:多参数监护仪1.产品型号/规格及划分说明1.1型号1.2基本参数表1产品基本参数表1.3产品功能表2产品功能注:“*”为本机型含此功能。
1.4配件信息表3配件信息该产品适用于医院ICU、CCU、康复病房、一般病房对成人患者无创血压、血氧饱和度、心电(心率)、脉搏、体温的连续监测。
1.4产品储存条件及有效期(体外诊断试剂适用)2℃~8℃避光贮存,有效期为12个月。
2.性能指标2.1工作条件a)环境温度:10℃~40℃b)相对湿度:≤80%c)大气压力:860hPa~1060hPad)电源: a.c220V50Hz,d.c12V可充电镍-氢电池2.2性能指标2.2.1血压测量2.2.1.1寿命应符合YY0670-2008《无创自动测量血压计》中4.3的要求2.2.1.2最大袖带压当袖带内压力值超过40kPa(300mmHg),控制阀应泄放气压;袖带内压力处于2kPa(15mmHg)以上的时间应不超过3min,另外设备应保证袖带压处在0.67kPa(5mmHg)以上的时间不超过90s。
2.2.1.3泄气应符合YY0670-2008《无创自动测量血压计》中4.4.1.2的成人要求2.2.1.4量程应符合YY0670-2008《无创自动测量血压计》中4.5.1的要求。
应为0kPa(0mmHg)~40kPa(300mmHg)2.2.1.5分辨率应为:0.1kPa或者1mmHg2.2.1.6可重复性应符合YY0670-2008《无创自动测量血压计》中4.5.3的要求2.2.1.7压力传感器准确性应符合YY0670-2008《无创自动测量血压计》中4.5.4的要求2.2.1.8充气源应符合YY0670-2008《无创自动测量血压计》中4.6.1的要求。
2.2.1.9自动气阀a)漏气:应符合YY0670-2008《无创自动测量血压计》中4.6.3.1的要求b)气阀/袖带放气率:应符合YY0670-2008《无创自动测量血压计》中4.6.3.2的要求c)泄气:应符合YY0670-2008《无创自动测量血压计》中4.6.3.3的成人要求2.2.1.10带气囊的袖带a)尺寸:应符合YY0670-2008《无创自动测量血压计》中4.7.3.1的要求b)耐压力:应符合YY0670-2008《无创自动测量血压计》中4.7.3.2的要求c)袖带接口/结构:应符合YY0670-2008《无创自动测量血压计》中4.7.3.3的要求。
动态心电记录仪1 范围本标准规定了动态心电记录仪的分类与标记、要求、试验方法、检验规则和标志与使用说明书、包装、运输、贮存。
本标准适用于动态心电记录仪(以下简称产品)。
2 规范性引用文件下列文件对本文件的应用是必不可少的。
凡是注日期的引用文件,仅注日期的版本适用于本文件。
凡是不注日期的引用文件,其最新版本(包括所有的修改单)适用于本标准。
GB/T 191-2008 包装储运图示标志GB 9706.1-2020 医用电气设备第 1 部分:基本安全和基本性能的通用要求GB/T 9969-2008 工业产品使用说明书总则GB/T 14710-2009 医用电器环境要求及试验方法YY 0885-2013 医用电气设备第2 部分:动态心电图系统安全和基本性能专用要求YY 9706.102-2021 医用电气设备第 1-2 部分基本安全和基本性能的通用要求并列标准:电磁兼容要求和试验3 分类与标记3.1 分类产品按照结构的不同分为:a) 3 导联记录仪(用300 表示);b) 12 导联记录仪(用 1200 表示)。
3.2 标记产品的型号标记方式表示如下:LT-H结构代号产品代号示例:结构代号为300 的产品表示为:TR-H300。
3.3 组成产品由心电导联线、记录单元和分析处理软件组成。
3.4 正常工作条件a) 环境温度: 10 ℃~45℃;b) 相对湿度: 30%~75%,无冷凝;c) 大气压力: 700hPa~1060hPa;d) 工作电源: 1.4V~1.6V,可持续供电24h 以上。
4 要求4.1 外观与结构4.1.1 外观产品表面应平整光洁,不应有凹痕、裂缝、变形和明显的划伤。
标牌文字正确清晰。
4.1.2 结构产品的按键应定位准确,接插件的连接应牢固可靠。
4.2 功能4.2.1 采集和存储产品具有心电数据采集和存储功能,存储容量应不低于1GB。
4.2.2 控制产品具有通过触摸键操作控制菜单的功能。
2.性能指标2.1外观与结构2.1.1设备外壳无机械损伤,塑胶件无起泡、开裂、变形及灌注物溢出现象。
2.1.2设备的文字、符号和标志清晰、准确、可靠。
2.1.3设备各部件的操作机构应灵活、可靠,紧固件应无松动现象。
2.2设备性能2.2.1动态输入范围设备对于叠加了±300mV直流偏置电压,以 125mV/s 的速度变化的,幅度为10mV(峰-谷值)的差模电压,应具备响应和显示的能力。
时变输出信号的幅度等效到输入的变化不超过 10%或者50μV的大值。
2.2.2输入阻抗设备在规定的测试频率下输入阻抗应高于20MΩ,在规定直流偏置范围内也满足此要求。
2.2.3共模抑制设备对于网电频率下的正弦信号,共模抑制比应不小于 80dB。
2.2.4增益准确度设备在所有可能增益设置下,输出信号等效到输入的测试信号,最大振幅偏差不超过±5%。
2.2.5增益稳定性设备通电 1min 后,增益变化在 24h 不能超过 3%(在稳定的环境条件下)。
2.2.6系统噪声设备输入端通过一个51kΩ和47nF 电容的阻容并联网络串接各患者电极时,等效到输入的内部噪声在任意 10s 内都不能超过30μV(峰-谷值)。
2.2.7道间干扰设备任一通道都不应产生一个致使其他任何通道出现等效于输入 0.2mV(峰- 谷值)以上输出的串扰。
2.2.8频率响应a) 在输入端加 3mV,脉宽 100ms 的方波脉冲,设备的响应满足以下要求:1)基线与脉冲出现前的基线之间的偏差≤0.1mV;2)脉冲终点后的的斜率≤0.3mV/s;3)脉冲边沿的过冲<10%。
b)对于在 0.05Hz~60Hz 频率范围的正弦输入信号,其响应幅度应在 5Hz 时响应幅度的 70%~104%之间(-3.0dB~+0.4dB)。
c)模拟一系列 R 波窄波的 1.5mV40ms 的三角波脉冲群的响应幅度应在对1.5mV,200ms 三角波响应幅度的 80%~110%。
心电监护类产品技术审查规范根据《医疗器械注册管理办法》(国家食品药品监督管理局令第16号)的要求并结合心电监护类产品的特点,为规范该类产品的技术审查工作和指导该类产品的注册申报工作,特制定本规范。
一、适用范围本规范产品适用于心电监护类产品注册审查。
该产品管理类别为II类,产品类代号为6821-9。
心电记录器和心电HOLTER,心电遥测不属于本范围。
二、技术审查要点(一)产品名称的要求产品名称建议以功能或物理属性命名,如心电监护仪、多参数监护仪、睡眠监护仪。
同时为了便于管理,产品命名尽量采用国药局分类目录中产品名称。
(二)产品的结构组成应根据产品自身特点确定结构组成,一般分为心电电极导联线,主机及其它附属部分。
(三)产品工作原理通过心电传感器采集人体体表生物电信号,放大,滤波后,进行信号处理与分析和记录。
根据分析结果进行显示或报警提示和记录。
(四)产品适用的相关标准心电监护类产品根据产品自身特点适用以下相关标准:1、GB/T 191-2000包装储运图示标志;2、GB/T 14710-1993医用电气设备环境要求及试验方法;3、GB/T 16886.1-2001医疗器械生物学评价第1部分:评价与试验;(与患者有接触部分的产品适用)4、GB/T 16886.5-2003医疗器械生物学评价第5部分:体外细胞毒性试验;(与患者有接触部分的产品适用)5、GB/T 16886.10-2005医疗器械生物学评价第10部分:刺激与迟发型超敏反应试验;(与患者有接触部分的产品适用)6、YY 0505-2005医用电气设备第1-2部分:安全通用要求并列标准:电磁兼容要求和试验。
7、JJG760 -2003心电监护仪检定规程8、YY91079-1999 心电监护仪9、GB 9706.1-1995医用电气设备第一部分:安全通用要求;10、GB9706.15-2003 医用电气系统安全要求。
11、GB9706.25-2005 心电监护设备安全专用要求12、YY/T0196-2005 一次性使用心电电极注:以上标准适用最新版本。
医疗器械产品技术要求编号:动态心电图分析系统1.产品型号/规格及划分说明1.1产品型号/规格型号:WC-12。
1.2结构组成主要由动态心电图记录器、动态心电图回放分析软件、导联线、传输线组成。
1.3适用范围适用于医疗单位对患者心电信号进行心律失常、心肌缺血的动态记录和诊断。
2.性能指标2.1外观和调节机构2.1.1记录器面板上应无涂覆层脱落、文字和标志应清晰、准确、牢固。
2.1.2机械控制和调节机构应灵活可靠,紧固部位应无松动,各控制按键应响应灵敏。
2.1.3记录器外壳应整洁美观,色泽均匀,无伤斑、裂纹、锋棱及毛刺。
2.1.4塑料件应无起泡、开裂、变形、锋棱及飞边。
2.2输入特性2.2.1输入动态范围a)AECG-03A、AECG-12A输入动态范围对于叠加了±300mV直流偏置电压,以125mV/s的速率变化的,幅度为10mV(峰谷值)(当增益设置为2.5mm/mV)的差模电压,本系统具备响应和显示的能力。
时变输出信号的幅度等效到输入的变化不超过10%或者50μV的最大值。
b)AECG-12B、AECG-12C输入动态范围对于叠加了±600mV直流偏置电压,以125mV/s的速率变化的,幅度为10mV(峰谷值)(当增益设置为5mm/mV)的差模电压,本系统具备响应和显示的能力。
时变输出信号的幅度等效到输入的变化不超过10%或者50μV的最大值。
2.2.2输入阻抗a)AECG-03A、AECG-12A10Hz正弦信号时的输入阻抗应>10M;b)AECG-12B、AECG-12C10Hz正弦信号时的输入阻抗应>50MΩ。
2.2.3输入回路电流各输入回路电流应小于0.1µA。
2.3最小描记灵敏阈(最小检测信号)a)AECG-03A描记速度为25mm/s、灵敏度为10mm/mV时,AECG应能对10Hz、50µV 的正弦波信号记录到可分辨的波形。
b)AECG-12A、AECG-12B、AECG-12C当走速为25mm/s,增益为10mm/mV时,能对10Hz,30μV(峰谷值)的正弦信号产生一个明显可见的偏转。
2.1基本性能指标应满足YY0885-2013《医用电气设备第2 部分:动态心电图系统安全和基本性能专用要求》的要求。
2.1.1动态输入范围在叠加了±500mV 直流偏置电压下,记录仪每个通道应能够响应和显示峰峰值为20mV、变化率为125mV/s 的差分信号。
可监测到随时间变化的输出电压幅度折合到输入端,其变化量应不超过±10%。
2.1.2输入阻抗对于10Hz 正弦波信号,各输入通道的输入阻抗应大于50MΩ。
2.1.3共模抑制比≥96dB(50Hz 正弦波信号)。
2.1.4系统噪声折合到输入端的噪声电平应不超过25µV 峰峰值。
2.1.5频率响应在0.67Hz~40Hz 频率范围内,幅度变化量应在115%~70%(+1.2dB~-3.0 dB)之间(参考频率为5 Hz)。
对于以下频率范围的正弦信号,其响应幅度应在5Hz 时响应幅度的140%与70%之间(+3dB~-3dB):采样率为1000Hz 时,带宽为0.05Hz~260Hz;采样率为250Hz 时,带宽为0.05Hz~60Hz;采样率为125Hz 时,带宽为0.05Hz~40Hz;2.1.6最小检测信号描记速度为25mm/s、灵敏度为10 mm/mV 时,心电记录仪应能对10Hz、25µV 的正弦波信号记录到可分辨的波形。
2.1.7起搏脉冲显示能力设备支持起搏脉冲位置检测。
应能对幅度为2.0mV~700mV、脉宽为0.1ms~2ms,上升时间小于100µs 的起搏脉冲信号形成可视化记录。
2.1.8增益设置与切换支持5mm/mV、10mm/mV、20mm/mV,误差应不超过±5%。
2.1.9电池状态指示具备电池低电量提示功能。
2.1.10监测时间记录仪应能在 2.8 正常工作状态和电池满电的情况下连续工作48h 以上。
2.1.11数据保存具备掉电存储功能。
2.2导联系统动态心电记录仪支持 5 芯导联线和10 芯导联线作为ECG 输入来源。
智能智能心率监测器的技术要求智能心率监测器是近年来兴起的一种智能穿戴设备,可以通过传感器检测用户的心率并进行实时监测和记录。
随着人们对健康关注程度的增加,智能心率监测器逐渐成为人们运动健身的好帮手。
下面我将从技术要求的角度来详细介绍智能心率监测器需要满足的要求。
首先,智能心率监测器需要准确测量心率。
准确测量心率是智能心率监测器最基本的要求。
通过内置的光传感器和算法,智能心率监测器可以实时监测心率并将数据传输到使用者的手机或其他设备上。
准确测量心率的关键在于传感器的灵敏度和算法的精确性。
传感器需要能够准确感知心跳信号,而算法需要能够对传感器采集的数据进行准确分析和处理,排除干扰因素对测量结果的影响。
其次,智能心率监测器需要具备舒适的佩戴感。
由于智能心率监测器需要长时间佩戴在身体上,所以需要具备较好的佩戴感,不给使用者带来不适甚至疼痛。
智能心率监测器一般采用柔软的材质制作,可以贴合使用者的皮肤,同时还应具备透气、防汗和防水等功能。
舒适的佩戴感可以提高用户的使用体验,也能够增加用户的粘性。
第三,智能心率监测器需要具备可靠的数据传输功能。
智能心率监测器通常会将采集到的心率数据传输到使用者的手机或其他设备上,用户可以通过手机上的应用程序查看和分析心率数据。
因此,智能心率监测器需要具备稳定的无线传输功能,可以通过蓝牙或Wi-Fi等方式与其他设备进行连接。
同时,为了保护用户的隐私,智能心率监测器还需要具备数据加密和安全传输的功能。
此外,智能心率监测器还可以进一步提供更多的功能,以满足用户的个性化需求。
例如,智能心率监测器可以与其他健康管理应用程序进行互联,实现更全面的健康数据管理;还可以提供运动指导功能,根据用户的心率数据给出相应的运动建议和训练计划;还可以提供心率报警功能,当用户的心率超过或低于设定的阈值时,通过震动或声音来提醒用户等。
这些附加功能可以提高用户的使用体验,并更好地满足用户的个性化需求。
综上所述,智能心率监测器需要满足准确测量心率、舒适的佩戴感、可靠的数据传输功能以及个性化的附加功能等技术要求。
医疗器械产品技术要求编号:心电血压计1.产品型号/规格及其划分说明1.1产品型号:FL86-A、FL86-B、FL87-A、FL87-B1.2型号命名1.3结构组成由主机、心电导联线、臂带、心电电极(外购有医疗器械注册证的产品)、5号AA(1.5V)电池4颗、心电血压计嵌入式软件组成。
1.4软件信息1)软件的名称:心电血压计嵌入式软件2)规格型号:FL87-A、FL87-B3)发布版本:V1.04)软件完整版本命名规则:V X.Y.Z.B表示构建;表示纠正类软件更新;表示轻微增强类软件更新;表示重大增强类软件更新;Version的缩写;V代表Version;X代表主版本,每增加一个新功能(如软件结构发生变化,算法发生显著改变或替换),数字增加1,按照2,3,...递增;Y代表副版本,轻微改变功能、性能(如局部造成程序与前一版本不能兼容、或对该程序以前的协作关系产生了破坏、或者功能上有改进或增强),数字增加1,按照2,3,...递增;Z 代表更新号,如每修复一次漏洞,相应数字增加1,按照2,3,...递增。
B代表构建时间,如20201225。
5)运行环境硬件环境:CPU/MCU:ARM9RAM:64MROM:2M无线传输:蓝牙4.2软件开发环境:keil51.5型号/规格参数表1基本参数血压计适用人群色型号功能通讯方式外观颜FL86-A血压+心电图无白成人色FL86-B血压+心电图蓝牙4.2白成人色FL87-A血压+心电图无粉成人色FL87-B血压+心电图蓝牙4.2粉成人色2.性能指标2.1正常工作条件a)环境温度:5℃~40℃;b)相对湿度:≤85%R.H.;c)大气压力范围:70kPa~106kPa;d)使用电源:四颗五号AA(1.5V)碱性电池。
2.2外观、标识和文件2.2.1外观a.外壳应整齐美观,表面整洁,色泽均匀,无伤斑,裂纹等缺陷。
b.外壳各部分的整合严密,螺丝固定准确。
c.面板应无涂覆层脱落、锈蚀、面板上文字和标识清晰可见。
手持式心电检测仪适用范围:适用于医疗机构及家庭进行三导联心电波形、心率的测量。
1.1 手持式心电检测仪的产品型号划分:1.2 电气分类内部电源CF型应用部分。
1.3 产品型号:MD100A12-B1.4产品结构及组成:本产品由主机、心电导联线、APP软件组成。
1.5 手持心电检测仪的规格及基本参数见表1,产品外观见表2,功能表3,其中。
表1 型号规格及基本参数表2 产品外观表3功能表“√”—表示有此功能;“X”—表示无此功能1.6导联线三导联心电监测,导联线的连接标识和色码,符合YY1079-2008中4.1.1.3表1中的规定。
1.7 金属电极主机外壳上的金属电极共四块,分别用于替代导联电极,右侧2块金属电极为RA和LL,左侧2块金属电极为LA和LL。
2.1 心电检测仪的工作条件2.1.1环境温度:5℃~40℃2.1.2相对湿度:≤80%2.1.3大气压强:86~106kPa2.1.4电源条件:内部电源:D.B. 3V2.2 外观2.2.1外观要求表面应整洁,文字、符号和标志清晰,无腐蚀、涂覆层剥落、明显划痕、破损及变形等机械损伤。
2.2.2结构要求紧固件应连接牢固,功能开关及控制元件均应安装准确,调节可靠,其作用应与面板说明相符。
2.3性能指标2.3.1 心电监护部分2.3.1.1输入阻抗对于所有的通道,在规定的测试频率下输入阻抗不小于5MΩ。
2.3.1.2系统噪音由患者电缆、所有的内部电路和输出显示等部分产生的噪声不应超过30μV(p-v RT1)。
2.3.1.3增益控制和稳定性a)增益选择:至少应提供一个不低于5mm/mV的增益设置。
b)增益切换:如果提供了自动增益变化或增益切换,一旦选择了此模式,记录输出即应显示。
任何自动的增益切换应能被手动方式替换。
B)增益稳定性:仪器上电一分钟后的增益变化不应超过每分钟0.66%。
1h内的总变化不应超过任何可用的固定增益设置的±10%。
2.3.1.4时间基准选择和准确度任何设置的时间基准准确度变化不应超过整个显示窗口的±10%。
2. 性能指标
2.1 外观与结构
外壳应平整,不得有明显裂纹、毛刺和锋棱。
过渡处的轮廓应清晰,颜色应均匀。
调节机构应灵活可靠,各控制按键应响应灵敏,功能完备。
各文字和标志清晰、准确、牢固。
2.2 性能要求
2.2.1 心电波形显示灵敏度
标准灵敏度为 5mm/mV ,即在心电放大器输入端施加 1mV 标准电压,显示屏幕上得到
5mm 振幅时的灵敏度,误差不超过±10% 。
2.2.2 心电波形扫描速度:具有 20mm/s 的扫描速度,其误差范围不超过±10%。
2.2.3 内部噪声:不大于 30μVp -p 。
2.2.4 输入阻抗:+ 电极和 N 电极、- 电极和 N 电极之间的阻抗不小于 5 MΩ。
2.2.5 输入回路电流:应不大于 0.1 μA 。
2.2.6 共模信号抑制能力:共模抑制比应不小于 60dB 。
2.2.7 频率特性 ⎛ + 0.4dB ⎫ -
3.0dB ⎪
以 5Hz ,5mmp-p 振幅正弦波为基准,频率特性应满足 1Hz ~40Hz
⎝ ⎭ 的要求。
2.2.8 心率显示范围及误差:不小于(30~240)bpm ,误差为±2bpm 或 ±2%中最大者。
2.2.9 低电压提示
开机状态下,电池电压低于表 1 规定的低电压值(误差:±10%)时,应会出现低电压
提示“Low Battery”或“电池电压低”,并有“滴”“滴”声。
2.2.10 扩展导联线测量
除直接用手握电极测量心电外,还可用导联线对心电测量。
导联色标、规格见表 2、
表 3 规定。
表 2 导联色标
2.2.11 数据传输到 PC 机功能
通过专用数据线将检测仪与 PC 机进行连接,PC 机即可进行档案管理、数据采集、
数据回放等功能。
2.2.12SD 卡存储功能(选配):检测仪可扩展 SD 存储卡存储数据。
2.2.13心率变化趋势显示(选配)
检测仪可显示心率变化趋势,显示范围及误差应符合 2.2.8 条的要求。
2.2.14输入动态范围
在任意导联上施加这样的信号:-300mV~+300mV 范围内的直流偏置电压、频率为
10Hz±1Hz峰值幅度为 2mV 的正弦波信号,心电检测仪应能够作出响应和显示。
在规定的
直流偏置范围内,输出信号随时间变化的幅度应不超过±10%。
2.2.15最小检测信号:对 10Hz、300 V(峰-峰值)的正弦信号能检测。
2.2.1650Hz 干扰抑制滤波器:≧20db。
仅适用于 PC-80D、Prince 180D,其它型号为内部电源设备,不适用。
2.2.17外接输出:输出短路时必须不损坏本检测仪。
2.2.18连续工作时间
使用充足电的内电池(电池配置见表 1)供电,设备可连续工作时间符合表 1 规定。
2.3正常工作状态
模拟人体测试,应能显示心率值和心电波形。
2.4安全要求
应符合标准 GB 9706.1-2007《医用电气设备第 1 部分:安全通用要求》和 GB 10793-2000《医用电气设备第 2 部分:心电图机安全专用要求》的要求。
安全特征见
附录 A。
2.5电磁兼容要求
应符合标准 YY 0505-2012《医用电气设备第 1-2 部分:安全通用要求并列标准:
电磁兼容要求和试验》的要求。
2.6环境试验要求
2.6.1气候环境试验应符合 GB/T 14710-2009《医用电器环境要求及试验方法》中气候
环境试验Ⅱ组和表 4 的规定。
2.6.2机械环境试验应符合 GB/T 14710-2009 中机械环境试验Ⅱ组和表 4 的规定。
2.6.3运输试验与电源电压适应性应符合 GB/T 14710-2009 中第4、5 章和表 4 的规定。