FPGA入门系列实验教程——LED跑马灯
- 格式:pdf
- 大小:185.52 KB
- 文档页数:4
实验四一、实验目的: 实验目的:LED 跑 马 灯 实 验1、掌握 S3C2410 处理器与 LED 指示灯的电路原理。
2、掌握 linux 驱动对 S3C2410 GPIO 的控制原理及使用方法。
二、实验设备: 实验设备:FS2410 开发板、学生自带笔记本、USB 转串口线、电源、网线。
三、 实验地点及时间 实验地点及时间 地点:A2-303a 地点: 时间:教学周第八周 时间:教学周第八 四、实验内容: 实验内容:1、在 ARM 开发板上面,在驱动程序中利用 linux 定义的 GPIO F 口编写对应管脚电平 控制程序,并进行测试验证所学内容。
2、在 ARM 开发板上面,在上面程序的基础上采用动态 IO 映射的方法,编写程序,并 进行测试验证所学内容。
3、在 ARM 开发板上面,在驱动程序中利用内核定时器,编写程序,并进行测试验证 insmod module 后 LED 跑 2 圈的结果。
4、在 ARM 开发板上面,利用 2 的驱动程序,编写应用程序测试验证 LED 跑马灯的结 果。
五、实验原理: 实验原理:1、GPIO 端口原理 端口原理S3C2410X 有 117 个输入/输出端口,这些端口都具有多功能,通过引脚配置寄存器, 可以将其设置为所需要的功能,如:I/O 功能、中断功能等等。
大多数采用 S3C2410 的典型 LED 指示灯电路设计基本都使用 F 口(GPF 共 8 个输入/输出口)作为其控制端口。
端口寄存器及引脚配置 每一个端口都有 4 个寄存器,它们是:引脚配置寄存器、数据寄存器、引脚上拉寄存 器等。
Register GPXCON GPXDAT GPXUP RESERVEDAddress 0x560000x0 0x560000x4 0x560000x8 0x560000xCR/W R/W R/W R/W R/WDescription 端口 X 配置寄存器 端口 X 数据寄存器 端口 X 上拉寄存器 端口 X 保留寄存器Reset Value X X X -端口 F 引脚配置寄存器 GPFCON 0x56000050 位 位号 位 名 00 15,14 13,12 11,10 9,8 7,6 5,4 3,2 1,0 GPF7 GPF6 GPF5 GPF4 GPF3 GPF2 GPF1 GPF0 输入 输入 输入 输入 输入 输入 输入 输入 01 输出 输出 输出 输出 输出 输出 输出 输出 10 EINT7 EINT6 EINT5 EINT4 EINT3 EINT2 EINT1 EINT0 11 保留 保留 保留 保留 保留 保留 保留 保留 值端口 F 数据寄存器 GPFDAT 0x56000054 为准备输出或输入的数据,其值为 8 位[7:0]。
基于FPGA的跑马灯的设计1、设计要求设计彩灯控制电路:(1)控制8只LED左移、右移、对移和闪烁(2)自动改变显示样式(3)自动进行周期循环2、设计过程(1)原理框图设计图1 彩灯控制器原理框图彩灯控制电路拟采用移位寄存器为核心控制彩灯,实现左移、右移、对移及闪烁功能,并通过模式译码电路改变移位寄存器的模式控制引脚,实现彩灯显示模式的自动、周期性转换。
在移位寄存器处于各种移位状态时,应在其串行移位数据输入端提供显示数据,此功能通过设计数据选通器实现。
彩灯控制电路按照预设时序循环工作,需提供状态及定时信号,此功能由状态计数器对时钟进行分频来实现。
电路时钟由EDA/SOPC实验开发系统提供,此时钟频率较高(1MHZ),因此设计时钟分频器对其进行分频,得到1Hz时钟信号。
电路中,采用74160完成时钟分频,采用74161生成状态信号,采用译码电路完成模式控制,采用74194完成左移、右移、对移及闪烁功能,采用74151完成左移、右移和对移的数据输入选通控制。
(2)电路真值表分析如表1所示。
表1 电路真值表其中:QC1和QC0为状态计数器输出的控制信号;CLK/8为对时钟进行8分频的状态计数器输出信号,CLK/32为对时钟进行32分频的状态计数器输出信号;LED4为左侧74LS194的高位输出信号,LED5为右侧74LS194的低位输出信号;为简化设计,彩灯控制器的状态计数器输出(右移、左移、闪烁)与数据选通器控制端、移位寄存器工作模式(右移、左移、置数)的控制端采用相同逻辑值编码,状态计数器的对移输出与剩余的逻辑值编码(00)相同。
(3)时钟分频器设计107分频(4)状态计数器设计采用二进制计数器74LS161设计,提供时钟的2分频作为闪烁模式的数据信号,8分频作为移位的数据信号,32分频和64分频作为移位数据信号和模式控制信号。
(5)模式译码器设计根据真值表1,经逻辑化简可得:AS=11QCAS⋅QC=+QC=1QC10QCBS⋅QC==QC+QC111QCBS=0QC(6)数据选通器设计(7)移位寄存器设计使用了两片74LS194的左移、右移和置数模式分别实现了LED灯的左移、右移、对移和闪烁。
实验6 基于FPGA 的跑马灯的设计预习内容阅读《电工电子实验教程》第6.6节 可编程逻辑器件的应用。
预先学习Quartus II 软件的使用方法。
预习实验的内容,自拟实验步骤和数据表格,选择使用器件,完成电路设计,画出原理电路,手写预习报告。
一、实验目的1.了解EDA 软件在电子设计当中的重要作用。
2.熟悉并掌握Quartus II 开发软件的基本使用方法。
3.基于FPGA 设计跑马灯电路,并进行电路仿真。
二、实验内容设计一个彩灯控制电路(跑马灯电路),使一排LED (8只)自动改变显示样式。
基本要求:(1)控制8只LED 左移、右移、对移和闪烁;(2)自动进行周期循环。
三、设计提示彩灯控制器可以自动控制多路彩灯按不同的节拍循环显示各种灯光变换样式。
彩灯控制器是以高低电平来控制彩灯的亮灭。
在彩灯路数较少,样式变化比较简单时,可以用移位寄存器实现。
彩灯控制电路拟采用移位寄存器74LS194为核心控制彩灯,实现左移、右移、对移及闪烁功能,通过控制74LS194的S1和S0引脚改变彩灯显示的模式,并且S1、S0需要自动周期性的变化。
为了实现自动模式转换,需设计一个模式控制电路,控制彩灯完成周期性的模式转换。
电路中,采用74161完成状态计数工作,采用译码电路完成模式控制,采用74194完成左移、右移、对移及闪烁功能,采用74153完成左移、右移和对移数据输入选通控制。
控制器原理框图如图1所示。
图1 彩灯控制器原理框图四、实验要求本次实验使用软件Quartus II 。
画出逻辑电路图,并对电路中使用器件的功能、作用加以说明。
截取仿真波形,并对实验结果进行分析说明。
五、思考题1.总结设计跑马灯电路的设计过程。
模式 译码器 移位 寄存器 LED 指示灯数据 选通器状态计数器 时钟分频器 CLK六、报告要求在实验报告中写出详细的设计思路和设计过程。
画出仿真原理图和仿真结果。
列出电路中使用的元器件清单。
写出实验结果及实验总结。
嵌入式系统原理实验三跑马灯(共4页)--本页仅作为文档封面,使用时请直接删除即可----内页可以根据需求调整合适字体及大小--实验三跑马灯实验实验目的:通过一个经典的跑马灯程序,了解 STM32F1 的 IO 口作为输出使用的方法。
通过代码控制 ALIENTEK 战舰 STM32 开发板上的两个 LED: DS0 和DS1 交替闪烁,实现类似跑马灯的效果内容要点:1.硬件设计本章用到的硬件只有LED(DS0 和DS1)。
其电路在ALIENTEK 战舰STM32F103 开发板上默认是已经连接好了的。
DS0 接PB5,DS1 接PE5。
所以在硬件上不需要动任何东西。
其连接原理图如图:2.软件设计跑马灯实验我们主要用到的固件库文件是:/stm32f10x_usart /其中头文件在每个实验中都要引入,因为系统时钟配置函数以及相关的外设时钟使能函数都在这个其源文件中。
和头文件在我们SYSTEM 文件夹中都需要使用到,所以每个实验都会引用。
首先,找到之前新建的Template 工程,在该文件夹下面新建一个HARDWARE 的文件夹,用来存储以后与硬件相关的代码,然后在HARDWARE 文件夹下新建一个LED 文件夹,用来存放与LED 相关的代码。
新建和文件,一个外设对应一个.h和.c文件。
在Manage Components 管理里面新建一个HARDWARE 的组,并把加入到这个组里面,将头文件的路径加入到工程里面一般的头文件有固定的格式,多个地方调用头文件会重复引用,为了避免头文件内容重复引用,一般通过预编译的方式来写头文件。
一般的格式如下:#ifndef __LED_H#define __LED_H……#endif第一次调用时会将#define下面这一节全部定义,重复调用时,下面的东西就不会被引用。
头文件里一般用来写函数声明或者宏定义,在源文件中再去定义具体的函数。
#ifndef __LED_H#define __LED_Hvoid LED_Init(void);#endif然后我们打开USER 文件夹下的工程(如果是使用的上面新建的工程模板,那么就是Template. uvprojx,大家可以将其重命名为LED. uvprojx),按新建按钮新建一个文件,然后保存在HARDWARE->LED 文件夹下面,保存为。
led灯带跑马原理
LED灯带跑马原理是通过控制电流的变化来实现不同LED灯
珠的亮灭顺序变化,从而形成跑马灯效果。
LED灯带由多个LED灯珠组成,每个LED灯珠都连接到一个驱动电源上。
驱
动电源通过发出特定的电流信号来控制每个LED灯珠的亮灭
状态。
在跑马灯效果中,LED灯带的每个LED灯珠依次亮起并逐个
熄灭,然后顺序循环播放。
实现这一效果的关键是控制驱动电源发出的电流信号的变化。
一般通过电路或控制器来实现电流的控制和变化。
具体而言,LED灯带跑马原理主要包括以下几个步骤:
1. 初始化:LED灯带中的每个LED灯珠初始状态为关闭,电
流信号为零。
2. 电流控制:通过电路或控制器控制驱动电源发出特定的电流信号。
该电流信号可以是连续变化的模拟信号,也可以是离散的数字信号。
3. 亮灭顺序:电流信号的变化会依次使LED灯珠亮起并熄灭。
亮灭的顺序可以按照从左到右或从右到左的方向进行,也可以是其他自定义的顺序。
4. 循环播放:LED灯珠的亮灭顺序完成后,可以通过循环机
制使其不断重复播放。
循环播放可以通过电路或控制器中的计
时器或循环程序实现。
通过不断的电流信号变化和循环播放,LED灯带就可以呈现出跑马灯效果。
这种灯光变化的原理被广泛应用于室内和室外装饰、广告牌、舞台灯光等领域。
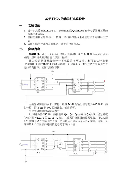
基于FPGA的跑马灯电路设计一、实验目的1、进一步熟悉MAXPLUS II、Multisim或QUARTUS II等电子开发工具的基本使用方法。
2、掌握使用移位寄存器、计数器、译码器等集成电路进行综合电路设计方法3、运用图解法设计跑马灯电路,并进行电路仿真。
二、实验内容实验题目:设计一个跑马灯电路。
要求输出8个LED灯从左到右逐个点亮,然后再从右到左逐个点亮,循环。
首先根据题目要求设计一下电路的实现方法,利用加法计数器(74LS161)和74LS138(3-8译码器)可实现8个LED灯从左到右逐个点亮的单向循环,实际电路如下图:而要完成实验的要求,需将计数器74161的输出信号变为000到111的加计数,再由111到000的减计数,然后循环。
实现实验题目的方法有两种:1、将计数器74LS161的输出端Q A、Q B、Q C分别与Q D异或,经过异或门输入到74LS138的A、B、C端,其数据符合题目的数据要求。
可以实现8个LED灯从左到右逐个点亮,然后再从右到左逐个点亮,循环。
但第1个灯和第8个灯显示的时间长度是其它灯的2倍。
2、使用可逆计数器74LS191来完成电路的计数部分,利用可逆计数器74LS191的加减计数控制端U/D′,U/D′输入低电平时计数器为加法计数器,U/D′输入高电平时计数器为减法计数器。
当计数器74LS191加计数到7(0111)时,通过与门取出信号,经过或门使D触发器输出由原来的低电平反转为高电平,通过加减控制端U/D′,使计数器由加法计数变为减法计数。
当计数器74LS191减计数到0(0000)时,借位输出端产生信号,经过或门使D触发器输出由原来的高电平反转为低电平,通过加减控制端U/D′,使计数器由减法计数变为加法计数。
计数器输出信号为0000到0111的加计数,再由0111到0000的减计数,不断循环。
再经过3—8译码器使8个LED灯从左到右逐个点亮,然后再从右到左逐个点亮,循环。
信息工程学院实训报告题目:学生姓名:学号:专业:班级:指导教师:实训任务书1.1 设计题目:多开关控制跑马灯1.2 设计要求1.2.1 设计目的(1)掌握开关和LED灯的构成、原理与设计方法;(3)学会使用C语言编写设计逻辑电路;(2)熟悉Xilinx EDK软件的使用方法。
1.2.2 基本要求(1)能用C语言设计多开关控制跑马灯的电路;(2)能进行多开关控制跑马灯检测和仿真;(3)能进行多开关控制跑马灯硬件下载。
1.2.3 发挥部分(1)利用C语言编写多种跑马灯工作方式;(2)硬件显示多种跑马灯功能。
摘要嵌入式系统经历了从单片计算机、工业控制计算机、集中分布式控制系统,发展到嵌入式的平台的几个阶段:从独立单机使用发展到联网设备;从以模拟电路为主发展到以数字电路为主、数/模混合型,进而进入全数字时代。
总的来说,嵌入式系统向着更高性能、更小体积、更低功耗、更廉价、无处不在的方向发展。
嵌入式系统的设计和实现朝着基于芯片,特别是片上可编程系统(SOPC)的方向发展。
嵌入式开发套件(EDK)是用于设计嵌入式可编程系统的全面解决方案。
该套件包括嵌入式软件工具(Platform Studio)以及嵌入式IBM PowerPC硬件处理器核和/或Xilinx MicroBlaze软处理器核进行Xilinx平台FPGA设计时所需的技术文档和IP。
注意,这里的嵌入式软件工具指用来产生、编辑、编译、链接、加载和调试高级编程语言(通常是C或C++)代码的工具,以便在处理器引擎上执行。
由于嵌入式系统涉及了软件和硬件的开发以及两者的综合设计,因此其开发是较为复杂的。
本设计首先通过EDK的XSP搭建一个硬件平台,添加设计需要的IP内核;然后引入SDK,在SDK中用C语言进行程序的编写并进行编译下载,基于XSP、SDK和FPGA 等完成了用四个开关来控制8个LED灯的不同点亮方式及不同的跑马灯,进而完成多开关控制跑马灯。
关键词:嵌入式、XSP、SDK、跑马灯目录实训任务书 (II)1.1 设计题目:多开关控制跑马灯 (II)1.2 设计要求 (II)1.2.1 设计目的 (II)1.2.2 基本要求 (II)1.2.3 发挥部分 (II)摘要 (III)第一章设计原理及分析 (1)1.1 设计原理 (1)1.1.1 LED点亮原理 (1)1.1.2 开关工作原理 (1)1.2 原理分析 (1)1.2.1 设计流程 (2)第二章设计内容及思路 (3)2.1 设计程序及分析 (3)2.1.1 主程序及分析 (3)2.1.2 主程序流程图 (8)2.1.3 波形仿真程序 (8)2.1.4 波形仿真图形 (8)2.1.5 引脚分配 (9)第三章Xilinx EDK12.4软件的应用 (10)3.1 创建硬件平台 (10)3.2 添加IP Core (10)3.3 生成仿真文件 (10)3.4 生成硬件比特流 (10)3.5 开发软件系统 (10)3.6 下载 (10)总结 (11)致谢 (12)参考文献 (13)附录1 程序代码 (14)第一章设计原理及分析1.1 设计原理把四个开关作为选择器,用C语言编写四种不同的跑马灯工作方式;通过四个开关的闭合与开启来选择跑马灯的工作方式,一个开关闭合对应的8个LED灯就进行一种跑马方式。
微控制器综合设计与实训实验名称:实验三跑马灯实验实验三:跑马灯实验1 实训任务(1) 编写程序,实现对LED1~LED8的轮流点亮;(2) 仿真调试,调整延时时间,利用仿真示波器观察延时时间长短;(3) 下载程序,观察跑马灯运行状况。
1.1 实验说明本实验将要实现的是控制实训平台上的8个LED灯实现一个类似跑马灯的效果,LED通过控制IO口的高低电平工作,因此实验的关键在于如何控制STM32的IO口输出。
1.2 实验步骤(1) 在实训平台上将IO口与LED(LED1~LED8)连接;(2) 复制工程模板文件夹,新建led.c和led.h文件,并将新建文件加入工程中;(3) 编写led.h文件,声明void LED_Init(void)初始化函数,宏定义LED1~LED8;(4) 编写led.c文件,建立void LED_Init(void)初始化函数,实现对LED灯用到的IO端口的配置,配置为推挽输出,速度为50MHZ;(5) 编写main()函数,实现对LED1~LED8的轮流点亮;(6) 软件仿真,调整延时时间,利用仿真示波器观察延时时间长短;(7) 下载程序,观察跑马灯的运行状况。
2 程序设计2.1 通过数组实现流水灯:2.2 通过宏定义实现流水灯:2.3 通过函数实现流水灯:2.4 通过SYSTICK中断实现流水灯:3硬件原理图设计4 总结通过数组实现流水灯:通过宏定义实现流水灯:通过函数实现流水灯:通过SYSTICK中断实现流水灯:实验心得:本次实验通过四种方法来实现流水灯,分别是通过数组实现流水灯,通过宏定义实现流水灯,通过函数实现流水灯,通过SYSTICK中断实现流水灯。
让我体会到单片机代码的多样性及强大的拓展功能。
MCU通过控制IO口的高低电平来直接控制LED的亮灭,所以本实验的关键是如何控制STM32的IO口输出,来达到我们想要的效果。
就比如灯光秀。
基于FPGA的跑马灯的设计1、设计要求设计彩灯控制电路:(1)控制8只LED左移、右移、对移和闪烁(2)自动改变显示样式(3)自动进行周期循环2、设计过程(1)原理框图设计图1 彩灯控制器原理框图彩灯控制电路拟采用移位寄存器为核心控制彩灯,实现左移、右移、对移及闪烁功能,并通过模式译码电路改变移位寄存器的模式控制引脚,实现彩灯显示模式的自动、周期性转换。
在移位寄存器处于各种移位状态时,应在其串行移位数据输入端提供显示数据,此功能通过设计数据选通器实现。
彩灯控制电路按照预设时序循环工作,需提供状态及定时信号,此功能由状态计数器对时钟进行分频来实现。
电路时钟由EDA/SOPC实验开发系统提供,此时钟频率较高(1MHZ),因此设计时钟分频器对其进行分频,得到1Hz时钟信号。
电路中,采用74160完成时钟分频,采用74161生成状态信号,采用译码电路完成模式控制,采用74194完成左移、右移、对移及闪烁功能,采用74151完成左移、右移和对移的数据输入选通控制。
(2)电路真值表分析如表1所示。
表1 电路真值表其中:QC1和QC0为状态计数器输出的控制信号;CLK/8为对时钟进行8分频的状态计数器输出信号,CLK/32为对时钟进行32分频的状态计数器输出信号;LED4为左侧74LS194的高位输出信号,LED5为右侧74LS194的低位输出信号;为简化设计,彩灯控制器的状态计数器输出(右移、左移、闪烁)与数据选通器控制端、移位寄存器工作模式(右移、左移、置数)的控制端采用相同逻辑值编码,状态计数器的对移输出与剩余的逻辑值编码(00)相同。
(3)时钟分频器设计107分频(4)状态计数器设计采用二进制计数器74LS161设计,提供时钟的2分频作为闪烁模式的数据信号,8分频作为移位的数据信号,32分频和64分频作为移位数据信号和模式控制信号。
(5)模式译码器设计根据真值表1,经逻辑化简可得:AS=11QCAS⋅QC=+QC=1QC10QCBS⋅QC==QC+QC111QCBS=0QC(6)数据选通器设计(7)移位寄存器设计使用了两片74LS194的左移、右移和置数模式分别实现了LED灯的左移、右移、对移和闪烁。
LED跑马灯实验初学者可先动手做下面的实验:发光二极管轮流点亮的实验,也就是通常所说的跑马灯实验,首先让我们来完成必须的硬件部分,我们需要焊接上8个发光二极管和8个限流电阻,可以参考下面的原理图和实物图像进行操作,需要注意的是LED是有极性的,引脚长的为正极,引脚短的为负极,负极和电阻一侧连接,如果接错那么相应的那一路可能在实验中不会点亮了,在焊接前要看仔细哦 D2D7D4D3D1D6D5D8R7R2R3R4R5R6R1R812345678STC89C51RC VCC +5V 下面我们来完成软件编程设计,这里我们没有采用高深的编程技巧,而是用了最笨、最直接的向端口送数的办法来实现,一来程序比较简单,没必要玩深沉,而且初学者看起来直观易懂。
ORG 0000H START:MOV P1,#01111111B;最下面的LED点亮 LCALL DELAY;延时1秒 MOV P1,#10111111B;最下面第二个的LED点亮 LCALL DELAY;延时1秒 MOV P1,#11011111B;最下面第三个的LED点亮 (以下省略) LCALL DELAY MOV P1,#11101111B LCALL DELAY MOV P1,#11110111B LCALL DELAY MOV P1,#11111011B LCALL DELAY MOV P1,#11111101B LCALL DELAY MOV P1,#11111110B LCALL DELAY MOV P1,#11111111B;完成第一次循环点亮,延时约0.25秒 AJMP START;反复循环 ;延时子程序,12M晶振延时约250毫秒 DELAY: MOV R4,#2 L3: MOV R2 ,#250 L1: MOV R3 ,#250 L2: DJNZ R3 ,L2 DJNZ R2 ,L1 DJNZ R4 ,L3 RET END 如何精确计算延时子程序的执行时间? 汇编语言的一大优势就是能够精确控制程序的执行时间,这在编写一些对时序要求严格的外围器件驱动时由为重要! ;延时子程序,12M晶振延时约253毫秒 DELAY: MOV R4,#2------执行1个机器周期,耗时1微秒 L3: MOV R2 ,#250---执行1个机器周期,耗时1微秒 L1: MOV R3 ,#251---执行1个机器周期,耗时1微秒 L2: DJNZ R3 ,L2---执行2个机器周期,反复执行251次(2x251)=502微秒) DJNZ R2 ,L1-----执行2个机器周期,反复执行250次(1+502+2)*250=126250微秒) DJNZ R4 ,L3-----执行2个机器周期,反复执行2次 (1+1+502+126250+2)*2=253512微秒) RET delay 加上第一条总共延时1+253512=253513微秒 。
实验5.2 跑马灯实验·实验说明在FPGA 实验板上用VHDL 语言或者Verilog语言都能够很快地写出跑马灯实验程序。
本实验要求完成的是基于SOPC 的跑马灯设计,具有一定的操作复杂性。
·实验步骤5.2.1建立Quartus 工程1.新建Quartus 工程RunningLED,顶层实体名RunningLED。
2.重新设置编译输出目录为../ RunningLED/release。
5.2.2建立SOPC系统3.点击Quartus II 软件右上方图标打开SOPC Builder,创建一个SOPC 系统。
填写系统名称为RinningLED_System,并指定VHDL 为描述系统的语言,如图5-23。
图5-23 添加系统名称并指定语言4.在系统上添加On-Chip Memory在程序左侧列表中选择Memory and Memory Controllers -> On-Chip -> On-Chip Memory (RAM or ROM),双击添加至系统中。
在弹出的对话框中指定片上RAM 的属性,因为不需要显示,编译结果很小,保持默认即可。
图5-24 指定On-Chip Memory 属性鼠标移动到片内存储器的名称onchip_memonry2.0上并点击右键,在弹出菜单中选择Rename,然后更改名称为onchip_mem。
5.添加Nios II Processor双击Altera SOPC Builder -> Nios II Processor,在弹出的对话框中间选择处理器NIOS II/s;硬件乘法器(Hardware Multiply)选择None,即不需要硬件乘法器;复位向量和异常向量存储器(Memory)均选择前面刚刚添加的片内存储器onchip_mem,此时二者的偏移量(Offset)自动设置为0x0和ox20。
复位向量是指整个系统软件复位后启动的程序地址,一般为非易失存储器。
led灯带跑马灯控制原理概述及解释说明1. 引言1.1 概述LED灯带跑马灯控制原理是一项在现代照明领域具有广泛应用的技术。
LED灯带作为一种新型照明设备,具有节能环保、长寿命和多彩多样的特点,已广泛应用于家居装饰、商业场所和娱乐场所等领域。
而跑马灯控制则是通过不断变化的光线效果,营造出动感夺目的视觉效果。
本文将详细介绍LED灯带跑马灯控制原理,并深入解释其重要性以及应用场景。
读者通过学习本文,将对LED灯带跑马灯控制有一个全面的了解,并能在实际装饰和设计中做出合适的选择。
1.2 文章结构本文主要分为五个部分。
首先,在引言部分进行概述,给读者一个整体的了解;其次,在第二部分对LED灯带跑马灯控制原理进行详尽说明;接着,第三部分阐述了该原理的核心要点;随后,在第四部分通过实际应用案例讲解和图示展示来进一步加深读者的理解;最后,在结论部分进行总结,并展望了该技术未来的发展前景和可能的创新方向,同时给出了读者进一步学习和应用该原理的建议。
1.3 目的本篇文章旨在全面阐述LED灯带跑马灯控制原理,使广大读者对其功能、原理和应用有一个清晰的认识。
通过本文的学习,读者不仅能够了解LED灯带跑马灯控制原理在家居装饰、商业场所和娱乐场所等各个领域的实际应用案例,还能够了解其重要性和发展前景。
该文同时提供了指导读者深入学习和应用该原理的建议,使读者能够将该技术更好地应用于实际生活中。
2. LED灯带跑马灯控制原理:2.1 LED灯带基本原理:LED灯带是一种由多颗小型发光二极管(LED)组成的照明产品。
LED作为一种半导体器件,可以将电能转化为可见光能量,具有较高的亮度、节能和寿命长的特点。
LED灯带通过串联或并联多颗LED组成一个电路,使用适当的电压和电流供给来实现照明效果。
2.2 跑马灯控制的概念和应用场景:跑马灯控制是指通过控制LED灯带中不同部分的亮暗变化来呈现类似跑马灯效果的一种照明控制方式。
它可以使LED灯带在一定区域内依次闪烁、流动或变换颜色,创造出动态且吸引人的视觉效果。
基于FPGA的数字电路实验7:流水灯的实现原创 Daniel继年前介绍的时序逻辑电路之时钟分频后,今天我们来介绍第7讲:流水灯。
流水灯,有时候也叫跑马灯,是一个简单、有趣又经典的实验,基本所有单片机的玩家们在初期学习的阶段都做过。
本次我们也来介绍一下如何通过小脚丫FPGA实现一个流水灯。
流水灯就是让一连串的灯在一定时间内先后点亮并循环往复,所以其中的关键要领就在于控制每两个相邻LED亮灭的时间差,以及所有LED灯完成一组亮灭动作后的循环。
很久都没有用过小脚丫的朋友可以再回顾一下,这上面有8个LED灯,且低电平点亮。
实现流水灯的方法绝不止一种,在这里我们采用模块化的设计思路,因为模块化设计对于之后构建大型电路系统非常有帮助,并且我们还可以借机温习一下以前学过的内容。
现在我们的目标是每过1秒后点亮下一个LED灯并且熄灭当前灯,且在第8个灯熄灭之后循环整个流程,该如何设计整个模块?我们先上图后解释。
毫无疑问,第一步需要做的就是通过分频来生成一个周期为1秒的时钟信号,不了解时钟分频童鞋可以读一下本系列的第6篇内容。
有了一个1秒钟嘀嗒一次的时钟后,我们还要考虑到循环问题,因为在第8个LED灯熄灭之后还需要再返回到第1个。
那么这个时候我们就需要一个计数器,它的作用就是数羊,一只,两只…...数到第八只后重头再来。
数8只羊需要一个3位宽的变量(23=8)。
最后,由于我们是要依次点亮,也就是说8位的输出中每次只有1位是低电平,其余均为高电平(小脚丫LED灯为低电平点亮)。
这个特性正好对应了我们之前学过的3-8译码器。
现在我们再来捋一遍。
首先,通过分频在小脚丫上生成一个周期为1秒的慢速时钟信号,这个时钟信号传送到计数器之中;这个计数器是3位宽的,因此最多可以计八次慢速时钟的嘀嗒,并且计数每增加1时,都对应着3-8译码器的下一种输出,也就对应着流水灯的下一个状态。
现在我们上代码:•••••••••••••••••••••••module runningled (clk,led); input clk,rst; output[7:0] le d; reg [2:0] cnt ; / /定义了一个3位的计数器,输出可以作为3-8译码器的输入 wire clk1hz; //定义一个中间变量,表示分频得到的时钟,用作计数器的触发 //例化分频模块,产生一个1Hz时钟信号 divide #(.WIDTH(24),.N(12000000)) u2 ( //除数为12,000,000,因此频率为1Hz .clk(clk), .rst_n(rst), .clkout(clk1hz) ); //生成计数器,上沿触发并循环计数 always@(posedge clk1hz) cnt <=< span=""> cnt +1; // 达到位宽上限后可自动溢出清零 //例化3-8译码器模块 decode38 u1 ( .X(cnt), //例化的输入端口连接到cnt,输出端口连接到led .D(led) );endmodule在第四篇讲译码器的文章里,我们介绍过,如果需要调用/例化子模块时,需要将各子模块与大模块放入同一个工程文件下进行编译。
led跑马灯实验报告
LED跑马灯实验报告
引言
LED跑马灯是一种常见的电子产品,它能够以特定的频率闪烁,产生视觉上的连续移动效果。
在本次实验中,我们将利用LED灯和一些基本的电子元件,设计并搭建一个LED跑马灯,并通过实验验证其工作原理和效果。
实验目的
1.了解LED跑马灯的工作原理
2.掌握LED跑马灯的搭建方法
3.观察LED跑马灯的闪烁效果
实验材料
1. LED灯
2. 电阻
3. 电容
4. 电路连接线
5. 电源
实验步骤
1. 按照电路图连接LED灯、电阻和电容
2. 将电路连接至电源
3. 观察LED跑马灯的闪烁效果
实验结果
通过实验我们成功搭建了一个LED跑马灯,并观察到了其连续移动的效果。
LED灯以一定的频率闪烁,产生了视觉上的连续移动效果,符合LED跑马灯的工作原理。
实验结论
LED跑马灯是一种基于LED灯的电子产品,通过LED灯的频繁闪烁,产生了视觉上的连续移动效果。
通过本次实验,我们了解了LED跑马灯的工作原理,掌握了LED跑马灯的搭建方法,并观察到了LED跑马灯的闪烁效果。
这些都为我们进一步了解和应用LED跑马灯提供了基础。
总结
LED跑马灯作为一种常见的电子产品,在日常生活中有着广泛的应用。
通过本次实验,我们对LED跑马灯有了更深入的了解,也为我们今后的学习和实践提供了基础。
希望通过今后的学习和实践,我们能够更好地掌握LED跑马灯的原理和应用,为我们的日常生活和工作带来更多的便利。
单片机实例之跑马灯(二)引言概述:本文主要介绍了单片机实例中的跑马灯(二)的设计和实现。
通过使用单片机控制LED灯的亮灭顺序和频率,展示出跑马灯效果。
文章将从硬件接口的连接、软件设计、电路调试、代码优化和总结五个大点来详细讲述整个跑马灯的实现过程。
正文内容:一、硬件接口的连接1. 连接LED灯和单片机的端口引脚2. 添加合适的电阻限流器3. 连接额外的电源供给(若需要)二、软件设计1. 初始化单片机的IO接口2. 设定LED灯的控制端口为输出3. 设定相应的延时时间和频率三、电路调试1. 检查单片机和LED灯的连接是否正确2. 使用示波器测量电压和电流波形3. 调整电阻的阻值以控制LED灯的亮度4. 检查电源稳定性和供电电压四、代码优化1. 使用更高效的延时函数2. 采用位操作方式控制LED灯的亮灭3. 增加循环计数变量,实现灯光的循环移动4. 将代码分块、模块化,提高可维护性和可扩展性五、总结通过对单片机跑马灯(二)的实现过程的介绍,我们了解了硬件接口连接、软件设计、电路调试和代码优化等关键步骤。
同时,我们还学习了如何使用单片机控制LED灯的亮灭顺序和亮度,并实现了跑马灯效果。
通过不断的优化和调试,我们可以进一步提高灯光效果和系统稳定性。
总结:本文通过引言概述、正文内容和总结的方式详细介绍了单片机实例中的跑马灯(二)的设计和实现过程。
通过硬件接口的连接、软件设计、电路调试、代码优化等关键步骤的说明,读者可以了解到如何实现跑马灯效果,并通过优化和调试提高系统的稳定性和效果。
希望本文对读者的学习和实践有所帮助。
艾米电子工作室FPGA入门系列实验教程
FPGA入门系列实验教程V1.0
前言
目前市场销售FPGA开发板的厂商很多,但大多只提供些简单的代码,没有详尽的文档和教程提供给初学者。
经验表明,很多学生在学习FPGA设计技术的过程中,虽然刚开始学习热情很高,但真正坚持下来一直到“学会”的却寥寥无几,除了学生个人毅力的因素外,另外一个更主要的原因就是所选的开发板缺少配套的说明文档和手把手系列的入门教程。
原本FPGA的学习门槛相对于单片机来说就高了不少,再加上缺少手把手系列教程资料,这就给初学者学习FPGA增添了更多的困难,很多初学者因为找不到入门的方法而渐渐失去了学习FPGA的兴趣和信心。
作者从接著到系统学习FPGA有两年多的时间了,学习FPGA的时间不长,期间因为没有专业的老师指导,自己摸索学习FPGA走了很多的弯路。
有过问题迎刃而解的快乐,也有过苦苦寻求结果和答案的痛苦历程,回想起自己学习FPGA的历程,从开始的茫然,到后来的疯狂看书,购买开发板,在开发板上练习各种FPGA实例,到最后能独立完成项目,一路走来,感受颇多。
发觉学习FPGA只要选择正确的方法是有捷径可走的,有很多人学习FPGA很长时间,因为没有找到正确的方法还是停留在入门阶段。
针对现状,作者从初学者的角度出发,结合作者学习FPGA的经验和亲身体会,遵循“宁可啰嗦一点,也不放过细节”的原则编写了详尽的实验教程作为艾米电子工作室开发套件的配套教程使用,主要面向FPGA初学者。
FPGA的学习只有通过大量的操作与实践才能很好并快速的掌握。
为此本实验教程从点亮LED 灯写起,深入浅出,以图文并茂的方式由易到难地列举了很多实例,采用手把手、Step by Step的方式让初学者以最快的方式掌握FPGA技术的开发流程以及Quartus II软件的使用,从而激起初学者学习FPGA的兴趣。
在教程中作者采用“授人以渔”的方式,努力做到不仅讲述怎样进行试验,而且分析为什么这样做,以便初学者深刻理解并快速掌握FPGA的学习方法。
本实验教程的所有实例均在艾米电子工作室开发套件上验证通过,本教程虽然简单但编写也花费了作者大量的时间和精力,对于转载需要注明出处:(艾米电子工作室作者:静水流深),并未经艾米电子工作室同意不得用于其他商业用途。
FPGA技术是不断发展变化的,要掌握FPGA技术的精髓,需要设计者在实践中不懈地摸索与积累,逐步提高自己的设计水平,本实验教程试图对初学者起到快速入门的作用。
但由于作者学习FPGA时间不长,水平有限,错漏和不严谨之处在所难免,欢迎大家批评指正。
并请您将阅读中发现的错误或建议发送到作者Email:zhoujie9220@,以使本教程不断地完善。
FPGA入门系列实验教程——LED跑马灯
1.实验任务
让实验板上的8个LED实现跑马灯的功能。
通过这个实验,进一步掌握采用计数与判断的方式来实现分频的Verilog HDL的编程方法以及移位运算符的使用。
2.实验环境
硬件实验环境为艾米电子工作室型号EP2C5T144开发套件。
软件实验环境为Quartus II8.1开发软件。
3.实验原理
从LED[0]到LED[7]依次点亮,第二个灯点亮时第一个熄灭,每个灯交换的时间为0.5S;看上去的效果就象一个亮点从LED[0]跑向LED[7],然后重复此循环,故命名跑马灯。
初始状态时,LED[0]亮,其余熄灭。
每来一个时钟脉冲CLK,计数器就加1。
每当判断出计数器中的数值达到25000000时,就会点亮LED[1],同时LED[0]熄灭,并进行移位。
这样,依次点亮所有的灯,就形成了跑马灯。
而当LED[7]点亮时,需要一个操作使得恢复为初始状态,即:LED[0]亮,其余熄灭。
然后,再进行一次跑马灯,重复此循环。
如果是右移位,就出现向右跑马的现象;反之,向左跑马。
4.实验程序
module ledwalk(led,clk);
input clk;
output[7:0]led;
reg[7:0]led_out;
reg[25:0]buffer;
always@(posedge clk)
begin
buffer<=buffer+1'b1;
if(buffer==26'd2*******)
begin
led_out=led_out<<1;
if(led_out==8'b00000000)
led_out=8'b00000001;
end
end
assign led=led_out;
endmodule
5.实验步骤
(1)建立新工程项目:
打开Quartus II软件,进入集成开发环境,点击File→New project wizard建立一个工程项目ledwalk。
(2)建立文本编辑文件:
点击File→New..在该项目下新建Verilog HDL源程序文件ledwalk.v,输
入试验程序中的源程序代码保存后选择工具栏中的
按钮,配置LED[0]---LED[7]以及clk的引脚。
(5)编译工程项目:
在Quartus II主页面下,选择Processing→Start Compilation或点击工具
栏上的
module ledwalk(sys_clk,led);
input sys_clk;
output[7:0]led;
reg[7:0]led;
reg[24:0]count;
reg[2:0]state;
wire clk;
always@(posedge sys_clk)
count=count+1;
assign clk=count[24];
always@(posedge clk)
begin
case(state)
3'b000:led=8'b10000000;
3'b001:led=8'b01000000;
3'b010:led=8'b00100000;
3'b011:led=8'b00010000;
3'b100:led=8'b00001000;
3'b101:led=8'b00000100;
3'b110:led=8'b00000010;
3'b111:led=8'b00000001;
endcase
state=state+1;
end
endmodule
用case语句实现跑马灯的方法应该很容易理解吧!简单的介绍一下,先把系统时钟进行分频,分频后的时钟clk作为case语句的触发时钟,每来一个clk脉冲,计数器加1,通过case语句的选择实现跑马灯的功能。
大家试着修改一下程序让它实现流水灯的功能或者其他方式的花样灯。
应该很简单吧!。