基槽平面及标高实测记录01-06-C3-001
- 格式:doc
- 大小:137.50 KB
- 文档页数:2
基槽验线记录DB15/427-2005基槽验线记录C01-5-02-001工程名称秋实中学学生餐厅日期2010年月日验线依据及内容:依据:(1)定位控制桩。
(2)规划测绘部门给定的高层控制水准点。
(3)基础平面图、剖面图。
内容:校核基底外轮廓线、控制轴线、检查基底标高。
DB15/427-2005基槽验线记录C01-5-02-001工程名称富兴花园1#综合楼C区日期2010年7月12日验线依据及内容:依据:(1)定位控制桩。
(2)规划测绘部门给定的高层控制水准点。
(3)基础平面图、剖面图。
内容:校核基底外轮廓线、控制轴线、检查基底标高。
基槽平面、剖面简图:检查意见:基底外轮廓线及基础控制轴线最大偏差+5mm,符合规范要求。
基底标高最大偏差+7mm,符合规范要求。
签字栏监理(建设)单位施工测量单位监理工程师(建设单位代表)专业技术负责人专业质检员施测人内质检软件登记号:47180402DB15/427-2005基槽验线记录C01-5-02-001工程名称呼市联兴易诚食品有限公司新建3800吨冷库工程日期2010年月日验线依据及内容:依据:(1)定位控制桩。
(2)规划测绘部门给定的高层控制水准点。
(3)基础平面图、剖面图。
内容:校核基底外轮廓线、控制轴线、检查基底标高。
基槽平面、剖面简图:检查意见:基底外轮廓线及基础控制轴线最大偏差+5mm,符合规范要求。
基底标高最大偏差+7mm,符合规范要求。
签字栏监理(建设)单位施工测量单位监理工程师(建设单位代表)专业技术负责人专业质检员施测人内质检软件登记号:47180402DB15/427-200基槽验线记录C01-5-02-001工程名称水岸华庭一期税悦小区A1#楼日期2010年月日验线依据及内容:依据:(1)定位控制桩。
(2)规划测绘部门给定的高层控制水准点。
(3)基础平面图、剖面图。
内容:校核基底外轮廓线、控制轴线、检查基底标高。
基槽平面、剖面简图:检查意见:基底外轮廓线及基础控制轴线最大偏差+5mm,符合规范要求。
DB15/427—2005基础轴线标高检查记录C01-5-03-001 工程名称佳家花园廉租房7#楼检查部位基础±0.00 检查日期2010年10月9日放线依据:依据:定位控制桩、规划测绘部门给定的控制水准点、基础平面及剖面图。
内容:核查构造柱、基础砖砌体的轴线偏差及标高偏差。
放线简图:标高:以乌兰花路与清河大街交点的176.289为准定为178.1 为±0.00。
检查意见:基础各控制轴线位置准确无误。
最大轴线偏差5㎜,标高最大偏差3㎜。
符合规范要求。
签字栏监理(建设)单位施工单位监理工程师(建设单位代表)单位工程技术负责人专业质检员资料员内质检软件登记号:64190163DB15/427—2005基槽验线记录C01-5-02-001 工程名称佳家花园廉租房16#楼日期2010年10 月8 日验线依据及内容:依据:(1)定位控制桩。
(2)规划测绘部门给定的高程控制水准点。
(3)基础平面、剖面图。
内容:校核基底外轮廓线、控制轴线;检查基底标高;复核地下室集水坑位置及坑底标高。
基槽平面、剖面简图:○○1265 50050 1265 31015○10同同甘共苦○1015 -2.300500 915(1165)○检查意见:基底外轮廓线位置及基础控制轴线最大偏差+3㎜。
符合规范要求。
基底标高最大偏差+6㎜。
符合规范要求。
签字监理(建设)单位施工测量单位监理工程师(建设单位代表)专业技术负责人专业质检员施测人栏内质检软件登记号:64190163DB15/427—2005工程定位测量记录C01-5-01-001工程名称 佳家花园廉租房7#8#15#16# 建设单位 通辽市住房和城乡建设委员会 制表日期 2007年 7 月 22 日 施工单位 通辽市鑫华建筑工程公司施测日期 2007年 7 月 19 日图纸编号 建施—2、3坐标依据 建施—2总平面高程依据 西拉木伦大街永安路交汇处177.82 使用仪器经纬仪JGJ2、水准仪NA724闭合差i <1/10000 h ≤±6√n ㎜定位示意图: 尺寸单位:m 高程单位:m水准点编号与标高 设计标高纵横向尺寸表示方法相对相对 ±0.000横向=A 绝对绝对纵向=B清 河 大 街乌兰花路高程36488.70437367.714373214.0936486.77437380.0936493.2936495.22437426.7136439.06437417.8836433.58 437370.00437323.3836431.65 437382.9836434.857#178.1008#178.00015#178.10016#177.900监理工程师:技术负责人:抄测人:(建设单位项目负责人)施工员:质检员:复测人:内质检软件登记号:64190163DB15/427—2005工程定位测量记录C01-5-01-001 工程名称佳家花园廉租房16#楼建设单位通辽市住房和城乡建设委员会制表日期2010年10月9 日施工单位通辽市鑫华建筑工程公司施测日期2010年10月9 日图纸编号建施—2、3坐标依据建施—2总平面高程依据清河大街北乌兰花路东176.289 使用仪器经纬仪JGJ2、水准仪NA724 闭合差i<1/10000 h≤±6√n ㎜定位示意图:尺寸单位:m高程单位:m水准点编号与标高设计标高纵横向尺寸表示方法相对相对±0.000 横向=A绝对绝对纵向=B监理工程师:技术负责人:抄测人:(建设单位项目负责人)施工员:质检员:复测人:内质检软件登记号:64190163DB15/427—2005基础轴线标高检查记录C01-5-03-001 工程名称佳家花园廉租房8#楼检查部位基础±0.00 检查日期2010年10月9日放线依据:依据:定位控制桩、规划测绘部门给定的控制水准点、基础平面及剖面图。
基槽平面及标高实测记录
表 C3-2 工程名称 朝阳区青年路消防站工程
资料编号 日 期
01-06-C3-001 2012 年 05 月 19 日
验线依据及内容: 一、1.依据朝阳区青年路消防站工程结构施工布置平面图。
2.北京市测绘设计研究院提供的建设工程测量成果报告书 1—4. 3.北京市测绘设计研究院提供的高程点 BM1=34.588m、BM2=34.587m、BM3=34.602m 4.本工程测量施工方案。
二.内容:1.基底外轮廓线及外轮廓断面; 2.基底标高;○ 1 ~○ 8 :-3.200 m(绝对标高 31.700m) 9 ~○ 13 : ○ -5.780 m(绝对标高 29.120m) 。
基槽平面、剖面简图:
检查意见: 基底外轮廓位置准确无误。
基底标高抄测误差均在±2mm 以内。
符合设计施工图尺寸、达到建筑施工测量技术规程精度要求。
专业技术 专业质检员 负责人 施工单位 北京城建八建设发展有限责任公司 签 字 栏 监理 (建设) 北京方正建工程管理有限公司 专业工程师 单位
本表由施工单位填写。
施测人
。
测量放线报验申请表工程名称:永城市幸福港湾15#楼编号:致:河南卓越工程管理有限公司(监理单位)我单位已完成了基槽放线工作,现上报该工程报验申请表,请予以审查和验收。
附件:1、基槽验线记录2、基底标高抄测记录承包单位(章)河南中凯建设集团有限公司项目经理日期审查意见:项目监理机构总∕专业监理工程师日期基 槽 验 线 记 录 本表由建设单位、施工单位、城建档案馆各保存一份。
基底标高抄测记录工程名称 永城市幸福港湾15#楼工程名称 永城市幸福港湾15#楼 日期 年 月 日 验线依据及内容:依据:基础平面图、结构图内容:1、基础外轮廓线及外廓断面 2、基底标高。
基槽平面、剖面简图:检查意见:基础外轮廓位置准确无误。
基底标高-2.100,误差均在±5mm 以内。
签 字 栏 建设(监理)单位施工测量单位河南中凯建设集团有限公司 专业技术负责人 专业质检员 施测人抄测部位基底日期年月日放线依据:1.基础平面图2.《工程测量规范》GB50026-933.依据《工程测量规范》高程中误差允许误差为5mm∨抄测说明简图1.测定本层+0.500m控制线2.测量工具:DS6水准仪钢卷尺检查意见:经查:基底标高-2.100,所抄测+0.500m,标高误差在±2mm以内,就近两点标高误差在±12mm以内.签字栏建设(监理)单位施工测量单位河南中凯建设集团有限公司专业技术负责人专业质检员实测人本表由建设单位、施工单位、城建档案馆各保存一份。
日期
依据:1、施工图纸(图号××)设计变更/洽商(编号××);
2、《建筑工程施工测量规程》(DBJ01-21-95);
3、本工程《施工测量方案》;
4、定位轴线控制网。
内容:根据主控轴线和基底平面图,检验建筑物基底外轮廓线、集水坑(电梯井坑)、垫层标高、基槽断面尺寸及边坡坡度(1:0.5)等。
施测人
验线依据及内容:资料编号基槽平面及标高实测记录
表C3-2
2003-02-10
本表由施工单位填写。
工程名称
签
字
栏施工单位 经检查:1-11/A-B 轴为基底控制轴线,垫层标高(误差:-1mm ),基槽开挖的断面尺寸(误差:+2mm ),坡度边线、坡度等各项指标符合设计要求、《建筑工程测量规程》(DBJ01-21-
95)及本工程《施工测量方案》规定,可进行下道工序施工。
监理(建设)单位
基槽平面、剖面简图:
检查意见:
专业工程师
专业技术负责人
专业质检员
梯井坑)、垫层标高
开挖的断面尺寸(误程》(DBJ01-21-
测人。
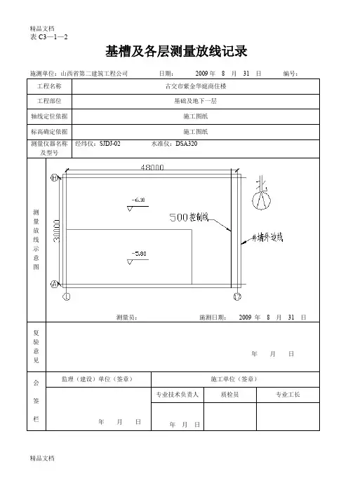
表C3—1—2基槽及各层测量放线记录施测单位:山西省第二建筑工程公司日期:2009年8 月31 日编号:工程名称古交市紫金华庭商住楼工程部位基础及地下一层轴线定位依据施工图纸标高确定依据施工图纸测量仪器名称及型号经纬仪:SJDJ-02 水准仪:DSA320测量放线示意图测量员:施测日期:2009 年8 月31 日复验意见年月日会签栏监理(建设)单位(签章)施工单位(签章)年月日专业技术负责人质检员专业工长年月日基槽及各层测量放线记录施测单位:山西省第二建筑工程公司日期:2011年6 月25 日编号:工程名称滨河外滩高层商住楼工程部位负二层1-19轴/A-N轴轴线定位依据施工图纸标高确定依据施工图纸测量仪器名称及型号经纬仪:SJDJ-02 水准仪:DSA320测量放线示意图测量员:施测日期:2011 年 6 月25 日复验意见2011年6 月25 日会签栏监理(建设)单位(签章)施工单位(签章)2011年6月25日专业技术负责人质检员专业工长2011年6月25日基槽及各层测量放线记录施测单位:山西省第二建筑工程公司日期:2011年6 月26日编号:工程名称滨河外滩高层商住楼工程部位负二层20-39轴/A-N轴轴线定位依据施工图纸标高确定依据施工图纸测量仪器名称及型号经纬仪:SJDJ-02 水准仪:DSA320测量放线示意图测量员:施测日期:2011 年 6 月26日复验意见2011年6 月26 日会签监理(建设)单位(签章)施工单位(签章)专业技术负责人质检员专业工长栏2011年6月26日2011年6月26日基槽及各层测量放线记录施测单位:山西省第二建筑工程公司日期:2011年7月10日编号:工程名称滨河外滩高层商住楼工程部位负一层1-19轴/A-N轴轴线定位依据施工图纸标高确定依据施工图纸经纬仪:SJDJ-02 水准仪:DSA320测量仪器名称及型号测量放线示意图测量员:施测日期:2011 年7 月10 日复验意2011年7 月10 日见会签栏监理(建设)单位(签章)施工单位(签章)2011年7月10日专业技术负责人质检员专业工长2011年7月10日基槽及各层测量放线记录施测单位:山西省第二建筑工程公司日期:2011年7月15日编号:工程名称滨河外滩高层商住楼工程部位负一层20-39轴/A-N轴轴线定位依据施工图纸标高确定依据施工图纸测量仪器名称及型号经纬仪:SJDJ-02 水准仪:DSA320测量放线示意图测量员:施测日期:2011 年7 月15 日验意见2011年7 月15 日会签栏监理(建设)单位(签章)施工单位(签章)2011年7月15日专业技术负责人质检员专业工长2011年7月15日基槽及各层测量放线记录施测单位:山西省第二建筑工程公司日期:2011年7月22日编号:工程名称滨河外滩高层商住楼工程部位一层1-19轴/A-N轴轴线定位依据施工图纸标高确定依据施工图纸测量仪器名称及型号经纬仪:SJDJ-02 水准仪:DSA320测量放线示意图测量员:施测日期:2011 年7 月22 日验 意 见2011年 7 月 22日会 签 栏监理(建设)单位(签章)施工单位(签章)2011年7月22日专业技术负责人 质检员专业工长2011年7月22日基槽及各层测量放线记录施测单位:山西省第二建筑工程公司 日期: 2011年 7月27日 编号: 工程名称 滨河外滩高层商住楼 工程部位 一层20-39轴/A-N 轴轴线定位依据 施工图纸 标高确定依据 施工图纸测量仪器名称及型号经纬仪:SJDJ-02 水准仪:DSA320测量放线示意图测量员:施测日期:2011 年7 月27 日复验意见2011年7 月27 日会签栏监理(建设)单位(签章)施工单位(签章)2011年7月27日专业技术负责人质检员专业工长2011年7月27日基槽及各层测量放线记录施测单位:山西省第二建筑工程公司日期:2011年8月1日编号:工程名称滨河外滩高层商住楼工程部位二层1-19轴/A-N轴轴线定位依据施工图纸标高确定依据施工图纸测量仪器名称及型号经纬仪:SJDJ-02 水准仪:DSA320测量放线示意图测量员:施测日期:2011 年8 月 1 日复验意见2011年8月1 日会签栏监理(建设)单位(签章)施工单位(签章)2011年8月1日专业技术负责人质检员专业工长2011年8月1日基槽及各层测量放线记录施测单位:山西省第二建筑工程公司日期:2011年8月9日编号:工程名称滨河外滩高层商住楼工程部位二层20-39轴/A-N轴轴线定位依据施工图纸标高确定依据施工图纸测量仪器名称及型号经纬仪:SJDJ-02 水准仪:DSA320测量放线示意图测量员:施测日期:2011 年8月9日复验意见2011年8月9 日会签栏监理(建设)单位(签章)施工单位(签章)2011年8月9日专业技术负责人质检员专业工长2011年8月9日基槽及各层测量放线记录施测单位:山西省第二建筑工程公司日期:2011年8月15日编号:工程名称滨河外滩高层商住楼工程部位三层1-19轴/A-N轴轴线定位依据施工图纸标高确定依据施工图纸测量仪器名称及型号经纬仪:SJDJ-02 水准仪:DSA320测量放线示意图测量员:施测日期:2011 年8月15日复验意见2011年8月15 日会签栏监理(建设)单位(签章)施工单位(签章)2011年8月15日专业技术负责人质检员专业工长2011年8月15日基槽及各层测量放线记录施测单位:山西省第二建筑工程公司日期:2011年8月30日编号:工程名称滨河外滩高层商住楼工程部位三层20-39轴/A-N轴轴线定位依据施工图纸标高确定依据施工图纸测量仪器名称及型号经纬仪:SJDJ-02 水准仪:DSA320测量放线示意图测量员:施测日期:2011 年8月30日复验意见2011年8月30日会签栏监理(建设)单位(签章)施工单位(签章)2011年8月30日专业技术负责人质检员专业工长2011年8月30日。
基槽平面及标高实测记录
工程名称
表 C3-2 朝阳区青年路消防站工程
资料编号 日期
01-06-C3-001 2012 年 05 月 19 日
验线依据及内容:
一、1.依据朝阳区青年路消防站工程结构施工布置平面图。
2.北京市测绘设计研究院提供的建设工程测量成果报告书 1—4.
3.北京市测绘设计研究院提供的高程点 BM1=、BM2=、BM3=
4.本工程测量施工方案。
二.内容:1.基底外轮廓线及外轮廓断面; 2.基底标高;○1 ~○8 : m(绝对标高) ○9 ~
○13 : m(绝对标高)。
基槽平面、剖面简图:
检查意见: 基底外轮廓位置准确无误。
基底标高抄测误差均在±2mm 以内。
符合设计施工图尺寸、达到建筑施工测量技术规程精度要求。
专业技术
专业质检员 施测人
签
施工单位 北京城建八建设发展有限责任公司 负责人
字
栏
监理(建设)
北京方正建工程管理有限公司
单位
专业工程师
本表由施工单位填写。
。