基槽平面及标高实测记录C
- 格式:doc
- 大小:136.50 KB
- 文档页数:1
地基验槽需要的资料
施工许可证
土壤检测报告
加盖有审查章的图纸
图纸审查意见及设计、地勘单位对审查意见的回复
岩土勘察报告
地基钎探记录
桩基础、地基处理应提供相应的检测报告
工程定位测量记录
基槽平面及标高实测记录
土方开挖及护坡的分部分项、检验批、隐检、记录等资料。
基坑支护监测记录
地基处理记录(如果地勘在验完槽后指明需进行处理的话)
地基验槽记录
工程质量责任单位地基验槽记录(最少6份原件)(如果需要地基处理的话,在处理前和处理后要做再次这个)地基验槽记录一定要各方加盖公章(必须要五方主体参加)
以上资料仅供参考,根据当地质监站要求进行准备。
基槽平面及标高实测记录C实测记录C旨在对基槽的平面和标高进行实测并记录。
1.实测范围:实测范围包括基槽的全部平面和标高。
2.实测仪器:实测所用仪器主要有:测量尺、水平仪、经纬仪等。
3.实测步骤:(1)首先,确定实测的起点和终点,并在矩形基槽的四角上分别设置控制点A、B、C和D。
(2)使用测量尺对控制点A、B、C和D进行测量,并记录下其在水平和竖直方向上的距离。
(3)使用水平仪对控制点A、B、C和D进行水平校正,并记录下其水平仪示数。
(4)使用经纬仪对控制点A、B、C和D进行标高测量,并记录下其标高示数。
(5)根据测量数据计算出基槽平面的方位角和标高。
4.实测数据记录:▪实测数据记录表如下所示:---------------------------------------控制点,水平距离,竖直距---------------------------------------A,a,aB,b,bC,c,cD,d,d---------------------------------------▪实测数据计算表如下所示:---------------------------------------控制点,水平仪示数,标高示---------------------------------------A,α,B,β,C,γ,D,δ,---------------------------------------▪根据数据计算得到的基槽平面方位角为:方位角=(α+γ)/2▪基槽标高为:标高=h5.结果分析:通过实测数据的记录和计算,我们可以得到基槽平面的方位角和标高。
这些数据可以为基槽的设计和施工提供重要参考,以确保基槽的准确性和稳定性。
总结:本实测记录C详细记录了对基槽平面和标高的实测过程,包括实测范围、实测仪器、实测步骤以及实测数据的记录和计算。
通过这些实测数据,我们可以得到基槽平面的方位角和标高,为基槽的设计和施工提供参考。
工程测量资料的规定(通用版)
工程测量资料包括工程定位测量记录、基槽平面及标高实测记录、楼层平面放线及标高实测记录、楼层平面标高抄测记录、建筑物垂直度及标高测量记录、变形观测记录等,应符合以下要求:
1、工程测量资料内容和要求应符合相关标准的规定。
2、工程楼座定位桩及场地控制网(或建筑物控制网)、建筑物±0.000标高的控制点应依据建设单位提供的有相应测绘资质部门出具的测绘成果确定,并填写工程定位测量记录。
3、基础垫层未做防水前应对建筑物基底外轮廓线、集水坑及电梯井坑、垫层标高、基槽断面尺寸和坡度等进行测量,并填写基槽平面及标高测量记录。
4、基础垫层防水保护层完成后应测量建筑物基础标高,对墙柱轴线及边线、集水坑及电梯井坑边线进行测量放线并填写楼层平面放线及标高实测记录。
5、每层结构完成后应测量楼层标高及平面控制点位置,对楼层墙柱轴线及边线、门窗洞口线等测量放线,并填写楼层平面放线及标高实测记录。
6、楼层结构具备条件后应抄测楼层+0.500m(或+1.000m)标高线,填写楼层平面标高抄测记录。
7、结构工程完成后和工程竣工时,应对建筑物外轮廓垂直度和全高进行测量,填写建筑物垂直度及标高测量记录。
8、规范和设计有要求或工程需要由第三方进行的变形监测,应由建设单位委托有资质的测量单位进行变形监测并形成报告。
基槽及各层测量放线记录
施测单位:山西四建四分公司日期:2007 年11月24日编号:
基槽及各层测量放线记录
施测单位:山西四建四分公司日期:2007 年11月22日编号:
基槽及各层测量放线记录
施测单位:山西四建四分公司日期:2007 年12月2日编号:
基槽及各层测量放线记录
施测单位:山西四建四分公司日期:2007 年11月30日编号:
基槽及各层测量放线记录
施测单位:山西四建四分公司日期:2007 年12月2日编号:
基槽及各层测量放线记录
施测单位:山西四建四分公司日期:2007 年11月15日编号:
基槽及各层测量放线记录
施测单位:山西四建四分公司日期:2007 年9 月23日编号:
基槽及各层测量放线记录
施测单位:山西四建四分公司日期:2007 年12月26日编号:
基槽及各层测量放线记录
施测单位:山西四建四分公司日期:2007 年12月29日编号:
基槽及各层测量放线记录
施测单位:山西四建四分公司日期:2007 年12月19日编号:
基槽及各层测量放线记录
施测单位:山西四建四分公司日期:2007 年12月22日编号:
基槽及各层测量放线记录
施测单位:山西四建四分公司日期:2007 年12月11日编号:
基槽及各层测量放线记录
施测单位:山西四建四分公司日期:2007 年12月15日编号:
基槽及各层测量放线记录
施测单位:山西四建四分公司日期:2007 年12月7日编号:。
验线依据:依据《安防视频监控系统技术要求》GA/T367-2001《电气装置安装工程施工及验收规范》GBJ232-92验收依据及内容说明:1、施工依据:依据施工图纸及《黑龙江省建筑安装工程施工技术操作规程一建筑地基基础工程》DB23/T715-2003。
2、基础坐落在原状土上,基底土质均为亚黄粘土,颜色一致,无扰动。
3、基槽采用人工开挖,几何尺寸正确,基槽位置、槽边尺寸、槽底标高均符合设计要求。
4、附剖面图:验收意见经检查,槽底土质均匀密实,基槽平面位置、槽边尺寸、基槽底标高、定位检查符合设计要求。
同意下道工序。
监理工程师(建设单位代表)施工技术负责人:验线依据:依据《安防视频监控系统技术要求》GA/T367-2001《电气装置安装工程施工及验收规范》GBJ232-92验收依据及内容说明:1、施工依据:依据施工图纸及《黑龙江省建筑安装工程施工技术操作规程一建筑地基基础工程》DB23/T715-2003。
2、基础坐落在原状土上,基底土质均为亚黄粘土,颜色一致,无扰动。
3、基槽采用人工开挖,几何尺寸正确,基槽位置、槽边尺寸、槽底标高均符合设计要求。
4、附剖面图:验收意见经检查,槽底土质均匀密实,基槽平面位置、槽边尺寸、基槽底标高、定位检查符合设计要求。
同意下道工序。
监理工程师(建设单位代表)施工技术负责人:验线依据:依据《安防视频监控系统技术要求》GA/T367-2001《电气装置安装工程施工及验收规范》GBJ232-92验收依据及内容说明:1、施工依据:依据施工图纸及《黑龙江省建筑安装工程施工技术操作规程一建筑地基基础工程》DB23/T715-2003。
2、基础坐落在原状土上,基底土质均为亚黄粘土,颜色一致,无扰动。
3、基槽采用人工开挖,几何尺寸正确,基槽位置、槽边尺寸、槽底标高均符合设计要求。
4、附剖面图:验收意见经检查,槽底土质均匀密实,基槽平面位置、槽边尺寸、基槽底标高、定位检查符合设计要求。
2022测量放线工考试真题模拟及答案(5)共690道题1、若场地平整后成单向泄水的斜面,则必须首先确定场地()的位置。
(单选题)A. 中心线B. 设计高程C. 自然地面平均高程试题答案:A2、下列原因造成测量误差,其中属于仪器误差的是()(单选题)A. 读数不准B. 水准盒轴不平行于仪器竖轴C. 水准尺往前倾斜试题答案:B3、地球半径R=63711km,当两点间的距离为1000m,产生的弧面差影响约为()。
(单选题)A. 3mmB. 39mmC. 8mmD. 78mm试题答案:D4、下列不能用来顶建筑位置的是()。
(单选题)A. 临时围样B. 原有建筑C. 已知控制点D. 建筑红线试题答案:A5、建筑红线是城市规划行政主管部门批准、并实地测定的建设用地位置的边界线。
施工单位使用红线要注意以下4点:(1)使用前();(2)施工过程中,应保护好桩位;(3)沿红线新建的建(构)筑物定位后,应由城市规划部门验线合格后,方可破土;(4)新建建筑物不得超、压红线。
(单选题)A. 要检查桩位是否完好B. 要检查桩位保护情况C. 要校测桩位D. 要派人看管试题答案:C6、道路边桩上测设纵坡线时,桩顶改正数=桩顶前视-应读前视,当改正数为“-”或“+”时,说明()。
(单选题)A. 自桩顶向下量或向上量改正数B. 自桩顶向上量或向下量改正数C. 当前桩顶低或高D. 当前桩顶高或低试题答案:A7、下面哪项技术指标不属四等水准测量的要求()(单选题)A. 前后视距差≤3.0mB. 前后视距累积差≤10.0mC. 黑、红面读数之差≤3.0mm试题答案:A8、1:1000地形图()幅的面积为1Km2。
(单选题)A. 1B. 2C. 4试题答案:C9、有一种精密水准尺,分划为左、右两排,叫做基本分划和辅助分划,两排分划注记相差一个尺常数,则水平视线在两排分划上的读数之差是否等于尺常数可用于检查()。
(单选题)A. 高差是否合格B. 尺子是否立直C. 尺刻划线是否准确D. 读数精度试题答案:D10、在水准测量中,若后、前视读数中误差为m,则高差中误差为()。
隐检字第005 号工程名称杭政储出(2008)26#地块商品住宅一期分部工程名称地基基础工程项目经理孙亚平施工单位浙江省长城建设集团股份有限公司验收部位(1/D-18)-(1-15)/(D-B)-(1/D-D)轴施工执行标准名称及编号《建筑地基基础工程施工质量验收规范》GB50202-2002 分包单位分包项目经理地基验槽内容及简图1、基槽几何尺寸:基底长43.89m、宽27.5m,平面位置符合图纸要求;2、槽底标高:基底绝对标高-5.9m、-8.25m;3、土质情况:土质为淤泥质粘土;4、放坡要求:1:1.0结论专业监理工程师(建设单位项目专业技术负责人)签名:年月日勘察单位代表(签字):年月日设计单位代表(签字):年月日施工单位项目专业质量检查员:项目专业技术负责人:年月日隐检字第004 号工程名称杭政储出(2008)26#地块商品住宅一期分部工程名称地基基础工程项目经理孙亚平施工单位浙江省长城建设集团股份有限公司验收部位(2/D-8)-(2/D-18)/(D-A)-(D-C)轴施工执行标准名称及编号《建筑地基基础工程施工质量验收规范》GB50202-2002 分包单位分包项目经理地基验槽内容及简图1、基槽几何尺寸:基底长76m、宽25.1m,平面位置符合图纸要求;2、槽底标高:基底绝对标高-5.9m、-8.25m;3、土质情况:土质为淤泥质粘土;4、放坡要求:1:1.0结论专业监理工程师(建设单位项目专业技术负责人)签名:年月日勘察单位代表(签字):年月日设计单位代表(签字):年月日施工单位项目专业质量检查员:项目专业技术负责人:年月日隐检字第001 号工程名称杭政储出(2008)26#地块商品住宅一期分部工程名称地基基础工程项目经理孙亚平施工单位浙江省长城建设集团股份有限公司验收部位(3-1)-(1/D-9)/(D-A)-(D-C)轴施工执行标准名称及编号《建筑地基基础工程施工质量验收规范》GB50202-2002 分包单位分包项目经理地基验槽内容及简图1、基槽几何尺寸:基底长25.1m、宽36m,平面位置符合图纸要求;2、槽底标高:基底绝对标高-5.9m、-8.25m;3、土质情况:土质为淤泥质粘土;4、放坡要求:1:1.0结论专业监理工程师(建设单位项目专业技术负责人)签名:年月日勘察单位代表(签字):年月日设计单位代表(签字):年月日施工单位项目专业质量检查员:项目专业技术负责人:年月日隐检字第006号工程名称杭政储出(2008)26#地块商品住宅一期分部工程名称地基基础工程项目经理孙亚平施工单位浙江省长城建设集团股份有限公司验收部位(D-28)-(D-16)/(B-A)-(1/D-K)轴施工执行标准名称及编号《建筑地基基础工程施工质量验收规范》GB50202-2002 分包单位分包项目经理地基验槽内容及简图1、基槽几何尺寸:基底长63.7m、宽60.7m,平面位置符合图纸要求;2、槽底标高:基底绝对标高-5.9m、-8.25m;3、土质情况:土质为淤泥质粘土;4、放坡要求:1:1.0结论专业监理工程师(建设单位项目专业技术负责人)签名:年月日勘察单位代表(签字):年月日设计单位代表(签字):年月日施工单位项目专业质量检查员:项目专业技术负责人:年月日隐检字第003号工程名称杭政储出(2008)26#地块商品住宅一期分部工程名称地基基础工程项目经理孙亚平施工单位浙江省长城建设集团股份有限公司验收部位(D-1)-(D-12)/(D-Q)-(1/D-H)轴施工执行标准名称及编号《建筑地基基础工程施工质量验收规范》GB50202-2002 分包单位分包项目经理地基验槽内容及简图1、基槽几何尺寸:基底长50.5m、宽36.8m,平面位置符合图纸要求;2、槽底标高:基底绝对标高-5.9m、-8.25m;3、土质情况:土质为淤泥质粘土;4、放坡要求:1:1.0结论专业监理工程师(建设单位项目专业技术负责人)签名:年月日勘察单位代表(签字):年月日设计单位代表(签字):年月日施工单位项目专业质量检查员:项目专业技术负责人:年月日隐检字第002号工程名称杭政储出(2008)26#地块商品住宅一期分部工程名称地基基础工程项目经理孙亚平施工单位浙江省长城建设集团股份有限公司验收部位(B-A)-(B-N)/(D-1)-(D-12)轴施工执行标准名称及编号《建筑地基基础工程施工质量验收规范》GB50202-2002 分包单位分包项目经理地基验槽内容及简图1、基槽几何尺寸:基底长50.5m、宽49.2m,平面位置符合图纸要求;2、槽底标高:基底绝对标高-5.9m、-8.25m;3、土质情况:土质为淤泥质粘土;4、放坡要求:1:1.0结论专业监理工程师(建设单位项目专业技术负责人)签名:年月日勘察单位代表(签字):年月日设计单位代表(签字):年月日施工单位项目专业质量检查员:项目专业技术负责人:年月日隐检字第007号工程名称杭政储出(2008)26#地块商品住宅一期分部工程名称地基基础工程项目经理孙亚平施工单位浙江省长城建设集团股份有限公司验收部位(D-11)-(D-17)/(B-A)-(2/D-H)轴施工执行标准名称及编号《建筑地基基础工程施工质量验收规范》GB50202-2002 分包单位分包项目经理地基验槽内容及简图1、基槽几何尺寸:基底长50.5m、宽49.2m,平面位置符合图纸要求;2、槽底标高:基底绝对标高-5.9m、-8.25m;3、土质情况:土质为淤泥质粘土;4、放坡要求:1:1.0结论专业监理工程师(建设单位项目专业技术负责人)签名:年月日勘察单位代表(签字):年月日设计单位代表(签字):年月日施工单位项目专业质量检查员:项目专业技术负责人:年月日隐检字第008号工程名称杭政储出(2008)26#地块商品住宅一期分部工程名称地基基础工程项目经理孙亚平施工单位浙江省长城建设集团股份有限公司验收部位(D- )-(D-K)/(D-28)-(D-16)轴施工执行标准名称及编号《建筑地基基础工程施工质量验收规范》GB50202-2002 分包单位分包项目经理地基验槽内容及简图1、基槽几何尺寸:基底长m、宽m,平面位置符合图纸要求;2、槽底标高:基底绝对标高-5.9m、-8.25m;3、土质情况:土质为淤泥质粘土;4、放坡要求:1:1.0结论专业监理工程师(建设单位项目专业技术负责人)签名:年月日勘察单位代表(签字):年月日设计单位代表(签字):年月日施工单位项目专业质量检查员:项目专业技术负责人:年月日隐检字第007号工程名称杭政储出(2008)26#地块商品住宅一期分部工程名称地基基础工程项目经理孙亚平施工单位浙江省长城建设集团股份有限公司验收部位(D-11)-(D-17)/(B-A)-(B-Q)轴施工执行标准名称及编号《建筑地基基础工程施工质量验收规范》GB50202-2002 分包单位分包项目经理地基验槽内容及简图1、基槽几何尺寸:基底长48.2 m、宽77.5 m,平面位置符合图纸要求;2、槽底标高:基底绝对标高-5.9m、-8.25m;3、土质情况:土质为淤泥质粘土;4、放坡要求:1:1.0结论专业监理工程师(建设单位项目专业技术负责人)签名:年月日勘察单位代表(签字):年月日设计单位代表(签字):年月日施工单位项目专业质量检查员:项目专业技术负责人:年月日。
工程开工前:施工许可证、图纸会审记录、地质勘察报告,施工组织设计与施工方案、技术交底记录、相关单位资质证明和相关专业人员的岗位证书、工程技术文件报审表、
工程定位测量:工程定位测量记录
土方开挖:土方开挖工程检验批质量验收记录表、表C3-2基槽平面及标高实测记录、表C5-5地基钎探记录
地基验槽:表C5-3地基验槽检查记录、表C5-4地基处理记录、表C7-5土方开挖工程分项质量验收记录
土方回填:表C5-1隐蔽工程验收记录(03-XX-C5-XXX)、土工击实试验报告与土的干密度试验报告、土方回填检验批、表C7-5土方回填分项质量验收记录
地基验槽:地基验槽检查记录、地基处理记录、最终形成土方开挖工程分项质量验收记录
土方回填:隐蔽工程验收记录、土工击实试验报告和土的干密度试验报告、最终形成土方回填工程检验批质量验收记录、土方回填工程分项质量验收记录表。
日期
本表由建设单位、施工单位、城建档案馆各保存一份。
工程名称××综合楼签
字
栏建设(监理)单位 经检查:1-11/A-B 轴为基底控制轴线,垫层标高(误差:-1mm ),基槽开挖的断面尺寸(误差:+2mm ),坡度边线、坡度等各项指标符合设计要求、《建筑工程测量规程》(DBJ01-21-95)及本工程《施工测量方案》规定,可进行下道工序施工。
×××××建筑工程公司基槽平面、剖面简图:
专业技术负责人
×××检查意见:
专业质检员施测人××××××
验线依据及内容:
施工测量单位
编号基槽验线记录
表C3-2
依据:1、施工图纸(图号××)设计变更/洽商(编号××);
2、《建筑工程施工测量规程》(DBJ01-21-95);
3、本工程《施工测量方案》;
4、定位轴线控制网。
内容:根据主控轴线和基底平面图,检验建筑物基底外轮廓线、集水坑(电梯井坑)、垫层标高、基槽断面尺寸及边坡坡度(1:0.5)等。
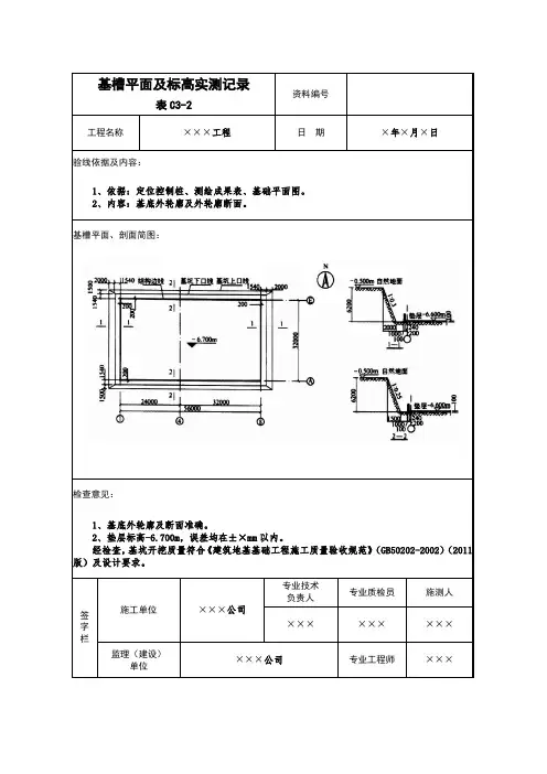
基槽平面及标高实测记录
资料编号
01-06-C3-001
表 C3-2
工程名称
朝阳区青年路消防站工程 日 期
2012 年 05 月 19 日
验线依据及内容: 一、1.依据朝阳区青年路消防站工程结构施工布置平面图。
2.北京市测绘设计研究院提供的建设工程测量成果报告书 1—4. 3.北京市测绘设计研究院提供的高程点 BM1=34.588m、BM2=34.587m、BM3=34.602m 4.本工程测量施工方案。
二.内容:1.基底外轮廓线及外轮廓断面; 2.基底标高;○1 ~○8 :-3.200 m(绝对标高
31.700m) ○9 ~○13 : -5.780 m(绝对标高 29.120m)。
基槽平面、剖面简图:
检查意见:
基底外轮廓位置准确无误。
基底标高抄测误差均在±2mm 以内。
符合设计施工图尺寸、达到建筑施工测量技术规程精度要求。
签
施工单位
北京城建八建设发展有限责任公司
专业技术 负责人
专业质检员
字
栏 监理(建设) 单位
北京方正建工程管理有限公司
专业工程师
本表由施工单位填写。
施测人
。