设备技术服务供应商评价考核表 (2)
- 格式:doc
- 大小:28.00 KB
- 文档页数:2
供应商信息资料卡
供应商信息资料卡
供应商调查表
6.供应商评价报告
供应商评价报告
编号:填写日期:
品质主管:填表:
7.供应商定期评估报告
供应商定期评估报告
年月日
制表:
日期: 批准: 日期:
8.供应商评价表
供应商评价表
编号:
9.供应商考核表
供应商考核表
10.合格供应商清单
合格供应商清单
制表: 核准: 11.供应商管理卡
供应商管理卡
日期:年月日
12.供应商资格评分表
供应商资格评分表
13.供应商信用记录表
供应商信用记录表
主管:制表:
4.材料厂商资料卡
材料厂商资料卡
建卡日期:年月日卡号:
15.材料供应商资料卡
材料类别:卡号:
主管:制表:
16.厂商资料表
供应类别:年月日编号:
主管:制表:
19.各供应商良品率控制表
各供应商良品率控制表
编号: 日期:。
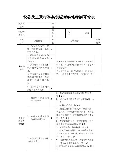
设备及主要材料类供应商实地考察评价表供应商名称地址产品/服务项目联系人电话传真评价项目评价内容分值评分要求考察得分★必备条件1、具备有效的营业执照、税务登记证、组织机构代码证。
/此5项内容为考察的基本前提,如缺少任何一项,即视为该供应商不合格,考察不再继续进行。
(若该项具备,在“考察得分”对应栏打钩,不具备则在“考察得分”对应栏打叉)2、按国家有关要求取得了产品制造许可文件(如需有)。
/3、具有保证产品质量和生产能力的主要生产设备。
/4、有保证产品质量的主要检测试验设备,保证能对主要项目进行测试。
/5、有不合格产品的处理规定并能严格执行。
/质量管理体系(20%)1、质量管理体系获得第三方认证。
51、能提供有效证书且能提供外审报告。
得4-5分2、证书有效但不能提供外审报告。
得1-3分3、过期或无证书。
得0分3、有健全的质量管理体系并有效运行。
81、能提供有效的三级文件(质量手册、程序文件、管理文件或作业文件)或与之相当的管理文件,并能提供完整的内审资料。
得7-8分2、有有效程序文件、管理标准等,但不能提供完整的内审资料。
得1-6分3、无程序文件、管理标准。
得0分3、有独立的质检机构和专职检验人员。
51、有独立的质检机构,有专职检验人员,检验人员持证(委托书、授权书或资格证书)上岗。
得4-5分2、无独立的质检机构,但有专职或兼职检验人员并持证上岗。
得1-4分3、无独立的质检机构也无检验人员。
得0分4、与产品质量有关的各部门质量职责和权限明确。
21、实际组织机构、职能划分与文件规定相符,与产品质量有关的各部门,如采购部、技术部、检查科、生产科、车间等有质量职责规定。
得2分2、实际组织机构、职能划分与抽取到的文件规定不相符。
得1分3、均无,得0分。
原料/外协件控制(10%)1、有供方评价、选择控制程序。
51、有供方评价、选择控制程序、有合格供方清单且按程序执行。
得4-5分2、有供方评价、选择控制程序,未按程序执行或合格供方清单不规范。
供应商监督考核评价打分表(维保阶段)
供应商名称:江西金科百灵电子工程技术有限公司协议(协议)名称及编号:安防系统维保合同JX150062
项目考评说明:对金科公司一年来对我行监控维保情况综合考评
考核单位:中国农业银行上饶分行考核评价时间:
考评内容考评分值(百分制)
1.设备运行状况
2.设备及配件质量
3.工程师的技术水平
4.主动式现场支持服务
5.紧急现场服务
6.非紧急现场服务
7.热线电话技术支持服务
8.技术培训
9.其它
维保服务综合考评得分
考核评价等级□ A 级□ B级□ C级
考核单位江西金科百灵电子工程技术有限公司
负责人(盖章):熊洪刚考核评价意见及建议:
考核评价小组负责人签字(盖章):考核评价小组成员签字:
年月日年月日
注:
1.本表一式三份,一份由考核评价部门留存;一份由考核评价部门报送采购部门留存;一份由考核评价部门申请付款时报财务部门留存。
2.A级指考核得分在90分(含)以上的供应商;B级指考核得分在80分(含)至89分的供应商;C级指考核得分在80分以下的供应商。
工程类承包商月度检查考核表(年月)项目名称:单位及项目负责人:
监理单位月度检查考核表(年月) 项目名称:单位及项目负责人:
填表人:日期:
建筑安装承包商年度考评表
项目名称:单位及项目负责人:
填表人:日期:
建筑安装承包商综合评价评分表
项目名称:单位及项目负责人:
填表人:日期:
幕墙与门窗工程承包商综合评价评分表
项目名称:单位及项目负责人:
填表人: 日期:
智能化工程承包商综合评价评分表
项目名称:单位及项目负责人:
填表人:日期:
园林绿化工程承包商综合评价评分表
项目名称: 单位及项目负责人:
填表人:日期:
其他专业工程承包商综合评价评分表(通用表)项目名称:单位及项目负责人:
填表人:日期:
监理单位综合评价评分表
项目名称:单位及项目负责人:
填表人:日期:。
1.目的制定供应商评估管理规定,规范供应商的评估内容,确保所购生产用物料符合公司的质量要求。
2.适用范围本规定适用于原料、辅料、包装材料供应商的选择,审查、确认与再评价。
3.定义●供应商:指物料、设备、仪器、试剂、服务等的提供方,如生产商、经销商等。
本规定所指供应商,特指物料供应商。
供应商既可以是物料生产商自身,也可以是生产商以外的代理商,即经销商。
●物料:指原料、辅料和包装材料。
4.使用者品管部、采购部、仓储物流部。
5.内容:5.1.供应商选择标准(1)供应商必须具有合法的生产质资,能够提供有效证件证明其生产的合法性。
(2)必须具有较完善的质量保证体系及相应的技术力量和管理水平,能从物料进厂到成品出厂的全过程进行质量控制。
(3)市场信誉好,物料的质量稳定,能按照合同条款合作,按时交货,价格合理。
5.2.主要物料的确定(1)综合考虑所生产产品的质量风险、物料的用量、物料对产品质量的影响程度及日常检测使用情况等对生产用物料进行评估,确定主要物料。
一些用量较少、对产品质量带来风险较小或对产品质量属性影响较少的物料,即使其为原辅料、内包装材料、起始物料也可确定为非主要物料。
(2)品管部每年年底负责组织生产部、仓储物流部、采购部等相关部门对物料进行评估,确定主要物料,并修订《主要物料目录》。
(3)主要物料确定的意义在于对该物料供应商的评估采用不同的评估方法。
5.3.供应商的初选及评估5.3.1.采购部负责供应商的初选。
根据生产经营计划和要求,采购人员与原料、辅料、包装材料供应商进行沟通,了解供应商基本情况,填写《变更申批表》向品管部提出申请,并附供应商的资质证明材料:●企业法人营业执照正副本复印件。
●所执行的质量标准(国家或行业标准,若无国家或行业标准的应提供企业标准或合同标准);检验报告书或上级部门抽检报告书。
将其与本公司质量标准进行对比确认其符合性,同时将本公司的质量标准一并放入档案。
●税务登记证、组织机构代码证等公司证明性材料和产品目录。
供应商分级管理制度及考核评价标准1.目的为确保所采购的物品符合罐头食品安全和产品质量要求,必须根据考核评价标准对供应商进行分级管理。
2.适用范围适用于公司罐头产品原料、辅料、食品添加剂及食品相关产品供应商的评价和管理。
3.职责3.1采购部门:负责原料、辅料、食品添加剂及食品相关产品的采购并组织对供方的评价和分级管理。
3.2品管部:参与对供应商的评价和分级管理。
4.工作程序:4.1采购物资分类:按照罐头食品的加工特性,生产加工所需物资可分为:a、原料:肉类、禽类、水产类、果蔬类、粮食类。
b、辅料:香辛料、调味料。
c、食品添加剂。
d、食品相关产品:空听、盖子、纸箱、容器、机器设备等。
4.2对供方的评价:4.2.1由采购部门负责组织生产办、品管部、工程设备部对供方进行综合评价,确定出合格供方。
评价内容:a)、评审供方的产品质量、价格、交货情况及售后服务情况;b)、审核供方的质量管理体系,对其提供产品的能力进行评价;c)、调查供方的顾客满意度情况;d)、调查供方的财务状况,提供产品和服务的能力等。
4.2.2对a、b、c类物资的评价4.2.2.1对大宗主要物资的供方,应提供充分的书面材料,以证实其质量保证能力。
a)、《营业执照》、《组织机构代码证》、《税务登记证》;b)、对a、b、c类实行生产许可的产品必须有《全国工业产品生产许可证》,此外,对肉类产品还必须有《屠宰许可证》。
肉类产品还必须随货附有“三证”:《出县境动物产品检疫合格证明》、《动物及动物运载工具消毒证明》、《牲畜五号病非疫区证明》。
非农副产品原辅料必须随货附有该批产品有效合格证及检验报告。
注:1、重庆市范围内属非疫病区,凡重庆市范围内采购的肉类原料可以不附《牲畜五号病非疫区证明》。
2、未实施“三证”管理的地区,要提供《出县境动物产品检疫合格证明》和《动物及动物运载工具消毒证明》。
c)、对供方产品供货能力和质量管理体系审核的结果。
d)、供方产品的质量、价格情况。
供应商管理表格一、供应商基本资料表编号:年月日供应商名称成立日期工厂地址注册资本电话传真电子邮箱联系人公司负责人厂房面积员工人数技术人员生产人员检验人获得产品认证质量管理体系认证近三年销售额主要物料合作供应主要客户名称可提供的产品类别出口比例出口国别出口产品主要产品类别现产量/月最大产能/月主要客户/行业月销售金额生产及销售状况备注1.请填写供应商资料表并保证其真实性2.各项资料如有不实,我方有权取消其备选资格3.以上资料若有变更,应及时传递新资料更新相关内容4.请附营业执照、税务登记证及其他重要相关证书供应商签名盖章续表执行度系数判定参考标准0:体系和文件全无,意识全无0.1~0.3:有意识,但未建立和执行0.4~0.5:有意识也有执行,但无文件或不系统,属大幅度提高一类0.6~0.7:有意识、有文件,但执行不严格,记录较零散,属一般水平0.8~0.9:有较完整文件,执行较好,并有跟踪记录,显示已按规程操作,属良好一类1.0:有完整的文件体系,执行很好,并有详细记录,显示能严格按规程操作,属优秀一类推荐人/经办人品质部意见总(副)经理意见意见签署日期签署日期签署日期确认:审核:填表:(见本书140~141页)二、供应商问卷调查表供应商名称:年月日调查项目调查内容了解程度材料零件确认1.您对本公司生产部门认定的材料交货依据的规格及样品是否了解□了解□不了解□请求当面沟通了解2.您对生产部门的样品确认流程是否了解□了解□不了解□请求当面沟通了解3.您对本公司生产部门认可的样品是否有保留以做后续品质管理之用□有保留□未保留□请求当面沟通了解品质验收管理1.您对本公司品质管理部质检验标准与方法是否了解□了解□不了解□请求当面沟通了解2.3.采购合同1.贵公司目前的产量是否足以应付本公司需求□可以□不可以□需设法弥补2.3.请款流程1.您对本公司的付款条件和手续是否了解□了解□不了解□请求当面沟通了解2.3.续表调查项目调查内容了解程度售后服务1.您对品质有疑问时,会主动找哪一部门或主管□开发□采购□总经理2.3.建议事项您对本公司的建议事项:(见本书142~143页)三、供应商考核项目及评分标准表考核项目权重总分评分标准价格水平10%10分偏高3分、居中6分、居下9分服务质量10%10分配合度、送样速度、纠正措施回复、超额运费质量状况60%60分60×(不合格批数/总交货批数)交付情况20%20分20×(迟交批数/总交货批数)(见本书143页)四、供应商调查表年月日供应商名称供应商编号第几次调查调查时间调查评核项目得分评分说明调查评核者备注价格评核1.原料价格2.加工费用3.估价方法4.付款方式品质评核1.品质管理组织体系2.品质规范标准3.检验方法记录4.纠正预防措施技术评核1.技术水准2.资料管理3.设备状况4.工艺流程5.作业标准生产管理评核1.生产计划体系2.交货日期控制能力3.进度控制能力4.异常排除能力合计(见本书144页)五、供应商评鉴表供应商名称供应商编号地址采购材料评鉴项目品质评鉴交货日期评鉴价格评鉴服务评鉴其他合计得分时间月月月月月月得分总和平均得分评鉴等级处理意见:(见本书145页)六、供应商评价标准表编号:评价日期:年月日供应商名称地址联系人电话产品/服务项目评价项目评价标准得分质量管理体系有成文的质量管理体系,结构较完善,体系能有效运行,质量手册和程序文件的规定能得到认真执行优有文件化的质量管理体系,但不完善,体系基本上能够运行,质量手册和程序文件的规定不够严格良无文件化的质量管理体系,只有一些习惯性做法或口头程序差技术方面有自我设计、开发主要产品的能力,有一套完善的产品设计开发控制制度优仅能开发较简单的产品或产品中的部分零件,设计控制制度不太规范和严密良无产品设计与开发能力,仅能按照本公司提供的图纸或样品制造差生产工艺主要工序均有相关作业指导手册,现场文件均受到控制,人员均按标准操作优工序作业指导文件不够全面,且更新不及时,员工不能完全按标准操作良无工艺性的文件作为操作依据,全凭口头指挥操作,或凭员工经验操作差生产现场管理有完整、正规的现场管理办法,例如自检、互检、巡检制度优有一些规定,但执行力不够,导致产能偏差较大,或出现漏检等情况良无正规管理办法,仅凭组长、领班口头指挥生产,质量很难得到保证差续表评价项目评价标准得分设备维护与保养有完整的设备管理办法,采购、操作、维护和保养等均能够有效控制,对不同设备进行不同级别的保养,设备经常处于完好状态优对重要设备有保养计划,但设备管理办法不够全面,不能保证设备经常处于完好状态,有因设备损坏而停工的现象发生良无任何设备管理制度,出了大问题才进行维修,经常影响生产差检验过程控制主要检验过程能够严格控制,检验员严格按规定操作,检验结果有专人校核优关键检验过程能够控制,但有时不能严格按文件操作,检验结果由检验员一人填写良检验过程控制不严格差成本与价格关注市场价格变化,能改善流程、提高效率、降低成本,产品售价稳中有降优对降低成本有认识,但措施或方法不到位,产品售价会有小幅波动良压低原材料价格,降低原材料质量,产品质量不稳定,价格随市场波动差产品交付完全按合同要求的期限和交付条件交货优基本上能按合同要求的期限和交付条件交货良经常拖延交付日期,交付条件经常改变差组织管理管理团队优秀,管理水平高;企业组织结构较合理,岗位职责明确优管理团队一般,管理水平一般;组织结构不明确,职责不太清楚良管理团队较差,管理水平较差,办事全凭领导口头指示;组织结构不健全,职责不清,工作无章可循,办事效率低下差续表评价项目评价标准得分售后服务有良好的售后服务,能主动调查客户的服务需求并尽力满足,能及时纠正、改善及预防客户投诉的问题,能将有关信息及时反馈给客户,客户投诉极少优对客户服务较好,但不够主动,客户偶有投诉,问题能得到解决,但不够及时良对客户的投诉经常推卸责任,或拖很长时间才予以解决,且类似问题经常发生差总计优良差综合评估结果□优□良□差填表人:审核:(见本书145~147页)七、供应商评分表编号:填写日期:年月日供应商基本资料名称地址联系人职务电话传真计划承接企业产品涉及加工工艺过程主要生产设备主要检测工具评价项目序号评价内容优良中差劣5分4分3分1分0分1企业规模2企业信誉3产品质量4产品价格5产品认证水平6生产技术7加工工艺8开发能力9不合格品控制10配合度11准时交货12历史合作情况13服务范围14售后服务15质量保证体系总得分评价说明(见本书148~149页)评价项目序号评价内容优良中差劣5分4分3分1分0分评价单位信息评价部门/人员评价意见签字日期总经理审批意见:日期:年月日八、供应商筛选表编号:筛选日期:年月日采购项目筛选供应商数量筛选人员供应商名称生产技术设备情况产品质量管理水平认证水平服务水平优良差优良差优良差优良差优良差优良差筛选结果筛选总结总经理审批意见:日期:年月日(见本书149~150页)九、合格供应商列表填表日期:年月日序号名称供应商编号供应材料最后复查时间联系方式备注确认:审核:填表:(见本书150页)十、供应商考核表序号供应商供应产品质量得分交货期得分服务得分考核结果备注分数签名分数签名分数签名说明考核结果A.90分以上B.60~89分C.59分以下为好供应商为合格供应商为不合格供应商(可增加订单)(可保持)(需淘汰)负责人签名品质部物控部批准人:时间填表人:审核人:(见本书151页)十一、供应商考核汇总表编号:填表日期:年月日各项考核分数评鉴供应商名称价格得分质量得分交付得分管理得分服务得分等级考核人员名单姓名部门签字确认总经理审批确认:年月日(见本书152页)十二、供应商月度评估表编号:填表日期:年月日供应商名称联系人地址联系方式评估项目评估得分备注质量项目批次合格率合格批次包装质量交付项目到货总批次按时到货批次按时交货率产品项目产品价格产品认证水平服务项目售后服务配合度其他项目开发能力生产工艺改进人员素质能力总计评分相关意见、建议评估人员评估人员列表姓名意见部门签名(见本书153页)十三、特殊承诺供应商列表序号供应商名称采购材料类别年度采购量计量单位年度采购金额合作内容特殊承诺事项1 2 3 4 5 6 7 8 9 10 11121314151617181920(见本书154页)。
供应商考核初评评分标准表供应商:考核时间:
注:85分以上为合格供应商
合格供应商考核评分表
供应商:考核时间:
供应商考核等级划分
分数应用:
1、70分为及格分,质量考核得分<70分的供应商,评为D档,直接纳入黑名单,中止合同,实施供货递补程序;
2、质量考核得分70~80分的供应商,评为C档,公司将约谈供应商,扣减供货份额30-50%,由其余供应商均分扣减份额;
3、质量考核得分81~94分的供应商,评为B档,公司将按原有份额要求供应商供货;
4、质量考核得分95~100分的供应商,评为A档,公司将优先定为下个评价周期内的份额分配供应商,优先享有其他供应商扣减份额及份额增加政策。
5、供应商在与本公司合作过程中因严重违反合同约定及本公司管理规定,或出现重大产品质量事故、重大投诉曝光、对本公司造成恶劣影响等直接一票否决,中止合同。
6、单月中扣分超过20分的供应商,实施约谈,并要求限期整改,如未按要求整改的,直接冻结份额。
7、如有供应商出现以下情形的,纳入黑名单管理,取消其1至3年内的合作资格。
1)供应商违反廉政规定,按照公司相关规定处理执行;
2)接到有关单位通报,供应商存在严重质量问题、不诚信经营等问题;
3)接到上级主管部门公文,明确要求暂停、终止与供应商的合作;
4) 属于已经处于黑名单的企业法人名下及其亲属名下的企业。
(5)发电机季度保养记录表
(6)项目用电统计及分析表
统计:审核:设备卡。
X X X 股份有限公司供应商评估考核表供方名称法定代表人联系地址联系电话主营产品成立日期现有员工人技术人员人生产设备台/套检测设备台/套上年度产值万元本年度产值万元序号评估考核项目细则评定结果1组织是否建立了文件化的质量管理体系。
□优□良□差2组织是否制定了质量方针和质量目标并执行。
□优□良□差3组织是否建立了质量检测机构,各部门的质量职责是否明确。
□优□良□差4组织是否制定员工培训制度和培训计划并实施。
□优□良□差5组织有无对原材料供方的质量保证能力进行调查和评定并保存记录。
□优□良□差6组织是否对原材料按待检品、合格品、废品划区域堆放及标示。
□优□良□差7组织是否制定进货检验规程并保存检验记录。
□优□良□差8组织是否对仓库物资分类存放及标示,出入库制度是否健全。
□优□良□差9组织是否对关键生产过程制定作业指导书并执行。
□优□良□差10组织是否制定不合品管理制度和处理程序并执行。
□优□良□差11组织是否制定产品过程和出厂检验规程并保存必要的质量记录。
□优□良□差12组织是否制定检测设备的日常运行检查制度并保存检查记录。
□优□良□差13组织是否建立检测设备台帐和定期鉴定制度并取得鉴定证书。
□优□良□差14组织是否制定生产设备保养计划和定期制度并建立设备台帐。
□优□良□差15组织是否制定产品抽样制度并进行100%的安全检验并保存记录。
□优□良□差16组织的生产能力能否满足采购需求。
□优□良□差17组织的作业环境是否保持清洁、整齐并做到安全文明生产。
□优□良□差18组织产品的技术资料是否完整、统一、齐全和正确。
□优□良□差19组织是否建立售后服务机构和制度并按规定执行。
□优□良□差20组织是否提供营业执照、产品检测报告、技术标准和认证证书等资料。
□优□良□差评分优:5分;良好;3分;差1分。
总分值:100分实际得分分评定□1级□2级□3级调查结论采购员意见:签名/日期质量管理处长意见:签名/日期:生产部经理意见签名/日期:审核意见质量评审小组意见:签名:日期:管理者代表意见:签名/日期:。