物业公司保安员月度绩效考核评分表【保安绩效考核】
- 格式:doc
- 大小:114.50 KB
- 文档页数:5
物业保安考核评分表1. 背景介绍物业保安是任何一个小区或商业综合体的重要组成部分,他们的工作质量直接影响到居民和商家的安全与满意度。
为了对物业保安的工作进行全面评估,确保他们能够尽职尽责地履行工作职责,我们制定了物业保安考核评分表。
2. 考核内容物业保安考核评分表包含以下几个方面的评估指标:2.1 巡逻安全•按时完成巡逻任务•发现并及时处理安全隐患•熟悉巡逻区域的地理环境2.2 出入口管理•严查进出人员证件•维护通行记录•确保进出车辆按规定办理手续2.3 突发事件应对•做好火灾、地震、洪水等突发事件的防范工作•按照应急预案组织人员疏散•快速报警并及时向上级汇报情况2.4 社区服务•文明礼貌服务居民和商家•维护社区环境的整洁与安全•积极处理居民和商家的投诉和问题3. 评分标准3.1 巡逻安全•按时完成巡逻任务:每次任务按时完成得5分,延迟10分钟扣1分,延迟超过30分钟扣3分•发现并及时处理安全隐患:每次发现并及时处理安全隐患得5分,未及时处理扣3分•熟悉巡逻区域的地理环境:熟悉得5分,不熟悉扣2分3.2 出入口管理•严查进出人员证件:认真核对得5分,未核对扣3分•维护通行记录:认真记录得5分,未记录扣2分•确保进出车辆按规定办理手续:认真核对得5分,未核对扣3分3.3 突发事件应对•做好火灾、地震、洪水等突发事件的防范工作:认真做好防范得5分,未做好扣3分•按照应急预案组织人员疏散:按预案做好疏散得5分,未按预案扣3分•快速报警并及时向上级汇报情况:快速报警得5分,未及时汇报扣2分3.4 社区服务•文明礼貌服务居民和商家:每次服务得5分,服务态度恶劣扣2分•维护社区环境的整洁与安全:认真维护得5分,未认真维护扣2分•积极处理居民和商家的投诉和问题:积极处理得5分,未积极处理扣2分4. 总分计算每项指标的分数将根据评分标准进行累计。
根据实际情况,可以设置满分为100分,或根据不同的指标设置不同的权重,以突出不同指标的重要性。
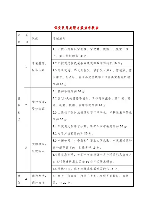
保安部月度绩效考核评分表2保安部月度考核评分表管辖区域: 评分日期:年月日考核总考核指规范要求考核标准得分分标1。
熟悉岗责任制和公司规章制度(4分) 1.违反公司管理制度扣2分2.掌握有关国家的法律、法规,以及国家和省市和有2.如触犯国家法律,视情节扣5分至开除关治安条例的基本内容(3分) 3..如因不熟悉小区基本情况,造成工作延误扣5分3。
熟悉公司的基本情况(5分) 4.因为没有正确操作车辆进出发放卡工作或无严格落4。
搞好出入车辆收发卡的管理,有效制止车辆的丢失实把关制度,造成极坏影响的,每次扣5分和违反规定停放(5分) 5。
上班睡觉,一次扣15分,当值期间喝酒,,带酒气5.上岗无违反部门规章制度(10分) 上班或监守自盗,一次扣50分6。
制止违反法乱纪行为发生(7分) 6.因为没有及时制止无证人员进入小区造成业主损失7。
熟悉保安(防火、防盗)设备、设施的布置情况(5的每次扣5分分) 7。
每季度对防火、防盗相关知识考核一次,不合格减8。
掌握各种灭火器材使用方法(5分) 5分9.定期进行相关知识(火警、匪警、队列)的学习(58。
对突发事件处理不当扣5 分分) 9。
无故缺席培训学习扣3分,随便请假扣2分常规工10.有效控制治安、消防事故、案件发生(10分)10.每发生一起治安案件(公安立案)扣 20分作11.按规定站岗巡逻并保持良好形象(10分)每发生一起盗窃案扣30分岗位要12.正确、合理使用保安设备、设施(4分) 11。
没有站好岗或没有按要求巡逻和巡逻不到位的、没求13。
保安各项交接班记录填写完整(3分)有保持良好形象的每次扣2至15分12.对保安设备造成损坏的除做相应赔偿,每次扣214.保安用房(岗亭、宿舍)要保持清洁卫生(3分) 100分15。
接待来访客人或接到业主的询问要热诚、大方有元13。
保安各项交接班记录填写不完整、不清晰交接不礼、谈吐文雅,处理问题方法得当,不推卸责任(6分) 清,无协助同事完成工作任务或造成同事不便的每次16.站岗、或巡逻时间接到业主求助,主动热情;日扣5分常业主进出时,主动跟业主打招呼的(6分) 14。