各国灯具安规知识
- 格式:pdf
- 大小:176.71 KB
- 文档页数:12
常用灯具安规知识一.灯具定义灯具:凡是能分配,透出或转变一个或多个光源发出的光线的一种器具,并包括支撑、固定和保护光源必需的部件(但不包括光源本身),以及必需的电路辅助装置和将它们与电源连接的设施。
二.灯具分类(一)按安装方式:可移动式灯具:台灯,挂式壁灯,落地灯固定式灯具:天花灯(吸顶灯),吊灯,壁灯,嵌入式灯,轨道灯。
(二)按光源:白炽灯、荧光灯、LED灯三.常用灯具标准(一)欧盟1) EN60598标准(常用部分)IEC/EN 60598-1 灯具-第1部分:一般要求和试验; IEC/EN 60598-2-1 固定灯特殊要求IEC/EN 60598-2-2 嵌入式灯具特殊要求; IEC/EN 60598-2-3 街灯、路灯特殊要求IEC/EN 60598-2-4 可移动式灯具特殊要求; IEC/EN 60598-2-6 内装变压器的钨丝灯具特殊要求IEC/EN 60598-2-7 庭院灯特殊要求; IEC/EN 60598-2-8 手提灯特殊要求IEC/EN 60598-2-9 摄影和电影灯具(非专业)特殊要求;IEC/EN 60598-2-10 孩童感兴趣的可移动灯特殊要求; IEC/EN 60598-2-11 水族灯特殊要求;IEC/EN 60598-2-12 电源插座出口安装的夜灯特殊要求; IEC/EN 60598-2-20 灯串特殊要求2) LED灯1.LED 一体式灯泡(例如:LED射灯,LED灯杯,LED球泡灯等)可以做CE,GS,CB 认证。
标准如下:IEC/EN 60968:自镇流灯泡的安全要求IEC/EN 62031:LED模块的安全要求IEC/EN 62471:LED灯泡的光生物安全要求2.LED固定或移动灯具(例如:LED嵌入式嵌灯,LED路灯,LED台灯,LED手电筒,LED灯盘等)可以做CE,GS,CB 认证。
分为两种情况:1.如果LED灯具具有独立的(LED驱动器或驱动电路板)和(LED封装,灯珠)不在一块PCB板上的。
用出口灯具安規标准本标准经本人收集整理,可作为参考标准和资料。
首先是各种灯具标准及特殊要求简介㈠EN规格各种灯具标准及特殊要求简介1、CE产品从1995年起输入欧盟产品实行CE制,即生产商必须保证所生产产品完全符合欧盟相关指令且制作CE文件后就可贴CE唛出口欧盟,不再需要任何认证。
欧盟政府通过抽查方式控制产品质量,如检测出产品不符合相关指令,即制造商将面临处以大额罚金及禁止产品进入欧盟的处罚。
①.适用于灯具产品的欧盟指令主要有(注:有些产品除下列指令外,还需符合其它指令)A.低电压指令-Low Voltage Directive 73/23/EEC: 工作电压为50~1000V的灯具必须符合EN60598安全标准。
B、电磁兼容指令-EMC Directive 89/336/EEC: 灯具必须符合EN55015电磁兼容标准及其它如电流谐波、电压足失落等标准。
C.包装指令-Directive 94/62/EEC on packaging and packaging waste: 灯具包装必须符合此指令文本要求,主要内容有不能使用保利龙ployform,重金属含量不能太高等。
②.现行EN60598标准(常用部分)EN60298-1:2000 Luminaires-Part 1:General requirements and tests.它包含了工作电压为0~1000V灯具的所有安全要求及测试项目。
EN60598-2-1:1989 Specification for fixed general purpose luminaries指明EN60298-1中的哪些条款适用于一般目的的固定式灯具,同时说明该类灯具的某些特别要求。
EN60598-2-4:1998 Portable general purpose luminaries指明EN60298-1中的哪些条款适用于一般目的的移动式灯具,同时说明该类灯具的某些特别要求。
照明灯具ul安规要求
UL(Underwriters Laboratories)是美国一个独立的安全科学公司,它为各种产品提供安全认证和测试服务。
对于照明灯具,UL安规要求如下:
1. 安全认证:UL要求照明灯具通过安全认证,以确保其在使用过程中不会对人员或财产造成伤害。
照明灯具需要通过UL标准进行测试,以验证其符合相关安全要求。
2. 电气安全:UL安规要求照明灯具的电气部分符合相关的安全标准,如UL 1598标准。
这些标准包括电气接触保护、绝缘材料使用、电缆和连接器的安全性等方面的要求。
3. 防火安全:UL安规要求照明灯具在正常使用和故障情况下都具备一定的防火性能。
照明灯具需要经过相关测试,以验证其在发生故障或短路时不会引发火灾。
4. 材料安全:UL安规要求照明灯具使用的材料符合相关的安全标准,如UL 94标准。
这些标准包括材料的可燃性、耐火性、耐腐蚀性等方面的要求。
5. 环境安全:UL安规要求照明灯具在环境方面符合相关的安全标准,如UL 8750标准。
这些标准包括照明灯具的耐水性、耐尘性、耐腐蚀性等方面的要求。
需要注意的是,UL安规只是美国市场的要求,在其他国家和地区可能存在不同的安规要求。
因此,如果要将照明灯具出口到其他国家或地区,还需要根据当地的法规和标准进行相应的认证和测试。
灯具生产制造相关的安规认证知识1. 简介灯具是人们生活中必不可少的用品之一,而安全是灯具生产制造过程中的重要考虑因素。
为了保证灯具的质量和安全性,灯具的生产制造必须符合相应的安全规范和认证要求。
本文将介绍灯具生产制造相关的安规认证知识,包括安全规范的种类、认证标准的要求以及认证过程中的注意事项。
2. 安规的种类在灯具生产制造过程中,存在多种安全规范,主要包括以下几种:2.1 国际电工委员会 (IEC) 标准国际电工委员会是一个专门制定电气电子标准的国际组织,其标准被广泛接受并认可。
在灯具生产制造中,常用的IEC标准包括IEC 60598(灯具安全要求)和IEC 62031(LED模块和LED灯珠的安全规范)等。
2.2 国家标准各个国家也有自己的灯具安全规范和认证要求。
例如,中国国家标准GB 7000.1-2015(灯具的一般要求和试验)是中国灯具生产企业必须遵守的标准。
2.3 相关行业标准除了国家标准和国际标准,还存在一些特定行业的标准。
例如,欧洲照明标准委员会(CELMA)制定了一系列的照明行业标准,包括各种灯具的安全要求和性能要求。
3. 安规认证的要求为了确保灯具的安全性和符合相应的安规标准,灯具生产企业需要进行相应的认证。
以下是一些常见的认证要求:3.1 安全性测试灯具需要经过各种安全性测试,以确保其在正常使用过程中不会产生危险。
这些测试包括电气安全测试、机械安全测试、防火测试等。
通过这些测试,能够评估灯具的安全性能,比如防火性能、耐电压能力等。
3.2 材料认证灯具中使用的材料需要符合相应的认证标准,以确保其不会对人体健康产生危害。
一些常见的材料认证标准包括RoHS(限制有害物质指令)和REACH(注册、评估、许可和限制化学品法规)等。
3.3 电磁兼容性测试由于灯具中包含电子元件,其在使用过程中可能对周围设备产生电磁干扰。
因此,灯具需要进行电磁兼容性测试,以确保其不会对其他设备造成干扰。
4. 安规认证的过程灯具生产企业在进行安规认证时,需要遵循一定的认证流程和程序。
灯具认证美规和欧规差异灯具认证美规与欧规差异一.相关定义1.灯具:凡是能分配,透出或转变一个或多个光源发出的光线的一种器具,并包括支撑、固定和保护光源必需的部件(但不包括光源本身),以及必需的电路辅助装置和将它们与电源连接的设施。
2.普通灯具:提供防止与带电部件意外接触的保护,但没有特殊的防尘、防固体异物和防水等级的灯具。
3.可移动式灯具:正常使用时,灯具连接到电源后能从一处移动到另一处的灯具。
4.固定式灯具:不能轻易的从一处移动到另一处的灯具,因为固定以至于这种灯具只能借助于工具才能拆卸。
5.嵌入式灯具:制造商指定完全或部分嵌入安装表面的灯具。
6.带电部件:在正常使用过程中,可能引起触电的导电部件。
中心导体应当看作是带电部件。
7.EN安全特低电压(SELV-safety extra-low voltage):在通过诸如安全隔离变压器或转换器与供电电源隔离开来的电路中,在导体之间或在任何导体与接地之间,其交流电压有效值不超过50V。
8.UL低压线路:开路电压不超过交流电压有效值30V的线路。
9.基本绝缘(EN):加在带电部件上提供基本的防触电保护的绝缘。
耐压应在2U+1000V以上(U:当地的电网电压)。
10.补充绝缘(EN):附加在基本绝缘基础上的独立的绝缘,用于基本绝缘失效时提供防触电保护。
耐压值应在2U+1750V以上(单层)。
11.双层绝缘(EN):基本绝缘与补充绝缘组成的绝缘,耐压值应在4U+2750V以上(即基本绝缘与补充绝缘耐压之和)。
12.增强绝缘(EN):绝缘效果与双层绝缘相当的一种加强性绝缘。
从总体上看,一般只为一层,但也可由多层组成,且各层不可明确进行分割并单独测量。
耐压值应在4U+2750V以上。
13.CLASS O级灯(EN):仅以基本绝缘为电击保护措施的灯具,无接地等保护措施。
14.CLASS I级灯(EN):除了基本绝缘为电击保护措施外,还采用了其它如接地等保护性措施的灯具。
灯具的安规常识UL=(underwriter(aborigines lnc)美国保险商试验所,美国最具权威的,也是世界上从事安全试验和鉴定的专业机构(不是一个组织,也不是一个人,它是美国保险业的一个试验室)作用:1、维护保险业自身的利益2、保护消费者基本权益。
重点:防火、防电、防意外CE :( EUROPEAN COMMUMITIES)欧洲国家中,某些电器厂产品经过自身测试或委托其它组织测试符合电器供应商,而对该电工产品做出担保的一种宣告演变:1989年从玩具开始建立起一些指令,后来所有的电器也遵循公认标准指令,从而所得CE欧盟15国:德国、英国、意大利、西班牙、比利时、荷兰、葡萄牙、希腊、奥地利、瑞典、爱尔兰、卢森堡、瑞士、挪威、冰岛、苏格兰GS:德国莱茵TUV最著名的产品认证机构GB:国际电工重点是IECEE建立的一套全球性互认制度,全球34个国家45个认证机构VDE:德国国家标准是GS的授权实验室之一;一、灯具的分类1、按装饰环境不同为:室内灯和室外灯、环保及节能灯。
2、按安装方式分为:(1)固定式灯具:吊灯、壁灯、吸顶灯、探照灯、导轨灯。
(2)可移动式灯具:台灯、立灯。
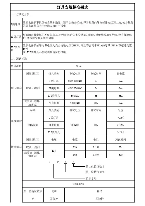
3、按防触电保护型式分:“0”类、“I”、“II”、“III”类3.1 “0”类灯具(CLASS“0”)依靠基本绝缘作为防触电保护的灯具3.2 “I”类灯具(CLASS“I”)灯具防触电保护不仅依靠基本绝缘,而且加带接地导线保护使易触及的导电部件城基本绝缘失效时不致带电。
3.2.1“I”类灯具可以有双重绝缘或加强绝缘的部件3.3 “II ”类灯具(CLASS“II ”)灯具防触电保护不仅依靠基本绝缘而且具有附加安全措施(双重绝缘或加强绝缘)但不带接地线,标志“3.4 “III ”类灯具( CLASS“III” )防触电保护依靠电源电压为安全特低电压,并且其中不会产生高于SELV 电压的灯具3.4.1 “III ”类灯具不应提供保护接地措施,标志“” 3.4.2 “III ”类灯具所带变压器应具备二类产品的绝缘保护标准、测试也同样4、 按防尘、防固体异物和防水分类4.1 IP 的含义: I ——防尘的等级P ——防水的等级第一位特征数字的防护等级第二物征数字所代表的防护等级注:1、IPX3斜角60·淋水并加水压(关电自然冷却)2、IPX4360·范围内喷水并加水压(正常使用当中亮灯)3、IPX5IPX6 用水柱压力测试360·范围测试(在正常使用当中亮灯) 5、按灯具设计安装表面材料分类5.1、根据灯具是否适合于在所有的情况下直接安装在普通可燃材料表面或主要打算如此;还是适合于安装在非可燃材料表面5.2、适宜于直接安装在普通可燃物质表面的灯具,即表示此灯具在使用正常温度不超过90·C,被放产品的材质耐温不超过90·符号表5.3、不适宜于直接安装在普通可燃材料表在面上的灯具(只适宜于安装在非可燃材料上即表示此产品使用正常温度高于90·C)符号表示5.4、当隔热材料可能盖住灯具时,灯具适宜于安装城普通材料表面上(内),符号表示一、灯具的结构1、灯座1.1灯座固定装置有足够机械强度。
灯具安规基础知识编写/整理:电子组欧规中的安全电压为50V~,通常大于50V~的电压俗称高压,小于50V~的电压俗称低压。
以下描述的高压、低压均对此而言。
一、绝缘1、基本绝缘基本绝缘是灯具中用于带电体防触电保护最基本的绝缘,基本绝缘应能通过2U+1000V~的高压测试。
灯具的结构应能保障正常非拆卸状态下基本绝缘不能被手(测试手)触摸到。
2、补充绝缘在基本绝缘基础上增加的一层绝缘,用于当基本绝缘失效时的防触电保护,补充绝缘必须要固定。
补充绝缘应能通过2U+1750V~的高压测试。
3、双层绝缘基本绝缘、补充绝缘同时合并在一起称为双层绝缘,双层绝缘也称双绝缘、双重绝缘。
双层绝缘应能通过4U+2750V~的高压测试。
4、单层绝缘单层绝缘就是指基本绝缘,其各方面要求与基本绝缘相同。
5、加强绝缘加强绝缘也叫增强绝缘,其绝缘效果与双重绝缘相当的一种单一绝缘体。
从其结构来看一般仅有一层,或由不能单独分割测量的多层组成。
加强绝缘与双层绝缘一样要能通过4U+2750V~的高压测试。
二、灯具分类灯具的分类方法很多,依照安全防护等级可以分为0类、I类、II类、III类。
1、0类灯具工作电压是高压,防触电保护采用基本绝缘,而无其他防触电保护措施的灯具。
此类灯具安全性能较差,目前欧美国家已不允许生产销售。
0类灯具无符号标识。
特征:高压、无接地线、单层绝缘。
2、I类灯具工作电压是高压,防触电保护采用单层绝缘基本绝缘外,还采用接地作为防触电保护的灯具。
I类灯具无符号标识,其内部可以包含有II类结构,即I类灯具内部分电气结构可以采用双绝缘的方式。
特征:高压、有接地、单层绝缘。
3、II类灯具工作电压是高压,防触电保护采用双层绝缘的灯具。
II类灯具用符号标识,其内部可以包含有III类结构。
特征:高压、无接地、双层绝缘。
4、III类灯具工作电压是安全电压的灯具。
III类灯具用符号标识。
特征:安全电压供电。
三、安全距离1、爬电距离爬电距离就是带电体与外露金属体或灯具外表面之间绝缘体内表面的总距离。
灯具安规知识一.灯具产品可能以生的危害:1)触电;2)火灾;3)机械性危害导致伤人;4)辐射性危害。
二.灯具的分类(按绝缘等级来分):1)O类:依靠基本绝缘防止触电的灯具。
2)I类:这类灯具指其带电部分只被基本绝缘层包着,而灯具之金属部分需有接地装置,或接地线等附加绝缘。
3)Ⅱ类:带电部分除基本绝缘外,再有一层绝缘层包着或带民部分被加强绝缘包着(绝缘层≥1㎜)。
4)Ⅲ类:完全不带高压部分和不会产生高压电,采用安全特低电压供电来防止触电。
基本绝缘:加在带电部件上提供防止触电的基本防护的绝缘。
双重绝缘:由基本绝缘和补充绝缘组成的绝缘。
补充绝缘:在基本绝缘万一失效的情况下仍能防止触电而加的一种独绝缘。
加强绝缘:用于带电部件上的一种单一绝缘系统,其防触电性能与双重绝缘相当。
三.安全测试的重要性:安全测试为人、财产、环境提供安全保障。
四.灯具一般需作哪些测试?其标准要求?1. 高压测试注:1)测试电压相同的条件下,测试电流越大标准就越低;2)测试电流相同的条件下,测试电压越大标准就越高(漏电电流)。
2. 接地测试(只针对class I电器)欧规标准: 电流≤10A,电阻≤0.5欧姆, 电压≤12V;美规标准: 电流≤25A,电阻≤0.1欧姆, 电压≤12V;接地不通属致命缺陷,地线松脱规定为致命缺陷.3.功率测试1)电感火牛功率范围:-10%----+8%加上损耗值.2)230V的电子火牛:-10%-----0%3)灯泡,灯杯,灯管,灯胆:-10%----+8%功率偏高属严重缺陷,偏低属轻微缺陷.4.极性测试1)主要针对带有E12,E14,E17,E26,E27灯头的灯具而言,(螺旋式灯头必需分正负极性).2)底弹片为正极,边弹片为负极.3)正负极接反规定为致命缺陷.5.亮灯测试检查灯头\灯泡之间的配合性和灯头\灯泡之间的接触性,不能亮灯属严重缺陷. 6.老化性测试(环境温度在25℃±10℃之间)1)测试产品的耐久性能(主要涉及电器元件,塑料件,玻璃制品等零部件的检测).2)一般采用额定电压的1.06倍电压,连续工作72小时点灯测试.7.跌落测试1)主要针对用卡通箱,白盒,彩盒,开窗盒包装的产品而言,检测包装的安全性.2)用六面三棱一角自由落地测试(在实木板上).3)测试高度由重量决定.8.电源线拉力测试1)主要针对台灯,落地灯而言,检测电源线防拉功能.2)欧规标准:8.0KG吊重1小时,电线位移≤2mm,美规标准:15.9KG(35LBS)吊重1分钟,位移≤1.6mm.9.稳定性测试(针对台灯,落地灯而言)1)美规标准:一般要求通过8°斜度板测试;2)欧规标准:一般要求通过15°斜度板测试,确实无法通过时,至少通过6°斜度板测试.。
灯具生产制造相关的安规知识一相关定义1,灯具:凡是能分配,透出或转变一个或多个光源发出的光线的一种器具,并包括支撑、固定和保护光源所必需的部件{但不包括光源本身},以及必需的电路辅助装置和将它们与电源连接的设施2,普通灯具:提供防止与带电部件意外接触的保护,但没有特殊的防尘、防固体异物和防水等级的灯具3,可移动灯具;正常使用时,灯具连接到电源线后能从一处移动到另一处的灯具4,固定式灯具:不能轻易的从一处移动到另一处的灯具,因为固定以致于这种灯具只能借助工具才能拆卸5,嵌入式灯具:制造商指定完全或部分嵌入安装表面的灯具6,带电部件:在正常活动过程中,可能引起触电的导电部件。
中心导体应当看作是带电部件7,安全特低电压;在通过诸如安全隔离变压器或转换器与供电电源隔离开来的电路中,在导体之间或在任何导体与接地之间,其交流电压有效值不超过50V8,基本绝缘:加在带电部件上提供基本的防触电保护的绝缘,耐压应在2U+1000V以上9,补充绝缘:附加在基本绝缘基础上的独立的绝缘,用于基本绝缘失效时提供防触电保护。
耐压值应在2U+1750V以上10,双层绝缘;基本绝缘与补充绝缘组成的绝缘,耐压值应在4U+2750V以上{即基本绝缘与补充绝缘耐压之和}11,增强绝缘:绝缘效果与双层绝缘相当的一种加强性绝缘,从总体上看,一般只为一层,但也可由多层组成,且各层不可明确进行分割并单独测量。
耐压值应在4U+2750V 以上12,CLASSⅠ:除了基本绝缘为电击保护措施外,还采用了其它如接地等保护性措施的灯具13,CLASSⅡ:采取双重绝缘或加强绝缘为电击保护措施的灯具。
其绝缘效果不依赖于接地或安装条件14,CLASSⅢ:使用特低安全电压为防电击保护方式的灯具,且其中不会产生高于安全特低电压的灯具15,安装表面:灯具正常使用时准备或打算固定、悬吊、坐落或安置在任何建筑物、家具或其它结构上地部分16,外部软缆或软线:连接到输入或输出电路的软缆或软线,用下述方法使其固定在灯具上或装到灯具上X型连接:软缆或软线可以轻易更换的一种连接方法注:软缆或软线可以上特制的,并且只能从制造商或其服务代理商处得到注:一种特制的软缆或软线也可以包括灯具的一个部分Y型连接:只能由制造商、代理商或类似被认可人员更换软缆或软线的一种连接方法注:Y型连接可以使用普通的软缆或软线,也可以使用特殊的软缆或软线Z型连接:除非将灯具损坏,软缆或软线不能更换的一种连接方法灯具的标志下述信息应清晰耐久地标记在灯具上a,换灯泡时要看的标记应在灯具外表面{安装面除外}看得到,或者换灯泡时要拆下的罩盖或者随灯泡一起拆下的罩盖反面看得到。
全球各国LED照明灯具安全规范知识OFweek半导体照明网讯一.灯具相关定义1.灯具:凡是能分配,透出或转变一个或多个光源发出的光线的一种器具,并包括支撑、固定和保护光源必需的部件(但不包括光源本身),以及必需的电路辅助装置和将它们与电源连接的设施。
2.普通灯具:提供防止与带电部件意外接触的保护,但没有特殊的防尘、防固体异物和防水等级的灯具。
3.可移动式灯具:正常使用时,灯具连接到电源后能从一处移动到另一处的灯具。
4.固定式灯具:不能轻易的从一处移动到另一处的灯具,因为固定以致于这种灯具只能借助于工具才能拆卸。
5.嵌入式灯具:制造商指定完全或部分嵌入安装表面的灯具。
6.带电部件:在正常使用过程中,可能引起触电的导电部件。
中心导体应当看作是带电部件。
7.EN 安全特低电压(SELV-safety extra-low voltage):在通过诸如安全隔离变压器或转换器与供电电源隔离开来的电路中,在导体之间或在任何导体与接地之间,其交流电压有效值不超过50V。
8.UL 低压线路:开路电压不超过交流电压有效值30V 的线路。
9.基本绝缘(EN):加在带电部件上提供基本的防触电保护的绝缘。
耐压应在2U+1000V 以上(U:当地的电网电压)。
10.补充绝缘(EN):附加在基本绝缘基础上的独立的绝缘,用于基本绝缘失效时提供防触电保护。
耐压值应在2U+1750V 以上(单层)。
11.双层绝缘(EN):基本绝缘与补充绝缘组成的绝缘,耐压值应在4U+2750V 以上(即基本绝缘与补充绝缘耐压之和)。
12.增强绝缘(EN):绝缘效果与双层绝缘相当的一种加强性绝缘。
从总体上看,一般只为一层,但也可由多层组成,且各层不可明确进行分割并单独测量。
耐压值应在4U+2750V 以上。
13.CLASS O 级灯(EN):仅以基本绝缘为电击保护措施的灯具,无接地等保护措施。
14.CLASS I 级灯(EN):除了基本绝缘为电击保护措施外,还采用了其它如接地等保护性措施的灯具。
灯具安规知识灯具安规知识一.相关定义1.灯具:凡是能分配,透出或转变一个或多个光源发出的光线的一种器具,并包括支撑、固定和保护光源必需的部件(但不包括光源本身),以及必需的电路辅助装置和将它们与电源连接的设施。
2.普通灯具:提供防止与带电部件意外接触的保护,但没有特殊的防尘、防固体异物和防水等级的灯具。
3.可移动式灯具:正常使用时,灯具连接到电源后能从一处移动到另一处的灯具。
4.固定式灯具:不能轻易的从一处移动到另一处的灯具,因为固定以致于这种灯具只能借助于工具才能拆卸。
5.嵌入式灯具:制造商指定完全或部分嵌入安装表面的灯具。
6.带电部件:在正常使用过程中,可能引起触电的导电部件。
中心导体应当看作是带电部件。
7.EN安全特低电压(SELV-safety extra-low voltage):在通过诸如安全隔离变压器或转换器与供电电源隔离开来的电路中,在导体之间或在任何导体与接地之间,其交流电压有效值不超过50V。
8.UL低压线路:开路电压不超过交流电压有效值30V的线路。
9.基本绝缘(EN):加在带电部件上提供基本的防触电保护的绝缘。
耐压应在2U+1000V以上(U:当地的电网电压)。
10.补充绝缘(EN):附加在基本绝缘基础上的独立的绝缘,用于基本绝缘失效时提供防触电保护。
耐压值应在2U+1750V以上(单层)。
11.双层绝缘(EN):基本绝缘与补充绝缘组成的绝缘,耐压值应在4U+2750V以上(即基本绝缘与补充绝缘耐压之和)。
12.增强绝缘(EN):绝缘效果与双层绝缘相当的一种加强性绝缘。
从总体上看,一般只为一层,但也可由多层组成,且各层不可明确进行分割并单独测量。
耐压值应在4U+2750V以上。
13.CLASS O级灯(EN):仅以基本绝缘为电击保护措施的灯具,无接地等保护措施。
14.CLASS I级灯(EN):除了基本绝缘为电击保护措施外,还采用了其它如接地等保护性措施的灯具。
15.CLASS II级灯具(EN):采取双重绝缘或增加绝缘为电击保护措施的灯具。
其绝缘效果不依赖于接地或安装条件。
16.CLASS III级灯(EN):使用特低安全电压(SELV)为防电击保护方式的灯具。
17.普通可燃材料(normally flammable material):材料的引燃温度至少为200℃,并且在此温度时该材料不至于变形或强度降低。
例如木材及厚度大于2mm的以木材为基质的材料。
18.易燃材料(readily flammable material):普通可燃材料和非可燃材料以外的一种材料。
例如木纤维和厚度小于2的以木材为基质的材料。
19.非可燃材料(non-combustible material):不能助燃的材料。
例如金属、水泥等。
20:定型试验(type test):对定型试验样品进行测试,其目的是检验某一给定产品的设计是否符合有关标准的要求,但通过定型测试后的产品在生产阶段是否符合标准要求,需要以测试报告及相关文件来保证。
二.灯泡简介1.钨丝灯泡,包括白炽灯泡、石英灯泡及卤素灯泡等。
常用白炽灯泡有:Type A,B,C,G,R,T、欧洲灯泡Base–E14,E27。
其中,英国亦可用B15,B22;北美灯泡Base Type–E12,E17,E26。
E-Edison(爱迪生式螺丝口);B-Bayonet(卡口)A.常用石英灯泡有Type T(JC),MR,JDR-C(GU10)。
2.荧光灯管,常用有FL(T5,T8,T12…),PL-S,PL-C,2D以及节能灯管。
注:对钨丝灯泡及FL荧光灯管通常的表示方法为:表示类型(Type)的字母加上阿拉伯数字,例如:A19,B10,C7,G25,S11,T8…,其中阿拉伯数字表示灯泡的大概直径,如A19灯泡的直径D=19*1/8”,再乘以25.4即为以mm为单位的灯泡直径。
特例:欧规R泡所跟的数字为灯泡实际尺寸,如R50,R80…常见灯泡形状:螺纹A泡、卡口A泡、B泡、G泡、R泡、R7s太阳管、JC、G9、G4.0三.灯具分类(一)按安装方式:可移动式灯具:台灯,挂式壁灯,落地灯固定式灯具:天花灯(吸顶灯),吊灯,壁灯,嵌入式灯,轨道灯。
(二)使用环境:1.EN规格1)户内使用:用符号表示,金属件外表面要作防腐处理;2)户外使用:用符号表示,金属件外表面要作防腐处理;特别要求:喷水测试(即要求有最小Ф3.2mm漏水孔),金属件内外表面要作防腐处理。
2.UL/CSA规格1)干环境(DRY LOCATION):至多暂时湿气较大。
例如起居室、客厅、厨房等室内环境。
2)潮环境(DAMP LOCATION):至少会周期性出现湿气液化现象。
例浴室、地窖冷冻库等室内潮湿的环境以及在阳台天蓬内、大门遮雨罩等有上盖的户外环境。
3)湿环境(WET LOCATION):至少会遭受雨滴或水溅。
例如地下、水中及所有户外环境和洗车场等可以淋到水的户内环境。
注:潮环境、湿环境主要特别要求:喷水测试(即要求有漏水孔最小3.2mm),金属件内外表面要作防腐处理,灯头导电触片需耐腐蚀(铜端片)。
(三)按使用标准类别1.北美体系:主要是UL/CSA规格体系。
电压为AC100V~127V,60HZ,包括北美洲、南美洲的部分国家以及日本、菲律宾、台湾等前美国殖民地区。
UL Lab.按CSA标准对产品进行测试,合格则可用cUL MARK出口加拿大。
我司目前的UL FILE:1)E219568—可移动式灯具;2)E203552—固定式灯具;2.国际电工委员会(IEC-International Electrotechnical Commission)体系:包括、欧洲、亚洲、澳洲、非洲、东南亚的绝大多数国家和地区。
所列规格都为引用EN60598系列标准再加上本国(本地区)的一些特别要求(如电压,插头类型等)。
我国于1957年参加IEC,目前是IEC理事局、执委会和合格评定局的成员。
灯饰行业的国家标准GB7000系列对应于IEC60598系列。
其中IEC(EN)产品还可细分为如下类别:(1)按防电击保护程度:A.CLASS0级灯,无代表符号。
特征:电源电压为50V以上高压/单层绝缘/无接地。
B.CLASS I级灯,无代表符号。
单层绝缘结构,外露可触金属需接地。
CLASS I灯中可有部分结构为CLASS II结构。
特征:电源电压为50V以上高压/单层绝缘/有接地。
C.CLASS II级灯,用符号“”表示。
II级灯通常为双重绝缘结构,但可以有部分结构为CLASS III结构(如变压器之后的低压部分)。
(内置式变压器应设计为二类灯具)。
特征:电源电压为50V以上高压/双重绝缘/无接地。
D.CLASS III级灯。
用符号“”表示,供电为安全特低电压SELV(外置变压器直插式灯具)特征:电源电压为50V以下低压/单层绝缘/无接地。
(2)按防尘防固体异物、防潮能力IP指数区分:IPXX第一位数:防尘防固体异物指数,分0-6七个等级。
数字愈大防尘防固体异物能力愈强。
0:无防护;1:防大于50mm的固体异物;2:防大于12mm的固体异物;3:防大于2.5mm的固体异物;4:防大于1mm的固体异物;5:防尘;6:尘密第二位数:防潮能力指数,分0-8九个等级。
数字愈大防潮能力愈强;0:无防护;1:防滴(垂直);2:防滴(倾斜15度);3:防淋水(60度范围);4:防溅水;5:防喷水:6:防猛烈海浪;7:防浸水影响;8:防潜水影响。
说明:1)普通灯具防护等级为IP20,一般不用标示。
2)户外使用灯具的防护等级IP#一般都在IP23或以上,且需要标示。
(3)按安装面可燃性区分:A.仅适宜于直接安装在非可燃表面的灯具,用符号“”表示。
B.适宜安装在普通可燃表面的灯具,用符号“”表示。
C.可安装在普通可燃表面且隔热材料可能盖住灯具的场合(即嵌入式),用“”表示。
四.主要电气元件材质要求:UL/cUL/CAS规格:电流的载体(导电体)必须是铜、铜合金、镍合金,或不锈钢。
EN规格:载流部件(导电体)须由铜或含铜至少80%以上的铜合金或至少具有相同导电性能的材料制成。
1.灯头:1.1UL/cUL/CAS规格(AC120V60HZ)规格为E26、E17、E12,多用陶瓷和电木灯头,不能使用铝灯头。
E26灯头多为带开关,E17、E12灯头不带开关。
要求有UL认证。
1.2EN规格(AC220V~230V50HZ规格为E14、E27螺纹灯头,多为塑料灯头,也有陶瓷灯头,较少电木灯头。
E27灯头一般耐温度210℃(60W或60W以下),100W一般采用陶瓷灯头。
一般灯头不带开关。
要求有VDE或相应认证1.3SAA/BS规格(AC240V50HZ)常用B22和B15卡口灯头,不分极性,也用E27、E14螺纹灯头,一般不带开关。
1.4GB规格(AC220V50HZ)常用E14、E27螺纹灯头,也有B22卡口灯头。
要求有CQC认证。
2.开关2.1UL/cUL/CAS规格:A、旋转开关:如灯头开关,底座开关。
B、中途开关:从中途开关到出线位长度不小于20cm。
C、长方形拔动开关:多用于石英灯,部分台灯也用,一般安装要求为上开下关,前开后关,左开右关,但要以满足客户要求为原则。
D、调光器:有旋转式:即逐渐由暗到亮,无级调光。
三位式:即弱亮→亮→灭E、触摸开关:四位式→弱亮→亮→强亮→灭2.2EN规格A、灯头按动开关B、底座拔动开关安装方向同UL要求C、方形拔动开关安装方向同UL要求D、中途开关(单刀制):一般要中途开关至出线位长度不小于20cm;脚踏开关(按动开关或调光器):一般出线位至脚踏开关距离不小于30cm。
2.3SAA/BS规格SAA开关一般用双刀开关,分底座开关和中途开关(双刀制),但客户有特别要求除外;BS用单刀制,同VDE要求。
2.4GB规格用有CQC、CCC认证的开关,台灯、夹灯用按动开关,开关至出线位长度不小于20cm;落地灯用脚踏开关;出线位至脚踏开关距离不小于30cm。
3.电源线:3.1UL/cUL/CAS规格:一般用SPT-2透明电源线大小脚有孔插头,要求插片材质为铜质镀镍,有字唛线连到小脚为L极,条纹线连大脚为N极,开关要切断有字唛的电线。
也有用黑色插头线,大小脚双直脚扁插头,N极电线外径较粗且有直棱纹,L极电线外径较细且光滑。
灯体内部用黑白引线,一般黑引线接L极,白引线接N极。
出线长度为由出线位到插头不小于6英尺,公司规定不短于1.80m,接线方式一般用闭端接线器(奶嘴)、旋入式接线器(牙膏盖)。
3.2EN规格两芯双重绝缘线,双脚圆插头。
内有啡色线、蓝色线,啡色线接L极,蓝色线接N 极;三芯双重绝缘线,三脚圆插头,内有啡色、蓝色及黄绿双色引线,其中黄绿双色线为接地线,装开关时一定要控制火线,电源线出线长度要求为1.85m,接线方式一般用接线座。