产品标识和可追溯性管理程序
- 格式:docx
- 大小:11.42 KB
- 文档页数:2
产品标识和可追溯性控制程序引言在现代生产制造中,产品标识和可追溯性控制程序是至关重要的环节。
它们可以确保产品在整个供应链中的溯源,保护消费者权益,提高生产和服务的质量,以及满足监管要求。
本文将介绍产品标识和可追溯性控制程序的概念、作用以及实施方法。
什么是产品标识和可追溯性控制程序?产品标识产品标识是指给产品附加的唯一标识符,以便识别和跟踪产品。
它可以是一串数字、条形码、二维码、RFID标签等形式。
产品标识可以包含关于产品的信息,如生产日期、批次号、序列号等。
通过产品标识,可以追踪产品的生产、流通和使用情况。
可追溯性控制程序可追溯性控制程序是指为了实现产品追溯而实施的一系列控制措施和程序。
它包括了产品标识的规定和管理,以及相关信息的记录和管理。
可追溯性控制程序可以确保产品在每个环节都有记录,可以随时追溯到具体的生产过程、供应商、原材料等。
同时,可追溯性控制程序也可以帮助追踪和解决产品质量问题。
产品标识和可追溯性控制程序的重要性产品标识和可追溯性控制程序的实施对于企业和消费者来说都具有重要意义。
对于企业而言,产品标识和可追溯性控制程序可以帮助其做到以下几点:1.保证产品的质量和可靠性:通过追溯产品的生产过程,企业可以及时发现和纠正生产中的问题,确保产品符合质量标准和客户的要求。
2.提高供应链的可控性:产品标识和可追溯性控制程序可以帮助企业更好地管理供应链,及时了解原材料的来源和流向,减少供应链的风险。
3.增强企业的品牌价值:通过产品标识,企业可以在市场上展示自己的品牌和形象,提升消费者对产品的认可和信任度。
对于消费者而言,产品标识和可追溯性控制程序可以带来以下好处:1.保护消费者的权益:产品标识可以帮助消费者识别和区分不同的产品,防止假冒伪劣产品的出现。
2.提供产品安全信息:通过产品标识,消费者可以获取产品的相关信息,如生产日期、原材料信息等,帮助其做出明智的购买决策。
3.追溯产品质量问题:如果消费者购买到有质量问题的产品,通过产品标识和可追溯性控制程序,可以更容易确定问题的原因,并及时进行处理。
产品标识与可追溯性管理程序Product id entification and traceability management procedure(IATF16949-2016)1.目的 Objective为能控制从原材料到成品出货的整个流程的质量状况及其追溯性,对各制程的产品标识追溯予以控制,特制定本程序。
To control the quality conditions and related traceability from the raw material to the final product delivery to ensure the product identification and traceability are under control.2.适用范围 Applicable Scope本程序适用于所有在公司范围内的原材料、半成品和成品的标识及追溯均适用本程序。
Be applied to the identification and traceability of the raw material, semi-finished product and finished product in our company.3. 职责Responsibilities3.1. 生产部:负责在线产品和生产过程中原材料、半成品、成品状态的标识储存及保护。
Production department: identify, store and protect the online productsand raw material, semi-finished product, finished product.3.2. 品质部:负责成品、半成品、不良品、原材料等对不同检验和试验状态的产品进行标识。
Quality department: identify the products of different inspection and test status.3.3. 仓管部:负责原材料和成品入库的标识、保护以及出入库时都有明显的标识和记录。
产品标识和可追溯性控制程序1目的公司对产品的标识进行控制,以防止产品混淆,误用。
确保在需要时对产品质量的形成过程可追溯。
2范围本程序适用于本公司采购产品及生产过程中的半成品、成品。
3职责3.1品质部负责产品标识和可追溯性的控制与管理。
负责产品的检验和试验状态标识,并对其有效性进行监控。
检验人员负责对采购产品的标识及标识移植。
3.2仓库、生产车间负责所属区域内产品标识和维护管理,负责产品的分区摆放。
4程序4.1产品标识的内容与方法4.1.1产品标识的内容可包括产品名称、型号、研制阶段、关键件、重要件、例外(紧急)放行、产品状态、检验和试验状态、所处工序、质量状况、生产批次或编号、生产单位、生产者、检验者、制造日期、检验日期、保管期、产品处置、使用和防护、安全警示等。
4.1.2产品标识的方法可根据具体需要采用标签、铭牌、单据、记录、印章或其他标记等。
标识应清晰、牢固、耐久,并符合规范要求。
4.2采购产品的标识4.2.1采购产品包括原材料、外协件、外购件等。
采购产品进入公司后由采购人员负责将其放置于待检区,向品质部提出报检并提供相关质量证明,经检验员检验合格后方可办理入库手续。
仓库管理员按不同类型的采购产品分别进行标识库存。
4.2.2采购人员在购回物资时,对要求具有质量证明文件的产品,应保持物资原有标识(如生产单位、规格型号、生产批次编号和日期、执行的标准、储存条件、保管期、合格证等)。
4.2.3顾客提供的物资由接收人员标明名称、规格、数量、合同号以及用其本身铭牌等来标识。
4.2.4检验员在进货检验中应确认和保持产品标识,对具有追溯性的原始记录,应归档保存或按规定进行标识移植和替代。
4.2.5检验合格入库后的产品,库管人员应按规定要求保持或实施产品标识。
4.2.6检验不合格的外协外购件由检验员放置于不合格区域,做好不合格标识,按《不合格输出的控制控制程序》执行。
4.3生产过程的产品标识4.3.1对生产过程的产品(在制品、半成品),生产车间使用《工序流转卡》进行标识,填写生产部门、生产批次和日期、生产者、检验者、不合格处理结果等内容。
1 目的1.1 确保所有物料都得到正确标识,从而防止进货、贮存、发放的原材料及零部件,制程中的半成品,出货时的成品出现混淆;1.2 减少物料流转过程中,对物料的重复确认,提高检验效率;1.3 提供产品的可追溯性。
2 范围进货、制程、出货整个过程中,所有物料,包括零部件、半成品、成品的标识控制。
3 涉及部门3.1 质量部3.2 生产部3.3 物流部4 定义4.1 物料:对零部件、半成品和成品的总称或其中之一;4.2 标识卡:对所有物料进行有效标识的卡片,卡片上的信息必须明确这些物料所处的状态;4.3 可追溯性:通过对物料进行合理的标识,可以追溯到某产品是如何生产出来的,特别是当产品出现问题时,能够通过产品或包装上合适的标识追溯到这些产品最初在各生产车间的生产和质量检验状况,便于进一步对产品质量的分析。
4.4 不合格品:凡是偏离公司和客户批准的相关技术要求(如图纸、客户批准的文件资料、相关技术标准等)的产品;没有标识的产品视为不合格品。
5 一般原则5.1 任何物料都必须有标识,以明确该物料的身份和所处的状态。
5.2 可以对某一个零部件进行标识,也可以按箱、按筐、按袋或按捆等进行标识,但必须保证该箱、筐、袋或捆中的物料状态一致。
5.3 所有物料的标识必须在物料或物料每袋、箱等的醒目位置,要求易于识别。
5.4 所有物料用标识卡进行标识,标识卡必须按规范填写清楚、完整。
5.5 贮存在仓库的零部件,采用“零部件标识卡”进行标识(零件标识卡格式参见《来料检验》)。
5.6 制程中的半成品物料,采用“产品标识卡”进行标识(产品标识卡格式参照“附件A”);5.7 成品采用不干胶进行标识(不干胶格式由客户确定)。
5.8 如果物料是经“偏差许可”的,则该批次物料必须对其进行“偏差许可”标识,注明偏差内容(参见《偏差许可》)。
5.9 一箱、一袋等包装中,不能有两种或两种以上物料,只能一种物料,同时进行正确标识。
5.10 仓库管理员必须确保仓库里所有零件的标识正确,如果零件标识丢失,则必须对零件重新确认,填好标识卡后方能向生产部门发货。
产品标识和可追溯性控制程序1.目的:使用适当的标识、记录,能正确地识别产品或物料的特征、特性,可顺利地追溯到各阶段的状况;2.适用范围:适用于原材料、半成品、成品包括客户财产在接收、生产、交付各阶段的标识和追溯;3.定义:无。
4.权责:4.1仓库:存放与仓储生产物料的标识、记录;4.2生产车间:生产物料、半成品、成品的标识、记录;4.3品管部:各控制阶段,检验与测试状况的标识、记录;5.作业内容﹕5.1 产品存放区域的标识:“物料暂放区”、“合格品区”、“不合格品区”、“待检区”;5.2 产品质量状况的标识:“合格”、“不合格”、“退货”,标识方式可用标签、印章或笔写;5.3 产品的标识:5.3.1 原材料的标识:由仓库用物料标签标识出产品的状况;品管部标识出产品的质量状况;仓库再将产品存放在相应的区域;5.3.2 (半)成品标识:生产过程的物料由生产车间用物料标签标识出产品的状况;品管部标识出产品的质量状况;生产车间再将产品存放在相应的区域;5.4 图样的标识:由开发部制作或开发完成的图纸作产品型号、客户等内容的标识;5.5产品的存放:产品需按产品的流动和质量状况存放在相应的区域,不得随意摆放,不同产品应分开包装和分开摆放或存放,以防误用。
5.6 产品的追溯:5.6.1 来料的追溯:可按物料标签和各产品对应的《检测报告》追溯到仓库的收货记录,再按仓库的收货记录追溯到采购部的采购记录,从而追溯到供应商,采购部负责与供应商沟通追溯和处理。
5.6.2 (半)成品的追溯:可按物料标签和各生产车间岗位的《测试记录》,ERP系统或者各车间产品随工单追溯到生产车间的生产记录,从而追溯到具体产品。
5.6.3 客户退货或投诉追溯:当有客户退货或投诉时由客户提供产品的收货记录,从而追溯到本厂的送货记录,再可追溯到各岗位的生产和检验记录,从而追溯到具体产品。
5.6.4 产品的可追溯性,由品管部负责追溯,相关部门协助追溯。
产品标识和可追溯性管理程序1 目的通过对工程设备、原材料及施工过程的产品和工序状态在接收入库、发放、安装各阶段加以标识控制,防止设备和材料混用、错用或产品状态的混淆,并有可追溯性要求时进行追溯、查寻。
2 范围程序适用于工程设备、材料、半成品、成品的标识管理与控制。
3 职责3.1 物资管理部门负责工程设备、材料出库前的标识管理与控制;3.2 领用部门负责设备、材料出库后的标识和标识维护;3。
3 质量管理部门、检测部门负责半成品和成品的标识管理;3。
4 质量管理部门负责标识的检查.4 材料和设备的标识4.1 设备、材料接收后,仓库管理员对未经验证的采购设备和材料,保持其原标识,并加以应醒目标识,如划分区域、挂待检标识牌等。
4。
2 设备、材料接收后,经验收合格,由仓库管理员填写入库手续,放入合格库存区,上架和分区存放,并进行标识,标识遵守如下规定:a)对有原标识的设备、材料(设备铭牌、材料编号或货号等),仓库管理员要保持原标识。
b) 对无原标识,而有国家规定标识的材料、设备,按国家规定进行标识。
c)对无原标识,又无国家规定标识的设备、材料,采用挂牌、涂色等方式进行标识。
d)入库产品采用“四定位"标识,做到清楚、易懂、不易消失。
4。
3 仓库管理员对验证不合格的设备、材料,隔离存放,醒目标识,如挂不合格标识牌等。
经处置合格后放入合格库存区.4.4 仓库管理员还应根据检验和试验报告或证明通过登记台帐的方式进行状态管理,表明此材料经检验和试验合格与否。
4.5 对有可追溯性要求的设备和材料应加以唯一的标识,并对标识进行记录。
4。
6 设备、材料出库时,物资管理部门仓库管理员应做好库存物资的标识移植工作。
4.7物资管理部门仓库管理员对库存设备、材料的标识予以维护.当标识损坏或丢失时,由检验人员或仓库管理员确认后追补标识,对需重新标识的设备及材料,重新标识前严禁发放。
4。
8 施工人员领用工程材料后,对有原标识的设备、材料维持原标识,也可根据需要对设备、材料重新标识,并维护标识。
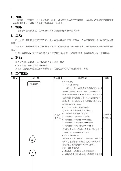
1. 目的:
在接收、生产和交付的各阶段为防止混用,以适当方式标识产品或物料。
当合同、法律规定或管理需要有追溯性要求时,对每个或每批产品进行唯一性标识。
2. 范围:
适用于本公司在接收、生产和交付的各阶段需要标识的产品或物料。
3. 定义:
产品标识:指用适当的方法在生产、服务运作全过程的材料、在制品、成品或包装物上做出适当的标记或标签。
可追溯性:指根据或利用所记载标识的记录,追溯一个项目或实体的历史、应用情况或用途或所处场所的能力。
检验与试验状态:指材料或产品有无进行检验和/或试验,以及经检验和/或试验的后合格与否的状态。
4. 职责:
生产部负责来料接收、生产各阶段产品的标识、维护。
财务部负责入库成品的标识和维护。
质检部负责对生产过程状态标识的管理,负责对各单位执行情况的检查、考核。
5. 工作流程:
6. 相关文件:
6.1、检验和试验控制程序 YH-B-19
6.2、不合格品控制程序 YH-B-24
6.3生产过程控制程序 YH-B-13
6.4《销售管理程序》 YH-B-09
6.5《搬运、贮存、包装与防护管理程序》 YH-B-17
7. 引出文件:
认证标志使用保管要求
8. 相关记录:
质量跟踪卡JL-B-17-01
X。
程序文件编号:NK/QSP-753-01版号:A/0发布日期:2018年02月01日实施:2018年02月01日拟制:审核:批准:受控编号:受控印章:1.目的防止不同类别、不同检验状态的产品混用和误用,当有规定时,实现产品的可追溯性。
2.适用范围适用于物料、半成品和成品的产品标识及检验状态标识。
3.职责3.1.生产部组织实施生产过程中产品标识和可追溯性工作。
3.2. 质量部负责确定生产过程各阶段产品可追溯性的唯一性标识以及标识的位置和方法。
3.3. 质量部负责所有产品标识的监督检查工作及检验状态或印章使用。
3.4. 仓库管理员负责对入库原辅材料、外购外协件和不同品种、规格、批次、货源单位进行明确标识和记录,防止混用。
4.5.仓库、车间负责所属区域产品的标识,负责不同检验状态产品的分区摆放,及所有标识的维护。
4.工作程序4.1.进货物料4.1.1.物料进厂,仓管员负责将其放置于待检区,对于本身未做产品标识或标识不清的物料,需贴物料标识卡,注明物料名称、数量、进货日期等内容。
4.1.2.经质量部检验合格的物料,由检验员签字后方可办理入库手续。
4.1.3.检验不合格的物料保持原有产品标识,放置于不合格品区。
4.1.4.对于紧急放行的物料用“紧急放行”标签或印章对其进行标识,便于追溯(本公司不执行紧急放行)。
4.2.生产过程中的标识4.2.1.对于生产过程中所使用的物料,如未能保持其原有产品标识,车间可在盛装的容器上直接标明其名称、型号(规格),进行标识。
4.2.2.对于待检品,需放置于待检盒,对于合格品,需放置于合格品区,对于不合格品(包括物料),需放置于不合格品区。
4.3.成品标识4.3.1.加工完成或各种原因退回的成品,如包装上已有注明,可不再做产品标识,放置于待检区(检验后,可保持其原有产品标识)。
4.3.2.检验合格的成品,由检验员签字后方可办理入仓手续。
4.3.3.检验不合格的成品,直接将其放置于不合格品区。
标识和可追溯性控制程序1目的为明确自生产至交付所有阶段中产品的标识以表明生产过程产品的实际状态和达到可追溯性的目的和有效控制,制定本程序。
2范围本程序仅适用于自生产至产品交付所有阶段对产品进行标识。
3职责3.1生产车间、仓管员对所属区域内的产品进行标识和检验状态标识。
3.2质检部门负责对各自检验的产品进行标识。
4程序4.1标识4.1.1产品流转/存放标识4.1.1.1物料进厂,原料仓库仓管员应检查物料的外包装标记。
对于未有标记或标记不清的物品应挂以标识或贴上标签,对于物料本身的外包装标记已明确,可利用其标记进行识别,也可予以标识。
原物料应分类堆放。
4.1.1.2生产过程中的半成品或暂歇期间的在制品,生产车间应对每堆物资放置标签,并注明其目前的工作状态并分类堆放,产品加工过程采用《自制件随工流转卡》进行标识。
4.1.1.3加工完成的成品可根据客户要求在其外包装上按客户要求进行标记。
客户没有要求的,在存放期间应放置相应的识别标识。
4.1.1.4对加工过程中的关键件除采用《自制件随工流转卡》进行标识外,还要有《关键件检验记录》记录检验结果,做到质量可追溯性,对焊接、总装、涂装有《焊接检验指导书及记录》《总装配检验指导书及记录》《涂装检验指导书及记录》进行可追溯记录。
4.1.1.5所有流转/存放的标识除类别标牌外,应清楚说明标识的内容。
4.1.2检验/试验状态标识4.1.2.1检验/试验状态标识分待检及不良品字样的牌子/标签,并分区堆放。
正常合格品使用产品流转单/标识牌/标签,并在上签名/盖章,不另作检验/试验合格状态标识。
4.1.2.2物料进厂,仓管员应通知检验部门进行检验并负责放置“待检”牌,经检验部门检验/验证合格,检验人员在进仓单据上签名并取摘“待检”牌,仓库方可入库。
4.1.2.3生产过程中的不合格应放置在标有红色不良警示字样的容器内。
4.1.2.4无论是材料还是半成品、成品,对于检验不合格,需放置红色不合格字样的标签/标牌或不合格标记或存放在标有红色不良警示字样的区域内。
产品标识与可追溯性管理程序(IATF16949-2016/ISO9001-2015)1.0目的建立和实行产品标识和记录制度,根据标识或记录对产品进行追溯,为分析产品质量和采取纠正措施提供依据。
2.0适用范围本程序适用于所有在公司范围内的原材料、半成品和成品的标识。
3.0职责3.1.生产部负责在线产品的标识方法,负责生产过程中原材料、半成品、成品状态的标识。
3.2.品质部负责检验和试验状态的标识。
3.3.仓管部负责库存品的标识4.0程序内容4.1.产品标识4.1.1.来料标识:由供方在外包装上用标签进行标识。
4.1.2.原材料存贮时标识。
4.1.2.1.原材料来料时,由IQC标明检验状态,原材料检验完成后在包装箱贴上检验标识,并注明该原材料的品名、数量、供应商及检验结果,参照《进料检验管理程序》。
4.1.2.2.原材料入库时由仓管员根据品质部检验结果标识状态办理,且在《物料标识卡》记录原材料的入库时间、品名、数量。
4.1.3.成品标识4.1.3.1.单一产品标识:在成品的指定位置贴上该成品的成品条码、QC Passed 标签,成品条码按照《产品条码编码规范》执行。
4.1.3.2.外箱标识:在外箱的指定位置贴上标签,注明产品的型号、生产日期、客户名、检验结果、检验日期、生产批号等。
4.1.4.执行状态标识。
4.1.4.1.生产状态标识为:待处理品、完成品和不良品等,生产中根据各工序的不同情况进行标识。
4.1.4.2.检验状态标识参见《成品检验管理程序》将检验情况进行标识。
4.1.4.3.具有相对独立性的各作业段半成品用“产品流程卡”作为标识,从流程卡上可追溯到生产线别,机型等特性。
4.1.4.3.1.产品流程卡标识4.1.4.3.2.作业员每天将其所用流程卡流水号记录于《条码记录表》上。
4.1.5.不良品标识:用红色的标签标识和带红色标识的防静电周转箱进行隔离,具体参照《不合格品管理程序》。
4.1.6.区域标识:现场区域采用挂牌、斑马线等方法进行标识。
文件名称:产品标识和可追溯性管理程序文件编号:DF-G∕B(02)15-2017总页数:版本版次: AOL目的防止不同类别、不同检验状态的产品混用和误用。
当有规定时,实现产品的可追溯性。
2.范围适用于物料、半成品和成品的产品标识及检验状态标识。
3、定义3.1所有生产物料/在制品、半成品、成品,在此都被定为【产品】。
3.2于公司内各个场所放置之产品,依其本身品质状况、产出日期等,加上适当标识称之为“状态标识”,状态标识可分为:3.2.1进料检验/过程检验/成品检验/出货检验产品合格时,使用绿色、灰色或印有‘检'字的白色塑料箱。
3.2.2进料检验/过程检验/成品检验/出货检验时产品不合格时,使用红色塑料箱。
3.2.3进料检验/过程检验/成品检验/出货检验产品待检时,使用印有‘生’字的白色塑料箱。
3.3于公司内各个场所放置之产品,依其本身品质、类别、规格,放置于适当地线区域内的称之“区域标识”,区域标识可分为:3.3.1合格品区一划线圈定区域,将合格产品放于内,产品包装物上摆放合格品标识。
3.3.2不合格品区一划线圈定区域,将不合格品放于内,产品包装物上摆放不合格品标识。
3.3.3待检区一划线圈定区域,当设备发生故障时,将待检产品或可疑产品放于内,产品包装物摆放品名标识。
3.4品名标识:即将产品的名称/数量/批次/生产单位等信息写在标识卡上,摆放在产品的包装物上。
4.职责3.1生产部负责执行本程序(所有标识的编制、修订和有效性监督等)。
3.2检验人员负责检验状态标签或印章的使用,负责产品或半成品、成品检验状态的标识。
当产品出现质量问题时组织对其进行追溯。
操作者负责自己生产的产品名称、规格、生产者的标识。
5.95.10货物料标识5.10.1料进厂,库管员负责将其放置于检验员指定区域,并填写《物资入厂检验申请单》。
5.10.2检验合格的物料,由检验员填写《入厂检验报告单》,库管员根据物料名称、规格、数量等内容办理入库手续,并将该批物料置于相应合格品区域。
产品标识和可追溯性管理程序1、目的对产品实现(从原材料进厂到产成品包装入库)的全过程采用适宜的方法进行标识,标明产品监视测量状态,防止混用,实现可追溯性。
2、范围适用于产品实现(从原材料进厂到产成品包装入库)的全过程。
3、职责3.1 物资供应部材料库管理员负责库存物资(原材料、分零件、辅助材料等)及区域的标识。
3.2 质量监督部产品库管理员负责库存各环节产品及区域的标识。
3.2 生产技术部/加工技术部各车间负责在制品、原材料和成品的标识,车间内定置区域标识。
3.3 质量监督部负责产品标识的归口管理和标识格式制定,满足产品质量可追溯性要求。
当需要追溯产品质量时,由质监部组织进行。
4、工作程序4.1 原料的标识、原材料回厂后由材料库库管员分类、分区、分批放置,并附上《原料检验(验证)标识卡》,、按标识卡上内容(材料名称、批次、厂家、进货重量、进货日期、库管员)填写完整,并签字确认。
标识位置:由库管员装入塑料袋内后固定在该批料的外包装或盛装的容器外表面上,无包装的原材料标识要悬挂在该批料存放的醒目位置,严禁将标识卡放在物料里面。
每批原料用完后,应对原有可回收使用的容器(如周转桶)悬挂的原标识卡清除干净,以防混料,造成无法进行产品追溯。
原料批次为生产厂家的批号。
4.2 配料室所存原料及配好的成料的标识4.2.1 配料室所存原料由配料员分类、分区、分批放置,并附各自的《原料标识卡》。
标识内容包括材料名称、批次、厂家或产地、重量。
标识位置:装入塑料袋内后固定在该批料的外包装或盛装的容器外表面上,无包装的原材料标识要悬挂在该批料存放地的醒目位置。
每批原料用完后,应对原有可回收使用的容器(如周转桶)悬挂的原标识卡清除干净,以防混料,造成无法进行产品追溯。
4.2.2所配好的成料用《钢锭(甩片)流通卡》进行标识。
由配料人员按标识卡上要求的各项内容填写完整,经复核后根据复核结果由复核人员签字确认后下转下一工序。
对于要分装的成料也用《钢锭(甩片)流通卡》进行标识,为防止混料,每个分装桶内再各附一张《成料标识卡》(填写内容:成料批号、分装号、操作人员)进行标识。
标识和可追溯性管理流程概述本文档旨在介绍标识和可追溯性管理流程,以确保产品和服务的可追溯性和可管理性。
标识和可追溯性是一个组织内核的关键方面,它可以帮助组织提高效率、管理风险和满足法规要求。
流程步骤以下是标识和可追溯性管理流程的步骤:步骤一:标识需求在开始任何生产过程或服务提供之前,确保准确地标识需求和要求。
这包括明确定义客户的需求,产品或服务的特定要求以及适用的标准和法规。
步骤二:标识过程和输入确定生产过程中的关键环节和输入要素。
这些包括原材料、人力资源、设备和技术。
对每个环节和输入要素进行标识和记录,以确保可追溯性和可管理性。
步骤三:标识输出同样地,我们需要标识产品或服务的输出。
这包括成品、服务交付和客户满意度。
确保对每个输出进行标识并记录相关信息,以备将来追踪和管理。
步骤四:建立追溯性建立一个有效的追溯系统,以确保整个过程的可追溯性。
这可以通过使用标识号、日期和相关记录来实现。
追溯系统应该能够追溯到每个环节和过程,并保留记录以备将来审查和验证。
步骤五:跟踪和管理定期进行跟踪和管理追溯系统。
这包括检查记录的准确性、及时更新和修订,并确保追溯系统的有效运行。
跟踪和管理也包括记录和审查异常情况,以及采取纠正和预防措施。
步骤六:培训和沟通为组织内部的员工提供标识和可追溯性管理的相关培训和沟通。
确保员工了解流程和要求,并积极参与标识和可追溯性管理的实施。
培训和沟通还可以提高员工的意识和承诺,从而提高整体的可追溯性和可管理性。
总结标识和可追溯性管理流程是确保产品和服务的有效管理和风险控制的关键步骤。
通过正确标识需求、过程和输出,建立追溯系统,并进行跟踪和管理,可以提高效率、降低成本,并满足法规要求。
组织内部的培训和沟通也是确保流程成功实施的重要因素。
产品标识和可追溯性程序1. 引言产品标识和可追溯性程序是现代企业中非常重要的一环。
通过恰当的标识和追溯性程序,企业可以确保产品在供应链中的可追溯性、质量管理和风险控制。
本文将介绍产品标识和可追溯性程序的概念、作用以及如何建立有效的标识和追溯性程序。
2. 产品标识的概念和作用2.1 产品标识的概念产品标识是在产品生命周期中使用的各种标识符和代码,用于区分、追踪和识别产品。
产品标识可以包括但不限于以下内容:•产品序列号•批次号•条形码•RFID标签•二维码•产品描述•产品型号2.2 产品标识的作用产品标识的主要作用是为产品提供唯一的身份标识,以满足以下需求:•追溯性:通过产品标识,可以追溯产品的制造过程、供应链和销售渠道,从而提高产品质量管理和风险控制能力。
•安全性:通过产品标识,可以识别出假冒伪劣产品,保护企业和消费者权益。
•售后服务:通过产品标识,可以方便企业进行售后服务和保修管理。
•市场营销:通过产品标识,可以进行市场营销活动和产品推广。
•数据采集和分析:通过产品标识,可以对产品销售情况、用户反馈等数据进行采集和分析,为企业决策提供依据。
3. 可追溯性程序的建立3.1 设计产品标识体系建立有效的可追溯性程序需要首先设计产品标识体系。
产品标识体系应该根据企业的实际情况和产品特点进行设计,考虑以下因素:•标识符的种类和形式:选择适合企业产品的标识符种类,如序列号、条形码等,确保标识的唯一性和可读性。
•标识符的编码规则:制定标识符的编码规则,如批次号的命名规则、产品型号的编码规则等,方便后续的数据管理和分析。
•标识符的标注方式:确定标识符的标注方式,如标识符的位置、大小、字体等,确保标识的清晰可见。
•标识符与产品信息的关联:建立标识符与产品信息的关联数据库,确保标识与产品信息的实时更新和一致性。
3.2 实施产品标识和追溯性程序实施产品标识和追溯性程序需要以下步骤:1.标识生成:根据产品标识体系和编码规则,生成标识符并进行标注。
标识和可追溯性控制程序1.目的在产品实现的全过程进行有效控制,采用规定的方法对产品进行标识,防止在实现过程中产品及其质量状态的混淆,造成误用,以确保满足顾客的需求和期望、满足法规与产品的可追溯性要求。
2.范围适用于公司的或委托生产的原辅料、中间品、成品、产品检验状态、设备状态、区域、纯化水、注射用水管路等状态标识以及质量可追溯性范围的管理。
3.职责3.1生产部:负责库房区域的标识,生产过程中生产区域的标识;负责设备状态标识的管理;负责物料、暂存的中间品、成品的标识。
3.2质量部:负责产品检验状态的标识、留样的标识,防止不合格产品流向下道工序,当发生需要追溯的情况时,组织并协调追溯工作的进行。
4.程序4.1产品标识:原辅料、中间品、成品以编号/批号及生产日期作为唯一性标识,编号/批号一经确定不得更该,以实现其可追溯;标识应明显、牢固、唯一,便于区分和识别,能够防止混用,能够区别当前的生产过程、检验状态,以及能够实现追溯;顾客有特殊要求的标识,具体执行其《生产操作规程》;由质量部编制,规定原辅料、中间品和成品的批号表示方法。
4.1.1原材料批号示例:AB-A-001-211101 表示:2021 年 11 月 01 日到货顾客 A 类 001 产品编码所需的原材料。
4.1.2中间品批号示例:AB-Z-001-211101 表示:计划 2021 年 11 月 01 日计划生产 001 产品的中间品。
4.1.3成品批号示例:AB-001-211101 表示:2021年11月01日计划生产的一批成品4.2区域标识4.2.1区域划分实行色标管理,合格品区为绿色、待检区为黄色、退货/召回区为黄色、不合格品区为红色。
4.2.2常温库库房划分合格区、待检区、退货/召回区、不合格区。
退货区、召回区可在有相应产品时悬挂标识。
4.2.3冷库库房划分合格区、待检区、退货/召回区、不合格区。
退货区、召回区可在有相应产品时悬挂标识。
ISO产品标识和可追溯性管理程序doc页次文件名文件编号发行部门发放对象1.目的1/3产品标识和可追溯性管理程序dmls-q-q2-014质量部02受领部门确认章制定年月日施行年月日发行章2021年5月10日2021年8月1日质量部经理、技术部经理、生产部经理、行政部经理、采购部主管,仓库主管本程序的目的是在产品实现的全过程中,为规范生产秩序,防止出现混淆、误用,使用适宜的方法识别产品,确保正确的区分、使用和交付,并能在需要时实现对产品的追溯。
便于查找不良事件的原因,及时采取纠正和预防措施。
2.适用范围本程序适用于本公司在产品实现的全过程中,对购入物品(原料、辅材、部品等)、中间制品及制品的状态、特征、质量控制的标识和可追溯性的管理。
3.职责3.1各部门负责对在本部门的产品实施标识并进行区分。
3.2采购部和仓库负责对购入材料、成品进库和在库状态的追溯。
3.3生产部负责加工过程中在制品的追溯。
3.4质量部负责交付产品的追溯。
4.作业程序4.1标识和区分的规定4.1.1利用标签和指定场所,对购入物品(原料、辅料、制造用物质、包装材料等)、中间制品、制品进行及时、明确和准确的标识。
标签内容应包括品名、数量、编号等制定?修改?作废年月日2021-5-17制定修改作废制定新规作成。
内容批准人审核人编写人上海度民生命信息科技有限公司页次文件名2/302产品标识和可追溯性管理程序文件编号dmls-q-q2-0121)标签主要有“检查中”、“合格”、“不合格”等,分别由以下人员发行:(1)检查中标签:采购部、生产部的责任人(2)合格标签:质量部的检查责任人(3)不合格标签:质量部的检查责任人2)指定场所可用以下颜色的胶带、看板、等适宜的方式加以区别:(1)检查中区域:黄色(2)合格品区域:绿色(3)不合格品区域:红色(4)退返和工程内的修正品的区域等:粉红色3)lot号(批号)的设定按《lot编号规定》进行。
4.2标识和区分的实施1)购入材料时,仓库管理员将该料放入检查中区域(即待检品区域),在物料上做好“检查中”的标签;实施检查后,质量部的检验员向仓库操作者发行合格或不合格标签;仓库管理员在物料上贴上相应的检查标签并迅速加以区分,放入适当的区域。