9号道岔检查记录
- 格式:doc
- 大小:54.00 KB
- 文档页数:1
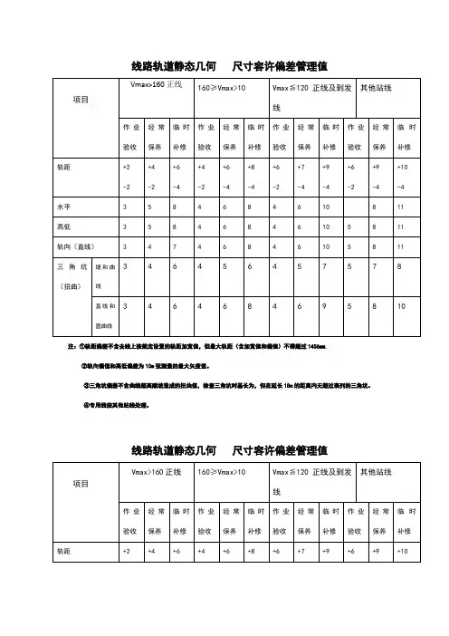
线路轨道静态几何尺寸容许偏差管理值Vmax>160 正线160≥ Vmax>10 Vmax≦120 正线及到发其他站线项目线作业经常临时作业经常临时作业经常临时作业经常临时验收保养补修验收保养补修验收保养补修验收保养补修轨距+2 +4 +6 +4 +6 +8 +6 +7 +9 +6 +9 +10 -2 -2 -4 -2 -4 -4 -2 -4 -4 -2 -4 -4 水平 3 5 8 4 6 8 4 6 10 8 11 高低 3 5 8 4 6 8 4 6 10 5 8 11 轨向(直线) 3 4 7 4 6 8 4 6 10 5 8 11 三角坑缓和曲 3 4 6 4 5 6 4 5 7 5 7 8 (扭曲)线直线和 3 4 6 4 6 8 4 6 9 5 8 10圆曲线注:①轨距偏差不含去线上按规定设置的轨距加宽值,但最大轨距(含加宽值和偏值)不得超过1456mm.②轨向偏值和高低偏差为10m弦测量的最大矢度值。
③三角坑偏差不含曲线超高顺坡造成的扭曲值,检查三角坑时基长为,但在延长18m的距离内无超过表列的三角坑。
④专用线按其他站线处理。
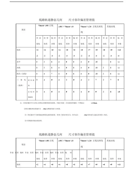
线路轨道静态几何尺寸容许偏差管理值Vmax>160正线160≥ Vmax>10Vmax≦120 正线及到发其他站线项目线作业经常临时作业经常临时作业经常临时作业经常临时验收保养补修验收保养补修验收保养补修验收保养补修轨距+2+4+6+4+6+8+6+7+9+6+9+10-2 -2 -4 -2 -4 -4 -2 -4 -4 -2 -4 -4水平 3 5 8 4 6 8 4 6 10 8 11高低 3 5 8 4 6 8 4 6 10 5 8 11轨向(直线) 3 4 7 4 6 8 4 6 10 5 8 11三角坑缓和曲 3 4 6 4 5 6 4 5 7 5 7 8(扭曲)线直线和 3 4 6 4 6 8 4 6 9 5 8 10圆曲线注:①轨距偏差不含去线上按规定设置的轨距加宽值,但最大轨距(含加宽值和偏值)不得超过1456mm.②轨向偏值和高低偏差为10m弦测量的最大矢度值。
高速铁路道岔检查一、作业目的为了掌握道岔状态,提高线路质量,及时发现线路病害,全面综合分析道岔病害形成的原因和有计划的安排修理工作,以满足线路高可靠性、高稳定性、高平顺性,保证列车以规定速度安全、平稳和不间断的运行,确保旅客乘车舒适度。
二、作业组织1. 作业地点:XX站XX号道岔。
2. 作业内容:高速道岔检查作业。
3. 作业防护:设备所在工区、技术检测组。
4. 作业条件:利用综合维修天窗进行作业,在《行车设备施工登记簿》(运统—46)内按当日天窗修计划所列项目、地点、时间及影响范围进行登记,现场作业负责人不低于工长。
5. 作业主体单位:设备所在工区、技术检测组。
6. 作业人员组织:驻调度所及车站联络员各1人,现场防护员1人,现场作业负责人1人,作业人员1~5人。
三、作业标准1. 检查水平时,道岔直股以直内股钢轨顶面为标准股,导曲线以下股钢轨顶面为标准股,另一股钢轨顶面较基准股钢轨顶面高时差值为“+”号,反之为“—”号。
2. 轨距、水平、支距记录差值,查照间隔,护背距离以及其间隔尺寸按实数记录。
3. 分析时对照标准无差错、无漏项,判断正确。
4. 记录的站名、道岔编号、道岔型号、检查日期、字迹齐全清晰。
四、作业程序(一)作业准备1.作业防护:(1)维修作业时(无论采用何种控制模式)须在调度所设驻站联络员、车站设驻站联络员、现场设现场防护员,在调度所、车站(线路所)同时进行登记(销)记,并由列车调度员、车站值班员签字。
利用对讲机联系,现场用手持双面红色警示信号灯防护。
(2)驻所防护员提前120min(驻站防护员提前90min)在《行车设备检查登记簿》上登记,与调度员(车站值班员)核对、确认相关登记内容,并填记《高速铁路驻所(站)防护员手册》。
(3)驻调度所及车站联络员必须对上道人数、上道检查维修地点、作业内容、使用工具等在《高速铁路驻所(站)防护员手册》上逐一登记。
(4)调度命令下达后,驻所防护员通知驻站防护员,各驻站防护员通知各作业组现场防护员。
复式交分道岔的检查方法一、 交道岔检查的甲、乙股方向确定:站在岔跟端脸向车站、分左右、左股为甲、右股为乙,检查的起点为始端。
以该端左侧(面向钝角部分)一股线路为甲股的检查走向,该端右侧(面向钝角 部分)线路为乙股的检查走向。
二、 甲股与乙股检查走向的范围划分: (见下图)三、检查水平时的基准股确定: (见下图)确定基准股当基准股高于非基准股时,水平为正“ + ;反之,当基准股低于非基准股时, 水平为负“一。
靠近车站靠近车站前 端后 端甲股 乙股四、复式交分道岔轨距水平检查的顺序及地点五、复式交发分道岔开口、支距、动程、矢距、正矢等项目的检查位置:甲、乙两股导曲线均由短轴中分为两个部分,起点方向为前部,终点向为导曲线后部。
在前后两锐角辙叉的跟端,分别量取其后开口的中点;于该两中点之间拉一弦线(即长轴线)为基准线,以短轴与该弦线的交点为支距原点0,分别量取甲股导曲线前后部及乙股导曲线前、后部各支距点的支距,如下图所P60AT12号餃就■ I K ■■.1 ・ I I I *・・!■" 1 I I ■■■■■■IL I I {JP60AT12号复交道岔irBaniiiiiBBaiiiiiiiianiiiiiiiii六、复交道岔的检查记录及其记录表1、复交道岔的检查记录,应根据现场检查的实际地点正确点对应到记录表上填写。
2、复交道岔的检查记录表(见附表)线路工技师实作:1题:检查复式交分道岔考核准备:1、设备准备:9号或12号复式交分道岔1组2、工、量、刃、卡具准备3、其它准备:配合人员2人考核内容及要求:技术要求:符合《线路修理规则》和《工务安全规则》中的有关要求。
操作程序的规定:⑴准备作业:⑵设备检查:⑶病害圈画。
考核时限:准备时间5分钟。
操作时间:9号复式交分道岔检查65分钟,12号复式交分道岔检查70分钟。
线路工技师实作:2题:检查普通单开道岔考核准备:4、设备准备:9号或12号复式交分道岔1组5、工、量、刃、卡具准备6、其它准备:配合人员2人。
线路轨道静态几何尺寸容许偏差管理值注:①轨距偏差不含去线上按规定设置的轨距加宽值,但最大轨距(含加宽值和偏值)不得超过1456mm.②轨向偏值和高低偏差为10m弦测量的最大矢度值。
③三角坑偏差不含曲线超高顺坡造成的扭曲值,检查三角坑时基长为6.25m,但在延长18m的距离内无超过表列的三角坑。
④专用线按其他站线处理。
线路轨道静态几何尺寸容许偏差管理值注:①轨距偏差不含去线上按规定设置的轨距加宽值,但最大轨距(含加宽值和偏值)不得超过1456mm.②轨向偏值和高低偏差为10m弦测量的最大矢度值。
③三角坑偏差不含曲线超高顺坡造成的扭曲值,检查三角坑时基长为6.25m,但在延长18m的距离内无超过表列的三角坑。
④专用线按其他站线处理。
道岔轨道静态几何尺寸容许偏差管理值注:①支距偏差为现场支距与计算支距之差。
②导曲线下股高于上股的限值:作业验收为0,经常保养为2mm,临时补修为3mm。
③三角坑偏差不含曲线超高顺坡造成的扭曲值,检查三角坑时基长为6.25m,但在延长18m的距离内无超过表列的三角坑。
④尖轨尖处的作业验收的容许偏差管理值为+-1mm。
⑤专用线道岔按其他站线道岔办理。
道岔轨道静态几何尺寸容许偏差管理值注:①支距偏差为现场支距与计算支距之差。
②导曲线下股高于上股的限值:作业验收为0,经常保养为2mm,临时补修为3mm。
③三角坑偏差不含曲线超高顺坡造成的扭曲值,检查三角坑时基长为6.25m,但在延长18m的距离内无超过表列的三角坑。
④尖轨尖处的作业验收的容许偏差管理值为+-1mm。
⑤专用线道岔按其他站线道岔办理。
站名______ 道岔编号_________ 型号_________道岔检查记录簿站名______ 道岔编号_________ 型号_________线路检查记录簿正线____km至__km 站线______股道曲线半径____m 超高____m 顺坡率____%线路检查记录簿正线____km至__km 站线______股道曲线半径____m 超高____m 顺坡率____%线路检查记录簿济南铁路局________________________工务段____________车间____________工区年月日线路检查记录簿济南铁路局________________________工务段____________车间____________工区年月日固定性道岔检查记录簿济南铁路局________________________工务段____________车间____________工区年月日固定性道岔检查记录簿济南铁路局________________________工务段____________车间____________工区年月日。
几种道岔的静态检查一、普通9号(含AT9号)、12号道岔的检查(一)、轨距检查位置及标准(见表一)顺号检查部位轨距标准(mm)说明9号道岔12号道岔1 前顺坡终点1435 1435 检查位置:基本轨接头2 尖轨尖端1450 14453 尖轨中1444 14424 尖轨跟端(直)1439 14395 尖轨跟端(曲)1439 14396 导曲线部分前(直)1435 1435 检查位置:距离尖轨跟端1.5m处7 导曲线部分前(曲)1450 1445 检查位置:距离尖轨跟端3m处8 导曲线部分中(直)1435 1435 检查位置:曲股接头处9 导曲线部分中(曲)1450 1445 检查位置:曲股接头处10 导曲线部分后(直)1435 1435 检查位置:从最后一个支距点向前量4m处11 导曲线部分后(曲)1450 1445 检查位置:从最后一个支距点向前量4m处12 叉心前(直)1435 143513 叉心前(曲)1435 143514 叉心中(直)1435 1435 检查位置:叉心宽10—40mm处,同时检查查照间隔、护背距离15 叉心中(曲)1435 1435 检查位置:叉心宽10—40mm处,同时检查查照间隔、护背距离(二)、水平的检查1、普通道岔尖轨按标准高出基本轨6mm,所有叉心翼轨都有堆高,尖轨中和叉心中两处不检查水平。
2、普通道岔尖轨跟端高出基本轨6mm,有的混凝土岔枕普通道岔导曲线上股有6mm的超高,检查时要以此为标准。
3、尖轨尖端及以前以直股基本轨为基准股,尖轨跟端及以后以内两股和叉心为基准股,基准股高为正,反之为负。
(三)、方向的检查直股外股道岔全长和直股内股辙叉趾端至尖轨后1.5m以及道岔前后各50m范围均可检查。
(四)、高低的检查与方向检查范围相同,只是普通道岔内直股距尖轨跟端2m范围不得放弦。
(五)普通道岔《道岔检查记录簿》格式见《铁路线路修理规则》(铁运[2006]146号部令发布)第160页。
线路轨道静态几何尺寸容许偏差管理值注:①轨距偏差不含去线上按规定设置的轨距加宽值,但最大轨距(含加宽值和偏值)不得超过1456mm.②轨向偏值和高低偏差为10m弦测量的最大矢度值。
③三角坑偏差不含曲线超高顺坡造成的扭曲值,检查三角坑时基长为,但在延长18m的距离内无超过表列的三角坑。
④专用线按其他站线处理。
线路轨道静态几何尺寸容许偏差管理值注:①轨距偏差不含去线上按规定设置的轨距加宽值,但最大轨距(含加宽值和偏值)不得超过1456mm.②轨向偏值和高低偏差为10m弦测量的最大矢度值。
③三角坑偏差不含曲线超高顺坡造成的扭曲值,检查三角坑时基长为,但在延长18m的距离内无超过表列的三角坑。
④专用线按其他站线处理。
道岔轨道静态几何尺寸容许偏差管理值注:①支距偏差为现场支距与计算支距之差。
②导曲线下股高于上股的限值:作业验收为0,经常保养为2mm,临时补修为3mm。
③三角坑偏差不含曲线超高顺坡造成的扭曲值,检查三角坑时基长为,但在延长18m的距离内无超过表列的三角坑。
④尖轨尖处的作业验收的容许偏差管理值为+-1mm。
⑤专用线道岔按其他站线道岔办理。
道岔轨道静态几何尺寸容许偏差管理值注:①支距偏差为现场支距与计算支距之差。
②导曲线下股高于上股的限值:作业验收为0,经常保养为2mm,临时补修为3mm。
③三角坑偏差不含曲线超高顺坡造成的扭曲值,检查三角坑时基长为,但在延长18m的距离内无超过表列的三角坑。
④尖轨尖处的作业验收的容许偏差管理值为+-1mm。
⑤专用线道岔按其他站线道岔办理。
道岔检查记录簿站名______ 道岔编号_________ 型号_________道岔检查记录簿站名______ 道岔编号_________ 型号_________线路检查记录簿正线____km至__km 站线______股道曲线半径____m 超高____m 顺坡率____%线路检查记录簿正线____km至__km 站线______股道曲线半径____m 超高____m 顺坡率____%线路检查记录簿济南铁路局________________________工务段____________车间____________工区年月日线路检查记录簿济南铁路局________________________工务段____________车间____________工区年月日固定性道岔检查记录簿济南铁路局________________________工务段____________车间____________工区年月日固定性道岔检查记录簿济南铁路局________________________工务段____________车间____________工区年月日。
509号道岔检查支距表一、介绍道岔是铁路交通中的重要设备,用于调整列车行进的方向。
道岔的安全性和稳定性对于铁路运输至关重要。
而道岔的支距则是评估道岔安全性的重要指标之一。
509号道岔检查支距表是一种用于记录道岔支距数据的表格,本文将详细探讨该表格的使用方法和意义。
二、表格结构509号道岔检查支距表由多个字段组成,包括道岔编号、支距位置、支距值等,下面将详细介绍每个字段的含义和作用。
2.1 道岔编号道岔编号是道岔的唯一标识符,用于区分不同的道岔。
每个道岔在铁路系统中都有一个独特的编号,通过道岔编号可以查找到相应的支距数据。
2.2 支距位置支距位置指的是在道岔中测量支距的具体位置。
道岔通常由多个部分组成,例如道心、翼轨等,不同位置的支距值可能会有所不同。
支距位置字段记录了具体测量支距的位置信息,以便于后续的数据分析和比对。
2.3 支距值支距值是道岔支距的具体数值。
支距是指道岔中两条轨道的水平距离,支距值的大小直接关系到道岔的安全性和稳定性。
支距值字段记录了测量得到的支距数值,以便于后续的数据分析和评估。
三、使用方法509号道岔检查支距表的使用方法相对简单,下面将介绍具体的步骤和注意事项。
3.1 填写道岔编号在表格中找到对应的道岔编号字段,并填写正确的道岔编号。
道岔编号可以从铁路系统中查询到,确保填写准确无误。
3.2 测量支距位置根据实际情况,在道岔中选择合适的位置进行支距测量。
可以参考铁路相关的技术标准和规范,选择适当的测量位置。
3.3 记录支距值使用合适的测量工具,测量选定位置的支距数值。
确保测量准确,并将支距数值记录在表格的支距值字段中。
3.4 定期更新表格道岔的支距数值可能会随着时间的推移而发生变化,因此需要定期更新支距表格。
建议每隔一段时间对道岔进行检查,记录新的支距数值,并更新到支距表格中。
四、数据分析与评估509号道岔检查支距表的数据可以用于进行数据分析和评估。
下面将介绍几种常见的数据分析方法和评估指标。
复式交分道岔的检查方法一、交道岔检查的甲、乙股方向确定:站在岔跟端脸向车站、分左右、左股为甲、右股为乙,检查的起点为始端。
以该端左侧(面向钝角部分)一股线路为甲股的检查走向,该端右侧(面向钝角部分)线路为乙股的检查走向。
二、甲股与乙股检查走向的范围划分:(见下图)三、检查水平时的基准股确定:(见下图)当基准股高于非基准股时,水平为正“+”;反之,当基准股低于非基准股时,水平为负“—”。
四、复式交分道岔轨距水平检查的顺序及地点五、复式交发分道岔开口、支距、动程、矢距、正矢等项目的检查位置甲、乙两股导曲线均由短轴中分为两个部分,起点方向为前部,终点向为导曲线后部。
在前后两锐角辙叉的跟端,分别量取其后开口的中点;于该两中点之间拉一弦线(即长轴线)为基准线,以短轴与该弦线的交点为支距原点0,分别量取甲股导曲线前后部及乙股导曲线前、后部各支距点的支距,如下图所示。
六、复交道岔的检查记录及其记录表1、复交道岔的检查记录,应根据现场检查的实际地点正确点对应到记录表上填写。
2、复交道岔的检查记录表(见附表)检查日期前锐角辙叉前双转辙器钝角辙叉后双转辙器后锐角辙叉叉后端叉心中查照间隔护背距离顺坡终点尖轨尖尖轨中尖轨跟可动心短中轴导曲线中曲中外矢可动心尖轨跟尖轨中尖轨尖顺坡终点查照间隔护背距离叉心中叉后端直股曲股跟端中间由间跟端直股曲股甲股轨距水平××××××××××乙股轨距×水平×××××××××××其他及临时补修日期甲股轨距水平××××××××××乙股轨距×水平×××××××××××部位项目。
ZDJ9道岔检修作业指导书1.目的:通过信号工的检修,对ZD(J)9道岔的电气和机械性能按作业标准进行检查后,确保在一定的时间周期内,ZD(J)9道岔各项性能符合符合行车安全的要求。
2.适用范围:车站与区间信号工岗位。
3.作业内容:3.1检查道岔密贴和肥边情况,各部件无破损,尖轨、基本轨、心轨、翼轨竖切部分无肥边,尖轨无离隙、翘头、拱背。
3.2检查安装装置有无损伤。
3.3检查表示杆是否变形(错位/张口),缺口有无变化。
3.4检查设备有无外界干扰,检查加锁装置是否良好。
3.5检查箱盒是否有破损、漏水,防尘罩安装良好。
3.6检查基础无破损,粉饰良好。
3.7检查外部螺栓是否松动,开口销是否齐全、标准;引入管安装良好。
3.8基础面、设备外部清扫、注油。
3.9滑床板清扫、涂油。
3.10扳动试验。
3.11安装装置及各连接杆绝缘检查。
3.12表示杆及转辙机动作杆与锁闭杆、连接杆油润良好,无锈蚀。
3.13转辙机动作杆与锁闭杆、连接杆在一条直线上,锁闭杆与锁框不别劲。
3.14锁钩锁闭良好,不别劲。
锁钩、锁钩连接轴、锁闭杆及锁闭铁应保持清洁、油润,无锈蚀,锁钩与锁钩连接轴横向滑动良好,机外各部注油、润滑。
4.作业材料、工具:5.检修作业程序:6.作业安全注意事项:6.1驻站防护员上岗时,应佩戴防护员臂章,严禁从事与防护无关的其他工作。
驻站防护员应在室外作业人员出发前到岗,并与安全防护员和作业人员试验通信工具良好,防护员在上道作业前应相互校核时钟。
作业人员出发后应随时预报列车运行情况,确保作业人员途中安全。
6.2驻站防护员在担当值台防护期间,必须掌握室外各组作业地点和内容,应随时与车站值班员保持联系,准确掌握列车运行情况,及时向安全防护员和作业人员预告(三预告)列车邻站闭塞、邻站出发和列车达到距作业点规定的防护距离。
当列车到达距作业点规定的防护距离时,立即通知安全防护员要求作业人员下道避车,在列车通过作业点前仍需随时向安全防护员和作业人员通报列车运行情况。