630变压器高压侧电缆选择标准
- 格式:docx
- 大小:37.63 KB
- 文档页数:4
广州供电局设计规范一、高压柜的选用:1、单台专变Sn≤630kVA,选用HXGN环网柜。
环网柜有一组四台(含进线副柜、熔丝柜、计量柜、出线柜);有一组两台(含进线柜、计量出线柜)。
2、单台专变Sn>630kVA或多台变压器必须选用KYN中置柜。
KYN-12尺寸为800(宽)×1500(深)×2200(高)。
3、公变及综合房全部要求选用SF6全密封全绝缘柜。
4、KYN中置柜高压进线开关:VD4为ABB牌子、EV12或EVolis为施耐德牌子、VS1为国产牌子、西门子NXACT、纳图NV-12、ABB-Vmax或VD4、通用GE-VB2等。
5、低压开关T5N630R500 3P、T5H630R500 3P 都是ABB型号,其中N表示标准型、H表示高级型,Emax 智能低压断路器、Tmax低压塑壳开关。
6、高压柜有如下型号品牌柜:西门子NXAIR、纳图NES、ABB UniGear-ZS1、GE P/VII等。
7、高压进线柜计算电流等于变压器容量÷10÷1.732如:SCB10-1000kVA I=1000÷10÷1.732=57.7A8、高压进线柜电流互感器的选择:(建筑设计院说不用×1.3)计算电流×1.3然后选择电流互感器。
(×1.3是考虑过载后的电流)如:2台2500kVA变压器进线柜电流I=5000÷10÷1.732=288.68A288.68×1.3=375.29所以选择400/5电流互感器。
9、萝岗区高压计量柜普遍采用3CT、3PT,进线柜与出线柜采用2CT。
10、低压柜计算电流等于容量S(功率P)÷1.732÷0.38kV(0.4kV)如:SCB10-630kVA,I=630kVA÷1.732÷0.38kV=957.22A(南岗工程)I=148kW÷1.732÷0.38kV=224.87A10、315kVA以下的变压器采用低压计量,315kVA以上的变压器采用高压计量。
高压开关柜进线柜,计量提升柜,出线柜进出线:AC 10KV,36.37A主变压器进线:AC 10KV,36.37A(630KVA)出线:AC 2 500V,808.31A配电柜低压保护,电容补偿, 内含60Ah蓄电池进线:AC500V, 808.31A出线:AC380V, AC220V, DC110V.插枪充电机进线:AC380V.272A出线:DC750V. 600A.高压开关柜:真空断路器10KV开关柜:含两台进线柜,1台出现柜。
变压器:整流变压器ZQSC-630Kva-10/0.5kv; 额定容量:630KVA。
额定输入电压:10KV,36.37 A。
额定输出电压:500V×2;808.31A。
变压器到配电柜:一次侧选用3∗25的铜母排。
(40℃载流量276A)二次侧选用6∗80的铜母排。
(20℃载流量1480A ,50℃载流量848A)用电缆输入线路:选用YJV-4∗50+1∗25(铜芯电缆两根并列运行)用电缆输出线路:选用YJV-4∗240+1∗120(铜芯电缆两根并列运行)电抗器:三相交流电抗器0.8Mh/260A选用YJV-3∗95+1∗50 铜芯电缆电抗器2:斩波电抗器LSDZ03-200A/1.2mH选用YJV-3∗70+1∗35 铜芯电缆配电柜:AC500V. 808.31A输入,AC380V/220V、DC110v 输出,内含60Ah 蓄电池。
注:配电柜到插枪充电机用专用电缆。
(三相五线电缆型号不能低于3∗120+2∗70 铜芯电缆)变流器柜:直流输出最大值1000A/750V选用2(6∗60)的铜母排;或者选8∗80的铜母排。
隔离开关柜:1000A/750V。
选用2(6∗60)的铜母排;或者选8∗80的铜母排.充电站:包含充电轨和充电架。
wifi 通信设备(地面):需与wifi 通信设备(车载)部分配套使用,wifi 通信设备(车载)部分车辆自备单翼充电架配一台地面wifi。
这要看运行的功率因数,先算出功率P=s (容量)*cosO> , P=1.732*U*Icos叽可以算出每相电流来。
比如250KVA变压器输出端电压为0.4KV, cos<l>=0.8, 则0.4KV 电压端,P=25O*O.8=2OOKW, I=361A。
一般变压器或发电机说电流都是说相电流,总电流的矢量和理论上应该等于0。
变压器容量的90%要大于负载容量,所以A=200A, B=190A,C=230A, U (线电压)=400V, cos0=0.8,变压器容量至少要大于180KVAo估算:I=S/根号站UI。
额定电流:S。
变压器容呈:;U。
额定电压(注:算低压电流U为低压的额立电压,算髙压电流U为高压额疋电压)3相:用250000除以700就行了。
也就350多安。
单相:除以220就行了回答者:4101516041四级12011-1-9 17:43单相变压器:I=S/U三相变压器:I=S/U/1.732这种容量变压器一般是三相低压400V的,1=250* 1000/400/1.732=361 A回答者:ifish2011 I 三级12011-1-9 21:38设额定电压比为10/0.4三相变压器I=S/V3*U高压侧电流=250000/7 3*10000 心14.43 A低压侧电流=250000/ J 3*400 ^360.85A单相变压器I=s/U髙压侧电流=250000/10000 225A低压侧电流=250000/400 2625A250KVA变压器次级电流査表是360.8A.求变压器髙低两侧电流,口算有个口诀:容量除以电压,商乘6除以10。
一次侧额定电流:I=P/1.732/U=250/1.732/10^14.4(A)二次侧额定电流:I=P/l・732/U=250/l・732/0・38~380(A)回答者:陈坚道I 十五级12010-7-13 23:11电压就不要说了,你都写明了电流可以这样算:高压侧=容量*0.05773低压侧二容量*1.443376 回答者:hqw6801 I 六级12010-7-1401:14I=P/1・732/U55KW 塑壳 NS160*MA 额定电流150A45KW 塑壳 NS100*MA 额定电流100A37KW 塑壳 NS80HMA 额定电流80A30KW 塑壳 NS80HMA 额定电流50A22KW 塑壳 NS80HMA 额定电流50A18. 5KW 塑壳 XS80HMA 额定电流50A15KW 塑壳 NS80HMA 额定电流50A热保护山热继电器来完成。
中低压配电设备技术规范及选用原则深圳电网中低压配电设备技术规范及选用原则(Q/3SG-1.03.01-2001)目录1.范围、2.引用标准及规范、3.总则、4.中压配电设备、5.低压配电设备、6.计量装置、附录A:本标准用词说明前言为规范深圳电网中低压配电系统的设计、设备选型及建设和运行维护工作,制定本标准。
本标准规定了深圳电网中压配电设备、低压配电设备及计量装置的主要技术参数、功能及选用原则。
本标准的制定参照了有关的国家标准及行业规范,并考虑了深圳中低压配电网的现状及发展方向。
1、范围1.1本标准适用于深圳电网中低压配电系统的设计、设备选型及运行工作。
1.2本标准所指的中低压配电设备是指所有进入深圳电网的中压配电设备、低压配电设备及计量装置。
1.3本标准规范的配电设备包括以下内容:1)中压配电设备:断路器开关柜、环网开关柜、柱上断路器、电缆分接箱、配电变压器、箱式变电站、避雷器、电缆、架空导线。
2)低压配电设备:配电柜、框架断路器、塑壳断路器等。
3)计量装置:计量电流互感器、计量电压互感器电能表等。
2.引用标准及规范2.1下列标准的条文通过在本标准中的引用而构成本技术原则的条文。
本标准发布时,所示版本均为有效,在被引用标准被修订后,应重新探讨使用下列标准最新版本的可靠性。
“城市电网规划设计导则”能源电[1993]228号;“城市中低压配电网改造技术原则”DL/T559-1996;“供配电系统设计规范”GB50052-95;“低压配电设计规范”GB50054-95;“户内交流高压开关柜订货技术条件”D L./T 404-1997;“交流高压负荷开关—熔断器组合电器”GB16926-1997;“三相油浸式电力变压器技术参数和要求”GB/T6451-1995;“干式电力变压器技术参数和要求”GB/T10228-1997;“低压成套开关设备和控制设备”GB7251-1997。
3.总则3.1深圳电网中低压配电设备由架空导线、电缆、配电变压器、中压开关(柜)、电缆分接箱、避雷器、箱式变电站、低压开关(柜)、计量装置及配电自动化装置等构成。
井下变电所630变压器供电设计说明书一、供电电压等级井下两路10KV高压电源来自地面变电所,井下低压供电设备额定电压为660V。
二、负荷统计表三、变压器容量选择 计算电力负荷总视在功率 S=ΣP Nos r C K KVA式中 S —所计算的电力负荷总的视在功率 ,KVA ; ΣP N —参加计算的所有用电设备额定功率之和, KW ; Cos Φ—参加计算的电力负荷的平均功率因数;K r --需用系数。
K r 按下式进行选择K r =0.286+0.714NS P P ∑式中 P S —最大电机的功率数 ,KW ;ΣP N —其他参加计算的用电设备额定功率之和, KW ; 则 K r =0.286+0.714×3.526150=0.49故 Cos Φ取0.7 K r 取0.5 电力负荷总视在功率为 S=526.3×7.05.0=376KVA根据计算负荷,选用KBSZG-630/10矿用隔爆型干式变压器一台。
四、变压器高压开关的选择(1)、配电装置额定电压:选定为10KV 。
(2)、高压配电装置额定电流应大于变压器的最大长时工作电流。
变压器最大长时工作电流即额定电流I e 为I e =Vee ⨯3S式中 S e —变压器额定容量,KV .A ;V e —变压器高压侧额定电压,KV 。
变压器高压侧额定电流为I e =Vee ⨯3S =()A 37.6310KV330KVA 6=⨯根据计算选择BGP23-630/10Y 型高压真空配电装置。
五、高压开关的整定。
1、短路保护整定PBG23-630/10Y 型真空配电装置是电子式高压综合保护器,其整定值按下式进行选择:n ≥geKb e x e I I K IQ ∑+式中 n —互感器二次侧额定电流(5A )的倍数; I ge —高压配电装置额定电流,A 。
按上式计算出的整定值还应按下式进行校验:zK bI 3I (2)d≥1.5式中 I d (2)—变压器低压侧两相短路电流值,A ;I Z —高压配电装置过电流保护装置的电流整定值,A ; K b —变压器的变比;3—Y/△接线变压器的二次侧两相短路电流折算到一次侧时的系数;1.5—保证过电流保护装置可靠动作的系数。
变压器高压侧电缆选择标准
变压器高压侧电缆的选择标准需要考虑以下几个因素:
1. 电缆的截面积:根据变压器的容量和负荷情况,选择合适的电缆截面积。
一般来说,电缆的截面积应该能够满足通过最大负荷电流的要求,同时考虑到电缆的长度和线损等因素。
2. 电缆的材料:变压器高压侧电缆一般采用铜芯或铝芯材质,根据具体情况选择。
铜芯电缆的导电性能更好,截面积相对较小,但价格较高;铝芯电缆的导电性能略差,截面积相对较大,但价格较低。
3. 电缆的绝缘层:变压器高压侧电缆的绝缘层应该具有足够的耐压强度和绝缘电阻,以防止发生电气事故。
同时,绝缘层应该具有良好的耐磨、耐腐蚀等性能。
4. 电缆的安装环境:变压器高压侧电缆的安装环境也会影响到电缆的选择。
例如,安装在室外时,需要选择具有防水、防晒等功能的电缆;安装在室内时,需要选择具有耐火、耐高温等功能的电缆。
5. 电缆的安全性:变压器高压侧电缆的选择应该考虑到其安全性。
应该选择符合国家相关标准的电缆,同时要避免使用已经淘汰的产品。
综上所述,变压器高压侧电缆的选择标准应该综合考虑以上因素,选择符合实际情况的合适电缆。
630变压器高压侧电缆选择标准在选择630变压器高压侧电缆时,我们需要考虑一些标准和要求,以确保电缆的安全可靠、性能稳定。
下面我将从不同的角度来为您详细介绍这些选择标准。
第一点,首先我们需要考虑电缆的电压等级。
根据630变压器的额定电压和电缆的绝缘材料,我们需要选择符合相应电压等级的电缆。
电缆的电压等级应该大于等于变压器的额定电压,以确保电缆的绝缘能够正常工作,避免电击和短路等安全隐患。
第二点,电缆的导体截面积也是选择的重要考量因素之一。
根据变压器的负载情况和电缆的散热能力,我们需要选择合适截面积的电缆,以确保在正常负载和短时过载条件下,电缆能够输送稳定的电力,并且不会发生过热和损坏。
过大的导体截面积也会增加系统的投资成本,因此需要合理选择,以兼顾性能和成本。
第三点,在选择电缆时,还需要考虑电缆的绝缘材料。
常见的绝缘材料包括交联聚乙烯(XLPE)、固体绝缘等。
我们需要根据具体的工作环境、电缆的运行条件和要求,选择符合要求的绝缘材料。
比如在高温、潮湿环境下,需要选择耐高温、防潮的绝缘材料,以确保电缆的安全可靠。
第四点,电缆的防护层也是选择的重要考量因素之一。
防护层的主要作用是保护电缆免受外部损害,比如机械损伤、化学腐蚀等。
根据具体的安装环境和要求,我们需要选择合适的防护层材料和结构,以确保电缆在安装和运行过程中不会受到外部损害。
除了上述几点,我们在选择电缆时还需要考虑电缆的敷设方式、导线的材质、接头的质量等因素。
这些因素都会直接影响电缆的性能和可靠性,因此需要引起足够重视。
选择630变压器高压侧电缆时,我们需要考虑电缆的电压等级、导体截面积、绝缘材料、防护层等多个因素。
在选择过程中,需要综合考虑性能、安全和成本等因素,以确保选用的电缆能够满足实际工程要求,并且能够安全稳定地运行。
对于这个主题,我个人的观点是,在选择电缆时,安全和可靠性是首要考虑的因素。
也需要兼顾成本和性能,寻求一个平衡点。
在实际工程中,需要根据具体情况,合理选择电缆,以确保系统的安全运行和经济可行。
高压、低压电缆的选择标准第一节矿用电缆矿用电缆具有安全可靠、不占空间、不受外界影响等优点,特别适用于有火灾和瓦斯煤尘爆炸危险、潮湿和底下淋水、空间狭窄和人机拥挤的井下输电;在地面工业广场内,主副井钢丝绳空间交错,也采用电缆向各主要设备输电,电缆成为矿井供电系统的大动脉。
但是矿用电缆与架空线路相比具有投资大、查找故障困难、维护检修不便等缺点,加之岩石冒落、机械压砸等原因容易产生短路、漏电,引发瓦斯煤尘爆炸、设备烧毁和人身触电事故。
因此必须正确地选择、安装、使用和精心维护矿用电缆。
一、矿用电缆的型号及含义举例说明,例如,ZQ20表示油浸纸绝缘铜芯铅包裸双钢带铠装电缆。
VLV33表示聚氯乙烯绝缘铝芯聚氯乙烯护套细钢丝铠装聚乙烯外护套;YJQ02表示交联聚乙烯绝缘铅包聚氯乙烯护套铜芯电缆。
又如,MYPJ—3。
6/6—3*35—3*16—3*2。
5表示矿用移动屏蔽监视橡套电缆,额定电压为3。
6KV/6KV,三芯动力线、每芯截面为35mm2,一芯接地线、芯线截面为16 mm2,三薪监视线、每芯截面为2。
5 mm2。
第二节高、低压电缆的选择原则、方法一、选择电缆截面的一般原则为了做到供电上的安全、可靠、经济和技术合理,导线截面应按下列原则确定:(1)按长时允许负荷电流选择导线截面。
使导线在最大负荷下长时工作而不过热,即不超过其长时允许温度。
(2)按允许电压损失选择导线截面。
使受电端有足够的电压以保证供电质量。
(3)按经济电流密度选择导线截面。
使输电线路的年运行费用最低,达到经济供电的目的。
(4)按机械强度选择导线截面。
避免在运行或安装过程中断线,或因受砸压而损坏,以保证供电的安全运行。
(5)按短路时的热稳定条件选择导线截面。
时导线通过短路电流时不致超过其短时允许温度。
二、选择电缆截面的方法(1)低压电缆截面的选择方法对于负荷电流大、线路长的干线电缆,其电压损失是主要矛盾,因此应按正常工作时的允许电压损失初选其截面。
630变压器高压侧电缆选择标准在选择630变压器高压侧电缆时,需要考虑一系列标准和要求,以确保电缆的安全性、可靠性和经济性。
下面将介绍一些常见的选择标准。
首先,需要考虑电缆的额定电压。
630变压器一般为三相交流电力变压器,额定电压为6千伏(kV)。
因此,高压侧电缆的额定电压应为6kV。
其次,要考虑电缆的额定电流。
630变压器的额定电流在设计时已经确定,根据额定电压和额定容量计算得出。
高压侧电缆的额定电流应该大于等于630变压器的额定电流,以确保电缆能够稳定地承载变压器的输出电流。
接着,需要考虑电缆的导体材质。
高压侧电缆的导体一般采用铜或铝材质。
铜导体具有良好的导电性能和耐腐蚀性能,但价格较高;铝导体相对便宜,但导电能力略差。
根据实际需求和经济性,选择合适的导体材质。
此外,还需要考虑电缆的绝缘材质。
高压侧电缆的绝缘材质应具有良好的绝缘性能和耐电压能力,能够在高压环境下保持电缆内外的电信号独立。
常用的绝缘材料包括聚乙烯(PE)、交联聚乙烯(XLPE)和橡胶。
在选择高压侧电缆时,还需要考虑电缆的屏蔽和护套材质。
屏蔽能够提供电磁屏蔽和防止干扰的功能,常用的屏蔽材质包括铝箔、镀锡铜丝等。
护套则能够保护电缆免受机械损伤和外界环境的侵蚀,常用的护套材质有聚乙烯、聚氯乙烯(PVC)和特种橡胶。
此外,还要考虑电缆的断裂强度和耐热性能。
高压侧电缆需要能够承受正常运行和短时间的过载电流,因此需要有足够的断裂强度。
同时,电缆在长时间运行过程中会产生一定的热量,需要具备良好的耐热性能,以防止电缆的损坏和事故的发生。
最后,还要考虑电缆的综合成本和使用寿命。
综合成本包括电缆的购买成本、安装成本、维护成本和故障修复成本等。
使用寿命则影响了电缆的可靠性和经济性,通常要求电缆能够正常运行20年以上。
综上所述,选择630变压器高压侧电缆时,需要考虑电缆的额定电压、额定电流、导体材质、绝缘材质、屏蔽和护套材质、断裂强度、耐热性能、综合成本和使用寿命等因素。
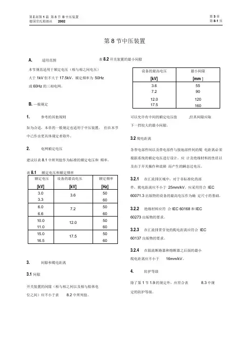
第8节中压装置表8.2开关装置的最小间隙本节规范适用于额定电压(相与相之间电压)大于1kV但不大于17.5kV,额定频率为50Hz或60Hz的三相电网。
B. —般规定1. 参考的其他规则如为合适,本章的一般规定也适用于中压装置,但在本节中已作出更具体规定者除外。
2. 电网额定电压建议以表8.1中所列值作为标准的额定电压和频率。
3. 间隙和爬电距离3.1 间隙开关装置的间隙(相与相之间以及相与船体电位之间)应不小于表8.2中所列值。
可以允许有中间的额定电压值,但其间隙应取下一挡较大的最小间隙。
3.2 爬电距离各带电部件间以及带电部件与接地部件间的爬电距离必须根据系统的额定电压进行设计,应计及绝缘材料的性质以及由于开关操作和故障而产生的瞬态过电压。
3.2.1 在汇流排区域中,对于非标准化的部件,爬电距离应不小于25mm/kV。
应采用符合IEC 60071.3出版物的设备的最高电压作为确定尺寸的基础。
3.2.2 绝缘材料应符合IEC 60168和IEC60273出版物的要求。
3.2.3 在汇流排贯穿处的爬电距离应符合IEC60137出版物的要求。
3.2.4 在限流断路器和熔断器之后面的最小爬电距离应不小于16mm/kV。
4. 防护等级除了第1节1.9的规定外,应符合表8.3中规定的防护等级。
A. 适用范围4.1 如装置本身不能达到所要求的防护等级,则必须通过适当的结构措施确保其足够的防护。
4.2 防护措施4.2.1 应通过所要求的对外部物体和水的防护以排除电击和故障电弧对人员的危险。
4.2.2 主配电板装置应按IEC 60298的AA6经受内部电弧试验,必须满足第1到第6条的要求如由于其安装的地点(对于安装,见第2节, G.1.1),该配电板在人员进入之前就必须断开,则可免做此试验。
5. 等电位连接5.1 中压装置或设备的所有在正常运行时不带电的导电部件,均应与船体之间设导电连接。
5.2 在电气工作舱室中的所有金属部件均应被包括在等电位连接之内。
中海石油中捷石化有限公司YBM-10/0.4-630箱变技术协议需方:供方:1 .总则1.1 本本协议适用于中海石油中捷石化有限公司YBM-10/0.4-630系列预装型箱变的使用条件、额定参数、技术要求、试验、包装运输、安装和维护等具体内容。
1.2本技术协议提出的是最低限度的技术要求,并未规定所有的技术要求和适用的标准,除本技术条件中规定的技术参数和要求外,其余均应遵循最新版本的国家标准(GB)、电力行业标准(DL)、IEC标准和国际单位制(SI)。
1.3供方将严格执行本技术协议所列标准及相应的国家和行业相关技术要求和适用标准,有矛盾时,按较高标准执行。
供方在设备设计和制造中所涉及的各项规程,规范和标准遵循现行最新版本的标准。
1.4供方将提供一套满足本技术协议和所列标准要求的高质量产品及相应服务。
对本项目国家有关安全、环保等强制标准,供方完全能满足其要求。
1.5合同签订后5天内供方提供箱变的详细的设计图纸,由需方确认。
设备交货时,供方将按本技术的要求,提出合同设备的安装、接线图纸、实验报告、合格证、使用说明书给需方,由需方确认。
1.6供方采用的专利涉及到的全部费用均被认为已保含在设备总价内,供方保证需方不承担有关设备专利的一切责任。
1.7供方将提供高质量的设备。
这些设备是成熟可靠、技术先进的产品,并且供方已有多台相同容量设备制造、运行的成功经验。
1.8在合同签订后,需方有权提出因规范标准和规程发生变化而产生的一些补充要求,具体项目及费用由买卖双方共同商定。
当个别参数发生变化或供电局提出的要求引起补充变化不会引起供方技术方案的原则性调整时,供方承诺设备不加价。
1.9本技术协议为经济合同的合同附件,具有与经济合同同等的法律效力,是合同各方开展工作的依据,本协议与经济合同同时生效。
1.10有关设计、制造和其它未尽事宜,双方应本着互相配合、互相体谅的原则,进一步协商解决。
2.现场环境厂区位于河北沧州临港经济技术开发区临港化工园区境内。
导体的选型计算输电线路的选型1架空线导体选择升压变电站将集电系统送来的电能再次升高后,通过两条架空线与系统相连由于输送距离为30km和40km,距离较长,拟采用软导体裸导线进行布置。
1.1按经济电流密度选择导体截面线路容量:SN=(1.5*69*103)/0.8=kWI max=1.05SN /3UN1=(1.05*)/(3*110)=712.99A按经济电流密度计算的导体截面:由于最大负荷年利用小时仅为2000多小时,经济电流密度J=1.70Sj=Imax/j=712.99/1.70=419.41mm2架空线导线拟采用为LGJ-630/45型,该导线截面积666.55mm2>419.41mm2满足经济电流密度要求。
1.2电晕电压校验表1 可不进行电晕校验的最小导体型号及外径在电压为110KV时,由于LGJ-630/45这一导体的型号大于可不进行电晕校验的的最小导体型号-LGJ-70这种导体,所以无需进行电晕电压校验1.3热稳定校验短路电流热效应Q k=6.92x3.1=147.591(kA2s)热稳定系数C取95S min=KQ/C=127.9mm2拟选用的导体截面666.55mm2>127.9mm2满足热稳定要求1.4 动稳定校验由于采用软导线,所以不需进行动稳定校验。
2、母线的选择一般10kV 及低压母线选择参照《工厂供电设计指导》中表5-28,所选母线均满足短路动稳定和热稳定要求,不必进行短路校验。
但对35kV 母线应按发热条件进行选择,并校验其短路稳定度。
2.1低压侧母线的选择: 35kV 母线的选择初选LMY-3(40×5),以下对其进行短路校验, 母线的动稳定度校验: 已知母线的动稳定校验条件:al c σσ≥LMY 母线材料的最大允许应力al σ=MPa 70。
由短路计算可知,35kV 母线的短路电流:(3)4.15sh I KA = (3)7.01shi KA =三相短路冲击电流产生的电动力:(3)(3)272327210/0.9(7.0110)10/38.300.2shlF N A amA N A N m --=⨯=⨯⨯⨯=式中,l —母线档距,取档数为3母线通过三相短路冲击电流时所受到的弯曲力矩:(3)38.300.9 3.451010F l N mM N m⨯===⋅母线的截面系数36221033.16005.0)04.0(6m mm h b W -⨯=⨯==母线在三相短路时的计算应力:52633.4525.94101.3310c M N m N m W m σ-⋅===⨯⋅⨯由此可见,al σ=MPa 70≥c σ=MPa 11.6,满足动稳定度要求。
630变压器高压侧电缆选择标准
【630变压器高压侧电缆选择标准】
一、前言
630变压器作为电力系统中的重要设备,其高压侧电缆的选择标准对于电力系统的稳定运行至关重要。
本文将深入探讨630变压器高压侧电缆选择的标准,以及影响选择标准的因素。
二、630变压器高压侧电缆的选择标准
1. 电压等级:首先需要考虑的是电缆的电压等级,630变压器的高压侧电压等级一般在6kV以上。
根据工程实际需求,需选用符合630变压器高压侧电压等级的电缆。
2. 电缆导体:在选择630变压器高压侧电缆时,需考虑电缆导体的材质和截面。
一般情况下,高压侧电缆选用铜导体或铝导体,导体的选择需考虑电缆的负载能力和传输距离等因素。
3. 绝缘材料:630变压器高压侧电缆的绝缘材料对电缆的安全性和可靠性具有重要影响。
选用绝缘性能优越的绝缘材料,能够有效提高电缆的耐电压能力和抗干扰能力。
4. 电缆敷设:根据变压器所处场所的特点和电力系统的布局需求,选择合适的电缆敷设,包括地埋敷设、架空敷设等。
不同的敷设会对电缆的材质和结构提出不同的要求。
5. 环境条件:针对变压器所处的环境条件,选择耐腐蚀、耐高温、防水防潮等特性的电缆材料,确保电缆在恶劣环境下仍能稳定运行。
6. 安全性和可靠性:在选择630变压器高压侧电缆时,需严格按照国家标准和行业标准进行选择,确保电缆具有良好的安全性和可靠性,降低因电缆故障导致的安全事故发生的概率。
三、个人观点和理解
作为一名电力工程师,我深知变压器高压侧电缆的选择对电力系统的重要性。
在实际工程中,我建议在选择630变压器高压侧电缆时,应充分考虑电缆的电压等级、导体材质、绝缘材料、敷设、环境条件等因素,并严格按照相关标准进行选用,以确保电缆能够稳定运行并具有良好的安全性和可靠性。
四、总结
本文围绕630变压器高压侧电缆选择标准进行了深入的探讨,从电压等级、电缆导体、绝缘材料、敷设、环境条件等多个角度进行了详细分析。
通过本文的阅读,读者能够全面、深刻和灵活地理解630变压
器高压侧电缆选择的标准及其影响因素。
【以上内容仅供参考,请根据实际情况进行更改】一、电缆阻抗和损耗:在选择630变压器高压侧电缆时,需要考虑电缆的阻抗和损耗情况。
高阻抗和大损耗会导致电缆的能量损失增加,影响电力传输的效率和稳定性。
需选择阻抗和损耗较低的电缆,以提高电力传输的效率和节约能源。
2. 抗干扰能力:随着现代电力系统的发展,各种干扰信号和电磁波的影响也越来越大。
在选择630变压器高压侧电缆时,需考虑电缆的抗干扰能力,选用能够有效抵御外部干扰的电缆材料和结构。
3. 抗短路能力:电力系统中存在各种短路故障,电缆作为电力传输的重要组成部分,其抗短路能力对于系统的安全运行至关重要。
在选择630变压器高压侧电缆时,需考虑电缆的抗短路能力,选用能够承受短路电流冲击的电缆材料和结构。
4. 成本和可维护性:在进行电缆选择时,还需要考虑电缆的成本和可维护性。
选择成本适中且易于维护的电缆材料和结构,能够降低工程投资和后期维护成本,提高电力系统的经济性和可持续发展性。
5. 质量和供应商信誉:在选择电缆时,需要充分考虑电缆供应商的信誉和产品质量。
选择具有良好信誉和高质量产品的供应商,能够确保
所选用的电缆符合国家标准和行业标准,为电力系统的稳定运行提供保障。
6. 技术支持和售后服务:在进行电缆选择时,还需考虑供应商提供的技术支持和售后服务。
选择能够提供技术沟通、方案设计和及时售后服务的供应商,能够解决工程中的技术问题,保障电力系统的安全稳定运行。
选择630变压器高压侧电缆时,需要综合考虑电缆的阻抗和损耗、抗干扰能力、抗短路能力、成本和可维护性、质量和供应商信誉、技术支持和售后服务等因素,严格按照相关标准进行选择,确保电缆能够稳定可靠地传输电力,为电力系统的安全稳定运行提供保障。