CFG桩开挖桩间土、清凿桩头施工技术交底
- 格式:doc
- 大小:46.50 KB
- 文档页数:2
CFG桩施工技术交底XXX投资建设有工程名称太航201厂房交底单位XXX交底日期交底项目CFG桩内容:一、CFG桩施工工艺流程1、施工准备(1).调查清楚CFG桩处理范围内及附近管线的具体位置,采取必要的措施,防止因施工造成损失。
(2).清除地表土,进行表面松土层处理,进行碾压,排除地表水,施工区周边做排水沟保证场地排水畅通。
(3).测量放线,定出控制轴线,从已定好的轴线控制点放出每个桩的桩位点,按照设计的搅拌桩的平面布孔图放样并编号,在桩位处地面钉设不易更改的标记(现场一般采用竹签),严格按照设计位置施工,并按设计要求组织好钻机的工作线路,避免重复移动。
(4).商砼运输车运至现场。
搅拌约150s。
现场检测塌落度。
保证商砼的实测坍落度为160~200mm。
2、CFG桩采用长螺旋钻管内泵压商砼注施工。
3、长螺旋钻管内泵压商砼灌注施工CFG桩施工一般优先采用间隔跳打法,也可采用连打法。
具体的施工方法由现场试验来确定。
连打法易造成邻桩被挤碎或缩颈,在黏性土中易造成地面隆起;跳打法不易发生上述现象,但土层较硬时,在已打桩中间补打新桩,可能造成已打桩被振裂或振断。
在软土中,桩距较大可采用隔桩跳打,但施工新桩与已打桩时间间隔不少于7d;在饱和的松散粉土中,如桩距较小,不宜采用隔桩跳打;全长布桩时,应遵循由“由一边向另一边”的原则。
(1).机械按设计桩位就位。
CFG桩钻机就位后,应调整钻机水平并固定,专人检查钻头锥尖对准桩位中心点;螺旋钻机就位后,司钻人员根据钻机架上的铅锤调节钻机垂直度,确保垂直度偏差≤1%。
开钻前对桩位进行复核,桩位偏差不得大于50mm。
(2).检查商砼坍落度。
向管内泵送,泵送量按试桩确定的数目进行,泵送时不得停泵待料。
商砼搅拌请求按配合比进行配料,计量请求准确,拌和工夫不得少于1min。
商砼加水量和坍落度(设计请求长螺旋钻管内泵压商砼法施工时,坍落度宜控制在16~20 cm)根据接纳的施工方法按工艺试验确定并经监理工程师核准的参数进行控制。
CFG桩安全技术交底一、背景介绍CFG桩,全称为水泥粉煤灰碎石桩,是一种在建筑领域广泛应用的桩基技术。
然而,无论是在施工准备、设备操作、现场管理还是质量控制等环节,都存在一定的安全风险。
因此,进行CFG桩安全技术交底,对于保障现场作业人员的安全以及工程的顺利进行具有重要意义。
二、技术交底内容1、施工前准备在施工前,应进行全面的安全风险评估,识别可能的安全隐患,如机械设备的故障、材料的不当存储和使用、人员操作失误等。
同时,应制定相应的安全措施,进行安全培训,确保所有工作人员都了解并遵守相关安全规定。
2、设备操作在进行设备操作时,应严格按照设备的操作规程进行,防止因误操作导致的安全事故。
例如,在使用振动沉管机时,应检查机器是否稳固,防止其倾倒或移动。
同时,应定期对设备进行检查和维护,确保其工作状态良好。
3、现场管理在现场管理中,应实施严格的作业许可制度,确保只有经过适当培训并取得作业许可的人员才能进行操作。
同时,应设置明显的安全标识和警示牌,对现场进行合理的分区和布置,以避免混乱和事故的发生。
4、质量控制在CFG桩施工过程中,质量控制也是非常重要的环节。
通过合理的质量控制措施,可以有效地减少安全隐患。
例如,对施工过程中的各项参数进行实时监测和记录,以确保其符合设计要求和相关标准。
同时,应定期对已完成的桩基进行检测和验收,及时发现并处理可能存在的问题。
三、总结CFG桩安全技术交底是保障施工现场安全的重要措施。
通过全面的安全风险评估、制定相应的安全措施、进行设备操作规程的培训、实施严格的现场管理制度以及加强质量控制等措施,可以有效地减少施工现场的安全风险。
也需要各级管理人员和作业人员的共同努力和参与,以确保整个施工过程的安全和顺利进行。
在建设路基的过程中,CFG桩的施工是至关重要的环节。
CFG桩,全称为水泥粉煤灰碎石桩,是一种由水泥、粉煤灰、碎石和砂加水拌和形成的高粘结强度桩。
这种桩具有良好的地基承载力和变形性能,广泛应用于各类工程的地基处理。
一、材料要求1、水泥:宜选用P.O32.5普通硅酸盐水泥或矿渣硅酸盐水泥。
2、砂:中砂或粗砂,含泥量不大于5%,且泥块含量不大于2%。
3、石子:卵石或碎石,粒径5~20mm,含泥量不大于2%。
4、粉煤灰:宜选用I级或II级粉煤灰,细度分别不大于12%和20%。
5、外掺剂:多为泵送剂、早强、减水剂等。
根据施工需要通过试验确定。
二、主要机具1、长螺旋钻机:常用长螺旋钻机的主要技术参数,见下表。
常用长螺旋钻机工作主机的主要技术参数续表三、作业条件1、施工前应完成“三通一平”施工条件,现场电源根据设备功率大小,选用现场配电;水源根据设备数量,选用宜大勿小;场地应平整并具有一定的强度,如强度不足,应铺垫砂石,或垫钢板以利机械行走。
地上、地下如电线、管线、旧建筑物、设备基础等障碍物均己排除处理完毕,无碍施工。
各项临时设施如照明、动力、安全设备准备就绪。
2、熟悉施工图纸及场地的土质、水文地质资料,做到心中有数。
3、按CFG桩位平面图,测设桩位轴线、定位点,用φ25钢筋在桩位处扎入深度不小于300mm 的孔,填入白灰并插上钢筋棍,标识桩位,要求所有桩位一次全部放完,并由技术负责人组织质检员、施工员、班组长共同对桩位进行检查,确认准确无误后,与甲方或监理办理预检签字手续。
基坑内施工时,边坡应外扩不小于1.0m,以利边角桩施工。
4、施工前应将水泥、砂、石子、粉煤灰、外掺剂送实验室复试,同时进行配合比试验,保证各种材料合格并提出合适的配合比。
5、施工前应对施工人员进行全面的安全技术交底,施工前对设备进行安全可靠性检查,确保施工安全。
6、施工现场应做好材料、机具摆放规划,使素混凝土输送距离最短,且输送管铺设时拐弯最少。
四、操作工艺(一)工艺流程:(二)钻孔施工:1、钻机进场后,应根据桩长来安装钻塔及钻杆,钻杆的连接应牢固,每施工2~3根桩后,应对钻杆连接处进行紧固。
2、桩机就位前进行孔位复核。
钻机定位后,钻尖封口,最好用橡皮筋箍住。
CFG桩头破除技术交底书
1、CFG桩施工完28天等强后,水准抄平计算出需要挖除保护层(桩间土)的深度,然后人工开挖运出或者使用小型挖掘机挖开运出.开挖时必须控制好标高,严禁超挖,若出现超挖,则需要夯实回填.由于挖掘机动力较大,而CFG桩完全是素砼,机械很容易拉断或推断桩身,所以在机械施工时要特别注意,为防止挖掘机挖到桩身,造成断桩,所以桩身附近的土方必须采用人工清理。
2、桩间土挖除完毕后,再次水准抄平,计算出该段CFG桩的保护桩长,并做好标识,然后用电锯从四周水平锯进至少6cm,然后人工用冲击钻(钻杆直径大于12mm)从三个不同角度打眼,打眼深度至少在10cm以上,然后用大锤将三个钢钎呈120°水平凿进,直至桩头与桩身断开,再将桩头推开.桩顶用小钢钎修平。
桩顶标高允许误差0~+20mm.
3、如果在基槽开挖和截桩头时造成桩头断至设计桩顶标高以下,必须接桩至设计桩顶标高,剔平凿毛桩顶并用水冲洗干净,用C20豆石砼接桩.接桩的具体方法为:断桩后,人工开挖桩四周的桩间土,将桩顶凿毛用水冲洗干净,接桩长度不小于10cm,接桩至桩顶设计标高,桩径必须超出桩周200mm。
4、采用小型挖掘机清除,必须安排技术熟练的操作手,并安排专人指挥,以防挖到桩头或桩体造成断桩。
5、现场施工人员必须认真按照交底内容施工,如有违反将给予500元以上的罚款直至清理出场.
交底人:接底人:
日期:日期:。
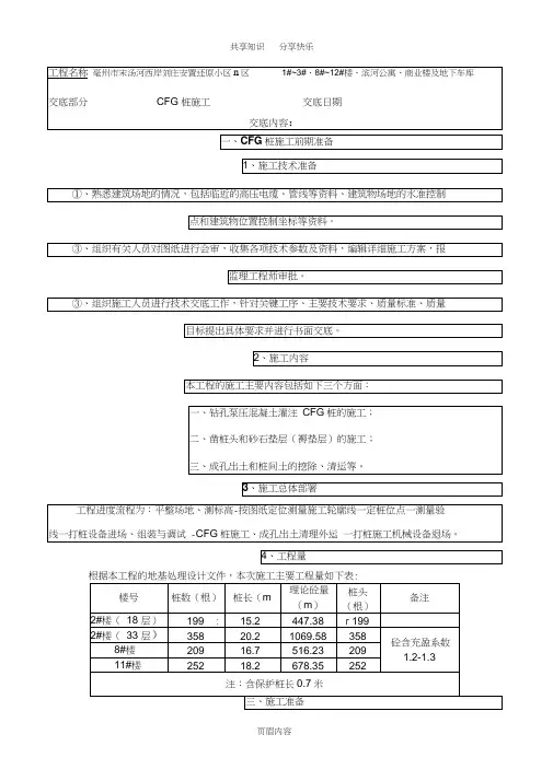
根据本工程的地基处理设计文件,本次施工主要工程量如下表:
从而在泵压下打开钻门。
6长螺旋钻机钻进过程中如果钻具下放速度过快,致使钻出的土来不及带出孔外而积压
钻杆与孔壁之间,严重时就会造成卡钻事故。
如果事故轻微,应立即关掉回转动力电源,将钻具用最低提升速度提起后重新施钻即可;如果事故严重首先应将钻机塔下大梁用机枕木垫好,再用最低提升速度拉钻具。
7、桩头不完整
造成这一问题的主要原因是停灰面过低,没预留充足的废桩头,有时提钻速度过快也会
导致桩头偏低,提钻过程中应严格控制提钻速度。
六、施工质量要求及主要控制措施
1、成桩允许偏差
成桩施工质量控制指标一览表
施工前,对各施工工序人员进行技术交底,施工过程中,每天需按照施工桩数的5%,
对以上的施工技术要求指标进行抽检,确保施工质量满族设计和施工规范要求。
施工结束后, 做好竣工
质量检验以及工程质量评定。
2、质量措施
①、测量放线检验。
筑龙网 W W W .Z H U L O N G .C O M工 程 名 称 分 部 工 程 基 础 工 程 分项工程(工种)名称: 挖桩间土、清凿桩头交底内容:一、本次交底主要针对本工程CFG 桩间土的开挖。
二、工程概况:本工程采用CFG 桩复合地基进行处理,共有CFG 桩640根,桩径为400mm ,混凝土强度等级为C30,CFG 桩桩顶标高大部分为-10.25米。
遇集水坑等特殊的桩顶标高见后附图。
褥垫层范围见后附图。
三、施工工艺及流程:(一)挖桩间土确定开挖的顺序→抄平→分层开挖→人工清底(二)清凿桩头抄平→风镐清凿→人工清凿四、技术保障措施:(一)挖桩间土1、 CFG 桩施工完后,立即组织基坑内土方开挖,按照先打桩部分的先开挖的原则,按照建设单位提供的桩基施工的程序图进行,开挖顺序自西向东进行。
机械开挖至-9.81米,其余部分采用人工开挖至设计标高-10.25(此标高为有褥垫层部分的标高)没有褥垫层挖土标高为-10.1米。
2、桩间土采用一台600mm 的反铲挖掘机,四辆自卸双桥轿车运土,人工辅助清理,塔吊配合余土的清理。
3、机械挖土时应保留300mm 土层,严禁超挖。
4、桩间水平方向控制与桩保持300mm 安全距离由人工挖除,挖除至槽底设计标高,在进行清凿桩头施工,裙楼没有CFG 桩的部分为施工车辆运输的通道,(后附CFG 桩基图)桩间土部分首先挖除,随后分段进行裙楼部分的挖土,直至挖至坡道处,最后从北侧QTZ30C 塔吊旁边预留坡道退出。
5、挖除的砂土留做回填土使用,挖土运距及场外堆放在距本工程500米处。
6、土方挖运分段进行,每段挖运完毕马上进行基坑边防护,护坡采用钢丝网抹C15细石砼,现场搅拌施工,钢丝网采用镀锌直径3.5mm 网格50 mm ,并在出土坡道东侧设上下台阶通道同前所述,砼厚度4~6cm 。
7、施工期间抓紧施工,遇降雨时,及时准备好盲沟的集水井的抽水设备,必要时,基坑内设200mm 深明沟进行排水,同时准备充足的塑料布进行覆盖保护,防止雨水浸泡地基土。
CFG桩施工技术交底一、工程概况本段CFG桩桩径0.5m,桩间距1.5m,桩位布置形式为:正三角形。
二、目的为规范CFG桩施工,保证桩身质量,特依据铁路施工规范及设计图纸要求制定本技术交底书。
三、施工准备1、场地进行平整,清除地表杂填土、种植土、垃圾土等。
地表处理采用人工配合机械按不同的要求分段作业,将原地面整至设计桩顶标高以上30~50cm,碾压密实。
表面做成适当的排水横坡,两侧人工开挖排水沟临时排水系统,确保地表无积水。
2、现场复核测量基线及水准点,按照桩位布置现场测量放样,根据布桩图准确定位桩位中心及平面位置,在桩位中心打入木桩、竹片桩或钢筋,用白灰标明。
3、对基底安规定分层碾压密实至K≥0.9。
宽度必须满足设计。
四、长螺旋钻孔泵压灌注CFG桩施工1、钻机就位钻机就位必须平整、稳固,确保在施工中不发生倾斜、移动。
钻机就位后,采用在钻架上挂垂球的方法测量钻杆的垂直度或利用钻机塔身的前后和左右的垂直标杆检查塔身导杆,校正位置,使钻机垂直对准桩位中心。
为准确控制钻孔深度,应在桩架上做出控制深度的标尺,以便在施工中观测、记录。
在钻塔前接上1个400A的交流电流表,以显示不同地质条件的电流变化。
2、钻进成孔1)钻孔开始前,应通过泵送水泥砂浆检查芯管顶部的气眼是否通畅、混凝土输送软管是否接头良好,是否有扭曲现象。
根据钻机塔身上的进尺标记,成孔达到设计标高时停止钻进。
2)现场控制人员应在钻头前面随钻进深度记录人员要及时记录电流,电流突变处应及时记录钻进深度。
当电流显示已进入硬土层时应控制进尺,确保嵌入硬层深度不小于50cm。
3、验孔检查孔深及垂直度偏差,填写记录,并进行签认。
4、灌注成桩1)混合料应按配合比进行配料,计量要准确,上料的顺序为:先加碎石,再加水泥、粉煤灰和泵送剂,最后加砂,没盘料的拌合时间不应小于60s。
2)钻孔至设计标高后,停止钻进。
混合料经坍落度检查合格后,开始泵送混合料,每根桩的投料量应不少于设计灌注量(投料的计算采用在泵口安装混凝土流量计或采用记录泵压次数的办法计量,不得采用斗量法)。
CFG桩施工技术交底本分部管段CFG桩采用长螺旋钻管内泵压混合料灌注法进行施工。
一、技术交底范围本技术交底仅适用于本分部管段内XXX段路基CFG桩加固地基处理。
二、施工准备1.平整场地,清除障碍物施工场地应挖除地表种植土、腐殖土及植被根系,且地面平整度良好,不会造成积水现象。
2、根据设计桩长和场坪高程,确定螺旋管的装配长度,一般情况,螺旋管的装配长度长于设计桩长3~6m o3、以螺旋管节初节法兰盘为起点,在桩机机架上标出长度标记,以便钻进时观察、记录钻杆的入土深度。
4、放桩位:现场复核测量基线及水准点,根据布桩图准确放出CFG桩的桩位点,测量桩位高程,做好测量原始记录,根据高程及平面测量记录表计算每根桩的钻进深度,以便施工控制。
5、选用的水泥、粉煤灰、碎石、砂的品种、规格、质量应符合设计要求。
6、选定合适的配合比,混合料坍落度宜为160~200mm。
7、施工前先进行成桩工艺性试验,试桩不少于3根。
通过试桩复核设计地质资料,确定桩机配重、混合料配合比、坍落度、搅拌时间、提管和混合料泵送速度、保护桩长、施打顺序是否适宜等施工工艺参数和终孔条件。
三、施工工艺1.本管段内CFG桩桩径设计采用0.5m,桩间距为1.8m,桩长5m〜14m 不等,按正方形布置。
桩顶设C35钢筋混凝土桩帽,其上设0.4m厚碎石+0.1m厚粗砾砂垫层,内铺设一层双向经编土工格栅,在施工时应严格控制各项参数,确保工程质量。
2、钻进成孔(I)CFG桩施打顺序:横向从线路中心向两侧方向横向推进,纵向从有结构物或分界点顺线路方向纵向推进。
(2)钻孔开始前,应仔细检查芯管顶部的气眼是否通畅、混凝土输送软管是否接头良好、是否有扭曲现象。
(3)钻进开始时,关闭钻头阀门,对准桩位点向下移动钻杆至钻头触及地面,用钻机塔身的前后和左右的垂直标杆检查塔身导杆,校正位置,使钻杆垂直对准桩位中心,确保CFG桩垂直容许偏差不大于1%。
钻机就位后,启动马达钻进。
一、编制依据1、《建筑地基基础工程施工质量验收规范》(GB50202-2002);2、《建筑桩基技术规范》(JGJ94-2008);3、《地基处理技术规范》(JGJ 79-2012);4、《建筑地基基础设计规范》(GB50007-2011);3、复合地基处理工程图纸;二、工程概况1、本工程2#、3#、5#、6#、7#、8#厂房基础均采用钻孔压灌CFG桩复合地基施工方案,桩身混凝土强度为C20,2#楼桩长16m(不含保护桩长0.5m),桩间距1.6m*1.6m,其他楼号桩长为12m(不含保护桩长0.5m),桩间距为1.7*1.7m,桩径400mm,正方形布置。
桩端持力层为粉细砂④层。
要求复合地基承载力特征值不低于200Kpa,变形模量不小于10MPa。
2、验收时每根桩逐个检查,发现断桩现象,要进行断桩处理,对于断桩尺寸不超过150mm的不需要进行补桩,需要将断桩面打凿平整,清理干净。
三、处理措施1、CFG桩桩间保护土层清运的技术方案清土分一般土层和桩间保护土层两部分,即自然地面以下至桩顶标高以上500mm为一般土层;桩顶标高至桩顶标高以上500mm为桩间保护土层。
基坑开挖原则上应在CFG桩施工结束后进行,如在CFG桩施工期间进行,应不影响CFG桩正常施工。
桩间保护土层的清运应按书面技术交底进行,并有专人指挥。
桩间保护土层的开挖、清运宜采用人工开挖、清运。
在桩距足够大且槽底土不易受扰动的情况下,可以采用小型机械开挖、清运。
开挖过程中应用水准仪进行测量,控制标高,以避免超挖。
桩间保护土层开挖、清运过程中,应合理安排开挖、清运顺序,避免开挖和运输机械直接在基底面上行走,造成基底土层的扰动。
如需在已开挖完成的基底面上行走,应采取铺设木板等保护措施,以保证基底土在施工过程中不受扰动。
在桩间保护土层开挖、清运过程中,应注意成品CFG桩的保护,特别是采用机械开挖、清运的情况下,应有专人指挥机械,严禁机械碰撞桩头,以避免造成浅部断桩。