有限公司程序文件编码原则
- 格式:doc
- 大小:71.00 KB
- 文档页数:5
管理制度文件编码要求一、目的为了规范管理制度文件的编写,提高文件的信息化程度和可阅读性,确保文件的准确、清晰和规范。
二、适用范围适用于所有管理制度文件的编码要求,包括各类规章制度、工作流程、操作规程等。
三、编码原则1. 简单明了:编码应简洁明了,易于识别和记忆。
2. 有序排列:编码应有序排列,便于归档和检索。
3. 规范统一:编码应遵循统一的规范,不得随意更改。
4. 保密性:编码应具有一定的保密性,不得随意泄露。
四、编码要求1. 编码内容:编码应包括编号和名称两部分,编号是标识文件的唯一序号,名称是对文件内容的简要描述。
2. 编码格式:编号采用数字、字母或符号等形式,名称采用中文或英文等形式。
3. 编码规范:编码应按照一定规范进行组织,如“规章制度-部门编号-序号”等形式。
4. 编码更新:编码更新应及时进行,确保文件的版本控制和管理。
五、编码管理1. 责任部门:由相关部门负责管理管理制度文件的编码工作。
2. 编码工作流程:编码工作应按照程序规定进行,包括新建、修改和废止等流程。
3. 编码备份:编码备份应妥善保存,以防丢失或损坏。
4. 编码检查:对编码进行定期检查和审核,确保编码的准确性和完整性。
六、附则1. 本编码要求自发布之日起开始执行。
2. 对于已编写的管理制度文件,应尽快进行编码整理,以符合本要求。
3. 如有变动或疑问,应及时向管理部门进行反馈和沟通。
七、结语管理制度文件的编码是规范管理工作的重要环节,各部门应严格按照要求执行,并不断完善和提高文件编码管理水平,确保管理制度文件的有效运行和实施。
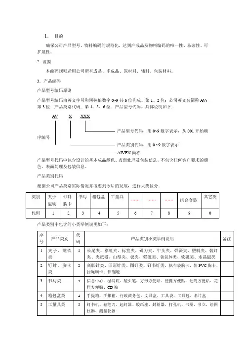
1.目的确保公司产品型号、物料编码的规范化,达到产成品及物料编码的唯一性、易读性、可扩展性。
2. 范围本编码规则适用公司所有成品、半成品、原材料、辅料、包装材料。
3.产品编码产品型号编码原则产品型号编码由英文字母和阿拉伯数字0~9共6位构成。
第1、2位:公司英文名简称A V;第3位:产品类别代码;第4、5、6位:产品型号代码。
具体说明如下:A V X XXX产品型号代码,用0~9数字表示,从001开始顺序编号产品类别代码,用0 ~9数字表示AIVEN简称产品型号代码中包含设计的基本成品颜色、表面处理及包装信息,不包含任何客户要求的颜色、表面处理及包装信息。
产品类别代码根据公司产品类别实际情况并考虑到今后的发展,进行大类区分:产品类别中包含的小类举例说明如下:产品型号代码产品型号代码按产品小类划分代码段,各代码段内各型号产品按流水号区分。
小类代码段划分如下夹子、磁铁类代码段划分举例说明:A V1001型号表示爱文公司夹子类产品第1种长尾夹。
钉针、胸卡类代码段划分举例说明:A V2001型号表示爱文公司钉针类产品第1种高脚钉。
书写类代码段划分举例说明:A V3031型号表示爱文公司书写类产品第1种唛头笔。
箱、包、盒类代码段划分举例说明:A V4001型号表示爱文公司箱类产品第1种手提箱。
工、量具类代码段划分举例说明:A V5091型号表示爱文公司工量具类产品第1种胶纸座。
组合套装类代码段划分举例说明:A V9063型号表示爱文公司组合套装类产品第3种四格组合。
第6、7、8三类为考虑到公司产品的发展,系统预留的产品大类代码。
其它类代码不能归入1~5类的产品,而又未能形成系列的,按流水号编写型号代码。
4.物料编码物料编码原则物料编码用8位阿拉伯数字0~9表示。
第1位表示物料大类;第2~8位表示物料小类和流水号。
物料大类划分及代码如下物料小类和流水号划分及代码如下成品类各型号不带包装产成品,因颜色和表面处理不同而用不同的代码区分,小类代码占第2~5位,共4位,用产品类别代码+型号代码表示。
程序文件与编码原则在软件开发的过程中,程序文件的组织和编码的规范性对于代码的维护和可读性至关重要。
良好的编码原则能够提高开发效率、降低错误率,并且使得代码更易于理解和修改。
本文将探讨程序文件的组织和编码原则,以帮助开发者编写高质量的代码。
一、程序文件的组织1. 文件命名:对于文件的命名要尽量简洁、具有描述性,能够反映文件的内容。
使用有意义的英文单词或者单词的组合,不要使用拼音或者缩写。
同时,在命名时要遵循项目的命名规范,保持风格的一致性。
2. 文件目录结构:良好的目录结构可以提高团队的协作效率,使得文件的查找更加方便。
可以根据模块或者功能对代码进行划分,将相关的文件放在同一目录下,避免文件过于庞杂。
同时,还可根据代码的类型进行分类,例如将源代码、测试代码、配置文件等放在不同的目录下,以便于管理和维护。
3. 文件组织规范:在每个文件的开头应该添加必要的注释信息,包括文件的功能、作者、创建日期等。
对于较大的文件,可以使用目录进行分块,使得代码的组织更加清晰。
二、编码原则1. 代码可读性:编写易于阅读的代码是一个良好的编码原则,可以使得代码更易于理解和维护。
可以通过以下方式来提高代码的可读性:- 使用有意义的变量、函数和类名。
避免使用过于简单或者晦涩难懂的名称。
变量名可以使用小驼峰命名法,函数和类名可以使用大驼峰命名法。
- 适当添加注释,解释代码的功能、设计思路等。
注释应该简洁明了,避免过多的废话。
- 缩进和空格的使用应当一致,以增加代码的可读性。
2. 一致性与规范性:在编码过程中,要保持风格的一致性,并遵守项目中规定的编码规范。
编码规范可以涵盖代码的格式、命名、注释等方面,帮助代码风格的统一和规范。
3. 模块化与重用性:将代码分解为独立的模块,每个模块只负责一个明确的功能。
通过模块化的设计,可以降低代码的复杂度,并且增加代码的重用性。
同时,合理使用函数和类,提高代码的可复用性和可扩展性。
4. 错误处理与异常处理:在编码过程中应该考虑到可能出现的错误和异常情况,并进行相应的处理。
公司文件编号管理制度
为规范公司文档管理,特制订本文件编号规范,请各部门在以后的文件编号中严格按照此规定进行文件编号。
文件命名基本各式:
XXX - XX - XX - XXXXXX - XX
发文状态/文件流水号
发文日期
文件类型
发文机构
公司代码
一、文件编号由五部分组成,每部分之间用“—”连接
第一部分:公司代码,表明发文公司
第二部分:发文机构,表明公司内发文的部门
第三部分:文件类型,表明文件所属性质
第四部分:发文日期,表明发文时间
第五部分:发文状态/文件流水号,发布制度类表明文件版本号,发布其它类型表明文件流水号
二、各部分表示方法
1.公司代码
由公司拼音首字母组成,具体为SCT
2.发文机构
发文机构的表达符号
3.文件类型 文件类型的表达符号
4.发文日期
由年月日YYYYMMDD 表示,例如20230110 5.文件状态/文件流水号
文件状态/文件流水号表达符号的说明
三、举例:
1.人事部2023年01月10日发布的考勤管理制度第一版 文件编号:SCT-RS-ZD-20230110-1.0
2.人事部2023年01
月11日发布的中层管理人员会议纪要 文件编号:SCT-RS-HY-20230110-01 四、文件表头
制度类文件统一使用下列表头,例: 正文
五、公司行政类文件
XXX 【XXXX】 X号
顺序号,例,12号
发文年份,例【2023】
公司简称
六、编号管理
所有文件由人事部统一编制和管理。
所有文件流水号在每年1月1日自动归零。
程序文件编号编码原则-范本模板程序文件编号编码原则范本模板一、编号编码的目的程序文件编号编码的主要目的是为了实现以下几个方面的需求:1、唯一性:确保每个程序文件都有一个独一无二的标识符,避免混淆和重复。
2、系统性:通过编号编码反映文件之间的层次关系和逻辑结构,便于系统性管理。
3、可识别性:能够快速识别文件的类别、所属部门、版本等重要信息。
4、可追溯性:便于追溯文件的历史版本和变更记录。
5、便于检索:方便在大量文件中快速准确地找到所需文件。
二、编号编码的组成要素一个完整的程序文件编号编码通常由以下几个要素组成:1、部门代码:表示文件所属的部门或业务领域,以便明确责任和权限。
2、文件类别代码:区分不同类型的程序文件,如操作手册、流程规范、技术文档等。
3、项目代码(如有):针对特定项目相关的程序文件,进行项目标识。
4、版本号:记录文件的版本迭代,确保使用者获取最新和正确的版本。
5、流水号:在同一类别和部门内,为文件分配的唯一顺序编号。
三、具体编码规则1、部门代码部门代码可以采用字母缩写的方式,例如研发部门可以用“RD”表示,销售部门可以用“SL”表示,财务部门可以用“CW”表示等。
为了保持一致性和规范性,部门代码应由企业或组织统一制定并发布。
2、文件类别代码文件类别代码应简洁明了,能够清晰反映文件的性质。
例如,操作手册可以用“OM”表示,流程规范可以用“PS”表示,技术文档可以用“TD”表示等。
3、项目代码如果文件与特定项目相关,项目代码可以根据项目的名称、编号或其他特定标识进行设定。
例如,项目“智慧物流系统”可以用“ZHLW”表示。
4、版本号版本号通常采用数字和小数点的形式,例如“10”表示初始版本,“11”表示第一次小的修订,“20”表示较大的版本变更。
5、流水号流水号一般采用连续的数字,从 001 开始递增。
例如,研发部门的第一个流程规范文件可以编号为“RDPS-001”。
四、编码示例以下是一些具体的程序文件编号编码示例,帮助您更好地理解和应用上述规则:1、研发部门的操作手册第一版,编号为:RDOM-10-0012、销售部门关于客户管理的流程规范第二次修订版,编号为:SLPS-12-0053、财务部门针对某个项目的技术文档初始版本,编号为:CWTDP001-10-010五、编号编码的管理与维护1、建立编码管理系统企业或组织应建立专门的编码管理系统,用于记录和维护程序文件的编号编码信息。
程序文件编码原则在进行程序文件编码时,有一些原则需要遵守,以保证代码的可读性、可维护性和可移植性。
以下是一些常用的程序文件编码原则:1.一致性原则:在整个项目中保持代码的一致性,包括代码风格、命名规范、缩进方式等。
一致的代码风格能够增加代码的可读性,易于理解和修改。
2.命名规范原则:为变量、函数、类等命名时,应该遵循一定的命名规范。
常用的命名规范有驼峰命名法、下划线命名法等。
命名规范能够提高代码的可读性和可维护性。
3.注释原则:在代码中适当添加注释,解释代码的目的、逻辑和实现细节。
注释能够帮助他人理解代码,并且方便自己在以后的开发过程中进行修改和维护。
4.模块化原则:将代码划分为独立的模块,每个模块负责完成特定的功能。
模块化能够提高代码的可维护性,方便代码的复用和测试。
5.函数原则:编写函数时应该遵循单一职责原则,即每个函数只负责完成一个具体的任务。
函数的长度应该尽量控制在一定范围内,以提高代码的可读性和可维护性。
6.错误处理原则:在编程过程中,应该遵循适当的错误处理原则。
对于可能发生错误的地方,应该添加适当的错误处理代码,以提高程序的健壮性。
7.安全性原则:在编写代码时应该考虑到程序的安全性。
对于涉及用户个人信息的部分,应该做好安全保护,防止恶意攻击和非法访问。
8.可移植性原则:在编写代码时应该尽量考虑代码的可移植性。
尽量使用标准化的编程语言特性和库函数,避免使用与特定平台相关的特性。
这样可以提高代码在不同平台上的兼容性和可移植性。
9.公共资源原则:对于需要共享的资源,应该采用合适的方式进行管理。
例如,对于共享的数据结构,应该采用适当的同步机制,以避免多线程访问时可能产生的竞争条件和死锁等问题。
10. 版本控制原则:在进行代码的版本控制时,应该使用合适的版本控制工具,例如Git。
通过版本控制可以方便地进行代码的备份、协同开发和追踪修改历史。
总之,良好的程序文件编码原则是编写高质量、可靠、可维护的代码的基础。
文件编码原则1.文件标识文件的标识由以下5部分组成:1) 公司标识,只在文件左上贴公司Logo2) 文件名及编号,对应使用,应是唯一性,如“品质部表单:则 HF-QA-MR-0001”。
3) 版本标识,由“英文字母”+“数字”组成,用于确认文件的修改状态,如“A/1”。
4) 生效日期,应与文件“编写日期”和“修改日期”区分。
5) 页码,用于识别多页文件的完整性,如“第1页,共3页”。
2. 文件体系文件体系分为四层面:1) 公司质量手册(QM包含公司质量方针和质量目标);2) 公共程序文件(QP);3) 部门管理工作手册(不包含技术类文件);4) 记录表单3. 文件编号规则1) 质量手册 HF-QM-文件序号2) 公共程序文件 HF-QP-文件序号3) 其他文件HF-部门代码-文件类别-文件序号文件序号(四位)文件类别(二位)部门代号(二或三位)其他文件如:部门管理手册,设计文件,工艺文件,公司标准,工作表单等等;4. 部门代号规定文控中心--- DCC 采购部--- PR 生产部 --- PO研发部/工程 ---RD 仓储部--- MW 品管部 --- QA业务部 ---SM 财务部--- FA 行政人事部--HR物控部---PMC5. 文件类别管理职责类-- FR 表单类-- MR 技术/标准/作业指导类—TS/IS/WI 特注: TS –技术图纸; IS–指规格/标准; WI –作业指导书6. 文件版本升级规则由A/0为第一版,修改后顺次为A/1,A/2,A/3,A/4,后为B/0 ……(即每改过4次后,英文字母有更改)备注:每份文件必须有编制、审核、批准项,在第一页或最后一页。
部门代码:
总经理室:GM 品管部:PG工程部:PM
人力资源部:HR 业务部\销售部:M S 生产部:PC
工业工程部:IE 研发项目部:RD 采购部:PD 财务部:FD 厂务:FA 资材部:ZC 管理部:G L
文件代码:
质量手册:QM 程序文件:QP 检验指导书:SP 操作规范书:OE 工作指引:IC
资产代码
检测、检验设备:JC 生产设备:ZJ
办公设备:BG
一阶文件编码原则:
一阶文件泛指:质量手册(QM);
编码原则:XXX---XX—XXXX
公司代码----管理编码-- ---流水号
DSD—QM—0001
二阶文件编码原则:
二阶文件泛指:程序文件(QP);
编码原则:XXX—XX---XXX--XX
公司代码—程序文件---序号---版本
DSD---QP---001---A0
三阶文件编码原则:
三阶文件泛指:各部门作业指导书(SOP\SIP)
编码原则:XXX---XX---XX---XXX
公司代码—部门代码---文件代码---流水号
DSD—QC—CI—001
四阶文件编码原则:
四阶文件泛指:各部门表单
编码原则:DSD---XX--流水号
公司代码—部门代码---流水号
DSD-QA-001
各部门设备仪器编码原则:
公司代码-部门代码-设备代码-流水号
DSD-QA-JC-001
丁是丁-品质部-检具-001。
前言本编码规则是根据浙江万豪模塑股份有限公司目前现有的1-4级体系文件表单的基础上制订而成的。
在格式上遵循GB/T 1.1-2000《标准化工作导则第1部分:标准的结构和编号规则》的要求进行了规范。
本标准由浙江万豪模塑股份有限公司提出。
本标准由浙江万豪模塑股份有限公司企管部归口。
本标准起草单位:浙江万豪模塑股份有限公司企管部。
本标准因公司内部文件规划编码要求而制定,涉及范围为浙江万豪模塑股份有限公司内部。
本标准起草人:潘勇校对:符兴达审核:何新民批准:陈星亮浙江万豪模塑股份有限公司1-4级文件表单编码规则1 范围本标准规定了浙江万豪模塑股份有限公司的1-4级体系文件表单的编码规则(包括IATF16949、3C 认证、Emark认证体系文件)。
本标准适用于浙江万豪模塑股份有限公司的1-4级体系文件表单的编码。
2 规范性引用文件下列文件中的条款,通过本标准的引用而成为本标准的条款。
凡是注日期的引用文件,其后所有修改单(不包括勘误的内容)或修订版均不适用于本标准,然而,鼓励根据本标准达成协议的各方研究是否可使用这些文件的最新版本。
凡是不注日期的引用文件,其最新版本适用于本标准。
3 定义本标准采用下列定义3.1 每张文件表单均应有独立的代码,且应是唯一的。
3.2 采用表格图时, 表中每张表单文件均应标出独立的代码。
4 编码规则4.1 浙江万豪模塑股份有限公司的1-4级体系文件表单的编码规则如下:4.1.1浙江万豪模塑股份有限公司1级体系文件表单(质量手册)编码如下:ZJWH / QM – A - ****年号文件类型代码(代表1级文件)质量手册代号公司简称4.1.2浙江万豪模塑股份有限公司2级体系文件表单(程序文件)编码如下:ZJWH / QP –B - **-****发文流水号+年号文件类型代码(代表2级文件)程序手册代号公司简称4.1.3浙江万豪模塑股份有限公司3级体系文件表单(管理指导作业文件)编码如下:ZHWH/ ** - C - ** **| | | | | 发文流水号| | | | 对应程序文件号| | | 文件类型代码(代表3级文件)| | 部门代号| 公司简称部门编码号:二级程序文件号:4.1.4浙江万豪模塑股份有限公司4级体系文件表单(管理指导作业文件)编码如下:WH/QR - D - **** - ****| | | | | 记录序号| | | | 对应程序文件号或管理指导作业文件号| | | 文件类型代码(代表4级文件)| | 质量记录代号| 公司(厂)名简称三级管理指导作业记录序号:4.1.5外来文件沿用原来编号进行登记,每年收集归档。
程序文件编号编码原则
1.有序性原则:程序文件的编号应该具有一定的有序性,便于程序员
和其他人员查找。
编号可以按照一定的规律进行编排,如按照日期、项目
名称、文件类型等进行编号。
2.可读性原则:程序文件的编号应该具有较高的可读性,便于程序员
和其他人员读取和记忆。
编号可以采用数字、字母或其组合形式,避免过
长和含义复杂的编号。
3.唯一性原则:程序文件的编号应该是唯一的,不重复的。
每个文件
都应该有一个独特的编号,避免混淆和错误。
可以使用独立的计数器来生
成唯一的编号。
4.类别化原则:对于大型项目或复杂的程序系统,可以根据文件的类型、功能或所属模块进行分类,为不同类型的程序文件分别建立编号编码
规则,便于分类管理和查找。
5.层次化原则:对于大型项目或复杂的程序系统,可以按照层次关系
进行编号编码。
从整体到细节,将程序文件的层次结构反映在编号中,便
于理解和组织。
6.可扩展性原则:程序文件的编号编码规则应该具有一定的可扩展性,方便项目的发展和变化。
可以预留一定的编号段或字符,以便未来新增文
件或模块的编号。
7.机器可读性原则:程序文件编号编码规则应该考虑到计算机识别和
处理的需求。
编号可以使用数字或固定长度的字符,方便计算机对文件进
行排序和查找。
总之,程序文件编号编码原则旨在提高程序文件管理的效率和准确性。
通过合理的编号编码规则,可以使程序员和其他人员更好地组织、查找和
使用程序文件。
下面是赠送的几篇网络励志文章需要的便宜可以好好阅读下,不需要的朋友可以下载后编辑删除!!谢谢!!出路出路,走出去才有路“出路出路,走出去才有路。
”这是我妈常说的一句话,每当我面临困难及有畏难情绪的时候,我妈就用这句话来鼓励我。
一定有很多人想说:“这还在北京混个什么劲儿啊!”但他每天都乐呵呵的,就算把快递送错了也乐呵呵的。
某天,他突然递给我一堆其他公司的快递单跟我说:“我开了家快递公司,你看得上我就用我家的吧。
”我有点惊愕,有一种“哎呦喂,张老板好,今天还能三蹦子顺我吗”的感慨。
之后我却很少见他来,我以为是他孩子出生了休假去了。
再然后,我就只能见到单子见不到他了。
某天,我问起他们公司的快递员,小伙子说老板去上海了,在上海开了家新公司。
我很杞人忧天地问他:“那上海的市场不激烈吗?新快递怎么驻足啊!”小伙子嘿嘿一笑说:“我们老板肯定有办法呗!他都过去好几个月了,据说干得很不错呢!”“那老婆孩子呢?孩子不是刚生还很小吗?”“过去了,一起去上海了!”那个瞬间,我回头看了一眼办公室里坐着的各种愁眉苦脸的同事,并且举起手机黑屏幕照了一下我自己的脸,一股“人生已经如此的艰难,有些事情就不要拆穿”的气息冉冉升起。
并不是说都跳槽出去开公司才厉害,在公司瞪着眼睛看屏幕就是没发展,我是想说,只有勇气才能让自己作出改变。
《拒绝平庸》里有一句话:很多时候我们为什么嫉妒别人的成功?正是因为知道做成一件事不容易又不愿意去做,然后又对自己的懒惰和无能产生愤怒,只能靠嫉妒和诋毁来平衡。
其实走出去不一定非要走到什么地方去,而是更强调改变自己不满意的现状。
有人问我那你常说要坚持,天天跑出去怎么坚持?其实要坚持的是一种信仰,而不是一个地方,如果你觉得一个地方让你活得特别难受,工作得特别憋屈,除了吐槽和压抑没别的想法,那就要考虑走出去。
就像歌词里说的:“梦想失败了,那就换一个梦想。
”不能说外面都是大好前程,但肯定你会认识新的人,有新的机会,甚至改头换面重新做人。
程序文件编码原则在当今数字化的时代,程序文件的管理对于软件开发和维护至关重要。
而其中,程序文件编码原则的制定和遵循是确保文件管理有效性和效率的关键因素之一。
程序文件编码的首要目的是为了提供清晰、一致且易于理解的标识方式。
一个好的编码体系能够帮助开发团队快速定位和识别文件,提高工作效率,并减少因文件标识混乱而导致的错误。
编码原则的第一个重要方面是唯一性。
每个程序文件都应该有一个独一无二的编码,绝不能出现重复的情况。
这就像是每个人都有一个独一无二的身份证号码一样,确保了清晰的区分和准确的识别。
如果出现重复编码,就会导致混淆,开发人员可能会错误地修改或使用错误的文件,从而引发一系列的问题。
其次,编码应具有可扩展性。
随着项目的发展和功能的增加,新的程序文件会不断产生。
编码体系需要能够容纳这些新增的文件,而无需进行大规模的重构。
比如,可以采用分级编码的方式,预留足够的层级和编码空间,以适应未来可能的扩展需求。
易理解性也是编码原则中不可忽视的一点。
编码应该直观明了,能够让开发人员一眼就能大致了解文件的所属模块、功能或用途。
避免使用过于复杂或晦涩的编码规则,以免增加理解和使用的难度。
例如,采用有意义的缩写或词汇来表示相关的功能模块,能够让开发人员迅速判断文件的大致范畴。
一致性同样重要。
整个项目或系统中的程序文件编码应该遵循相同的规则和模式。
这样,无论是新加入的开发人员还是长期参与的成员,都能够迅速适应和理解编码体系。
如果编码规则不一致,就会导致混乱和误解,增加项目的管理成本和出错的风险。
在实际的编码过程中,还需要考虑到版本控制。
不同版本的程序文件应该在编码中有所体现,以便清晰地分辨和管理。
比如,可以在编码中加入版本号或者修订号,这样在进行文件更新和维护时,能够准确地找到对应的版本,避免使用错误的文件。
此外,为了提高文件检索的效率,编码可以按照一定的分类方式进行组织。
例如,可以按照功能模块、开发阶段、文件类型等进行分类编码。
程序文件编码原则在软件开发过程中,程序文件编码是非常重要的一环。
良好的程序文件编码规范不仅能够提高代码的可读性和可维护性,还能够提高团队协作效率。
本文将介绍一些常见的程序文件编码原则,帮助开发者写出高质量的程序代码。
1. 文件命名规范在编写程序文件时,为了方便团队成员的理解和查找,应该遵循一定的命名规范。
通常情况下,文件名应该能够准确地反映出文件的内容和作用。
建议使用有意义的英文单词或词组作为文件名,并使用下划线或驼峰命名法作为命名风格。
2. 文件结构和组织一个良好的程序文件应该具有清晰的结构和组织,便于理解和维护。
应该按照代码逻辑将相关的代码块放置在同一文件或同一目录下。
同时,应该避免将过多的代码写在一个文件中,可以根据功能或模块将代码分离成多个文件。
3. 注释规范注释是提高代码可读性的重要手段。
每个程序文件都应该包含适当的注释,解释代码的功能和原理。
注释应该清晰明了,不过多也不过少,避免使用无关的注释或者过于复杂的注释内容。
4. 缩进和空格使用在编写程序代码时,应该使用统一的缩进和空格规范。
一般情况下,推荐使用四个空格或者一个制表符进行缩进。
同时,应该避免过多的空格或者空行,保持代码的紧凑性。
5. 函数和变量命名规范在程序中定义函数和变量时,应该选择有意义且能够准确反映其功能的名称。
通常情况下,应该使用小写字母、数字和下划线组合作为命名,并采用驼峰命名法。
6. 标点符号和括号使用在编写程序代码时,应该遵循标点符号和括号的正确用法。
避免使用过多或过少的标点符号,保持代码的简洁性。
同时,应该正确使用括号,提高代码的可读性。
7. 引用和导入规范在程序开发过程中,经常需要引用其他模块或库中的代码。
应该遵循统一的引用规范,明确导入的代码路径和名称。
同时,应该将导入的代码放置在文件的开头部分,以便于其他开发者查找和理解。
8. 错误处理和异常处理在编写程序代码时,应该合理处理错误和异常情况,避免产生潜在的问题。
程序文件编码原则在软件开发过程中,程序文件的编码是至关重要的一环。
良好的编码规范和原则不仅可以提高代码的可读性和可维护性,还可以减少潜在的错误和问题。
本文将介绍几个程序文件编码的原则,以帮助开发人员编写高质量的代码。
一、命名清晰简洁在编写程序文件时,良好的命名规范是至关重要的。
变量、函数、类等的命名应该简洁明了,能够准确反映其功能和用途。
避免使用过长或过于复杂的命名,遵循驼峰命名法或下划线命名法。
二、注释详细准确在代码中添加详细的注释,可以帮助其他开发人员快速了解代码的功能和逻辑。
注释应该清晰准确,不宜过多或过少。
对复杂的算法、逻辑或关键部分的代码应有详细的注释,便于后续的维护和修改。
三、代码缩进和格式化良好的代码格式和缩进可以提高代码的可读性。
统一的缩进风格和代码格式化规范可以使代码更易于阅读和理解。
可以使用自动化的代码格式化工具来帮助保持代码的一致性和规范性。
四、模块化和代码复用模块化是指将代码分割为独立的功能模块,以实现代码的复用性和可维护性。
合理使用函数、类等封装机制,将代码组织为模块,便于后续的重用和扩展。
同时,模块化的设计也能使代码更易于理解和调试。
五、错误处理和异常处理良好的错误处理和异常处理机制是保证程序稳定性和鲁棒性的重要组成部分。
在编写代码时,应考虑各种可能的错误和异常情况,并进行适当的处理和反馈。
避免将异常抛给上层调用者,而是在代码内部进行处理,对错误进行合理的提示和处理。
六、可扩展性和可维护性编写可扩展性和可维护性强的代码是长期考虑的问题。
在设计和实现代码时,应该考虑到未来的需求变化和功能扩展。
避免硬编码,采用配置文件、参数传递等方式来实现灵活性,并尽量解耦和模块化代码。
七、规范化的版本控制版本控制是团队协作和代码管理的重要工具。
选择合适的版本控制系统,并制定统一的版本控制规范,包括分支管理、提交规范等。
合理使用版本控制,能够帮助团队成员协同开发,追踪代码的变化,保证代码的可追溯性和一致性。
程序文件管理原则文件分类:公司文件分可控文件和非可控文件二大体系,可控文件按四级管理一级文件:质量手册、管理手册、制度文件,代号用1Z表示,;二级文件:程序文件,代号用2C表示;三级文件:作业指导书、检验标准书、设备说明书、操作规程、流程规范管理文件、职能说明书等,代号用3Y表示,凡在业务环节及制程上级使用的文件均属之;四级文件:表单、应用记录,代号用4D表示。
非可控文件分外来文件、其他行政管理公司发文及公司协议、技术资料、其他五大类。
编号编码:现将可控程序文件编号编码简要举例说明如下:QJ:金文化公司企业质量标准文件的简称以“05工单开制产前准备控制程序”标号为例二级文件:QJ-2C(程序文件代码)—05(程序文件编号)QJ2C(程序文件代码)—05(程序文件编号)A(主程序图)QJ2C(程序文件代码)—05(程序文件编号)B(作业指导书)三级文件:QJ3Y(三级作业文件代码)—05—01(子程序1)QJ3Y(三级作业文件代码)—05—01A(子程序流程图)QJ3Y(三级作业文件代码)—05—01B(子程序作业指导书)QJ3Y(三级作业文件代码)—05—01C(职能说明说)四级文件:①表单基本项QJ4D—05—06—001(第六个子程序的第一个表单文件“生产通知单”)②应用记录项QJ4D—05—06—001(表单基本项目可预置于表单页眉∕表单实际使用填写记录时可省略),四级表单文件应用记录格式统一以[文件类型代号TS(生产通知单)]+[作业名称缩写+日期编号+流水号]组成如无子程序QJ4D02002即表示四级表单文件第二个程序文件的第二个表单文件应用时表单数字文件编号可略如QJ4D0202YZ吉林博大130307—A—(第号,内部流水号)可直接以QJ4DYZ(部门代号Y(业务部)+Z(制作合同代号))加企业名称简称吉林博大加日期后二位加流水号即可,电子文件以企业名称加主要作业项目简称加合同流水号组成。
XXX有限公司文件编码规则QWXX-XX-001编制:审核:批准:执行日期:XXX有限公司文件编码规则QWXX-ZB-0011.目的为对产品质量体系所涉及的文件实施有效的控制,确保在使用处可获得适用文件的有效版本,特制定本办法。
2范围质量手册,程序文件,管理办法和记录表格。
3职责质量管理处负责管理文件编码规则的制定,各部门负责按照文件编码规则的执行。
4 内容4.1 文件编码方法4.1.1质量手册:QM-XX-XXXX手册年代“2007”公司名称的汉语拼音首字母大写QM代表质量手册4.1.2程序文件程序文件编号从01开始,顺序编号程序文件所在标准章节号程序文件类型QP代表程序文件,XX代表XX公司4.1.3管理办法、规范类:QWXY--01部门文件编号从01开始,顺序编号文件所属部门代码QW代表三级文件,XX代表XX公司4.1.4管理表格记录记录表格编号从001开始,顺序编号记录表格所属部门代码QR代表记录表格,XX代表旭XX公司4.2部门代码:编制原则是以部门名称前两个声母为准,若下级部门有相同代码则增加第三个字的声母进行区别,文件管理部门发放文件时给发放部门盖受控号章,各部门代码及受控号如下表:4.3文件版本号文件版本号按A、B、C----;文件更改状态号为0、1、2、3、----4.4.文件编制结构4.4.1质量手册按ISO/TS16949要求中的条款排列顺序编订各章节与项目并明确体现章节内项目所对应的程序文件。
适当时可以自行增减部分章节。
4.4.2程序文件一般可采用如下格式进行编写:1.目的2.范围3职责4控制流程5内容6相关文件7使用表单4.4.3管理办法及作业指导书类文件管理办法的编写由使用部门制订,按程序文件格式样板编制,作业指导书的格式可以由编写部门自行定制。
具体内容与实际操作相符且有效,以易于阅读,使用为标准。
4.5管理内容各部门在编制管理文件及记录表单时,向质保部提出文件编号申请,由质保部统一给定编号。
文件编码原则
文件编码原则
文件的标识由以下5部分组成:
1.公司标识,只在文件左上贴公司Logo;
2.文件名及编号,对应使用,应是唯一性,如“品质部表单:则HF-QA-MR-0001”;
3.版本标识,由“英文字母”+“数字”组成,用于确认文件的修改状态,如“A/1”;
4.生效日期,应与文件“编写日期”和“修改日期”区分;
5.页码,用于识别多页文件的完整性,如“第1页,共3页”。
文件体系分为四层面:
1.公司质量手册(QM包含公司质量方针和质量目标);
2.公共程序文件(QP);
3.部门管理工作手册(不包含技术类文件);
4.记录表单。
文件编号规则:
1.质量手册HF-QM-文件序号;
2.公共程序文件HF-QP-文件序号;
3.其他文件HF-部门代码-文件类别-文件序号。
文件序号(四位)
文件类别(二位)
部门代号(二或三位)
其他文件如:部门管理手册,设计文件,工艺文件,公司标准,工作表单等等。
部门代号规定:
文控中心--- DCC
采购部--- PR
生产部--- PO
研发部/工程--- RD
仓储部--- XXX
品管部--- QA
业务部---SM
财务部--- FA
行政人事部--HR
物控部---XXX
文件类别:
管理职责类-- FR
表单类-- MR
技术/标准/作业指导类—TS/IS/WI
特注:TS–技术图纸;IS–指规格/标准;WI–作业指导书文件版本升级规则:
由A/0为第一版,修改后顺次为A/1,A/2,A/3,A/4,后为B/0……(即每改过4次后,英文字母有更改)。