XXXX公司文件编号规则
- 格式:doc
- 大小:653.00 KB
- 文档页数:4
公司档案文件编码规则1 目的规范和统一公司制度文件的格式及管理,明确制度文件编制、审核、签发程序及要求,维护制度文件的连贯性、权威性,保障管理组织有序、运行有效。
2 范围适用于公司各部门,各驻外机构可参照执行。
3 职责3.1 总经理负责公司各类制度文件的审批。
3.2 副总经理负责公司各类制度文件的审核。
3.3 人事行政部是公司制度文件的归口管理部门,负责公司制度建设的统筹规划、综合协调、组织实施与稽查落实;负责各类制度文件的初审;负责各类制度文件的档案管理。
3.4 各部门负责本部门职能、职责范围内相关制度文件的起草与报批;负责按职责划分执行相关制度文件。
4 制度文件分类及编号规则(见下表)。
4.1 版本制度文件版本分为版本和版号两部分:版本号用大写英文字母组成,从A开始顺次递增;版次号用2位阿拉伯数码组成,从00开始,顺次递增。
4.2 密级按制度文件保密程度,可将制度文件分为绝密文件(T)、机密文件(S)和一般文件。
制度文件应标明密级,一般文件无需标注。
4.3正文格式正文一般包括:1.目的、2.范围、3.职责、4.内容、5.附则、6.相关文件与记录、7.附件说明、8.文件履历说明。
4.3.1“内容”一般指具体管理涉及的内容,如涉及管理内容、项目较多,可适当扩充章节,分类说明。
4.3.2 涉及专业管理、技术问题,或需经特别解释才能表达清晰,辨明歧义的,可适当增加“定义”章节。
4.3.3文件履历说明一般包括制定(人)、审核(人)、批准(人),批准、颁发和生效日期,以及阅文批示及会签等内容。
4.3.4 正文一般采用四号小标宋体字(表格内文字小四号,页眉五号),A4纸,页边距上下左右均1.27cm,(标点符号用全角标注,占1字间距)。
4.3.5 附件与附件说明4.3.5.1 制度文件如有附件,应在正文之未尾,“文件履历说明书”之前进行附件说明。
4.3.5.2 附件一般包括:相关流程图、相关表单和其他对正文内容的说明性材料。
文件编号KS-HR-ZD-1701河北 XXXX贸易有限公司发行版本A修订状态0文件名称公司文件编号制度页数第1页共2页1、目的:有效管理公司内部文件及表单等文件编号具有唯一性、统一性、识别性、控制性,达到信息资料可追溯性、可延伸性的有效运转。
2、使用范围适用于公司内部所有文件及表单记录文件的管理。
3、文件编号原则:3.1 文件编号原则一般文件编号由公司名称KS(XXXX)、部门、文件类型、文件编码组成。
3.2 文件编码格式※※——※※——※※——※※※※前两位为文件编写年号,后两位为文件编号。
标准文件类型代码部门代码(用于部门拼音字头字母大写/ 简称)公司名称简写4、部门代码部门简称代码表部门名称简称部门名称简称XXXX KS财务部CW人力资源部HR秘书处MS采购部CG YX地产部DC KTVTZ XYYB KXXY人力资源部董事长.日期日期文件编号KS-HR-ZD-1701河北 XXXX贸易有限公司发行版本A发行版本0文件名称公司文件编号制度页数第 2 页共 2 页5、标准文件类型代码及文件用语定义。
5.1 制度—— ZD要求大家共同遵守的办事规程或行动准则,短期内不会有大的更改,一般会于每年定期修订的文件。
例如:《员工手册》、《办公室管理规定》、《考勤管理规定》。
5.2 公文—— GW相关相互往来联系事务的文件,具有很强的信息传递功能。
例如:《关于 XXXX通报》、《有关 XXXX通知》。
5.3 标准作业表格—— BG公司正常运营各部门所需的各种标准作业表格。
例如:《入职登记表》、《离职申请表》5.4 记录—— JL记录周例会、月例会、部门会议、年度会议、临时会议等会议内容。
6、文件年号及文件编号例如: 2017 年的年号为 17,文件编号根据发布的文件的顺编号即可,例: KS-HR-ZD-1701。
7、发布文件标准格式7.1 河北 XXXX贸易有限公司——字号小三加黑,其它文字字号均为小四, 1.5 倍行距。
公司文件编号规范为规范公司文档管理,特制定本文件编号规范.请各部门在以后的文件编号中严格按照此规定进行文件编号.文件命名基本格式:XXX-XX-XX-XXXXXX-XX版本号⑤发文日期④文件类型③发文机构②公司代码①一、文件编号由五部分组成,每部分之间用“—”连接.第一部分:公司代码,表明发文公司第二部分:发文机构,表明公司内发文的部门第三部分:文件类型,表明文件所属性质第四部分:发文日期,表明发文时间第五部分:文件状态,表明文件版本号二、各部分表示方法1、公司代码由公司拼音首字母组成,具体为XTK2、发文机构发文机构的表达符号:HR 人事部Human ResourceED 工程部Engineering DepartmentFD 财务部Financial DepartmentMD 市场部Marketing DepartmentAD 行政部Administration Department3、文件类型类型表达符号文件类型说明INF. 资料性文件搜集的有参考价值的市场信息、政府政策等RUS. 规章制度和决议发布的规章制度SR. 会议简要记录重要会议的会议纪要SOP.工程作业流程GF. 公司表格 Group Form4、发文日期由年月日YYYYMMDD表示,例如5、文件状态文件状态状态表达符号的说明:Add.版本号增编Corr.版本号更正Rev.版本号 发布新发布或取代已发放的文件 版本号的使用:第一版原件用表示对第一版进行细部调整用“状态符号/……”表示 对第一版进行结构修改用“状态符号/……”表示三、举例:工程部2015年4月13日发布的气压桶操作规范第一版文件编号:四、文件表头公司文件统一使用下列表头,例:五、公司行政类文件XXX XXXX 第X 号 顺序号,例,第12号发文年份,例,2016公司简称,。
1.公司品质手册:SK-QM/xxQuality Manual2.公司运作程序:Company Operation ProcedureSerial No.))3.公司作业指导书:SK-GWI-XX-XXX/xxGroup Work InstructionSerial No.)Group Dept.No.)Group Work Instruction)公司各部门编号:总裁办00President Office Group Department No.人力资源部01Human Resource 行政部02Aadministration 品质中心03Quality Center 供应链中心04Supply Chain Center 财务部05Finance市场部06Sales & Marketing IT部07Information Technology 实验中心08Reliability Lab 张家港工厂10ZhangJiagang Factory 江阴工厂20Jiangyin Factory 九江工厂30JiuJiang Factory4.公司表格:SK-GFORM-XX-XXX/xxGroup FormSerial No.)Group Dept.No.)Group Work Instruction)公司文件编码规则Document Numbering System5.工厂作业指导书:SK-WI-XXXX-XXX/xxFactory WorkInstruction Serial No.)XXXX说明:前面两个XX参照各工厂编号(First 2 XX refer to factory No.)后面两个XX:(Final 2 XX:)工厂通用文件:00Factory general document工程部01Engineering department生产部02Production department品质部03Quality department供应链04Supply Chain财务部05Finance人力资源06Human resource行政07Administration实验室08Reliability Lab6.工厂操作指导书:SK-XXX-XXXX-XXX/xxFactory OperationInstruction工厂操作指导书类型:(示例)Type of factory IIP Incoming Inspection PlanOperation Instruction PIP Process Inspection Plan(Example)FIP Final Inspection PlanQCP Quality Control Plan………………( The types decided by factory department)工厂表格:版本号(Revision No.)Factory form流水号(Serial No.)工厂各部门编号(Factory department No.)工厂编号(Factory No.)工厂表格(Factory No.)盛康公司(Suncome)。
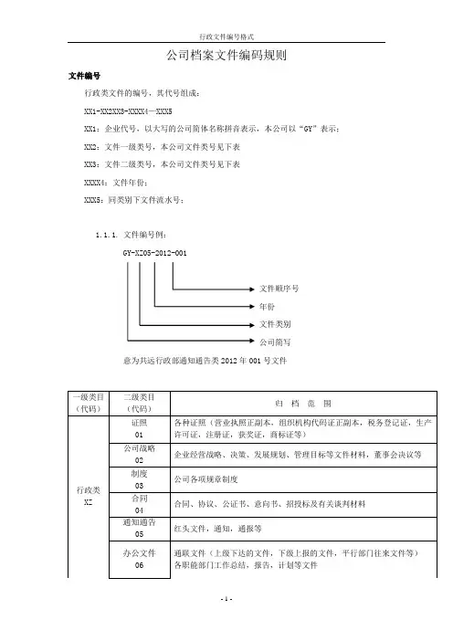
公司档案文件编码规则文件编号行政类文件的编号,其代号组成:XX1-XX2XX3-XXXX4—XXX5XX1:企业代号,以大写的公司简体名称拼音表示,本公司以“GY”表示;XX2:文件一级类号,本公司文件类号见下表XX3:文件二级类号,本公司文件类号见下表XXXX4:文件年份;XXX5:同类别下文件流水号;1.1.1.文件编号例:GY-XZ05-2012-001文件顺序号年份文件类别公司简写意为共远行政部通知通告类2012年001号文件一级类目(代码)二级类目(代码)归档范围行政类XZ证照01各种证照(营业执照正副本,组织机构代码证正副本,税务登记证,生产许可证,注册证,获奖证,商标证等)公司战略02企业经营战略、决策、发展规划、管理目标等文件材料,董事会决议等制度03公司各项规章制度合同04合同、协议、公证书、意向书、招投标及有关谈判材料通知通告05红头文件,通知,通报等办公文件06通联文件(上级下达的文件,下级上报的文件,平行部门往来文件等)各职能部门工作总结,报告,计划等文件会议07公司级会议文件(报告,纪要,记录,简报,发言材料等)政府文件08公司申请、批复等有关材料(项目文件,产品注册文件等)活动09 公司印刷、汇编材料、大事记等公司大型活动的议程,领导讲话,照片、录音、录像等资料其它10其它类型文件销售类XS市场01新市场开拓、新项目论证、评价、市场调查、分析、预测等文件材料销售政策02产品销售价格及调价政策等有关材料其它03其它销售类文件技术类JS 分析报告01产品质量分析报告,样品问题反馈报告等项目02项目的调研立项报告、请示、批复等产品设计定型、改型、改进报告、批复其它03其它技术相关文件生产类SC 生产01生产统计报告,发货统计报告,库存盘点报告,质量统计报告等其它02其它生产相关文件。
XXXXXXXX公司公文格式说明说明:本公文格式说明按照国家标准GB/T9704-2012并结合公司实际情况制定。
一、公文用纸公文用纸采用GB/T148中规定的A4型纸。
二、页面设置页边距上为3.7厘米,下为3.5厘米,左为2.8厘米,右为2.6厘米三、文字颜色如无特殊说明,公文中文字的颜色均为黑色。
四、行数和字数一般每面排22行,每行排28个字,并撑满版心。
特定情况可以作适当调整。
五、字体及字号(一)公文标题用2号小标宋体字(二)红头文件发文字号用3号仿宋体(三)正文第一层结构层次序数用“一、二”等,3号黑体;(四)第二层结构层次序数用“(一)、(二)”等,3号仿宋体;(五)第三层和第四层用“1、”“(1)”标注,3号仿宋体;(六)页码用4号半角宋体阿拉伯数字;(七)另面编排附件二字用3号黑体;(八)红头文件版记部分一般用4号仿宋体字注:如无特殊说明,公文格式主体要素一般用3号仿宋体字。
特定情况可以作适当调整。
六、公司红头文件行文格式编排规则公司红头文件行文格式各要素划分为版头、主体、版记三部分。
公文首页红色分隔线以上的部分称为版头;公文首页红色分隔线(不含)以下、公文末页首条分隔线(不含)以上的部分称为主体;公文末页首条分隔线以下、末条分隔线以上的部分称为版记。
页码位于版心外。
(一)版头1、公司标志:公司全称或者规范化简称加“文件”二字组成。
公司全称居中排布,颜色为红色,以醒目、美观、庄重为原则。
2、发文字号在发文机关标志下空二行居中排布,年份、发文顺序号用阿拉伯数字标注;年份应标全称,用六角括号“…‟”括入;发文顺序号不加“第”字,不编虚位(即1不编为01),在阿拉伯数字后加“号”字。
发文字号编号由总经办统一管理。
(二)主体1、公文标题编排于红色分隔线下空二行居中排布,回行时,要做到词意完整,排列对称。
2、公文首页必须显示正文。
3、页码用4号半角宋体阿拉伯数字,数字左右各放一条一字线;页码连续编排。
XXX公司文档命名规则编制:____________________日期:____________________ 审核:____________________日期:____________________ 批准:____________________日期:____________________XXXXXX公司二零XX年XX月制文档说明文档编号:XXXX-XXXX-01-01(编号说明:XXXX-XXXX-制度类文件-第一号文件)发布时间:20XX年XX月XX日版本记录目录一、目的 (4)二、文档分类 (4)三、文档命名规则 (4)四、文档版本更新规则 (5)五、其他 (6)一、目的为进一步规范文档使用名称,便于查询、统计相关文档使用情况,特制定本规则。
二、文档分类1、按照使用功能,文档一般分为EXCEL表格、WORD文档、PPT演示文档、VISIO文档等。
2、按照应用类别,主要分为以下几类:汇报、情况说明、意见及建议、通知通告、统计、报告、方案、请示等。
三、文档命名规则1、报送文件(对外):命名规则:报(XXX)_文档名称_日期_版本号,内部存档时报送对象可不添加。
如:报(XXX)_XXXXXX项目进度汇报_20XXXXXX_V1.02、内部文件(内部流转):命名规则:文档名称_日期_版本号如:关于启用日常管理制度的通知_20XXXXXX_V1.03、文件夹命名规则:命名规则(暂定,待更新):文档名称_日期_作者名字拼音缩写如:XXXXXX项目进度汇报_20XXXXXX_xm四、文档版本更新规则1、小幅度更新,如版本内某一章节内一小部分内容修改。
命名规则:命名为原版本下的子版本如文档原名称为:通知_关于启用日常管理制度的通知_20XXXXXX_V1.0更新后则为通知_关于启用日常管理制度的通知_20XXXXXX_V1.12、大幅度更新:如版本有较大变动,基本架构、基本内容上大幅度的修改。
文件编号规范1 目的为确保XXXX实业重要文件便于识别、追溯和控制,保证公司文件体系有效运转,制定本规范。
2范围本标准规则规范了XXXX实业文件编号的表达形式及编号要求,适用于公司内使用文件的编号。
3 文件统一分类命名3.1文件来源分类定义I)内部-指本公司起草而发行的文件,命名为:[N];II)外部-收到与本公司有关的文件,命名为:[W]。
3.2文件收发部门定义2.2.1凡以公司起草或以公司名称收发的各类公务文件,命名(信)字,编号时用 [X]表示。
2.2.2凡以部门起草只用于个案的文件按公司机构设置给分别命名(×)字号:如财务[C]、技术部[J]、人事部[R]、业务部[Y]、行政事务部[X]当第一个汉语字符已补先用时取第二个,依次类推….3 .3文件属性分类定义3.3.1 公务文件类命名为:[FW]指用于公司在生产经营过程中规范法人、自然人形为方面的制度、办法、规定、规范、通知、报告、请示、意见、函、承诺书、决议等。
3.3.2 技术专业类命名为:[ZY]指公司设计、生产、销售、服务等各个环节中与技术有关的验收测试计划和报告、产品设计、规划、策划文件、手册、说明书和用技术方面的公文、函类文件和资料。
3.3.3商务合同类命名为:[HT]指公司用于购销、采购、合作方面的合同协议各类文件。
3.3.4其他编号类命名为:[BH]上术方面不包括但又属于重要的有关纸介、电子文件、周报、应传达的例会记录等。
4 .统一编号规则4.1文件统一编号格式公司名+年号+识别代码(部门/文件分类)+序号+流水号名源代号年号(部门)文件类码2位序号部3位序号XXXX N/Y [××××] ×××00 0004.2 编号方法4.2.1凡公司收发文件均应按以上编号规则给予文件一个编号,作为文件的唯一号码。
4.2.2公司名称中,内部文件用XXXXN字段,外部文件使用XXXXW表示;4.2.3年度即收发文的年份。
文件编号规则1 目的为便于质量管理体系的管理,规范质量管理体系文件。
2范围本规定适用于质量管理体系有关的文件。
3 职责3.1 行政部负责对质量管理体系文件的编号、格式进行统一规定,并负责文件的控制,同时担任其监督和管理的职责。
3.2 文件的归口部门负责按规定对文件实施编号。
4 工作内容4.1 企业代码XXX制造有限公司XXX(简称“XXX”)4.2 部门分发号4.3 体系文件代码质量手册:QM (Quality Manual)程序文件:QP ( Quality Procedure )管理规范文件:QS (Quality Standard )质量记录:QR ( Quality Record )4.4 编号规定详见《文件控制程序》4.4.1 质量手册编号4.4.2 程序文件编号第 1 页共3 页发布年代程序编号4.4.3 第三层文件的编号例:三层文件包含规章制度等。
4.4.4 质量记录编号QRXX - XX记录顺序号对应程序号记录代码(质量记录/表格) 注:其它三层文件的表格编号可由三层文件代码编号+对应三层文件号-记录顺序号。
如QS11-014.5 版本、修订状态版本:从A开始的英文字母修订状态:从0开始本规则适用于所有体系文件。
4.6 文字规定页眉标题栏:楷体五号正文标题:宋体小二加粗居中正文一级标题:仿宋-GB2312 四号加粗第 2 页共3 页正文及分标题:仿宋-GB2312 四号4.7 页面设置规定4.7.1 文件的文字间行距设置为固定值26磅。
4.7.2 正文页面设置为:上下为2.3厘米,左右为3厘米。
4.7.3 正文每段首行皆自左内缩2个中文字符。
其余行靠左开始。
所有正文皆左右切齐。
段与段之间勿加入空白行。
4.8 标题层级规定4.8.1 一级标题用1、2、3…依次排序,靠左顶格。
4.8.2 二级标题用1.1、1.2、1.3…依次排序,靠左顶格。
4.8.3 三级标题用1.1.1、1.1.2、1.1.3…依次排序,靠左顶格。
企业红头文件标准格式一、公司名称及标识公司名称应位于文件纸张的顶部中央位置,字体一般选用黑体,大小根据纸张比例来调整,以确保能够清晰可见。
公司标识可以放在公司名称的旁边或下方,并且要跟公司名称保持一定的间距。
二、文件标题文件标题应位于公司名称及标识的下方,采用加粗的字体,以突出文件的主要内容。
标题可以简明扼要地概括文件的目的,以便读者一目了然。
三、文件编号文件编号是文件的重要标识之一,用于对文件进行管理和归档。
文件编号应位于文件标题的下方,采用统一的格式进行编写,例如“文件编号:XXXX-XXXX”。
四、日期日期是指文件的起草或发出日期,一般位于文件编号的下方,采用统一的日期格式,例如“日期:YYYY年MM月DD日”或“日期:YYYY/MM/DD”。
五、收件人收件人是指文件的主要接收人,应该注明收件人的姓名和职务,并位于日期的下方。
如果有多个收件人,可以使用“致:”来表示,然后按照职务的重要程度的顺序罗列。
六、正文内容正文内容是指文件的主要内容,应该在收件人的下方开始书写。
正文内容必须明确、清晰,条理清晰,可以根据需要分成多个段落。
每段的开头可以缩进两个字符,并且段落之间应该留有适当的间距。
七、落款及签名落款是指用于表示文件发出单位和发出人的部分,一般位于正文内容的下方。
落款应该包括公司名称、单位名称以及文件发出人的姓名和职务。
签名是指文件发出人亲笔签名的部分,应该位于落款的右下方。
八、附件附件是指文件中需要附带的其他文件或材料,应该在正文内容和落款之间注明“附件:”,然后罗列附件的名称和数量。
九、抄送抄送是指将文件副本发给其他人的动作,一般在附件下方注明“抄送:”,然后罗列抄送人的姓名和职务。
如果有多个抄送人,可以使用“及”符号连接。
以上是一个企业红头文件的标准格式。
在实际应用中,企业可以根据自身的需求和风格进行相应的调整和修改,以便更好地满足文件的撰写和传达的需要。
XXX有限公司文件编码规则QWXX-XX-001编制:审核:批准:执行日期:XXX有限公司文件编码规则QWXX-ZB-0011.目的为对产品质量体系所涉及的文件实施有效的控制,确保在使用处可获得适用文件的有效版本,特制定本办法。
2范围质量手册,程序文件,管理办法和记录表格。
3职责质量管理处负责管理文件编码规则的制定,各部门负责按照文件编码规则的执行。
4 内容4.1 文件编码方法4.1.1质量手册:QM-XX-XXXX手册年代“2007”公司名称的汉语拼音首字母大写QM代表质量手册4.1.2程序文件程序文件编号从01开始,顺序编号程序文件所在标准章节号程序文件类型QP代表程序文件,XX代表XX公司4.1.3管理办法、规范类:QWXY--01部门文件编号从01开始,顺序编号文件所属部门代码QW代表三级文件,XX代表XX公司4.1.4管理表格记录记录表格编号从001开始,顺序编号记录表格所属部门代码QR代表记录表格,XX代表旭XX公司4.2部门代码:编制原则是以部门名称前两个声母为准,若下级部门有相同代码则增加第三个字的声母进行区别,文件管理部门发放文件时给发放部门盖受控号章,各部门代码及受控号如下表:4.3文件版本号文件版本号按A、B、C----;文件更改状态号为0、1、2、3、----4.4.文件编制结构4.4.1质量手册按ISO/TS16949要求中的条款排列顺序编订各章节与项目并明确体现章节内项目所对应的程序文件。
适当时可以自行增减部分章节。
4.4.2程序文件一般可采用如下格式进行编写:1.目的2.范围3职责4控制流程5内容6相关文件7使用表单4.4.3管理办法及作业指导书类文件管理办法的编写由使用部门制订,按程序文件格式样板编制,作业指导书的格式可以由编写部门自行定制。
具体内容与实际操作相符且有效,以易于阅读,使用为标准。
4.5管理内容各部门在编制管理文件及记录表单时,向质保部提出文件编号申请,由质保部统一给定编号。
山西晋中海棠湾餐饮集团有限公司制度文件编号:HTW/XZ-005-0608E2编码规则及文件管理制度1 目的为有效管理和利用公司所拥有的资源,便于公司的标准化管理,为使海棠湾酒店文件管理规范化、科学化,特制订本规则。
2 编码对象和职责2.1 公司的所有文件;2.2公司行为和事件;2.3 编码的确定及后续编码的增加由董事会秘书确定。
3编码字段的分配编码均以HTW打头,代表海棠湾大酒店(HTW)。
HTW01——部门字段,用以定义公司的部门。
HTW02——文件编码字段,用以定义公司的各类文件。
HTW03——合同、协议编码字段。
HTW04——投资项目编码字段。
HTW05——未定义、备用。
HTW06——合同、协议字段。
4 公司的部门代码及简称4.1部门及岗位编码规则:部门代码:HTW01 XX;岗位代码:HTW01 XX XXX。
4.2 部门代码:HTW01 XXHTW01 01 ——股东会HTW01 02 ——董事会/董事长HTW01 03 ——监事HTW0104 ——总经理HTW01 05——财务部HTW01 06 ——董事会秘书处HTW01 07 ——管理公司/管理团队HTW01 10 ——投资项目从10开始依次编写5文件的编码方法5.1支持性文件5.1.1 支持性文件包括公司的各类管理制度。
其编号为:HTW02 SP XX XXX XX文件附件序号(两位数)文件序号(三位数)要素序号(两位数)文件类别(支持性文件)公司文件字段5.1.2 要素序号:要素序号根据所涉及的管理要素确定,用文件归口管理部门代号表示。
5.2 记录文件5.2.1 记录文件编号为:HTW02 SP XX XXX XX记录文件序号(两位数)文件序号(三位数)要素序号(两位数)文件类别(支持性文件)公司文件字段5.2.2 要素序号:要素序号根据所涉及的管理要素确定,用文件归口管理部门代号表示。
5.3 行政公文5.3.1 通用格式XX发(XXXX) XXX顺序号(001-999)年份(用阿拉伯数字表示)下发部门5.3.2派遣文书XX派(XXXX) XX顺序号(01-99)年份(用阿拉伯数字表示)下发部门5.3.3 公函海棠湾公函(XXXX)XXX顺序号(001-999)年份(用阿拉伯数字表示)5.3.4决议海棠湾决议(XXXX)XXX顺序号(001-999)年份(用阿拉伯数字表示)5.4 合同、协议编码规则:HTW03 XX(部门代码)+XXXXXX(年月日)+XX(序号)5.5投资项目编码规则HTW04 XXXX XXX (项代码+年份+项目序号)6 文件的管理6.1文件的产权公司文件是公司的财产,如何人员都不得把公司的文件传给不参与公司管理或者和公司业务没有关系的人员。
企业标准文件编号规范1目的为规范公司文档管理,特制定本文件编号规范。
请各部门在以后的文件编号中严格按照此规定进行文件编号。
2范围本标准规定了XXXXXXXXX公司标准文件和流程的编码规范,本企业内控标准的编号代号缩写、分类及分项代号和发布顺序号、年代号的编排方法。
本标准适用于本企业内控标准、流程的代号编制。
3文件编号格式文件序号发文部门文件分类公司代码集团代码XXXXXXXXX公司标准体系编号由集团代码、公司代码、文件分类代号、起草部门、文件序号组成。
各部分编号间用“-”间隔。
3.1各部分表示方法1)第一部分:集团代码,XXXXXXXXX,缩写:2)第二部分:公司代码,XXXXXXXXX,缩写:3)第三部分:文件分类代号流程文件-A;标准规范类文件-B;指导书说明书类文件-C;公共制度文件-D。
4)第四部分:发文部门5)第五部分:文件序号采用三位流水码,记录文件顺序号,以发布先后确定,即001、002…..099……999等。
3.2举例:文件编号:含义4文件编号格式4.1文件表头4.2页眉页脚5要求5.1 文件的编号由XXX负责,各部门使用时到XXX申请,不得自行编号及发行。
5.2 以XXX公司名义发布的文件必须由XXX登记编号。
5.3 已发布的标准如需修订并重新发布,其编号不变,只需要更改表头内的版本号。
标准修订及编号的改变应在修改履历中说明。
附件《标准文件模板》特别说明:文件编码编制前,请先对公司文件进行分类规划,根据分类规划情况,进行分级,及选择有代表意义的编码。
选择编码时,可以用分类名称的拼音字母首位表达,可以用其英文单词首位编码表达等。
文件编号规则
1. 目的
加强公司文件的标准化管理,便于文件的识别、追溯和控制,规范存档,确保公司重要文件具有唯一编号,保证公司文件体系有效运转。
2. 适用范围
适用于公司文件的编号管理和控制。
a)技术类文件:是指在公司的研发、销售、服务等各个环节中与技术有关的各类文件和资料;
b)管理类文件:包括公司规章制度、管理文件、合同协议等;
c)编号文件包括纸介文件以及电子文件。
3. 编号办法
3.1 公司名称约定
公司全称:北京XX科技有限公司
简称:**KJ
3.2 日期表示格式:yyyy-mm-dd或yyyymmdd
yyyy:年份:用四位数字表示公元年份,如2020表示公元2020年。
mm月份:用两位数字表示月份,不足两位时,用零补齐,如03表示第3月。
dd 某日:用两位数字表示当日,不足两位时,用零补齐,如05表示第5日。
例如:2020-10-12或20201012 表示(2020年10月12日)
3.3 文件版本编号
下面是对文件版本进行编号要遵守的标准:
起草版本的编号为0.1, 0.2, 0.3, ..., 0.10。
版本编号可以根据项目需要延伸到若干层,例如,0.1, 0.1.1, 0.1.1.1.
一旦文件版本得以确认后,即正式版本编号应该始自1.0,版本编号不断变化为:1.0, 1.1, 1.2, ..., 1.10。
项目可以根据需要将版本编号晋升为2.0,2.1, 2.2
等。
3.4 技术文件命名格式:FIRST-AA-NN-YYYYMM
FIRST:公司名称缩写
AA:项目名称
NN:版本号,参见3.3节
YYYYMM:年月
3.5 管理类文件的编号
3.5.1 公司规章制度和管理文件
公司规章制度等管理文件的编号格式为:FIRST(-DN)-TT-nnn-dd-YY
DN:大写英文字母,部门代号,如该制度是公司级文件,适用于公司全体人员,该部分编码省略;
如该文件是部门内部管理制度,则应标记部门编号,表示该制度由部门内部使用。
相应的部门代号如下:
总裁办:ZCB
市场咨询部:SCZX
项目管理部:XMGL
研发管理部:YFGL
销售管理部:XSGL
TT文件类型:①规章制度—RR,指公司颁布执行的各种规章制度;
②质量管理文件—QS,公司运转过程中的各类文件和记录。
nnn:文件流水号
dd:文件版本号
YY:年份
例如:员工手册的文件编号为:JJKJ-RR-001-1.0-20,表示2020年发布的1.0版员工手册,适用于公司全体人员的规章制度。
3.5.2 合同协议
合同协议的编号格式为:FIRST -yyyymmdd-T-nnn
yyyymmdd:签订合同的年月日
T:合同类型
XS-销售合同CG-采购合同HZ-合作协议LD-劳动合同QT-其它合同nnn:合同流水号
3.5.3 电子邮件的命名规则
电子邮件需要归档管理时,按传真的命名规则命名。
3.5.4 外来文件
外来文件结构为:FIRST - AA-BB - nnn-yyyymmdd
AA:项目名称
BB:文件来源
nnn:文件流水号
yyyymmdd:发文年月日
例如:FIRST-采购订单-佳岛-01-20121012
3.5.5 对外发文
指公司发给公司外部的通知、公函等。
其格式为:yyyymmdd FIRST(外)文字第nnn号
yyyymmdd:发文的年月日
nnn:文件流水号
3.5.6 会议纪要
指公司内部会议的记录等,格式:FIRST-(DN)-yyyymmdd-AB-nnn DN:部门(若为公司全体部门参加的,则可省略)
yyyymmdd:日期,详见3.2日期表示
AB:会议主题(不超过15个汉字)
nnn:文件流水号
例如:FIRST-20121015-周例会-001
3.5.7 其它文件
周工作计划:FIRST- yyyymmdd -周计划- AB-nnn
工作任务单:FIRST- yyyymmdd -任务单- AB-nnn
出差报告单:FIRST-yyyymmdd -出差报告- AB-nnn
工资单:FIRST-yyyymm -工资单- CW-nnn
yyyymmdd:日期,详见3.2日期表示
AB:人员姓名
CW:财务部
nnn:文件流水号
例如:FIRST-20121015-周计划-张三-001
3.5.8 文件附件
所有文件,如另外附有文件附件、相应表格、补充文件等,采用在原有文件编号后附加:- Xnn-NA
X为附加内容类别:T表格,A附件,S补充文件
nn:附件流水号
NA:附件名称
例如:员工手册的编号为:JJKJ-RR-001-1.0-20,该制度有附件应聘登记表,则附件的编号为:JJKJ-RR-001-1.0-20-T01-应聘登记表
4. 编号管理
所有文件由总裁办部统一编制和管理。
除附件流水号起始值为01外,其余文件流水号起始值均为001。
所有文件流水号在每年1月1日自动归零。
文件类型质量手册程序文件技术/标准作业指导
文件代码QM QP TS OI
文件类型管理文件图纸资格证书记录表单
文件代码MD DWG QC QR
文件类型控制计划FEMA 流程图包装方案
文件代码CP FA FC PM。