红外实验教案: 苯甲酸红外吸收光谱的测绘
- 格式:doc
- 大小:30.50 KB
- 文档页数:2
苯甲酸红外吸收光谱的测绘实验报告实验报告:苯甲酸红外吸收光谱的测绘引言:红外光谱是一种常用的分析方法,可以用于物质的结构鉴定和化学反应的研究。
本实验旨在通过苯甲酸的红外吸收光谱测绘,了解不同官能团的红外吸收特征,并通过实验结果进行分析和讨论。
实验方法:1. 实验仪器:红外光谱仪2. 实验样品:苯甲酸3. 实验步骤:a. 准备样品:将苯甲酸固体样品放置于红外吸收样品盒中。
b. 测量红外光谱:将样品盒放置于红外光谱仪中,进行红外光谱测量。
c. 记录实验数据:记录红外光谱仪所得到的光谱图。
实验结果与分析:通过对苯甲酸红外光谱图的观察,我们可以得到以下结论:1. 羧酸官能团的吸收峰:在红外光谱图中,我们可以观察到苯甲酸的羧酸官能团的吸收峰位在1700-1750 cm-1之间,这是由于羧酸官能团中的C=O键对红外光有较强的吸收能力所致。
2. 苯环的吸收峰:苯环中的C-H键对红外光谱有特定的吸收峰位。
在苯甲酸的红外光谱图中,我们可以观察到苯环上的C-H键吸收峰位在3000-3100 cm-1之间,这是由于苯环中的C-H键对红外光有较强的吸收能力所致。
3. 芳香环的吸收峰:苯环中的C=C键对红外光谱有特定的吸收峰位。
在苯甲酸的红外光谱图中,我们可以观察到苯环上的C=C键吸收峰位在1450-1600 cm-1之间,这是由于苯环中的C=C键对红外光有较强的吸收能力所致。
4. 其他官能团的吸收峰:苯甲酸中还含有其他官能团,如苯环上的甲基基团。
在红外光谱图中,我们可以观察到甲基基团的吸收峰位在2800-3000 cm-1之间,这是由于甲基基团中的C-H键对红外光有较强的吸收能力所致。
结论:通过对苯甲酸红外吸收光谱的测绘实验,我们得到了苯甲酸不同官能团的吸收峰位。
这些吸收峰位的出现与苯甲酸分子中的官能团有关,通过对吸收峰位的分析,我们可以对苯甲酸的结构进行鉴定和分析。
红外光谱是一种非常有用的分析工具,在化学研究和实验中具有广泛的应用前景。
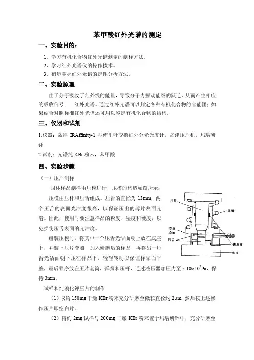
实验一苯甲酸红外吸收光谱的测绘——KBr压片法制样【实验目的】1、学习用红外吸收光谱进行化合物的定性分析2、掌握用压片法制作固体试样晶片的方法3、熟悉红外光谱仪的工作原理及使用方法4、学习查阅萨特勒标准红外谱图的方法【实验原理】当一定频率(一定能量)的红外光照射分子时,如果分子某个基团的振动频率和红外辐射频率一致,二者就会产生共振。
此时,光的能量通过分子偶极矩的变化传递给分子,这个基团就吸收一定频率的红外光,产生振动跃迁,从而产生红外吸收光谱。
如果红外光的振动频率和分子中各基团的振动频率不一致,该部分红外光就不会被吸收。
用连续改变频率的红外光照射某试样,将分子吸收红外光的情况用仪器记录下来,就得到试样的红外吸收光谱图。
由于振动能级的跃迁伴随有转动能级的跃迁,因此所得的红外光谱不是简单的吸收线,而是一个个吸收带。
对试样的红外吸收谱图进行解析,可以推断化合物的结构。
【实验仪器和试剂】1.TENSOR27型傅立叶变换红外光谱仪(德国Bruker公司)或5700智能型傅里叶变换红外光谱仪(美国Thermo Fisher公司)2.压片机及压片模具3.玛瑙研钵4.红外干燥灯5.苯甲酸(优级纯)6.溴化钾(优级纯)【实验条件】1.室内温度:18~20℃,相对湿度≦65%2.测定波数范围:4000~400cm-13.参比物:空气4.扫描:1min【实验步骤】1.开启空调和除湿机,使室内温度控制在18~20℃,相对湿度≦65%。
2.取1-2mg苯甲酸,加入100-200mg溴化钾粉末,在玛瑙研钵中充分磨细,使之混合均匀。
以上操作在红外灯下进行,以保持试样的干燥。
将研磨好的试样转移到干净的压片模具内,于压片机上在1×105~1.2×105MPa压力下维持10s以上,制成直径为13mm、厚度为1mm的透明薄片。
3.根据TENSOR27傅里叶红外光谱仪的操作步骤调节仪器,以空气为参比,测绘试样的红外吸收光谱图。
苯甲酸红外吸收光谱的测绘实验报告实验目的:本实验旨在通过红外光谱仪测绘苯甲酸的红外吸收光谱,探究其分子结构与红外光谱的关系。
实验原理:红外光谱是一种通过分子振动和转动引起的电偶极矩变化所产生的吸收光谱。
苯甲酸分子中含有C-H、C=O和O-H等键,这些键的振动会引起红外光的吸收,从而形成特定的红外吸收峰。
实验步骤:1. 准备样品:取少量苯甲酸样品,将其放置在红外吸收光谱仪的样品室中。
2. 启动红外光谱仪:按照仪器说明书的要求,启动红外光谱仪,并进行仪器的校准和调试。
3. 设置参数:根据实验需要,设置红外光谱仪的扫描范围、扫描速度等参数。
4. 测绘光谱:点击开始扫描按钮,红外光谱仪开始扫描样品,记录光谱数据。
5. 数据处理:将得到的光谱数据导入光谱处理软件中,进行光谱峰的分析和解释。
6. 结果分析:根据光谱峰的位置和强度,推断苯甲酸分子中的键和官能团类型。
实验结果与讨论:通过红外光谱仪测绘得到的苯甲酸红外吸收光谱如图所示。
在波数范围4000-400 cm-1内,观察到了多个吸收峰。
首先,我们可以观察到一个强烈的吸收峰位于1700 cm-1附近,这是由于苯甲酸分子中的羧基(-COOH)引起的C=O键的伸缩振动所致。
这一吸收峰的强度较高,说明羧基是苯甲酸分子中的主要官能团。
其次,我们还可以观察到两个较弱的吸收峰,分别位于3000-2800 cm-1和3600-3200 cm-1范围内。
前者是由于苯甲酸分子中的芳香环上的C-H键引起的伸缩振动,后者则是由于苯甲酸分子中的羟基(-OH)引起的O-H键的伸缩振动。
此外,还可以观察到一些较弱的吸收峰,位于1500-1300 cm-1和1000-600cm-1范围内。
这些吸收峰是由于苯甲酸分子中其他键的振动引起的,如芳香环上的C-C键、羧基与芳香环之间的C-O键等。
通过对苯甲酸红外吸收光谱的测绘和分析,我们可以初步推断出苯甲酸分子的结构特征。
苯甲酸分子由一个苯环和一个羧基组成,苯环上还有一个羟基。
实验八苯甲酸红外吸收光谱的测绘解读实验八苯甲酸红外吸收光谱的测绘——KBr晶体压片法制样目的要求〔1〕学习用红外吸收光谱进行化合物的定性分析;〔2〕掌握用压片法制作固体试样晶片的方法;〔3〕熟悉红外分光光度计的工作原理及其使用方法。
根本原理红外吸收光谱法〔Infrared Absorption Spectrometry, IR〕是以一定波长的红外光照射物质时,假设该红外光的频率,能满足物质分子中某些基团振动能级跃迁频率条件,那么该分子就吸收这一波长红外光的辐射能量,引起偶极矩的变化,而由基态振动能级跃迁到较高能量的激发态振动能级。
检测物质分子对不同波长红外光的吸收强度,就可以得到该物质的红外吸收光谱。
各种化合物分子结构不同,分子振动能级吸收的频率不同,其红外吸收光谱也不同,利用这一特性,可进行有机化合物的结构剖析、定性鉴定和定量分析。
在化合物分子中,具有相同化学键的原子基团,其根本振动频率吸收峰〔简称基频峰〕根本上出现在同一频率区域内,但由于同一类型原子基团在不同化合物分子中所处的化学环境有所不同,使基频峰频率发生一定移动。
因此,掌握各种原子基团基频峰的频率及其位移规律,就可应用红外吸收光谱来确定有机化合物分子中存在的原子基团及其在分子结构中的相对位置。
由苯甲酸分子结构可知,分子中各原子基团的基频峰的频率在4000~650 cm-1范围内有:原子基团的根本振动形式 v=C-H (Ar上) vC=C (Ar上) δ=C-H (Ar上邻接五氢) vO-H (形成氢键二聚体) δO-H vc=o δC-O-H (面内弯曲振动) 基频峰的频率/cm-1 3077, 3012 1600, 1582, 1495, 1450 715, 690 3000~2500 (多重峰) 935 1400 1250 本实验用溴化钾晶体稀释苯甲酸标样和试样,研磨均匀后,分别压制成晶片作参比,在相同的实验条件下,分别测绘标样和试样的红外吸收光谱,然后从获得的两张图谱中,对照上述的原子基团基频峰的频率及其吸收强度,假设两张图谱一致,那么可认为该试样是苯甲酸。
苯甲酸红外吸收光谱的测绘—KBr 晶体压片法制样一、实验目的1.学习用红外吸收光谱进行化合物的定性分析;2.掌握用压片法制作固体试样晶片的方法;3.熟悉红外分光光度计的工作原理及其使用方法。
二、实验原理在化合物分子中,具有相同化学键的原子基团,其基本振动频率吸收峰(简称基频峰)基本上出现在同一频率区域内,例如,CH 3(CH 2)5CH 3,CH 3(CH 2)4C ≡N 和CH 3(CH 2)5CH=CH 2等分子中都有—CH 3,—CH 2—基团,它们的伸缩振动基频峰与图11-1CH3(CH2)6CH3分子的红外吸收光谱中—CH 3,—CH 2—基团的伸缩振动基频峰都出现在同一频率区域内,即在<3000 cm -1波数附近,但又有所不同,这是因为同一类型原子基团,在不同化合物分子中所处的化学环境有所不同,使基频峰频率发生一定移动,例如C O 基团的伸缩振动基频率峰频率一般出现在1850~1860 cm -1范围内,当它位于酸酐中时, 为1820~1750 cm -1、在酯类中时,为1750~1725 cm -1;在醛中时,υC=O 为1740~1720 cm -1;在酮类中时,υC=O 为1725~1710 cm -1;在与苯环共轭时,如乙酰苯中υC=O 为1695~1680 cm -1,在酰胺中时,υC=O 为1650 cm -1等。
因此掌握各种原子基团基频峰的频率及其位移规律,就可应用红外吸收光谱来确定有机化合物分子中存在的原子基团及其在分子结构中的相对位置。
由苯甲酸分子结构可知,分子中各原子基团的基频峰的频率在4000~650 cm -1范围内有:原子基团的基本振动形式基频峰的频率/cm-1 υ=C —H (Ar 上)3077,3012 υC=C (Ar 上)1600,1582,1495,1450 δC —H (Ar 上邻接五氯)715,690 υC=H (形成氢键二聚体)3000~2500(多重峰) δO —H 935υC=O1400δC—O—H(面内弯曲振动)1250本验用溴化钾晶体稀释苯甲酸标样和试样,研磨均匀后,分别压制成晶片,以纯溴化钾晶片作参比,在相同的实验条件下,本别测绘标样和试样的红外吸收光谱,然后从获得的两张图谱中,对照上述的各原子基团频率峰的频率及其吸收强度,若两张图谱一致,则可认为该试样是苯甲酸。
苯甲酸红外吸收光谱的测绘实验报告实验报告:苯甲酸红外吸收光谱的测绘
实验目的:
通过红外光谱仪测定苯甲酸的红外吸收光谱,掌握红外光谱的原理和方法,加深对物质结构和化学反应的了解,培养实验操作能力和数据处理技能。
实验原理:
红外光谱是指物质在中红外区域(4000~400 cm-1)吸收较强的电磁辐射现象。
原因是物质的分子有特征的振动和转动,根据物质分子的结构和化学键的种类、数目、位置等,可以决定物质的红外吸收光谱图。
实验步骤:
1. 预备试样:取少量苯甲酸放在倒吸玻管中,加入几滴碳酸钠溶液,振荡后置于干燥器中除去水分,再在有氧气气流中通置,直至试样无明显变化。
2. 红外光谱测量:将准备好的试样涂覆在透明窗口上,然后将窗口置于红外光谱仪中进行扫描测量,得到红外光谱图样。
实验结果与分析:
在实验中,我们通过测量苯甲酸的红外吸收光谱,可以看到光谱图的两个大峰分别位于1655 cm-1和1285 cm-1处。
其中,1655 cm-1处的吸收峰是苯甲酸中羧基的C=O伸缩振动峰,1285 cm-1处的峰是苯环的C-H弯曲振动峰。
从光谱图可以看到,这些谷间的距离和强度可以区分出相邻的分子结构,可以给出很有价值的结构信息和反应过程的研究信息。
结论:
通过测量苯甲酸的红外吸收光谱,我们可以得到各特征谱带信息,从而判断其分子结构的不饱和度和含氧官能团等。
此外,基于对红外吸收峰的定量分析,可以对不同的物质起到对比鉴别的作用,有助于深入研究不同化合物在反应过程中的情况,对实验数据的处理提出更高的要求,有利于提高实验能力。
【实验项目】红外吸收光谱法测定苯甲酸【实验目的】1.掌握用压片法制作固体试样晶片的方法;2.掌握用红外吸收光谱进行未知化合物的定性分析;3.掌握用标准谱图库进行化合物鉴定的方法;【实验原理】红外光谱是研究分子振动和转动信息的分子光谱,它反映分子化学键的特征吸收,可用于化合物的结构分析和定量分析。
红外光谱定性分析常用方法有已知物对照法和标准谱图查对法。
在相同制样和测定条件下,被分析样品和标准纯化合物的红外光谱吸收峰的数目及相对强度,弱吸收峰的位置等完全一致是,可认为两者是同一个化合物。
【仪器与试剂】1.仪器:Spectrum One(FT-IR Spectrum)型红外光谱仪(美国PerkinElmer公司),压片机,压片模具,玛瑙研钵,红外灯干燥仪2.试剂:KBr(A.R.),苯甲酸,无水乙醇,脱脂棉【实验内容与步骤】1.用脱脂棉沾无水酒精清洗压片模具及玛瑙研钵,并吹干,置于红外灯干燥仪烘干备用。
2.准确称取0.2000g分析纯的溴化钾两份分别放在两个研钵中,然后再准确称取0.0013g的苯甲酸于研钵中,把三个研钵和压片用品放在红外灯下烘干。
3.将一份溴化钾研磨均匀,然后压片,作为背景使用。
将苯甲酸研磨均匀,然后再把另外一份溴化钾与其混合,研磨均匀,压片,作为样品。
4.将压好的片放到样品架中,进行测定,记录数据,分析背景谱图,再测样品谱图,通过仪器去背景分析得到待测物质谱图。
【实验结果】4000.03600320028002400200018001600140012001000800600450.0-10.0-505101520253035404550556065707580859095100.0cm-1%T3851.173735.723421.653071.803010.582883.952835.132725.482674.702605.162559.432088.651989.681971.071915.191789.311687.261618.361602.201583.521496.511454.071423.641325.921292.391185.911180.051128.001100.571072.921026.931000.03934.56855.85810.35708.19684.12667.71616.90552.68待测样品红外光谱图苯甲酸标准红外光谱谱图【数据记录及分析】 (1)官能团区1.在1602cm-1~1583cm-1,1423cm-1~1454cm-1内出现四个峰,由此确定存在单核芳烃C=C骨架,所以存在苯环。
实验十、苯甲酸红外吸收光谱的测定—KBr晶体压片法制样一、实验目的1. 学习用红外吸收光谱进行化合物的定性分析;2. 掌握用压片法制作固体试样晶片的方法;3. 熟悉红外分光光度仪的工作原理及其使用方法。
二、实验原理红外光谱是研究分子振动和转动信息的分子光谱,它反映了分子化学键的特征吸收频率。
根据实验技术和应用的不同,一般将红外光区划分为三个区域:近红外区(12820~4000 cm-1),中红外区(4000~400 cm-1)和远红外区(400~33 cm-1),一般的红外光谱在中红外区进行检测。
红外光谱具有以下特点,首先是应用面广,提供信息多且具有特征性,故把红外光谱通称为"分子指纹"。
它最广泛的应用在于对物质的化学组成进行分析。
用红外光谱法可以根据光谱中吸收峰的位置和形状来推断未知物的结构,依照特征吸收峰的强度来测定混合物中各组分的含量。
其次,它不受样品相态的限制,无论是固态、液态以及气态都能直接测定,甚至对一些表面涂层和不溶、不熔融的弹性体(如橡胶)也可直接获得其光谱。
它也不受熔点、沸点和蒸气压的限制,样品用量少且可回收,是属于非破坏分析。
而作为红外光谱的测定工具-红外光谱仪,与其他近代分析仪器(如核磁共振波谱仪、质谱仪等)比较,构造简单,操作方便,价格便宜。
因此,它已成为现代结构化学、分析化学最常用和不可缺少的工具。
在红外光谱谱图中每一个特征吸收谱带都对应于某化合物的质点或基团振动的形式。
因此,特征吸收谱带的数目、位置、形状及强度取决于分子中各基团(化学键)的振动形式和所处的化学环境。
只要掌握了各种基团的振动频率(基团频率)及其位移规律,即可利用基团振动频率与分子结构的关系,来确定吸收谱带的归属,确定分子中所含的基团或键,并进而由其特征振动频率的位移、谱带强度和形状的改变,来推定分子结构。
本实验用溴化钾晶体稀释苯甲酸试样,研磨均匀后,压制成晶片,测绘试样的红外吸收光谱。
苯甲酸红外吸收光谱的测定——KBr晶体压片法制样一、实验目的1.学习用红外吸收光谱进行化合物的定性分析,2.掌握用压片法制作固体试样晶片的方法;3.熟悉红外分光光度仪的工作原理及其使用方法。
二、基本原理红外吸收光谱是由于物质分子中各种不同基团的振动能级的跃迁而对不同频率红外光产生选择性吸收所造成的。
基团的振动频率和吸收强度与组成基团的原子质量、化学键类型以及分子的几何构型有关,因此红外吸收光谱的吸收峰对各种不同的化学基团犹如人的指纹一样具有特征性,可以此来鉴定未知化合物的功能团。
用红外吸收光谱进行定性分析,可在同样的测试条件下,分别测定未知试样和已知标准试样的谱图,然后加以对比分析鉴定,在没有标准试样时,可查对已发表的标准谱图。
本实验用溴化钾晶体混合苯甲酸试样,研磨均匀后,压制成晶片,测绘试样的红外吸收光谱。
三、实验仪器和试剂(略)四、实验步骤1.开启空调机,使室内温度控制在18~20℃,相对湿度≤65%。
2.试样的制作:A、取预先在110℃下烘干48h以上的溴化钾粉末600mg于玛瑙研钵中充分研磨(研磨成均匀、细小的颗粒);B、约取200mg已磨溴化钾粉末均匀的撒在压片模具上,用压片机进行压片,得到一个直径约13mm,厚度为0.8mm左右的透明薄片;C、将剩余的溴化钾粉末再加入1-2mg苯甲酸试样,充分研磨使之完全混合均匀,按上述方法制得含有苯甲酸的溴化钾透明薄片。
3.打开红外光谱仪,将试样薄片装在磁性样品架上,放入FT-IR红外光谱仪的样品室中,先测空白背景,再将样品置于光路中,测量样品红外光谱图。
4.测试完毕后,取出样品架,取出薄片,将压片磨具、样品架等擦拭干净,置于干燥其中保存。
五、数据及处理在苯甲酸试样红外吸收光谱图上,标出各特征吸收峰的波数,并确定其归属。
六、思考题1. 红外吸收光谱分析,对用来压片制样的溴化钾有何要求? 该如何处理?2. 如何着手进行红外吸收光谱的定性分析?。
实验三苯甲酸和聚苯乙烯红外吸收光谱测绘一、目的要求1. 学习和掌握制备红外光谱样品的操作方法——溴化钾压片法2. 学习和掌握AVATAR 360 FTIR光谱仪的使用方法;3. 初步学习红外光谱图的解析。
二、实验原理物质分子中的各种不同基团,在有选择地吸收不同频率的红外辐射后,发生振动能级之间的跃迁,形成各自独特的红外吸收光谱。
据此可对物质进行定性、定量分析。
特别是对化合物结构的鉴定,应用更为广泛。
基团的振动频率和吸收强度与组成基团的原子质量、化学键类型及分子的几何构型等有关。
因此根据红外吸收光谱的峰位置、峰强度、峰形状和峰的数目,可以判断物质中可能存在的某些官能团,进而推断未知物的结构。
三、仪器和试剂仪器:AVATAR 360 FTIR光谱仪(Nicolet);压片机;玛瑙研钵;红外干燥箱。
试剂:苯甲酸;无水乙醇;溴化钾;聚苯乙烯薄膜四、实验步骤1. 测绘苯甲酸的红外吸收光谱——溴化钾压片法:取1-2mg苯甲酸,加入100-200mg溴化钾粉末,在玛瑙研钵中充分磨细(颗粒约2μm),使之混合均匀,并将其在红外灯下烘10min左右。
用不锈钢钥匙取少量样品至压模内,放入压片机加压成透明薄片(同时按上述操作制备溴化钾背景薄片)。
将此片装于固体样品架上,样品架插入红外光谱仪的样品池处,测绘红外吸收光谱。
2. 测绘聚苯乙烯的红外吸收光谱:将聚苯乙烯薄膜展平于固体样品架上,样品架插入红外光谱仪的样品池处,测绘红外吸收光谱。
五、结果处理解析苯甲酸及聚苯乙烯薄膜的红外吸收光谱图。
指出各谱图上主要吸收峰的归属。
六、问题与讨论1.红外分光光度计与紫外可见分光光度计在光路设计上有何不同?为什么?2.试样含有水份时,对红外吸收光谱分析有何影响?如何消除?3.压片法对KBr有哪些要求?。
苯甲酸红外吸收光谱的测定-KBr晶体压片法制法教案第一篇:苯甲酸红外吸收光谱的测定-KBr晶体压片法制法教案实验题目:苯甲酸红外吸收光谱的测定-KBr晶体压片法制样教学目标:1、了解FTIR-8400傅里叶红外变换光谱仪的基本结构。
2、掌握溴化钾压片法测绘固体样品的红外光谱技术。
3、掌握红外光谱法在有机化合物结构定性分析的应用。
4、了解红外光谱定量分析的原理和方法。
教学重点:掌握红外光谱仪定性分析的原理及方法。
教学难点:FTIR-8400傅里叶红外变换光谱仪的基本结构及操作步骤。
仪器药品:FTIR-8400傅里叶红外变换光谱仪,热释电型检测器,玛瑙研钵,压片模具,压片机,KBr,苯甲酸。
教学方法:讲授、演示教学时数: 4学时教学过程:一、实验原理红外吸收光谱是一种分子吸收光谱。
当样品受到频率连续变化的红外光照射时,分子吸收某些频率的辐射,并由其振动或转动运动引起偶极矩的净变化,产生分子振动和转动能级从基态到激发态的跃迁,使相应于这些吸收区域的透射光强度减弱。
记录红外光的百分透射比与波数或波长关系曲线,就得到红外光谱图。
红外光谱仪就是记录这种吸收或发射电磁波的仪器。
不同物质对红外辐射的吸收不同,其红外光谱图也不相同;吸收光谱的谱带强度服从朗伯-比尔定律,这便是红外光谱进行定性定量分析的理论依据。
化合物分子结构不同,其吸收谱带的数目、频率、形状和强度也不同。
即使是同一种物质,也会由于聚集态的变化谱图特征而产生变化。
所以可根据这些谱图特征对未知物进行定性分析。
不同化合物中相同官能团和某些化学键在红外光谱图中有大体相同的吸收频率,一般称之为官能团或化学键的特征吸收频率。
特征吸收频率受分子具体环境的影响较小,在比较狭窄的范围出现,彼此之间极少重叠,且吸收强度大,很容易辨认,这是红外光谱用于分析化合物结构的重要依据。
二、实验步骤1、把KBr粉末或结晶在110℃的烘箱中干燥2~3小时,然后放在干燥器中保管。
2、从干燥器中将模具、溴化钾晶体取出,在红外灯下用镊子取酒精药棉,将所用的玛瑙研钵、药匙、压片模具的表面等擦试一遍,烘干。
苯甲酸红外吸收光谱图的测定一、目的1、通过实验巩固对常见有机化合物基团特征吸收峰频率的记忆。
2、了解傅里叶变换红外光谱仪的结构。
3、掌握固体样品压片的制作方法。
4、掌握利用傅里叶变换红外光谱仪测定红外吸收光谱的方法。
二、试验原理苯甲酸为无色、无味片状晶体,熔点122.13℃,沸点249℃,相对密度1.2659。
苯甲酸是食品生产中的常用防腐剂,但其在各食品中允许的用量不同。
当具有偶极距的有机化合物分子受到波数位于4000-400cm-1的中红外区辐射照射时,如果红外辐射的频率与该分子中某基团的振动频率一致,将会被该分子吸收。
因分子中基团的振动频率可以反映分子结构的信息,又鉴于分子的红外吸收光谱与分子振动频率之间的关联性,该光谱能够反映分子结构的信息。
通过对红外吸收光谱中基团相关特征吸收峰的分析,可以确定分子中存在的基团以及基团之间相互连接的情况,最终获得与所测化合物红外吸收光谱相对应的化合物分子结构。
当傅里叶变换红外光谱仪中的迈克尔孙干涉仪发出的干涉光通过由KBr和有机化合物制成的样品压片时,其中频率和样品中有机化合物基团振动频率一致的部分将会被吸收,检测器将测到被吸收后的干涉图谱(时域图谱,经计算机进行傅里叶积分变换,可将该干涉图谱变换为红外吸收图谱(频域图谱。
三、仪器与试剂仪器:Nexus 670型傅立叶变换红外光谱仪;BS 124S电子分析天平试剂:溴化钾(光谱纯、苯甲酸(分析纯四、实验步骤1、样品制备称取事先经105℃脱水干燥后的苯甲酸10mg分别和0.1、0.5、1、1.2、1.5、1.8、2.0、2.5、3.0g 溴化钾于玛瑙研钵中,在红外灯下研磨混匀,至微粒在2μm 左右,用不锈钢铲取70-90mg 在压片装置中压成透明薄片。
本底用同样量的纯溴化钾制作。
2、测定将本底和样品压片分别放入仪器测量,得到扣除了本底的苯甲酸红外吸收谱图。
3、实验结束后,按要求关好仪器。
五、结果处理后除空气背景的苯甲酸未除背景的苯甲酸空气背景先除固定空气的苯甲酸5 10 15 20 25 30 35 4045 50 55 60单光束1000200030004000波数 (cm-10.0880.0900.092 0.094 0.096 0.098 0.100 0.102 0.104 0.106 0.108 0.110 0.112 0.114 0.116 0.118 0.120 0.122 0.1240.126吸光度1000200030004000波数 (cm-15 10 15 20 25 30 35 40 45 5055 60 65 70 75单光束1000200030004000波数 (cm-10.0820.084 0.086 0.088 0.090 0.092 0.094 0.096 0.098 0.100 0.102 0.104 0.1060.108 0.110 0.112 0.114 0.116 0.118 0.120 0.1220.124吸光度1000200030004000波数 (cm-10.0820.084 0.086 0.088 0.090 0.092 0.094 0.096 0.098 0.100 0.102 0.104 0.1060.108 0.110 0.112 0.114 0.116 0.118 0.120 0.122 0.124吸光度1000200030004000波数 (cm-1此图谱测得的是波数和吸光度的关系(红色的是苯甲酸,蓝色的是空气背景,但是通常是波数和透光率的关系,一般而言吸光值(A和透光率(T的关系为A=-lgT图谱分析:1.波数在3250-2500cm-1左右有中等强度的吸收带,谱带较宽,但是峰型不尖锐。
抑菌剂苯甲酸红外吸收光谱的测绘--- KBr 压片法制样一.目的要求(1)熟悉红外分光光度计的工作原理及其使用方法。
(2)学习用红外吸收光谱进行化合物的定性分析.(3)掌握用压片法制作固体试样晶片的方法.二.红外吸收光谱测试原理1.红外吸收光谱法(Infrared Absorption Spectrometry,IR)利用物质对红外辐射的吸收所产生的红外吸收光谱,对物质的组成、结构及含量进行分析测定的方法叫红外吸收光谱分析法。
红外吸收的两个条件:只有满足能量跃迁需求和有偶极矩变化的分子才能红外吸收IR分析优点1.分析不受试样物态限制,可用于物质的气态、液态和固态分析2.分析速度快3.试样用量少4.灵敏度高2.定性原理(1)在相同化学健的原子团中, 基频峰大多出现在同一区域内,但并不完全相同。
在不同分子中,同一类原子团化学环境不同,使基频峰发生移动。
掌握各种基频峰的频率及其位移规律,就可用红外吸收光谱确定有机物分子的基团及在结构的相对位置。
(2)本实验用溴化钾晶体稀释苯甲酸样品,在相同条件下,以空气为背景测试样品的红外图谱。
比较试样和苯甲酸标样图谱,或者比较试样谱图和苯甲酸的标样谱图,各原子团基频峰的频率及其吸收强度。
若两张图谱一致,则可认为试样是苯甲酸。
----最终目的三.仪器1.红外分光光度计(美国Nicolet Avatar 360 FT-IR)2.压片机3.玛瑙研钵4.红外干燥灯 四.试剂1.苯甲酸、溴化钾均优级纯.2.苯甲酸试样经提纯。
五.实验条件1.在4000-400cm-1区间测红外光谱,仪器分辨率4cm-1, 32次扫描.2.空气背景.3.室内温度 25-28℃.4.室内相对湿度<65% . 六、实验步骤1.苯甲酸标样晶片的制备及FTIR 谱的测试(1) 取预先烘干的溴化钾(110℃,48h)约50mg,置于玛瑙研钵.(2) 加0.5-2mg 苯甲酸(G .R.),研磨成均匀、细小的颗粒, 研磨混合均匀。
实验一苯甲酸红外吸收光谱的测绘
——KBr压片法制样
【实验目的】
1、学习用红外吸收光谱进行化合物的定性分析
2、掌握用压片法制作固体试样晶片的方法
3、熟悉红外光谱仪的工作原理及使用方法
4、学习查阅萨特勒标准红外谱图的方法
【实验原理】
当一定频率(一定能量)的红外光照射分子时,如果分子某个基团的振动频率和红外辐射频率一致,二者就会产生共振。
此时,光的能量通过分子偶极矩的变化传递给分子,这个基团就吸收一定频率的红外光,产生振动跃迁,从而产生红外吸收光谱。
如果红外光的振动频率和分子中各基团的振动频率不一致,该部分红外光就不会被吸收。
用连续改变频率的红外光照射某试样,将分子吸收红外光的情况用仪器记录下来,就得到试样的红外吸收光谱图。
由于振动能级的跃迁伴随有转动能级的跃迁,因此所得的红外光谱不是简单的吸收线,而是一个个吸收带。
对试样的红外吸收谱图进行解析,可以推断化合物的结构。
【实验仪器和试剂】
1.TENSOR27型傅立叶变换红外光谱仪(德国Bruker公司)或5700智能型傅里叶变换红
外光谱仪(美国Thermo Fisher公司)
2.压片机及压片模具
3.玛瑙研钵
4.红外干燥灯
5.苯甲酸(优级纯)
6.溴化钾(优级纯)
【实验条件】
1.室内温度:18~20℃,相对湿度≦65%
2.测定波数范围:4000~400cm-1
3.参比物:空气
4.扫描:1min
【实验步骤】
1.开启空调和除湿机,使室内温度控制在18~20℃,相对湿度≦65%。
2.取1-2mg苯甲酸,加入100-200mg溴化钾粉末,在玛瑙研钵中充分磨细,使之混合均匀。
以上操作在红外灯下进行,以保持试样的干燥。
将研磨好的试样转移到干净的压片模具内,于压片机上在1×105~1.2×105MPa压力下维持10s以上,制成直径为13mm、厚度为1mm的透明薄片。
3.根据TENSOR27傅里叶红外光谱仪的操作步骤调节仪器,以空气为参比,测绘试样的红外吸收光谱图。
【数据处理】
在获得的红外吸收光谱图上,从高波数到低波数,标出各特征吸收峰的频率,参考本章最后的附表,指出各特征吸收峰属于哪种基团的什么形式振动。
【注意事项】
制得的KBr晶片必须无裂痕、局部无发白现象,否则因重新制作。
思考题
1.红外吸收光谱测绘时,对固体样品的试样有什么要求?
2.红外光谱实验室为什么要求温度和相对湿度维持一定的指标?
3. 如何着手进行红外光谱的定性分析?。