自卸车加盖自动翻盖密闭系统介绍
- 格式:pdf
- 大小:639.91 KB
- 文档页数:9
给自卸车"加个盖" 自卸车密闭顶盖简介随着全国各地城市化进程及经济的不断发展,各地城市规模持续扩大、城市人口迅速增长。
伴随而来的城市生活垃圾、建筑垃圾以及城市建设产生的余泥渣土的运输也空前增长。
之前城市渣土车只是用一块盖土网简单的遮盖,但因密闭不严,遮挡效果不佳,渣土车沿途扬尘和泄漏抛洒现象严重,对城市环境造成了二次污染和破坏。
渣土遮挡不严近几年,各地政府主管部门陆续出台了一系列管理规定和措施。
其中之一就是要求从事垃圾、余泥渣土运输的在用自卸汽车和新购置的车辆必须安装符合一定要求的密闭式顶盖。
各地的汽车零备件生产厂、车辆改装厂响应环保的要求,纷纷推出一系列的自卸汽车密闭式顶盖装置,在一定范围内推广使用,取得了一定的社会效益、经济效益和环保效益。
●自卸车密闭顶盖的要求为保证自卸车的正常运营和对渣土的遮挡,顶盖系统需要达到以下几点要求:1. 密闭性能好。
保证在运输过程中不会造成扬尘或泄露,这是安装顶盖系统的基本要求。
2. 安全性能好。
密闭箱盖不能超出车体过多,影响正常驾驶,形成安全隐患。
应减少对整车的改动,保证车辆装载时重心不变。
3. 使用方便。
顶盖系统能在较短的时间内正常打开和收起,货物装卸过程不受影响。
4. 体积小,自重轻。
尽量不占用厢体内部空间,自重也不能过大,不然将造成运输效率下降或超载。
5. 可靠性好。
整个密闭箱盖系统使用寿命和维护费用将影响车主的运营效率。
●密闭顶盖系统形式顶盖驱动形式:按照顶盖开闭的驱动形式可分为液压驱动,电机驱动和人力驱动三种形式。
液压驱动的按照液压源的不同可分为独立液压源和公用液压源,独立液压源式有一套完全独立的液压系统。
共用液压源式则与自卸车顶升机构共用一套液压系统。
电机驱动的是以车载电瓶作为电源,经减速后驱动顶盖系统工作。
顶盖打开方式:顶盖打开的位置和方式又有很多种方式,如前开式,侧开式等,下面就以几种常见的形式做一个简单的介绍。
整体前开式:这类顶盖利用四杆传动的原理将顶盖整体前移,开和关闭密闭盖时不受车体两面物体的影响,因采用整体式顶盖,所以遮挡效果较好,但这种形式在开启和打开的过程中占用空间较大,整体机构自重也较大。
自卸车使用说明书讲解一、自卸车的基本结构自卸汽车主要由底盘、液压倾卸机构、车厢、副车架和附件构成。
其中:液压倾卸机构包括齿轮泵、举升阀、管路、举升机构、限位机构等,车厢包括前板、侧板、底板、尾门和尾门开关机构(厢式),副车架是由纵梁、横梁、举升转轴和与主车架的连接装置等焊接而成,附件有安全撑杆、限位装置和平衡支架等。
整车的外型见图1-1、图2-2图1-1开式(矿斗形)自卸车外型结构图1、底盘2、油箱总成3、被胎架总成4、液压举升倾卸机构5、齿轮泵安装总成6、开式车厢总成7、副车架总成8、挡泥板总成9、尾灯安装总成图1-2厢式自卸车外型机构图1、底盘2、油箱总成3、备胎架总成4、液压举升倾卸机构5、齿轮泵安装总成6、厢式车厢总成7、副车架总成8、挡泥板总成9、尾灯安装总成10、卡锁总成(尾门开关机构)图1-3沙罐车外形机构图1、底盘2、油箱总成3、备胎架总成4、液压举升倾卸机构5、齿轮泵安装总成6、侧防护栏7、副车架总成8、沙罐车车厢总成9、挡泥板总成10、后保险杠总成(一)气控液压倾卸机构1、概述液压倾卸机构主要由气控操纵阀、取力器、齿轮泵传动轴、齿轮泵、气控举升阀、液压缸、油压油箱、液压管路、限位阀等部件构成。
发动机的动力由变速器上的取力器输出、经传动轴驱动齿轮泵,液压油经齿轮泵压入液压缸,从而推动液压缸活塞举升车厢。
在液压油的作用下液压缸活塞会不断上升,当液压系统限位回油时,活塞不再继续上升,此时车厢即处于最大举升角度状态。
其工作原理见图1、图2。
2、液压倾卸机构的主要部件2.1取力器图1 液压举升系统工作示意图图2 气控液压举升机构工作原理图图3 沙罐车气控液压举升机构工作原理图取力器是汽车动力输出装置,可将汽车发动机的部分功率取出,由变速器输出动力,通过传动轴将力传给齿轮泵。
不同的底盘采用的取力器型号不同,请参照相应车型的整车《使用说明书》。
2.2 齿轮泵齿轮泵采用的是中高压齿轮泵,是液压举升系统的动力机构,它将取力器传来的机械能转变为液体的压力动能。
渣土车的自动遮盖装置的设计摘要:渣土车的自动遮盖装置是近几十年来随着科学技术的进步而诞生并不断发展的一种新型结构体系,最显著的特点就是展开(折叠)方便迅速,折叠后体积小,便于运输。
本文研究的渣土车的自动遮盖装置,是在折叠结构的基础上,将大跨度一空间结构的概念引入后形成的一种新型渣土车的自动遮盖装置体系,在国内尚属首次研制,不仅没有专门的设计计算方法及规程,相关的研究也较少,因此开展对渣土车的自动遮盖装置的研究具有十分重要的理论意义和实际应用价值。
本文针对渣土车的自动遮盖装置的使用情况和自身特点,应用结构学分析原理,研究确定了对结构产生主要影响的控制荷载,建立了相应的合理计算方法。
在此基础上,运用正位试验的方法,对折叠式网壳帐篷结构进行了足尺试验研究。
通过对结构荷载一位移的全过程跟踪分析,并结合非线性有限元理论分析,研究了结构的受力机理、薄弱位置、失稳现象和失稳传播过程以及破坏机理,且在最不利荷载作用下,获得了结构的极限承载力。
理论和试验研究均证明了结构体系和结构构造的合理性,同时,对结构在正常使用荷载(自重、雪荷载、风荷载)作用下的安全性和可靠性进行了评价。
对渣土车的自动遮盖装置的足尺试验研究,不仅为此类新型结构的全面深入研究和结构的进一步完善提供试验和理论依据,并且填补了国内对大跨度空间结构足尺试验研究的空白。
关键词:渣土车;自动;遮盖;装置;设计Abstract:Theresidueinthecarautomaticallycoveredthedeviceisinrecentdecadeswiththe progressofscienceandtechnologyandthebirthanddevelopmentofanewtypeofstructuresys tem,themoststrikingfeatureis(folding)convenientquickly,smallvolumeafterfolding,easy totransport.Automaticdevicearecoveredinthispaper,westudytheresidueinthecar,isonthe basisofthefoldingstructure,introducestheconceptofalargespanspacestructureafterthefor mationofanewtypeofresidueincarsystemofautomaticcoverdevice,inthedomesticfirstdev eloped,notonlythereisnospecificdesign,calculationmethodandproceduresrelatedtothest udyalsoisless,thuscarryouttheresearchofautomaticresidueincarcoverdevicehasimportan ttheoreticalsignificanceandpracticalapplicationvalue.Inthelightoftheautomaticcarresid uecoverdeviceusageandcharacteristics,thebasisoftheprincipleofstructuralanalysis,resea rchonthestructuredeterminesthecontrolofmainimpactload,correspondingreasonablecalc ulationmethodisestablished.Onthisbasis,usingthemethodisatestofthefoldingreticulateds helltentforthefullscaleexperimentresearch.Byanalyzingthestructureloadadisplacementd uringtheprocessoftracking,andcombiningthetheoryofnonlinearfiniteelementanalysis,tostudythestructureofthestressmechanism,weakposition,instabilityphenomenonandthepr opagationprocessofinstabilityandfailuremechanism,andunderthemostunfavorableload,t heultimatebearingcapacityofthestructureareobtained.Theoreticalandexperimentalstudi eshaveprovedthatthestructureandtherationalityofthestructure,atthesametime,thestructur esundertheloadsofnormaluse(gravity,snowload,windload)undertheactionofthesafetyan dreliabilityisevaluated.Ofresidueinthecarofthefull-scaleexperimentalstudyontheautom aticdevicearecovered,notonlyforin-depthstudyofthiskindofnewstructureandstructuralte standtheoreticalbasiswasprovidedforfurtherperfect,andfilledthedomesticblankintherese archoflargespanspacestructurefullscaletest.Keywords:C arwasteresidue;Automatically;Cover;Device;Design1、引言近年来城市建设发展和土地的综合利用,渣土车、运煤车、环卫车穿梭在城市马路上,对城市环境和人民生活造成了很大伤害。
翻车机系统简介一、翻车机系统原理及结构翻车机是一种大型、高效的机械化卸车设备,用于翻卸铁路敞车.目前它是我国大中型火力发电厂最为广泛采用的一种卸车设备。
我厂翻车机系统采用折返式卸车作业线,是火车来煤卸车的唯一机械设备,由武汉电力设备厂设计制造。
翻车机翻卸形式为C型转子式,驱动方式为销齿传动,其压车机构采用液压压车。
翻车机系统将火车来煤自卸到地下煤斗中,然后通过皮带输送到原煤仓或煤场。
翻车机系统综合卸车能力为20-25辆/小时。
翻车机电气控制系统采用可编程序控制器(PLC),CRT监控系统与PLC进行全双工异步串行通讯,通过采集翻车机系统的工况及各种参数,进行运算、判断处理,将现场各设备工况适时显示在计算机屏幕上,可通过鼠标对设备进行软操作。
翻车机系统由重车调车机、翻车机、迁车台、空车调车机等。
翻车机工作过程FZ15—100型转子式翻车机可与卸车线上其他配套设备联动实现自动卸车,也可由人工操作实现手动控制。
工作过程是:由重车调车机牵引一节满载敞车准确定位于翻车机的托车梁上。
压车臂下落压住敞车两侧车帮.靠板振动器在液压缸的推动下靠向敞车一侧。
当压车臂压住、靠板靠上、重车调车机臂已驶出翻车机后,翻车机开始以正常速度翻卸,(在翻卸过程中,车辆弹簧力的释放是通过不关闭液压缸上的液压锁来吸收弹簧的释放能量。
翻卸到110度后,关闭液压锁,将翻卸车辆锁住,以防车辆掉道。
)翻车机继续翻卸直到接近160度左右减速、停车、振动器投入,3秒钟后,振动停止,翻车机以正常速度返回,离回零位30度时,压车臂开始抬起,快到零位时减速,对轨停机。
停机后靠板后退,当压车臂上到最高位、靠板退到最后位、重车调车机牵引第二节满载敞车,进入翻车机顺便顶出已翻卸的空车。
翻车机就完成了一个工作循环.部套结构重车调车机是翻车机的前端的设备,安装于翻车机的进车端,行走在与重车线平行的钢轨上,即能牵引整列重车,也可将单节重车送入翻车机本体,同时将翻车机内已翻卸完的空车推出,主要由车体、行车走轮、导向轮、调车臂架、行走传动装置、液压系统、缓冲器、调车机轨道等组成.(1)车体;由一个有足够刚度的大型钢结构件组成,其上有足够的空间能装下传动部套、行走部套、臂架、操作台、液压系统等。
自装卸式垃圾车原理
自装卸式垃圾车是一种能够自动完成垃圾装卸工作的垃圾运输车辆。
其原理可以简单描述如下:
1. 车身结构:自装卸式垃圾车车身有一个特殊的机械结构,包括车厢、升降装置和垃圾装卸机构等。
车厢通常采用密封式设计,以防止垃圾散落和臭气泄露。
2. 升降装置:自装卸式垃圾车配备有高强度液压升降装置,通常由液压马达、液压缸和液压管路组成。
升降装置可以根据需要将车厢的高度调整到合适的位置。
3. 垃圾装卸机构:自装卸式垃圾车上配备有垃圾装卸机构,它由液压夹臂和夹具组成。
当垃圾车到达清运点时,夹臂会伸出并夹住垃圾桶或垃圾箱,然后将其提升至车厢内。
当车厢填满后,夹臂会将垃圾桶或垃圾箱放回到原位。
4. 控制系统:自装卸式垃圾车配备有一个自动化控制系统。
这个系统可以监测和控制垃圾车的升降、夹臂和车厢装填等动作。
操作员可以通过操作面板来控制垃圾车的各项动作。
总的来说,自装卸式垃圾车通过液压升降装置和垃圾装卸机构,实现了垃圾的自动装卸。
这种设计可以提高垃圾清运效率,减少人力投入,同时也能减少操作员的劳动强度和降低清运过程中的安全风险。
自卸车侧开式密闭盖企业标准文本1 范围本标准规定了自卸车侧开式密闭盖的产品分类及技术参数、技术要求、试验方法、检验规则、标志、包装、运输和贮存、产品随行文件。
本标准适用于自卸车侧开式密闭盖。
2 规范性引用文件下列文件对于本文件的应用是必不可少的。
凡是注日期的引用文件,仅所注日期的版本适用于本文件。
凡是不注日期的引用文件,其最新版本(包括所有的修改单)适用于本文件。
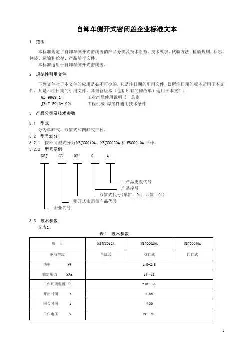
GB 9969.1 工业产品使用说明书总则JB/T 5943-1991 工程机械焊接件通用技术条件3 产品分类及技术参数3.1 型式分为单缸式、双缸式和四缸式三种。
3.2 型号划分3.2.1 按不同型式分为NSJCG010A、NSJCG020A和WSCG040A三种。
3.2.2 型号示例NSJ CG 02 0 A产品更改代号产品序号双缸式代号(单缸:01;四缸:04)侧开式密闭盖产品代号企业代号3.3 技术参数见表1。
4 技术要求4.1 产品应符合本标准的规定,并按规定程序批准的产品图样及技术文件制造。
4.2 外购件、外协件应符合相关标准的规定,并有制造厂的合格证,经检验合格后方能使用,所有自制零件经检查合格后才可装配。
4.3 产品开启或闭合到位时,应能保证车辆后视镜使用有效性。
4.4 产品闭合到位后,应能有效阻止车辆运输沙石、泥土、渣类物过程中的抛洒、飞扬。
4.5 车盖开启后,盖体与汽车后轮应留有足够的距离,保持车辆移动性能。
4.6 安装本产品后,车厢宽度增加应符合以下要求:a)产品闭合时,车厢宽度增加不超过150mm;b)产品打开时,车厢宽度增加不超过300mm。
4.7 安装本产品后,不应减小原车的有效装载容积。
4.8 产品开合过程应处于可控状态,当产品开启到位时,盖体应低于原车车厢上沿;当产品闭合到位时,顶部呈“人”之形。
4.9 焊接件应符合JB/T 5943的规定。
4.10 所有外露黑色金属件均应进行防腐处理。
4.11 液压系统及电控系统的布置应合理,易于维修;紧固件联接应牢固可靠,正常使用不得松脱。
反吊膜加盖密闭系统技术方案1、膜结构制作要求和条件1.膜结构制作符合CECS158及相关国家标准的要求。
膜结构制作应在专业化工厂进行,应具备洁净、干燥、避免阳光直射的环境条件,应具备膜的制作专用设备和专用车间,室内工作温度保持在5~30℃范围内,应避免热源对膜材的热辐射影响。
2.膜结构制作应具备专业工艺流程线、必要的裁剪、热合设备及测试设备。
同时应具备经鉴定或专业评定的膜结构裁剪设计软件。
3.制作膜结构所使用的测试设备、工具、量具应按国家有关规定,经计量鉴定合格,量具应一次标定。
4.膜结构加工操作人员必须有经专业培训的上岗证,上岗证应明确其岗位及技能要求。
5.膜结构的制作分为膜的裁剪、连接、配件的制作加工、包装、运输。
制作应符合以下工艺流程:膜材验收、技术参数的确定、膜的裁剪、裁剪膜片几何尺寸的检验、膜片的连接、连接强度的检验、膜体几何外形的检验、连接件定位固定、膜体的清理、膜体的包装、标记。
6.膜结构的制作应编制工艺设计文件,内容应包括:膜材检验,设备及量具检验,裁剪膜片的确定,裁剪方法,张拉伸长量的预调整,制作质量标准、工序兼验收方法,包装及运输。
7.膜结构的材料检验8.膜结构制作前必须对所用膜材料及配件按设计和工艺要求进行检验。
9.检验对象应包括下列的材料及零部件:膜材、索、五金件、缝制线类。
10.检验内容应包括:外观检查、尺寸检查、材性检查。
11.检验方法:验审供货商提供的质保书及材料性能表;按批量进行抽样复验。
膜材的力学性能、非力学性能的复验按每卷膜材、每种复验项目抽样一组,每组三个试件。
2、膜的裁剪和节点制作1.膜的裁剪和节点制作应符合CECS158及相关国家标准的要求。
进行裁剪前应验证膜材的生产批号、出厂合格证明及有关的复验合格报告。
同一单体膜结构的主体宜使用同一批号生产的膜材。
2.裁剪设计软件提供的裁剪图应根据材性试验的结果经设计同意后进行调整。
3.裁剪膜片时,应避开原膜材的织造伤痕、纱结及其他疵点。