21、高速铁路接触线终端锚固线夹检修作业指导书
- 格式:doc
- 大小:1.23 MB
- 文档页数:14
21、⾼速铁路接触线终端锚固线夹检修作业指导书编号:版本号:⾼速铁路接触线终端锚固线夹检修作业指导书编制:××审核:××批准:××××××-××-××发布××××-××-××实施××供电段(章)修订记录⾼速铁路接触线终端锚固线夹检修作业指导书1 适⽤范围1.1本作业指导书适⽤于⾼速铁路接触线终端锚固线夹检测、全⾯检查保养。
1.2 检测、检查保养:36个⽉。
2 编制依据2.1《⾼速铁路接触⽹安全⼯作规则》(铁总运[2014]221号)2.2《⾼速铁路接触⽹运⾏维修规则》(铁总运[2015]362号)2.3《铁路技术管理规程》(铁总科技[2014]172号)2.4《上海铁路局供电处关于公布供电系统班组专业台账样张的通知》(供安设函[2016]47号)2.5设计⽂件、设备说明书和安装图3 检测、检查保养项⽬3.1 外观检查3.2参数测量3.3检调及更换4 关键安全风险卡控根据作业现场实际情况落实好触电伤害、⾼空坠落、物体打击、车辆伤害、作业车运⾏安全、道路交通安全等风险项点的防控措施,对该设备检修过程中存在的关键安全风险提⽰如下:4.1作业⼈员不宜位于线索受⼒⽅向的反侧,并采取防⽌线索滑脱的措施。
4.2在拆卸⼿扳葫芦时,不能⼀步拆除到位,松开⼿扳葫芦后,让终端锚固线夹带上⼯作张⼒后,⼀定要对线夹进⾏检查,并进⾏复紧,避免在⼿扳葫芦完全拆卸后接触线从线夹中抽脱。
5 作业流程图1 接触线终端锚固线夹检修作业流程图6 ⼯具、材料和⼈员要求表1 ⼈员要求注明:其它作业⼈员根据现场实际需要配置。
表2 携带⼯具表3 材料准备序号名称规格单位数量备注1 接触线终端锚固线套2 依现场实际选⽤2 开⼝销个若⼲依现场实际选⽤3 铁线φ4.0 kg 若⼲7 作业内容及标准7.1 外观检查7.1.1终端线夹本体检查(1)检查接触线终端锚固线夹本体是否有裂纹,连接处线索是否受损、是否变形。
编号:版本号:高速铁路接触线检修作业指导书编制:××审核:××批准:××××××-××-××发布××××-××-××实施××供电段(章)修订记录高速铁路接触线检修作业指导书1 适用范围1.1本作业指导书适用于高速铁路接触线监测、检测、全面检查保养。
1.2检测周期:12个月;检查保养周期:36个月。
2 编制依据2.1《高速铁路接触网安全工作规则》(铁总运[2014]221号)2.2《高速铁路接触网运行维修规则》(铁总运[2015]362号)2.3《铁路技术管理规程》(铁总科技[2014]172号)2.4《上海铁路局供电处关于公布供电系统班组专业台账样张的通知》(供安设函[2016]47号)2.5设计文件、设备说明书和安装图3 监测、检测、检查项目3.1外观检查3.2参数测量3.3检调与更换4 重点安全风险卡控根据作业现场实际情况落实好触电伤害、高空坠落、物体打击、车辆伤害、作业车运行安全、道路交通安全等风险项点的防控措施,对该设备检修过程中存在的关键安全风险提示如下:4.1作业人员不宜位于线索受力方向的反侧,并采取防止线索滑脱的措施;在曲线区段进行接触网悬挂的调整工作时,要有防止线索滑脱的后备保护措施;4.2作业平台严禁向未封锁的线路侧旋转;V形天窗作业,邻线有列车通过时,作业人员应提前10分钟停止作业,平台复位,人员在平台远离邻线侧避让,列车通过后方可继续作业。
4.3在分相中性区段进行接触线检修作业时,除在作业区段两端工作支接挂地线外,还应在中心区工作支上加挂一组地线,并对两断口加装短接封线。
图1 接触线检修流程图6 工具、材料和人员要求6.1人员要求:注:其它作业人员根据现场实际需要配置。
高铁接触线中心锚结线夹更换作业指导书一、接触线中心锚结线夹用途及说明1、用途:用于正线(150 mm2截面的铜合金接触线)、站线(120 mm2截面的铜合金接触线)接触线中心锚结绳在接触线上的固定安装。
中心锚结绳采用70mm2截面的铜合金承力索绞线。
2、说明:本更换作业指导书适用兰新高铁(汉和飞轮电气化器材有限公司所供接触网材料安装处所:高台南至清水北区间K2237.534~石板墩南站K2580.236)接触线中心锚结线夹更换使用。
更换零件为中心锚结线夹本体及线夹与中心锚结绳的连接螺栓销。
二、接触线中心锚结线夹介绍1、被更换接触线中心锚结线夹结构尺寸图实物装配图被更换接触线中心锚结线夹配件清单2、加强型接触线中心锚结线夹结构尺寸图实物装配图加强型接触线中心锚结线夹配件清单三、接触线中心锚结线夹更换流程1、根据加强型接触线中心锚结线夹结构尺寸图、实物装配图、配件清单检查零部件是否齐全;检查配件是否有影响使用的质量缺陷或变形;紧固件之间的配合是否灵活。
2、将被更换接触线中心锚结线夹四个M12x55螺栓松开,直至线夹从接触线的线槽脱离,抽出线夹与中心锚结绳连接的M12销钉,卸下被更换接触线中心锚结线夹。
3、将加强型接触线中心锚结线夹四个M12x40的螺栓松开,把线夹本体固定在接触线要求的位置上(从结构尺寸图可见:加强型接触线中心锚结线夹安装长度小于被更换接触线中心锚结线夹安装长度35mm,为保证中心锚结线夹更换后中心锚结绳张力保持原样,新线夹安装位置向原安装痕迹的中锚方向移动35mm),保证接触线的牙型嵌入接触线的线槽内。
见线夹更换示意图。
4、交替紧固螺栓,紧固力矩70N.m(禁止使用各种普通扳手紧固)。
5、将螺栓处安装的三联止动垫片两个止动端折弯(止动端向上),保证与最近侧螺栓头六角平面粘紧,松止螺栓松动。
6、抽出加强型接触线中心锚结线夹M12螺栓销,将中心锚结绳心型环部分对准中心锚结线夹夹板中间,穿上螺栓销(由田野侧穿向线路侧)、带上背母(螺母拧紧至夹板平面,紧固力矩10N.m)穿入开口销,锁住螺栓销(开口销由根部劈开100-120°),实现线夹与锚结绳的连接。
接触线检修作业指导书第一篇:接触线检修作业指导书一、前言在电力系统中,接触线是供给电力设备的重要组成部分,经常需要进行检修。
为了确保接触线系统运行的安全可靠,提高电力系统利用率,制定一份详细的接触线检修作业指导书非常必要。
本文将介绍接触线检修作业的一般步骤和注意事项。
二、接触线检修作业的一般步骤1. 接触线检修准备在进行接触线检修前,必须进行充分的准备工作。
首先,要对接触线的运行情况进行全面的调查和了解,包括线路的走向、长度和起终点等。
其次,要准备好必要的工具和设备,包括绝缘手套、绝缘靴、绝缘工具等,以保证操作人员的安全。
最后,要做好与其他部门的协调工作,确保检修期间不会对其他系统产生不利影响。
2. 接触线检修操作接触线检修操作主要包括清洗、修复和更换等。
首先,要对接触线进行清洗,以确保其表面没有杂质和腐蚀物。
清洗过程中要注意使用适当的清洗剂,保证清洗效果。
其次,对于磨损或破损的接触线,要及时进行修复,确保其电气性能恢复正常。
如果接触线已经严重损坏无法修复,就需要进行更换,以保证系统的正常运行。
3. 接触线检修结束接触线检修结束后,要进行全面的检验和测试。
首先,要检查接触线的整体情况,包括外观、连接情况等。
其次,要进行接触线的绝缘测试,以评估其电气性能。
最后,要进行系统的试运行,以确保接触线系统能正常工作。
三、接触线检修作业的注意事项1. 安全第一接触线检修作业非常危险,操作人员必须高度重视安全。
在作业前,要对操作人员进行必要的培训和指导,确保他们熟悉作业规程和安全注意事项。
同时,要全面检查和保养检修设备,确保其正常使用。
2. 严格按照操作规程进行接触线检修必须按照规程进行,不得任意操作。
操作人员要仔细阅读并理解接触线检修作业指导书,严格按照规程操作,避免操作失误导致事故发生。
3. 注意环境保护接触线检修作业可能会产生噪音、污染和其他环境问题,操作人员要注意环境保护,采取相应的措施减少对周围环境的影响。
接触线检修作业指导书1 检修准备1.1 主要工机具1.2 主要材料设备2 检修程序2.1 流程图2.2方法2.2.1 作业准备按规程要求填写工作票并交付工作领导人,工作领导人向作业组全体成员宣读工作票、分工并进行安全预想,检查工具、材料。
2.2.2 完成安全措施做好安全措施,工作领导人确认完成安全措施后,通知各作业组开工。
2.2.3 测量检查①测量接触线高度、坡度、坡度变化率、驰度。
②测量定位点拉出值、跨中偏移值。
方法一使用JQJ-Z型接触网多功能激光测量仪:A 拉出值读取:当接触线上的测量点与十字丝交叉点严格重合时,按下主机上的测量按钮,即可在主机液晶显示屏上读出拉出值数据。
B 接触线高度的测量:当接触线上的测量点与十字丝交叉点严格重合时,按下主机上的测量按钮,即可在主机液晶显示屏上读出接触线高度。
C坡度测量测量相临悬挂点(定位点或吊弦悬挂点)的接触线高度和水平间距,并按如下公式进行计算。
P= (H1—H2)/L×1000‰H1 :第一测量点的接触线高度(单位为mm)H2 :第二测量点的接触线高度(单位为mm)L:两测量点水平间距(单位为mm)F 坡度变化率ΔP =|P1—P2|P1:测量点左侧的接触线坡度。
P2:测量点右侧的接触线坡度。
ΔP:接触线坡度变化率。
D 驰度f X = (H1+H2)/2- HminHmin:本跨距内最小接触线高度方法二测杆A 将测杆钩挂到接触线被测点上(定位点或其它悬挂点)。
B 将测杆底端圆锥面紧贴在远离支柱侧的钢轨顶面内缘,测出第一个高度H1,输入计算器。
C 将测杆底端圆锥面紧贴在靠近支柱侧的钢轨顶面内缘,测出第二个高度H2,输入计算器。
D 输入1440。
F 从计算器读出接触线高度、拉出值(正值为正定位,负值为反定位)。
G 撤除测杆。
①接触线接触面是否有麻面。
②接触线是否有硬弯、扭面。
③测量接触线磨耗、损伤。
用游标卡尺测量接触线磨耗和损伤数据,并换算成磨耗面积,根据面积采取措施。
高速铁路接触网V停检修标准化作业指导书接触网V停检修标准化作业指导书第1节适用范围本作业指导书适用于高速铁路接触网V停检修作业,本作业指导书侧重于V停检修作业有关规定和安全注意事项,其他雷同于一般停电检修作业的有关事项见《接触网停电检修标准化作业指导书》。
第2节准备工作一、人员车梯作业不少于12人,作业车作业不少于8人(不含司机)。
二、工具序号工具名称型号单位数量备注1 作业车(梯车) 台≧1 根据实际作业面确定2 声光验电器副﹥2 复线区段,雨、雪恶劣天气严禁使用验电器验电,数量由实际情况确定。
3 抛线 6-8 mm2裸铜软绞线副﹥2 两线间距小于15m严禁使用抛线法验电,数量由实际情况确定。
4 接地线 25mm2裸铜软绞线副﹥2 根据现场实际验电处所确定数量5 随车地线 25mm2裸铜软绞线副﹥1 每车一副6 短接线 25mm2裸铜软绞线接6-8 mm2裸铜软绞线根若干6-8 mm2用于短接绝缘子等;25mm2用于短接吸上线、回流线等。
7 等位线25mm2裸铜软绞线6-8 mm2裸铜软绞线根若干25mm2用于检修开关、绝缘锚关、关节式分相、分段等位,6-8 mm2用于作梯车等位。
8 防护工具副≧2 含防护信号灯等9 对讲机 GSM-R 台≧6 根据现场需要增加数量10 测量工具套≧1 激光测量仪或测量杆高速铁路三、材料序号材料名称型号单位数量备注1 弹簧销、开口销个若干2 垫圈个若干各种型号3 螺栓套若干各种型号4 不锈钢铁丝φ3.5 米若干5 防腐油套若干6 吊弦线夹及吊弦套 1 含整体吊弦8 电连接线夹套 1 各种型号9 定位线夹套 110 其它材料套若干根据实际作业确定第3节作业规定1.定义:V停天窗作业是指双线电化区段,上、下行接触网一行停电进行的接触网作业。
2.开展V停检修作业应具备的条件:⑴上、下行接触网带电设备间的距离大于2m,困难时不小于1.6m;⑵上、下行接触网带电设备距下、上行通过的电力机车受电弓瞬间距离大于2m,困难时不小于1.6m;⑶距上、下行或由不同馈线供电的设备间的分段绝缘器其主绝缘爬电距离不小于1.6m;⑷所有上、下行线间横向分段绝缘子串,爬电距离必须保证在1.6m及以上;⑸同一支柱上的设备由同一馈线供电。
第十二章中心锚结检修作业指导书一、适用范围本作业指导书适用于接触网中心锚结检修作业。
二、作业准备1.人员准备(1)梯车作业人员不少于6人(2)作业车作业组不少于3人2.仪器、仪表准备3.工具、材料准备6 可调式力矩扳手20-100N.m 套 27 钢丝钳200 把 18 大绳16m 根 19 滑轮 1.5T 个 110 接触线中心锚结线夹H型套 111 承力索中心锚结线夹各种型号套 212 接触线中锚辅助绳JTMH-70 米213 承力索中锚辅助绳各种型号米12014 中锚压接套装套 13.劳保用品:序号工具名称型号单位数量备注1安全帽-顶62安全带双钩根2三、技术标准两跨式防断中心锚结安装示意图1——接触线中心锚结线夹,2——承力索中心锚结线夹,3——中锚绳钳压管,4——接触线中锚辅助绳,5——承力索中锚辅助绳,6——双槽承力索座,7——吊弦软横跨两跨式防窜中心锚结安装示意图1——接触线中心锚结线夹,2——承力索中心锚结线夹,3——中锚绳钳压管, 4——接触线中锚辅助绳,5——悬吊滑轮,6——承力索中锚辅助绳,7——吊弦三腕臂两跨式防窜中心锚结安装示意图1.承力索中心锚结(1)承力索中心锚结辅助绳应安装在平腕臂上的双槽承力索座内,承力索在悬挂点必须安装有承力索预绞式保护条,在悬挂点两侧各安装2个承力索中锚线夹,线夹距悬挂点中心距离为200mm ,两线夹间距100mm 。
承力索中心锚结线夹腕臂 支撑装置 接触线承力索 中锚辅助绳承力索承力索中心锚结线夹承力索中心锚结辅助绳承力索双槽承力索座(2)承力索中心锚结线夹螺栓穿向:承力索座处螺栓由线路侧穿向田野侧。
(3)承力索中心锚结辅助绳不得有断股、散股现象,应与中心锚结范围内承力索同型号,该区段处承力索不得有接头和补强,(4)承力索中心锚结辅助绳驰度应略高于该处承力索的驰度,同时弛度应满足在最低温度时不致使腕臂存在抬高趋势,与附加导线绝缘距离满足要求。
高铁接触线中心锚结线夹更换作业指导书一、接触线中心锚结线夹用途及说明1、用途:用于止线(150 mm2截面的铜合金接触线)、站线(120 mm2截面的铜合金接触线)接触线屮心锚结绳在接触线上的固定安装。
屮心锚结绳采用70mni2截面的铜合金承力索绞线。
2、说明:本更换作业指导书适用兰新高铁(汉和飞轮电气化器材有限公司所供接触网材料安装处所:高台南至清水北区间K2237. 534〜石板墩南站K2580. 236)接触线中心锚结线夹更换使用。
更换零件为屮心锚结线夹本体及线夹与屮心锚结绳的连接螺栓销。
二、接触线中心锚结线夹介绍1、被更换接触线中心锚结线夹结构尺寸图实物装配图被更换接触线中心锚结线夹配件清单2结构尺寸图实物装配图加强型接触线屮心锚结线夹配件清单三、接触线中心锚结线夹更换流程1、根据加强型接触线中心锚结线夹结构尺寸图、实物装配图、配件清单检查零部件是否齐全;检查配件是否有影响使用的质量缺陷或变形;紧固件之间的配合是否灵活。
2、将被更换接触线中心锚结线夹四个M12x55螺栓松开,直至线夹从接触线的线槽脱离,抽出线夹与中心锚结绳连接的M12销钉,卸下被更换接触线屮心锚结线夹。
3、将加强型接触线中心锚结线夹四个M12x40的螺栓松开,把线夹本体固定在接触线要求的位置上(从结构尺寸图可见:加强型接触线中心锚结线夹安装长度小于被更换接触线中心锚结线夹安装长度35nun,为保证中心锚结线夹更换后中心锚结绳张力保持原样,新线夹安装位置向原安装痕迹的中锚方向移动35mm),保证接触线的牙型嵌入接触线的线槽内。
见线夹更换示意图。
4、交替紧固螺栓,紧固力矩70N.m(禁止使用各种普通扳手紧固)。
5、将螺栓处安装的三联止动垫片两个止动端折弯(止动端向上),保证与最近侧螺栓头六角平面粘紧,松止螺栓松动。
6、抽出加强型接触线中心锚结线夹M12螺栓销,将中心锚结绳心型环部分对准中心锚结线夹夹板中间,穿上螺栓销(由田野侧穿向线路侧)、带上背母(螺母拧紧至夹板平面,紧固力矩lON.m)穿入开口销,锁住螺栓销(开口销由根部劈开100-120°),实现线夹与锚结绳的连接。
普速铁路接触线检修标准化作业指导书一、准备工作1.人员:车梯作业不少于11人,作业车作业不少于7人(不含司机)。
2.工具:序号 工具名称 型号 单位 数量 备注1 接触网作业车或车梯 台 12 卡线器 适用于所架线型个 23 大绳滑轮组 1:3 套 14 手板(链条)葫芦 2-3T 台 15 导线炜弯器 套 16 接触线五轮较直器 套 17 接触线平直度检测尺 套 18 扭面器 85-120 把 39 工具包 个 110 钢卷尺 把 111 水平尺 600 把 112 游标卡尺 0.02 把 113 塞尺14 力矩扳手 套 215 断线钳 900 把 116 钢丝套 800-1000mm 根 217 木手锤(橡胶锤) 把 218 测量工具 测量仪或测杆 套 119 安全工具20 防护工具3.材料:序号 材料名称 型号 单位 数量 备注1 接触线终端锚固线夹 与线型匹配 套 22 接触线接头线夹 与线型匹配 套 1 带附导线3 接触线补强线夹 与线型匹配 套 34 接触线电连接夹线 与线型匹配 个 45 电连接线 与线型匹配 m 适量6 整体吊弦 与线型匹配 根 适量7 不锈钢丝 Φ3.5 kg 适量8 螺帽 M10、M12 个 适量9 防松垫片 个 适量10 夹环 个 适量11 砂布 张 适量12 导电膏 瓶 适量二、检修技术标准1.接触线张力和弛度满足设计和安装曲线要求,半补偿链形悬挂和简单悬挂弛度允许误差为15%;全补偿链形悬挂弛度允许误差为10%,弛度误差不足15mm者按15mm掌握。
正线接触网综合张力和正线接触线张力不应低于以下数值:列车运行速度(Km/h) 综合张力(KN)接触线张力(KN)V≤120 25 10120<V≤160 28 13~15V≥200 30~35 20~252.接触线高度接触网悬挂点处接触线距轨面的高度符合设计规定,应满足以下要求:(1)V<160Km/h区段接触线高度允许误差±100mm,最低高度不低于5183mm、最高高度不高于6500mm;(2)V≥160Km/h区段接触线高度允许误差±30mm,定位点两侧第一吊弦处接触线高度应等高,相对该定位点的接触线高度允许偏差为±10mm,但不得出现“V”字型;(3)任何情况下,双层集装箱区段接触线最低高度不低于《技规》规定的6330mm;(4)普速区段接触线当隧道间距不大于1000m时,隧道内、外接触线可取同一高度。
北京供电段
承力索终端锚固线夹安装作业指导书
2009-01-01 发布 2009-01-01 实施
承力索终端锚固线夹安装作业指导书
1 检修标准
1.1 铁运[2007]69号文件《接触网安全工作规程》、《接触网运行检修规程》
1.2 京铁机[2007]233号文件《接触网安全工作规程补充细则》、《接触网运行检修规程实施细则》
2 准备工作
2.1 人员:10—12人
2.2 工具:轨道作业车(梯车)、断线钳(钢锯)、活口扳手(450mm)、扭力扳手、安全用具、防护用具
2.3 材料:承力索终端锚固线夹、绑线、钢锯锯条
3 安装步骤
3.1 将承力索用绑线绑固后,用锯(断线钳)整齐锯断。
3.2 将终端锚固线夹拆散。
3.3 将锥筒螺栓套入承力索断头,有丝扣端向外。
3.4 仔细剥开承力索外层12根钢丝(铜线绞线),剩中间7根组成内心,内心不得散股。
3.5 将楔子由细端开始穿入承力索内心,内心不能出头,距宽端口距离约2-3mm。
外12根剥开线均匀布置在楔子外锥形面上,但不能嵌入楔子的两个沟槽。
3.6 握住楔子及线索,使不再变动,将锥筒螺栓轻推,套住楔子,受力后用小锤慢慢均匀敲打,直至嵌紧不再滑脱。
3.7 将终端双耳拧到锥筒螺栓上,拧紧到末端,紧固力矩为80N.M。
3.8 确认承力索未抽出,无异常,将终锚线夹与其它下锚件连接,装销钉、开口销。
附件:接触网连接螺栓紧固力矩标准:。
附件:全面检查作业指导书1 主题内容与适用范围1.1 本指导书按照状态修的管理方法而制定。
1.2 本指导书规定了接触网全面检查作业程序和质量标准.1。
3 本指导书适用于接触网全面检查作业。
2 全面检查目的全面检查具有巡视检查和保养维护的双重职能。
巡视检查内容包括不易通过间接测量手段掌握设备运行状态的所有项目,如接触悬挂、附加悬挂及支撑装置的内在质量,螺栓是否紧固等。
保养维护内容主要是在巡检过程中必要的防腐处理、注油和零部件的紧固、更换等。
全面检查可以在轨道作业车的作业平台上、车梯或支柱上进行。
3 全面检查安全措施3.1 高空作业必须设专人监护。
作业时必须把安全带扎到可靠位置.3.2 车梯、安全带、工具应按规定检修、试验,妥善保管,使之经常保持良好状态。
冰、雪、霜、雨等天气条件下,接触网作业用的车梯、梯子以及检修车应有防滑措施。
3。
3 车梯、安全带、工具在使用前应进行检查,确认良好方可使用。
3.4 车梯作业时,应指定车梯负责人,工作台上的人员不得超过2名,所有零件、工具等均不得放置在工作台台面上。
使用的小型工具、材料应放置在工具材料袋内.作业中应使用专门的用具传递工具、零部件和材料,不得抛掷传递。
3.5 推动车梯要服从工作台上人员的指挥,作业台上有人时,车梯推行速度不得超过5km/h, 并不得发生冲击和急剧起、停车.3.6 车梯在曲线上、坡道上或遇大风时,应采取措施防止倾倒、滑移。
人员不得位于线索受力方向的反侧,并采取防止线索滑脱的措施。
在曲线区段进行接触网悬挂的调整工作时,要有线索滑跑的后备保护措施。
作业结束后,车梯不得就地存放,须稳固在建筑限界以外不影响了望信号的地方。
3。
7 各部螺栓应按标准力矩紧固(见附件)。
3。
8 使用接触网作业车进行巡检的要求:3。
8.1车辆在运行期间,人员不得飞上飞下。
乘坐轨道车平板时,应坐好扶稳,不得将身体超出平板车以外.作业平台严禁向未封锁的线路侧旋转.3.8。
2检修作业车移动或作业平台升降、转向时,严禁人员上、下.作业平台不得超载。
编号:版本号:高速铁路接触网防断中心锚节作业指导书编制:××审核:××批准:××××××-××-××发布××××-××-××实施××供电段(章)高速铁路接触网防断中心锚结检修作业指导书1 适用范围1.1本作业指导书适用于高速铁路防断中心锚结的检测、全面检查保养。
1.1检查保养周期:12个月。
2 编制依据2.1《高速铁路接触网安全工作规则》(铁总运〔2014〕221号)2.2《高速铁路接触网运行维修规则》(铁总运〔2015〕362号)2.3《上海铁路局供电处关于公布供电系统班组专业台账样张的通知》(供安设函〔2016〕47号)2.4安装图和厂家产品说明书3 检测、检查保养项目3.1外观检查3.2参数测量3.3检调与更换4 关键安全风险卡控根据作业现场实际情况落实好触电伤害、高空坠落、物体打击、车辆伤害、作业车运行安全、道路交通安全等风险项点的防控措施,对该设备检修过程中存在的关键安全风险提示如下:4.1作业人员不宜位于线索受力方向的反侧,并采取防止线索滑脱的措施;在曲线区段进行接触网悬挂的调整工作时,要有防止线索滑脱的后备保护措施。
4.2使用手板葫芦作业时,要有防止滑脱的安全措施。
5 作业流程图1 高速铁路防断中心锚结检修作业流程图6 作业要求表1 人员要求注:其他作业人员未一一列出。
表2 携带工具表3 材料准备图23承力索中心锚结绳m 若干4 接触线中心锚结绳套 15 铁线φ4.0 mm kg 适量6 电力复合脂管适量7 复合绝缘子支 17 作业内容7.1外观检查7.1.1落锚装置检查依照:《补偿装置检修作业指导书》7.1.2承力索中心锚结绳无散股、断股、电气烧伤等;不得有补强或接头;中心锚结绳的弛度应等于或略高于该处承力索的弛度。
接触线终端锚固线夹检修工艺接触线终端锚固线夹检修工艺标准(试行)GDYW/QW-GD08-05-0041 前言本标准由广州地铁运营事业总部维修中心供电部提出本标准由广州地铁运营事业总部标准化委员会归口本标准起草单位:广州市地下铁道总公司运营事业总部维修中心供电部。
本标准主要起草人:邓强、骆志勇、喻展、周峰、赖智勇、赵明生、谢小春。
本标准版本号为第1版、第1次修订。
本标准 2009 年 3 月 16 日首次发布。
本标准从 2009 年 3 月 19 日起实施。
本标准由广州市地下铁道总公司运营事业总部维修中心供电部负责解释。
2 范围本标准规定了广州地铁二号线柔性接触网接触线终端锚固线夹(附录A)的检修作业相关流程、工艺标准等。
3引用标准本工艺标准除采用了广州地铁二号线牵引供电系统、接触网系统技术规格书、施工设计图纸和验收标准外,还遵守以下标准:《柔性接触网运行检修规程》GDY/QW-JG-GD-02.01同时参考以下文件:《接触线终端锚固线夹安装使用说明书》4接触线终端锚固线夹检修流程及工艺标准4.1准备工作4.1.1人员:6-8人。
4.1.2工具:450mm活动扳手、扭矩扳手、手钳、钢锯、3吨或6吨手扳葫芦(具体型号根据悬挂类型确定)、楔形紧线器、煨弯器、3吨或6吨拉力带、3m钢卷尺、断线钳、平锉刀。
4.1.3材料:接触线终端锚固线夹JQJL81(120)、白棉布、砂纸。
4.2检修标准4.2.1检查接触线终端锚固线夹的工作状态是否正常,螺栓销等连接件是否牢固可靠。
接触线与线夹间有无滑移。
画线标记是否明显。
4.2.2检查接触线端头露出双耳低面长度是否与安装时记录的露出长度一致(2mm)。
4.2.3测量外壳螺口端面与双耳四方体端面之间的距离小于12mm。
4.3检修方法若接触线与线夹间有滑移、接触线端头露出双耳低面长度与安装时的露出长度不一致,或外壳螺口端面与双耳四方体端面之间的距离大于12mm,应拆开检查,重新安装。
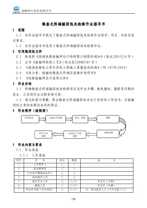
编号:
版本号:
高速铁路接触线终端锚固线夹
检修作业指导书
编制:××
审核:××
批准:××
××××-××-××发布××××-××-××实施
××供电段(章)
修订记录
高速铁路接触线终端锚固线夹检修作业指导书
1 适用范围
1.1本作业指导书适用于高速铁路接触线终端锚固线夹检测、全面检查保养。
1.2 检测、检查保养:36个月。
2 编制依据
2.1《高速铁路接触网安全工作规则》(铁总运[2014]221号)
2.2《高速铁路接触网运行维修规则》(铁总运[2015]362号)
2.3《铁路技术管理规程》(铁总科技[2014]172号)
2.4《上海铁路局供电处关于公布供电系统班组专业台账样张的通知》(供安设函[2016]47号)
2.5设计文件、设备说明书和安装图
3 检测、检查保养项目
3.1 外观检查
3.2参数测量
3.3检调及更换
4 关键安全风险卡控
根据作业现场实际情况落实好触电伤害、高空坠落、物体打击、车辆伤害、作业车运行安全、道路交通安全等风险项点的防控措施,对该设备检修过程中存在的关键安全风险提示如下:
4.1作业人员不宜位于线索受力方向的反侧,并采取防止线索滑脱的措施。
4.2在拆卸手扳葫芦时,不能一步拆除到位,松开手扳葫芦后,让终端锚固线夹带上工作张力后,一定要对线夹进行检查,并进行复紧,避免在手扳葫芦完全拆卸后接触线从线夹中抽脱。
5 作业流程
图1 接触线终端锚固线夹检修作业流程图6 工具、材料和人员要求
表1 人员要求
注明:其它作业人员根据现场实际需要配置。
表2 携带工具
表3 材料准备
序号名称规格单位数量备注
1 接触线终端锚固线套
2 依现场实际选用
2 开口销个若干依现场实际选用
3 铁线φ4.0 kg 若干
7 作业内容及标准
7.1 外观检查
7.1.1终端线夹本体检查
(1)检查接触线终端锚固线夹本体是否有裂纹,连接处线索是否受损、是否变形。
(2)通过照明工具在导线与套筒之间的缝隙中检查楔子的整体安装情况,正确的安装方式为,楔子的尖端朝向中锚方向,平端朝向终锚方向。
7.1.2销钉及开口销检查
(1)检查不锈钢销钉是否有锈蚀、裂纹现象;
(2)检查销钉处开口销是否缺失、掰折角度是否在120~130°之间。
7.2参数测量
(1)线索露头检查(普通型接触线终端锚固线夹)
保德利产品用5m钢卷尺测量楔子处150型接触线露头预量是否为15mm (允许偏差±1mm),120型、85型接触线露头预量是否为10mm(允许偏差±1m m)。
具体测量方法如下图所示:
图2 保德利产品线夹露头示意图
洛阳鑫迪产品用 5m测量线索露头是否为30mm。
图3 洛阳鑫迪产品线夹露头示意图
(2)力矩检查(顶丝型终端锚固线夹)
用力矩扳手检查力矩是否符合标准。
图4 顶丝型终端锚固线夹力矩紧固示意图
7.3检调
7.3.1终端锚固线夹处销钉与开口销调整
(1)若发现销钉有裂纹、锈蚀现象及时进行更换。
(2)若出现开口销缺失或掰折不到位的要及时进行补全及调整,掰开角度在120°~130°。
7.3.2接触线露头预量不足、过多或楔子装反时
(1)普通型接触线终端锚固线夹(150型)
①将紧线器安装在接触线适当位置。
②将两根钢丝套子分别安装在紧线器和H型钢支柱上。
③用手扳葫芦连接两钢丝套子,并摇动手扳葫芦至接触线终端锚固线夹不受力。
④用一个带尖的工具(一字起子)放入楔子的孔槽内,击打带尖的工具,使楔子与终端锚固线夹脱离,再调整接触线外露的长度,使其满足外露15mm (允许偏差±1mm),具体如下图所示:
图5
⑤用拇指压制楔子,同时往外拉接触线使楔子与接触线终端锚固线夹本体紧密连接,具体如下图所示:
图6
⑥检查楔子的状态,检查内部的锯齿牙有无变形,若无变形可疑继续使用,若锯齿牙发生变形应当及时更换。
⑦用手锤击打接触线终端锚固线夹根部,使楔子牢牢卡住接触线,具体如下图所示:
图7
⑧慢慢的松开手扳葫芦,使接触线终端锚固线夹受力,在工作张力下再次检查线夹状态,检查接触线是否出现滑移,检查接触线露头是否满足15mm(允许偏差±1mm)。
利用记号笔在接触线终锚线夹根部与接触线连接处的接触线表面标画记号,记号环绕接触线一周具体样图如下所示:
紧靠根部
图8
⑨检查棘轮下锚补偿装置的状态,检查补偿绳是否脱槽,是否偏磨,若无异常进行二次紧固。
⑩若一切正常,卸掉手扳葫芦、钢丝套子、紧线器,至此调整作业结束。
(2)普通型接触线终端锚固线夹(120、85型)
①将紧线器安装在接触线适当位置;
②将两根钢丝套子分别安装在紧线器和H型钢支柱上;
③用手扳葫芦连接两钢丝套子,并摇动手扳葫芦至接触线终端锚固线夹不受力;
④旋转套筒,将双耳螺栓与套筒分开;
⑤将楔子与锥套分开;
⑥检查楔子的状态,检查内部的锯齿牙有无变形,若无变形可以继续使用,若锯齿牙发生变形应当及时更换;
⑦重新调整接触线端部与楔子大端之间的距离,使之在45~50mm之间,检查楔子四个开槽闭合情况,开槽尺寸不得大于2mm,且不得夹有异物,具体如下图所示:
图9
⑧移动套筒,使之与锥套、楔子各配合面紧贴,并与双耳螺栓相连,用80N.m的力矩将套筒与双耳螺栓紧固连接;
⑨慢慢的松开手扳葫芦,使接触线终端锚固线夹受力,在压力下再次检查线夹状态,检查接触线是否出现滑移,检查接触线露头是否满足10mm(允许偏差±1mm);并利用记号笔在接触线终锚线夹根部与接触线连接处的接触线表面标画记号,记号环绕接触线一周具体样图如下所示。
紧靠根部
用红色记
号笔标
画,环绕
一周
图10
⑩若一切正常,卸掉手扳葫芦、钢丝套子、紧线器,至此调整作业结束。
(3)顶丝型终端锚固线夹
①将紧线器安装在接触线适当位置。
②将两根钢丝套子分别安装在紧线器和H型钢支柱上。
③用手扳葫芦连接两钢丝套子,并摇动手扳葫芦至接触线终端锚固线夹不
受力。
④旋出终端双耳,交替将固顶紧螺栓松开,取出压块,将螺纹套筒旋出螺纹楔套。
⑤将楔子与螺纹楔套分开;
⑥检查楔子的状态,检查内部的锯齿牙有无变形,若无变形可以继续使用,若锯齿牙发生变形应当及时更换;
⑦重新调整楔子位置,使楔子大端面距承力索端头的距离约45~50mm;再用套管顶住楔子大端,用木锤将楔子砸紧,使楔子大端端面距螺纹楔套螺口的
距离约为9~11mm. 在螺纹楔套六方端头的承力索上做好标记。
楔子四个开槽应均匀合拢,开槽内不能夹有绞线。
⑧将螺纹套筒旋入螺纹楔套,使螺纹楔套外螺纹留出1至2扣;再将压块放入外壳内,并保证压块小端端面与楔子大端面接触. 调整压块方向,使其侧平面正对于顶紧螺栓,压块牙型面与接触线大小圆弧面接触,避开沟槽以增大接触面积。
并用手交替旋紧顶紧螺栓,使之顶住压块。
两个压块应相互平行;旋紧双耳前,用手循环拧紧顶紧螺栓,使得压块不能转动。
图11
⑨旋入终端双耳, 将终端双耳紧固至与压块顶紧或终端双耳外露1扣为止.使之压紧压块后,交替紧固顶紧螺栓至44 N.m,然后旋紧背紧螺母。
图12
⑩在工作张力下,再次查看标记位置。
若有所变化应拆开检查,进行二次紧固。
图13
7.4检查验收
检修作业完成后,对检修后的设备质量进行复核验收,验收关键点:
(1)开口销及销钉状态良好;
(2)线索露头长度符合标准;
(3)楔子安装正确。
8 记录及表格
8.1补偿装置检测(检查)记录(上铁供专-网-04-08-2016)
8.2安全生产问题隐患排查整改登记表(上铁供记-安-03-2015)
每次出工前,详细统计工作量及设备数量,将此表打印或携带活页式记录表,于作业现场详细记录各项数据,返回工区填写电子记录,将纸质原始记录于工作票一同装订。
13
14。