承力索架设线索展放施工作业指导书
- 格式:doc
- 大小:233.10 KB
- 文档页数:6
承力索接触线架设作业指导书一、架线准备:架线工作需占用线路,受封闭时间的限制,而且每次必须完成一个锚段的架设任务,完不成无法撤出施工现场。
所以架线前必须做好架线的准备工作。
1、对架线区段进行检查:1)与接触网交叉或平行的电力线、通讯线等拆迁、改建工作应于架线前完成,如不能完成时,必须制定安全措施。
应能保证人员及料具的最小安全距离达到各种输电线路的安全距离的要求。
2)架线区段接触网支柱埋设完毕、限界、埋深、倾斜均符合设计技术标准;支持装置和补偿装置已安装并且符合质量要求。
3)曲线内侧的旋转腕臂应采取固定措施,以防止腕臂在紧线过程中由于旋转角度过大而损坏绝缘子。
4)架线区段的限界门安装完毕,以防超高车辆挂线。
对于以上检查内容不符合要求的,应及时进行处理后才能放线。
2、机具准备1)架线作业车各部操作灵活可靠,作业台与司机通讯联络良好,作业车的编组,要根据放线的要求进行,根据锚段长度合理装配线盘。
装线盘时要根据车辆的走形进行。
明确线条的走向。
2)架线所用的起锚、落锚、展放、防护、联络等工具齐全完毕,质量良好;并保证补偿坠砣已安装完毕。
3、人员分工:4、编制并上报放线计划,办理架线申请手续1)根据调查了解的情况,对已达到放线要求的线路,按照放线区段和范围编制放线计划,计划的内容包括架线的锚段,起止杆号,施工里程,影响区段,封闭所需的时间,施工所用的机具,施工机械的站位以及走形方式,车站放线计划要明确经过的辙岔号、架线时跨越的线路等。
当利用行车间隙进行放线时,编制计划时应明确影响的范围和时间,并及时与车站进行协调。
编制放线计划的原则是:正线位于侧线下方;重要线位于次要线的下方;工作支位于非工作支的下方,尽量减少穿线次数。
2)办理架线申请手续,向运输部门提报放线计划,并经批准后才可进行放线作业。
3)根据批准的放线计划,分发到各施工小组和轨道车司机。
明确各作业组的工作任务和工作量。
4)在既有线施工时,应提前向行车调度提报施工计划,并于每次作业前向行车调度及车站值班员办理施工作业车进入区间或站场线路作业的线路封闭手续。
既有线接触网工程承力索架设作业指导书1、适用范围适用于既有线接触网工程承力索架设。
(作业指导书仅供参考,各条线应根据各自线路实际条件进行编制可行的作业指导书)。
2、作业准备2.1内业技术准备阅读、审核有关设计图纸、设计文件,实施性施工组织设计,澄清有关技术问题;熟悉本标段所采用的有关规范、规程和技术标准;熟悉采用的新工艺、新标准、新材料。
制定针对本条线的施工安全保证措施,提出应急预案并实际演练,对施工人员进行技术交底,并对施工人员进行上岗前技术培训及安全培训,考核合格后方可持证上岗作业。
2.2外业技术准备2.2.1施工作业层中所涉及的各种外部技术数据的收集,包括线路资料、道岔资料、路基相关资料等的收集。
2.2.2检查附加线起落锚所用材料的外观质量。
3、技术标准3.1 按设计要求检查材料质量。
3.2 复线曲线处加固,应根据曲线半径和承力索的张力计算水平张力大于垂直张力时,方可采取加固措施。
3.3 起锚处承力索补偿坠砣在支柱上加固:在支柱适当位置处安装一临时固定抱箍,用钢丝套把坠砣固定在支柱上(或用尼龙套固定在坠砣固定框架适当位置处)。
3.4 承力索下锚终端线夹安装严格执行回头制作工艺,确保一次达标。
3.5 “S”钩的长度,应事先根据承力索设计额定张力按有载计算,分为A、B 两种,即靠近悬挂点为A,跨中为B,放线时按型号位置安装。
3.6 放线宜采用恒张力架线车,行驶速度3~5km/h,承力索架线张力为8KN(由于普拉塞车低于8KN 无法监测张力)。
4、施工流程与工艺流程4.1工艺流程4.2 操作方法4.2.1 架线准备4.2.1.1 检查架线锚段的支柱装配及补偿装置是否安装正确,并调查所架设锚段范围内线路附近、线路上方电力线等干扰情况。
4.2.1.2 加固腕臂,复线区段曲线处每隔3~4 跨加固一次,方法见图1。
铁线不宜过紧,能承受紧线时腕臂偏移力即可。
单线区段曲线内侧支柱腕臂加固方法见图2。
转换柱采取将工作支与非工作支用双股Ф4.0镀锌铁线绑在一起来固定。
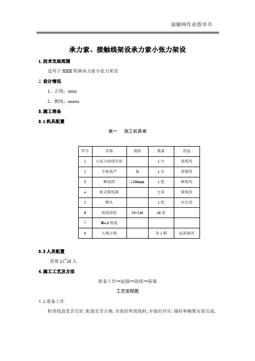
承力索、接触线架设承力索小张力架设1.技术交底范围适用于XXX铁路承力索小张力架设2.设计情况1、正线:xxxx2、侧线:xxxxx3.施工准备3.1机具配置表一施工机具表3.2人员配置需要14~16人4.施工工艺及方法准备工作→起锚→放线→落锚工艺流程图4.1准备工作检查线盘是否完好,配盘是否正确,吊装好所需线材,并做好回头。
锚柱和腕臂安装完成。
4.2起锚放线区段封闭后,小张力放线车开到起锚处停稳,升作业架。
将做好的回头挂在起锚的绝缘子上,并上好弹簧销。
4.3放线起锚后,小张力放线车带上2----3KN张力,以5Km/h匀速运行。
司机应听从架线作业车指挥人员的指挥。
在每个悬挂点处承力索都必须放在放线滑轮槽内4.4落锚小张力放线车放线到锚柱处停稳。
用手扳葫芦紧线,待手扳葫芦受力后,张力车张力逐步减小到零,最后断线下锚。
5.质量标准及要求1、承力索的规格、型号、性能应符合设计要求,由生产厂家依据设计资料进行定盘、定长供应。
承导线应按实测锚段长度配盘架设,不得有接头。
2、承力索架设根据线材型号选用相应的放线滑轮并带有防护措施,避免线索磨损。
张力架线时曲线区段、转换柱处的支柱装备应采取临时加固措施,使腕臂不因架线而偏转,减少对线索的磨损。
3、承力索应采用额定张力进行恒张力架线,架线张力误差不超过8%。
4、承力索应进行超拉或进行其他预延伸措施。
5、承力索的张力应符合设计要求,补偿坠砣串的重量误差不得大于±1%。
6、承导线应按批次进行进场验收,其规格、型号、质量应符合设计要求和《电气化铁道用铜合金绞线》TB/T3111的规定,承力索线径允许误差±0.5mm。
7、承力索终端锚固线夹安装应符合设计要求,线材在楔形线夹外露长度为500mm,绑扎100mm。
8、承力索座压板螺栓紧固力矩为56N.m,承力索中心锚结线夹螺栓紧固力矩为46N.m。
9、承力索座M10螺栓紧固力矩为25N.m。
10、所有零件水平连接的销钉、螺栓由线路侧穿向田野侧,垂直方向连接的销钉、螺栓由上往下穿(不含有特殊安装要求的螺栓)。
青岛西四场架线作业指导书一、安装横承力索和上部固定绳(方法略)二、架设承力索,具体步骤如下:第一步:先架设Ⅳ-2锚段,长度429.15m,导线组合:THJ-70+CTHA-85,占用股道Ⅳ-2,477#道岔,影响473#、475#道岔。
15#支柱处起锚(无补偿下锚),39#支柱处落锚(全补偿下锚,接触线为1:2补偿装置)。
第二步:架设Ⅳ-1锚段,长度425.15m,,导线组合:THJ-70+CTHA-85,占用股道Ⅳ-1,477#,473#道岔,17#支柱处起锚(无补偿下锚),43#支柱处落锚(全补偿下锚,接触线为1:2补偿装置)。
第三步:架设渡2锚段,长度276.01m,,导线组合:THJ-70+CTHA-85,占用497#、475#、473#、419#、417#、495#道岔,30#支柱处起锚(无补偿下锚),49#支柱处落锚(全补偿下锚,接触线为1:2补偿装置)。
第四步:架设Ⅳ-17锚段,长度1287.41m,导线组合:THJ-95+CTHA-120,占用股道Ⅳ-17,497#、475#、495#道岔。
1#支柱处起锚(全补偿下锚),51#支柱处落锚(全补偿下锚,接触线、承力索均为为1:3补偿装置)。
第五步:架设Ⅳ-6锚段,长度455m,,导线组合:THJ-70+CTHA -85,占用股道Ⅳ-6,469#,471#、425#道岔,影响Ⅳ-4、Ⅳ-5道。
14#支柱处起锚(无补偿下锚),36#支柱处落锚(全补偿下锚,接触线为1:2补偿装置)。
第六步::架设Ⅳ-4锚段,长度580.51m,,导线组合:THJ-70+CTHA-85,占用股道Ⅳ-4,471#,431#、433#道岔。
11#支柱处起锚(无补偿下锚),42#支柱处落锚(全补偿下锚,接触线为1:2补偿装置)。
第七步::架设Ⅳ-3锚段,长度538.15m,,导线组合:THJ-70+CTHA-85,占用股道Ⅳ-3,425#、423#道岔。
13#支柱处起锚(无补偿下锚),44#支柱处落锚(全补偿下锚,接触线为1:2补偿装置)。
第二章承力索检修作业指导书一、适用范围适用于普铁承力索检修作业。
二、作业准备:(一)人员:作业车作业8人,车梯作业12人。
(二)工、机具:激光接触网检测仪、钢卷尺、力矩扳手、扭面器、钢丝套、滑轮、手锤、橡胶锤、绝缘绳、紧线器、手扳葫芦、断线钳、螺丝刀、钢丝钳、安全用具、防护用具、照明用具、通讯工具等(根据具体项目需要携带相应工、机具)。
(三)材料:终端锚固线夹(2个)、连接板、螺栓型电联结线夹(2个)、电联结线、铜绑扎线(根据具体项目需要携带相应的材料)。
(四)资料:接触网平面图。
三、检修标准(一)承力索位置标准值:直链型悬挂,位于接触线正上方。
曲线区段承力索与接触线之间的连线垂直于轨面连线。
安全值:直线区段允许误差150mm;曲线区段允许向曲线内侧偏移100mm。
限界值:标准值±200mm。
(二)承力索损伤程度承力索不允许有断股(承力索断股或损伤3股及以下时,可进行补强,超过3股时,做接头)、散股。
承力索损伤后不能满足该线通过的最大电流时,若系局部损伤,可以加电气补强线,若系普遍损伤则应更换;承力索损伤后不能满足规定的机械强度安全系数时,可以加补强线或切除损坏部分重新接续,若系普遍磨损伤则应更换;一个锚段内承力索接头和断股补强的总数量为:锚段长度800m以下时接头数量2个,锚段长度800m以上时接头数量4个(不包括分段、分相及下锚接头)。
接头距悬挂点应不小于2m,同一跨距内不允许有两个接头。
(三)极限温度条件下交叉跨越线索间距不足200mm的处所应加装等位线,等位线应与被连接线索材质相同,截面积不小于25mm2;定位管吊线与另一支接触悬挂线索的空间距离不得小于100mm。
四、作业程序(一)检查内容1. 检查承力索悬挂点处线索固定情况。
2. 检查承力索有无断股、散股、锈蚀、烧伤。
3. 检查承力索位置是否符合规定。
4. 检查承力索接头是否符合规定。
5. 检查两悬挂间线索与线索(或零部件)的空间距离是否符合规定。
普速铁路承力索架设标准化作业指导书普速铁路承力索架设标准化作业指导书一、施工准备:1.人员:15~30人。
2.工具:序号工具名称型号单位数量备注1 接触网作业车台 2-32 架线车台 13 开口放线滑轮套 30-404 S钩个 15-205 卡线器适用于所架线型个每组2个6 大绳滑轮组 1:3 套每组1套7 手板(链条)葫芦 2-3T 台每组1台8 工具包个每人1个9 钢卷尺把每组1把10 力矩扳手套每组2套11 断线钳 900把每组1把根每组1-2根12 钢丝套 800-1000mm13 铁榔头把每组1把14 木手锤(橡胶锤)把每组1把15 测量工具测量仪或测杆套 116 安全工具17 防护工具3.材料:序号材料名称型号单位数量备注1 承力索需要线型 m锚段所需长度配盘完整2 承力索楔形或其他形式的终端锚固线夹与线型匹配套 43 预铰丝保护条与线型匹配根适量4 接续条与线型匹配根适量5 钩头鞍子与线型匹配个适量或承力索座6 悬吊滑轮与线型匹配个适量7 承力索电连接夹线与线型匹配个适量8 电连接线与线型匹配 m 适量9 整体吊弦与线型匹配根适量10 中锚夹板与线型匹配套 7 或钢线卡子11 超拉肩架套 212 铁坠砣块每处12块13 镀锌铁线 4.0m适量14 绑扎线与承力索材质相同 m 适量15 下锚绝缘子瓷质悬瓶或硅橡胶串/只 24.资料:接触网平面布置图、换线锚段施工方案、网络图、派工单等技术资料。
二、安装技术标准1.接触网载流能力能满足运能需求,承力索的张力差不得大于额定张力的±10%。
2.V≥200Km/h区段正线承力索宜采用恒张力放线,并按规定进行张力超拉,架线张力应根据线材材质、额定张力等因素选取,且不应小于绕线张力,架线张力偏差不得大于8%。
3.新架承力索正线采用截面积为95-150mm2的镁铜合金载流承力索,且单丝不得有焊接头,额定工作张力15KN。
4.侧线承力索一般采用镁铜合金绞线或镀铝锌钢绞线。
1、目的:本指导书规定了承力索的检调作业程序和质量标准。
2、适用范围:本指导书适用于客运专线承力索位臵检调、补强、接头制作的检调作业。
3、所需人员、机具、材料:3.1 所需人员3.2 主要工机具3.3 主要材料设备4、作业流程及方法:4.1流程图4.2方法4.2.1 作业准备按规程要求填写工作票并交付工作领导人,工作领导人向作业组全体成员宣读工作票、分工并进行安全预想,检查工具、材料。
4.2.2 完成安全措施做好安全措施,工作领导人确认完成安全措施后,通知各作业组开工。
4.2.3 测量检查①横向偏移;用接触网DJJ激光测量仪,测出定位处承力索、接触线相对于线路中心的偏移值。
仪器操作,见激光测量仪操作手册。
确认半斜链型悬挂,直线区段承力索是否位于线路中心的正上方;直链型悬挂,是否位于接触线正上方。
曲线区段承力索与接触线之间的连线是否垂直于轨面连线。
②磨耗及损伤程度;检查承力索有无断股、损伤情况。
③锈蚀、腐蚀情况;检查承力索及连接部件有无锈蚀、腐蚀现象。
④紧固件力矩情况。
用力矩扳手对各部件螺栓按标准力矩进行紧固。
4.2.4 调整4.2.4.1承力索位臵超标:①腕臂柱处:根据测量值、确定承力索调整量、在平腕臂上做好标识,通过调整承力索座位臵,使承力索位臵达标。
具体调整方法如下:A 直线处,作业人员将承力索从承力索座内抬出,移动承力索座到规定位臵,再将承力索放入承力索座线槽中,紧固好。
B曲线外侧区段时,在支柱上底座处搭0.75T手扳葫芦拉住承力索,紧手扳葫芦,使腕臂不受力;将承力索从承力索座内抬出,移动承力索座到规定位臵、紧固好;松手扳葫,再将承力索放入承力索座线槽中,紧固好。
C 曲线内侧时,先摘除腕臂管帽,在腕臂管插入一根带两个定位环的1米长定位管,调整定位管的外露长度,在定位管上搭0.75T手扳葫芦拉住承力索;紧手扳葫芦使腕臂不受力后从承力索座内抬出承力索,移动承力索座到规定位臵、紧固好;松手扳葫,再将承力索放入承力索座线槽中,紧固好。
承力索、接触线(小张力)架设作业指导书编制:审核:批准:承力索、接触线(小张力)架设作业指导书1. 适用范围适用于阜淮线电气化改造工程承力索、接触线(小张力)施工作业。
2. 作业准备2.1内业技术准备作业指导书编制后,应在开工前组织技术人员认真学习实施性施工组织设计,阅读、审核施工图纸,澄清有关技术问题,熟悉规范和技术标准。
制定施工安全保证措施,提出应急预案。
对施工人员进行技术交底,对参加施工人员进行上岗前技术培训,考试合格后持证上岗。
2.2 外业技术准备施工作业层中所涉及的各种外部技术数据收集。
修建生活房屋,配齐生活、办公设施,满足主要管理、技术人员进场生活、办公需要。
3. 技术要求3.1 承力索、接触线的规格、型号、机械电气性能符合设计要求。
3.2 承力索、接触线应由生产厂家定盘生产供应,现场对号架设。
承力索、接触线不允许有接头。
3.3正线及重要的接触线应位于侧线及次要接触线的下方;承力索交叉位置应与接触线相同。
3.4 架设前,对曲线区段上下行腕臂采取临时对拉加固措施。
4. 施工程序与工艺流程4.1.施工程序施工准备起锚 放线 落锚 4.2.工艺流程图 5. 施工要求 5.1施工准备施工前对承力索、接触线材料及线盘进行核实,种类及技术条件应符合设计要求,准备好工具材料。
5.2施工工艺5.2.1架线准备①检查架线锚段的支柱装配借补偿装置是否安装正确,并调查所架设锚段范围内线路附近、线路上方电力线等干扰情况。
②加固腕臂,每隔4—5跨越加固一次,方法见图5.2.1-1。
直线及曲线支柱腕臂对拉固定示意图5.2.1-1③检查工具和材料的质量及数量是否达到要求。
④起锚人员提前到达现场,检查支柱强度、拉线、坠砣及补偿等是否达到要求。
把补偿a值调至合适,导线补偿绳用三个钢线卡子交错卡紧⑤架线车伸缩杆应放在正确位置。
⑥检查线盘号与锚段号是否符合,打开线盘注意线头方向是否正确。
穿好线头引导绳索,通过架线车伸缩杆传递给作业车上人员,并做好回头。
普速线路承力索检修标准化作业指导书目次1. 适用范围 (2)2. 规范性引用文件 (2)3. 编制依据 (2)4. 承力索检修指导书 (2)4.1. 准备工作 (2)4.2. 检修技术标准 (4)4.3. 检修作业流程 (4)4.4. 检修过程中关键问题的处理方法 (5)4.5. 检修过程中安全风险点及卡控措施 (7)1.适用范围本作业指导书适用于供电段管内普速线路承力索架设、检修、拆除和常见问题处理。
2.规范性引用文件下列文件对于本作业指导书的应用是必不可少的。
凡是注日期的引用文件,仅所注日期的版本适用于本作业指导书。
凡是不注日期的引用文件,其最新版本(包括所有的修改单)适用于本作业指导书。
《普速铁路接触网安全工作规则》铁总运〔2017〕25号《普速铁路接触网运行维修规则》铁总运〔2017〕25号《铁路技术管理规程》(普速铁路部分)3.编制依据根据《铁路接触网安全工作规程》、《铁路接触网管理规则》、《铁路局作业指导书编制规范》的相关要求,结合段具体实际,特编制此作业指导书。
4.承力索检修指导书4.1.准备工作4.1.1 人员:车梯作业不少于11人,作业车作业不少于7人(不含司机)4.1.2 工具序号工具名称型号单位数量备注1 接触网作业车或车梯台 12 卡线器适用于所架线型个 23 大绳滑轮组0.04375 套 14 手板(链条)葫芦2-3T 台 15 工具包个 16 钢卷尺把 17 力矩扳手套 28 断线钳900 把 19 钢丝套800-1000mm 根 210 铁榔头把 111 木手锤(橡胶锤)把 112 测量工具测量仪或测杆套 113 安全工具14 防护工具4.1.3材料(根据工作内容,确定数量)序号材料名称型号单位数量备注1 承力索楔形或其他形式的终端锚固线夹与线型匹配套 22 预铰丝保护条与线型匹配根适量3 接续条与线型匹配根适量4 承力索电连接夹线与线型匹配个适量5 电连接线与线型匹配m 适量6 整体吊弦与线型匹配根适量或环节吊弦7 砂布张适量8 导电膏瓶适量9 镀锌铁线 4.0 m 适量10 绑扎线与承力索材质相同m 适量4.1.4 资料:接触网平面图、安装曲线。
承力索架设线索展放施工作业指导书1 适用范围适用于1铁路承力索架设。
2 作业准备2.1 内业技术准备施工前制定当天施工计划,制定施工安全保障措施;对施工人员进行技术交底和培训,提前熟悉图纸掌握施工当天承力索架设的锚段号、下锚支柱号,核对配盘锚段号是否与现场一致,锚段长度是否与现场实测跨距一致。
2.2 外业技术准备(1)需要架线的锚段内、支柱、腕臂安装已全部完成;(2)补偿、拉线装置已安装完成;(3)该锚段承力索已进场并检验合格,配盘长度与锚段号相符。
3 技术要求(1)采用锥套式终端锚固线夹(终端锚固线夹销钉采用碳素钢材质)。
(2)采用锥套式终端锚固线夹(终端锚固线夹销钉采用碳素钢材质)(3)承力索位于接触线正上方,曲线段承力索与接触线连线垂直于轨平面,允许偏差±50mm。
(4)承力索在承力索座处加装预绞式保护条。
(5)工作张力:120承力索为15KN,95承力索为15KN。
(6)承力索不得有接头,不得断股、散股。
(7)跨线桥、隧道口、跨越线下方承力索加装护线条。
4 施工程序与工艺流程4.1 施工程序施工程序为:施工准备→起锚→承力索展放→落锚→结束。
4.2工艺流程起锚承力索展放落锚结束施工准备工艺流程图5 施工要求5.1施工准备(1)检查架线锚段的支柱装配及补偿装置是否安装正确,并调查所架设锚段范围内线路附近、线路上方电力线等干扰情况;(2)加固腕臂,复线区段曲线处每隔一跨加固一次,方法见图1。
铁线不宜过紧,能承受紧线时腕臂偏移力即可。
单线区段曲线内侧支柱腕臂加固方法见图2。
转换柱采取将工作支与非工作支用双股Ф4.0镀锌铁线绑在一起来固定;Ф4.0铁线图1 曲线支柱腕臂对拉固定示图2 曲内柱腕臂固定示意(3) 检查架线机械、工具和材料的质量及数量是否符合作业要求,并将工具和材料装在架线车组上;(4)起锚人员提前到达现场,检查支柱强度及拉线、坠砣及滑轮(棘轮)补偿等是否达到要求。
用Ф4.0铁线将棘轮与棘轮框架固定在一起,使棘轮不能转动;(5)将需架设的承力索线盘用吊车装到放线架上并固定,在吊装过程中注意检查线头方向是否正确,检查线盘号与锚段号是否符合,打开线盘后检查线索质量;(6)技术人员应按设计图纸提前做好放线计划及示意图,发给各项施工负责人每人一份;(7)提前将架线请点要求及架线作业计划表提交给线路临管单位,将放线车组停放在临建车站,架线当天架线人员在封闭点前提前一个小时到达。
水利工程施工作业指导书水利工程施工作业指导书为了规范水利施工,严格水利工程施工方法和施工工序,根据水利施工特点特编制水利工程施工作业指导书。
本作业指导书包括以下内容:1.涵洞施工作业指导书2.渠道农门、斗门施工作业指导书3.节制闸、进水闸施工作业指导书4.水利工程砂石、砼道路施工作业指导书5.土地平整施工作业指导书6.水利工程干沟、支沟、斗沟、农沟施工作业指导书7.清淤工程施工作业指导书8.渠道土方填筑施工作业指导书9.开挖渠道土方施工作业指导书10.渠道混凝土衬砌施工方法11.桥梁工程施工方法12.模袋护坡施工方法涵洞施工作业指导书一、施工工艺流程测量放线→基础开挖→基础处理→钢筋制作安装→模板支模→砼浇筑(管安装)→混凝土养护→土方回填二、施工准备施工准备包括测量准备、人员设备准备、物资材料准备等。
1、测量准备:首先对监理单位提供的测量基准点进行复核,确认无误后对控制点和水准点加密并平差待用。
确认无误后根据施工设计图纸对涵洞原地貌进行测量,供后期工程计量及竣工资料整理时使用。
同时确认开挖和填筑工程量,为基础开挖做好准备。
2、人员设备准备:根据涵洞工程量、施工现场条件、施工强度和施工进度计划配备合理的人员和设备。
劳动力数量、作业时间、机械型号要与各阶段的施工进度计划、施工强度安排相适应。
充分做到“歇人不停面,歇人不停机”,保证有工作面就有人施工。
3、物资材料准备:加强材料的计划供应工作,确保工程所用材料(特别是砂、碎石、块石、水泥、钢筋、模板钢材等)保质、保量、及时运至工地并具有充足的储备量。
开工前按照规范要求对砂、石、水泥、钢筋和混凝土配合比进行试验,检验合格后方可使用。
三、施工方法1、测量放样:涵洞测量放样采取如下顺序:按照施工方案,先放开挖边线、中线及放坡点,随着开挖进程控制坡度、坡角位置,及时检查保证边坡的正确开挖,及时测绘开挖断面,作为计量资料。
要求每次收方与原始断面采用统一轴线或同样的相对关系,测绘资料制作按照竣工要求考虑,最后资料汇总成为竣工图纸。
索塔施工作业指导书一、工程概况主桥索塔设计为钢筋混凝土梯形门架结构,塔顶塔柱横向中心距21.2m,塔柱轴线横向坡度为17:1,设上、下两道横梁,上塔柱高72.8m,下塔柱高71.3m,索塔全高144.1m。
塔柱均为变截面薄壁箱形断面,塔柱横桥向宽5.5m,顺桥向宽度为5.5~11.685m,塔底6m段纵横向均适当加大截面尺寸,上塔柱壁厚60cm,下塔柱壁厚80cm。
塔柱由实心段和空心部分组成,下塔柱设两道隔板,上塔柱设三道隔板,每隔10m左右布置一个直径10cm的通水、通风孔。
横梁采用预应力混凝土结构,上横梁采用3.5某3.5薄壁箱形截面,壁厚50cm,共布设10束7-φj15.24mm钢绞线;下横梁采用4.5某4.5m薄壁箱形截面,壁厚60cm,共布设32束7-φj15.24mm钢绞线。
为方便施工和保证工程质量,塔柱和上、下横梁内均设置了由角钢组成的劲性骨架。
二、质量目标索塔施工的质量目标:钢筋砼,预应力砼以及线形控制满足设计要求;砼表面要求平整光洁,色泽一致,线条顺直。
三、施工准备(1)、塔吊为了满足施工要求及根据实际施工情况,在索塔下游侧的塔柱边上安装150T.M塔吊一台,以方便塔柱施工使用,用扶墙加强连接。
注意在塔柱的节段施工时预埋塔吊扶墙连接,塔吊立面布置见附图。
(2)、电梯索塔施工需要,在北塔上游侧安装1台电梯,方便工人上下。
注意在塔柱的节段施工时预埋电梯扶墙连接,电梯布置图见附图。
(3)、混凝土运输塔柱混凝土的运输,由拌和站混凝土输送泵来完成,混凝土泵管沿顺桥向塔柱一侧铺设,上下游塔柱各铺设一道泵管。
用U型卡固定在塔柱上,并间隔一定距离用钢丝绳吊挂于塔柱的原模板对拉螺栓上。
输送管的直径为125mm,随塔身上升而上升,工作面上采用水平管外接软管布料。
(4)、施工用水用两台高压水泵供水,布置在塔底,设供水水箱。
水管沿施工电梯附墙架敷设,与附墙架一起上升。
(5)、供电系统在承台上设一个低压配电箱,专门对塔吊、施工电梯、施工用的电悍机、电动葫芦、混凝土振动器等动力设备供电。
1.线材运达现场应进行检查,其质量应符合相关标准的规定。
外观质量且应符合下列规定:(1)镀锌钢绞线、镀铝锌钢绞线不得有断股、交叉、折叠、硬弯、松散等缺陷;如有缺陷应按规定进行处理。
(2)镀锌钢绞线表面镀锌良好,不得锈蚀。
(3)镀铝锌钢绞线镀层良好。
(4)铜、铜合金及铜包钢绞线、镀铝锌钢芯铝绞线不得有断股、交叉、折叠、硬弯、松散等缺陷;如有缺陷应按规定进行处理。
(5)铜、铜合金及铜包钢绞线、镀铝锌钢芯铝绞线不得有腐蚀现象。
检验数量:施工单位、监理单位全部检查质量证明文件,外观按品种、牌号、批号抽检。
检验方法:检查质量证明书和进行外观检查,并对机械性能进行检验。
2.承力索的线材规格、型号应符合设计要求,镀锌钢绞线、镀铝锌钢绞线镀层良好。
检验数量:施工单位抽检30%;监理单位抽检不少于10%。
检验方法:观察检查。
3.承力索每个锚段内接头数:正线不超过1个,站线不超过2个(不含锚支上的接头)。
两接头间距不应小于150 m,接头距悬挂点的距离不应小于2 m。
检验数量:施工单位、监理单位全部检查。
检验方法:观察、尺量检查。
4.承力索接头应符合设计要求,钢绞线和铜绞线在楔型线夹内的回头长度为300~500 mm。
半补偿链形悬挂承力索的驰度应符合设计安装曲线。
检验数量:施工单位、监理单位全部检查。
检验方法:观察,测量检查。
1.张力补偿装置应符合设计要求,补偿绳应无磨支柱和拉线现象,坠砣完整无损。
检验数量:施工单位抽检30%。
检验方法:观察检查。
作业要点1. 准备1)对架线区段前道工序进行检查。
2)根据平面图编制架线作业计划。
3)准备架线工具、机械及材料,按架线计划将承力索吊装到接触网架线车组的平板车的放线架上。
按路局规定,提前将架线请点要求及架线作业计划表提交路调度所。
4)具备架线条件后,架线车停靠邻近施工区段的车站,并向车站值班员提出书面封锁线路施工请求。
2. 起锚1)架线车到达起锚柱后,看线防护人员等共同将起锚坠砣安装好。
承力索架设中心锚结安装施工作业指导书1 适用范围适用于1铁路承力索中心锚结安装。
2 作业准备2.1 内业技术准备施工前制定当天施工计划,制定施工安全保障措施;对施工人员进行技术交底和培训。
2.2外业技术准备(1)承力索架设落锚已完成,补偿装置工作正常;(2)中锚下锚拉线及下锚底座已安装,锚柱顺线路倾斜度符合设计要求。
3 技术要求(1)一个承力索中锚安装2 个中锚线夹,安装位置距承力索支座中心200mm,穿向由线路穿田野侧,长螺栓在上,短螺栓在下。
;(2)承力索中心锚结绳的最低点应不低于该跨承力索的最低高度,张力应严格按中心锚结安装设计图表中的张力安装;(3)中心锚结柱的腕臂应垂直于线路中心线,施工允许偏差为±10mm;(4)承力索中心锚结线夹至腕臂中心距离为200mm;(5)承力索中心锚结线夹(固定承力索与承力索中锚绳)的螺栓由线路侧穿向田野侧,长螺栓在上,短螺栓在下;固定承力索与接触线中锚绳的螺栓从上向下穿向。
(6)中心锚结绳弛度应等于或略高于该处承力索弛度,承力索中心锚结绳在其垂直投影与线路钢轨交叉处,应高于接触线300mm以上。
4 施工程序与工艺流程4.1施工程序施工程序为:施工准备→安装中心锚结绳→结束。
4.2工艺流程安装中心锚结绳结束施工准备工艺流程图5 施工要求5.1施工准备(1)安装中锚工机具及所用材料应事先装至安装作业车上;(2)在放线车上提前测量辅助承力索绳,剪断盘好,放在作业车上,并将起锚侧承力索终端锚固线夹按《承力索终端锚固线夹安装》作业指导书安装好,为安装做好准备;(3)提前向线路临管单位提报封闭线路施工作业计划;(4)安装作业人员应在当天封闭点前20分钟准时到达作业车停放车站,并上车。
5.2施工工艺检查(1)中锚下锚拉线及下锚固定角钢已安装,锚柱顺线路倾斜度符合设计要求,确认拉线处于受力;图1 承力索中锚起锚(2)承力索已架设完毕,检查起、下锚两侧坠砣b 值,应基本达标。
第二十八章承力索接头制作作业指导书一、适用范围适用于200 km/h以下的铁路(仅运行动车组列车的铁路除外)。
二、作业准备1.人员:不少于12人,作业车作业不少于8人(不含司机)。
2.工具:紧线器、手扳葫芦、钢丝套、力矩扳手、滑轮组、充电式液压承力索切刀、大绳、木榔头、安全工具、防护工具。
3.材料:楔形线夹、双环杆、电连接线、承力索电连接线夹、承力索、钢线卡子、Φ4.0镀锌铁线、防腐油等。
三、质量标准1.一个锚段内承力索接头、补强和断股的总数量应符合下表的规定(不包括分段、分相及下锚接头)。
接头距悬挂点应不小于2m,同一跨距内不允许有两个接头。
2.承力索磨耗和损伤后不能满足该线通过的最大电流时,若系局部磨耗和损伤,可以加电气补强线,若系普遍磨耗和损伤则应更换。
3.承力索磨耗和损伤后不能满足规定的机械强度安全系数时,若系局部磨耗和损伤,可以加补强线或切除损坏部分重新接续,若系普遍磨耗和损伤则应更换。
4.承力索用钢芯铝绞线或铝包钢绞线时,其钢芯若断股,必须切断重新接续。
5.检查承力索断股情况。
若发现有应根据情况进行处理:①承力索断1股,将断股头挫平后用同材质线绑扎;②承力索断3股及以下,进行机械补强;③承力索断4股及以上,截断重接。
6.楔形线夹的技术状态符合要求,无裂纹等缺陷,且线夹型号与线材的线径相符合。
7.承力索在楔形线夹内的位置是回头点必须在楔子的中心线上,且与楔子紧贴。
回头点处及回头部分承力索不得有散股。
8.承力索回头长度约为350~400mm,回头的绑扎长度为100±10mm,露头50mm。
四、作业步骤及方法1.在承力索断线的两端头适当位置截断损伤承力索。
截断前于端头20mm处用直径1.6~2mm的绑扎线绑扎防止散股,同时将端头打磨平整光洁无毛刺或使用承力索电动切刀将端头切割平整。
2.在承力索合适位置,擦去油污。
安装紧线器并打紧,在其前方100~150mm处各上紧一个钢线卡子(或防滑线夹)后挂手扳葫芦并紧线。
技术交底文件编号:工程名称铁路支线接触网交底项目承力索架设交底内容一、施工技术要求:1.架线区段的检查内容有:①高低压电力线路,通信、广播等弱电线路应迁改完毕或临时改移不影响架线。
②所有支柱的限界、埋深、倾斜度均应符合技术标准,横卧板按设计要求安装。
③锚板拉线,补偿装配支持装置安装完毕,并符合技术标准。
④限界门已装,支柱号已刷或已临时书写。
曲线区段的腕臂已作临时加固。
⑤复线区段曲线处,上、下支两相对的支柱腕臂头可用双根Φ4.0铁线相互拉紧,铁线不宜过紧,能承受紧线时腕臂偏移力即可。
单线区段曲线内侧支柱腕臂可以安装临时固定角钢加固。
腕臂加固示意图⑥钢柱基础养生期已够,强度达到技术标准。
⑦检查支柱装配、拉线有无错误,软横跨悬挂安装是否符合设计。
⑧地锚拉杆灌注强度达到技术标准。
⑨与接触网交叉或平行的电力线、通信线等拆迁、改建工作应与架线前完成,如不能完成时,必须制定安全措施,保证人员及料具的最小安全距离。
⑩正线承力索采用JTMH-95铜合金绞线。
2.起锚①补偿滑轮转动灵活,坠砣完整无损,排列整齐,缺口方向错开180°,并保证坠砣不被支柱或其它物件卡滞。
②坠砣数量按设计所给的工作张力进行安装。
③当架线车达到起锚位置时,车组解列。
架线车上线盘制动人员松开转动线盘,作业台人员将事先做好的下锚接头下放,并传递给起锚人员,起锚人员迅速将承力索与下锚悬式绝缘子连接好。
架线指挥人确认起锚工作妥当后,指挥架线车缓慢起步开始放线。
如果有穿线需要时,架线车应停在穿线处,由作业车上人员穿线,地面辅助人员拉线,并传递给起锚人员。
⑤由于在放线过程中,线索抖动性大,为防止起锚后绝缘子同支柱发生碰撞而损坏,起锚人员应用绳索将绝缘子拉开,远离支柱。
⑥起锚之后,注意观察坠砣及附近跨距的承力索动向,并随时与架线作业车、下锚紧线人员联系。
3.架线①架线时,张力控制在1760N~2940N,由线盘车上看线人员执行。
②架线车架线时运行速度要求5km/h。
承力索架设线索展放施工作业指导书1 适用范围适用于1铁路承力索架设。
2 作业准备2.1 内业技术准备施工前制定当天施工计划,制定施工安全保障措施;对施工人员进行技术交底和培训,提前熟悉图纸掌握施工当天承力索架设的锚段号、下锚支柱号,核对配盘锚段号是否与现场一致,锚段长度是否与现场实测跨距一致。
2.2 外业技术准备(1)需要架线的锚段内、支柱、腕臂安装已全部完成;(2)补偿、拉线装置已安装完成;(3)该锚段承力索已进场并检验合格,配盘长度与锚段号相符。
3 技术要求(1)采用锥套式终端锚固线夹(终端锚固线夹销钉采用碳素钢材质)。
(2)采用锥套式终端锚固线夹(终端锚固线夹销钉采用碳素钢材质)(3)承力索位于接触线正上方,曲线段承力索与接触线连线垂直于轨平面,允许偏差±50mm。
(4)承力索在承力索座处加装预绞式保护条。
(5)工作张力:120承力索为15KN,95承力索为15KN。
(6)承力索不得有接头,不得断股、散股。
(7)跨线桥、隧道口、跨越线下方承力索加装护线条。
4 施工程序与工艺流程4.1 施工程序施工程序为:施工准备→起锚→承力索展放→落锚→结束。
4.2工艺流程起锚承力索展放落锚结束施工准备工艺流程图5 施工要求5.1施工准备(1)检查架线锚段的支柱装配及补偿装置是否安装正确,并调查所架设锚段范围内线路附近、线路上方电力线等干扰情况;(2)加固腕臂,复线区段曲线处每隔一跨加固一次,方法见图1。
铁线不宜过紧,能承受紧线时腕臂偏移力即可。
单线区段曲线内侧支柱腕臂加固方法见图2。
转换柱采取将工作支与非工作支用双股Ф4.0镀锌铁线绑在一起来固定;Ф4.0铁线图1 曲线支柱腕臂对拉固定示图2 曲内柱腕臂固定示意(3) 检查架线机械、工具和材料的质量及数量是否符合作业要求,并将工具和材料装在架线车组上;(4)起锚人员提前到达现场,检查支柱强度及拉线、坠砣及滑轮(棘轮)补偿等是否达到要求。
用Ф4.0铁线将棘轮与棘轮框架固定在一起,使棘轮不能转动;(5)将需架设的承力索线盘用吊车装到放线架上并固定,在吊装过程中注意检查线头方向是否正确,检查线盘号与锚段号是否符合,打开线盘后检查线索质量;(6)技术人员应按设计图纸提前做好放线计划及示意图,发给各项施工负责人每人一份;(7)提前将架线请点要求及架线作业计划表提交给线路临管单位,将放线车组停放在临建车站,架线当天架线人员在封闭点前提前一个小时到达。
5.2 施工工艺 安装终端线夹:(1)放线前应事先将起锚端的终端锚固线夹安装好,为放线做好准备; (2)施工负责人填写施工记录,主要安装人员应在记录上签字,即实行质量责任制。
起锚:(1)接到线路封锁命令后,架线车组运行至起锚支柱位置停车;(2)架线作业人员人工转动线盘与绞盘,将线索端头已安装好的终端锚固线夹拉到补偿装置附近;(3)司机按程序操作,将立柱升到工作高度,同时将立柱滑轮托架落到最低位置;(4)架线车上2作业人员上作业平台组装绝缘子等起锚零件,旋转平台靠近锚柱补偿装置位置处。
起锚人员一人上杆,配合架线车上人员把小轮补偿绳递给架线车上人员,并检查补偿绳排列是否整齐,有无错槽现象;(5)架线车上人员应根据放线计划表看起锚是否穿线,如需穿线,则架线车停在需穿线位置然后穿线;(6)起锚人员将承力索终端锚固线夹和复合绝缘固定螺栓固定螺栓 两根50×50临时角钢架线车起锚 人工架设起锚子连接后与补偿绳连接;(7)作业车平台归位,起锚人员下杆,起锚完成。
承力索展放:(1)开始架线作业,平台上1人观察线条的走向,1人负责指挥司机操作; (2)向前运行至转换柱时停车。
1人负责扳正腕臂并在平腕臂端部悬挂滑轮,2人抬起承力索放入承力索支撑线夹处的滑轮内;为防止Φ4.0铁线套子在线索架设过程中磨损腕臂管,要求制作铁丝套时在腕臂一端套上胶皮套子或使用小绳悬吊滑轮。
(3)架线车离开转换柱后以3~5km/h 速度匀速前进,并在线盘处施加张力,采用小张力架设张力宜控制在1-3kN 。
采用恒张力架设宜控制在8kN ,人工架设不得使线索拖地,在每个腕臂处将承力索放置于滑轮内;(4)指挥人员与起锚人员随时联系,掌握起锚处的变化状况;(5)到达落锚柱前的转换柱并悬挂承力索后,对线盘张力加大,小张力架线加大至5-6kN ,恒张力架线加大至10kN ,架线车作业平台行至锚柱处停止展放,准备落锚。
落锚:(1)落锚前将作业台转向锚柱,并使架线车拨线柱整体倾向下锚侧(田野侧);(2)落锚人员在承力索适当位置安装紧线器、手板葫芦,用链条葫芦把补偿装置与承力索连接;(3)小张力或人工架设承力索落锚时先在转换柱与锚柱间安装紧线器和滑轮组,将承力索拉紧后,再在承力索适当位置安装紧线器、手板葫芦,用链条葫芦把补偿装置与承力索连接;(4)下锚人员开始摇动手板葫芦紧线,起、落锚人员观察坠砣串及b 值,当张力达到额定张力后,棘轮本体自动离开制动卡块,通知紧线人员停止紧线;(5)司机将架线车拨线立柱缓慢下落,线索脱离; (6)将紧线器向落锚方向的承力索端头拉起,与补偿装置连接的复合绝缘子对位,量出断线位置(在起锚、落锚坠砣高度按图6或下页参考资料调节,符合设计要求的情况下);(7)断线后,严格按照《承力索双耳楔形终端锚固线夹安装》要求,安装终端锚固线夹;(8)将承力索终端锚固线夹与落锚补偿装置的复合绝缘子连接牢靠;人工架设承力索落锚先使用滑轮组图7 架线车承力索落锚图(9)缓慢放松手板葫芦后,拆除手板葫芦和紧线器,作业平台归位,完成落锚;(10)架线人员将剩余线头收回线盘并临时固定;(11)如封闭时间还可架线,施工负责人指挥架线人员吊装线盘,重复上述程序架设另一锚段。
结束:(1)架线车液压装置复位,作业台落到最低位,并把作业台回转锁定销放到锁定位;(2)架线车回返,检查全锚段承力索悬挂状况,人员机具、材料全部撤除施工现场,检查无问题后,架线车在封闭点内返回车站;(3)施工负责人填写施工记录。
6 劳动组织6.1 劳动力组织方式接触网架线作业组组织模式。
6.2人员配置表每个作业组配置表如下:序号项目单位数量备注1 组长人 1 负责架线全过程的全面指挥工作2 副组长人 1 由作业队技术人员担任3 起锚人员人 24 落锚人员人 25 作业人员人 46 司助人员人 3 架线车2人,吊车1人7 防护人员人 3 车站1人,现场2人7 材料要求序号名称规格单位数量备注1 承力索CTMH120/CTMH95/km 若干与锚段相配套2 承力索终端线夹设计型号套若干每锚段2套3 复合绝缘子设计型号套若干8 工机具配置每个作业组工机具配置表序号名称规格单位数量备注1 恒张力放线车组 12 平板车辆1装备用线盘3 轨道吊车辆 1 吊线盘用4 放线滑轮闭口个160 采用尼龙滑轮5 断线钳弧口把 1 落锚用6 手扳葫芦3t 个 1 落锚用7 铁线套子个160 挂放线滑轮8 紧线器套 1 夹承力索用9 紧线器套 2 夹补偿绳用10 棕绳Ф12×10m 条 2 传递线条用11 棕绳Ф20×15m 条 2 起、落锚各1条12 棕绳Ф20×50m 条 2 张力盘上引导线条用13 安全帽顶若干每人一顶14 安全带条 215 脚扣套 2起落锚各1套,型号根据杆型定16 防护用具套各3 防护及行车指挥用17 温度计摄氏个 2 起落锚各118 钢丝套个 4 临时固定坠砣用19 工具袋个 220 电工工具套若干每人一套21 喇叭或口笛个 222 报话机台 423 钢卷尺5m 把 3 起落锚各1,作业车上124 长钩子3m 个 1 钩正腕臂用25 棉纱Kg 若干打回头26 开口扳手把 2起、落锚用安装终端锚固线夹用27 6T大滑轮套 1 下锚用28 滑轮组套 19 质量控制及检验9.1质量控制(1)检查落锚支柱向拉线的倾斜率是否符合10~15mm/m,拉线是否已经受力;(2)按设计要求和验收标准检查材料质量;(3)复线曲线处加固应根据曲线半径和承力索的张力计算垂直张力大于水平张力时,方可采取加固措施;(4)承力索下锚终端线夹安装严格执行《承力索终端锚固线夹安装(拆卸)》作业指导书的要求,确保一次安装到位达标;(5)放线宜采用恒张力架线车,行驶速度3~5km/h,承力索架线张力为8kN;(6)架线前坠砣宜固定在一定高度,起锚侧棘轮宜绑死,中锚安装后再松开;(7)坠砣杆的焊口方向与坠砣串的开口方向交错角为90度角,坠砣重量标示应位于线路侧。
9.2质量检验(1)安装前将线夹拆开,并确认终端锚固线夹是否使用过二次,安装前事先加贴一永久标记(如刻一凹槽,确认不了不得使用,并作出标记隔离存放);(2)线材运达现场应进行检查,承力索质量应符合铁道行业现行标准《电气化铁道用铜及铜合金绞线》(TB/T 3111)的规定,且不得有腐蚀、断股、交叉、折叠、硬弯、松散等缺陷;如有缺陷应按规定进行处理。
承力索的规格、型号应符合设计要求。
10 安全及环保要求(1)为保证施工的安全,现场应有专人统一指挥,并设两名防护员负责现场安全工作;(2)坚持班前进行安全教育制度,要有针对性安全技术交底;(3)登高作业应系好安全带,以防坠落;(4)上、下传递工具材料应用小绳、工具袋,严禁抛扔;(5)作业人员均应戴安全帽,以防工具、材料坠落伤人;(6)紧线器安装要牢固可靠;(7)恒张力架线车司机应严格执行《CEM100.121恒张力架线车安全技术操作规程》;(8)多家施工单位交叉施工时,必须提前制定好安全防范措施,施工过程中做好安全防护工作;。