徐工QY50K型汽车吊起重性能表 (2)
- 格式:doc
- 大小:70.50 KB
- 文档页数:2
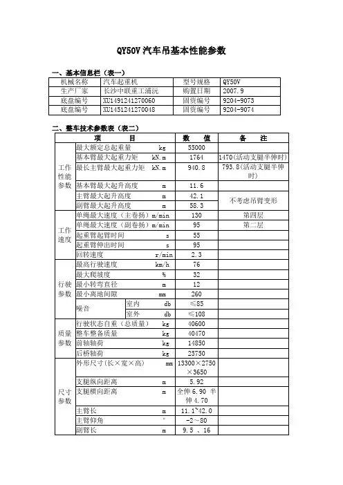
QY50V汽车吊基本性能参数
三、吊机外形尺寸图
四、额定起重量表
1.说明:
1)以上作业工况分别为支腿全伸和半伸,不允许在不打支腿的情况下吊重。
2)打好第五支腿,表中数值适用于360º全方位作业。
3)表内所列数值是起重机在各种工况和规定的使用条件下所允许的总起重量,即额
定总起重量,额定总起重量包括吊钩重量(主吊钩510kg ,副吊钩120kg)和其它取物装置重量。
4)表中所指幅度值是指吊重后吊钩中心至回转中心间的水平距离。
5)当实际臂长和工作幅度在两数值之间时,应按较大臂长和幅度值确定起重量。
例:当活动支腿全伸时,实际主臂长为18m,工作幅度为4.8m时,应按额定起重量表中主臂长18.8m,工作幅度5.0m所对应的数值确定总起重量(29000kg)。
6)在副臂伸出的情况下使用主臂作业时,额定起重量不仅要扣除吊具重量,还要另
外扣除2000kg。
7)当使用臂端单滑轮作业时,最大额定总起重量为4500kg,但根据实际作业工况在
额定起重量表中查出的额定总起重量小于4500 kg时,则应按额定起重量表所规定的值作业。
例:当支腿半伸时,实际主臂长为24.6m,工作幅度为6.5m时,额定总起重量为4500kg;当支腿半伸时,实际主臂长为30.4m,工作幅度为14m时,则额定总起重量为表中相对应的值(3500kg)。
8)额定总起重量,随作业区域、吊臂长度等作业条件不同而有所变化。
9)当主臂全伸用副臂作业时,主臂仰角不得小于50°。
五、起升高度曲线图。
徐工 50吨吊车(QY50K-Ⅱ) 参数
型号:QY50K-Ⅱ
整机尺寸:长×宽×高:13.750×2.8×3.52米(m)
轴距:mm
工作重量:0吨(t)
总配重:0吨(t)
最大行驶速度:80km/h
最小转弯半径:12米(m)
最大爬坡度:40%
接近角/离去角:17/11度(°)
最小离地间隙:291mm
额定起重量:50吨(t)
额定起重力矩:1764KN.m
额定起重力矩全伸臂:0KN.m
最小工作幅度:3米(m)
最大起升高度-基本臂:0米(m)
最大起升高度-全伸臂:0米(m)
最大起升高度-基本臂+副臂:0米(m)
起重臂截面:
起重臂长度-基本臂:11.3米(m)
起重臂长度-全伸臂:42.7米(m)
起重臂长度-基本臂+副臂:57.7米(m)
副起重臂长度:15米(m)
副起重臂安装角度:0度(°)
底盘型号:
发动机型号:WD615.334(国III)
额定功率:247kw
额定功率转速:2200rpm
起重机发动机:
起重机额定功率:kw
主卷扬最大起升速度:0m/min
副卷扬最大起升速度:0m/min
起重臂全伸时间:180秒(s) 起重臂全起/落时间:88秒(s)
起重臂仰角范围:度(°)
回转速度:2r/min
支腿跨距:纵向×横向: 5.91×6.9米(m)。
徐工50吨吊车(QY50K-II)参数
型号:QY50K-I
整机尺寸:长X宽X高:13.750 X2.8 X3.52米(m)
轴距:mm
工作重量:0 吨(t)
总配重:0 吨(t)
最大行驶速度:80km/h
最小转弯半径:12 米(m)
最大爬坡度:40%
接近角/离去角:17/11 度(°)
最小离地间隙:291mm
额定起重量:50 吨(t)
额定起重力矩:1764KN.m
额定起重力矩全伸臂:0KN.m
最小工作幅度: 3 米(m)
最大起升高度-基本臂:0 米(m)
最大起升高度-全伸臂:0 米(m)
最大起升高度-基本臂+副臂:0 米(m)
起重臂截面:
起重臂长度-基本臂:11.3 米(m)
起重臂长度-全伸臂:42.7 米(m)
起重臂长度-基本臂+副臂:57.7 米(m)
副起重臂长度:15米(m)
副起重臂安装角度:0度(°)
底盘型号:
发动机型号:WD615.334(国III)
额定功率:247kw
额定功率转速:2200rpm
起重机发动机:
起重机额定功率:kw
主卷扬最大起升速度:Om/min
副卷扬最大起升速度:Om/min
起重臂全伸时间:180 秒(s) 起重臂全起/落时间:88 秒(s)
起重臂仰角范围:度(°)
回转速度:2r/min
支腿跨距:纵向X横向: 5.91 X6.9米(m)。
徐⼯QYK汽车起重机主臂起重性能表
表1、表2的说明:
※表中所列重量是在平整坚固的地⾯上本机所能保证的最⼤重量,严禁超过其重量作业
※表中所列额定起重量包括吊钩和吊具的重量
※表中的⼯作的幅度是包括吊臂的变形量在的内的实际值
※臂端单滑轮的起重性能同⽶副臂0°安装⾓时的起重性能(按主臂仰⾓)
※除全伸⽀腿基本臂⼯框外,即使空载,也不要使吊臂的仰⾓处于以下各⼯况表中所给出的范围以外,以防起重机倾翻※允许起重机在不⼤于7级风的情况下作业
徐⼯QY100K汽车起重机主臂起重性能表 ( 表1-1 )
单位:吨
徐⼯QY100K汽车起重机主臂起重性能表 ( 表1-2 )单位:吨
徐⼯QY100K汽车起重机主臂起重性能表 ( 表1-3 )单位:吨
徐⼯QY100K汽车起重机主臂起重性能表 ( 表1-4 )单位:吨
徐⼯QY100K汽车起重机副臂起重性能表(表 2-1 )单位:吨
徐⼯QY100K汽车起重机副臂起重性能表(表 2-2 )单位:吨
徐⼯QY100K汽车起重机副臂起重性能表(表 2-3 )单位:吨
表1、表2的说明:
※表中所列重量是在平整坚固的地⾯上本机所能保证的最⼤重量,严禁超过其重量作业
※表中所列额定起重量包括吊钩和吊具的重量
※表中的⼯作的幅度是包括吊臂的变形量在的内的实际值
※臂端单滑轮的起重性能同⽶副臂0°安装⾓时的起重性能(按主臂仰⾓)
※除全伸⽀腿基本臂⼯框外,即使空载,也不要使吊臂的仰⾓处于以上各⼯况表中所给出的范围以外,以防起重机倾翻※允许起重机在不⼤于7级风的情况下作业。
QYK起重机起重性能表Ⅰ汽车起重机主臂起重性能表(支腿全伸)汽车起重机主臂起重性能表(支腿半伸4.34m)对以上表中起重量的说2、表中额定总起重量包括吊钩和吊具的重量;3、表中的工作幅度为起吊重物离地时的幅度,是包括吊臂变形量在内的1、表中额定总起重量值,是在平整的坚固地面上本起重机能够保2、表中额定总起重量包括吊钩和吊具的重量;3、表中的工作幅度为起吊重物离地时的幅度,是包括吊臂变形量在内的量;4、只允许在7级风以下进行作业;5、表中的主臂仰角和起升高度为参考值,作业时应以工作幅为准;6、360°全回转前必须支好第五支腿,否则不允许在前方作业;7、端臂滑轮的性能与主臂性能相同,但最大起重量不得超过2800Kg;8、当吊臂长度和工作幅度与表中不相同时,应取下一个吊臂长度和工作9、当副臂处于作业状态而使用主臂吊重时,主臂额定起重量至少应减少10、作业前,必须全伸二节臂后再伸三、四、五节臂,全缩三、四、五节11、主、副卷扬的最大单绳拉力为28000N。
主卷扬钢丝绳长度为165米,12、最大支腿反力为:300000N;13、应按主臂仰角范围作业,即使是空载,也不应使吊臂仰角处于范围外14、表中的单位,工作幅度:m,起重量:Kg,起升高度:m,仰角:°;业量的说明如下:包括吊臂变形量在内的实际值,因而起吊前应考虑吊臂变形能够保证的最大总起重量;包括吊臂变形量在内的实际值,因而起吊前应考虑吊臂变形应以工作幅为准;在前方作业;量不得超过2800Kg;下一个吊臂长度和工作幅度进行作业;额定起重量至少应减少400Kg;臂,全缩三、四、五节臂后再缩二节臂;钢丝绳长度为165米,副卷扬为105米;使吊臂仰角处于范围外,谨防整机倾翻;升高度:m,仰角:°;。
徐工QY50K型汽车吊起重性能表基本臂10.70m 中长臂18.05m中长臂25.40m中长臂32.75m全伸臂缩40.10m起重量(T)升起高度(m)起重量(T)升起高度(m)起重量(T)升起高度(m)起重量(T)升起高度(m)起重量(T)升起高度(m)35010.753.545.310.513018.37441.510.232718.224.538.39.9125.518.051825.70535.59.5624.717.871825.575.530.39.1622.817.6716.725.44625.68.712117.4515.925.2910.832.90719.27.591816.9614.424.961032.65815 6.0614.616.3913.124.589.332.36739.97 912.1 3.3911.815.731224.168.632.04 6.539.72 109.514.9710.623.687.531.69 5.739.4312 6.813.057.722.55 6.630.87538.7814 4.810.35 5.821.17 5.829.88 4.538.0116 3.4 5.65 4.419.47 4.828.72 3.937.1118 3.317.35 3.827.35 3.336.0720 2.514.62325.75 2.934.8922 1.810.78 2.323.87 2.633.531.821.622.131.993.118.87 1.630.2415.34 1.228.220.925.88倍率128543吊钩重量515kg主臂最小仰角16.36°17.02°24.11°34.21°39.28°注:对表中起重量的说明:(1)表中额定起重量所表示的数值,是在平整的坚固地面上本起重机能够保证的最大起重量。
表1、表2的说明:
※表中所列重量是在平整坚固的地面上本机所能保证的最大重量,严禁超过其重量作业
※表中所列额定起重量包括吊钩和吊具的重量
※表中的工作的幅度是包括吊臂的变形量在的内的实际值
※臂端单滑轮的起重性能同10.6米副臂0°安装角时的起重性能(按主臂仰角)※除全伸支腿基本臂工框外,即使空载,也不要使吊臂的仰角处于以下各工况表中所给出的范围以外,以防起重机倾翻
※允许起重机在不大于7级风的情况下作业
徐工QY100K汽车起重机主臂起重性能表 ( 表 1-1 )
单位:吨
徐工QY100K 汽车起重机主臂起重性能表 ( 表 1-2 )
单位:吨
徐工QY100K汽车起重机主臂起重性能表 ( 表 1-3 ) 单位:吨
徐工QY100K汽车起重机主臂起重性能表 ( 表 1-4 ) 单位:吨
单位:吨
徐工QY100K 汽车起重机副臂起重性能表 ( 表 2-2 )
单位:吨
徐工QY100K汽车起重机副臂起重性能表(表 2-3 )
单位:吨
表1、表2的说明:
※表中所列重量是在平整坚固的地面上本机所能保证的最大重量,严禁超过其重
量作业
※表中所列额定起重量包括吊钩和吊具的重量
※表中的工作的幅度是包括吊臂的变形量在的内的实际值
※臂端单滑轮的起重性能同10.6米副臂0°安装角时的起重性能(按主臂仰角)※除全伸支腿基本臂工框外,即使空载,也不要使吊臂的仰角处于以上各工况表中所给出的范围以外,以防起重机倾翻
※允许起重机在不大于7级风的情况下作业。