焊缝外观要求
- 格式:ppt
- 大小:18.75 MB
- 文档页数:4
焊缝外观检查和实测记录
1. 焊缝形貌,焊缝应该呈现出均匀、平整的外观,焊接表面不
应有凹凸不平、气孔、夹渣等缺陷。
2. 焊接尺寸,焊缝的宽度、高度等尺寸应符合设计要求,需要
进行实际测量并记录。
3. 焊接变形,焊接过程中可能会产生变形,需要检查焊接变形
情况,确保在允许范围内。
在实测记录方面,我们需要详细记录以下内容:
1. 焊接工艺规程,记录所采用的焊接工艺规程,包括焊接方法、焊接参数、焊接材料等信息。
2. 焊接人员,记录参与焊接的人员信息,包括焊工姓名、操作
证号等。
3. 焊接设备,记录使用的焊接设备型号、编号、检定情况等信息。
4. 检验工具,记录用于检验的工具和仪器,包括焊缝检测仪、
焊缝测量工具等。
5. 检验结果,详细记录焊缝外观检查的结果,包括发现的缺陷、尺寸测量结果等。
6. 处理措施,如果发现了焊缝质量问题,需要记录相应的处理
措施,以及处理后的检验结果。
总之,焊缝外观检查和实测记录需要全面、详细地记录焊接过
程中的各项信息,以确保焊接质量符合要求并留下可追溯的记录。
焊接外观检验标准有哪些
要实施焊接外观检验,必须遵循钣金物件的焊接外观检验标准,它主要包括以下几条:
一、普通焊接:
1、焊缝表面多层焊晶、气孔,棱角打磨达到光滑,无明显折折未焊熔接处。
2、焊缝外形符合焊接技术卡的要求,焊缝宽度正确,低于1.5mm 的焊缝宽度,夹角≤90°,等腰三角形折边角重叠夹角≤45°。
3、熔接表面应无改变厚度,有较强的弹性,完全没有焊熔区。
4、表面应无漏焊、飞溅、滴溅、不良气泡、碳渍和其它缺陷。
5、焊接测试应达到规定的实质要求。
二、特殊焊接:
1、焊缝表面多层焊晶、气孔,棱角打磨达到光滑,无明显折折未焊熔接处。
2、钢板焊接处应无改变厚度,圆角外径和直线宽度符合设计要求。
3、表面应无漏焊、飞溅、滴溅、不良气泡、碳渍和其它缺陷。
4、填充熔焊处,完全无改变厚度,无焊熔区,且表面平滑、有光泽。
5、焊接测试应达到规定的实质要求。
- 1 -。
三级焊缝验收标准一、焊缝外观质量要求:1.对于金属表面有严重气孔、脆瘤、炸孔、缺边等缺陷,或者缺陷直径或深度大于规定值的,焊缝为不合格。
2.焊缝应无裂纹,一般重要焊缝不得有终止性裂纹。
3.焊缝的误焊、/漏焊不得拒收,但应有明显的修补迹象。
4.焊缝应平整、均匀、无溅渣,没有突出的犁沟、歪斜、等缺陷。
二、焊缝尺寸与形状要求:1.焊缝形状应符合设计要求,焊缝宽度应符合规定。
2.焊缝高度应符合要求,如高度过大或过小均为不合格。
3.间隙缺口、钝边和焊缝凹陷过大都为不合格。
三、焊缝强度和材质要求:1.焊缝连接强度应满足设计要求,并且不得低于相关标准规定。
2.焊缝材料的化学成分应符合规定的要求,有严重偏离的都视为不合格。
四、焊缝工艺要求:1.焊缝的工艺参数应符合相关标准的要求。
2.焊缝的熔合情况应符合相关标准的要求。
3.焊缝的热影响区应符合相关标准的要求,不得超过规定的范围。
五、焊缝无损检测要求:1.焊缝应按照设计要求和相关标准进行无损检测。
2.焊缝无损检测应符合相关标准的要求,合格率应达到规定的要求。
六、焊缝的环境和安全要求:1.焊缝作业环境应符合相关标准的要求,确保焊接安全。
2.焊缝工作人员应持证上岗,具备一定的焊接技能。
七、焊缝的记录和档案要求:1.焊缝的施焊记录应完整、准确,记录内容包括焊接参数、焊缝质量、焊接过程中的异常情况等。
2.焊缝的检验记录应完整、准确,包括验收结果、所采取的措施等。
3.焊缝的档案资料应保存完整,方便后续查阅和管理。
总之,三级焊缝验收标准是对焊缝外观质量、尺寸和形状、强度和材质、工艺、无损检测、环境和安全以及记录和档案进行评定和验收的标准。
只有符合标准要求的焊缝才能被认可为合格,否则都为不合格。
这些标准的制定和执行,能够保证焊缝的质量和安全性,提高工程项目的可靠性和耐久性。
焊缝外观质量检验标准
①焊缝外观应完整、均匀,无滞后、穿凿、错距、吊滑、黏滞、星型、虚焊、折皱及毛刺等不良缺陷;
②焊缝焊接头应连接紧密、并行度、轴向度要求符合设计规定;
③焊缝焊接头涂盖层厚度、起皱、收缩、鼓包要求符合规定;
④焊缝两端空隙和原定位关系要符合规定;
⑤焊缝两端空隙和原定位关系要符合规定;
⑥有焊缝的地方,外观是平整的,无毛病,检查无发现焊渣、气孔、
毛刺等不良现象;
⑦焊缝的表面无发黑、变色、氧化及烧伤、蚀孔等现象;
⑧对不锈钢的焊缝,要求表面颜色均匀、光滑,无杂质、氧化物或其
他现象;
⑨焊缝上要求无刮伤、脱落、腐蚀或其他破坏痕迹;
⑩飞溅、堆滞痕迹要求最少;。
一级焊缝外观质量要求
一级焊缝应进行100%的检验,其合格等级应为现行国家标准《钢焊缝手工超声波探伤方法及质量分级法》(GB 11345)B 级检验的Ⅱ级及Ⅱ级以上,焊缝质量标准从以下几个方面介绍。
一、保证项目
1、焊接材料应符合设计要求和有关标准的规定,应检查质量证明书及烘焙记录。
2、焊工必须经考试合格,检查焊工相应施焊条件的合格证及考核日期。
3、Ⅰ、Ⅱ级焊缝必须经探伤检验,并应符合设计要求和施工及验收规范的规定,检查焊缝探伤报告。
4、焊缝表面Ⅰ、Ⅱ级焊缝不得有裂纹、焊瘤、烧穿、弧坑等缺陷。
Ⅱ级焊缝不得有表面气孔、夹渣、弧坑、裂纹、电弧擦伤等缺陷,且Ⅰ级焊缝不得有咬边、未焊满等缺陷。
二、基本项目
1、焊缝外观:焊缝外形均匀,焊道与焊道、焊道与基本金属之间过渡平滑,焊渣和飞溅物清除干净。
2、表面气孔:Ⅰ、Ⅱ级焊缝不允许;Ⅲ级焊缝每50mm 长度焊缝内允许直径≤0.4t;且≤3mm 气孔2 个;气孔间距≤6 倍孔径。
3、咬边:Ⅰ级焊缝不允许。
Ⅱ级焊缝:咬边深度≤0.05t,且≤0.5mm,连续长度≤100mm,且两侧
咬边总长≤10%焊缝长度。
Ⅲ级焊缝:咬边深度≤0.lt,且≤lmm。
注:t 为连接处较薄的板厚。
焊缝等级标准
一、外观质量
焊缝的外观质量应符合以下要求:
焊缝应整齐、均匀、美观,不得有明显的缺陷,如气孔、夹渣、咬边、裂纹等。
焊缝的高度和宽度应符合设计要求,焊缝的余高不应过高或过低,一般为0~3mm。
焊缝的表面应无焊渣、飞溅物等杂质,焊缝周围的母材应平滑过渡,不得有明显的过渡台阶。
二、内部质量
焊缝的内部质量应符合以下要求:
焊缝内部不得有气孔、夹渣、未熔合等缺陷,这些缺陷会影响焊缝的承载能力和使用寿命。
焊缝的深度应符合设计要求,焊缝的熔深应控制在合理的范围内,以保证焊接接头的强度和稳定性。
焊缝的内部质量应采用无损检测方法进行检测,例如射线检测、超声检测等,以确保焊缝的质量符合要求。
三、力学性能
焊缝的力学性能应符合以下要求:
焊接接头的抗拉强度、屈服点和延伸率等指标应符合相关标准和设计要求。
焊接接头的冲击功和冲击韧性应不低于母材的力学性
能,以保证焊接接头在使用过程中不会因受到冲击而发生脆断。
焊接接头的疲劳强度和持久强度等指标应符合相关标准和设计要求,以保证焊接接头在使用过程中不会因长期承受载荷而发生疲劳断裂。
四、焊接工艺
焊缝的焊接工艺应符合以下要求:
焊接方法应根据母材的材质、厚度、接头形式和焊接位置等因素进行选择,以保证焊接质量和效率。
焊接参数应根据焊接方法、母材的材质和厚度等因素进行选择,以保证焊接接头的质量和稳定性。
焊缝外观检查标准外观检验不仅是对产品最终焊缝外观寸和表面质量的检验,对产品焊接过程中的每一道焊缝也应进行外观检验,如厚壁焊件进行多层焊时,为防止前道焊道的缺陷带到了下一道,每焊完一道焊道便需进行外观检验。
焊缝外观检验分为:目视检验和尺寸检验一、焊缝的目视检验(一)目视检验的方法采用直接目视检验。
焊缝外形应均匀,焊道与焊道及焊道与基本金属之间应平滑过渡。
目视检验也称近距离目视检验,是用眼睛直接观察和分辨缺陷的形貌。
在检验过程中可采用适当的照明设施,利用反光镜调节照射角度和观察角度,或借助低倍放大镜观察。
(二)目视检验的程序应对焊接结构的所有可见焊缝进行目视检验。
(三)目视检验的项目焊接结束后,及时清理焊渣和飞溅,打磨焊道后,按下表中的项目进行检验。
目视检验若发现有裂纹、夹渣、气孔、焊瘤、咬边等不允许存在的缺陷,应清除、补焊、修磨,使焊缝表面质量符合要求。
二、焊缝外形尺寸的检验焊缝外形尺寸的检验是按图样标注尺寸或技术标准规定的尺寸对实物进行测量检验。
通常在目视检验的基础上,选择焊缝尺寸正常部位、尺寸变化的过渡部位和尺寸异常变化的部位进行测量检查,然后相互比较,找出焊缝外形尺寸变化的规律,与标准规定的尺寸对比,从而判断焊缝的外形尺寸是否符合要求。
(一)对接焊缝外形尺寸的检验对接焊缝的外形尺寸包括:焊缝的余高h、焊缝宽度c、焊缝边缘直线度f、焊缝宽度差和焊缝表面凹凸度。
焊缝的余高,焊缝宽度是重点检验的外形尺寸。
1、JB/T7949-1999《钢结构焊缝外形尺寸》就对接焊缝余高、焊缝宽度作如下规定:I形坡口对接焊缝,其焊缝宽度c=b+2a及余高应符合表二中I形焊缝的规定。
非I形坡口对接焊缝尺寸I形坡口对接焊缝尺寸非I形坡口对接焊缝,其焊缝宽度c=g+2a及余高应符合表二中非I形焊缝的规定。
焊接方法焊缝形式焊缝宽度c焊缝余高C(最小) C(最大)焊条电弧焊及气体保护焊I形焊缝b+4 b+8 平焊:0~3其余:0~4 非I形焊缝g+4 g+8对接焊缝余高和宽度的测量方法如下图:a)测较小焊缝余高b)测较大的焊缝余高c)测焊缝宽度2、焊缝边缘直线度在任意300mm连续焊缝长度内,焊缝边缘沿焊缝轴向的直线度,应符合下表中的规定。
焊缝外观质量检验报告细则一、引言焊接作为常见的金属连接工艺,在工业生产中得到广泛应用。
焊接质量的好坏直接关系到产品的性能和安全性。
因此,对焊缝的外观质量进行检验是确保产品质量的一个重要环节。
本文档旨在说明焊缝外观质量检验的细则。
二、检验目的焊缝外观质量检验的目的是通过对焊缝的外观特征进行观察和评估,判断焊接工艺是否正确、焊接质量是否合格,从而确保焊接产品的性能和安全性。
三、检验要求1.焊缝外观应清晰可见,无遮挡物、附着物或污渍。
2.焊缝表面应光滑平整,无明显的凹陷、凸起、裂缝、麻面和气孔等缺陷。
3.焊缝的色泽应均匀一致,与母材色泽相符。
4.焊缝应符合所用焊接方法和材料对焊缝形态的要求,如坡口的形状、焊缝的宽度和高度等。
5.焊缝的边缘应清晰锐利,无毛刺、脱口、未熔合和浸入等缺陷。
6.焊缝的连接部位应紧密结合,无明显的裂纹和间隙。
四、检验步骤1. 准备工作a. 确保检验现场的清洁、整洁,避免有影响检验的灰尘和杂物。
b. 准备焊接工艺规范和焊接材料规格等相关文件。
c. 准备所需的焊接产品样品和相关检测仪器设备。
2. 观察焊缝外观a. 对焊缝进行全面的观察,包括焊缝的形状、宽度、高度、边缘和表面特征等。
b. 注意观察焊缝的颜色和明暗程度是否一致,与母材相符。
c. 注意观察焊缝的表面是否光滑平整,无明显的缺陷和污渍。
d. 焊缝外观检查可以使用裸眼观察,也可以借助显微镜等仪器设备进行放大观察。
3. 评估焊缝质量a. 根据焊缝的外观特征,结合焊接工艺规范和焊接材料规格,评估焊缝的质量。
b. 根据质量评估结果,判断焊缝是否合格,并记录评估结果。
4. 编写检验报告a. 将检验结果整理成报告,包括焊缝的外观特征、评估结果和检验过程等内容。
b. 根据需要,可以对焊缝的问题或不足之处提出改进意见和建议。
五、总结焊缝外观质量检验是确保焊接产品质量和安全性的重要手段。
通过详细的检验细则和严格的检验步骤,可以有效判断焊缝的外观质量是否合格,并及时发现和解决问题。
焊接外观检验标准有哪些
一、外观检验标准
1、热焊接是按电气焊接和金属接合技术。
焊接的外观必须符合图纸和技术要求。
2、焊缝外观应清晰,表面光洁,焊缝颜色一致,无气泡和气孔。
3、熔池应清晰,宽度均匀,熔池内无夹渣,芯条无渗漏。
4、焊缝内外四角抛光处理平直,焊接面积清晰,焊缝细节清晰。
5、焊缝中心线与设计线重合,两侧抛光处理完备。
二、焊接外观检验手段
1、室内检验:检查熔池形状、焊缝外观、焊缝细节是否一致。
2、模具检验:在模具上制作模型,检验焊缝外观是否满足图纸要求。
3、X光检查:X光检查可以检测焊缝缝口的完整性和焊缝内的缺陷,如气孔、裂纹和气泡等。
4、磁粉检查:磁粉检查可以检测焊缝外观和焊缝内的裂纹、脆性断裂和破损等。
5、熔敷检查:熔敷检查可以用以检测焊缝外观是否满足图纸要求,检查焊缝的宽度和厚度;还可以检查焊缝内部是否存在空洞和不完整的焊缝。
- 1 -。
焊缝外观质量检验标准焊缝外观质量检验标准是对焊接工艺的质量进行评估的重要指标。
焊接是一种常见的连接工艺,广泛应用于各种工业领域。
焊接的质量直接影响到产品的使用寿命和安全性,因此,对焊接质量的检验至关重要。
首先,焊缝的外观应该符合标准。
焊缝应该没有裂缝、气孔、夹渣等明显的缺陷。
同时,焊缝的表面应该平整光滑,没有明显的凸起或凹陷。
如果发现这些问题,应该及时进行修补或重新焊接。
其次,焊接应该符合规定的尺寸和形状。
焊缝的宽度、高度、倾斜度等应该符合设计要求。
如果焊缝的尺寸和形状不符合要求,可能会导致焊缝强度不足或者出现应力集中等问题。
另外,焊缝的颜色也是判断焊接质量的一个重要指标。
通常情况下,焊缝的颜色应该均匀一致,没有明显的色差。
如果发现焊缝的颜色不均匀或者出现色差,可能是焊接过程中温度控制不当或者焊接材料不合适。
综上所述,焊缝外观质量检验标准是对焊接质量进行评估的重要指标。
在焊接过程中,应该严格按照标准进行检验,及时发现和处理问题,保证焊接质量。
目录I。
前言II。
焊缝外观质量检验标准3.1 范围3.2 引用文件3.3 术语和定义3.3.1 可视面3.3.2 非可视面3.4 符号5.1 焊缝分类5.2 焊缝质量等级5.3 图样标记6.焊缝外观质量检验规则6.1 检验方法6.2 抽检要求6.3 检验比例7.焊缝外观质量检验项目和要求前言:本文旨在规范焊缝外观质量检验标准,以确保焊接件的质量符合要求。
焊缝外观质量检验标准:3.1 范围:本标准适用于所有焊接件的外观质量检验。
3.2 引用文件:本标准引用的文件包括相关的国家标准和行业标准。
3.3 术语和定义:3.3.1 可视面:指焊接件的外观可以直接观察到的部分。
3.3.2 非可视面:指焊接件的外观无法直接观察到的部分。
3.4 符号:本标准中使用的符号均按照相关标准规定执行。
焊缝分类及质量等级:5.1 焊缝分类:根据焊接件的形状和用途,将焊缝分为对接焊缝和角接焊缝。
焊缝外观质量检验标准
1.表观检验:焊接接头的表面应平整、光滑,无边角裂纹、麻面、焊
脚凸起等缺陷。
焊缝与母材之间应无间隙,焊道应一致,无夹杂物、气孔
等缺陷。
2.焊缝几何尺寸:对于直线焊缝,应符合设计要求,如宽度、高度等。
对于曲线焊缝,应确保连续性和一致性。
焊缝的尺寸应符合设计要求。
3.气孔和夹杂物:焊缝中的气孔、夹杂物对焊接接头的力学性能和可
靠性有很大的影响。
焊缝外观检验应注意检查气孔和夹杂物数量、大小和
分布情况,并与标准要求进行比较。
4.焊缝形貌:焊缝的形貌分为等级A、B、C三个等级,其中等级A是
最高等级,表明焊缝形貌完美;等级C为最低等级,表明焊缝形貌不合格。
焊缝形貌的评价标准通常包括焊腔、修整和隐蔽性等方面。
除了以上几个方面,焊缝外观质量检验还应根据具体应用中的特殊要求,如焊缝的耐腐蚀性能、密封性能等进行评估。
总之,焊缝外观质量检验标准是确保焊接接头质量的重要手段,通过
严格按照标准要求对焊接接头进行检验,可以保证焊接接头的力学性能和
使用寿命,提升焊接工艺的质量和可靠性。
ZJ/4004-2004焊接件外观检验指导书一、所有关键焊缝100%进行外观检查,检查内容如下:(一)、对接焊缝的外观要求1、焊缝表面必须无裂纹、未熔合、气孔;2、所有弧坑必须填焊至焊缝横截面饱满;3、焊缝表面必须与母材表面平齐,焊缝必须与母材平顺的熔合为一体,焊缝余高严禁超过3㎜。
4、焊缝表面允许有局部咬边但咬边深度不大于1㎜,在100㎜范围内,咬边的总累积长度不允许超过6㎜;(二)、角接焊缝的外观要求1、焊缝表面必须无裂纹、未融合、气孔;2、所有弧坑必须填焊至焊缝横截面饱满;3、焊缝表面允许有局部咬边但咬边深度不大于1㎜,在100㎜范围内,咬边的总累积长度不允许超过6㎜;4、角焊缝的凸度严禁超过3㎜;5、多层焊缝表面的焊道应平顺的熔合为一体;6、焊缝的焊接角高不低于焊接工艺规程的要求:焊角高度h≤10㎜,允差为+1mm;焊角高度10mm<h≤20㎜,允差为+1.5mm;焊角高度h>20㎜,允差为+2mm。
二、其它焊缝的外观要求1、焊缝表面必须无裂纹、未融合;2、所有弧坑必须填焊至焊缝横截面饱满;3、焊缝表面允许有局部咬边但咬边深度不大于1㎜,在60㎜范围内,咬边的总累积长度不允许超过6㎜;4、角焊缝的凸度严禁超过3㎜;5、多层焊缝表面的焊道应平顺的熔合为一体;6、在100㎜长焊缝范围内,直径2㎜的管状气孔不允许超过1个;在300㎜长焊缝范围内管状气孔直径的总积累量不允许超过10㎜。
7、焊缝的焊接角高不低于焊接工艺规程的要求:焊角高度h≤10㎜,允差为大于1mm;,或小于1.5㎜焊角高度10mm<h≤20㎜,允差为大于1.5mm;,,或小于2㎜焊角高度h>20㎜,允差为大于2mm。
,,或小于2.5㎜。
三、以上要求符合AWSD1.1.2002中4.8.1,5.24和6.9条中有关目检的规定。
编制:审核;批准:日期:。
焊缝外观质量检验标准
焊缝外观质量检验是焊接质量检验的重要组成部分,是对焊接件"看"的结果。
焊缝外观质量检验的目的是确保焊接件的外观质量满足设计要求,可以排除设计错误、生产工艺错误、焊接材料和焊接工艺引起的缺陷。
根据《焊接质量检验及检验级别》(GB/T 10507-2008)、《焊接质量检验规程》(JB/T 3482-2011)等,焊缝外观质量检验标准包括:一、焊缝形状及尺寸检验:检查焊缝形状及尺寸是否符合设计要求,包括焊缝长度、焊缝宽度、焊缝深度、焊缝角度、焊缝弦长度等。
二、焊缝表面质量检验:检查焊缝表面质量,包括焊缝边缘、焊缝表面、焊缝焊道等,要求表面焊缝完整、光洁,无明显可见缺陷。
三、焊缝缺陷检验:检查焊缝是否存在表面可见缺陷,如裂纹、气孔、熔池、气泡、毛刺、滑落等,焊缝表面缺陷大小和数量应符合要求。
四、焊缝对比度检验:检查焊缝对比度是否符合设计要求,即检查焊缝的深浅度、颜色是否相符,以确保焊缝的美观度。
以上是焊缝外观质量检验的标准,为了确保焊接件质量,在进行焊接质量检验时,应仔细检查焊缝外观质量,确保焊缝外观质量满足设计要求。
焊缝的外观检验要求和标准焊缝(英文名:weld)是焊件经焊接后所形成的结合部分。
焊缝一般可分为:平焊、角焊、单面焊和单面焊双面成形焊缝。
根据焊缝截面形式的不同,焊缝也可分为对接焊缝和角焊缝。
对接焊缝:未焊透的对接焊缝受力很小,有严重的应力集中,焊透的对接焊缝简称为对接焊缝。
角焊缝:连接板边缘不需要精整,板材无缝,焊缝金属直接填充在两个焊件形成的直角或斜角内。
焊缝外观检查可以指导焊工和焊接检验员保证整个工作和工程的焊接质量。
焊接外观检查项目1. 各种焊接缺陷现象咬边:由于焊接参数选择不当或者操作工艺不正确,焊趾的母材部位产生沟槽或者凹陷。
焊缝表面气孔:焊接时,熔池中的气泡在凝固时没有移除导致残留下,形成空穴,这就是气孔。
未熔合:熔焊时,焊道和木材之间(焊道与焊道之间),未完成熔化结合的部分,点焊时母材与母材之间没有完全熔化结合的部分。
未焊透:焊接时接头根部没有完全熔透的现象。
裂纹:在焊接应力和其他脆化因素的共同作用下,焊接接头局部区域金属原子的结合和分离被破坏,形成新的焊缝。
一般来说,它具有切口尖锐、纵横比大的特点。
未焊透:这是由于金属不足而在焊缝表面形成连续或间断的凹槽的情况。
焊瘤:在焊接过程中,熔化金属流淌到焊缝之外没有熔化的母材上,导致形成金属瘤。
烧穿:在焊接过程中,熔融金属从坡口背面流出,形成穿孔缺陷。
2. 各种焊缝形状缺陷现象焊缝成形差:熔焊时,液态焊缝金属冷凝后形成的焊缝外形叫焊缝成形,焊缝成型差简义上来说是焊缝外观上,焊缝高低、宽窄不一,焊缝波纹不整齐甚至没有等。
焊脚尺寸:角焊缝截面中画出的最大等腰三角形中,直角边的长度,缺陷是焊脚尺寸小于设计要求,焊脚尺寸不同。
余高超差:余高高于要求或低于母材。
漏焊:要求焊接的焊缝未焊,具体表现为焊缝整体未焊,焊缝部分整体未焊,弧坑未填,焊缝未焊满。
另外还有飞溅和电弧擦伤等焊缝形状缺陷现象。
3. 焊缝打磨每个人对焊缝的抛光都有共识。
打磨后的焊缝应符合检验标准,焊缝平滑过渡或与母材平滑过渡时,不应损伤母材。
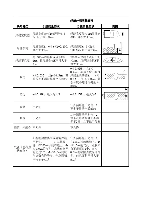
焊缝外观质量要求1..1 一、二级焊缝外观质量要求:1..1.1 对接焊缝要求略有余高,但最大余高不大于3mm,焊缝与母材之间要求平滑过渡,焊缝错边量<0.15t,且≤2mm。
1..1.2 一级焊缝不得存在未焊满、根部收缩、咬边和接头不良等缺陷,一级焊缝不得存在表面气孔、夹渣、裂纹和电弧擦伤等缺陷。
一级焊缝包括所有板拼梁、立柱、垂撑的翼板及腹板的对接焊缝。
不合格焊缝。
合格焊缝。
1..1.3 二级焊缝包括所有高度≥400mm的板拼梁、立柱、垂撑的翼板与腹板角焊缝,外表应整洁,均匀,不得有裂纹、表面夹渣、表面气孔、电弧擦伤、弧坑和熔穿等缺陷。
1..1.4 二级焊缝咬边深度≤0.05t 且≤0.5mm ,且每100mm 焊缝缺陷总长≤25mm ,且两侧咬边总长小于等于10%焊缝全长。
1..1.5 二级焊缝未焊满缺陷≤0.2+0.02t 且≤1mm ,且每100mm 焊缝缺陷总长≤25mm 。
1..1.6 二级焊缝根部收缩缺陷≤0.2+0.02t 且≤1mm ,长度不限。
1..2 三级焊缝外观质量要求:1..2.1焊缝表面为均匀的鳞状,无裂纹、未熔合及熔穿缺陷。
1..2.2 角焊缝尺寸不大于1mm,且总长度不超过焊缝总长10%,有效高度a≥0.6K,两焊脚尺寸均等,偏差不超过3mm。
1..2.3 每50mm焊缝内气孔缺陷不超过2个,且气孔直径≤3mm,气孔间距大于20mm。
1..2.4 根部收缩≤0.2+0.04t且≤2mm,长度不限。
1..2.5 咬边深度≤0.1t且≤1mm,长度不限。
1..2.6 单条焊缝允许存在1个弧坑裂纹,弧坑裂纹长度≤5mm。
1..2.7 接头不良缺陷深度≤1mm,且每3米内不超过1处。
1..2.8 每条焊缝电弧擦伤的缺陷不得超过2处。
1..3焊接结束后,必须清除毛刺、•焊瘤、飞溅和熔渣。
对焊接完毕或终止焊接时间较长的焊件,应及时清除焊件上的焊渣,残余焊剂个金属飞溅物,以便对于焊缝的目视检查和无损探伤,防止焊渣和残留焊剂腐蚀焊件,避免焊件在使用中焊渣和金属飞溅物脱落而造成不良后果。