钢结构焊缝外观检验标准
- 格式:doc
- 大小:183.50 KB
- 文档页数:7
钢结构焊缝检验标准钢结构焊缝检验是钢结构工程中非常重要的一环,其质量直接关系到工程的安全和稳定性。
在进行焊缝检验时,需要严格按照相关标准进行操作,以确保焊缝的质量达到要求。
本文将介绍钢结构焊缝检验的标准及相关内容,希望能对相关从业人员有所帮助。
首先,钢结构焊缝检验应符合国家标准《钢结构焊接质量评定标准》(GB 50661-2011)的要求。
该标准规定了焊接工艺评定、焊接工艺试验、焊接质量评定等内容,对焊缝的检验方法和要求进行了详细的规定,是进行钢结构焊缝检验的重要依据。
其次,焊缝的外观检验是焊缝检验的重要环节之一。
根据《钢结构设计规范》(GB 50017-2003)的规定,焊缝的外观应该平整、均匀,无气孔、夹渣、裂纹等缺陷。
在进行外观检验时,应该使用适当的检测工具,如焊缝探伤剂、放射照相、超声波探伤等,以确保焊缝的质量符合标准要求。
另外,焊缝的尺寸检验也是焊缝检验的重要内容之一。
根据《钢结构设计规范》(GB 50017-2003)的规定,焊缝的尺寸应符合设计要求,焊腹宽度、咬边厚度、焊缝高度等尺寸应符合相应的标准要求。
在进行尺寸检验时,应该使用适当的测量工具,如焊缝规、焊缝检测仪等,以确保焊缝的尺寸符合标准要求。
最后,焊缝的力学性能检验也是焊缝检验的重要内容之一。
根据《钢结构设计规范》(GB 50017-2003)的规定,焊缝的抗拉强度、屈服强度、冲击韧性等力学性能应符合设计要求。
在进行力学性能检验时,应该使用适当的试验设备,如拉伸试验机、冲击试验机等,以确保焊缝的力学性能符合标准要求。
综上所述,钢结构焊缝检验标准是保证焊缝质量的重要依据,严格按照相关标准进行操作,对保证工程的安全和稳定性具有重要意义。
希望相关从业人员能够加强对焊缝检验标准的学习和理解,提高焊缝检验的准确性和规范性,为钢结构工程的质量和安全保驾护航。
1、目的指导焊工及焊接检验人员工作,确保焊接质量。
2、适用范围本标准适用于挖机事业部生产的小型挖掘机和滑移装载机钢结构件焊缝外观质量检验(自检和专检)。
3、焊接部外观检查项目3.1 焊接缺陷:3.1.1咬边:由于焊接参数选择不当,或操作工艺不正确,沿焊趾的母材部位产生的沟槽或凹陷。
3.1.2焊缝表面气孔:焊接时,熔池中的气泡在凝固时未能逸出而残留下来形成的空穴叫气孔。
表面气孔指露在表面的气孔。
3.1.3未熔合:熔焊时,焊道与母材之间或焊道与焊道之间,未完全熔化结合的部分;点焊时母材与母材之间未完全熔化结合的部分。
3.1.4未焊透:焊接时接头根部未完全熔透的现象。
3.1.5裂纹:在焊接应力及其它致脆因素共同作用下,焊接接头中局部地区的金属原子结合力遭到破坏而形成的新界面而产生的缝隙,它具有尖锐的缺口和大的长宽比的特征。
3.1.6未焊满:由于填充金属不足,在焊缝表面形成的连续或断续的沟槽。
3.1.7焊瘤:焊接过程中,熔化金属流淌到焊缝之外未熔化的母材上所形成的金属瘤。
3.1.8烧穿:焊接过程中,熔化金属自坡口背面流出,形成穿孔的缺陷。
3.2焊缝形状缺陷:3.2.1焊缝成形差:熔焊时,液态焊缝金属冷凝后形成的焊缝外形叫焊缝成形,焊缝成形差是指焊缝外观上,焊缝高低、宽窄不一,焊缝波纹不整齐甚至没有等。
3.2.2焊脚尺寸:在角焊缝横截面中画出最大等腰三角形中,直角边的长度。
缺陷表现在焊脚尺寸小于设计要求和焊脚尺寸不等(单边)等。
3.2.3余高超差:余高高于要求或低于母材。
3.2.4错边:对接焊缝时两母材不在一平面上。
3.2.5漏焊:要求焊接的焊缝未焊接。
表现在整条焊缝未焊接、整条焊缝部分未焊接、未填满弧坑、焊缝未填满未焊完等。
3.2.6 漏装:结构件中某一个或一个以上的零件未组焊上去。
3.2.7飞溅。
3.2.8电弧擦伤。
3.3 复合缺陷:同一条焊缝或同一条焊缝同一处同时存在两种或两种以上的缺陷。
3.4 焊缝打磨。
钢结构焊缝外观检验标准1适用范围:本标准叙述了钢结构产品焊缝外观检验所需条件、•适用范围和合格标准。
2产品焊缝包括定位焊缝、完工焊缝及返修焊缝。
3焊工钢印和焊缝标识的要求3.1 钢印须采用低应力钢印,钢印标记的打印应清晰完整,严禁用凿子、冲头等锋利工具进行打印。
3.2 打印深度为0.3mm~0.5mm。
3.3所有对接焊缝要求打焊工钢印和焊缝标识,焊工在完成焊缝焊接后应立即打上自己的代号钢印及焊缝标识(焊缝标识具体参考附件1)。
3.4一条焊缝如有数人同时施焊,应分别打上各人钢印,返修焊缝如非本人直接返修者,在返修焊缝旁适当位置打上返修焊工钢印,若因返修而去除了原焊工钢印,则应补打原焊工钢印。
3.5当产品图样对打焊工钢印另有规定时,应按图样要求打上焊工钢印。
4焊缝外观检验标准4.1焊缝表面质量应符合以下规定:a)不得在坡口外母材上引弧;b)焊后清除掉所有的松散的焊接飞溅及焊缝上的熔渣;c)焊缝尺寸、位置符合图纸;d)焊道间或焊道和母材上没有焊瘤或未熔合;e)焊缝和相邻母材上没有裂纹;f)焊缝表面应没有粗糙的波纹或沟槽,并与被连接表面圆滑过渡;g)不得有焊接弧坑,收弧点不得有裂纹。
h)返修焊缝表面,应修磨成与原焊缝基本一致,并打上返修焊工钢印。
4.2缝的质量等级划分应按照表1进行,未做规定的其他焊缝质量等级为三级,当有特殊要求时按照图纸或技术条件执行。
表1焊缝的质量等级划分4.3焊缝的外观检查应符合如下规定:a)焊缝的外形尺寸应符合设计图样和本标准的要求,焊缝余高和错边允许偏差按照表2要求,焊缝表面应为均匀的鳞片状,不应有焊瘤和烧穿缺陷,对接焊缝的焊高不应低于母材;表2焊缝余高和错边允许偏差b)所有焊缝应冷却到环境温度后进行外观检查;低合金钢(Q345)应在焊缝冷却到环境温度24小时后进行外观检查;c)外观检查采用目测方式,裂纹的检查应辅以5倍放大镜并在合适的光照条件下进行,必要时可采用磁粉检测,尺寸的测量应用量具、卡规;d)所有焊缝的尺寸、位置、长度和断续焊缝间隔应与设计图样的要求一致。
焊缝外观检查标准外观检验不仅是对产品最终焊缝外观寸和表面质量的检验,对产品焊接过程中的每一道焊缝也应进行外观检验,如厚壁焊件进行多层焊时,为防止前道焊道的缺陷带到了下一道,每焊完一道焊道便需进行外观检验。
焊缝外观检验分为:目视检验和尺寸检验一、焊缝的目视检验(一)目视检验的方法采用直接目视检验。
焊缝外形应均匀,焊道与焊道及焊道与基本金属之间应平滑过渡。
目视检验也称近距离目视检验,是用眼睛直接观察和分辨缺陷的形貌。
在检验过程中可采用适当的照明设施,利用反光镜调节照射角度和观察角度,或借助低倍放大镜观察。
(二)目视检验的程序应对焊接结构的所有可见焊缝进行目视检验。
(三)目视检验的项目焊接结束后,及时清理焊渣和飞溅,打磨焊道后,按下表中的项目进行检验。
目视检验若发现有裂纹、夹渣、气孔、焊瘤、咬边等不允许存在的缺陷,应清除、补焊、修磨,使焊缝表面质量符合要求。
二、焊缝外形尺寸的检验焊缝外形尺寸的检验是按图样标注尺寸或技术标准规定的尺寸对实物进行测量检验。
通常在目视检验的基础上,选择焊缝尺寸正常部位、尺寸变化的过渡部位和尺寸异常变化的部位进行测量检查,然后相互比较,找出焊缝外形尺寸变化的规律,与标准规定的尺寸对比,从而判断焊缝的外形尺寸是否符合要求。
(一)对接焊缝外形尺寸的检验对接焊缝的外形尺寸包括:焊缝的余高h、焊缝宽度c、焊缝边缘直线度f、焊缝宽度差和焊缝表面凹凸度。
焊缝的余高,焊缝宽度是重点检验的外形尺寸。
1、JB/T7949-1999《钢结构焊缝外形尺寸》就对接焊缝余高、焊缝宽度作如下规定:I形坡口对接焊缝,其焊缝宽度c=b+2a及余高应符合表二中I形焊缝的规定。
非I形坡口对接焊缝尺寸I形坡口对接焊缝尺寸非I形坡口对接焊缝,其焊缝宽度c=g+2a及余高应符合表二中非I形焊缝的规定。
焊接方法焊缝形式焊缝宽度c焊缝余高C(最小) C(最大)焊条电弧焊及气体保护焊I形焊缝b+4 b+8 平焊:0~3其余:0~4 非I形焊缝g+4 g+8对接焊缝余高和宽度的测量方法如下图:a)测较小焊缝余高b)测较大的焊缝余高c)测焊缝宽度2、焊缝边缘直线度在任意300mm连续焊缝长度内,焊缝边缘沿焊缝轴向的直线度,应符合下表中的规定。
焊缝外观质量验收标准及尺寸允许偏差
1。
依据《YB3301—2005中华人民共和国黑色冶金行业标准》制定本工程的角焊缝焊角尺寸,焊角高度Hf取0。
6t1和1。
52t中的大者,t1为腹板板厚,t2为翼缘板板厚。
对于埋弧焊、二氧化碳气体保护焊,焊角尺寸可比计算值减小1mm,焊接H型钢的最小焊角高度规定为4mm。
且用于连接板的平角焊一般为二氧化碳气体保护焊的焊缝测量。
2.依据《JGJ81-2001建筑钢结构焊接技术规程》制定直角角焊缝厚度计算He,
1)当间隙b≤1。
5时,He=0。
7Hf,
2)当间隙1.5〈b≤1.5时,He=0.7(Hf-b),
综合上述公式得到角焊缝厚度计算He为0.42t1和1.052t之最大,t1为腹板板厚,t2为翼缘板板厚。
用于龙门埋弧焊的船型焊的焊缝测量.
说明:埋弧自动焊焊角尺寸要求如下表:(注明:单位为mm)
根据《GB50205—2001》钢结构工程施工质量验收规范制定以下表
表A。
0.1一级、二级、三级焊缝外观质量标准(㎜)
外观质量为:二级标准
对接焊缝及完全熔透组合焊缝尺寸允许偏差应符合表A。
0。
2的规定
表A。
0。
2对接焊缝及完全熔透组合焊缝尺寸允许偏差(㎜)
部分焊透组合焊缝和角焊缝外形尺寸允许偏差应符合表A.0。
3的规定
表A.0。
3部分焊透组合焊缝和角焊缝外形尺寸允许偏差(㎜)。
焊缝的外观质量检验1. 概述在焊接工艺中,焊缝的外观质量检验是一项非常重要的工作。
焊缝的外观质量直接关系着焊接件的使用寿命和工作性能。
因此,在焊接过程中,对焊缝的外观质量进行全面的检验是必不可少的。
本文将介绍焊缝外观质量检验的一些常见方法和标准。
2. 检验方法焊缝的外观质量检验可以通过目视检查、放大镜检查和显微镜检查等多种方法来进行。
2.1 目视检查目视检查是最常用的检验方法,也是最直观的方法之一。
通过目视检查可以初步了解焊缝的外观情况,包括焊缝的形状、尺寸、表面平整度以及是否存在缺陷等。
在目视检查时,应注意以下几个方面:•焊缝形状:焊缝应平直、均匀,无明显的凹陷或突起。
•焊缝尺寸:焊缝尺寸应符合设计要求,没有明显的偏差。
•表面平整度:焊接表面应平整,无明显的凹凸不平或波纹。
2.2 放大镜检查在目视检查的基础上,可以使用放大镜对焊缝进行更加详细的检查。
通过放大镜的放大效果,可以更清晰地观察焊缝的表面状况,包括焊缝的颜色、纹理以及是否存在裂纹、夹渣等明显的缺陷。
放大镜检查时,应注意以下几个方面:•焊缝颜色:焊缝应呈现均匀的金属光泽,无明显的色差。
•纹理:焊缝的纹理应均匀细腻,无明显的粗糙感。
•缺陷:注意观察焊缝的裂纹、夹渣等明显的缺陷。
2.3 显微镜检查显微镜检查是一种更加精细的检验方法,适用于对特别小型的焊接件进行检验。
通过显微镜的放大效果,可以更详细地观察焊缝的微观结构,以及一些细微缺陷的存在。
显微镜检查时,应使用高倍放大镜,并注意以下几个方面:•微观结构:观察焊缝的晶粒结构,应呈现均匀细致的晶粒。
•气孔:观察焊缝中是否存在气孔,气孔应尽量避免。
•夹渣:观察焊缝中是否存在夹渣,夹渣应及时清除。
3. 标准参考对于焊缝外观质量的检验,可参考以下标准:•GB/T 50235-1996《焊接接头评定和外观质量检验标准》;•DL/T 5146-2003《钢结构工程焊缝质量检验标准》;•AWS D1.1/D1.1M:2020《钢结构工程焊接规范》。
SGT钢结构工程焊缝外观质量检查记录焊缝外观质量检查是钢结构工程中非常重要的一环,它直接关系到焊接质量的好坏。
下面给出一个1200字以上的SGT钢结构工程焊缝外观质量检查记录作为参考:一、项目概述本次质量检查针对SGT钢结构工程的焊缝外观质量进行,以下是检查内容和检验标准。
二、检查内容本次检查主要从以下方面对焊缝外观质量进行检查:1.焊缝形状和尺寸;2.焊缝表面的缺陷,如气孔、裂纹、夹渣、夹杂物等;3.焊缝的颜色和亮度;4.焊缝的连接牢固性。
三、检验标准1.焊缝形状和尺寸应符合设计要求,并且焊缝厚度应均匀一致。
2.焊缝表面不得有气孔、裂纹、夹渣、夹杂物等缺陷,并且焊缝两侧应平整。
3.焊缝的颜色应均匀一致,不得有明显的色差,并且焊缝表面的亮度应符合要求。
4.焊缝连接牢固,不得有松动、脱落等现象。
四、检查记录日期:XX年XX月XX日地点:XXX检查单位:XXX被检单位:XXX检查人员:XXX检查内容及结果:1.焊缝形状和尺寸:对焊接连接处的焊缝进行测量,尺寸符合设计要求,形状均匀一致。
2.焊缝表面缺陷:对焊缝表面进行仔细观察,未发现任何气孔、裂纹、夹渣、夹杂物等缺陷。
3.焊缝的颜色和亮度:焊缝的颜色均匀一致,亮度符合要求,无明显的色差。
4.焊缝的连接牢固性:对焊接连接处进行检查,焊缝连接牢固,未发现松动、脱落等现象。
五、检查结论本次SGT钢结构工程焊缝外观质量检查结果良好,焊缝形状和尺寸符合设计要求,表面无缺陷,颜色亮度均匀一致,连接牢固。
六、存在问题及改进措施1.检查过程中未发现任何问题,说明被检单位在焊接过程中严格按照相关要求进行操作,但仍需继续保持注意,确保焊缝外观质量。
2.进一步加强对焊接人员的培训和管理,提高他们的操作技能和质量意识,减少焊接缺陷的发生。
七、检查人员签名:检查人员:签名XXX以上是针对SGT钢结构工程焊缝外观质量检查的一个1200字以上的检查记录,此记录可根据具体项目的需求进行调整和完善。
焊缝检验标准1.0 适用范围金属材料熔化焊外观检验。
它也可以用于接头的焊前外观检验.2.0 要求3.1 外观质量3.2.1 验货方法说明照明设备表面光照度至少应达到350LX,建议应达到500LX.出于直接实施检查的目的,在将实施检查的表面600mm之内,应给外观检测备好足够的空间,而且其检测角度不应小于大约30°(见图1)。
范围图1 检测范围当不能根据图1的检测范围或有应用标准规定时,应采用放大镜间接检查。
4. 焊后外观检验4。
1 清理和修磨此类焊缝应进行检查以确定:a)应以人工或机械的方式除去所有的焊渣,这样可避免掩盖任何缺陷;b)不应有工具碰撞或击打的痕迹;c)当需要进行焊缝修磨时,避免打磨引起的接头过热和打磨痕迹,以及不平坦的收尾;d)角焊缝和对接焊缝应进行齐平打磨,接头部分应与母材金属处于平滑状态,不应有不平整之处。
如果造成缺陷(由于打磨或其他导致的),应提出来,以便进行补救.4。
2 外形和尺寸焊缝应检测下列内容:a)焊缝面的外形和超出焊缝金属的高度是否符合验收标准的要求(见4。
4.1);b) 焊接表面是否规则,焊波的形状和节距是否均匀一致,是否有满意的视觉外形,c)焊缝的宽度应与整个接头的宽度相一致,应符合焊接图纸中或验收标准的要求4.3在对接焊缝的情况下,应检查焊缝坡口是否完全填满。
4。
4 焊脚和表面焊缝视觉可接近部分,比如单边对接焊缝的焊脚和焊缝表面,应被检验以确定与验收标准之间的偏差(见4。
4。
1).应检测焊缝以确定下列内容:a)在单面对接焊缝的情况下,整个接头的焊透性,根部凹状,烧穿和收缩沟槽是否处在验收标准的规定限度;b)任何咬边均应符合验收标准;c)任何缺陷,例如检测到的裂缝或多孔的情况必要时,均应依照适当的验收准则,在焊接表面或热影响区,采用光学的辅助检查;d)任何其目的是便于组装和生产临时焊接到工件上的附件都可能会影响到物件的功能,或影响检查工作,都应加以除去,从而不损坏工件,应检查固定的附件区域,以确信无任何裂缝。
钢结构焊接外观检验标准1以下符号适用于本文件.a :角焊缝的公称喉厚〔角焊缝厚度〕;b :焊缝余高的宽度;d :气孔的直径h :缺陷尺寸〔高度或宽度〕;s :对接焊缝公称厚度〔或在不完全焊透的场合下规定的熔透深度〕;t :壁厚或板厚;K :角焊缝的焊脚尺寸〔在直角等腰三角形截面中K=aV2 〕C :焊缝宽度2焊缝分类及质量等级2.1焊缝分类根据产品构件的受力情况以及重要性,把焊缝分为A、B、G D等四大类.具体分类见表1.2.2焊缝质量等级焊缝外观质量检验要求表中所列工程,每个工程分三个等级:其中I级为优秀, II级为良好,田级为合格.2.3外观质量检验规那么3.1焊缝按对接焊缝和角接焊缝的外观质量要求分别进行检验.4焊缝外观质量检验工程和要求对接焊缝见表2,角接焊缝见表3.瘤炸1 1缝长方宽差 焊沿度向窄缝度寸差 焊宽尺偏缝线线变 焊边直度缝面凸 焊表凹AC=CL-CC1为实际焊缝宽度, C 为设计焊缝宽度1F ----73 j M ((?a300 _f :任意300焊缝内,焊缝 边缘沿轴向的直线度IIIh < 0.10t <2h < 0.15t <2h < 0.15t <3 h< 0.10t <2h< 0.15t <2h< 0.15t <3h<0,15t <3 h<0,15t <2 h<0.2t <3h< 0.15t < 3 h< 0.15t < 3 h<0.2t <4不允许总长度不超过焊缝全长的5%单个焊瘤深度h003 I总长度不超过焊缝全长的10犯内,单个焊瘤深度不 超过h00.3I 不允许 不允许h<0.03t 0 0.5总长度不超 过焊缝全长的10% II h< 0.03t 0 0.5 总长度不超过焊缝全长的10%h<0.03t 0 0.5总长度不超 过焊缝全长的15% IIIh< 0.03t 0 0.5 总长度 不超过焊缝全长的20%h<0.03t 0 0.5总长度不超 过焊缝全长的20%III任意300 mnrt :① C020, AC02.5;②20VC<30, AC<3; ③C>30, AC<4;且在整个焊缝长度范围内不大于5I II ①C0 20, AC= 0~2;②20VC<30, \C= 0~2.5; 14 ③C> 30, AC= 0-3III①C0 20, AC= 0~3; ②20V C0 30, AC= 0~4; ③C>30, AC= 0-5I f 0 1.5 f <2 IIf <2 f <2.5 IIIf <2.5f <3Ig< 1 g<1.5 IIgw 1.5g<2角接焊缝外观质量检验工程和要求表①K1=tmin+ | 2-3I②K2=H+ |1.5~2.0 | 0.25tmin < K3tmin+1.5 ;H 表示坡口开口尺 寸,tmin 表示两 板间的最小板厚① K1=tmin+ | 2-4 | ②K2=H+ | 1.5~2.5 | ; 0.25tmin < K3 tmin+2.0 ; H 表示坡口开口 尺寸,tmin 表示 两板间的最小板 厚①K1=tmin+ | 2-4I②K2=H+ | 1.5~3.0 | ; 0.25tmin < K3 tmin+2.5 ; H 表示坡口开口尺 寸,tmin 表示两板 间的最小板厚①C020, AC<3 ®20<C<30, AC<4 ③C>30, AC<5度过 大III h <1+0.15a <3 h< 1+0.15a<4 h< 1+0.20a <5 I h 00.5+0.1Z h<0.5+0.1Z h< 1+0.15Z II h 01+0.1Z h< 1+0.15Z h< 1.5+0.15Z IIIh 01+0.1Zh< 1+0.15Z ,允 许局部超过h<2+0.15Z ,允许 局部超过够焊 缝宽 度尺 寸偏 差ACII①C1020, A C=-1〜2 ②20 < C1< 30 , AC=-1〜3 ③ C > 30 , A C=-2〜2 ① C1020, A C=-1〜2 ②20 < C1< 30 , AC=-1〜3 ③ C > 30 , A C=-2〜3 ① C1020, A C=-1〜2 ② 20 < C1< 30 , A C=-2〜3 ③ C > 30 , A C=-2〜4 00缝缘线f焊边直度I f0 1.5 f<2 f<2 IIf<2 f<2.5 f<2.5 IIIf<2.5f<3f<3焊缝 外表Ah <1 Ah <1.5 Ah01.5 Ah <2 Ah<1.5 Ah<2焊接接头共有五种形式,对接,角接,T形,搭接和端接接头用lit 型埃口J 型岐口心v.〉,m /覆甲口 及 嘏缝u 型城口隍坎. 卷效装口 斜时共破.4网角接接头(C ; 1型接大卬]塔及接头何端推接头4加辉战JU其边匕隼血理版口m发界 1C-喇成阜边丫孕检⑪匚二]_ 槽与、喇伏丫型板口 0克群上. J 型垓口© 泄海1L 住逆城口 0 凸群1.V理城口闻波⑪实用焊鞋及焊接符号年爆Lil 槽外 匕 单即型坑口0 点舁 工 吨叭丫型喊口 © 地坪 .匕 .1型喊口 0 日笄 J1. 虎边陵口口惠坪实用庠建及焊接在号& 角拜 口楷评 JZ. 单也0 .卡拜 ir. 明做Y 型梭口 © 城评上. 」型辰口 0 4年J1.口•1施粒口?第室算二实用牌筵及焊接符号匕单迪健1梭口U 型坡口咖联单迪7型收口 \X喀!坡口 、工 喇叭Y 型坡口卷边挣匕 」型境口避笄Jl_ 语说培rr实用婵缝及婢接符号图4, 2-五抻照本建头•型式及实用洋舞符号一、埋弧焊焊缝坡口的根本形式和尺寸:厅P工件 厚度名称坡口形式和尺寸备注6 6 =28 带钝边双U形坡口7 6 =30 带钝边双U形坡口8 6 =32 带钝边双U形坡口带钝边双U形坡口20°10 6 =36 带钝边双U形坡口11 6 =38 带钝边双U 形坡口13 6 =44 带钝边双U形坡口14 6 =50 带钝边双U 形坡口6 带长舌双面15 二12〜单边V形坡16 口带长舌双面16 二18〜单边V形坡22 口17 6 =24 带长舌双面J形坡口18 6 =25 带长舌双面J形坡口、手工电弧焊焊缝坡口的根本形式和尺寸:厅P 工件厚度名称坡口形式和尺寸备注1 6 =6 Y形坡口80°_______ Jf__ —厂「6212 6 =8 Y形坡口70°_____________________________ :; ________________________________________________ [;__g-8 8219 带长舌双面J形坡口20 带长舌双面J形坡口=10 Y形坡口=12 Y形坡口=14 =16 =18 双Y形坡口双Y形坡口双Y形坡口60°3 64 65 66 67 618 6 =36UY 形坡口19 6 =38UY 形坡口20 6 =40UY 形坡口带长舌21 6=12双单边V形坡口6带长舌 22 双面单 边V 形坡二14〜20口带长舌 双面单 边V 形坡口带长舌27 6 =28双面J 形坡口23带长舌246 =24双面J 形坡口25带长舌双面J 形 坡口26带长舌6 =26双面J 形 坡口2__28 6 =30 带长舌双面J形坡口29 6 =12 带长舌单面J形坡口30 6 =14 带长舌单面J形坡口31 6 =16 带长舌单面J形坡口32 6 =18 带长舌单面J形坡口2三、CO焊焊缝坡口的根本形式和尺寸:坡口5 6 =14 双Y形坡口6 6 =16 双Y形坡口7 6 =18 双Y形坡口9 6 =20 双Y形坡口20 6 =38 UY形坡口21 6 =40 UY形坡口6 带长舌双面单22 二12〜边V形18 坡口236二20〜22带长舌双面单边V形坡口246二24〜30带长舌双面J 形坡口6 带钝边25 二8〜单边V10 形坡口266二12〜16带钝边单边V形坡口6 带钝边27 =18〜单边V20 形坡口带长舌28 6 =22 单面J形坡口。
焊缝外观检验标准
焊接是一种常见的金属连接工艺,而焊缝的外观质量直接关系
到焊接件的使用性能和美观度。
因此,对焊缝外观的检验标准显得
尤为重要。
本文将从焊缝外观的检验标准、检验方法和常见问题等
方面进行介绍。
首先,焊缝外观的检验标准包括外观质量、几何形状和尺寸等
方面。
外观质量主要包括焊缝表面的裂纹、气孔、夹渣、焊花、焊
渣等缺陷,以及焊缝表面的平整度、光洁度等。
几何形状主要包括
焊缝的形状、尺寸、角度等。
在进行焊缝外观检验时,需要参照相
关的标准和规范进行,以确保焊接件的质量符合要求。
其次,焊缝外观的检验方法主要包括目测检查、放射检查、超
声波检查、磁粉检查等。
目测检查是最常用的方法,通过肉眼观察
焊缝表面的质量和形状来判断其是否符合要求。
放射检查、超声波
检查和磁粉检查则是针对焊缝内部缺陷的检查方法,可以发现裂纹、气孔等内部缺陷。
此外,焊缝外观检验中常见的问题包括焊缝表面裂纹、气孔、
夹渣、焊花、焊渣等缺陷。
裂纹是焊接过程中的常见缺陷,会导致
焊接件的强度下降;气孔和夹渣会影响焊缝的密封性和耐腐蚀性;焊花和焊渣则会影响焊缝的外观质量。
因此,在进行焊缝外观检验时,需要重点关注这些常见问题,以确保焊接件的质量。
综上所述,焊缝外观的检验标准、检验方法和常见问题对于保证焊接件的质量至关重要。
只有严格按照标准进行检验,并及时发现和处理焊缝表面的缺陷,才能确保焊接件的使用性能和美观度。
希望本文的介绍能够对焊缝外观检验有所帮助。
焊缝外观质量验收标准及尺寸允许偏差1.依据《YB3301-2005中华人民共和国黑色冶金行业标准》制定本工程的角焊缝焊角尺寸,焊角高度Hf取0.6t1和1.52t中的大者,t1为腹板板厚,t2为翼缘板板厚。
对于埋弧焊、二氧化碳气体保护焊,焊角尺寸可比计算值减小1mm,焊接H型钢的最小焊角高度规定为4mm。
且用于连接板的平角焊一般为二氧化碳气体保护焊的焊缝测量。
2.依据《JGJ81-2001建筑钢结构焊接技术规程》制定直角角焊缝厚度计算He,
1)当间隙b≤1.5时,He=0.7Hf,
2)当间隙1.5<b≤1.5时,He=0.7(Hf-b),
综合上述公式得到角焊缝厚度计算He为0.42t1和1.052t之最大,t1为腹板板厚,t2为翼缘板板厚。
用于龙门埋弧焊的船型焊的焊缝测量。
说明:埋弧自动焊焊角尺寸要求如下表:(注明:单位为mm)
根据《GB50205-2001》钢结构工程施工质量验收规范制定以下表
表
外观质量为:二级标准
对接焊缝及完全熔透组合焊缝尺寸允许偏差应符合表
表
部分焊透组合焊缝和角焊缝外形尺寸允许偏差应符合表
表。
钢结构工程焊缝质量检验方法1.可视检查:可视检查是焊缝质量检验的基本方法之一、通过肉眼观察焊缝表面,检查是否存在焊缝间隙、气泡、夹渣、缺陷和开裂等问题。
焊缝表面应是光滑平整且没有明显的缺陷。
2.尺寸检查:尺寸检查是针对焊缝的几何尺寸进行的检验。
通过测量焊缝的长度、宽度和高度等尺寸,检查其是否符合设计要求和规范规定。
焊缝尺寸的偏差不应超过规定的允许范围。
3.焊缝外观检查:焊缝的外观检查是针对焊缝外观的质量进行的检验。
通过比较焊缝外观与标准要求,判断焊缝表面是否平整、光滑、无裂纹和烧穿等缺陷。
焊缝外观应符合规范的要求。
4.超声波检测:超声波检测是一种无损检测方法,主要用于检验焊缝内部的缺陷和质量问题。
通过发射超声波,检测焊缝内的声波反射情况,分析焊缝的缺陷和质量问题。
超声波检测可以发现焊缝内的气孔、夹渣、裂纹等缺陷。
5.磁粉检测:磁粉检测是一种常用的焊缝质量检测方法,主要用于检验焊缝的表面裂纹和断裂等问题。
通过涂抹磁粉,通过磁力线的变化来检测焊缝表面的缺陷。
磁粉检测可以发现焊缝表面的裂纹和断裂等问题。
6.射线检测:射线检测是一种常用的无损检测方法,主要用于检验焊缝内部的缺陷和质量问题。
通过发射射线,并通过射线的透射和散射情况,来检测焊缝内的裂纹、夹渣和气孔等缺陷。
射线检测可以发现焊缝内部的各种缺陷问题。
综上所述,钢结构工程焊缝质量检验需要采用多种方法综合检查焊缝的外观质量、几何尺寸和内部缺陷。
通过合理运用各种检测方法,可以确保焊缝的质量符合设计要求和规范规定。
只有保证焊缝质量,才能确保钢结构工程的稳定性和安全性。
焊缝外观质量验收标准及尺寸允许偏差1.依据《YB3301-2005中华人民共和国黑色冶金行业标准》制定本工程的角焊缝焊角尺寸,焊角高度Hf取0.6t1和1.52t中的大者,t1为腹板板厚,t2为翼缘板板厚。
对于埋弧焊、二氧化碳气体保护焊,焊角尺寸可比计算值减小1mm,焊接H型钢的最小焊角高度规定为4mm。
且用于连接板的平角焊一般为二氧化碳气体保护焊的焊缝测量。
2.依据《JGJ81-2001建筑钢结构焊接技术规程》制定直角角焊缝厚度计算He,1)当间隙b≤1.5时,He=0.7Hf,2)当间隙1.5<b≤1.5时,He=0.7(Hf-b),综合上述公式得到角焊缝厚度计算He为0.42t1和1.052t之最大,t1为腹板板厚,t2为翼缘板板厚。
用于龙门埋弧焊的船型焊的焊缝测量。
说明:埋弧自动焊焊角尺寸要求如下表:(注明:单位为mm)根据《GB50205-2001》钢结构工程施工质量验收规范制定以下表表A.0.1一级、二级、三级焊缝外观质量标准(㎜)外观质量为:二级标准对接焊缝及完全熔透组合焊缝尺寸允许偏差应符合表A.0.2的规定表A.0.2对接焊缝及完全熔透组合焊缝尺寸允许偏差(㎜)部分焊透组合焊缝和角焊缝外形尺寸允许偏差应符合表A.0.3的规定表A.0.3部分焊透组合焊缝和角焊缝外形尺寸允许偏差(㎜)下面是赠送的团队管理名言学习,不需要的朋友可以编辑删除谢谢1、沟通是管理的浓缩。
2、管理被人们称之为是一门综合艺术--“综合”是因为管理涉及基本原理、自我认知、智慧和领导力;“艺术”是因为管理是实践和应用。
3、管理得好的工厂,总是单调乏味,没有任何激动人心的事件发生。
4、管理工作中最重要的是:人正确的事,而不是正确的做事。
5、管理就是沟通、沟通再沟通。
6、管理就是界定企业的使命,并激励和组织人力资源去实现这个使命。
界定使命是企业家的任务,而激励与组织人力资源是领导力的范畴,二者的结合就是管理。
7、管理是一种实践,其本质不在于“知”而在于“行”;其验证不在于逻辑,而在于成果;其唯一权威就是成就。
焊缝外观检验标准焊接是一种常见的金属连接工艺,而焊缝的质量直接影响着焊接件的使用性能。
因此,对焊缝的外观进行检验是非常重要的。
本文将介绍焊缝外观检验的标准及相关注意事项。
首先,焊缝外观检验的标准主要包括以下几个方面,焊缝的表面质量、焊缝的外观形态、焊缝的几何尺寸和焊接接头的外观。
其中,焊缝的表面质量包括焊缝表面的平整度、光洁度和无裂纹、气孔等缺陷。
焊缝的外观形态主要包括焊缝的形状、尺寸和结构。
焊缝的几何尺寸包括焊缝的宽度、高度、坡口形状等。
焊接接头的外观包括焊缝的位置、布置、数量等。
这些标准都是为了保证焊接件的质量和安全性。
在进行焊缝外观检验时,需要注意以下几个方面,首先,要选择合适的检验方法和工具,如目视检查、放大镜、显微镜等。
其次,要按照相关标准和规范进行检验,严格按照要求进行操作。
再次,要注意检验环境的清洁和光线的充足,以确保检验的准确性。
最后,要及时记录检验结果,并对不合格的焊缝进行处理和修复。
在实际工作中,焊缝外观检验是非常重要的,它可以直观地反映焊接质量和工艺水平。
只有严格按照标准进行检验,及时发现和处理问题,才能保证焊接件的质量和安全性。
因此,焊工和质检人员都应该加强对焊缝外观检验标准的学习和理解,提高自身的检验能力和水平。
总之,焊缝外观检验是焊接工艺中不可或缺的一环,它直接关系到焊接件的质量和安全性。
只有严格按照标准进行检验,并加强对检验标准的学习和理解,才能保证焊接件的质量和安全性。
希望本文介绍的焊缝外观检验标准能对大家有所帮助,谢谢!以上就是本文的全部内容,希望对大家有所帮助。
焊缝外观检验标准1、目的指导焊工及焊接检验人员工作,确保焊接质量。
2、适用范围本标准适用于钢结构件焊缝外观质量检验(自检和专检)。
3、焊接部外观检查项目3.1 焊接缺陷:3.1.1咬边:由于焊接参数选择不当,或操作工艺不正确,沿焊趾的母材部位产生的沟槽或凹陷。
3.1.2焊缝表面气孔:焊接时,熔池中的气泡在凝固时未能逸出而残留下来形成的空穴叫气孔。
表面气孔指露在表面的气孔。
3.1.3未熔合:熔焊时,焊道与母材之间或焊道与焊道之间,未完全熔化结合的部分;点焊时母材与母材之间未完全熔化结合的部分。
3.1.4未焊透:焊接时接头根部未完全熔透的现象。
3.1.5裂纹:在焊接应力及其它致脆因素共同作用下,焊接接头中局部地区的金属原子结合力遭到破坏而形成的新界面而产生的缝隙,它具有尖锐的缺口和大的长宽比的特征。
3.1.6未焊满:由于填充金属不足,在焊缝表面形成的连续或断续的沟槽。
3.1.7焊瘤:焊接过程中,熔化金属流淌到焊缝之外未熔化的母材上所形成的金属瘤。
3.1.8烧穿:焊接过程中,熔化金属自坡口背面流出,形成穿孔的缺陷。
3.2焊缝形状缺陷:3.2.1焊缝成形差:熔焊时,液态焊缝金属冷凝后形成的焊缝外形叫焊缝成形,焊缝成形差是指焊缝外观上,焊缝高低、宽窄不一,焊缝波纹不整齐甚至没有等。
3.2.2焊脚尺寸:在角焊缝横截面中画出最大等腰三角形中,直角边的长度。
缺陷表现在焊脚尺寸小于设计要求和焊脚尺寸不等(单边)等。
3.2.3余高超差:余高高于要求或低于母材。
3.2.4错边:对接焊缝时两母材不在一平面上。
3.2.5漏焊:要求焊接的焊缝未焊接。
表现在整条焊缝未焊接、整条焊缝部分未焊接、未填满弧坑、焊缝未填满未焊完等。
3.2.6 漏装:结构件中某一个或一个以上的零件未组焊上去。
3.2.7飞溅。
3.2.8电弧擦伤。
3.3 复合缺陷:同一条焊缝或同一条焊缝同一处同时存在两种或两种以上的缺陷。
3.4 焊缝打磨。
焊缝打磨要求:打磨后焊缝符合本检验标准,焊缝圆滑过渡或焊缝与母材圆滑过渡,不允许破坏母材,其余参见《挖机结构件焊缝打磨规定》。
焊缝外观检验标准
焊接是一种常见的金属连接方式,它在工业生产中起着至关重要的作用。
而焊
缝的外观质量直接关系到焊接件的使用性能和美观度。
因此,对焊缝外观的检验标准显得尤为重要。
首先,焊缝外观的检验应包括以下几个方面,焊缝的形状、尺寸、表面质量和
缺陷。
焊缝的形状应符合设计要求,尺寸应符合相关标准,表面应平整光滑,无裂纹、气孔、夹渣等缺陷。
在检验时,应使用肉眼、放大镜、显微镜等工具,全面细致地观察焊缝的外观情况,确保不遗漏任何细微的缺陷。
其次,焊缝外观的检验应遵循一定的标准和规范。
不同的焊接材料和工艺会有
不同的外观要求,因此在检验时应参照相应的标准进行。
例如,对于钢结构焊缝的外观检验,可以参考《钢结构焊接质量标准》(GB/T 3323-2005)中的相关规定。
这些标准和规范既是对焊缝外观质量的具体要求,也是检验人员进行工作的依据。
此外,焊缝外观的检验还应注意一些常见的误判情况。
有时候,由于检验人员
的主观因素或者环境条件等原因,可能会导致对焊缝外观的判断出现偏差。
因此,在进行检验时,应尽量避免这些误判情况的发生,保证检验结果的准确性和可靠性。
总的来说,焊缝外观检验是焊接质量控制中的重要环节,它直接关系到焊接件
的使用性能和外观质量。
通过严格按照标准和规范进行检验,及时发现和处理焊缝外观的缺陷,可以有效提高焊接件的质量,确保其安全可靠地使用。
因此,对焊缝外观检验标准的认识和掌握对于焊接工作者来说至关重要。
钢结构二级焊缝检测标准
二级探伤检测标准如下:
1、二级焊缝必须经探伤检验,并应符合设计要求和施工规范的规定;
2、二级焊缝不得有表面气孔,夹渣,弧坑,裂纹,电弧、擦伤等缺陷;
3、焊缝外形要均匀,焊道与焊道,焊道与基本金属之间过渡平滑,焊渣和飞溅物必须清除干净。
首先,可以通过观察其外观质量,在外观检查方面,可以观察尺寸大小,有没有焊接问题等,其次,可以通过内部检查,这时需要采用无损检测方法检测其内部质量,最后可以用肉眼观察表面是否有一些非正常痕迹。
各级人民政府及其有关部门应当采取多种形式,加强对有关安全生产的法律、法规和安全生产知识的宣传,增强全社会的安全生产意识。
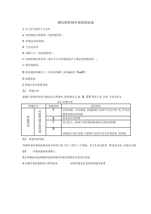
钢结构焊缝外观检验标准1适用范围:本标准叙述了钢结构产品焊缝外观检验所需条件、•适用范围和合格标准。
2产品焊缝包括定位焊缝、完工焊缝及返修焊缝。
3焊工钢印和焊缝标识的要求
钢印须采用低应力钢印,钢印标记的打印应清晰完整,严禁用凿子、冲头等锋利工具进行打印。
打印深度为~。
所有对接焊缝要求打焊工钢印和焊缝标识,焊工在完成焊缝焊接后应立即打上自己的代号钢印及焊缝标识(焊缝标识具体参考附件1)。
一条焊缝如有数人同时施焊,应分别打上各人钢印,返修焊缝如非本人直接返修者,在返修焊缝旁适当位置打上返修焊工钢印,若因返修而去除了原焊工钢印,则应补打原焊工钢印。
当产品图样对打焊工钢印另有规定时,应按图样要求打上焊工钢印。
4焊缝外观检验标准
焊缝表面质量应符合以下规定:
a)不得在坡口外母材上引弧;
b)焊后清除掉所有的松散的焊接飞溅及焊缝上的熔渣;
c)焊缝尺寸、位置符合图纸;
d)焊道间或焊道和母材上没有焊瘤或未熔合;
e)焊缝和相邻母材上没有裂纹;
f)焊缝表面应没有粗糙的波纹或沟槽,并与被连接表面圆滑过渡;
g)不得有焊接弧坑,收弧点不得有裂纹。
h)返修焊缝表面,应修磨成与原焊缝基本一致,并打上返修焊工钢印。
缝的质量等级划分应按照表1进行,未做规定的其他焊缝质量等级为三级,当有特殊要求时按照图纸或技术条件执行。
表1焊缝的质量等级划分
焊缝的外观检查应符合如下规定:
a)焊缝的外形尺寸应符合设计图样和本标准的要求,焊缝余高和错边允许偏差按照表2要求,焊缝表面应为均匀的鳞片状,不应有焊瘤和烧穿缺陷,对接焊缝的焊高不应低于母材;
表2焊缝余高和错边允许偏差
b)所有焊缝应冷却到环境温度后进行外观检查;低合金钢(Q345)应在焊缝冷却到环境温度24小时后进行外观检查;
c)外观检查采用目测方式,裂纹的检查应辅以5倍放大镜并在合适的光照条件下进行,必要时可采用磁粉检测,尺寸的测量应用量具、卡规;
d)所有焊缝的尺寸、位置、长度和断续焊缝间隔应与设计图样的要求一致。
外观质量应符合表3的规定;
e)当外观检查发现裂纹时,应对该焊缝进行100%的磁粉检测,当外观检查怀疑有裂纹时,应对怀疑的部位进行磁粉检测。
表3焊缝外观质量允许偏差
附图1
附件1
焊缝标识要求
本要求适用于我厂制作钢结构中组合焊接柱、梁、撑。
1、所有对接焊缝均适用油漆笔在焊缝旁200mm处标识焊缝编号(239M5111-5 A1-1,239M5151 B2-1),编号从近边零端开始计算。
2、焊缝编号原则:①上翼板A1-1,A1-2 ······
②下翼板A2-1,A2-2······
③近边腹板B1-1,B1-2 ······
④远边腹板B2-1,B2-2······
⑤主角焊缝J1,J2,J3,J4
3、所有板条均距焊缝300mm,距板边缘100mm处使用钢印标识a (如图所示),作为无损探伤标识面。
4、焊口探伤情况需在排料图上记录清楚,以备查看。
5、注意:箱型结构和双C梁的标识朝外或将标识移植到外面。
清理打磨不要将钢印标识打磨掉。