许营渡槽任务书——矩形槽身排架支撑讲解
- 格式:doc
- 大小:134.00 KB
- 文档页数:10
许营渡槽设计说明书题目:许营渡槽(矩形槽身排架支撑)学生姓名:学号:学院:专业班级:完成时间:指导老师:绪言陆浑灌区是河南省较大的灌区之一,灌区跨越洛阳,开封、郑州市三个地区的六个县,灌区范围内居住人口大约100万人。
陆浑灌区的主要水源是陆浑水库。
许营渡槽定为Ⅲ等3级建筑物,设计流量Q设=40m³/s ,加大流量Qmax=45m³/s。
,渡槽总长110m,进口与上游矩形渠道连接,出口与下游梯形浆砌石渠道连接。
目录绪言Introduction1 工程概况及基本资料 (3)1.1 工程概况 (3)1.1.1 灌区基本概况.................................................. 错误!未定义书签。
1.1.2东一干概况......................................................... 错误!未定义书签。
1.2地形地质情况................................................................. 错误!未定义书签。
1.2.1 地形.................................................................. 错误!未定义书签。
1.2.2 地质.................................................................. 错误!未定义书签。
1.3 气象.............................................................................. 错误!未定义书签。
2 渡槽选型与布置 (3)2.1 结构型式选择 (3)2.2 总体布置 (3)2.3 结构布置 (4)3 水力计算 (4)3.1 计算依据、公式及参数选择...................................... 错误!未定义书签。
摘要南水北调中线工程总干渠河北省南段线路以冀豫交界处的漳河北为起点,沿京广铁路西侧的太行山东麓自南向北,经过河北省邯郸、邢台、石家庄3市及所属11个县(市),至京石应急供水段起点为止,,.黄岗渡槽是南水北调工程总干渠上的一座跨渠输水建筑物,与总干渠交叉点桩号为10+437(黄岗渡槽位置详见总体布置图)。
根据总干渠可行性研究阶段已确定的工程等级及建筑物级别,本渡槽为1级建筑物,抗震设防烈度为Ⅶ度。
考虑经济,施工难度等方面的因素,结合工程有关条件,(无拉杆)矩形梁槽身。
设计分为上部结构和下部结构的设计,上部结构设计包括尺寸拟定和配筋计算,其中又包括跨中截面尺寸的拟定,截面特性的计算,永久作用、可变作用的计算及其组合。
槽身验算主要为承载能力极限状态计算,正常使用极限状态计算以及槽身的配筋计算及验算和变形验算,经计算各项指标均符合设计。
,尺寸的拟订,排架结构的配筋计算和桩基础的荷载计算,及其桩长计算等。
各项检算也均符合要求。
关键词:输水建筑物;渡槽;矩形断面;排架AbstractSouth-North Water Transfer Project in Hebei province south of the trunk line to the junction of Yu Ji Zhang Hebei as a starting point, Jing-Guang Railroad along the west side of the Taihang Mountain Donglu from south to north, after Handan, Hebei Province, Xingtai, Shijiazhuang City, and their 3 11 counties (cities), emergency water supply to Jingshi paragraph starting point, the channels of km, the building of km.Huang Gang is the diversion Aqueduct works on the trunk of a cross-water drainage structures, with the main channel for cross-point Zhuanghao 10 +437 (Huanggang Aqueduct see the overall layout of location). According to the Channel feasibility study stage of the project have been identified and grade-level buildings, the aqueduct for a building, seismic fortification for the intensity of Ⅶ.Consider the economy, the difficulty of such factors, the conditions of work, the aqueduct is designed to m (with drawbars) rectangular beam trough body.Design of the structure is divided into upper and lower structural design, structural design including the upper part of the development and reinforcement size, which also included cross-section size in the formulation, cross-section of the calculation, the permanent role, the role of variable calculation and combinations. Slot for the main body checking carrying capacity limit state basis, the calculation of normal use limit state and the reinforcement shafts are calculated deformation and checking and checking, the calculation of the indicators are in line with the design.The lower part of the design of the structure to design and bent the pile foundation design as the main content. Bent structure, including the determination of the size of the design, calculation bent structure of the reinforcement of the pile foundation and load, and its length calculation. The operator were also seized to meet the requirements.Key words: water supply building ; Aqueduct;Rectangular cross-sectiong; Bent目录1 设计资料及说明 (1)工程概况及任务由来 (1)设计基本资料 (1)工程等级及建筑物级别 (2)建筑物结构布置原则 (3)2水力计算 (4)渡槽水力计算 (5)总水头损失的校定与i、B、H的确定 (6)渡槽水头损失计算 (6)槽底进出口高程的确定 (8)通过加大流量时水面衔接检查 (9)3槽身结构计算 (10)槽身的横向结构计算 (11)槽身的纵向结构计算 (19)4槽墩的结构设计 (23)5 排架及基础结构计算 (24)排架横向计算简图及荷载计算 (24)排架横向内力以及配筋计算 (26)排架纵向内力以及配筋计算 (33)吊装验算 (34)牛腿设计 (36)基础结构设计及配筋计算 (37)6渡槽及其地基的稳定验算 (43)槽身的整体稳定性计算 (43)渡槽的抗滑抗倾覆及基底压应力验算 (43)7 细部结构 (46)伸缩缝及止水 (46)支座 (46)两岸连接 (46)沉降验算地基处理措施 (47)支座止水设计 (47)出口消能工设计 (47) (47)结束语 (47)谢辞 (47)参考文献 (48)1设计资料及说明工程概况及任务由来南水北调中线工程总干渠河北省南段线路以冀豫交界处的漳河北为起点,沿京广铁路西侧的太行山东麓自南向北,经过河北省邯郸、邢台、石家庄3市及所属11个县(市),至京石应急供水段起点为止,,.黄岗渡槽是南水北调工程总干渠上的一座跨渠输水建筑物,与总干渠交叉点桩号为10+437(黄岗渡槽位置详见总体布置图)。
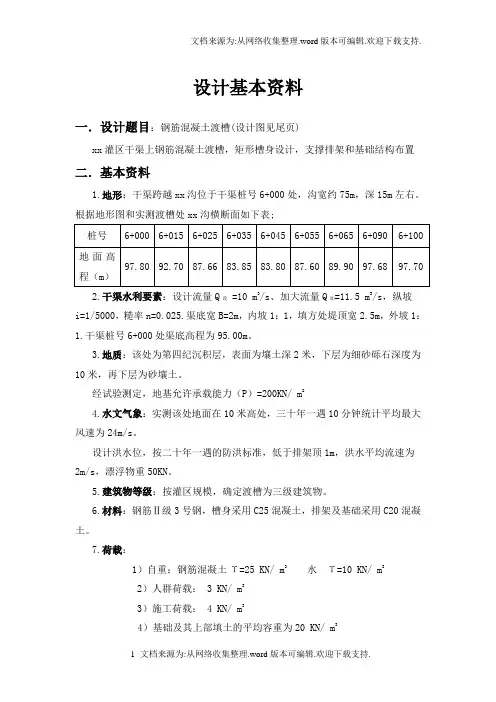
设计基本资料一.设计题目:钢筋混凝土渡槽(设计图见尾页)xx灌区干渠上钢筋混凝土渡槽,矩形槽身设计,支撑排架和基础结构布置二.基本资料1.地形:干渠跨越xx沟位于干渠桩号6+000处,沟宽约75m,深15m左右。
根据地形图和实测渡槽处xx沟横断面如下表;2.干渠水利要素:设计流量Q设 =10 m3/s、加大流量Q加=11.5 m3/s,纵坡i=1/5000,糙率n=0.025.渠底宽B=2m,内坡1:1,填方处堤顶宽2.5m,外坡1:1.干渠桩号6+000处渠底高程为95.00m。
3.地质:该处为第四纪沉积层,表面为壤土深2米,下层为细砂砾石深度为10米,再下层为砂壤土。
经试验测定,地基允许承载能力(P)=200KN/ m24.水文气象:实测该处地面在10米高处,三十年一遇10分钟统计平均最大风速为24m/s。
设计洪水位,按二十年一遇的防洪标准,低于排架顶1m,洪水平均流速为2m/s,漂浮物重50KN。
5.建筑物等级:按灌区规模,确定渡槽为三级建筑物。
6.材料:钢筋Ⅱ级3号钢,槽身采用C25混凝土,排架及基础采用C20混凝土。
7.荷载:1)自重:钢筋混凝土Υ=25 KN/ m3水Υ=10 KN/ m3 2)人群荷载: 3 KN/ m33)施工荷载: 4 KN/ m34)基础及其上部填土的平均容重为20 KN/ m3三.设计原则与要求1.构件强度及裂缝计算应遵守“水工钢筋混凝土结构设计规范“(SDJ20-78)2.为了减少应力集中,构件内角处应加补角,但计算可以忽略不计。
3.计算说明书要求内容完全、书写工整。
4.图纸要求布局适当、图面清洁、字体工整。
四.设计内容1.水力计算:确定渡槽纵坡、过水断面尺寸、水面衔接、水头损失和上下游链接。
2.对槽身进行纵向、横向结构计算,按照强度、刚度和构件要求配置钢筋。
3.拟定排架及基础尺寸。
4.两岸链接和布置。
五.设计成果1.计算说明书一份2.设计图纸一张(A1)总体布置图:纵剖面及平面图一节槽身钢筋布置图:槽身中部、端部剖面,侧墙钢筋布置及底板上、下层钢筋布置图,并列处钢筋用量明细表。
内容摘要本次设计作为水利水电工程专业的毕业设计,主要目的在于运用所学的有关专业课,专业基础知识及基础课等的理论;了解并初步掌握水利工程的设计内容,设计方法和设计步骤;熟悉水利工程的设计规范;提高编写设计说明书和各种计算及制图的能力。
根据设计任务书,说明书分为四章。
第一章,基本资料。
第二章,整体布置,确定渡槽的线路和槽身总长度,进行水利计算,确定槽底纵坡以及进出口高程。
第三章,槽身结构设计,确定槽身的横断面尺寸,进行槽身纵横断面内力计算及结构计算。
第四章,支承结构设计,确定支承结构的尺寸,进行支承结构的结构计算,渡槽基础的结构计算及渡槽整体稳定性计算。
AbstractThis design is a graduation project of undergraduation. Its main aim is to apply what have been learned in class, such as specialized courses, specialized basic courses, basic courses and so on, to initially master the content of design, the methods of design, the steps of design of the irrigation project; to have an intimate knowledge of the design standard of the irrigation project; to raise the capacity to compile the design exposition and the capacity of calculation and drawing.According to the task, the design exposition is made up of four chapters. Chapter one is the basic material. Chapter two is assignment on the whole, in which the aqueduct line and total length are decided, and make the hydraulic design to decide the slope of bottom and the altitude of exit and entrance. Chapter three is the structure design of aqueduct body, in which the cross section of aqueduct body is decided, and calculate the internal force and the structure of cross section and vertical section. Chapter four is the structure design of support structure, in which the dimensions of support structure are decided, and calculate the internal force and structure of support structure , and calculate the structure of aqueduct foundations, and check the stability of aqueduct on the whole.毕业设计(论文)原创性声明和使用授权说明原创性声明本人郑重承诺:所呈交的毕业设计(论文),是我个人在指导教师的指导下进行的研究工作及取得的成果。
毕业设计任务书设计题目:许营渡槽矩形槽身墩式支撑所在学院:所学专业:水利水电工程指导教师:姓名:班级:学号:目录1 毕业设计目的2 设计基本要求3 设计成果及具体要求4 时间安排5 基本资料6 个人设计任务1 毕业设计目的本毕业设计是本专业教学大纲所规定的重要教学内容,是学生在校期间进行最后一次理论结合实际的较全面和基本的训练,是对几年来所学知识的系统运用和检验,也是走向工作岗位之前的最后一次的过渡性练兵。
通过这次毕业设计要求达到以下基本目的。
(1)巩固、加强、扩大和提高以往所学的有关基础理论和专业知识;(2)培养学生综合运用所学的知识以解决实际工程问题的独立工作能力,并初步掌握进行水利枢纽和水工建筑物的设计思想、设计程序、设计原则、步骤和方法;(3)培养学生使用有关设计规范、手册、参考文献以及分析计算、绘图、概算和编写设计说明书等项能力的基本技能训练;(4)通过毕业设计使学生了解我国现行的基本建设程序,建立工程设计的技术和经济的政策正确观点;(5)因此,要求每个同学在长达15周的毕业设计中,抓紧时间,遵守纪律,努力学习工作,认真踏实,一丝不苟,实事求是,举一反三,充分发挥个人的主动性和创造性,独立的和高质量的完成本次设计,以便在今后的生产实践中当一名出色的工程师,为我国的水利事业也是为国民经济的基础设施和基础产业而做出贡献。
2 设计基本要求(1)设计者必须发挥独立思考能力,创造性地完成设计任务,在设计中应遵循设计规范,尽量利用国内外先进技术与经验;(2)设计者对待设计计算、绘图等工作应具有严肃认真一丝不苟的工作作风,以使设计成果达到较高的水平;(3)设计者必须充分重视和熟悉原始资料,明确设计任务,在规定时间内圆满完成要求的设计内容,成果包括:设计说明书一份(按规范格式)A1图纸4-5份(文本版+光盘)。
3 设计成果及具体要求3.1 设计成果设计成果包括:(1)设计说明计算书1份(2)渡槽纵剖面图1张(3)渡槽总体平面布置图1张(4)渡槽整体配筋图1张(5)渡槽横向布置图1张(6)渡槽细部构造图1张3.2 设计成果具体要求3.2.1.设计说明书编写原则:(1)按章节叙述,先拟好提纲再编写,要体现出清晰的设计思路;(2)包括基本资料和基本数据;(3)说明设计标准、设计情况及设计依据;(4)阐述设计思想、原则及方法(包括所采用的基本理论和公式说明,采用条件及原因,所考虑问题的影响因素)(5)对具体设计要说明设计的前提、设计原理、方法、主要步骤、主要过程及阶段性成果、最后成果,成果尽量以表格的形式给出;(6)对成果的分析及结论:对成果的分析一定要有分析和判断,给以评价,分析存在问题的原因和改进措施;(7)要求简明扼要,思路清晰,用语简练。
工程名称: 哈密市五堡镇五堡大桥渡槽工程设计阶段:施工阶段渡槽计算书计算:日期:2015.09.01哈密托实水利水电勘测设计有限责任公司2015.09.011 基本资料五堡大桥渡槽定为4级建筑物,设计流量Q设=1.2m³/s ,加大流量Qm=1.56m³/s。
,渡槽总长25.6m,进口与上游改建梯形现浇砼渠道连接,出口与下游改建矩形现浇砼渠道连接。
2 渡槽选型与布置2.1 结构型式选择梁式渡槽的槽身是直接搁置于槽墩或槽架之上的。
为适应温度变化及地基不均匀沉陷等原因而引起的变形,必须设置变形缝将槽身分为独立工作的若干节,并将槽身与进出口建筑物分开。
变形缝之间的每一节槽身沿纵向是两个支点所以既起输水作用又起纵向梁作用。
根据支点位置的不同,梁式渡槽有简支梁式双悬臂梁式和单悬臂梁式三种型式。
单悬臂梁式一般只在双悬臂梁式向简支梁式过渡或与进出口建筑物连接时使用。
简支梁式槽身施工吊装方便,接缝止水构造简单,但跨中弯矩较大,底板受拉对抗裂防渗不利。
简支梁式槽身常用的跨度为8-15m。
本设计采用简支梁式槽身,跨度取为12.8m。
梁式渡槽的槽身采用钢筋混凝土结构。
2.2 总体布置渡槽的位置选择是选定渡槽的中心线及槽身起止点的位置。
本设计的渡槽的中心线已选定。
具体选择时可以从以下几方面考虑:(1)槽址应尽量选在地质良好、地形有利和便于施工的地方,以便缩短槽身长度、减少工程量、降低墩架高度;(2)槽轴线最好成一直线,进口和出口避免急转弯,否则将恶化水流条件,影响正常输水;(3)跨越河流的渡槽,槽轴线应与河道水流方向尽量成正交,槽址应位于河床及岸坡稳定、水流顺直的地段,避免位于河流转弯处;2.3 结构布置根据渠系规划确定,选用钢筋混凝土简支梁式渡槽进行输水,槽身采用带拉杆的矩形槽,支承结构采用单排架型式,两立柱之间设横梁,基础采用整体板式基础支撑排架。
渡槽全长25.6m,采用等跨布置方案,一跨长度为12.8m。
摘要本次设计作为水利水电工程专业本科生的毕业设计,主要目的在于运用所学的有关专业课,专业基础知识及基础课等的理论;了解并初步掌握水利工程的设计内容,设计方法和设计步骤;熟悉水利工程的设计规范;提高编写设计说明书和各种计算及制图的能力。
根据设计任务书,说明书分为四章。
第一章,基本资料。
第二章,整体布置,确定渡槽的线路和槽身总长度,进行水利计算,确定槽底纵坡以及进出口高程。
第三章,槽身结构设计,确定槽身的横断面尺寸,进行槽身纵横断面内力计算及结构计算。
第四章,支承结构设计,确定支承结构的尺寸,进行支承结构的结构计算,渡槽基础的结构计算及渡槽整体稳定性计算。
AbstractThis design is a graduation project of undergraduation. Its main aim is to apply what have been learned in class, such as specialized courses, specialized basic courses, basic courses and so on, to initially master the content of design, the methods of design, the steps of design of the irrigation project; to have an intimate knowledge of the design standard of the irrigation project; to raise the capacity to compile the design exposition and the capacity of calculation and drawing.According to the task, the design exposition is made up of four chapters. Chapter one is the basic material. Chapter two is assignment on the whole, in which the aqueduct line and total length are decided, and make the hydraulic design to decide the slope of bottom and the altitude of exit and entrance. Chapter three is the structure design of aqueduct body, in which the cross section of aqueduct body is decided, and calculate the internal force and the structure of cross section and vertical section. Chapter four is the structure design of support structure, in which the dimensions of support structure are decided, and calculate the internal force and structure of support structure , and calculate the structure of aqueduct foundations, and check the stability of aqueduct on the whole.内容摘要 (Ⅰ)Abstract (Ⅱ)第一部分设计说明书 (1)1 基本材料 (1)2 地形地质情况 (2)2.1 地形资料 (2)2.2 地质资料 (2)2.3 灌区规划要求 (2)2.4 气象资料 (3)2.5 其他资料 (3)3 输水方案及建筑物型式的论证 (3)3.1 方案的论证 (3)4 整体布置 (4)4.1 渡槽的位置选择 (4)4.2 槽身的水力设计 (4)4.3 槽身支承结构型式的选择和布置 (4)4.4 跨度、跨数及轮廓尺寸的拟定 (5)4.5 进出口段的型式选择及布置 (5)5 槽身结构设计 (5)5.1 身槽横剖面型式及尺寸的拟定 (5)5.2 槽身纵向内力计算及配筋计算 (6)5.3 横向内力计算及配筋计算 (7)6 支承结构设计 (10)6.1 支承结构型式及尺寸的拟定 (10)6.2 槽墩与槽架的结构计算 (11)6.2.1 槽墩结构计算 (11)6.2.2 槽墩的基础结构 (12)6.2.3 渡槽的整体稳定性验算 (12)第二部分计算书 (13)1.槽身的水力设计 (13)1.1 拟定槽身的纵坡i、净宽B0和净深H0 (13)1.2 渡槽的进出口高程计算 (13)2.槽身纵向内力计算及配筋计算 (14)2.1 荷载计算 (15)2.2 内力计算 (16)2.3 正截面的配筋计算 (16)2.4 槽身纵向抗裂验算 (18)2.5斜截面抗剪计算 (19)3.槽身横向内力计算及配筋计算 (19)3.1 底板的结构计算 (20)3.1.1 短跨方向 (21)3.1.2 长跨方向 (21)3.2 侧墙的结构计算 (22)3.3 肋的结构计算 (22)3.3.1 内力计算 (23)3.3.2侧墙与肋所构成的T形梁的配筋计算 (27)3.3.3底板与肋所构成的T形截面梁的结构计算 (30)3.4 槽身的稳定验算 (32)3.4.1槽身的计算简图及荷载计算 (32)3.4.2 抗滑稳定验算 (33)3.4.3 抗倾覆稳定验算 (34)4 支承结构设计 (35)4.1设计说明 (35)4.2 边墩的结构计算 (35)4.2.1 荷载计算 (36)4.2.2 抗滑稳定计算 (37)4.2.3 抗倾覆稳定计算 (37)4.2.4 基地正应力验算 (37)4.3 槽墩的设计 (39)4.3.1 基本尺寸的确定 (39)4.3.2 应力计算 (40)4.3.3基础应力验算 (41)4.3.4 墩顶应力验算 (44)4.3.5 墩底应力验算 (45)5 细部结构设计 (48)5.1 伸缩缝与止水 (48)5.2 支座 (49)5.3 两岸连接 (50)6 工程量计算 (51)谢辞 (52)参考文献 (53)英文文献及中文翻译 (54)第一部分设计说明书1 基本材料本设计取材于实际的工程许营渡槽,许营渡槽是陆浑灌区东一干渠上的跨越伊河上的建筑物.陆浑灌区是河南省较大的灌区之一,灌区处在半山区和丘岭地区 ,跨越洛阳、开封、郑州市三个地区的六个县,灌区灌溉面积134亩。
摘要本次设计作为水利水电工程专业本科生的毕业设计,主要目的在于运用所学的有关专业课,专业基础知识及基础课等的理论;了解并初步掌握水利工程的设计内容,设计方法和设计步骤;熟悉水利工程的设计规范;提高编写设计说明书和各种计算及制图的能力。
根据设计任务书,说明书分为四章。
第一章,基本资料。
第二章,整体布置,确定渡槽的线路和槽身总长度,进行水利计算,确定槽底纵坡以及进出口高程。
第三章,槽身结构设计,确定槽身的横断面尺寸,进行槽身纵横断面内力计算及结构计算。
第四章,支承结构设计,确定支承结构的尺寸,进行支承结构的结构计算,渡槽基础的结构计算及渡槽整体稳定性计算。
AbstractThis design is a graduation project of undergraduation. Its main aim is to apply what have been learned in class, such as specialized courses, specialized basic courses, basic courses and so on, to initially master the content of design, the methods of design, the steps of design of the irrigation project; to have an intimate knowledge of the design standard of the irrigation project; to raise the capacity to compile the design exposition and the capacity of calculation and drawing.According to the task, the design exposition is made up of four chapters. Chapter one is the basic material. Chapter two is assignment on the whole, in which the aqueduct line and total length are decided, and make the hydraulic design to decide the slope of bottom and the altitude of exit and entrance. Chapter three is the structure design of aqueduct body, in which the cross section of aqueduct body is decided, and calculate the internal force and the structure of cross section and vertical section. Chapter four is the structure design of support structure, in which the dimensions of support structure are decided, and calculate the internal force and structure of support structure , and calculate the structure of aqueduct foundations, and check the stability of aqueduct on the whole.内容摘要 (Ⅰ)Abstract (Ⅱ)第一部分设计说明书 (1)1基本材料 (1)2 地形地质情况 (2)2.1 地形资料 (2)2.2地质资料 (2)2.3灌区规划要求 (2)2.4气象资料 (3)2.5其他资料 (3)3输水方案及建筑物型式的论证 (3)3.1方案的论证 (3)4整体布置 (4)4.1 渡槽的位置选择 (4)4.2 槽身的水力设计 (4)4.3 槽身支承结构型式的选择和布置 (4)4.4跨度、跨数及轮廓尺寸的拟定 (5)4.5进出口段的型式选择及布置 (5)5 槽身结构设计 (5)5.1身槽横剖面型式及尺寸的拟定 (5)5.2 槽身纵向内力计算及配筋计算 (6)5.3横向内力计算及配筋计算 (7)6支承结构设计 (10)6.1支承结构型式及尺寸的拟定 (10)6.2槽墩与槽架的结构计算 (11)6.2.1 槽墩结构计算 (11)6.2.2槽墩的基础结构 (12)6.2.3 渡槽的整体稳定性验算 (12)第二部分计算书 (13)1.槽身的水力设计 (13)1.1 拟定槽身的纵坡i、净宽B0和净深H0 (13)1.2 渡槽的进出口高程计算 (13)2.槽身纵向内力计算及配筋计算 (14)2.1荷载计算 (15)2.2内力计算 (16)2.3 正截面的配筋计算 (16)2.4槽身纵向抗裂验算 (18)2.5斜截面抗剪计算 (19)3.槽身横向内力计算及配筋计算 (19)3.1底板的结构计算 (20)3.1.1短跨方向 (21)3.1.2 长跨方向 (21)3.2侧墙的结构计算 (22)3.3肋的结构计算 (22)3.3.1内力计算 (23)3.3.2侧墙与肋所构成的T形梁的配筋计算 (27)3.3.3底板与肋所构成的T形截面梁的结构计算 (30)3.4 槽身的稳定验算 (32)3.4.1槽身的计算简图及荷载计算 (32)3.4.2抗滑稳定验算 (33)3.4.3抗倾覆稳定验算 (34)4支承结构设计 (35)4.1设计说明 (35)4.2边墩的结构计算 (35)4.2.1 荷载计算 (36)4.2.2抗滑稳定计算 (37)4.2.3抗倾覆稳定计算 (37)4.2.4基地正应力验算 (37)4.3槽墩的设计 (39)4.3.1基本尺寸的确定 (39)4.3.2 应力计算 (40)4.3.3基础应力验算 (41)4.3.4墩顶应力验算 (44)4.3.5墩底应力验算 (45)5细部结构设计 (48)。
设计基本资料一.设计题目:钢筋混凝土渡槽(设计图见尾页)xx灌区干渠上钢筋混凝土渡槽,矩形槽身设计,支撑排架和基础结构布置二.基本资料1.地形:干渠跨越xx沟位于干渠桩号6+000处,沟宽约75m,深15m左右。
根据地形图和实测渡槽处xx沟横断面如下表;桩号6+000 6+015 6+025 6+035 6+045 6+055 6+065 6+090 6+100 地面高程(m)97.80 92.70 87.66 83.85 83.80 87.60 89.90 97.68 97.702.干渠水利要素:设计流量Q设 =10 m3/s、加大流量Q加=11.5 m3/s,纵坡i=1/5000,糙率n=0.025.渠底宽B=2m,内坡1:1,填方处堤顶宽2.5m,外坡1:1.干渠桩号6+000处渠底高程为95.00m。
3.地质:该处为第四纪沉积层,表面为壤土深2米,下层为细砂砾石深度为10米,再下层为砂壤土。
经试验测定,地基允许承载能力(P)=200KN/ m24.水文气象:实测该处地面在10米高处,三十年一遇10分钟统计平均最大风速为24m/s。
设计洪水位,按二十年一遇的防洪标准,低于排架顶1m,洪水平均流速为2m/s,漂浮物重50KN。
5.建筑物等级:按灌区规模,确定渡槽为三级建筑物。
6.材料:钢筋Ⅱ级3号钢,槽身采用C25混凝土,排架及基础采用C20混凝土。
7.荷载:1)自重:钢筋混凝土Υ=25 KN/ m3水Υ=10 KN/ m3 2)人群荷载: 3 KN/ m33)施工荷载: 4 KN/ m34)基础及其上部填土的平均容重为20 KN/ m3三.设计原则与要求1.构件强度及裂缝计算应遵守“水工钢筋混凝土结构设计规范“(SDJ20-78)2.为了减少应力集中,构件内角处应加补角,但计算可以忽略不计。
3.计算说明书要求内容完全、书写工整。
4.图纸要求布局适当、图面清洁、字体工整。
四.设计内容1.水力计算:确定渡槽纵坡、过水断面尺寸、水面衔接、水头损失和上下游链接。
矩形渡槽设计内容摘要本次设计作为水利水电工程专业的毕业设计,主要目的在于运用所学的有关专业课,专业基础知识及基础课等的理论;了解并初步掌握水利工程的设计内容,设计方法和设计步骤;熟悉水利工程的设计规范;提高编写设计说明书和各种计算及制图的能力。
根据设计任务书,说明书分为四章。
第一章,基本资料。
第二章,整体布置,确定渡槽的线路和槽身总长度,进行水利计算,确定槽底纵坡以及进出口高程。
第三章,槽身结构设计,确定槽身的横断面尺寸,进行槽身纵横断面内力计算及结构计算。
第四章,支承结构设计,确定支承结构的尺寸,进行支承结构的结构计算,渡槽基础的结构计算及渡槽整体稳定性计算。
AbstractThis design is a graduation project of undergraduation. Its main aim is to apply what have been learned in class, such as specialized courses, specialized basic courses, basic courses and so on, to initially master the content of design, the methods of design, the steps of design of the irrigation project; to have an intimate knowledge of the design standard of the irrigation project; to raise the capacity to compile the design exposition and the capacity of calculation and drawing.According to the task, the design exposition is made up of four chapters. Chapter one is the basic material. Chapter two is assignment on the whole, in which the aqueduct line and total length are decided, and make the hydraulic design to decide the slope of bottom and the altitude of exit and entrance. Chapter three is the structure design of aqueduct body, in which the cross section of aqueduct body is decided, and calculate the internal force and the structure of cross section and vertical section. Chapter four is the structure design of support structure, in which the dimensions of support structure are decided, and calculate the internal force and structure of support structure , and calculate the structure of aqueduct foundations, and check the stability of aqueduct on the whole.毕业设计(论文)原创性声明和使用授权说明原创性声明本人郑重承诺:所呈交的毕业设计(论文),是我个人在指导教师的指导下进行的研究工作及取得的成果。
摘要本次设计作为水利水电工程专业本科生的毕业设计,主要目的在于运用所学的有关专业课,专业基础知识及基础课等的理论;了解并初步掌握水利工程的设计内容,设计方法和设计步骤;熟悉水利工程的设计规范;提高编写设计说明书和各种计算及制图的能力。
根据设计任务书,说明书分为四章。
第一章,基本资料。
第二章,整体布置,确定渡槽的线路和槽身总长度,进行水利计算,确定槽底纵坡以及进出口高程。
第三章,槽身结构设计,确定槽身的横断面尺寸,进行槽身纵横断面内力计算及结构计算。
第四章,支承结构设计,确定支承结构的尺寸,进行支承结构的结构计算,渡槽基础的结构计算及渡槽整体稳定性计算。
AbstractThis design is a graduation project of undergraduation. Its main aim is to apply what have been learned in class, such as specialized courses, specialized basic courses, basic courses and so on, to initially master the content of design, the methods of design, the steps of design of the irrigation project; to have an intimate knowledge of the design standard of the irrigation project; to raise the capacity to compile the design exposition and the capacity of calculation and drawing.According to the task, the design exposition is made up of four chapters. Chapter one is the basic material. Chapter two is assignment on the whole, in which the aqueduct line and total length are decided, and make the hydraulic design to decide the slope of bottom and the altitude of exit and entrance. Chapter three is the structure design of aqueduct body, in which the cross section of aqueduct body is decided, and calculate the internal force and the structure of cross section and vertical section. Chapter four is the structure design of support structure, in which the dimensions of support structure are decided, and calculate the internal force and structure of support structure , and calculate the structure of aqueduct foundations, and check the stability of aqueduct on the whole.内容摘要 (Ⅰ)Abstract (Ⅱ)第一部分设计说明书 (1)1 基本材料 (1)2 地形地质情况 (2)2.1 地形资料 (2)2.2 地质资料 (2)2.3 灌区规划要求 (2)2.4 气象资料 (3)2.5 其他资料 (3)3 输水方案及建筑物型式的论证 (3)3.1 方案的论证 (3)4 整体布置 (4)4.1 渡槽的位置选择 (4)4.2 槽身的水力设计 (4)4.3 槽身支承结构型式的选择和布置 (4)4.4 跨度、跨数及轮廓尺寸的拟定 (5)4.5 进出口段的型式选择及布置 (5)5 槽身结构设计 (5)5.1 身槽横剖面型式及尺寸的拟定 (5)5.2 槽身纵向内力计算及配筋计算 (6)5.3 横向内力计算及配筋计算 (7)6 支承结构设计 (10)6.1 支承结构型式及尺寸的拟定 (10)6.2 槽墩与槽架的结构计算 (11)6.2.1 槽墩结构计算 (11)6.2.2 槽墩的基础结构 (12)6.2.3 渡槽的整体稳定性验算 (12)第二部分计算书 (13)1.槽身的水力设计 (13)1.1 拟定槽身的纵坡i、净宽B0和净深H0 (13)1.2 渡槽的进出口高程计算 (13)2.槽身纵向内力计算及配筋计算 (14)2.1 荷载计算 (15)2.2 内力计算 (16)2.3 正截面的配筋计算 (16)2.4 槽身纵向抗裂验算 (18)2.5斜截面抗剪计算 (19)3.槽身横向内力计算及配筋计算 (19)3.1 底板的结构计算 (20)3.1.1 短跨方向 (21)3.1.2 长跨方向 (21)3.2 侧墙的结构计算 (22)3.3 肋的结构计算 (22)3.3.1 内力计算 (23)3.3.2侧墙与肋所构成的T形梁的配筋计算 (27)3.3.3底板与肋所构成的T形截面梁的结构计算 (30)3.4 槽身的稳定验算 (32)3.4.1槽身的计算简图及荷载计算 (32)3.4.2 抗滑稳定验算 (33)3.4.3 抗倾覆稳定验算 (34)4 支承结构设计 (35)4.1设计说明 (35)4.2 边墩的结构计算 (35)4.2.1 荷载计算 (36)4.2.2 抗滑稳定计算 (37)4.2.3 抗倾覆稳定计算 (37)4.2.4 基地正应力验算 (37)4.3 槽墩的设计 (39)4.3.1 基本尺寸的确定 (39)4.3.2 应力计算 (40)4.3.3基础应力验算 (41)4.3.4 墩顶应力验算 (44)4.3.5 墩底应力验算 (45)5 细部结构设计 (48)5.1 伸缩缝与止水 (48)5.2 支座 (49)5.3 两岸连接 (50)6 工程量计算 (51)谢辞 (52)参考文献 (53)英文文献及中文翻译 (54)第一部分设计说明书1 基本材料本设计取材于实际的工程许营渡槽,许营渡槽是陆浑灌区东一干渠上的跨越伊河上的建筑物.陆浑灌区是河南省较大的灌区之一,灌区处在半山区和丘岭地区 ,跨越洛阳、开封、郑州市三个地区的六个县,灌区灌溉面积134亩。
《水工钢筋混凝土结构学》课程设计任务书某钢筋混凝土渡槽槽身结构设计指导老师:傅少君武汉大学土木建筑工程学院2015年11月1 设计题目某灌区输水渠道上装配式钢筋混凝土矩形渡槽2 设计资料根据初步设计成果,基本资料及有关数据如下:(1)该输水渡槽跨越 142m 长的低洼地带(如图 1 所示),需修建通过 /s 15m 3 设计 流量及16m /s 校核流量,渡槽无通航要求。
经水力计算结果,槽身最大设计水深H=2.75m ,校核水深为 2.90m 。
支承结构采用刚架,槽身及刚架均采用整体吊装的预制 装配结构,设计一节槽身。
槽底高程(M)渠道进口段洼地长(M )20.00M渠道进口段5.00M(2)建筑物等级 4 级。
图 1渡槽跨越洼地带(3)建筑材料:混凝土强度等级,槽身架采用 C25 级; 槽身架受力筋为 HRB335,分布筋、箍筋 HPB235。
(4)荷载钢筋混凝土重力密度 25kN/m ;人行道人群荷载 2.5kN/m ;栏杆重 1.5kN/m 。
(5)使用要求322底板有抗裂要求。
槽身纵向允许挠度[f s]=l0/500,[f L]=l0/550。
3设计要求在规定时间内,独立完成下列成果:(1)设计计算书及说明书,计算书包括:设计题目、设计资料,结构布置及尺寸简图;槽身过水能力计算、槽身、刚架的结构计算(附必要的计算草图);设计说明书包括对计算书中没有表达完全部分的说明。
(2)施工详图,一号图纸2张,包括:槽身结构布置图(手绘)、槽身配筋图(计算机绘制)、钢筋表及必要说明;图纸要求布局合理,线条粗细清晰,尺寸、符号标注齐全,符合制图标准要求。
附件:《水工钢筋混凝土结构学》课程设计指导书附一渡槽设计大钢1概述简要说明:工程位置、设计规模等概况,前阶段设计结论及审批意见,基本资料变动情况,专题研究结论,有关会议或协议情况,对本阶段设计要求及注意的问题……等。
渡槽是渠道跨越河流、溪谷、洼地和道路的明流输水建筑物,是水利工程中应用最广的交叉建筑物之一。
设计基本资料一.设计题目:钢筋混凝土渡槽(设计图见尾页)xx灌区干渠上钢筋混凝土渡槽,矩形槽身设计,支撑排架和基础结构布置二.基本资料1.地形:干渠跨越xx沟位于干渠桩号6+000处,沟宽约75m,深15m左右。
根据地形图和实测渡槽处xx沟横断面如下表;2.干渠水利要素:设计流量Q设 =10 m3/s、加大流量Q加=11.5 m3/s,纵坡i=1/5000,糙率n=0.025.渠底宽B=2m,内坡1:1,填方处堤顶宽2.5m,外坡1:1.干渠桩号6+000处渠底高程为95.00m。
3.地质:该处为第四纪沉积层,表面为壤土深2米,下层为细砂砾石深度为10米,再下层为砂壤土。
经试验测定,地基允许承载能力(P)=200KN/ m24.水文气象:实测该处地面在10米高处,三十年一遇10分钟统计平均最大风速为24m/s。
设计洪水位,按二十年一遇的防洪标准,低于排架顶1m,洪水平均流速为2m/s,漂浮物重50KN。
5.建筑物等级:按灌区规模,确定渡槽为三级建筑物。
6.材料:钢筋Ⅱ级3号钢,槽身采用C25混凝土,排架及基础采用C20混凝土。
7.荷载:1)自重:钢筋混凝土Υ=25 KN/ m3水Υ=10 KN/ m3 2)人群荷载: 3 KN/ m33)施工荷载: 4 KN/ m34)基础及其上部填土的平均容重为20 KN/ m3三.设计原则与要求1.构件强度及裂缝计算应遵守“水工钢筋混凝土结构设计规范“(SDJ20-78)2.为了减少应力集中,构件内角处应加补角,但计算可以忽略不计。
3.计算说明书要求内容完全、书写工整。
4.图纸要求布局适当、图面清洁、字体工整。
四.设计内容1.水力计算:确定渡槽纵坡、过水断面尺寸、水面衔接、水头损失和上下游链接。
2.对槽身进行纵向、横向结构计算,按照强度、刚度和构件要求配置钢筋。
3.拟定排架及基础尺寸。
4.两岸链接和布置。
五.设计成果1.计算说明书一份2.设计图纸一张(A1)总体布置图:纵剖面及平面图一节槽身钢筋布置图:槽身中部、端部剖面,侧墙钢筋布置及底板上、下层钢筋布置图,并列处钢筋用量明细表。
摘要本次设计作为水利水电工程专业本科生的毕业设计,主要目的在于运用所学的有关专业课,专业基础知识及基础课等的理论;了解并初步掌握水利工程的设计内容,设计方法和设计步骤;熟悉水利工程的设计规范;提高编写设计说明书和各种计算及制图的能力。
根据设计任务书,说明书分为四章。
第一章,基本资料。
第二章,整体布置,确定渡槽的线路和槽身总长度,进行水利计算,确定槽底纵坡以及进出口高程。
第三章,槽身结构设计,确定槽身的横断面尺寸,进行槽身纵横断面内力计算及结构计算。
第四章,支承结构设计,确定支承结构的尺寸,进行支承结构的结构计算,渡槽基础的结构计算及渡槽整体稳定性计算。
AbstractThis design is a graduation project of undergraduation. Its main aim is toapply what have been learned in class, such as specialized courses, specialized basic courses, basic courses and so on, to initially master the content of design, the methods of design, the steps of design of the irrigation project; to havean intimate knowledge of the design standard of the irrigation project; to raise the capacity to compile the design exposition and the capacity of calculationand drawing.According to the task, the design exposition is made up of four chapters.Chapter one is the basic material. Chapter two is assignment on the whole, inwhich the aqueduct line and total length are decided, and make the hydraulicdesign to decide the slope of bottom and the altitude of exit and entrance.Chapter three is the structure design of aqueduct body, in which the cross section of aqueduct body is decided, and calculate the internal force and the structure of cross section and vertical section. Chapter four is the structure design ofsupport structure, in which the dimensions of support structure are decided,and calculate the internal force and structure of support structure , andcalculate the structure of aqueduct foundations, and check the stability ofaqueduct on the whole.内容摘要 (Ⅰ)Abstract (Ⅱ)第一部分设计说明书 (1)1 基本材料 (1)2 地形地质情况 (2)地形资料 (2)地质资料 (2)灌区规划要求 (2)气象资料 (3)其他资料 (3)3 输水方案及建筑物型式的论证 (3)方案的论证 (3)4 整体布置 (4)渡槽的位置选择 (4)槽身的水力设计 (4)槽身支承结构型式的选择和布置 (4)跨度、跨数及轮廓尺寸的拟定 (5)进出口段的型式选择及布置 (5)5 槽身结构设计 (5)身槽横剖面型式及尺寸的拟定 (5)槽身纵向内力计算及配筋计算 (6)横向内力计算及配筋计算 (7)6 支承结构设计 (10)支承结构型式及尺寸的拟定 (10)槽墩与槽架的结构计算 (11)6.2.1槽墩结构计算 (11)6.2.2槽墩的基础结构 (12)6.2.3渡槽的整体稳定性验算 (12)第二部分计算书 (13)1.槽身的水力设计 (13)拟定槽身的纵坡i 、净宽 B0 和净深 H0 (13)渡槽的进出口高程计算 (13)2.槽身纵向内力计算及配筋计算 (14)荷载计算 (15)内力计算 (16)正截面的配筋计算 (16)槽身纵向抗裂验算 (18)斜截面抗剪计算 (19)3.槽身横向内力计算及配筋计算 (19)底板的结构计算 (20)3.1.1短跨方向 (21)3.1.2长跨方向 (21)侧墙的结构计算 (22)肋的结构计算 (22)3.3.1内力计算 (23)3.3.2侧墙与肋所构成的T 形梁的配筋计算 (27)3.3.3底板与肋所构成的T 形截面梁的结构计算 (30)槽身的稳定验算 (32)3.4.1槽身的计算简图及荷载计算 (32)3.4.2抗滑稳定验算 (33)3.4.3抗倾覆稳定验算 (34)4 支承结构设计 (35)设计说明 (35)边墩的结构计算 (35)4.2.1荷载计算 (36)4.2.2抗滑稳定计算 (37)4.2.3抗倾覆稳定计算 (37)4.2.4基地正应力验算 (37)槽墩的设计 (39)4.3.1基本尺寸的确定 (39)4.3.2应力计算 (40)4.3.3基础应力验算 (41)4.3.4墩顶应力验算 (44)4.3.5墩底应力验算 (45)5 细部结构设计 (48)伸缩缝与止水 (48)支座 (49)两岸连接 (50)6工程量计算 (51)谢辞 . (52)参考文献 (53)英文文献及中文翻译 (54)第一部分设计说明书1基本材料本设计取材于实际的工程许营渡槽,许营渡槽是陆浑灌区东一干渠上的跨越伊河上的建筑物 . 陆浑灌区是河南省较大的灌区之一 , 灌区处在半山区和丘岭地区 , 跨越洛阳、开封、郑州市三个地区的六个县 , 灌区灌溉面积 134 亩。
设计基本资料一.设计题目:钢筋混凝土渡槽(设计图见尾页)xx灌区干渠上钢筋混凝土渡槽,矩形槽身设计,支撑排架和基础结构布置二.基本资料1.地形:干渠跨越xx沟位于干渠桩号6+000处,沟宽约75m,深15m 左右。
根据地形图和实测渡槽处xx沟横断面如下表;2。
干渠水利要素:设计流量Q设 =10 m3/s、加大流量Q加=11.5 m3/s,纵坡i=1/5000,糙率n=0。
025。
渠底宽B=2m,内坡1:1,填方处堤顶宽2.5m,外坡1:1。
干渠桩号6+000处渠底高程为95.00m。
3.地质:该处为第四纪沉积层,表面为壤土深2米,下层为细砂砾石深度为10米,再下层为砂壤土。
经试验测定,地基允许承载能力(P)=200KN/ m24。
水文气象:实测该处地面在10米高处,三十年一遇10分钟统计平均最大风速为24m/s。
设计洪水位,按二十年一遇的防洪标准,低于排架顶1m,洪水平均流速为2m/s,漂浮物重50KN。
5.建筑物等级:按灌区规模,确定渡槽为三级建筑物.6.材料:钢筋Ⅱ级3号钢,槽身采用C25混凝土,排架及基础采用C20混凝土。
7。
荷载:1)自重:钢筋混凝土Υ=25 KN/ m3水Υ=10 KN/ m32)人群荷载: 3 KN/m33)施工荷载:4 KN/ m3ﻩ4)基础及其上部填土的平均容重为20 KN/m3三.设计原则与要求1。
构件强度及裂缝计算应遵守“水工钢筋混凝土结构设计规范“(SDJ20-78)2.为了减少应力集中,构件内角处应加补角,但计算可以忽略不计.3.计算说明书要求内容完全、书写工整。
4。
图纸要求布局适当、图面清洁、字体工整.四.设计内容1.水力计算:确定渡槽纵坡、过水断面尺寸、水面衔接、水头损失和上下游链接。
2.对槽身进行纵向、横向结构计算,按照强度、刚度和构件要求配置钢筋。
3。
拟定排架及基础尺寸。
4。
两岸链接和布置。
五.设计成果1。
计算说明书一份2.设计图纸一张(A1)总体布置图:纵剖面及平面图一节槽身钢筋布置图:槽身中部、端部剖面,侧墙钢筋布置及底板上、下层钢筋布置图,并列处钢筋用量明细表.排架和基础尺寸,钢筋布置等.六.参考书1.《水工建筑物》2.《工程力学》3.《建筑结构》4.《水工钢筋混凝土》5. 《工程力学与工程结构》设计说明书一.渡槽总体布置1,槽身长度的确定干渠跨越xx沟,位于干渠桩号6+000处。
设计基本资料一.设计题目:钢筋混凝土渡槽(设计图见尾页)xx灌区干渠上钢筋混凝土渡槽,矩形槽身设计,支撑排架和基础结构布置二.基本资料1.地形:干渠跨越xx沟位于干渠桩号6+000处,沟宽约75m,深15m左右。
根据地形图和实测渡槽处xx沟横断面如下表;2.干渠水利要素:设计流量Q设 =10 m3/s、加大流量Q加=11.5 m3/s,纵坡i=1/5000,糙率n=0.025.渠底宽B=2m,内坡1:1,填方处堤顶宽2.5m,外坡1:1.干渠桩号6+000处渠底高程为95.00m。
3.地质:该处为第四纪沉积层,表面为壤土深2米,下层为细砂砾石深度为10米,再下层为砂壤土。
经试验测定,地基允许承载能力(P)=200KN/ m24.水文气象:实测该处地面在10米高处,三十年一遇10分钟统计平均最大风速为24m/s。
设计洪水位,按二十年一遇的防洪标准,低于排架顶1m,洪水平均流速为2m/s,漂浮物重50KN。
5.建筑物等级:按灌区规模,确定渡槽为三级建筑物。
6.材料:钢筋Ⅱ级3号钢,槽身采用C25混凝土,排架及基础采用C20混凝土。
7.荷载:1)自重:钢筋混凝土Υ=25 KN/ m3水Υ=10 KN/ m3 2)人群荷载: 3 KN/ m33)施工荷载: 4 KN/ m34)基础及其上部填土的平均容重为20 KN/ m3三.设计原则与要求1.构件强度及裂缝计算应遵守“水工钢筋混凝土结构设计规范“(SDJ20-78)2.为了减少应力集中,构件内角处应加补角,但计算可以忽略不计。
3.计算说明书要求内容完全、书写工整。
4.图纸要求布局适当、图面清洁、字体工整。
四.设计内容1.水力计算:确定渡槽纵坡、过水断面尺寸、水面衔接、水头损失和上下游链接。
2.对槽身进行纵向、横向结构计算,按照强度、刚度和构件要求配置钢筋。
3.拟定排架及基础尺寸。
4.两岸链接和布置。
五.设计成果1.计算说明书一份2.设计图纸一张(A1)总体布置图:纵剖面及平面图一节槽身钢筋布置图:槽身中部、端部剖面,侧墙钢筋布置及底板上、下层钢筋布置图,并列处钢筋用量明细表。
毕业设计任务书设计题目:许营渡槽矩形槽身排架支撑所在学院:所学专业:水利水电工程指导教师:姓名:班级:学号:目录1 毕业设计目的2 设计基本要求3 设计成果及具体要求4 时间安排5 基本资料6 个人设计任务1 毕业设计目的本毕业设计是本专业教学大纲所规定的重要教学内容,是学生在校期间进行最后一次理论结合实际的较全面和基本的训练,是对几年来所学知识的系统运用和检验,也是走向工作岗位之前的最后一次的过渡性练兵。
通过这次毕业设计要求达到以下基本目的。
(1)巩固、加强、扩大和提高以往所学的有关基础理论和专业知识;(2)培养学生综合运用所学的知识以解决实际工程问题的独立工作能力,并初步掌握进行水利枢纽和水工建筑物的设计思想、设计程序、设计原则、步骤和方法;(3)培养学生使用有关设计规范、手册、参考文献以及分析计算、绘图、概算和编写设计说明书等项能力的基本技能训练;(4)通过毕业设计使学生了解我国现行的基本建设程序,建立工程设计的技术和经济的政策正确观点;(5)因此,要求每个同学在长达15周的毕业设计中,抓紧时间,遵守纪律,努力学习工作,认真踏实,一丝不苟,实事求是,举一反三,充分发挥个人的主动性和创造性,独立的和高质量的完成本次设计,以便在今后的生产实践中当一名出色的工程师,为我国的水利事业也是为国民经济的基础设施和基础产业而做出贡献。
2 设计基本要求(1)设计者必须发挥独立思考能力,创造性地完成设计任务,在设计中应遵循设计规范,尽量利用国内外先进技术与经验;(2)设计者对待设计计算、绘图等工作应具有严肃认真一丝不苟的工作作风,以使设计成果达到较高的水平;(3)设计者必须充分重视和熟悉原始资料,明确设计任务,在规定时间内圆满完成要求的设计内容,成果包括:设计说明书一份(按规范格式)A1图纸4-5份(文本版+光盘)。
3 设计成果及具体要求3.1 设计成果设计成果包括:(1)设计说明计算书1份(2)渡槽纵剖面图1张(3)渡槽总体平面布置图1张(4)渡槽整体配筋图1张(5)渡槽横向布置图1张(6)渡槽细部构造图1张3.2 设计成果具体要求3.2.1.设计说明书编写原则:(1)按章节叙述,先拟好提纲再编写,要体现出清晰的设计思路;(2)包括基本资料和基本数据;(3)说明设计标准、设计情况及设计依据;(4)阐述设计思想、原则及方法(包括所采用的基本理论和公式说明,采用条件及原因,所考虑问题的影响因素)(5)对具体设计要说明设计的前提、设计原理、方法、主要步骤、主要过程及阶段性成果、最后成果,成果尽量以表格的形式给出;(6)对成果的分析及结论:对成果的分析一定要有分析和判断,给以评价,分析存在问题的原因和改进措施;(7)要求简明扼要,思路清晰,用语简练。
3.2.2.图纸绘制说明:要求图面布置合理,设计正确,整洁清晰,图的比例、线条、标注、尺寸、符号和说明等均按工程制图标准。
4 时间安排说明:4~5张大图绘图时间控制在15天,其余时间为分析计算(包括看资料)、编写计算书、设计说明书,准备个人答辩内容和提纲。
目前为每周双休日,如果同学们要圆满完成任务,在校多学些专业技术知识,只有保证足够的时间,才是完成任务的前提,希望每位同学每天学习时间在10小时以上,不早退、不旷到,当遵守纪律的模范,在历时四年大学学习中作最后的冲刺。
5 基本资料5.1工程概况陆浑灌区是河南省较大的灌区之一,灌区跨越洛阳,开封、郑州市三个地区的六个县,灌区范围内居住人口大约100万人。
陆浑灌区的主要水源是陆浑水库。
(1)、灌区基本概况陆浑水库位于河南省嵩县境内,它是伊河上的一座大型水库。
控制流域面积3750km2,多年平均径流量10.25亿m3总库容12.17亿m3,兴利库容5.06亿m3,兴利水位317.0m。
大坝坝顶高程330m,最大坝高52.0m,溢洪道位于大坝东岸。
为加大部分洪库容溢洪道上设有闸门,闸底槛高程313m,闸门顶高程324m,门高11m。
溢洪道最大泄水流量为3600s.m3。
泄洪洞位于大坝与溢洪道之间,为8×10m的城门洞型明流无压洞,洞长510m,进口底高程289.715m。
出口底高程282.35m,最大泄流量11608m3。
整个灌区是由总干渠和东一、东二、西干三条干渠组成的,全长共290.5km,建筑物1134座,其中主要建筑物有隧洞33座,全长23.9km;渡槽32座,全长9.8km;另外还有倒虹吸等输水建筑物。
灌区设计灌溉面积134万亩,总干渠进口设计流量为77.0m3/s,相应水位298.0m,总干渠末端设计流量55.8 m3/s,相应水位290.535m。
灌区三条干渠规划成果如表1所示:表1 陆浑灌区总干、主干渠规划数据表(2)、东一干概况东一干渠规划灌溉面积57.61万亩,其中汝阳1.58万亩,伊川3.17万亩,偃师26.47万亩,汞阳4.96万亩。
一干渠设计流量考虑近期与远期两种情况,也就是在同一渠段上的建筑物,如渡槽,隧洞等的输水能力按远期规划确定设计流量(譬如东一干进口段上的建筑物设计流量为50 m3/s),以使留有余地。
而渠道土石方开挖断面按近期规划确定尺寸,(譬如东一干进口段的渠道设计流量为45 m3/s)。
东一干渠自内埠到已水河的渠段设计长度为137.9km。
共有各种建筑物566座,其中隧洞24座,累计长度17km;渡槽21座,累计长度62km,桥234座(包括公路桥41座,生产桥120座,人行桥25座,排洪桥48座),还有退水闸与节制闸32座,涵洞(管)139座,流槽6座,跨渠渡槽26座,支斗渠引水口89座。
东一干全部工程量:土方开挖1455万立方米,回填土方590万立方米,石方开挖308万立方米,砌石54万立方米,混凝土10万立方米,钢筋混凝土3300万立方米。
需要净工日(包括民工和技工)2475万个,基本建设投资6180万元。
开挖土石方用炸药1257吨,三大材需用量分别为:水泥81800吨,钢材3575吨,木材73000立方米。
5.2地形地质情况(1)、地形陆浑灌区处于伏牛山北麓,嵩山和熊耳山后谷地一带,地形复杂。
东一干渠灌溉区域内多为低山丘陵干旱区,区内岗洼相间,地面覆盖为红色和棕红色粘土及黄土。
在龙门以东偃师、巩县的半山区和丘陵区水文地质较差,缺乏地下水源。
地表沟壕大部分为南北向,对于排除地面径流与灌渠(区)渗水比较有利,不会产生盐碱化或沼泽化威胁,灌区地形平均坡降为1/100~1/200。
(2)、地质东一干渠规划线路从桩号30+566~31+314.1(位于许营附近),该段是横跨伊河上的一条支流,下面根据河道横断地形,参照河南省水利厅勘探队的钻井资料分段介绍地质情况。
陡坡段长度大约20米,该段为紫红色、红褐色砾岩夹砂质粘土岩,砾岩成分为石英砂岩、石英岩等。
粒径一般在5~20cm,最大的达60cm,胶结较差。
表面风化严重,凸凹不平,肉眼可见溶蚀的洞穴,直径大小不一,小者1m左右,大的在10m以上,洞内均有渗水现象。
砂质粘土岩的成份多为泥砂质组成。
表面段出有断续相间的渗水,说明砂质粘土岩有隔水性能,砾岩表面覆盖有2m左右的黄色粉质壤土。
河槽段长度约150m,表面主要为近代冲积砂卵石,卵石粒径多为20~50cm,也有少量卵石直径在50cm以上,分选性差。
中粗粒含量约占30%。
钻孔过程中经常出现塌孔,卡钻现象,漏浆量大,透水性强。
冲积层平均深度约在6m左右。
下伏新三系(N),砾岩夹白色泥质灰岩,成份多为石英砂岩及火成岩。
钙质胶结较差,钻取岩心呈粒状,质地均一,含砾石少许,性脆较坚硬,呈透镜体壮,岩长10~30cm,局部风化较重,手用力即可搓掉粉粒,河槽段桩号0+020~0+090为河漫滩一级台地,表面为上文新统(Q3)黄色粉质壤土,具直立性,结构较疏松,少有丰粒层深2~3m,含少量砾石具有黄土性质。
下伏中更新统(Q2)含泥沙卵石(成份同上),泥质含量5~10%微有胶结。
(其中局部夹有薄层壤土透镜体)钻进中有回水、卡钻现象。
台地段长度大约536m为更新统23Q。
其表层为黄色中粉质壤土,下部为23Q黄色重粉质壤土含结核,粘粒含量20%左右。
台地段土层厚在18~20m,具有直立性(可以开挖空洞)。
有粘性的局部夹砂卵石透镜体厚0.8~15m,自上而下逐渐密实。
Q3与Q2界限明显,密实程度有显著差异。
下伏中更新统(22Q)为黄色重粉质壤土,固结密实,粘粒含量在20%以上,具有塑性,可以搓成细条。
22Q中含有少量结核,局部夹有砂卵石透镜体,厚3m左右。
该层上面覆盖厚1m左右的钙质结核含土层,(桩号0+440~0+706)。
结构密实,不易开挖,结核直径2~7cm。
当地开凿料石困难。
5.3气象本灌区属于华北干旱区,平均多年降雨量只有500~600mm,而且分布很不均匀,有60%~70%集中在汛期。
作物生长期常出现严重干旱缺水的情况。
年平均蒸发量为2000mm,根据洛阳专区的水文资料记载:“光绪3~4年(1877~1878年)连续三个季度未曾下雨,洛河干枯……。
”解放以来1959、1966、1972年三年最旱。
其中1972年伏旱严重、洛阳地区72年6~9月降雨量仅占历年月期平均降雨量(P平均=422mm)的63.5%。
最大风速为18m/s,最大冻土深度0.5m。
5.4基本数据(1)、拟建许营渡槽段桩号:30+566~31+314.1,全长748.1m,设计流量Q 设=40m3/s。
加大流量Qmax=45m3/s。
(2)、渡槽段及其进出口渠道的有关数据与断面示意,详见表2和示图。
表2 许营渡槽及上下游渠道段基本数据(3)、与渡槽段相连接的上下游渠道均已建成,横断面为梯形,渠底和边坡均采用浆砌石保护。
基本尺寸如图所示:(4)、根据洛阳地区地震局提供的有关资料,陆浑灌区上的主要建筑物设计烈度定为80。
(5)、许营段跨越式建筑物,不论采用哪种类型,均按三级建筑物考虑。
出口断面进口断面图一与渡槽进出口相连的渠道横断面图(6)、附图:(1)河南省陆浑灌区示意图一张,比例1/400000;(2)陆浑灌区东一干许营段地形图一张,比例1/2000;(3)陆浑灌区东一干许营段工程地质剖面图一张,比例⎩⎨⎧1000/1200/1横向纵向(7)、跨越建筑物不考虑交通要求和无通航要求,若采用渡槽方案只设人行便道即可。
6xxx设计任务(1)矩形槽身对已初步确定尺寸的槽身,按照运用与施工中的不利情况,分别对纵向及横向进行内力分析与配筋计算、考虑风压作用时横向稳定计算及施工吊装验算等。
(2)排架支承结构采用排架支承时,选定相应不利工况,对排架进行纵横向内力与配筋计算、竖向屈曲稳定验算及吊装验算。
对排架基础进行基底应力验算、冲剪强度验算及内力与配筋计算。
(3)细部构造设计在槽身及支承结构分缝处须设置止水,槽身与槽墩或槽架连接处设置支座,给出接缝止水及支承支座的构造型式。