渡槽课程设计
- 格式:doc
- 大小:1.46 MB
- 文档页数:15
渡槽钢架课程设计一、课程目标知识目标:1. 让学生掌握渡槽钢架的基本结构及其在水利工程中的作用;2. 了解渡槽钢架的材料性能、设计原理和施工技术;3. 掌握渡槽钢架的受力分析及稳定性计算方法。
技能目标:1. 培养学生运用所学知识对渡槽钢架进行初步设计的能力;2. 提高学生运用CAD等软件绘制渡槽钢架图纸的技能;3. 培养学生通过团队合作,解决实际工程问题的能力。
情感态度价值观目标:1. 培养学生对水利工程建设的兴趣,增强对我国水利事业的自豪感;2. 培养学生严谨的科学态度和良好的工程意识,树立正确的价值观;3. 增强学生的环保意识,培养其关爱水资源、保护水环境的责任感。
本课程针对高中年级学生,结合物理、数学和工程学科知识,以实用性为导向,旨在提高学生的理论知识水平和实践能力。
课程性质为理论与实践相结合,注重培养学生的动手操作能力和团队协作精神。
在教学过程中,教师需关注学生的个体差异,因材施教,确保课程目标的实现。
课程目标的分解和教学设计将围绕知识、技能和情感态度价值观三个方面展开,以便于后续教学评估和成果检验。
二、教学内容1. 渡槽钢架概述:介绍渡槽钢架的定义、分类、应用范围及其在水利工程中的重要性。
教材章节:《水利工程》第三章第二节“渡槽及渡槽钢架简介”2. 渡槽钢架结构设计:讲解渡槽钢架的结构形式、设计原理和材料选择。
教材章节:《结构设计基础》第四章第二节“钢架结构设计”3. 渡槽钢架受力分析:分析渡槽钢架在施工和使用过程中的受力情况,介绍稳定性计算方法。
教材章节:《力学》第三章第四节“平面钢架的受力分析”4. 渡槽钢架施工技术:介绍渡槽钢架的施工流程、关键技术和质量控制要点。
教材章节:《水利工程》第五章第三节“渡槽钢架施工技术”5. 渡槽钢架CAD绘图:教授学生运用CAD软件绘制渡槽钢架图纸的方法和技巧。
教材章节:《CAD绘图与应用》第二章“CAD绘图基本操作”6. 实践操作:组织学生进行渡槽钢架模型制作和受力测试,培养实际操作能力。
渡槽设计课程设计一、课程目标知识目标:1. 学生能理解渡槽的基本概念,掌握渡槽的结构、功能及设计原理。
2. 学生能掌握渡槽设计的基本流程,包括需求分析、方案设计、施工图绘制等。
3. 学生了解渡槽设计中的相关工程技术和标准,如水力学、土力学、材料力学等。
技能目标:1. 学生具备运用所学知识进行渡槽设计的能力,能独立完成小型渡槽的设计方案。
2. 学生能运用CAD等软件绘制渡槽施工图,具备一定的实践操作能力。
3. 学生能够通过查阅资料、团队协作等方式,解决渡槽设计过程中遇到的问题。
情感态度价值观目标:1. 学生培养对水利工程建设的兴趣,增强对水利工程专业领域的认知和热爱。
2. 学生树立正确的工程观念,认识到渡槽设计在农业灌溉、水资源利用等方面的重要性。
3. 学生在团队协作中培养沟通、协作能力,增强集体荣誉感和责任感。
课程性质:本课程为实践性较强的课程,结合理论知识与实际操作,培养学生解决实际问题的能力。
学生特点:学生具备一定的物理、数学基础,对水利工程有一定了解,但实践经验不足。
教学要求:结合学生特点,注重理论与实践相结合,强调学生动手能力培养,提高学生的综合运用能力。
在教学过程中,关注学生的个体差异,因材施教,确保每位学生都能达到课程目标。
通过课程学习,使学生具备独立进行渡槽设计的能力,为未来从事相关工作打下坚实基础。
二、教学内容1. 渡槽概念及分类:介绍渡槽的定义、功能、分类及在我国水利工程中的应用。
教材章节:第一章 水利工程概述2. 渡槽结构设计原理:讲解渡槽结构、材料选择、力学原理等内容。
教材章节:第二章 水工建筑物结构设计3. 渡槽设计流程与方法:分析需求、确定设计方案、绘制施工图等步骤。
教材章节:第三章 渡槽设计与施工4. 渡槽施工图绘制:运用CAD软件进行渡槽施工图的绘制。
教材章节:第四章 计算机辅助设计5. 渡槽工程技术与标准:介绍渡槽设计中的相关工程技术要求和标准规范。
教材章节:第五章 水利工程设计标准与规范6. 实践操作:组织学生进行小型渡槽设计实践,提高动手能力。
渡槽课程设计难不难学一、教学目标本节课的教学目标是让学生掌握渡槽的基本概念、结构和设计原理,能够运用所学的知识分析和解决实际问题。
具体目标如下:1.知识目标:(1)了解渡槽的定义、分类和应用场景;(2)掌握渡槽的主要结构及其功能;(3)熟悉渡槽的设计原理和计算方法。
2.技能目标:(1)能够运用渡槽的基本原理分析实际问题;(2)具备初步的渡槽设计能力;(3)学会查阅相关资料,提高信息素养。
3.情感态度价值观目标:(1)培养学生对水利工程的兴趣和热情;(2)增强学生对渡槽工程安全、环保的认识;(3)培养学生团队合作、创新精神和责任感。
二、教学内容本节课的教学内容主要包括渡槽的基本概念、结构和设计原理。
具体安排如下:1.渡槽的基本概念:介绍渡槽的定义、分类和应用场景,使学生了解渡槽工程的基本情况。
2.渡槽的结构:讲解渡槽的主要结构组成部分,如槽身、基础、进出口等,并阐述各部分的功能。
3.渡槽的设计原理:介绍渡槽的设计原理和方法,如流量计算、槽身尺寸确定、材料选择等。
4.渡槽工程案例分析:分析实际渡槽工程案例,使学生能够将理论知识应用于实际问题。
三、教学方法为了提高学生的学习兴趣和主动性,本节课将采用多种教学方法,如讲授法、讨论法、案例分析法等。
具体应用如下:1.讲授法:讲解渡槽的基本概念、结构和设计原理,使学生掌握基础知识。
2.讨论法:学生分组讨论渡槽工程案例,培养学生的分析问题和解决问题的能力。
3.案例分析法:分析实际渡槽工程案例,让学生了解渡槽工程在实际中的应用。
4.实验法:安排课后实验,让学生动手实践,加深对渡槽结构和工作原理的理解。
四、教学资源为了支持教学内容和教学方法的实施,丰富学生的学习体验,我们将选择和准备以下教学资源:1.教材:选用权威、实用的渡槽工程教材,作为学生学习的主要参考资料。
2.参考书:推荐学生阅读相关渡槽工程书籍,拓宽知识面。
3.多媒体资料:制作精美的PPT,展示渡槽工程的图片、视频等资料,帮助学生形象直观地了解渡槽结构和工作原理。
渡槽概预算课程设计一、教学目标本课程的教学目标是使学生掌握渡槽概预算的基本知识和技能,能够运用所学知识进行渡槽工程的经济分析和预算编制。
具体目标如下:1.掌握渡槽的定义、分类和应用范围;2.了解渡槽工程的设计和施工的基本要求;3.熟悉渡槽工程的经济分析和预算编制的方法。
4.能够运用所学知识进行渡槽工程的经济分析;5.能够根据工程设计图纸和相关资料编制渡槽工程的预算;6.能够对渡槽工程的预算进行审核和控制。
情感态度价值观目标:1.培养学生对渡槽工程的兴趣和热情,提高学生对渡槽工程的经济分析和预算编制的重视程度;2.培养学生认真负责、细致严谨的工作态度,提高学生对工程预算工作的职业素养;3.培养学生团队协作、沟通交流的能力,提高学生解决实际工程问题的综合能力。
二、教学内容本课程的教学内容主要包括渡槽工程的定义、分类和应用范围,渡槽工程的设计和施工的基本要求,渡槽工程的经济分析和预算编制的方法。
具体内容包括:1.渡槽工程的定义、分类和应用范围:介绍渡槽工程的定义,分析渡槽工程的分类和应用范围,帮助学生建立对渡槽工程的基本认识。
2.渡槽工程的设计和施工的基本要求:讲解渡槽工程的设计和施工的基本要求,包括结构设计、施工技术、质量控制等方面,为学生掌握渡槽工程的基本知识奠定基础。
3.渡槽工程的经济分析和预算编制的方法:介绍渡槽工程的经济分析的方法,讲解预算编制的步骤和注意事项,帮助学生掌握渡槽工程的预算编制技能。
三、教学方法为了提高学生的学习兴趣和主动性,本课程采用多种教学方法相结合的方式,包括讲授法、讨论法、案例分析法等。
具体方法如下:1.讲授法:通过教师的讲解,使学生掌握渡槽工程的基本知识和技能,为学生提供系统的知识体系。
2.讨论法:学生进行小组讨论,引导学生主动思考和探讨渡槽工程的经济分析和预算编制的问题,提高学生的分析问题和解决问题的能力。
3.案例分析法:通过分析实际案例,使学生了解渡槽工程的经济分析和预算编制的实际应用,提高学生的实践能力。
渡槽基础课程设计一、教学目标本课程的学习目标包括知识目标、技能目标和情感态度价值观目标。
知识目标要求学生掌握渡槽的基本概念、结构形式、工作原理和设计方法;技能目标要求学生能够运用所学知识进行渡槽的初步设计和施工图绘制;情感态度价值观目标要求学生认识到渡槽工程在交通运输和水利工程中的重要性,培养学生的责任感和使命感。
二、教学内容根据课程目标,本课程的教学内容主要包括渡槽的基本概念、结构形式、工作原理、设计方法和施工图绘制。
教学内容安排如下:1.第一章:渡槽概述,介绍渡槽的定义、分类、应用范围和发展历程。
2.第二章:渡槽结构形式,介绍梁式渡槽、拱式渡槽、箱梁式渡槽等常见结构形式。
3.第三章:渡槽工作原理,讲解渡槽的水流动力学原理、水力设计参数和设计流量计算。
4.第四章:渡槽设计方法,阐述渡槽的初步设计、施工图设计和施工设计。
5.第五章:渡槽施工图绘制,介绍渡槽施工图的编制方法和注意事项。
三、教学方法本课程采用讲授法、讨论法、案例分析法和实验法等多种教学方法。
通过生动有趣的讲授,使学生掌握渡槽的基本知识;通过分组讨论,培养学生的团队协作能力和解决问题的能力;通过案例分析,使学生能够将理论知识应用到实际工程中;通过实验操作,提高学生的动手能力和实践能力。
四、教学资源为实现课程目标,本课程准备了丰富的教学资源。
教材选用国内知名出版社出版的《渡槽设计与施工》一书,作为学生学习的主要参考资料。
此外,还收集了相关领域的学术论文、设计规范、工程案例等参考书籍。
为了增强学生的直观感受,还准备了多媒体教学课件、渡槽结构模型和施工视频等教学资源。
同时,安排学生参观渡槽工程现场,以便更好地理解渡槽的设计和施工过程。
五、教学评估本课程的教学评估方式包括平时表现、作业、考试等。
平时表现评估学生的课堂参与度、提问回答和团队协作等情况,占总成绩的20%;作业评估学生的知识掌握和应用能力,占总成绩的30%;考试评估学生的综合运用知识和解决问题能力,占总成绩的50%。
渡槽课程设计资料一、教学目标本课程旨在让学生了解和掌握渡槽的基本知识,包括渡槽的定义、结构、功能及其在水利工程中的应用。
通过本课程的学习,学生将能够:1.描述渡槽的基本结构和特点。
2.解释渡槽的工作原理和功能。
3.分析渡槽在水利工程中的重要作用。
4.能够运用所学的渡槽知识解决实际问题。
二、教学内容本课程的教学内容主要包括渡槽的基本知识、渡槽的结构与功能、渡槽的应用实例等。
具体安排如下:1.渡槽的基本知识:介绍渡槽的定义、分类和特点。
2.渡槽的结构与功能:讲解渡槽的主要组成部分,如槽身、基础、进出口等,以及各部分的功能。
3.渡槽的应用实例:分析渡槽在水利工程中的实际应用,如灌溉、排水、供水等。
三、教学方法为了提高学生的学习兴趣和主动性,本课程将采用多种教学方法,如讲授法、讨论法、案例分析法等。
具体方法如下:1.讲授法:用于讲解渡槽的基本知识、结构和功能。
2.讨论法:学生讨论渡槽的应用实例,提高学生的思考和分析能力。
3.案例分析法:分析实际工程中的渡槽案例,让学生更好地理解渡槽的应用。
四、教学资源为了支持教学内容和教学方法的实施,丰富学生的学习体验,我们将选择和准备以下教学资源:1.教材:选用符合课程要求的教材,为学生提供系统的学习资料。
2.参考书:推荐相关参考书籍,拓展学生的知识视野。
3.多媒体资料:制作PPT、视频等多媒体资料,直观展示渡槽的结构和应用。
4.实验设备:准备渡槽模型或实物,让学生直观了解渡槽的结构和功能。
五、教学评估本课程的评估方式将包括平时表现、作业、考试等多种形式,以全面、客观、公正地评价学生的学习成果。
具体评估方式如下:1.平时表现:通过课堂参与、提问、讨论等环节,评估学生的学习态度和参与度。
2.作业:布置相关渡槽知识的作业,评估学生的理解和应用能力。
3.考试:进行期末考试,全面测试学生对渡槽知识的掌握程度。
六、教学安排本课程的教学安排将根据学生的作息时间、兴趣爱好等因素进行合理规划。
渡槽课程设计指导书(无拉杆矩形槽)第一部分 课程设计任务书简要叙述课程设计的任务,包括原始数据、要求计算的内容、以及要求绘图的内容。
第二部分 渡槽尺寸的确定在该部分的计算书中,要按比例绘制相应的尺寸图,以便判断是否合理。
1、槽身纵向尺寸:例如渡槽纵向长12 m ,包含槽身之间的伸缩缝缝隙长度 30~50mm ;支座采用板式橡胶支座,尺寸为 φ200 mm ,厚50 mm ;支座的边缘到槽身的边缘的距离为50mm ;支座的边缘到刚架牛腿的边缘应符合教材362页表11-15的规定。
2、槽身横向尺寸:槽身的净高H = 校核水深 + 0.2~0.4 m ;槽身的净宽(过水部分)B : 深宽比H/B = 0.6~0.8 确定; 人行道板的悬挑长度可取为 700~1000mm ,板厚80~120mm ;槽身侧墙的厚度:顶端厚度不宜小于150mm ,根部厚度由计算确定,一般大于150mm ,也可以为等厚度,侧墙高度与侧壁厚度比值一般取12~16;槽身底板的厚度由计算确定,也可以与侧墙的根部厚度一样,底板厚度一般不小于200mm ;贴角尺寸:45°,高度200~300mm 。
3、刚架尺寸刚架柱的截面最小尺寸不应该小于300 mm ;立柱断面尺寸:长边(顺槽向)1b 为刚架总高的1/20~1/15,常采用1b =0.4~0.6m ;短边(横槽向)11h =(0.5~0.8)b ,常采用1h =0.3~0.5m ;横梁与横梁的间距可等于或略大于立柱间距,横梁高2h 为跨度(即立柱间距)的1/6~1/8,梁宽2b 为2(0.5~0.7)h ;横梁与立柱交接处的承托尺寸一般为:45°,高度100~150mm 。
注:尺寸确定要灵活,不要生搬硬套,一定要符合模数要求。
第三部分 渡槽槽身计算(内力计算时务必好好复习课本P45-48的设计表达式)1、槽身横向计算(顺水流方向取1m 板带计算),(4)配筋计算:1.2 (1)计算简图为截面形心的位置)值,也可以标注水深,(2)内力计算:M A 为侧墙底部的弯矩;H 在不同组合时对应不同水位。
渡槽设计--钢筋混凝土结构课程设计渡槽设计--钢筋混凝土结构课程设计钢筋混凝土结构课程设计设计题目: 渡槽(三)姓名:学号:年级专业:水利水电工程指导老师:提交时间:钢筋混泥土结构课程设计目录目录1 摘要2 第一章设计基础资料4 第二章渡槽计算5 1. 拟定渡槽尺寸5 2. 槽身纵向计算6 1) 内力计算:6 2) 配筋计算:7 3. 槽身横向计算9 1) 框架内力计算9 2) 人行道板10 3) 侧墙的配筋计算11 4) 底板计算12 5) 横杆计算14 6) 人行道板计算16 第三章刚架计算17 1. 刚架纵向计算17 2. 刚架横向计算21 3. 刚架横向内力计算22 4. 刚架横向配筋计算22 ①立柱配筋计算22 ②横梁的配筋计算:23 第四章牛腿配筋计算25 27 摘要渡槽是输送渠道水流跨越河渠,道路,山谷等的架空输水建筑物,是罐区水工建筑物中应用最广的建筑物之一,除用于输送渠水外还可以排洪和导流等之用。
现支架钢筋混凝土矩形渡槽是渡槽的一种,由于它具有设计和施工上比较简单,架模容易,不易漏水等特点,因此广泛应用于丘陵罐区。
许多水利工程、引水工程等大量地使用着渡槽,创造出很多富有特色的新式渡槽、现代化渡槽。
为了摆脱这种困境,引水灌溉就成为一项突出的民生工程。
随着大型灌区工程的发展,各种轻型结构渡槽、大跨度拱式渡槽被广泛应用,预制装配式施工方法也得到推广。
结构形式优选理论、新型材料、电子计算机技术及先进施工技术等已开始应用。
关键词:渡槽;钢筋混凝土;排洪;灌溉Abstract The aqueduct is conveying channel flow across the river, the overhead road, valley water building, is one of the most widely used building tank hydraulic buildings, except for transporting water diversion and drainage can also be used. Presently, the reinforced concrete rectangular aqueduct is a kind of aqueduct. It is widely used in hilly storage area because of its simple design and construction, easy construction and difficult water leakage. Many water conservancy projects, water diversion projects and other large use aqueduct, and created a lot of characteristics of the new aqueduct, modern aqueduct. In order to get rid of this predicament, water diversion irrigation has become a prominentlivelihood project. With the development of large-scale irrigation projects, various light structure aqueduct, large span arch aqueduct is widely applied, prefabricated construction method has been popularized. Structural form optimization theory, new materials, electronic computer technology and advanced construction technology have already begun to be applied. Key word :aqueduct;Reinforced concrete;Flood;irrigation 第1章设计基础资料1.1根据初步设计成果,提出设计资料及有关数据如下:1. 该输水渡槽跨越142m长的低洼地带见下图,需修建通过15m3/s设计流量及16m3/s校核流量,渡槽无通航要求。
渡槽无横杆课程设计一、课程目标知识目标:1. 学生能够理解渡槽的基本结构及其功能,掌握无横杆渡槽的设计原理;2. 学生能够运用相关知识,分析渡槽无横杆设计的优缺点,并对其进行评价;3. 学生了解渡槽在水利工程中的应用,认识到其在我国农业发展中的重要性。
技能目标:1. 学生能够运用几何知识和力学原理,设计出合理的渡槽无横杆结构;2. 学生通过小组合作,提高沟通协作能力和解决问题的能力;3. 学生能够运用绘图工具,准确表达自己的设计思路和成果。
情感态度价值观目标:1. 学生培养对水利工程建设的兴趣,激发探究科学原理的欲望;2. 学生在设计和评价过程中,学会尊重他人意见,培养团队协作精神;3. 学生通过学习渡槽无横杆设计,认识到科技对农业发展的推动作用,增强社会责任感和使命感。
本课程针对年级学生的认知水平,结合水利工程学科特点,旨在培养学生的创新意识和实践能力。
在教学过程中,注重引导学生运用所学知识解决实际问题,提高学生的综合素质。
课程目标具体、可衡量,便于教学设计和评估,有助于学生和教师明确课程的预期成果。
二、教学内容1. 渡槽结构概述:介绍渡槽的定义、分类及功能,结合教材相关章节,让学生了解渡槽在水利工程中的重要性。
2. 无横杆渡槽设计原理:讲解无横杆渡槽的结构特点、设计方法和力学原理,引导学生掌握关键知识点。
3. 渡槽无横杆设计案例分析:分析教材中的典型实例,让学生了解无横杆渡槽在实际工程中的应用,并从中总结设计经验和技巧。
4. 设计实践:根据课程目标,组织学生进行小组合作,运用所学知识设计无横杆渡槽,培养学生的实践能力和创新意识。
5. 设计评价:让学生对各自设计的无横杆渡槽进行评价,分析优缺点,提高学生的评价能力和批判性思维。
教学内容安排和进度:第一课时:渡槽结构概述第二课时:无横杆渡槽设计原理第三课时:渡槽无横杆设计案例分析第四课时:设计实践(分阶段进行,共计2-3课时)第五课时:设计评价与总结本教学内容紧密围绕课程目标,注重科学性和系统性,结合教材章节,旨在帮助学生全面掌握渡槽无横杆设计的相关知识,提高实践能力。
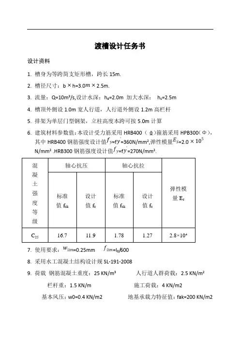
渡槽设计任务书设计资料1.槽身为等跨简支矩形槽,跨长15m.2.槽径尺寸:b h=3.0 2.5m.3.流量:Q=10m3/s,设计水深:h d=2.0m 加大水深:h c=2.5m4.槽顶外侧设1.0m宽人行道,人行道外侧设1.2m高栏杆5.排架为单层门型钢架,立柱高度本跨可按5.0m计算6.建筑材料参数值:本设计受力筋采用HRB400 ()箍筋采用HPB300(Φ),其中HRB400钢筋强度设计值=f=360N/mm2,弹性模量=2.0N/mm2 .HRB300钢筋强度设计值=f=270N/mm2.混凝土强度等级轴心抗压轴心抗拉弹性模量E c 标准值f ck设计值f c标准值f ck设计值f cC2516.7 11.9 1.78 1.27 2.8×1047.使用要求:=0.25mm =l0/6008.采用水工混凝土结构设计规SL-191-20089.荷载钢筋混凝土重度:25 KN/m3人行道人群荷载:2.5 KN/m2栏杆重:1.5 KN/m 施工荷载:4 KN/m2基本风压:w0=0.4 KN/m2 地基承载力特征值:fak=200 KN/m2基础埋深:1.5m 抗震设计基本烈度:6度设计要求设计计算书一份,包括计算依据资料、计算简图、计算过程、计算的最终成果。
图纸一份,包括槽身(1#图,594mm)、排架和基础(2#图420mm)各一渡槽计算书水力计算及尺寸拟定渠道断面水力计算由已知资料可知此渡槽设计流量Q 设=10 m 3/s 渠道断面取m=1,n=0.014。
按照明渠均匀流计算,根据公式Q AC Ri = ()A b mh h =+ 221X b h m =++式中Q ——为渡槽的过水流量(m 3/s ) A ——过水断面面积(m 2) C ——才系数 R ——水力半径(m ) X ——湿周(m ) i-为槽底比降n-为槽身糙率,钢筋混凝土槽身可取n=0.014 A=bh=2=6m 2 X=b+2h=3+22=7mR===0.875m221R b h m=++161C R n=C==69.6I= ==1/1495取1/1200设计水深的流速V==C=1.67m/s对于混凝土;Q=1m/s~10m/s时,不冲刷流速V’=8 m/s不淤积流速V′=0.3 m/s ~0.5 m/s综上V〞V Vˊ流速满足要求。
渡槽有横杆课程设计一、课程目标知识目标:1. 学生能理解渡槽的基本结构,掌握横杆在渡槽中的作用;2. 学生能够描述渡槽中横杆的受力情况,并运用相关知识进行分析;3. 学生了解渡槽建设对农业生产和水资源利用的重要性。
技能目标:1. 学生通过观察、分析和实验,培养解决实际问题的能力;2. 学生能够运用所学的力学知识,对渡槽横杆进行简单的计算和设计;3. 学生通过小组合作,提高沟通与协作能力。
情感态度价值观目标:1. 学生培养对水利工程建设的兴趣,增强对国家水利事业的认同感;2. 学生在学习过程中,树立正确的价值观,认识到水利工程对农业和社会发展的重要意义;3. 学生通过课程学习,增强环保意识,关注水资源保护和合理利用。
分析课程性质、学生特点和教学要求,本课程旨在帮助学生在掌握渡槽横杆相关知识的基础上,培养实际操作和解决问题的能力。
课程目标具体、可衡量,有助于学生和教师在教学过程中明确预期成果,为后续的教学设计和评估提供依据。
二、教学内容1. 渡槽概述:介绍渡槽的定义、分类及作用,结合课本第二章第一节内容;2. 渡槽结构分析:详细讲解渡槽的结构组成,重点分析横杆在渡槽中的作用,对应课本第二章第二节;3. 横杆受力分析:通过实际案例,引导学生学习横杆在渡槽中的受力情况,运用力学知识进行计算,参考课本第二章第三节;4. 渡槽横杆设计:教授横杆设计的原理和步骤,组织学生进行小组讨论和设计实践,依据课本第二章第四节;5. 渡槽建设与农业发展:探讨渡槽在农业生产中的作用,分析其对水资源利用和农业发展的意义,结合课本第二章第五节;6. 案例分析与实验:选取典型渡槽工程案例,组织学生进行实地考察或实验,巩固所学知识,锻炼实际操作能力。
教学内容按照教学大纲进行安排和进度制定,确保科学性和系统性。
学生在掌握基本理论的基础上,通过案例分析和实验,将所学知识应用于实际问题解决,达到学以致用的目的。
三、教学方法本课程将采用以下多样化的教学方法,以激发学生的学习兴趣和主动性:1. 讲授法:在课程导入和基础知识讲解阶段,运用讲授法向学生传授渡槽结构、横杆受力分析等基本概念和理论知识。
d1渡槽课程设计一、课程目标知识目标:1. 让学生掌握渡槽的定义、结构及功能,了解其在农业灌溉中的作用。
2. 使学生了解我国渡槽的发展历程,认识渡槽在水利工程中的重要性。
3. 帮助学生理解渡槽建设中涉及到的物理、数学原理,如力学、流体力学等。
技能目标:1. 培养学生运用所学的知识分析、设计简单渡槽工程的能力。
2. 提高学生通过实地考察、资料查阅等途径获取信息,解决实际问题的能力。
3. 培养学生团队合作、沟通协调的能力,学会在团队中发挥个人特长。
情感态度价值观目标:1. 激发学生对水利工程建设的兴趣,培养热爱科学、探索未知的情感。
2. 培养学生关注我国农业、水利事业的发展,增强社会责任感。
3. 引导学生认识到保护水资源、节约用水的重要性,培养环保意识。
本课程针对年级特点,结合教材内容,注重理论与实践相结合,以培养学生综合运用知识、解决实际问题的能力为核心。
课程目标具体、可衡量,旨在帮助学生全面了解渡槽相关知识,提高学生的实践操作能力和团队合作精神,培养具有创新意识和责任感的社会主义建设者和接班人。
二、教学内容1. 渡槽的定义与功能- 介绍渡槽的基本概念,通过图片、实例使学生了解渡槽的结构和功能。
- 教材章节:第一章 水利工程概述2. 渡槽的发展历程- 讲述我国渡槽的历史发展,分析不同时期渡槽的特点及改进。
- 教材章节:第二章 水利工程发展史3. 渡槽结构与原理- 详细讲解渡槽的构造,分析其涉及的物理、数学原理,如力学、流体力学等。
- 教材章节:第三章 水工建筑物结构与原理4. 渡槽设计与建设- 介绍渡槽设计的基本原则和方法,分析影响渡槽建设的因素。
- 教材章节:第四章 水工建筑物设计5. 渡槽工程案例分析- 分析典型渡槽工程案例,使学生了解渡槽在实际工程中的应用。
- 教材章节:第五章 水利工程案例6. 渡槽管理与保护- 讲解渡槽运行管理的基本知识,强调渡槽保护的重要性。
- 教材章节:第六章 水利工程管理与保护教学内容注重科学性和系统性,结合教材章节安排,按照教学大纲逐步展开,旨在帮助学生全面掌握渡槽相关知识,培养其实践操作能力。
渡槽钢筋课程设计一、课程目标知识目标:1. 学生能够理解渡槽钢筋的基本概念,掌握其分类和功能。
2. 学生能够掌握渡槽钢筋的布置原则及计算方法,并能够运用相关公式进行简单计算。
3. 学生能够了解渡槽钢筋施工过程中的质量控制要点。
技能目标:1. 学生能够运用所学知识,分析并解决渡槽钢筋施工过程中遇到的问题。
2. 学生能够根据设计要求,完成渡槽钢筋的布置图绘制。
3. 学生能够通过小组合作,进行渡槽钢筋施工方案的制定和优化。
情感态度价值观目标:1. 学生能够认识到渡槽钢筋在水利工程中的重要性,增强对水利工程的兴趣和责任感。
2. 学生能够在学习过程中,培养严谨、细致的工作态度,提高团队协作能力。
3. 学生能够关注渡槽钢筋施工过程中的安全问题,提高安全意识。
本课程旨在帮助学生掌握渡槽钢筋的相关知识,培养实际操作能力,同时注重培养学生的安全意识和团队协作精神。
课程内容紧密结合教材,针对学生的年级特点,以提高学生的水利工程素养为目标,为后续相关课程的学习和实际工作打下坚实基础。
二、教学内容1. 渡槽钢筋的基本概念- 钢筋的分类及功能- 渡槽钢筋的作用及施工要求2. 渡槽钢筋的布置原则- 钢筋布置的基本原则- 钢筋的间距、直径及数量要求3. 渡槽钢筋的计算方法- 钢筋长度、面积及重量的计算- 钢筋用量及造价估算4. 渡槽钢筋施工质量控制- 钢筋加工、绑扎及焊接要求- 施工过程中的质量控制措施5. 渡槽钢筋施工方案制定- 施工方案编制的基本要求- 小组合作完成施工方案的设计与优化6. 渡槽钢筋施工安全与环保- 施工安全措施及应急预案- 环保要求及文明施工教学内容按照教材章节顺序进行组织,确保学生能够循序渐进地掌握渡槽钢筋相关知识。
教学进度根据课程目标和学生的实际接受能力进行调整,注重理论与实践相结合,提高学生的实际操作能力。
通过本章节的学习,使学生全面了解渡槽钢筋的施工技术,为水利工程领域的实际工作奠定基础。
三、教学方法本章节采用以下多样化的教学方法,旨在激发学生的学习兴趣,提高教学效果:1. 讲授法:- 教师通过生动的语言、形象的比喻,讲解渡槽钢筋的基本概念、布置原则及计算方法。
渡槽钢筋布置课程设计一、课程目标知识目标:1. 理解渡槽结构中钢筋布置的基本原理和作用;2. 掌握渡槽钢筋布置的相关规范和计算方法;3. 了解渡槽施工过程中钢筋布置的注意事项。
技能目标:1. 能够根据渡槽结构特点,合理设计钢筋布置方案;2. 能够运用相关规范和计算方法,准确计算渡槽钢筋的数量和规格;3. 能够分析施工过程中钢筋布置的问题,并提出相应的解决措施。
情感态度价值观目标:1. 培养学生对水利工程建设的兴趣,增强对水利专业的认同感;2. 培养学生严谨、务实的学习态度,提高学生的工程素养;3. 增强学生的团队合作意识,培养学生的沟通协调能力。
课程性质分析:本课程为水利工程学科的专业课程,旨在帮助学生掌握渡槽钢筋布置的相关知识,提高学生的实践操作能力。
学生特点分析:学生处于大学本科阶段,已具备一定的水利工程基础知识,具有较强的学习能力和实践欲望。
教学要求:1. 理论与实践相结合,注重培养学生的实际操作能力;2. 采用案例教学,提高学生的分析问题和解决问题的能力;3. 强化团队合作,培养学生的沟通协调能力。
二、教学内容1. 渡槽结构概述:渡槽的定义、分类及结构特点;2. 钢筋布置原则:强度、刚度、稳定性及抗震性要求;3. 钢筋布置规范:相关国家标准及行业规范;4. 钢筋布置计算方法:受力分析、钢筋面积及间距计算;5. 渡槽钢筋布置施工要点:施工准备、钢筋加工、安装及验收;6. 案例分析:典型渡槽钢筋布置实例解析;7. 实践操作:钢筋布置方案设计及计算。
教学大纲安排:1. 第1周:渡槽结构概述及钢筋布置原则;2. 第2周:钢筋布置规范及计算方法;3. 第3周:渡槽钢筋布置施工要点;4. 第4周:案例分析及实践操作。
教材章节及内容:1. 教材第3章:渡槽结构设计原理;2. 教材第4章:钢筋布置设计与计算;3. 教材第5章:渡槽施工技术;4. 教材附录:相关国家标准及行业规范。
教学内容确保科学性和系统性,注重理论与实践相结合,通过案例分析及实践操作,使学生更好地掌握渡槽钢筋布置相关知识。
设计基本资料一.设计题目:钢筋混凝土渡槽(设计图见尾页)xx灌区干渠上钢筋混凝土渡槽,矩形槽身设计,支撑排架和基础结构布置二.基本资料1.地形:干渠跨越xx沟位于干渠桩号6+000处,沟宽约75m,深15m左右。
根据地形图和实测渡槽处xx沟横断面如下表;桩号6+000 6+015 6+025 6+035 6+045 6+055 6+065 6+090 6+100 地面高程(m)97.80 92.70 87.66 83.85 83.80 87.60 89.90 97.68 97.702.干渠水利要素:设计流量Q设 =10 m3/s、加大流量Q加=11.5 m3/s,纵坡i=1/5000,糙率n=0.025.渠底宽B=2m,内坡1:1,填方处堤顶宽2.5m,外坡1:1.干渠桩号6+000处渠底高程为95.00m。
3.地质:该处为第四纪沉积层,表面为壤土深2米,下层为细砂砾石深度为10米,再下层为砂壤土。
经试验测定,地基允许承载能力(P)=200KN/ m24.水文气象:实测该处地面在10米高处,三十年一遇10分钟统计平均最大风速为24m/s。
设计洪水位,按二十年一遇的防洪标准,低于排架顶1m,洪水平均流速为2m/s,漂浮物重50KN。
5.建筑物等级:按灌区规模,确定渡槽为三级建筑物。
6.材料:钢筋Ⅱ级3号钢,槽身采用C25混凝土,排架及基础采用C20混凝土。
7.荷载:1)自重:钢筋混凝土Υ=25 KN/ m3水Υ=10 KN/ m3 2)人群荷载: 3 KN/ m33)施工荷载: 4 KN/ m34)基础及其上部填土的平均容重为20 KN/ m3三.设计原则与要求1.构件强度及裂缝计算应遵守“水工钢筋混凝土结构设计规范“(SDJ20-78)2.为了减少应力集中,构件内角处应加补角,但计算可以忽略不计。
3.计算说明书要求内容完全、书写工整。
4.图纸要求布局适当、图面清洁、字体工整。
四.设计内容1.水力计算:确定渡槽纵坡、过水断面尺寸、水面衔接、水头损失和上下游链接。
渡槽课程设计配筋计算一、课程目标知识目标:1. 让学生掌握渡槽结构的基本概念,了解渡槽配筋计算的重要性;2. 使学生掌握渡槽配筋计算的原理和方法,包括受力分析、内力计算、配筋设计等;3. 帮助学生了解渡槽配筋计算的工程背景,提高对实际工程问题的分析和解决能力。
技能目标:1. 培养学生运用所学知识,独立完成渡槽配筋计算的能力;2. 培养学生运用计算机软件进行渡槽配筋计算和绘图的能力;3. 培养学生查阅相关资料、规范,解决实际工程问题的能力。
情感态度价值观目标:1. 激发学生对水利工程学科的兴趣,培养良好的学习态度;2. 培养学生具备团队合作精神,善于沟通交流,勇于面对工程挑战;3. 增强学生对水利工程的社会责任感,认识到水利工程对国民经济和社会发展的重要作用。
分析课程性质、学生特点和教学要求:本课程为水利工程学科的基础课程,旨在培养学生具备渡槽配筋计算的基本知识和技能。
学生年级为高中二年级,具备一定的物理和数学基础,但实践经验不足。
教学要求注重理论与实践相结合,强调学生的动手能力和解决实际问题的能力。
课程目标分解为具体学习成果:1. 学生能够准确描述渡槽结构的基本概念,解释配筋计算的重要性;2. 学生能够运用所学原理和方法,完成渡槽配筋计算,并绘制配筋图;3. 学生能够运用计算机软件,进行渡槽配筋计算和绘图;4. 学生能够查阅相关资料和规范,解决实际工程问题;5. 学生在团队协作中,表现出良好的沟通能力和解决问题的能力;6. 学生能够认识到水利工程的社会价值,树立正确的价值观。
二、教学内容1. 渡槽结构概述:渡槽的定义、分类、结构特点及其在水利工程中的应用;2. 渡槽配筋计算原理:受力分析、内力计算、荷载组合、配筋设计原则;3. 渡槽配筋计算方法:手算方法、计算机软件计算方法;4. 渡槽配筋计算案例分析:分析典型渡槽工程案例,使学生了解实际工程中的配筋计算过程;5. 渡槽配筋计算实践:结合实际工程背景,让学生动手进行配筋计算和绘图;6. 相关资料和规范学习:查阅水利工程相关资料和规范,培养学生遵循规范、解决实际问题的能力。
设计基本资料一.设计题目:钢筋混凝土渡槽(设计图见尾页)xx灌区干渠上钢筋混凝土渡槽,矩形槽身设计,支撑排架和基础结构布置二.基本资料1.地形:干渠跨越xx沟位于干渠桩号6+000处,沟宽约75m,深15m左右。
根据地形图和实测渡槽处xx沟横断面如下表;桩号6+000 6+015 6+025 6+035 6+045 6+055 6+065 6+090 6+100 地面高程(m)97.80 92.70 87.66 83.85 83.80 87.60 89.90 97.68 97.702.干渠水利要素:设计流量Q设 =10 m3/s、加大流量Q加=11.5 m3/s,纵坡i=1/5000,糙率n=0.025.渠底宽B=2m,内坡1:1,填方处堤顶宽2.5m,外坡1:1.干渠桩号6+000处渠底高程为95.00m。
3.地质:该处为第四纪沉积层,表面为壤土深2米,下层为细砂砾石深度为10米,再下层为砂壤土。
经试验测定,地基允许承载能力(P)=200KN/ m24.水文气象:实测该处地面在10米高处,三十年一遇10分钟统计平均最大风速为24m/s。
设计洪水位,按二十年一遇的防洪标准,低于排架顶1m,洪水平均流速为2m/s,漂浮物重50KN。
5.建筑物等级:按灌区规模,确定渡槽为三级建筑物。
6.材料:钢筋Ⅱ级3号钢,槽身采用C25混凝土,排架及基础采用C20混凝土。
7.荷载:1)自重:钢筋混凝土Υ=25 KN/ m3水Υ=10 KN/ m3 2)人群荷载: 3 KN/ m33)施工荷载: 4 KN/ m34)基础及其上部填土的平均容重为20 KN/ m3三.设计原则与要求1.构件强度及裂缝计算应遵守“水工钢筋混凝土结构设计规范“(SDJ20-78)2.为了减少应力集中,构件内角处应加补角,但计算可以忽略不计。
3.计算说明书要求内容完全、书写工整。
4.图纸要求布局适当、图面清洁、字体工整。
四.设计内容1.水力计算:确定渡槽纵坡、过水断面尺寸、水面衔接、水头损失和上下游链接。
2.对槽身进行纵向、横向结构计算,按照强度、刚度和构件要求配置钢筋。
3.拟定排架及基础尺寸。
4.两岸链接和布置。
五.设计成果1.计算说明书一份2.设计图纸一张(A1)总体布置图:纵剖面及平面图一节槽身钢筋布置图:槽身中部、端部剖面,侧墙钢筋布置及底板上、下层钢筋布置图,并列处钢筋用量明细表。
排架和基础尺寸,钢筋布置等。
六.参考书1.《水工建筑物》2.《工程力学》3.《建筑结构》4.《水工钢筋混凝土》5. 《工程力学与工程结构》设计说明书一.渡槽总体布置1,槽身长度的确定干渠跨越xx 沟,位于干渠桩号6+000处。
由此表可画出此沟的横剖面图: 桩号 6+000 6+015 6+025 6+035 6+045 6+055 6+065 6+090 6+100 地面高程(m )97.80 92.70 87.66 83.85 83.80 87.60 89.90 97.68 97.70xx 渡槽横断面图由图可知在高程为95m 处沟长为70.25m 。
而对于矩形槽,跨度一般取8~15m ,所以此槽身去跨度为9m ,共8跨,则槽身长L=72m 。
2.上下游连接形式及其长度由于扭面的过流能力较好,所以,上下游连接段均采用扭面进行过渡连接; 在渠道中:水深h 1 由已知条件,带入数据知()0.620.421112122nQ b b h b m h m m m i ⎛⎫⎛⎫=⨯+++- ⎪ ⎪⎝⎭⎝⎭进行迭代得h 1=2.89m校核设计流量:A=(b+mh )h=14.13m2 R=A/x=1.39m0.52213332A 14.131=R 1.399.95/n 0.0255000Q i m s Q ⎛⎫=⨯⨯=≤ ⎪⎝⎭设实故,不符合设计流量的要求,当h 1=2.9m 时21332A =R 10.03/Q nQ i m s =≥设实故,符合设计流量的要求o Q 10.03V ===0.71m/s A 14.21实 当Q=10 m 3/s ,堤顶宽度为2.5m 时,查书中表8-5得10.5h m ∆= 则11 3.4H h h m =+∆= 校核加大流量:21332A =R 14.09/n Q i m s Q =≥、加加故,符合加大流量的要求则,渠道的深度H=3.4m ,水深h 1=2.9m 。
对于中小型渡槽,进口渐变段长度可取L 1大于等于4 h 1(h 1为上游渠道水深); 出口渐变段长度可取L 2大于等于6 h 3(h 3为下游渠道水深)。
则,11L 4h =11.6m ≥ 取 L 1=12m 23L 6h =17.5m ≥ 取L 2=18m综上所述:L 1=12m ,L 2=18m ,均采用扭面过渡。
3.渡槽支撑形式考虑到该渡槽的荷载较小,其支撑形式采用单排架。
4.渡槽基础的形式 采用板梁式条形基础二.渡槽水力计算1.尺寸拟定槽身的过水断面尺寸,一般按设计流量设计,按最大流量校核,通过水力学公式(2132A =R nQ i )进行计算。
当槽身长度L 大于等于(15~20)h 2(h 2为槽内水深)时,按明渠均匀流公式进行计算。
矩形渡槽深宽比一般取0.6~0.8,超高一般取0.2~0.6m 。
初拟时,纵坡一般取1/500~1/1500。
糙率取0.011.拟定h/b=0.7,i=1/1000,得:b=2.6m,不符合实际要求: 拟定h/b=0.8,i=1/700.得:b=2.25m,也不符合实际要求; 拟定h/b=0.8,i=1/500,得;b=2.03m,也不符合要求, …………通过以上的计算得,无论怎么调整数值,都不能满足设计要求,而,一般渡槽的净宽小于等于渠道底宽。
在以上经验数据下,设渡槽净宽b=2m,i=1/700,n=0.011带入2132A =R nQ i 计算水深h ,221332A 2h 1=R =10n 0.0111700h Q i h ⎛⎫⎛⎫⨯⨯= ⎪ ⎪+⎝⎭⎝⎭进行迭代得:h=1.93m 同理,将加大流量带入上式221332A 2h 1=R =11.5n 0.0111700h Q i h ⎛⎫⎛⎫⨯⨯= ⎪ ⎪+⎝⎭⎝⎭迭代得:h 加=2.15m 对设计流量进行校核:b=2m,h=1.93m.2213332A 3.861=R =0.65910.04m /n 0.011700Q i s Q ⎛⎫⨯⨯=≥ ⎪⎝⎭设实则,Q 10.04V===2.6m/s A 3.86实 满足设计流量的要求 对加大流量进行校核取h=0.27∆m 时,则,b=2m, h=0.27+1.93=2.2m2213332A 4.41=R =0.68811.8m /n 0.011700Q i s Q ⎛⎫⨯⨯=≥ ⎪⎝⎭、加加满足加大流量的要求 2.计算水头损失进口段水面 降落值:()()222210110.12.60.710.351229.8K Z v v m g ++=-=-=⨯(K 1=0.1)槽身段沿程降落值: 11/700720.103Z iL m ==⨯=出口段水面回升值: 2110.3510.11733Z Z m ==⨯=渡槽总水面降落值:[]120.3510.1030.1170.337Z Z Z Z m Z ∆=+-=+-=≤∆所以符合最小水头损失的要求。
抬高值: y 1=h 1-Z-h 2=2.9-0.351-1.93=0.619m 进口槽底高程: 131950.61995.619y m ∇=∇+=+= 出口槽底高程: 21195.6190.10395.516Z m ∇=∇-=-= 降低值: y 2=h 3-Z 2-h 2=2.9-0.117-1.93=0.853m 出口渠底高程: 42295.5160.85394.663y m ∇=∇-=-=渡槽水利计算图最终确定,渡槽的断面尺寸为b=2m ,h=2.2m 符合要求。
三.槽身结构计算1. 槽身横向结构计算取槽身长1m计算,拟定截面尺寸如下:可选定:t1=16~20cm t2=20~30cma=80~100cm b=40cmc=36cm 拉杆截面为16*16cm具体尺寸见下图:槽身断面图单位:cm由于结构、荷载对称,取一半计算,截面上剪力大部分分布在侧墙上,可视为一个支撑连杆支持于侧墙底部,忽略侧墙所受的竖向力,可用力矩分配法求解内力,其计算见图如下:(1).拉杆弯矩的计算:荷载 1·H=10 2.43=24.3q γ=⨯水KN ·m 22·H+?t =10 2.43+250.3=31.8q γγ=⨯⨯混水 KN ·m分配系数:截面惯性矩分别为 334410.2I 6.67101212ACt m -===⨯ 333420.3I 2.25101212ABt m -===⨯ 抗弯刚度:443333 6.67108.23102.432.2510 2.05101.1AC ACAB ABEI E K EH EI E K E H ----⨯⨯===⨯⨯===⨯ 所以:分配系数为:0.290.71ACAC AC ABABABAC ABK K K K K K μμ==+==+传递系数:C AC =0 C AB =-1求固端弯矩及约束力矩,固定状态下,可得各固端弯矩219.615F ACq l MKNm =-=- 0FCAM = 2212.83FABq l MKNm =-=-- 226.46F BA q l M KNm =-=--分配系数 0.29 0.71 固端弯矩 0 -9.6 -12.8 -6.4 分配与传递 0 6.5 15.9 -15.9 最后杆端弯矩 0 -3.1 3.1 -22.3最终杆端弯矩为:M AC =-3.1KN ·m M CA =0KN ·m M AB =3.1KN ·m M BA =-22.3KN ·m (2).拉杆拉力的计算 取侧墙为脱离体,由∑M A =0则 3AC H ·H+M -=06CN γ、32AC M H 10 2.43 3.1=-=-=8.6KN 6H62.43CN γ⨯、 C N =S=8.62=17.2KNm C N ⨯、C N 、:槽身一米的拉杆拉力S:拉杆间距(这里取2.2m )C N 、:一个拉杆所承受的拉力(3).底板夸中弯矩M 0计算2220AB q l 3.182M =-M =-3.1=16.1KNm 88⨯(4).绘制弯矩图侧墙外侧弯矩3X 2X 1M =X-X 6dM 1=-X =0dX 2C C N N γγ、、2X=CN γ、代入X M 则得X M (max )。
X1M =0位置 即 3111X -X 6C N γ、=0 所以16X =C N γ、代入数据得:当M 0=0时,16X =CN γ、=2.27m当M max 时,2X=CN γ、=1.3m此时M max =3111X -X 6C N γ、=38.6 1.3-1/610 1.3=7.5KNm ⨯⨯⨯(5).底板拉力∑M=0 底板拉力N A =33C H 10 2.43-N =-17.2=54.5KN 22γ⨯ (6).拉杆弯矩的计算 荷载:()122q 0.1253211q 0.16250.64KNm KNm=⨯+⨯==⨯= 杆端弯矩:22212q q 220.50.64 2.233 2.35612 2.212C a L a M KNm L ⨯⨯⎛⎫⎛⎫=---=--=- ⎪ ⎪⎝⎭⎝⎭ 跨中弯矩:323212q q 110.50.64 2.20.343243 2.224C a L M KNm L ⨯⨯=+=+=⨯弯矩图 单位:KNm2.槽身纵向结构计算(1).荷载:q 1=(0.2*2.43*2+0.3*2.2)*25=40.8KN ·mq2=10*2.2*2=44KN ·mq3=2a*3=2*0.5*3=3KN ·m总荷载:q=q1+q2+q3=10.8+44+3=87.8 KN ·m (2).内力计算计算跨度 L 计=1.05L 0=1.05*9=9.45m夸中弯矩 M=1/8qL 计2 22ql M==1/887.89.45=9808⨯⨯计 KN ·m 3.配筋计算(1).侧墙配筋查表得, f c =11.9 2N/mm ,f y =300 2N/mm K=1.20取a=30mm ,则h 0=h-a=200-30=170mm6s 20 1.2107.50.0311.91000170c KM f bh α⨯⨯===⨯⨯ s 1121120.030.030.850.468b ξαξ=--=--⨯==2011.910000.0317067.4300c s y f b h A mm f ξ⨯⨯⨯=== min 67.40.04%0.2%1000170ρρ===⨯所以用最小配筋率配筋其210001700.002340s A mm =⨯⨯=选配钢筋选受拉筋为Φ12@300(s A =377mm2)(2).底板受压计算取a=30mm ,则h 0=h-a=300-30=270mm6s 20 1.21016.10.0211.91000270c KM f bh α⨯⨯===⨯⨯ s 1121120.020.020.850.468b ξαξ=--=--⨯==2011.910000.02270214.2300c s y f b h A mm f ξ⨯⨯⨯=== min 214.20.08%0.2%1000270ρρ===⨯所以用最小配筋率配筋其210002700.002540s A mm =⨯⨯=选配钢筋选受拉筋为Φ12@200(s A =565mm2)受拉计算判别偏心受拉构件的类型0/16.1/54.50.3300/2300/230120e M N m mm h a mm ====-=-= 属于大偏心受拉构件。