300吨汽车吊外形尺寸及行走特性
- 格式:doc
- 大小:2.22 MB
- 文档页数:6
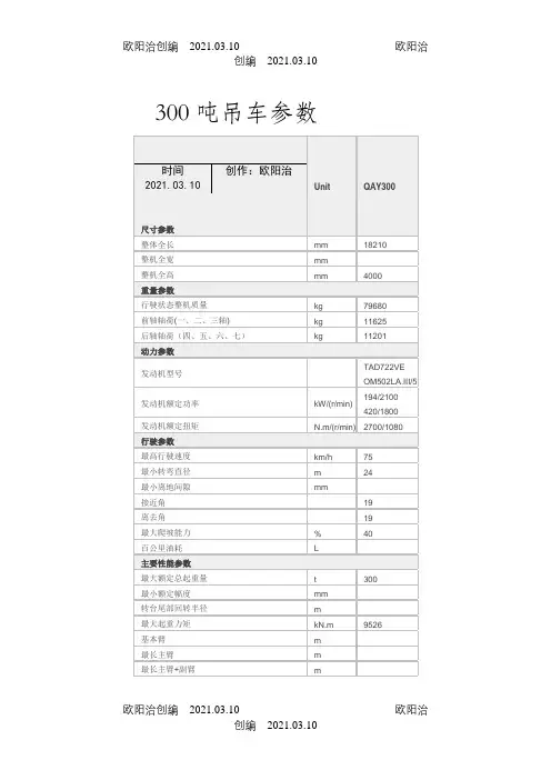
QAY300全地面起重机技术规格伸缩臂汽车式起重机型号QAY300最大额定起重量:300t最大起升力矩:9526kN.m整机长度:18510mm整机宽度:3000m整机高度:4000m整机总重:79650kg(行驶状态)一、起重机底盘部分徐工自行设计并专业化制造的带全宽驾驶室的7桥底盘,最高行驶速度为75km/h;驱动/转向:14×8×10;其中2、3、6、7桥驱动,1、2、3、6、7桥转向。
行驶车速:75km/h;爬坡度:40%。
1.1、车架徐工自行设计并专业化制造,优化重量比,防扭转箱型结构,进口高强度钢材制造。
支腿收缩在特制箱体中,箱体位于2桥和3桥之间以及车架后端。
并且具有前后牵引挂钩。
1.2、底盘发动机制造商:德国奔驰(型号OM502LA.Ⅲ/5);型式:电控、V形八缸、水冷却、增压中冷、电喷、柴油发动机;输出功率:420kw/1800rpm;最大扭矩:2700Nm/1080rpm;环保性:排放符合欧洲III标准;燃料箱容量:约400L。
1.3、动力传动系统1.3.1 变速箱Allison 4800SP自动操纵变速箱。
具有10个前进档和2个倒档,速比范围大,即可满足低速场地和爬坡行驶又可满足高速行驶。
1.3.2 分动箱Kessler分动箱采取大输入扭矩。
额定扭矩高达30000N.m。
带差速锁气缸。
1.3.3 车桥采用Kessler(VG2600)进口车桥,1、5轴为转向从动轴,2、3、6、7轴为转向驱动轴,4轴非驱动转向轴。
1.3.4 传动轴优化的传动轴布置,传动轴传动平稳、可靠。
最优化力传输,采用端面齿联结传动轴,传递扭矩较大,最大可达27000Nm。
1.4、桥悬架油气悬挂,每根桥承担载荷相当,不高于12t。
液压系统调平,底盘可以升高或降低-100~+150mm。
通过能力强。
1.5、转向采用德国ZF公司的ZF7421 955转向油泵,液压助力系统,保障转向轻便灵活。
QUY300履带起重机技术规格履带起重机 型号QUY300最大额定起重量:300t一、产品的部件和系统描述一)上车部分1.起重臂起重臂包括主臂、塔式副臂和风电专用副臂,是履带起重机的重要构件之一,结构型式为中间等截面,两端变截面的四弦杆空间桁架结构,采用德国进口高强度管材,臂架具有极强的抗弯曲能力。
臂架组合多样性是本机的一大特色,能适应用户多种不同的使用需求。
a.主臂架:主臂包括重型主臂、基本型主臂和轻型主臂两种。
基本型主臂和轻型主臂配置臂端单滑轮机构。
重型主臂长度:18~48米构成:由一个9米底节、一个1.2米臂头、1个6 米节、1个7.8米锥形节、2个12米节组成,通过对中间节的适当配组,臂架的长度,可从18米组装成最大长度48米,每6米为一个增加长度。
基本型主臂长度:24~72米,配置臂端单滑轮机构构成:由一个9米底节、一个1.2米塔体臂头、1个6 米节、1个7.8米锥形节、4个12米节组成,通过对中间节的适当配组,臂架的长度,可从24米组装成最大长度72米,每6米为一个增加长度。
其中,9米底节、6 米节、7.8米锥形节、12米节与重型主臂通用。
轻型主臂长度:30~96米,配置臂端单滑轮机构构成:由一个9米底节、一个9米轻型顶节、1个6 米节、1个6米锥形节、4个12米节、1个6 米轻型节、1个12 米轻型节组成,通过对中间节的适当配组,臂架的长度,可从30米组装成最大长度96米,每6米为一个增加长度。
其中,9米底节、6 米节、12米节与重型主臂通用。
b.塔式副臂塔式作业时的主臂长度:30~60米主臂构成:由一个9米底节、一个1.2米塔体臂头、1个6 米节、1个7.8米锥形节、3个12米节组成,通过对中间节的适当配组,臂架的长度,可从30米组装成最大长度60米,每6米为一个增加长度。
其中,9米底节、6 米节、7.8米锥形节、12米节与重型主臂通用;1.2米塔体臂头与基本型主臂通用。
塔式副臂长度:24~60 米,配置臂端单滑轮机构塔式副臂构成:由一个9米塔臂底节、一个9米轻型顶节、1个6米轻型节、3个12米轻型节组成,通过对中间节的配组,在主臂30~60米范围内可装24~60米塔式副臂。
汽车起重机起重机操作注意事项,参照德国标准 DIN 15019.2,吊装1级,动力装置1Bm。
1.0性能表:组合 备注 配重(t) 标识号 页码 主臂 100,76,55,44,33,22,11,0879 278 40 21‐36 主臂 工作范围270°11,0 878 634 40 37‐39 主臂 工作范围0° 100 878 643 40 40主臂 支腿半伸 33,22,11,0 879 279 40 41‐47 主臂,延伸至单一臂长 55,44,33,22,11,0 879 280 40 48‐53 主臂,延伸至单一臂长 工作范围270°11,0 878 679 40 54‐55 主臂,延伸至单一臂长 支腿半伸 33,22,11,0 879 281 40 56‐59 主臂伸缩性能 100,76,55,44,33,22,11,0879 284 40 60‐75 主臂伸缩性能 支腿半伸 33,22,11,0 879 285 40 76‐82 主臂伸缩性能使用说明 878 718 40 83‐84 装配时的工况性能表 0t 878 684 40 85装配时的工况性能表 支腿半伸 0t 878 685 40 86装配时的工况性能表 前方0° 0t 878 686 40 87主臂延伸臂角度0° 100,76,55,44,33,22,11 879 482 40 89‐90 主臂延伸臂角度20° 100,76,55,44,33,22,11 879 483 40 91‐92 主臂延伸臂角度0° 支腿半伸 33,22,11 879 484 40 93‐94 主臂延伸臂角度20° 支腿半伸 33,22,11 879 485 40 95‐96 固定飞臂 3° 100,76,55,44,33 879 291 40 98‐102 固定飞臂20° 100,76,55,44,33 879 292 40 103‐107100 878 431 40 110‐119变幅飞臂 主臂角度82/73/65°76 878 555 40 120‐153变幅飞臂 主臂角度82/73/65°变幅飞臂 主臂82° 55 879 295 40 154‐16055 879 296 40 161‐167变幅飞臂 主臂82°支腿半伸不带超级提升装置时的变幅飞臂扳起性能表 879 300 40 168‐172汽车起重机起重机操作注意事项,参照德国标准 DIN 15019.2,吊装1级,动力装置1Bm。