JK2511直流低电阻测试仪操作规程
- 格式:doc
- 大小:31.50 KB
- 文档页数:3
使用说明书OPERATION MANUAL2511直流低电阻测试仪警告本仪器不允许对带电测试件进行测试!测试中应注意的问题:1.开机预热:仪器开机,测试前必须预热10分钟以上,以等待仪器内部线路电参数稳定后再进行测试。
2.零点及清零:当使用20mΩ和200mΩ两量程时,应首先清零再进行测试,而在其它量程一般不必清零。
测试时,使用者可先选定量程,再把测试夹互夹,使S+端与S-端直接接触,D+端与D-端直接接触,并保持良好接触,若仪器显示不为零时,请按前面板清零键,则清零ON指示灯亮,仪器清零。
3.由于仪器采用了四端测量法,所以使用者在清零时,一定要使仪器的S+端与S-端直接接触,D+端D-端直接接触。
具体地说:使两个测试夹有引出测试线的两金属片直接接触,无引出测试线的两金属片直接接触。
否则在20mΩ和200mΩ两量程时,由于仪器增益极高,仪器会显示一非常不稳定的底数。
4.仪器内部所有器件的校正参数都存储在AT28C16EEPTOM集成电路内,所以仪器内许多集成电路及电子元器件不要随便更换,否则可能使与AT28C16内部存储参数不符,造成测量不正确。
注1:在开机或使用过程中机器出现死机或数据乱跳以及其他不合理现象。
复位:先关机然后按住设置键同时开机!在开机关机时请不要迅速地开启关闭电源。
第一章概述一、引言:2511智能直流电阻自动分选测试仪采用数码管显示,能对各种导线、变压器、电机、开关、继电器等各类电阻进行测试,仪器测量范围10uΩ-2.00kΩ仪器产生高精度恒流经被测件进行四端点测量,有效地扣除了引线误差,适合用户作高精度测量;由于使用直流测试,对各类变压器及电感的铜阻测量尤为适合;本仪器扩展了同类仪器的功能,采用无继电器切换量程,并带有短电数据保护功能.二、功能介绍:1.测试值显示:五位显示:最大19999字,LED分选结果显示:在分选指示框显示结果;可以用按〖↑〗、〖↓〗键对计数值显示的分选档的数值进行+、-设置。
直流电阻测试仪安全操作规程
1. 前言
直流电阻测试仪是一种用于测量电路直流电阻和电势差的仪器。
本文档旨在规范直流电阻测试仪的安全操作,以避免人身伤害和设备损坏。
2. 安全注意事项
在使用直流电阻测试仪之前,应注意以下事项:
•使用符合国家标准的电源
•在触碰导线和接口之前,必须关闭电源
•明确测试电路的电压和电流,避免短路和超功率
•使用保护措施,如避雷针、保险丝和避免潮湿环境
•使用标准测量线缆
•不要触摸裸露的电源线和端子
•只有经过专业培训的人员才能进行特殊检查和操作
3. 操作流程
1.在使用前,检查测试仪有无破损或松动的地方
2.连接标准检测线缆
3.仔细检查连接线是否牢固
4.打开测试仪电源,调节测试仪所需要的电压和电流值
5.将待测试器件与测试仪相连
6.待测试器件应断开电源,并防止短路
7.在极性规定的情况下,连接测试仪
8.记录测试仪显示的结果
4. 维护与检修
在使用直流电阻测试仪时,我们也需要维护和检修测试仪,如下:
1.定期检查测试仪电源
2.定期检查测试仪是否能正常工作
3.定期检查测量线缆
4.定期检查电源线和接线端子
5.定期校准测试仪指示值
5. 总结
直流电阻测试仪的安全操作需要依照本文档所规定的操作流程进行操作。
同时,监测电源电压和电流,避免短路和超功率。
正确的维护和检修对于测试仪的使用寿命和测试结果的准确性也至关重要。
直流数字电阻测试仪操作规程直流数字电阻测试仪操作规程一、设备概述直流数字电阻测试仪是一种用于测试电路或电子元件的电阻值的仪器。
它采用直流电流进行测试,同时具备数字显示和自动测量功能。
二、操作前准备1.确保测试仪处于合适的工作环境下,无明显的灰尘、湿气等干扰因素。
2.根据需要选择合适的测试电压和测试电流范围。
3.确保仪器与待测电路或元件之间的连接正确可靠。
4.检查测试仪的电源是否正常,并确保仪器接地可靠。
三、测试步骤1.打开仪器电源,并确保仪器处于待机状态。
2.将待测电路或元件与测试仪正确连接,确保电路连接稳定可靠。
3.根据需要设定测试的电压和电流范围。
如测试特定元件,需参考元件的额定值设定测试范围。
4.在测试仪上选择相应的测试模式,如手动模式或自动模式。
5.若选择手动模式,按下“测试”按钮开始测试,并在仪表上观察测试数值。
同时根据需要,可以选择保持、峰值显示等功能。
6.若选择自动模式,仪器将自动进行测试并显示数值。
7.根据测试结果判断被测电路或元件的电阻值,确保测试信号范围内的准确性。
8.测试完成后,关闭仪器电源,并拆除与被测电路或元件的连接。
四、注意事项1.在进行测试前,确保被测电路或元件处于断电状态,以免产生损坏或危险。
2.在测试过程中,仪器可能存在一定的热量,注意避免触碰测试仪表。
3.测试仪的电源应接在可靠接地的插座上,确保使用环境的安全性。
4.测试仪器的使用人员应具备基本的电路知识,以便正确判断测试结果和操作仪器。
5.对于高精度测试要求,应使用更为专业的测试仪器,并按照仪器说明进行相关操作。
6.定期对测试仪器进行维护和校准,以确保测试结果的精确性和可靠性。
五、常见故障及排除方法1.仪器无法正常启动:检查电源是否接通,电源是否正常,仪器是否连接正确。
2.测试结果异常或不稳定:检查测试环境是否受到干扰,测试连接是否牢固,测试参数是否设定正确。
3.数字显示不清晰或无显示:检查仪器是否出现故障,如有必要及时联系售后人员进行维修。
直流电阻测试仪操作规程一、使用方法:用电源线把仪器与外部AC220V电源连接,+I、-I、+V、-V 端子与试品采用四端法接线。
随仪器配套的专用测试钳,已把电流、电位线设计到同一钳口上,试验接线简单方便。
仪器测试付程由计直机样制测试过程为:1.1开机或手动复位:通过按复位键选择所需的工作电流。
1.2选择输出电流:仪器开机默认的测试电流为3A。
1.3按启动键测试开始。
1.4仪器自检:选择合适的工作电流后,按启动键,程序对仪器硬件进行检测。
如有故障闪烁显示,不进入下一状态。
1.5充电、建立过渡过程:按选择过的工作电流对试品进行充电,当达到所选择的测试电流时,进入下一状态。
1.6 测试电流电位,计算、显示阻值:1.6.1充电电流达到选择的测试电流,建立过渡过程结束。
仪器根据所选择的电流及被测阻值的大小,选择合适的档位,开始测试回路电流互及电位端子间的电位差V,通过计算V/I可得试品电阻R。
R<lΩ时,显示器显示的单位为 mΩ。
R>1Ω时,显示器显示的单位为Ω。
待数据稳定后,该数值为试品阻值。
1.6.2当对测试阻值有疑问时,可持续按启动键一秒种,这时仪器对电流、电位重复测试,液晶屏显示重复测试的阻值。
若重复测试结果一致,说明仪器工作正常,测试值与出厂值相比偏差大时,应慎重对待、查明原因。
1.6.3对于带有载分接开关的变压器,可以连续测试。
在某一分接位置测试后,把分接开关调至下一位置(不需按复位键),待数值重新稳定后,该数值即为该位置的阻值,直到所有分接测完为止。
1.7测试完毕:测试完毕后,按复位键,充电回路断开,仪器内部设计有快速放电回路,释放绕组所储存的能量。
按复位键后,蜂鸣器响,显示器闪烁显示,表示仪器工作于放电状态。
待蜂鸣器停后,显示器显示出上次的工作电流,表示放电结束,仪器进人选择电流状态;这时可拆除测试线或按复位键重新选择电流进行下一相序的测试。
1.8在光线较暗的环境,背光开关置开。
水份计水份仪电表钳表测厚仪校正器。
直流电阻测试仪操作规程直流电阻测试仪是现场快速测试变压器直流电阻、取代老式单双臂电桥的最新一代产品。
采用高精度16位A/D转换器,测量数据快速稳定,重复性好。
测试全过程采用自动程序控制,不会误操作。
全中文液晶显示,清淅度高、操作简便。
仪器自带微型打印机,可自动打印测试结果。
1使用条件:使用环境温度:0~40℃使用环境温度:≤90%2技术参数:2.1 供电电源:交流220V ±10%、频率50±1Hz;2.2 电阻测量范围:0~2000Ω、分辩度1 uΩ;2.3 电阻测量准确度:0.2级;2.4 电流源输出:0.5A、5A、10A(仪器自动换挡);3 使用方法:用电源线把仪器与外部AC220V电源连接,+I、-I、+V、-V端子与试品采用四端法接线。
随仪器配套的专用测试钳,已把电流、电压线设计到同一钳口上,试验接线简单方便。
全部测试过程由仪器自动控制测试过程为:3.1 被试品通过专用线缆与本机的测试接线柱连接,确保连接牢固,同时把地线接好。
3.2 本机共设“选择”“确定”“复位”共三个按键。
打开电源开关,屏幕上会显示仪器的初始状态(电阻设置内存)。
此时光标指针指向“电阻”,直接按“确定”键,仪器内部自动选中电流值测量。
3.3 选择“电阻”后,按下确认键,开始测量,屏幕上显示“正在测量”,此时进入测量状态,几秒后会自动显示所测阻值。
(屏上会同时显示所选电流值与所测的电阻值,并自动显示单位。
)3.4 如果测试线没有接好,仪器会自动显示“测试线未接好”,这时需要检查线路是否正确或没有接牢,然后安复位键重新测量。
3.5 如果需要打印结果,在显示电阻后,按住选择键1~2秒钟,可打印电阻值。
3.6 测试完毕后,按下“复位”键,仪器电源将与绕组断开,液晶显示“正在放电”同时音响警报,当显示屏回到出世状态,放电声音结束后,可重新接线进行接线。
4 注意事项:4.1 本仪器在户内、户外均可使用,但应避开雨林、腐蚀气体、尘埃过浓、高温高压、阳光直射等场所,以及避免剧烈震动。
直流电阻测试仪使用说明及注意事项使用说明:1.准备工作:将测试仪插入电路中需要测试的位置,并确保电路处于关闭状态。
2.选择合适的测试档位:根据测试电阻的阻值大小,选择合适的测试档位。
通常直流电阻测试仪会提供多个测试档位,用户可以根据需要选择合适的档位。
3.连接电源:将电阻测试仪与电源连接,并确保连接牢固。
4.打开电路:打开电阻测试仪的电源,同时打开需要测试的电路。
此时,测试仪会开始工作并显示电路中的电流和电压值。
5.进行测试:等待电阻测试仪稳定后,可以开始进行测试。
通常情况下,测试仪会提供一个测试按钮,用户只需要按下测试按钮,就可以读取电阻值。
注意事项:1.安全操作:在测试过程中,应当注意安全操作。
确保电路处于关闭状态,并遵循正确的操作步骤,以避免电击或其他意外事故的发生。
2.确保电路稳定:在进行测试之前,应当确保电路处于稳定状态,以避免测试结果受到干扰。
可以等待一段时间,使电路稳定后再进行测试。
3.正确选择测试档位:在选择测试档位时,应当根据测试电阻的阻值大小选择合适的档位。
选择过小的档位可能造成仪器过载,选择过大的档位可能导致测试结果不准确。
如果不确定测试电阻的阻值范围,可以选择一个较小的档位进行初步测试,然后根据测试结果选择合适的档位进行精确测试。
4.避免干扰源:在进行测试时,应当尽量避免干扰源的存在,如其他电路电流的变化、强磁场等。
这些干扰源可能会对测试结果产生干扰,导致测试结果不准确。
综上所述,正确使用直流电阻测试仪需要注意安全操作、选择合适的测试档位、确保电路稳定、避免干扰源的存在,并定期对仪器进行校准。
只有在正确使用仪器的前提下,测试结果才能准确可靠。
2511系列直流低电阻测试仪使用说明书、概LY2511/2512系列直流低电阻测试仪是针对变压器、电机、开关、继电器、 接插件等各类直流电阻进行测试的仪器。
该仪器具有测量范围广,精度高,速度 快的优点。
而仪器采用了高精度恒流流经被测件和五端测量有效地扣除了引线误 差,适合用户作高精度测量;同时仪器增加了分选功能,用户可直接设置电阻上 下限值或百分比误差进行分选,极大地提高了同类产品的测试速度。
、技术指标与性能特点1、 显示: 以五位数字显示阻值,首位大于4时只显示四位;以四位数字加一符号位显示百分比,范围为土0.01% — 土 9999%。
2、 测量范围:2511: 10u Q 〜2.000K Q; 2511A : 1u Q 〜2.0000M Q; 2512: 1u Q 〜2.0000M Q 。
2512A : 1u Q 〜200.00K Q 2512B : 1u Q 〜20.000K Q显示: 超量程显示:QQQQQ 。
3、测试速度: 慢速(6次/秒)、快速(10次秒) 4、 档位选择: 自动或手动。
5、 电源: AC50/60HZ 220V± 5%6、 操作环境: 温度:0C 〜40C ,RHC 80%7、远控接口:可选配。
8 外形: 270mm*110mm*300mm (宽 *高 *深)。
9、重量:约 5 kg 。
10、 远控分选输出:下超(LOW )、合格(PASS )、上超(HIGH ),均为低电平有效。
11、 电阻测量范围,测量精度,显示分辨率及测试电流如下表所示:2511系列直流低电阻测试仪使用说明书11511 0上超 盘通过 Q 下超试端口15 14 则[0 ^.^0013/E始12 功LY 2仪0 0LY2511前面板示意图三、前后面板功能及操作说明以下对前面板进行相应说明,其说明文字前面的数字为前面板图上的标号1、电阻值或百分比显示窗,5位数码管显示。
注意:量程锁定时若所测电阻远远小于该量程的测量范围则精度受影响。
YD2511型直流低电阻测试仪使用说明书一、 概述YD2511型直流低电阻测试仪是专门用于测量低值直流电阻的仪器。
可广泛用于测量各种线圈的电阻、电动机变压器绕组的电阻,各种电缆的导线电阻,开关插头、插座等电器元件的接触电阻和金属铆接电阻。
本仪器运用了斩波稳零放大器和微处理器技术,有效的克服了直流漂移的影响,提高了测量精度。
仪器采用了五端测量的方法,有效的消除了测试电缆引线电阻及接触电阻的影响。
二、 技术参数2.1本仪器为四位半数码管显示,最高分辨率为10μΩ。
2.2测量范围:10μΩ~1.9999kΩ分五档量程1、200mΩ:10μΩ~199.99mΩ量程2、2Ω:100μΩ~1.9999Ω量程3、 20Ω:1mΩ~19.999Ω量程4、 200Ω:10mΩ~199.99Ω量程5、 2kΩ:100mΩ~1.9999kΩ2.3测量误差:测量误差=工作误差+温度系数误差2.3.1在环境温度为20±5℃的条件下,为±0.2%读数值±0.01%满度值。
2.3.2温度系数误差:在0~15℃及25℃~40℃,各量程为:(±0.002%读数值±0.002%满度值)/℃。
2.4测试电流:量程1:约100mA量程2:约10mA量程3:约1mA量程4:约0.1mA量程5:约0.01mA2.5预热时间15分钟2.6测量速度8次/秒2.7分选功能分选功能仅在锁定状态时有效。
上限设置:将上限设置拨盘开关拨至上限值。
下限设置:将下限设置拨盘开关拨至下限值。
上超灯:当测量值>上限时,上超灯(HIGH)亮。
下超灯:当测量值<下限时,下超灯(LOW)亮。
合格灯:当下限<测量值<上限时,合格灯(PASS)亮。
蜂鸣器:当合格灯亮时蜂鸣器响。
(蜂鸣器可用面板上讯响按键控制)。
三、 工作原理恒流源产生稳恒电流加到被测电阻Rx上产生电压降Ux,稳恒电流加到基准电阻Rs上产生电压降Us,Ux和Us经放大后加到A/D转换器的测量端和基准端,A/D转换结果送89C52微处理器,微处理器将检测数据经过计算处理送显示部分。
美瑞克仪器MEIRUIKE INSTRUMENTManua l使用说明书深圳市美瑞克电子科技有限公司版本历史:由于说明书中可能存在错误或遗漏、改进和完善仪器功能、更新技术及升级软件,本说明书将做相应的调整和修订、不断完善以利于使用。
请关注所使用的软件版本及说明书版本。
2020年12月 VER1.02021年07月 VER2.0(地址更新)2021年09月 VER3.0(售后电话变更)2021年12月 VER4.0(修改单位符号K大小写、更正语句错误、添加附件型号)声明:本公司可能对该产品的性能、功能、软件、结构、外观、附件、包装以及说明书等进行完善和提高,如有修改,恕不另行通知!如造成疑惑,请与本公司联系。
目录一、产品概述2二、产品规格...........................................................................................................22.1RK 2511AL 系列简介:.................................................................................22.2测试范围.......................................................................................................22.3测试量程...................................................................................................22.4显示范围...................................................................................................2.5测试速度...................................................................................................2.6触发方式...................................................................................................三、参数规格及相应说明.......................................................................................3.1具体参数...................................................................................................3.2一般技术指标...............................................................................................3.3测试端、基准端说明...................................................................................四、面板、后板介绍...............................................................................................4.1前面板功能介绍...........................................................................................4.2后面板功能介绍............................................................................................五、操作说明.......................................................................................................5.1上电启动...................................................................................................5.2开始测试.....................................................................................................5.3选择测试速度.............................................................................................5.4选择测试量程.............................................................................................5.5清零标准.....................................................................................................5.6功能菜单.....................................................................................................5.7后面板HANDLER 接口介绍(选配)........................................................5.8串行RS-232标准接口(选配)..............................................................六、串口通讯指令(仅适用于RK2511ALR )七、常见故障及维护.............................................................................................7.1常见故障排除..............................................................................................7.2更换保险说明.................................................................................................7.3产品保修说明............................................................................................................................................................................................................334566788888991113152020207.4装箱清单. (21)203336.1指令格式简要说明..............................................................................................6.2基本指令..............................................................................................附录:选型表.............................................................................................151591........................................................一、产品概述RK2511AL/BL 系列是一款经济实用的直流电阻测试仪,具有更广的测试范围:0.01m Ω~200.0KΩ,最大显示数5000数。
深圳市尚科通电子科技有限公司
Q/HS.JS-23-2010 JK2511直流低电阻测试仪操作规程
发送部门:
分发编号:
受控状态:
编制:
审核:
批准:
2015年8月20日发布2015年8月20日实施深圳市尚科通电子科技有限公司发布
深圳市尚科通电子科技有限公司
JK2511直流低电阻测试仪操作规程
Q/SSC006-2015 1.目的
规范使用接触电阻测试仪,使设备得到正常使用和维护。
2.范围
适用本厂接触电阻测试仪的使用与维护。
3. 职责
3.1品质部负责制订本规程;
3.2品质部检验员负责本规程的执行;
3.3品质部主管负责检查检验员的操作情况,对违反规程的不规范操作进行适当的处罚。
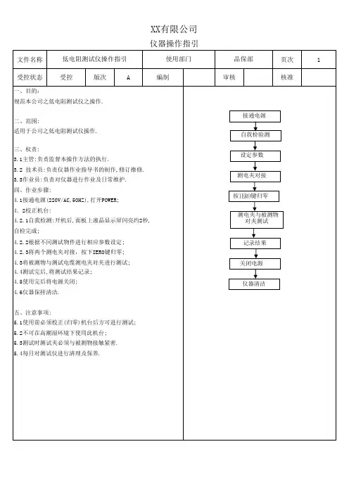
4.使用方法(不能对带电物件进行测试)
4.1仪器电源插头插入220V电源,打开电源开关预热20分钟后,才可进行测试使用,以保障测试结果的准确性;
4.2查阅被测产品的电阻值要求,再按其要求调动准确位置;
零点及清零:当使用20mΩ和200mΩ两量程时,应首先清零再进行测试,而在其他量程一般不必清零。
测试时,使用者可先选定量程,再把测试夹互夹,使S+端与S-端直接接触,D+端与D-端直接接触(两个测试夹有引出测试线的两金属片直接接触,无引出测试线的两金属片直接接触。
)并保持良好接触,若仪器显示不为零时,请按前面板清零键,则清零ON指示灯亮,仪器清零。
4.3开机或使用过程出现死机或数据乱跳等不良现象。
复位:先关机然后按住设
置键同时开机;
4.4夹具与试件接触要尽量减少接触电阻,保证被测电阻的准确性
4.5测试完毕后,应关闭电源开关,拔掉电源插头。
4.6测试数据记录:检测员,先在测试记录表上,登记被测样件的各相邻两针/孔间,针/孔与壳体间的耐电压测试结果,再录入电脑中的测试报告表格中并打印。
待检测员签名后,再由品质部主管签名确认。
编制:审核:批准:。