5列车控制系统
- 格式:pdf
- 大小:1.53 MB
- 文档页数:29
列车运行控制系统的特性1.列控信息列控信息是指列控地面设备之间、列控地面设备与地面外部设备之间、列控车载设备之间、列控车载设备与列车外部设备之间、列控地面设备与列控车载设备之间传输的信息。
列控信息是列车运行控制系统的神经中枢,是列车运行控制系统正常工作的基础。
通常,列控信息主要指列控地面设备与列控车载设备之间传输的信息。
列控信息分为安全信息和非安全信息。
直接与行车安全相关的信息属于安全信息,如行车许可、空闲闭塞分区数量、进路信息、临时限速、等级切换、列车位置和速度等;非安全信息是列控辅助信息,如列车编组、列车长度、始发/目的站、司机乘务组编号等。
列控信息的信息量和实时性应满足不同速度、不同密度、不同运输方式及不同列车控制方式的要求。
列控信息的信息量首先应满足列车安全追踪间隔的距离要求。
(1)列控信息的信息量。
(2)列控信息的实时性。
2.列车追踪间隔距离和间隔时间同一方向上的两趟列车,彼此以闭塞分区相间隔追踪运行,前一列车的尾部与后一列车的头部之间所保持的最小间隔时间,称作追踪间隔时间。
计算追踪间隔时间时应分别计算区间列车追踪间隔时间、车站同方向发车追踪间隔时间及车站同方向到达的追踪间隔时间。
比较这三种追踪间隔时间,取其中最大的数值,作为追踪间隔时间。
既有线三显示和四显示信号系统中,列车控制采用分级阶梯码方式,而高速铁路则采用速度目标距离模式曲线方式(一次模式曲线)。
因此,既有线的列车追踪间隔时间计算公式不适用于高速铁路。
高速铁路列车追踪间隔时间的计算包括以下几部分:(1)区间列车追踪间隔时间。
(2)车站同方向到达追踪间隔时间。
(3)车站同方向发车追踪间隔时间。
3.RAMS(1)系统安全性。
(2)可靠性和有效性。
①平均无故障时间(mean time between failure,MTBF)。
②平均无故障运行时间(mean time between services failure,MTBSF)。
简述列车控制系统的功能
列车控制系统的功能是控制列车行驶、停车,保障列车行车安全和运
营效率。
具体包括以下几个方面的功能:
1.列车速度控制:控制列车的速度,包括加速、减速、稳定行驶等,
确保列车能够按照规定速度行驶,并根据信号系统的指令调整速度。
2.列车制动控制:控制列车的制动系统,使列车能够及时停车,保障
列车行车安全。
列车制动控制还涉及到紧急制动功能,保障列车在紧急情
况下的安全。
3.列车通信与信号控制:列车控制系统需要与轨道交通信号系统进行
交互,在列车运行过程中,根据信号系统发送的列车运行指令,执行列车
的加速、减速、转向等操作,确保列车运行安全、平稳。
4.车门和客流控制:控制列车车门开关和客流量,确保列车上车、下
车的秩序和安全,保证列车内外的安全。
5.火警检测与报警:在列车上安装火灾自动报警系统,当发生火警时,自动向车载控制系统报警,让列车进行自我保护和救援操作。
总之,列车控制系统是一个复杂的集成系统,需要对各个部件进行协
调配合,使列车能够按照既定计划运行,并在出现异常情况时能够迅速处理,保障行车安全和运营效率。
列车运行控制系统的五个级别一、列车运行控制系统的五个级别列车运行控制系统是保障列车安全运行的重要设备,它通过控制列车的速度、位置和运行模式,确保列车在轨道上的稳定运行。
根据功能和安全性等方面的不同,列车运行控制系统可以分为五个级别,分别是ATC、ATO、CBTC、CTBC和ETCS。
二、ATC(Automatic Train Control)级别ATC是列车运行控制系统的最基本级别,它主要通过信号系统和车载设备实现对列车的自动控制。
在ATC级别下,列车通过接收信号系统发出的信息,控制列车的速度和位置,以确保列车在规定的区间内安全运行。
ATC级别适用于高速铁路等需要保证列车安全运行的场所。
三、ATO(Automatic Train Operation)级别ATO是在ATC基础上进一步发展的列车运行控制系统级别。
ATO级别在保证列车安全运行的基础上,更加注重列车的运行效率和准点性。
相比于ATC级别,ATO级别的列车运行更加自动化,列车的运行速度和位置更加精确可控。
ATO级别适用于城市轨道交通等高密度、高频率的线路。
四、CBTC(Communications-Based Train Control)级别CBTC是一种基于通信技术的列车运行控制系统级别,它通过车载设备和地面设备之间的通信,实现对列车的精确控制。
CBTC级别不仅可以控制列车的速度和位置,还可以实现列车的精确停站、车辆调度和列车间的安全距离控制等功能。
CBTC级别适用于复杂的轨道交通系统,如地铁、轻轨等。
五、CTBC(Communication-Based Train Control)级别CTBC是一种基于通信技术的列车运行控制系统级别,它在CBTC的基础上进一步发展,主要用于高速铁路系统。
CTBC级别通过车载设备和地面设备之间的通信,实现列车的精确控制和列车间的安全距离控制。
CTBC级别的列车运行更加高效、精确和安全,适用于高速铁路等需要高速、高频的线路。
列车运行自动控制系统的组成
列车运行自动控制系统通常由以下几部分组成:
1. 轨道信号系统:包括信号机和轨道电路,用来指挥、监控列车的运行状态和速度。
2. 列车控制中心:负责传输和处理轨道信号系统发送的指令,控制列车的起动、行驶和停车等操作。
3. 信号设备:包括信号灯、车站显示屏、列车接收器等,用来向列车驾驶员和乘客发送运行信息。
4. 列车自动控制装置:位于列车上的设备,通过接收来自信号系统的信号,控制列车的运行速度和停车。
5. 信息传输系统:用来传输轨道信号和列车运行数据的系统,可以采用有线或无线通信技术。
6. 列车位置和速度检测系统:通过安装在轨道上的传感器,监测列车的位置和速度,并将数据传输给列车控制中心。
以上是列车运行自动控制系统的主要组成部分,不同的列车类型和运营模式可能会有所不同。
CRH5型动车组网络控制系统TCMS功能浅析发布时间:2021-06-30T08:24:41.082Z 来源:《中国科技人才》2021年第10期作者:韩东宁罗昭强张德龙陈政良[导读] 动车组列车总线(WTB)能够实现各个中央控制单元间传递列车级数据及实现数据交换;多功能车辆总线通过总线管理器或I/O接口与各子系统连接,传递过程数据、消息数据等,控制各子系统执行相应的功能。
长春客车股份有限公司高速动车组制造中心吉林长春 130062摘要:CRH5动车组的列车网络控制系统由网关GW、微处理器单元MPU、远程输入输出模块RIOM、中继器REP、TS/TD/LT监视器等硬件构成。
列车网络控制系统分为列车总线WTB和多功能车辆总线MVB两级总线,而MVB总线根据功能性又分为MVB-A信号总线、MVB-B牵引总线和MVB-C服务设施总线,实现与牵引、制动、空调、塞拉门等各个子系统之间的通信,。
关键词:中央控制单元;网关;RIOM;WTB;MVB引言:动车组列车总线(WTB)能够实现各个中央控制单元间传递列车级数据及实现数据交换;多功能车辆总线通过总线管理器或I/O接口与各子系统连接,传递过程数据、消息数据等,控制各子系统执行相应的功能。
一、概述CRH5动车组根据功能性将列车分为两个牵引单元,每个单元包括4节车辆,前一个牵引单元由Mc2、M2S、TP、M2车构成,后半个牵引单元由T2、TPB、MH、Mc1车构成。
列车网络控制系统TCMS将两个冗余的UIC网关分别应用于两个牵引单元。
其中列车总线(WTB)能够实现各个中央控制单元间传递列车级数据及实现数据交换;多功能车辆总线通过总线管理器或I/O接口与各子系统连接,传递过程数据、消息数据等,控制各子系统执行相应的功能。
1.WTB列车总线WTB在给定时间内由单一主设备控制。
在主设备控制下,WTB周期性广播用于诸如牵引、控制列车的过程数据。
它也按需求传送可能较长但不太紧急的用于旅客信息、列车诊断和维护的消息数据。
动车组运行故障信息远程智能分析判断系统<TIDS)研究与实践ooo列车网络控制系统采购意向主要简介CRH5型动车组列车网络控制系统<TCMS)可实现列车牵引、制动、供电、空调、门控、转向架等子系统和设备的实时监视和控制,并能自动识别列车编组。
支持列车实时诊断技术,可实现车地间的数据交换。
结合地面专家系统能对车载设备应用情况进行统计分析,提高维护作业效率,优化车辆布线,有利于减轻车辆自重。
b5E2RGbCAP动车组运行故障信息远程智能分析判断系统<TIDS)技术评审鉴定意见2018年12月19日,郑州铁路局科委组织专家对郑州铁路局车辆处和北京康拓红外技术股份有限公司合作研制的动车组运行故障信息远程智能分析判断系统<TIDS)进行了技术评审。
鉴定委员会审查了该系统的研制报告、技术报告、测试报告、运用报告,并对安装在郑州车辆段CRH5型动车组上的TIDS设备样机进行了现场测试。
经鉴定委员会讨论,形成以下评审意见:p1EanqFDPw1、该系统由车载终端设备和地面数据中心两部分构成,可采集动车组运行信息,并利用无线GPRS模块,远程传输至地面数据中心,终端软件通过对采集数据进行分析、判断,实现数据智能处理、自动报警等功能。
DXDiTa9E3d2、 TIDS车载终端设备实行模块化设计,机械设计合理,便于安装拆卸,应用方便,易于维护。
3、 TIDS系统软件可对动车组运行故障数据进行分类存储、智能分析、判断、报警,可实现动车组运行状态信息和故障信息的实时显示,并自动生成各类报表,系统软件设计易于数据挖掘研究和历史数据管理。
RTCrpUDGiT综上,TIDS系统采用GPRS和Internet网络技术,实现CRH5型动车组运行数据传输的及时性、准确性、完整性,可有效提高动车组运用故障的处置效率。
该系统设计合理,功能符合现场需要,技术达到国内先进水平,填补了CRH5型动车组远程数据传输监控的空白。
列车运行控制系统唐涛主编列车运行控制系统是一种用于控制和管理列车运行的关键设备。
它负责监测列车的运行状态、调度列车的运行计划、控制列车的运行速度和方向,并保障列车运行的安全和高效。
列车运行控制系统是由多个子系统组成的复杂系统。
这些子系统包括信号系统、制动系统、牵引系统、通信系统等。
每个子系统都有自己的功能和特点,它们相互配合、相互作用,共同完成列车运行的任务。
信号系统是列车运行控制系统中最重要的子系统之一。
它通过信号灯、信号机等设备向列车驾驶员传递运行指令和信息,控制列车的运行速度和方向。
制动系统是保障列车运行安全的关键子系统,它能够对列车进行制动,控制列车的运行速度和停车距离。
牵引系统是控制列车加速和减速的子系统,它通过电力或机械力驱动列车运行。
通信系统是实现列车与列车之间、列车与指挥中心之间的信息交换和通信的子系统,它能够传递运行计划、指令和报警信息等。
列车运行控制系统具有高度的安全性和可靠性。
它能够实时监测列车的运行状态,及时发现并处理运行异常和故障。
当列车发生紧急情况时,列车运行控制系统能够迅速采取措施,保障乘客和列车的安全。
同时,列车运行控制系统还具有自我诊断和故障排除的功能,能够自动检测和修复一些常见故障,提高系统的可用性和可靠性。
列车运行控制系统还能够提高列车运行的效率和舒适性。
它能够优化列车的运行计划,减少列车的停车时间和运行时间,提高列车的运行速度和运载能力。
同时,列车运行控制系统还能够根据列车的载荷情况和乘客需求,自动调整列车的运行速度和停靠站点,提供更加舒适和便捷的乘车体验。
列车运行控制系统在未来的发展中还存在一些挑战和机遇。
随着科技的不断进步,列车运行控制系统将会更加智能化和自动化。
例如,人工智能技术的应用将使列车运行控制系统具有更强的决策能力和自学习能力,能够更好地适应复杂多变的运行环境。
同时,列车运行控制系统还将与其他交通系统进行无缝连接,实现更加高效和便捷的交通运输网络。
列车自动控制系统atc的构成-回复ATC(列车自动控制系统,Automatic Train Control System)是公共交通领域中的一项重要技术,主要用于提高列车的运行安全性、准确性和效率。
本文将一步一步回答关于ATC构成的问题。
第一步:什么是列车自动控制系统(ATC)?列车自动控制系统(ATC)是一种电子化的系统,用于监控和控制列车的行驶。
它结合了信号系统、车载设备和中央控制系统,使得列车能够自动地运行,并确保列车在预定路线上以预定速度行驶。
第二步:ATC的组成成分有哪些?ATC系统由以下几个主要组成部分构成:1. 信号机:信号机是ATC系统的核心设备之一,用于向驾驶员和列车传递行进指令。
信号机根据轨道和列车状态的变化来改变显示,通过不同的信号来指示列车所能行驶的最高速度以及其他操作指令。
2. 列车控制设备:列车控制设备是安装在列车上的系统,用于接收来自信号机的指令并执行相应的操作。
这些设备包括刹车系统、加速系统等,它们通过电子信号与信号机进行通讯,并根据指令来调整列车的速度和方向。
3. 通信设备:通信设备用于在列车和中央控制中心之间传递信息。
通过无线电通信或其他技术手段,列车可以向中央控制中心发送当前的状态信息,如位置、速度和故障报告等。
中央控制中心可以根据这些信息来监控列车的运行,并及时采取措施来保证列车的安全和顺畅运行。
4. 中央控制中心:中央控制中心是ATC系统的核心,它负责对所有列车进行监控和控制。
中央控制中心收集来自各个列车的信息,并根据预定的运行计划来调度列车的运行。
如果有异常情况发生,中央控制中心能够迅速做出反应并采取必要的措施来保证列车和乘客的安全。
5. 数据处理系统:数据处理系统是ATC系统的关键组成部分,它负责处理来自各个设备的信息,并将其转化为可视化的数据。
数据处理系统能够对列车的位置、速度、距离等进行准确的计算和分析,并根据这些数据来生成控制指令,以保证列车在预定的路线上行驶。
列车运行控制系统的五个级别
列车运行控制系统的五个级别是:
1. Level 0:无自动化系统。
所有列车运行功能由乘务员手动控制和监控。
2. Level 1:列车操作员辅助系统(ATO)。
该系统通过自动控制列车的加速、制动和保持列车在规定的速度和距离范围内行驶,但乘务员仍需负责开关门、监控列车运行和应对紧急情况。
3. Level 2:有限度的自动列车控制(GoA2)。
列车在ATS(自动列车监控系统)的控制下自动运行,但乘务员仍需负责开关门和处理紧急情况。
4. Level 3:条件自动列车操作(GoA3)。
列车在ATS的控制下自动运行,乘务员只需负责开关门。
该级别下,列车在特定条件下可完全自主地进行加速和制动。
5. Level 4:高度自动列车操作(GoA4)。
列车在ATS的完全控制下自主运行,乘务员不再需要驾驶员。
该级别下,列车可以应对各种情况,包括紧急情况和列车故障。
哈尔滨地铁车辆系统培训(列车控制系统)二○一○年三月一日功能:监视、控制车辆和车辆各系统的运行,同时可诊断各系统的运行情况,并给出报警信息。
配置:列车控制系统采用继电逻辑控制或分布式总线控制方式,采用继电逻辑控制时要配备单独的信息和诊断系统,为车辆各系统提供运行状态检测、故障诊断和保护。
目前,新造列车均采用了分布式总线控制方式。
列车总线系统采用国际列车通信网络TCN标准(IEC61375-1的最新版本)。
所采用的总线控制系统成熟、安全可靠。
广州地铁一号线车辆采用有接点逻辑控制电路,二号线列车采用了当今世界上最先进的列车控制技术,总线控制技术。
从牵引制动控制到车门开关,从PIS自动报站到汽笛报警等几乎列车的所有方面,整列车各系统的监视、控制和诊断都通过贯穿全车的总线控制网络实现,总线系统使整列车成为一个有机的整体。
司机对整个列车的控制命令通过列车通信网路送到列车的各个车厢上,列车的各个车厢工作状态通过列车通信网路送到司机显示台上,让整个列车有效而安全的工作。
总线技术的应用大幅度减少了金属导线的使用,减少了电气机械连接点,避免了一般接点逻辑电路由于单个物理故障导致的错误动作;总线上的故障设备可以得到有效隔离并退出网络,而保持其它不需要其控制信息的设备仍能有效运作。
总线技术带来了许多优点和先进功能,但也带来了新的问题和新的障碍,如对总线的物理介质的要求较高,要求有较好的电磁环境,甚至由于电磁环境、总线线路质量不稳定或软件缺陷等问题导致整体的瘫痪;同时对维护人员的能力也提出了前所未有的要求。
列车控制系统一、列车通信网路二、总线系统基本概念三、列车控制系统1、列车控制系统硬件及其主要功能2、列车控制系统网络结构3、冗余概念4、列车诊断一、列车通信网络列车通信网路(Train Communication Network,简称TCN)是一个集整列列车内部测控任务和信息处理任务于一体的列车数据通讯网络,它包括两种总线类型绞线式列车总线(WTB)和多功能车辆总线(MVB)。
多功能车辆总线MVB是用于在列车上设备之间传送和交换资料的标准通信介质。
附加在总线上的设备可能在功能、大小、性能上互不相同,但是它们都和MVB总线相连,通过MVB总线交换信息,形成一个完整的通通信网路。
MVB实现的是一个距离较短,拓扑相对固定的网络连接方式。
MVB与WTB之间通过一个网关设备进行资料交互以达到通讯控制的目的,从而构成一个完整的具备灵活编组功能的列车控制网络,以下是拓扑示意图。
MVB传输长度为200m,WTB传输长度为860m。
MVB总线的特点系统中,MVB总线的设置根据IEC-61375-1列车通信网标准,速率:1.5 Mb/s 延时:1 ms,最大设备连接数量:255个控制终端,组网形式:固定式人工组网,MVB总线支持RS485铜介质和光纤。
MVB的通讯介质分为3种:OGF、EMD、ESD。
WTB总线的特点WTB总线遵循的是IEC-61375-4标准,速率:1 Mb/s 资料周期:25 ms,最大设备连接数量:32个终端,组网形式:动态自动编组组网,采用直线总线形式,覆盖距离:860 m(约合UIC标准车辆为22辆),介质:采用屏蔽双绞线传输速率为1 Mb/s的曼切斯特II型资料码,控制形式:采用单主机控制,在编组连挂组网时通过竞争机制选定(其它终端可作为备用主机,当主机故障后,其它终端竞争成为新的主机),连路协议:使用标准的HDLC协议(IEC3309)。
二、总线系统基本概念总线与总线段从广义来说,总线就是传输信号或信息的公共路径,是遵循同一技术规范的连接与操作方式。
一组设备通过总线连在一起称为“总线段”(bus segment)。
可以通过总线段相互连接把多个总线段连接成一个网络系统总线主设备可在总线上发起信息传输的设备叫做“总线主设备”(bus master)。
也就是说,主设备具备在总线上主动发起通信的能力,又称命令者。
总线从设备不能在总线主动发起通信、只能挂接在总线上、对总线信息进行接收查询的设设备称为总线从设备(bus slaver),也称基本设备。
总线控制信号总线上的控制信号通常有3种类型。
一类控制连在总线上的设备,让它进行所规定的操作,如设备清零、初始化、启动和停止等。
另一类是用于改变总线操作的方式,如改变数据流的方向,选择数据域位的宽度和字节等。
还有一些控制信号表明地址和资料的含义,如对于地址,可用于指定某一地址空间,或表示出现了广播操作;对于资料,可用于指定它能否转译成辅助地址或命令。
总线协议管理主、从设备使用总线的一套规则称为“总线协议”(bus Protocol)。
这是一套事先规定的、必须共同遵守的规约。
总线操作总线上命令者与响应者之间的连结→资料传送→脱开这一操作序列称为一次总线“交易”(transaction),或者叫做一次总线操作。
寻址寻址过程是命令者与一个或多个从设备建立起联系的一种总线操作。
通常有以下3种寻址方式:物理寻址、逻辑寻址和广播寻址。
通信请求通信请求是由总线上某一设备向另一设备发出的请求信号,要求后者给予注意并进行某种服务。
资料传送一旦某一命令者与一个或多个响应者连接上以后,就可以开始资料的读写操作。
“读”(read)资料操作是读来自响应者的资料;“写”(write)资料操作是向响应者写资料。
控制信号总线上的控制信号通常有3种类型。
一类控制连在总线上的设备,让它进行所规定的操作,如设备清零、初始化、启动和停止等。
另一类是用于改变总线操作的方式,如改变数据流的方向,选择数据域位的宽度和字节等。
还有一些控制信号表明地址和资料的含义,如对于地址,可用于指定某一地址空间,或表示出现了广播操作;对于资料,可用于指定它能否转译成辅助地址或命令。
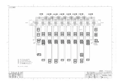
三、列车控制系统系统由车辆控制单元和各子系统控制单元组成,具有列车逻辑控制、牵引控制、状态监视、故障诊断等功能车辆控制单元具有中央控制功能与牵引控制功能,每列车两个,其中一个为主控单元列车网络线和VCU采用冗余设计,列车基本控制、运行安全性能具有备用硬件电路紧急牵引功能:当列车级控制发生故障时,通过硬件电路能使列车启动运行(一)、列车控制系统硬件及其主要功能(二)、列车控制系统网络结构(三)、冗余概念(四)、列车诊断(一)列车控制系统硬件及其主要功能微机显示器远程输入输出终端MVB中继器1、中央控制器VCU中央控制功能(CCF),:控制和监测整列车的列车功能和电路,司机室联锁、高速断路器的控制、接通/切断各类系统(照明,空调…)、列车自动运行、车门控制和状态信号的处理、在故障情况下切除个别部件、指示灯控制、MVB为所有连接到MVB的子系统提供主时钟、HMI将运行和故障信息传送给HMI……牵引控制功能(TCF),控制和监测整列车的牵引系统如牵引、制动计算,制动力补偿等。
中央诊断功能收集和评估通过MVB传送的故障信息其他功能带MVB模块,支持过程数据和消息数据扩展的内存容量:通过主/从切换实现全冗余提供RS232接口及以太网接口进行维护2、中继器两个独立的MVB 通道•两个独立的电源回路•防止线路干扰3、车辆控制单元BCU安装在轨道上的带MVB接口模块和总线模块的SIBAS-KLIP站. 读取数据、状态监控,故障跟踪4、HMI司机可以通过HMI显示器对以下的装置和系统故障状态有一个大概了解:•Main circuit 主电路•Drive status 牵引状态•Brake status 制动状态•Auxiliary Inverter/Battery 辅助逆变器/蓄电池•Doors 车门•Air conditioning systems 空调系统•Pantograph 受电弓•PIS system PIS系统•Air compressor 空压机(二)列车控制系统网络结构VCU:车辆控制单元BCU:制动控制单元AUX:辅助逆变器DCU: 车门控制单元HVAC:空调REP:中继器HMI:人机界面TICU:牵引控制单元ATC:列车自动控制ATO:列车自动驾驶PIS:乘客信息系统SKS:信号车载设备数据传输两个冗余的数据传输:通过独立的两个通道A和B。
防止单根电线失效,连接针失效,收发器失效、电缆破裂、连接器移除等故障(三)列车控制系统冗余1、数据传输通过独立的两个通道A和B。
2、布线每个通道冗余的MVB电缆和冗余的布线可防护单根电线失效、连接针失效、收发器失效、电缆破裂、连接器移除等故障3、中继器及其电源采用两个独立的MVB 通道•两个独立的电源回路•防止线路干扰4、冗余的MVB-ASIC芯片特性每个通道均有曼彻斯特解码接收器,即使通道切换,数据也无丢失,选择一个通道作为主通道,另一通道作为观测通道,直到接受到下一帧(主或负帧)。
5、特殊的MVB接头特性6、中央控制器的主从切换每一列车上安装有两台VCU,互为冗余。
列车激活后,其中一台将成为主控VCU,另外一台将成为受控VCU。
在一台VCU故障的情况下,故障VCU的管理功能将由另一台VCU接管,列车可继续运营。
(四)列车诊断状态和故障事件将被VCU评估。
根据故障对车辆运行造成的影响对其进行分级。
故障分为三级:1、车辆无法继续运作2、车辆可能带限制继续运作3、车辆可以继续运营,但应注意需要进行维护。
评级后的故障消息将在HMI上显示.司机可以通过HMI显示器对以下的装置和系统故障状态有一个大概了解:主电路、牵引状态、制动状态、辅助逆变器/蓄电池、车门、空调系统、受电弓、PIS系统、空压机每个子设备的本地诊断存储器通过MVB 发送信息给车辆控制单元用于:存储诊断数据显示的准备诊断存储器的容量:车辆控制单元中约为2 MByte数据记录仪:车辆控制单元配有一专用的软件包用于提供事件记录功能,该功能能够记录列车的各种信息。
买方可根据运营需要,在设计阶段选择记录在MVB上传输的信号。
建议的数据记录包包括16个模拟量和64个数字量,采样周期为32ms时,记录时间大于24小时。
系统以先进先出方式保存数据(FIFO),当存储器存满时,最新的数据覆盖以前的数据。
独立的系统有自身的诊断存储器,能在本地读出: BCU 车辆控制单元逆变器控制单元制动控制单元空调控制单元辅助逆变器ATC系统乘客信息系统谢谢!。