断路器与电缆匹配数据(修改)
- 格式:xls
- 大小:36.00 KB
- 文档页数:1
ABB断路器参数调试讲义解读一、断路器参数调试的目的断路器作为一种电气设备,主要用于保护电路免受过载和短路等故障的影响。
断路器参数的调试是为了确保断路器在实际使用过程中能够正常工作,实现对电路的有效保护。
通过断路器参数的调试,可以最大程度地发挥断路器的作用,保障电气设备和人员的安全。
二、断路器参数的配置1.额定电流:指断路器能够正常工作的最大电流值。
根据电气设备的负载情况和配电系统的要求,合理配置断路器的额定电流,可以确保断路器在正常工作范围内,不会因为电流超额而引发故障。
2.过载保护参数:包括额定电流倍数和过载时间特性等参数。
额定电流倍数是指断路器额定电流和实际负载电流之间的比值,通常取1.2-1.5倍。
过载时间特性是指断路器在负载电流持续超过一定时间后才动作的特性,根据不同的负载类型和要求,可进行相应的调整。
3.短路保护参数:包括短路电流和动作时间特性等参数。
短路电流是指在电路短路故障发生时断路器所承受的最大电流值,根据不同的电路类型和负载特点,可以选择相应的短路电流级别。
动作时间特性是指断路器在短路故障发生后的动作时间,根据不同的电路要求,可以进行相应的设置和调整。
三、断路器参数调试步骤1.断路器安装:根据要求进行断路器的安装和固定,确保良好的接触和连接。
2.断路器参数配置:根据电气设备的负载情况和配电系统的要求,合理配置断路器的额定电流和保护参数。
3.断路器动作测试:通过人工模拟负载进行断路器动作测试,验证断路器的额定电流和保护参数是否符合要求,并进行必要的调整和校准。
4.断路器故障处理:在测试过程中,如果发现断路器存在故障或异常,应及时处理,保证断路器的正常工作。
四、断路器参数调试的注意事项1.安全第一:断路器参数调试需要注意安全操作,确保人员和设备的安全。
2.合理设计:断路器参数的配置需要根据实际情况进行权衡和调整,确保达到合理的保护效果。
3.精确测试:断路器参数的调试需要进行精确的测试和验证,确保断路器在实际使用过程中的可靠性和稳定性。
电压降计算表一(需知功率和距离)电缆截面积(平方毫米)单位长度电缆电阻r(Ω/km)单位长度电缆电抗x(Ω/km)额定电压(kV)额定功率P(kW)25 1.60.270.3850 35 1.150.260.3850 500.860.260.3850 700.590.250.3850 950.430.250.38501200.340.240.3850 1500.280.240.3850 1850.220.240.3850 2400.170.240.3850 3000.1350.240.3850 4000.110.240.3850 5000.0850.240.3850 6300.0680.230.38270电缆截面积(平方毫米)单位电压损失mV/(A.m)额定功率(kW)额定电压(kV)额定电流(A)2.5160.38104100.38256 6.80.38321040.385016 2.50.3863电压降计算表二(需知电流电缆截面积(平方毫米)单位长度电缆电阻r(Ω/km)单位长度电缆电抗x(Ω/km)额定电压(kV)通过该电缆电流(A)4 5.3320.0970.3816 6 3.5540.0920.3825 10 2.1750.0850.3840 16 1.3590.0820.3863 250.870.0820.3880 350.6220.080.38100 500.4350.00790.38125 700.310.00780.38160 950.2290.0770.38200 1200.1810.0770.38250 1500.1450.0770.38320 1850.1180.0770.383602400.0910.0770.38400 3000.1350.0770.384000.110.0770.38200 5000.0850.0780.386300.0280.0770.38500YJV电缆导体操作温度90C°无功功率Q (Kvar)视在功率S(KVA)距离L(km)功率因数cosφ电压损失ΔU﹪37.562.50.20.812.48268698 37.562.50.20.89.314404432 37.562.50.20.87.306094183 37.562.50.20.8 5.38434903 37.562.50.20.8 4.276315789 37.562.50.20.8 3.601108033 37.562.50.20.8 3.185595568 37.562.50.20.8 2.770083102 37.562.50.20.8 2.423822715 37.562.50.20.8 2.181440443 37.562.50.20.8 2.008310249 37.562.50.20.8 1.835180055 202.5337.50.120.8 5.396260388功率因数cosφ距离(km)电压损失ΔU﹪0.80.1 4.21052630.07 4.60526320.08 4.58105260.09 4.73684210.1 4.1447368距离(km)功率因数cosφsinφ电压损失ΔU﹪0.120.80.6 3.783936648 0.120.80.6 3.96329689 0.120.80.6 3.91844589 0.120.80.6 3.915886101 0.180.80.6 4.891165624 0.180.80.6 4.476348571 0.180.80.6 3.617547643 0.180.80.6 3.316961164 0.180.80.6 3.764202208 0.180.80.6 3.917625445 0.180.80.6 4.258438348 0.180.80.6 4.1527650160.130.80.6 2.820507999 0.180.80.60 0.180.80.6 2.2020747 0.180.80.60 0.120.80.6 1.876084506。
0.6/1KV交联聚乙烯绝缘电缆(YJV) 和聚氯乙烯绝缘电缆(VV) 载流量、开关选择、价格对比表因开关选择考虑了土壤水分迁移影响,本表格仅适用于户外电缆与开关配合选型
1、因我公司开发均为中高档小区,各户用电不会出现太大差距,小户型用电也不一定少,在保证每户基本负荷的同时,参考设计手册加权选择总开关;
2、实际负荷与表中所例不同时,按照计算方法自行选择,表箱开关Ir=1.1~1.2Ijs。
对于三相用户而言,比设计手册的系数提高了标准。
3、表箱有总进线开关时,进线电缆按开关电流选择截面;表箱无总进线开关时,进线电缆按假想开关整定电流选择截面。
二者均需进行电压降校验。
注:1、表中户数是指单相配电时接于同一相上的户数,按三相配电时连接的单相户数应乘以3,三相用户按实际连接户数计算。
摘自设计手册(第三版)
2、该表格用于多层、高层干线式配电时选用(除非供电协议对多、高层系数有明确要求);低层住宅干线式配电时,系数按照市政配套部与供电部门签订的供电协议执行。
ABB 断路器参数调试讲义电控柜的断路器进行设置,在ABB 塑壳断路器(正面)下方有1、过流调节旋钮,设置电控箱整个负载的过流保护值,调节范围从2000A —4000A ,从MIN —MED —MAX 共有9个档位,档位对应值如下: MIN (1)档—2000A; (2)档—2250A; (3)档—2500A; (4)档—2750A;MED (5)档—3000A; (6)档—3250A; (7)档—3500A; (8)档—3750A ;MAX (9)档—4000A;2、过载调节旋钮,设置电控箱整个负载的过载保护值,调节范围从280A —400A ,从MIN —MED —MAX 共有9个档位,档位对应值如下: MIN (1)档—280A; (2)档—295A; (3)档—310A; (4)档—325A;MED (5)档—340A; (6)档—355A; (7)档—370A; (8)档—385A; MAX (9)档—400A;二、ABB 断路器机型设置说明三ABB断路器低压断路器的参数详解3.1、空气断路器的框架电流Iu、额定电流Ie、额定电流整定值Ir的含义是什么?•框架电流Iu:又称为额定不间断电流。
指在规定条件下,电器在长期工作制下,各部件的温升不超过规定极限值时所承受的电流值。
•额定工作电流Ie:指在规定条件下,能保证电器正常工作的电流值。
它和额定电压、电网频率、额定工作制、使用类别、触头寿命及防护等级等因素有关。
有时被标识为In。
•额定电流整定值Ir:这是使用者通过断路器的脱扣器自行整定的一个电流值,断路器根据使用者整定的Ir对电路进行过载、短路保护。
•比如ABB的塑壳断路器S5N400 R320 PR112/LI FF 3P ,Iu=400A Ie=320A, Ir=( 0.4 – 1)Ie 可调。
3.2、极限短路分断能力Icu、额定运行短路能力Ics、短时耐受电流Icw的含义是什么?•极限短路分断能力Icu断路器在承受此短路电流时必须可靠的分断短路故障,但不要求断路器未经过维修或更换零件的条件下能继续使用。
怎样选择断路器的型号规格低压断路器既是电路的供电开关,同时又具有短路、过载、欠压等多项保护功能,并且在分断故障电流后,不需要更换零部件,便可重新恢复供电,这些优点使得它在各种电气系统中得到越来越广泛的应用。
低压断路器是地铁列车控制系统和辅助系统中重要的保护器件,低压断路器的选型与应用是否合适,直接关系到地铁列车运行的可靠性。
若低压断路器保护设定值过大,则起不到保护作用;反之,若低压断路器保护设定值过小,将会引起频繁跳闸现象。
在选择断路器时,设计师不仅需要根据被保护电路的特性,确定断路器类型、性能参数,还应当考虑断路器的安装位置、外形尺寸方面的限制条件。
如何正确的选择、使用低压断路器,是系统开发、设计人员必须关注和解决的实际问题。
2,低压断路器的基本知识2.1,低压断路器的结构和工作原理低压断路器的主触点是靠手动操作或电动合闸的。
主触点闭合后,自由脱扣机构将主触点锁在合闸位置上。
过电流脱扣器的线圈和热脱扣器的热元件与主电路串联,欠电压脱扣器的线圈和电源并联。
当电路发生短路或严重过载时,过电流脱扣器的衔铁吸合,使自由脱扣机构动作,主触点断开主电路。
当电路过载时,热脱扣器的热元件发热使双金属片上弯曲,推动自由脱扣机构动作,主触点断开主电路。
当电路欠电压时,欠电压脱扣器的衔铁释放,也使自由脱扣机构动作,主触点断开主电路。
当按下分励脱扣按钮时,分励脱扣器衔铁吸合,使自由脱扣机构动作,主触点断开主电路。
2.2,低压断路器的分类低压断路器是按熄灭介质的不同分类的,利用空气作为灭弧介质的断路器,称之为空气断路器(空气开关);利用惰性气体作为灭弧介质的断路器,称之为惰性气体断路器(惰性气体开关);利用油作为灭弧介质的断路器,称之为油断路器(油开关)。
2.3,低压断路器的主要参数⑴额定电压断路器铭牌上的额定电压是指断路器主触头的额定电压,是保证接触器触头长期正常工作的电压值。
(2)额定电流接触器铭牌上的额定电流是指路器主触头的额定电流,是保证接触器触头长期正常工作的电流值。
怎样选择断路器的型号规格低压断路器既是电路的供电开关,同时又具有短路、过载、欠压等多项保护功能,并且在分断故障电流后,不需要更换零部件,便可重新恢复供电,这些优点使得它在各种电气系统中得到越来越广泛的应用。
低压断路器是地铁列车控制系统和辅助系统中重要的保护器件,低压断路器的选型与应用是否合适,直接关系到地铁列车运行的可靠性。
若低压断路器保护设定值过大,则起不到保护作用;反之,若低压断路器保护设定值过小,将会引起频繁跳闸现象。
在选择断路器时,设计师不仅需要根据被保护电路的特性,确定断路器类型、性能参数,还应当考虑断路器的安装位置、外形尺寸方面的限制条件。
如何正确的选择、使用低压断路器,是系统开发、设计人员必须关注和解决的实际问题。
2,低压断路器的基本知识2.1,低压断路器的结构和工作原理低压断路器的主触点是靠手动操作或电动合闸的。
主触点闭合后,自由脱扣机构将主触点锁在合闸位置上。
过电流脱扣器的线圈和热脱扣器的热元件与主电路串联,欠电压脱扣器的线圈和电源并联。
当电路发生短路或严重过载时,过电流脱扣器的衔铁吸合,使自由脱扣机构动作,主触点断开主电路。
当电路过载时,热脱扣器的热元件发热使双金属片上弯曲,推动自由脱扣机构动作,主触点断开主电路。
当电路欠电压时,欠电压脱扣器的衔铁释放,也使自由脱扣机构动作,主触点断开主电路。
当按下分励脱扣按钮时,分励脱扣器衔铁吸合,使自由脱扣机构动作,主触点断开主电路。
2.2,低压断路器的分类低压断路器是按熄灭介质的不同分类的,利用空气作为灭弧介质的断路器,称之为空气断路器(空气开关);利用惰性气体作为灭弧介质的断路器,称之为惰性气体断路器(惰性气体开关);利用油作为灭弧介质的断路器,称之为油断路器(油开关)。
2.3,低压断路器的主要参数⑴额定电压断路器铭牌上的额定电压是指断路器主触头的额定电压,是保证接触器触头长期正常工作的电压值。
(2)额定电流接触器铭牌上的额定电流是指路器主触头的额定电流,是保证接触器触头长期正常工作的电流值。
对三本资料文献中关于断路器作为故障防护时电缆的最大允许长度,进行公式对比。
补充了微型断路器作为故障防护时电缆最大允许长度。
补充了切断时间0.4S时,2~12A熔断器对应的电缆最大允许长度。
一、相关资料1、《工业与民用供配电设计手册(第四版)》2、《建筑电气常用数据》19DX101-13、《2017电气装置应用(设计)指南》施耐德电气其他相关文章和文献1、《断路器故障保护允许线路长度的应用简析》韩帅《建筑电气》2020.012、《低压配电设计解析》任元会2020.101、《工业与民用供配电设计手册(第四版)》(第965~967页)示例1:对于瞬动值200A,电缆采用4mm2,计算其最大电缆允许长度。
示例2:对于瞬动值2000A,电缆采用185mm2,计算其最大电缆允许长度。
注:核验计算结果与表格一致。
2、《建筑电气常用数据》19DX101-1(第4-25~4-26页)示例3:对于瞬动值200A,电缆采用4mm2,计算其最大电缆允许长度。
示例4:对于瞬动值2000A,电缆采用185mm2,计算其最大电缆允许长度。
注:核验计算结果与表格一致。
特别注意的是此处公式指定电阻的增大系数为1.25,没有列在公式中,核算时需考虑。
3、《2017电气装置应用(设计)指南》施耐德电气(第F25~F26页)示例5:对于瞬动值200A,电缆采用4mm2,计算其最大电缆允许长度。
示例6:对于瞬动值2000A,电缆采用185mm2,计算其最大电缆允许长度。
《配四》和《建筑电气常用数据》两份资料按照公式核算无误,但施耐德的指南中存在偏差。
3.2、《施耐德2017电气装置应用(设计)指南》中的公式如下:其出处为法国标准UTE C15-105:2003。
施耐德在此基础上对导体的校正系数做了补充,考虑了相导体和接地导体的截面差异。
但施耐德的公式未考虑短路器的可靠系数,且电压与电阻率与国内的两本资料不同,建议在设计时参考前两本来核验电缆长度。
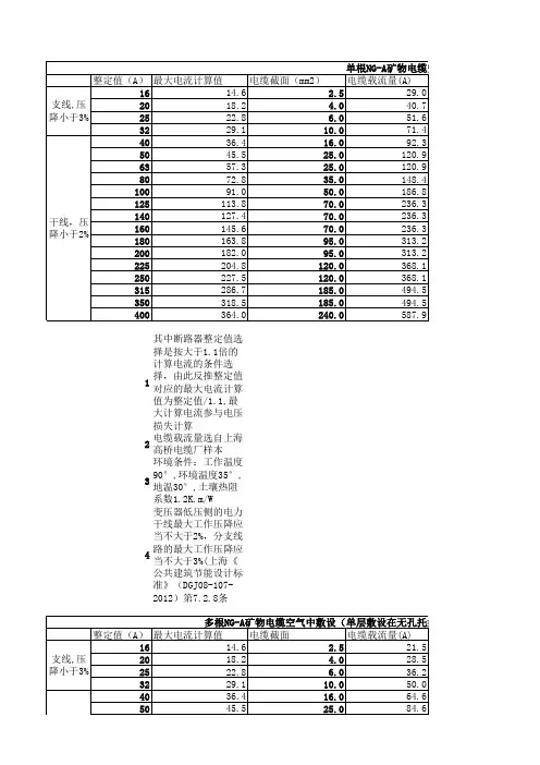
1其中断路器整定值选择是按大于1.1倍的计算电流的条件选择,由此反推整定值对应的最大2电缆载流量选自上海高桥电缆厂样本3环境条件:工作温度90°,环境温度35°,地温30°,土壤热阻系数1.2K.m/W4变压器低压侧的电力干线最大工作压降应当不大于2%,分支线路的最大工作压降应当不大1其中断路器整定值选择是按大于1.1倍的计算电流的条件选择,由此反推整定值对应的最大2载流量降低系数0.7选自《建筑电气常用数据》04DX101-1,第65页,表6.223电缆载流量选自上海高桥电缆厂样本4环境条件:工作温度90°,环境温度35°,地温30°,土壤热阻系数1.2K.m/W5变压器低压侧的电力干线最大工作压降应当不大于2%,分支线路的最大工作压降应当不大6高桥电缆样本提供载流量为环境40°,地温为25°,本表按上海环境35°,地温30°修正7采用桥架敷设时,适当放大桥架,单芯矿物电缆弯曲半径为20D。
,且隔离型矿物绝缘电缆8本产品铝金属外套可做接地线用,但一般建议还是单独选择带接地线。
970以下与YJV载流量差不多,70以上与YJV相比大9%~14%10为方便施工,70以上采用单芯电缆条件选择,由此反推整定值对应的最大电流计算值为整定值/1.1,最大计算电流参与电压损失计算土壤热阻系数1.2K.m/W%,分支线路的最大工作压降应当不大于3%(上海《公共建筑节能设计标准》(DGJ08-107-2012)第7.2.8条。
)条件选择,由此反推整定值对应的最大电流计算值为整定值*(1/1.1),最大计算电流参与电压损失计算101-1,第65页,表6.22土壤热阻系数1.2K.m/W%,分支线路的最大工作压降应当不大于3%(《公共建筑节能设计标准》(DGJ08-107-2012)第7.2.8条。
),本表按上海环境35°,地温30°修正。