橡胶物性及用途一览表
- 格式:doc
- 大小:53.50 KB
- 文档页数:6
16种橡胶的化学组成性能特点及主要用途1. 天然橡胶(Natural Rubber,NR)化学组成:主要成分是聚异戊二烯。
性能特点:具有良好的弹性、耐磨性、电绝缘性和耐候性,在常温下具有较大的形变能力,耐热性能较差。
主要用途:轮胎、带、输送带、软管、胶板等。
2. 顺丁橡胶(Polybutadiene Rubber,BR)化学组成:主要成分是聚丁二烯。
性能特点:具有良好的耐磨性、抗老化性和高弹性,但耐腐蚀性较差。
主要用途:轮胎、橡胶鞋底、密封件等。
3. 丁苯橡胶(Styrene Butadiene Rubber,SBR)化学组成:主要成分是丁二烯和苯乙烯。
性能特点:具有优良的耐磨性、强度和耐候性,但耐油性较差。
主要用途:轮胎、橡胶板、橡胶管、地板材料等。
4. 丁酮橡胶(Polyisoprene Rubber,IR)化学组成:主要成分是聚顺丁二烯。
性能特点:具有较好的耐磨性、拉伸强度和弹性,耐腐蚀性较差。
主要用途:医疗手套、弹簧、运动器材等。
5. 丁腈橡胶(Nitrile Rubber,NBR)化学组成:主要成分是丁二烯和丙烯腈。
性能特点:具有优良的耐油性、耐磨性和耐腐蚀性,但耐热性较差。
主要用途:燃油管、密封圈、工业橡胶制品等。
6. 硅橡胶(Silicone Rubber)化学组成:主要成分是聚二甲基硅氧烷。
性能特点:具有优良的热稳定性、耐高低温性、电绝缘性和耐老化性。
主要用途:电子产品、医疗器械、高温密封件等。
7. 丁基橡胶(Butyl Rubber, IIR)化学组成:主要成分是异戊烯和少量的异戊烯和丙烯。
性能特点:具有优良的气密性、耐老化性和耐热性,但耐磨性较差。
主要用途:内胎、胶带、密封圈等。
8. 克鲁橡胶(Chloroprene Rubber,CR)化学组成:主要成分是氯丁二烯。
性能特点:具有良好的耐候性、耐热性和耐老化性,但耐油性较差。
主要用途:防水材料、电缆护套、电子元件等。
9. 氟橡胶(Fluororubber,FKM)化学组成:主要成分是氟化烃。
八类主要合成橡胶及应用量
以下是八类主要合成橡胶及其应用量的介绍:
1. NR(天然橡胶):天然橡胶是从橡胶树的乳液中提取的,并且具有优异的弹性和抗撕裂性能。
它广泛用于汽车轮胎、橡胶管、胶鞋等领域。
2. SBR(丁苯橡胶):丁苯橡胶是由丁二烯和苯乙烯的共聚物组成,具有良好的耐磨性和弹性。
它通常用于轮胎、橡胶制品、胶合板等产品中。
3. BR(丁腈橡胶):丁腈橡胶由丁二烯和丙烯腈的共聚物组成,具有优异的耐油性和耐燃性。
它常被用于汽车零部件、工业密封件以及防护手套等。
4. NBR(丁腈-丁二烯橡胶):NBR是丁腈橡胶与丁二烯橡胶的共混物,具有出色的油性能,因此广泛应用于汽车零部件、油封和石油管道等。
5. EPDM(乙丙橡胶):乙丙橡胶是由乙烯、丙烯和非共聚二烯类单体共聚而成。
它具有优异的耐候性和抗老化性能,
广泛应用于建筑、汽车、电气绝缘和密封等领域。
6. IIR(异戊二烯橡胶):异戊二烯橡胶是一种高度反式的橡胶,具有出色的防渗透性和耐化学品性能。
它通常用于制造内胎、防震垫、密封件等。
7. CR(氯丁橡胶):氯丁橡胶是由氯丁二烯与丁二烯的共聚物组成,具有良好的耐候性和耐寒性。
它广泛应用于输送带、海洋橡胶制品和阻燃橡胶制品等领域。
8. FKM(氟橡胶):氟橡胶是由氟化碳原子与氢原子共聚而成,具有极高的耐高温和耐腐蚀性能。
它被广泛应用于航空航天、化工和汽车等领域。
这些合成橡胶在各个行业中起着重要的作用,满足了不同产品对橡胶材料的需求。
实际应用量会根据市场需求和特定行业的发展情况而有所变化。
工程常用橡胶的种类特性及应用1. 丁腈橡胶(Nitrile Rubber):丁腈橡胶是一种聚合物弹性体,具有良好的抗油、耐燃油以及耐化学品性能。
其主要特性包括耐油性、耐磨性、耐酸碱性、耐氧化性和耐老化性。
应用领域包括汽车工业、石油化工、航空航天、建筑材料等领域。
2. 氯丁橡胶(Chloroprene Rubber):氯丁橡胶是一种聚合物弹性体,具有良好的耐气候、耐油性和耐燃烧性能。
其主要特性包括耐极端温度、耐臭氧性和耐老化性。
应用领域包括汽车工业、轨道交通、建筑防水、电线电缆等领域。
3. 丁苯橡胶(Styrene-Butadiene Rubber):丁苯橡胶是一种聚合物弹性体,具有良好的耐磨性、耐撕裂性和耐寒性能。
其主要特性包括耐磨性、耐臭氧性、抗裂性和耐油性。
应用领域包括轮胎制造、橡胶鞋、橡胶管、密封制品等领域。
4. 反应性橡胶(Reactive Rubber):反应性橡胶是一种特殊类型的橡胶,具有可固化性、可模塑性和可再生性能。
其主要特性包括高强度、高耐用性和可塑性。
应用领域包括航空航天、船舶制造、运动器材等领域。
5. 氢化橡胶(Hydrin):氢化橡胶是一种特殊类型的橡胶,具有耐热性、耐油性和耐臭氧性能。
其主要特性包括耐高温性、耐油性、耐腐蚀性和耐臭氧性。
应用领域包括航空航天、石油化工、汽车工业等领域。
6. 氟橡胶(Fluoro Rubber):氟橡胶是一种高性能橡胶,具有优异的耐高温、耐油和耐腐蚀性能。
其主要特性包括耐高温性、耐油性、耐酸碱性和耐溶剂性。
应用领域包括航空航天、汽车工业、化工设备等领域。
7. 乙丙橡胶(Ethylene-Propylene Rubber):乙丙橡胶是一种热塑性橡胶,具有优异的耐高温、耐臭氧和耐氧化性能。
其主要特性包括耐高温性、耐臭氧性、抗裂性和耐老化性。
应用领域包括汽车工业、电力设备、橡胶密封制品等领域。
总结起来,不同种类的橡胶具有不同的特性和应用领域。
工程常用橡胶种类包括丁腈橡胶、氯丁橡胶、丁苯橡胶、反应性橡胶、氢化橡胶、氟橡胶和乙丙橡胶,各种橡胶都具有不同的特性和适用领域,能够满足工程中的不同需求。
橡胶的种类及作用用途型号橡胶是一种高分子聚合物材料,具有良好的弹性、耐磨、耐寒、耐酸碱等特性,广泛应用于工业、交通、建筑、医疗等领域。
下面是一些常见的橡胶种类及其作用用途型号。
1.天然橡胶(NR):天然橡胶是最原始的橡胶,具有优良的物理性能和化学稳定性。
主要用途有橡胶制品、轮胎、密封件、输送带等。
型号有SMR10、RSS3、TSR 等。
2.丁苯橡胶(BR):丁苯橡胶具有良好的弹性和抗撕裂性能,耐油溶剂和耐高温。
主要用于汽车轮胎、胶鞋、胶带、胶管等。
型号有SKD-2、SKD-20、DNBR等。
3.丁腈橡胶(NBR):丁腈橡胶具有耐油、耐溶剂、耐燃油的特性,广泛用于石油化工、航空航天、汽车工业等领域。
型号有N41、N42、N44等。
4.丁基橡胶(BR):丁基橡胶具有耐油、耐碱、耐热的特性,一般用于制造油封、密封圈、垫片、橡胶管等密封件。
型号有SK2128、SK2220、BR1242等。
5.乙丙橡胶(EPM/EPDM):乙丙橡胶具有良好的耐热、耐寒、耐臭氧和耐化学品的特性,用途广泛,包括汽车零部件、电缆绝缘层、密封条、防水卷材等。
型号有EP53、EP4117、EP6011等。
6.氯丁橡胶(CR):氯丁橡胶具有耐油、耐溶剂、耐气候老化的特性,广泛用于制造橡胶制品、胶带、导电胶等。
型号有CR244、CR320等。
7.泡沫橡胶(SBR):泡沫橡胶具有轻质、吸震、隔音、保温等特性,广泛用于制造静音垫、座垫、运动器材等。
型号有FSBR、XSBR等。
8.氟橡胶(FKM):氟橡胶具有卓越的耐高温、耐油和耐腐蚀性能,广泛应用于汽车、航空航天、化工等领域。
型号有FKM232、FKM244等。
9.硅橡胶(VMQ):硅橡胶具有耐高温、耐气候老化和耐电介质性能,主要用于制造密封件、食品级产品、电子产品等。
型号有VMQ40、VMQ60等。
10.氨纶橡胶(AU/EVM):氨纶橡胶具有高弹性、高耐磨性和低气散性能,广泛应用于制造轮胎、输送带、橡胶管等。
常用橡胶材料的特点与使用范围橡胶是一种常见的材料,具有很多种不同类型和特点,广泛应用于各种行业。
以下是常见橡胶材料的特点与使用范围:1.天然橡胶:天然橡胶是从橡胶树中提取的一种高分子材料。
其特点包括优异的弹性、耐磨性和抗裂性能。
天然橡胶常用于制作轮胎、橡胶管、橡胶鞋和橡胶密封件等产品。
2.丁腈橡胶:丁腈橡胶是一种具有优异耐油性和耐化学性的合成橡胶。
它的特点包括耐温性好、抗老化能力强和机械性能稳定。
丁腈橡胶常用于制作油密封件、汽车零部件、防护手套和腊纸等产品。
3.氯丁橡胶:氯丁橡胶是一种含有氯的合成橡胶,具有良好的耐油性和抗膨胀性能。
它的优点包括优异的耐候性和耐热性,常用于生产胶粘剂、密封制品、汽车胎面胶和传动带等产品。
4.丁基橡胶:丁基橡胶是一种由丁烷聚合而成的合成橡胶,具有良好的耐油性、耐酸碱性和抗氧化能力。
它的特点包括耐高温、耐老化和耐候性好。
丁基橡胶常用于制造耐油密封件、胶管、橡胶振动吸音器和橡胶工具等产品。
5.氟橡胶:氟橡胶是一种抗溶剂和抗化学物质腐蚀的合成橡胶。
它的特点包括耐高温性、良好的耐油性和耐腐蚀性能。
氟橡胶常用于制造密封件、搪玻璃涂层、飞机燃料管及O型圈等高要求场合的产品。
6.乙丙橡胶:乙丙橡胶是一种由乙烯和丙烯共聚而成的合成橡胶。
它具有优良的耐候性、耐磨性和耐油性。
乙丙橡胶常用于制造汽车部件、输送带、防水材料和橡胶接头等。
7.硅橡胶:硅橡胶是一种由硅原料合成而成的高分子材料。
其优点包括耐高温性、耐候性和电绝缘性能好。
硅橡胶常用于电子电器、食品级密封件、医疗器械和汽车部件等领域。
8.聚氨酯橡胶:聚氨酯橡胶是一种由聚醚或聚酯连接聚合而成的合成橡胶。
它的特点包括耐磨损、耐油性好和良好的弹性恢复性能。
聚氨酯橡胶广泛应用于密封制品、悬挂器、液压密封件和橡胶辊等领域。
总之,不同类型的橡胶材料具有各自独特的特点和使用范围。
了解这些特点和用途,可以帮助人们正确选择和应用橡胶材料,以满足各种工业和生活中的需求。
各种橡胶基本特性与应用范围作者:姚左成1 、丁腈橡胶( NBR )1.1 、丁腈橡胶的丙烯腈含量在 15%-50% 的范围,一般多以聚合物中结合丙烯腈量多少来分类,可分为五个系列,即:极高丙烯腈橡胶,丙烯腈含量 43% 以上:高丙烯腈丁腈橡胶,丙烯腈含量 36-42% :中高丙烯腈丁腈橡胶,丙烯腈含量 31-35% :中丙烯腈丁腈橡胶,丙烯腈含量 25-30% :低丙烯腈丁腈橡胶,丙烯腈含量 24% 以下:1.2 、基本特性:1.2.1 、因含有极性腈基,对非极性或弱极性的矿物油、动植物油、液体燃料和溶剂等有较高的稳定性。
耐油性是其最大的特长,丙烯含量愈高耐油性愈好。
1.2.2 、耐热性优于天然橡胶、丁苯橡胶、氯丁橡胶,可在空气中120 ℃ 下长期使用。
1.2.3 、气密性较好,仅次于丁基橡胶。
1.2.4 、耐寒性、耐低温性较差,丙烯腈含量愈高,耐寒愈差。
1.2.5 、因是非结晶性橡胶,生胶强度较低,须配入补强剂,提高结合丙烯腈量有助于增高强度和耐磨性,但弹性下降。
1.2.6 、丁腈胶的介电性能差一点,属于半导体橡胶。
1.2.7 、胶料的耐油性和永久变形的平衡,耐油性与电性能的平衡是重要的。
1.3 、应用范围:主要用于制作耐油橡胶制品,广泛用于制造密封件、垫片、垫圈等模制品和压出制品,各种橡胶胶辊、耐油胶管、工业用品和粘合剂等等。
2. 羧基丁腈橡胶( XNBR )2.1 :基本特性:2.1.1 硫化速度比丁腈胶快,易焦烧。
2.1.2 纯胶配合显示高的拉伸强度。
2.1.3 硫化胶的耐热性、耐磨性好。
2.1.4 与酚酫树脂相容性好。
2.2 、应用范围:主要用于胶管、密封件、垫圈、油封、各种模型制品和粘合剂等。
3 、丁腈橡胶 - 聚氯乙烯共混胶( NBR/PVC )3.1 、基本特性:3.1.1 耐臭氧和耐天候老化性能比通常丁腈橡胶显著提高。
3.1.2 比通常丁腈橡胶提高了耐燃性。
3.1.3 耐磨耗、耐油性、耐化学药品等性能比通常丁腈橡胶有所改善。
橡胶的种类及作用用途型橡胶是一种高分子聚合物材料,由于其良好的弹性、耐磨性和耐化学物质性能,广泛应用于各个领域。
以下是一些常见的橡胶种类及其作用和用途:1.天然橡胶:天然橡胶是由橡胶树的乳液经过加工制得的橡胶,具有优异的弹性和韧性,广泛用于汽车轮胎、工业橡胶制品、鞋底、工地软管等。
2.合成橡胶:合成橡胶是通过人工合成的橡胶,种类繁多,具有不同的特性,可根据需要选择使用。
常见的合成橡胶包括丁苯橡胶、丁腈橡胶、乙丙橡胶、氯丁橡胶、丙烯橡胶等。
-丁苯橡胶(BR)具有优异的耐磨性、耐撕裂性和耐老化性能,广泛用于胶带、印花辊、输送带、玩具、球类等。
-丁腈橡胶(NBR)具有优异的耐油性和耐溶剂性,广泛用于汽车零部件、密封件、油管、气管等。
-乙丙橡胶(EPR)具有良好的电气绝缘性能,广泛用于电缆套管、信号线绝缘层、输电线路绝缘层等。
-氯丁橡胶(CR)具有耐候性和耐磨性,广泛用于海洋工程、运动器材、防火材料、涂料等。
-丙烯橡胶(ACM)具有较好的耐热性和抗老化性能,广泛用于汽车发动机密封件、曲轴油封、传动系统密封件等。
3.聚氨酯橡胶:聚氨酯橡胶是一种由聚酯或聚醚与异氰酸酯制得的橡胶,具有优异的耐磨性、耐油性和耐溶剂性。
广泛用于汽车密封件、涂料、建筑防水等领域。
4.硅橡胶:硅橡胶由有机硅和二氧化硅制成,具有耐高温、耐寒性能,还具有耐臭氧、耐辐射和电气绝缘性能。
广泛用于电子电器产品、医疗器械、食品包装等。
5.氟橡胶:氟橡胶具有优异的耐高温、耐腐蚀和耐可燃性能,广泛用于航空航天、化工、石油和军工等高端领域。
6.异戊二烯橡胶:异戊二烯橡胶是一种具有良好耐热性和耐老化性能的高级合成橡胶,广泛用于轮胎制造、橡胶密封制品等领域。
7.氯醇橡胶:氯醇橡胶是一种具有优异的耐油性和耐溶剂性能的合成橡胶,广泛用于化工、机械、汽车和建筑等领域的密封件和衬套。
总之,不同种类的橡胶具备不同的特性和适用范围,可以根据具体需求选择合适的橡胶材料来满足不同领域的工业需求。
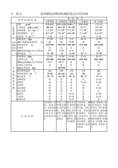
橡胶品种的化学组成、性能特点和主要用途橡胶品种(简写符号)化学组成性能特点主要用途1、天然橡胶(NR)以橡胶烃(聚异戊二烯)为主,含少量蛋白质、水分、树脂酸、糖类和无机盐等。
弹性大,定伸强度高,抗撕裂性和电绝缘性优良,耐磨性和耐旱性良好,加工性佳,易于其它材料粘合,在综合性能方面优于多数合成橡胶。
缺点是耐氧和耐臭氧性差,容易老化变质;耐油和耐溶剂性不好,第抗酸碱的腐蚀能力低;耐热性不高。
使用温度范围:约-60℃~+80℃。
制作轮胎、胶鞋、胶管、胶带、电线电缆的绝缘层和护套以及其他通用制品。
特别适用于制造扭振消除器、发动机减震器、机器支座、橡胶-金属悬挂元件、膜片、模压制品。
2、丁苯橡胶(SBR)丁二烯和苯乙烯的共聚体。
性能接近天然橡胶,是目前产量最大的通用合成橡胶,其特点是耐磨性、耐老化和耐热性超过天然橡胶,质地也较天然橡胶均匀。
缺点是:弹性较低,抗屈挠、抗撕裂性能较差;加工性能差,特别是自粘性差、生胶强度低。
使用温度范围:约-50℃~+100℃。
主要用以代替天然橡胶制作轮胎、胶板、胶管、胶鞋及其他通用制品。
3、顺丁橡胶(BR)是由丁二烯聚合而成的顺式结构橡胶。
优点是:弹性与耐磨性优良,耐老化性好,耐低温性优异,在动态负荷下发热量小,易于金属粘合。
缺点是强度较低,抗撕裂性差,加工性能与自粘性差。
使用温度范围:约-60℃~+100℃。
一般多和天然橡胶或丁苯橡胶并用,主要制作轮胎胎面、运输带和特殊耐寒制品。
4、异戊橡胶(IR)是由异戊二烯单体聚合而成的一种顺式结构橡胶。
化学组成、立体结构与天然橡胶相似,性能也非常接近天然橡胶,故有合成天然橡胶之称。
它具有天然橡胶的大部分优点,耐老化由于天然橡胶,弹性和强力比天然橡胶稍低,加工性能差,成本较高。
常用橡胶的性能与用途
1.天然橡胶
主要性能=优点:弹性极大,有非常好的机械强度,抗折、耐磨、耐挠曲,有较好的耐透气性,可塑性和工艺加工性能良好。
缺点:不耐老化,耐热性和热稳定性差,耐碱但不耐强酸,耐油、耐溶剂性能差
用途=综合性能好,广泛用于轮胎、胶带、胶管、胶鞋及其他橡胶制品以及电线电缆的绝缘层
2.丁苯橡胶
主要性能=优点:耐热、耐油、耐磨、耐老化性能优于天然橡胶。
缺点:力学性能、耐寒性、可塑性和工艺加工性能较天然橡胶差
用途=主要用于制造轮胎、胶板、胶鞋等
3.丁腈橡胶
主要性能=有优异的耐油性,耐热性优于天然橡胶和丁苯橡胶
用途=广泛用于各种耐油橡胶制品、密封件、油槽衬里等
4.丁基橡胶
主要性能=优点:气密性极好,耐热性好,耐老化性好,减震性好,耐酸、碱和耐极性溶剂性强。
缺点:硫化速度慢,工艺性能较差
用途=用于制造轮胎内胎、水胎、耐热、耐水、耐老化垫片,化工容器衬里、减震制品、胶管、耐热运输带等
5.氯丁橡胶
主要性能=优点:耐老化性极好,耐热性、耐燃性好,耐油性仅次于丁腈橡胶而优于其他通用橡胶,耐酸碱性能好。
缺点:耐寒性差,储存稳定性差,加工不易控制
用途=用途极为广泛,用于制造各种耐油、耐老化、耐热耐燃、耐化学腐蚀橡胶制品,电缆的护套包皮,密封圈、垫,粘胶剂等。
16种橡胶的化学组成性能特点及主要用途橡胶是一种具有高弹性的弹性体,广泛应用于工业、建筑、交通运输和日常生活等领域。
根据橡胶的化学组成和性能特点的不同,可以分为多种类型,下面介绍16种常见的橡胶及其特点和主要用途。
1. 天然橡胶(Natural Rubber)天然橡胶是由橡胶树分泌的胶乳经过加工和硫化而得到的。
它具有优异的弹性和耐磨性,耐低温性能较好,但抗老化性能较差。
天然橡胶主要用于轮胎、橡胶鞋、橡胶管等制品的生产。
2. 丁苯橡胶(Styrene Butadiene Rubber,SBR)丁苯橡胶是以丁二烯与苯乙烯为主要原料合成的合成橡胶。
它具有良好的耐磨性、耐老化性和抗张强度,但耐油性和耐溶剂性较差。
丁苯橡胶广泛应用于轮胎、橡胶管、橡胶板等制品的生产。
3. 丁腈橡胶(Nitrile Rubber,NBR)丁腈橡胶是以丁二烯与丙烯腈为原料合成的合成橡胶。
它具有优异的耐油性、耐溶剂性和耐磨性,但耐热性较差。
丁腈橡胶主要用于石油化工、汽车制造、航空航天等领域的密封件、胶管等制品。
4. 氯丁橡胶(Chloroprene Rubber,CR)氯丁橡胶是以氯丁二烯为原料合成的合成橡胶。
它具有优异的耐热性、耐油性和耐溶剂性,但耐寒性较差。
氯丁橡胶主要用于橡胶制品、胶粘剂、密封件等领域。
5. 丁蓄橡胶(Butyl Rubber,IIR)丁蓄橡胶是一种高度耐化学品腐蚀的合成橡胶,具有出色的气体和水蒸气阻隔性能,尤其适用于制造内胎和药品容器等密封产品。
6. 氟橡胶(Fluororubber,FKM)氟橡胶是一种耐高温、耐化学品腐蚀的合成橡胶。
它具有优异的耐热性、耐油性和耐溶剂性,广泛应用于航空航天、汽车制造等领域的密封件、橡胶制品等。
7. 聚氨酯橡胶(Polyurethane Rubber,PU)聚氨酯橡胶是一种高性能合成橡胶,具有耐磨性、耐撕裂性和抗刺穿性等优点。
它广泛应用于轮胎、液压密封件、刮板等领域。
8. 丁基橡胶(Polybutadiene Rubber,BR)丁基橡胶是一种重要的合成橡胶,具有优异的弹性、抗磨性和耐寒性。
橡胶的种类性能和用途橡胶是一种由高分子聚合物组成的材料,具有良好的弹性和可塑性,可以在广泛的温度范围内保持其弹性和形状。
橡胶常用于制造各种橡胶制品,如轮胎、密封件、橡胶管等。
不同种类的橡胶具有不同的性能和用途。
下面将介绍常见的橡胶种类及其性能和用途。
1.天然橡胶(NR)天然橡胶是由乳胶树的乳浆提取而来,具有极高的弹性、抗拉强度和耐磨性。
它是一种具有优异拉伸强度和维持形态稳定性的橡胶材料。
天然橡胶常用于制造汽车轮胎、卫生用品、橡胶鞋、手套和橡胶丝带等。
2.合成橡胶(SR)合成橡胶是通过合成聚合物来制造的橡胶材料,具有与天然橡胶相似的性能。
常见的合成橡胶种类包括丁苯橡胶(BR)、丁腈橡胶(NBR)、聚氯丁橡胶(CR)和丙烯酸酯橡胶(ACM)等。
-丁苯橡胶具有优异的耐磨性、耐油性和耐低温性能,主要用于制造轮胎、传送带、密封件和橡胶鞋等。
-丁腈橡胶具有优异的耐油性、耐燃性和抗腐蚀性能,常用于制造汽车零部件、密封件和防护手套等。
-聚氯丁橡胶具有较高的耐燃性和耐候性能,常用于电线电缆保护套、密封胶带和防火工程等。
-丙烯酸酯橡胶具有优异的耐油性、耐磨性和耐候性能,常用于制造橡胶密封件、橡胶管和橡胶垫等。
3.弹性体橡胶(IR)弹性体橡胶是一种具有特殊弹性和回弹性能的橡胶材料。
它具有优异的降噪、隔振和防震性能,常用于制造振动隔离器、橡胶减震垫和橡胶弹簧等。
4.氟橡胶(FKM)氟橡胶是一种具有优异耐高温、耐化学品和耐油性能的橡胶材料。
它可以在高温环境下保持其弹性和性能稳定性,常用于制造密封件、汽车零部件和化工设备等。
5.硅橡胶(VMQ)硅橡胶是一种具有耐高温、耐低温和优异电绝缘性能的橡胶材料。
它可以在-60℃至250℃的温度范围内保持其弹性和性能稳定性,常用于制造电子产品、食品级密封件和医疗器械等。
6.氯丁橡胶(CR)氯丁橡胶是一种具有良好耐候性、耐油性和防水性能的橡胶材料。
它常用于制造汽车密封件、防水材料和胶带等。
常用橡胶的种类性能和用途橡胶是一种非常重要的材料,广泛应用于各个领域。
根据不同的使用要求,有多种类型的橡胶可供选择。
下面是一些常用橡胶种类的性能和用途的介绍。
1. 天然橡胶(Natural Rubber)天然橡胶是从橡树的乳液中提取的一种高分子化合物。
它具有优异的弹性和拉伸性能,能在较低的温度下保持柔软性。
因此,天然橡胶常用于制造弹性体制品,如胶带、胶水、胶管等。
此外,它还能用于制作汽车轮胎、运动鞋和手套等。
2. 丁腈橡胶(Nitrile Rubber)丁腈橡胶是一种合成橡胶,由丙烯腈与丁二烯共聚而成。
它具有良好的耐油、耐燃油和耐溶剂性能,因而广泛应用于汽车工业、航空航天、石油化工等领域。
丁腈橡胶还具有良好的抗疲劳和抗老化能力,因此也常用于制作手套、管道和密封件等。
3. 丁苯橡胶(Styrene Butadiene Rubber)丁苯橡胶是一种合成橡胶,由苯乙烯和丁二烯共聚而成。
它具有优异的弹性、耐磨性和耐候性能,广泛应用于制造轮胎、密封件和橡胶鞋底等。
丁苯橡胶还可以通过改变苯乙烯和丁二烯的比例来调整其硬度和强度。
4. 氯丁橡胶(Chloroprene Rubber)氯丁橡胶是由氯丁二烯聚合而成的一种合成橡胶。
它具有较好的耐油性、耐溶剂性和耐燃性能,可用于制造输送石油、化学品和油漆的管道、密封件和胶带等。
氯丁橡胶还具有良好的耐候性,可用于户外制品,如橡胶园艺手套和橡胶胎围等。
5. 地板橡胶(Rubber Flooring)地板橡胶是一种特殊的橡胶材料,用于室内和室外地板覆盖。
它具有良好的防滑、耐磨和吸音性能,能够降低噪音污染并提供舒适的脚感。
地板橡胶可以应用于住宅、商业和工业场所,例如走廊、办公室、健身房和工厂等。
6. 氟橡胶(Fluoroelastomer)氟橡胶是一种具有优异耐高温性能的合成橡胶。
它能够在高温下保持弹性,具有出色的耐腐蚀性、耐溶剂性和耐化学性能。
氟橡胶广泛应用于航空航天、汽车制造和化工等领域,如制造密封件、管道、密封圈和密封条等。
16种橡胶的化学组成、性能特点及主要用途1、天然橡胶(NR)以橡胶烃(聚异戊二烯)为主,含少量蛋白质、水分、树脂酸、糖类和无机盐等。
弹性大,定伸强度高,抗撕裂性和电绝缘性优良,耐磨性和耐旱性良好,加工性佳,易于其它材料粘合,在综合性能方面优于多数合成橡胶。
缺点是耐氧和耐臭氧性差,容易老化变质;耐油和耐溶剂性不好,抵抗酸碱的腐蚀能力低;耐热性不高。
使用温度范围:约-60℃~+80℃。
制作轮胎、胶鞋、胶管、胶带、电线电缆的绝缘层和护套以及其他通用制品。
特别适用于制造扭振消除器、发动机减震器、机器支座、橡胶-金属悬挂元件、膜片、模压制品。
2、丁苯橡胶(SBR)丁二烯和苯乙烯的共聚体。
性能接近天然橡胶,是目前产量最大的通用合成橡胶,其特点是耐磨性、耐老化和耐热性超过天然橡胶,质地也较天然橡胶均匀。
缺点是:弹性较低,抗屈挠、抗撕裂性能较差;加工性能差,特别是自粘性差、生胶强度低。
使用温度范围:约-50℃~+100℃。
主要用以代替天然橡胶制作轮胎、胶板、胶管、胶鞋及其他通用制品。
3、顺丁橡胶(BR)是由丁二烯聚合而成的顺式结构橡胶。
优点是:弹性与耐磨性优良,耐老化性好,耐低温性优异,在动态负荷下发热量小,易于金属粘合。
缺点是强度较低,抗撕裂性差,加工性能与自粘性差。
使用温度范围:约-60℃~+100℃。
一般多和天然橡胶或丁苯橡胶并用,主要制作轮胎胎面、运输带和特殊耐寒制品。
4、异戊橡胶(IR)是由异戊二烯单体聚合而成的一种顺式结构橡胶。
化学组成、立体结构与天然橡胶相似,性能也非常接近天然橡胶,故有合成天然橡胶之称。
它具有天然橡胶的大部分优点,耐老化由于天然橡胶,弹性和强力比天然橡胶稍低,加工性能差,成本较高。
使用温度范围:约-50℃~+100℃可代替天然橡胶制作轮胎、胶鞋、胶管、胶带以及其他通用制品。
5、氯丁橡胶(CR)是由氯丁二烯做单体乳液聚合而成的聚合体。
这种橡胶分子中含有氯原子,所以与其他通用橡胶相比:它具有优良的抗氧、抗臭氧性,不易燃,着火后能自熄,耐油、耐溶剂、耐酸碱以及耐老化、气密性好等优点;其物理机械性能也比天然橡胶好,故可用作通用橡胶,也可用作特种橡胶。
橡胶材质说明优缺点用途[tr=#ffffff]丁胶/NBR 由丙烯与丁二烯共聚合而成,丙烯含量由18%-50%,丙烯含量愈高,对石化油品碳氢燃料油之抵抗性愈好,但低温性能则变差。
一般使用温度范围为25°C─100°C。
丁胶为目前油封及O型圈最常用之橡胶材质之一。
优点:1、具有良好的抗油、抗水、抗溶剂及抗高压油的特性。
2、具有良好的压缩变形,抗磨及伸长力。
缺点:1、不适合用于极性溶剂之中,例如酮类、臭氧、硝基烃、MEK和氯仿。
1、用于制作烯油箱,润滑油箱以及在石油系液压油、汽油、水、硅润滑脂、硅油、二酯系润滑油、甘醇系液压油等流体介质中使用的橡胶零件,特别是密封零件。
可说是目前用途最广、成本最低的橡胶密封件。
[tr=#ffffff]氢化丁胶/HNBR 氢化丁胶为丁胶中经由氢化后去除部分双链,经氢化后其耐温性、耐候性比一般丁胶提高很多,耐油性与一般丁胶相近。
一般使用温度范为25°C─150°C。
优点:1、较丁胶拥有较佳的抗磨性。
2、具极佳的抗蚀、抗张、抗撕和压缩变形的特性。
3、在臭氧、阳光及其化的大氧状况下具良好的抵抗性。
4、一般来说适用用洗耳恭听衣或洗耳恭听碗的清洗剂中。
缺点:1、不建议使用于醇类、酯类或是芳香族的溶液之中。
1、空调制冷业、广泛用于环保冷媒R134a系统中的密封件。
2、汽车发动机系统密封件。
[tr=#ffffff]三元乙丙胶由乙稀及丙烯共聚合而成主链不合双链,因此耐优点:1、具良好抗候1、高温水蒸汽环境之密封件。
2、卫浴设备密封件或零件。
/EPDM 热性、耐老化性、耐臭氧性、安定性均非常优秀,但无法硫磺加硫。
为解决此问题,在EP主链上导入少量有双链之第三成份而可硫黄加硫即成EPDM,一般使用温度范围为50°C─150°C。
对极性溶剂如醇、硐、乙二醇及磷酸脂类液压油抵抗性极佳。
性及抗臭氧性。
2、具极佳的抗水性及抗化学物。
3、可使用用醇类及硐类。
4、耐高温蒸氧,对气体具良好的不渗透性。
缺点:1、不建议用于食品和途或是暴露于芳香氢之中。
3、制动(刹车)系统中的橡胶零件。
4、散热器(汽车水箱)中的密封件。
5、室外的防护套。
[tr=#ffffff]硅橡胶/SI 硅胶主链由硅(-si-o-si)结合而成。
具有极佳的耐热、耐寒、耐臭氧、耐大氧老化。
有很好的电绝缘性能。
抗拉力强度较一般橡胶差且不具耐油性。
优点:1、调制配方后抗张强度可达到500PSI及抗斯性可达88LBS。
2、良好及具良好的压缩变形。
3、对中性溶剂具有良好的抵抗性。
4、具极佳的抗热性。
5、具极佳的抗寒性。
6、对于臭氧及氧化物的侵蚀具极佳的抵抗力。
缺点:1、不建议使用于大部分厚缩的溶剂、油品、厚缩酸及经稀1、家用电器行业所使用的密封件或橡胶零件,如电热壶、电熨斗、微流炉内的橡胶零件。
2、电子行业的密封件或橡胶零件,如手机按键、DVD内的减震垫、电缆线接庆内的密封件等。
3、与人体有接触的各式用品中的密封件,如水壶、饮水机等。
[tr=#ffffff]释后的氢氧化纳之中。
氟橡胶/FPM 分子内含氟之橡胶,依氟含量(即单体构造)而有名种类型。
目前广用的六氟化系氟橡胶最早由杜邦公司以"Viton"商品名上市。
耐高温性优于硅橡胶,有极佳的耐老化学性、耐大部分油及溶剂(酮、酯类除外)、耐候性及耐臭氧性;耐寒性则较不良,一般使用温度范围为25°C─250°C,特殊配方可耐低温至-40°C。
优点:1、可抗热至250°C。
2、对于大部分油品及溶剂都具有抵抗的能力,尤其是所有的酸类、脂族烟、芳香烃及动植物油。
缺点:1、不建议使用于酮类、低分子量的酯类及含硝的混合物。
1 、汽车、摩托车、柴油发动机及燃料系统。
2、化工厂的密封件。
[tr=#ffffff]硅氟橡胶/FLS 硅氟橡胶为硅橡胶经氟化处理,其一般性能兼具有氟橡胶及硅橡胶的优点;其耐油、耐溶剂、耐燃料油及耐高低温性均佳,一般使用温度为25°C─200°C。
优点:1、适用于特别用途,如要求能抗含氧的化学物,含芳香氢的溶剂及含氯的溶剂的侵蚀。
缺点:1、不建议暴露于刹车油,酮类及胼的溶液中。
1、太空机件上。
[tr=#fffff天然橡胶/NR 由橡胶树采集胶乳制成,是异戊二烯的聚合物。
耐温:20°C─100°C。
优点:1、具有很好的耐磨性、很高的弹性、扯断强度及伸长率。
缺点:1、在空氧中易老化,遇热变1、是制作胶带、胶管、胶鞋的原料,并适于制作减震零件、在汽车刹车油、乙醇等带氢根的液体中使用的制品。
2、垫片及脚垫。
[tr=#ffffff]粘、在矿物油或汽油中易膨胀和溶解,耐硷但不耐强酸。
聚氨酯橡胶/PU 聚氨酯橡胶机械物性相当好,高硬度、高弹性、耐磨耗性均是其他橡胶类所难相比;耐老化性、耐臭氧性、耐油性也相当好。
一般使用温度为45°C─90°C。
优点:1、耐磨、耐高压。
缺点:1、不耐高温。
1、适用于工业上耐高压、耐磨密封件,如液压缸密封件及滚轮和轴。
2、高压商荷电系统。
[tr=#ffffff]丁苯胶/SBR 丁二稀与苯乙稀之共聚合物,与天然胶比较,品质均匀,异物少,但机械强度则较弱,可与天然胶搀合使用。
耐温:30°C─100°C。
优点:1、低成本的非抗油性材质2、良好的抗水性,硬度70以下具良好弹力。
3、高硬度时具较差的压缩变形。
4、可使用大部分中性的化学物质及干性,滋性的有机酮。
缺点:不建议使用强酸、臭氧、油类、油酯和酯及及大部分的碳氢化合物之中。
1、广用于轮胎业。
鞋业、胶布类及输送带行业等。
[tr=#ffffff]氯丁胶/CR 由氯丁稀单体聚合而成。
硫化后的橡胶弹性及耐磨性好,不怕阳光的直接照射,有特别好的耐大气老化性能,不怕激烈的扭曲,不怕二氯二氟甲烷和氨等制冷剂,耐稀酸、耐硅酯系润滑油,但不耐磷优点:1、弹性良好及具良好的压缩变形。
2、配方内不含硫磺因此非常容易制作。
3、具抗动物及1、应用于耐R12制冷剂的密封件。
2、家电用品上的橡胶零件或密封件。
3、适用来制作各种直接接触大气、阳光、臭氧的零件。
4、适用于各种耐燃、耐化学腐蚀的橡胶制品。
[tr=#fffff酸酯系液压油,在低温时易结晶、硬化,贮存稳定性差,在苯胺点低的矿特特油中膨胀量大。
一般使用温度范围为50°C150°C。
植物油的特性。
4、不会因中性化学物,酯肪、油脂、多种油品,溶剂而影响药物性。
5、具防燃特性。
缺点:1、不建议使用强酸、硝基烃、酯类、氯仿及酮类的化学物之中。
丁基橡胶/IIR 为异丁稀与少量isoprenes聚合而成,保有少量不饱合基供加硫用,因甲基的立体障碍泥分子的运动比其他聚合物少,帮气体透过性较少,对热、日光、臭氧之抵抗性大,电器绝缘性佳;对极性溶剂如醇、酮、酯等抵抗大,一般使用温度范围为54°C110°C。
优点:1、对大部分一般气体具不渗透性。
2、对阳光及臭氧具良发的抵抗性。
3、可暴露于动物或植物油或是可氧化的化学物中。
缺点:1、不建议与石油溶剂,胶媒油和芳香氢同时使用。
1、用于制作耐化学药品,真空设备的橡胶零件。
[tr=#fffff丙烯酸酯橡胶/ACM 由Alky Ester Acrylate为主成份聚合而成之弹性体,耐石化油、耐高温、耐候性均佳,在机械强度、压缩变形及耐水性方面则较弱,比一般耐油胶稍差。
一般使用温度范围为25°C170°C。
优点:1、适用于汽车传运油中。
2、具良好的抗氧化及抗候性。
3、具抗弯曲变型的功能。
4、对油品有极佳的抵抗性。
5、适用于汽车传动系统及动1、汽车传动系统及动力系统密封件。
[tr=#fffff力方向盘中。
缺点:1、不适用于热水中。
2、不适用于煞车油之中。
3、不具耐低温的功能。
4、不适用于磷酸酯中。
氯磺化聚乙烯胶/CSM 氯磺化聚乙稀为杜邦公司专利的合成橡胶。
耐热性、耐候性、耐臭氧性均佳;耐酸性也佳,常用于耐氧化药品(硝酸、硫酸)之处,一般使用温度范为45°C120°C。
优点:1、对臭氧、氧化及火焰都有不错的抵抗性。
2、物性和氯丁胶相似且拥有较佳的抗酸性。
3、极佳的抗磨蚀性。
4、拥有和丁腈胶相同的低磨擦表面。
5、建议使用于水中来防渗漏。
缺点:1、不建议暴露于浓缩的氧化酸、硝基烃、酯类、硐类及芳香氢。
隔弧板,。