各种橡胶性能一览表
- 格式:docx
- 大小:15.71 KB
- 文档页数:14
各种橡胶性能的比较表天然橡胶NR 聚戊二烯橡胶IR丁苯橡胶SBR聚丁二烯橡胶BR乙丙橡胶EPDM丁基橡胶IIR氯丁橡胶CR丁腈橡胶NBR聚硫橡胶PTR硅橡胶Silicone聚氨酯橡胶AUEU抗张强度(纯胶料)极好极好差差差中等好差差差-抗张强度(补强胶料)极好极好好-极好好好-极好好好-极好极好中等中等好-极好抗撕裂性(冷)好中等差-中等极好好好好中等好中等好(热)好好中等极好极好中等好差差差好耐磨性极好好好-极好极好极好中等-好极好极好中等中等极好抗自然老化性差差差差-中等极好好-极好极好中等极好极好极好抗氧化性好好好好极好好-极好好中等极好极好极好耐热性好好好好好好-极好好好中等极好中等- 好低温屈挠性极好极好好极好好中等中等中等好极好极好压缩变形中等-好中等-好差-中等好好中等差-好好差-中等极好好不渗透性中等好中等差-中等差-中等极好好极好极好中等好阻燃性差差差差差差极好差差中等差耐?性好好好好好极好好中等好- 好耐酸性(稀)好好中等好好极极好好好好- 好好好(浓)中等-好中等-好中等- 好好好极好好中等差中等中等电气性能好-极好好-极好好好极好好-极好差-中等差好极好好-极好耐溶剂性脂肪烃差差差差差差好极好极好好好芳香烃差差差差差差中等中等极好好差氯化溶剂差差差差差差差差极好中等中等氧化溶剂好好好好好好差差好好中等动物油和植物油差-好差-好差-好差-好差极好好极好极好好好- 极好注:芳香烃溶剂对硅橡胶有影响,采用氟硅橡胶可获得良好的耐芳香烃性。
材质Material 物性Physical 天然橡胶(NR)NaturalRubber丁苯橡胶(SBR)丁基橡胶(IIR)Butyl三元乙丙橡胶EPDM氯丁橡胶(CR)Neoprene丁腈橡胶(NBR)Nitrile聚氨脂(PU)Urethane硅(硅)胶(SR)Silicone氯磺化聚乙烯胶(CSM)HypalonPHYSIC ALPRO PERTIE比重Specific0.931.450.941.200.921.100.861.301.101.351.001.201.021.250.981.61.12S一般物性Gravity 1.35 硬度范围HardnessRang(ShoreA°)30-1035-10030-930-935-9530-10055-1020-9040-90 最大搞张强度TensileStrengthMax(psiRm.Temp)4000 300025030030003003000 15003000 最大延伸率ElongationMax(%Rm.Temp)750 600 700 600 600 600 750 80060回复力ResilienceE G P-FG G-E F-G F-E F-GF-G 压缩变形Compression SetG F P-G G F-G G G-E G-EF-G 不透气性Impermeablity to GasesF F E F F-G G P-F P-F G抗屈曲龟裂FlexCrackingResistanceF G G G G F G-E F-E G 抗撕裂性TearStrengthE F G F-G F-G F-G E P-FF-G 耐磨性AbrasionResistanceE G-E G G-E G-E G-E E P-FG-E 抗冲击强度ImpactStrengthE E G G G-E F-G G-E P-G G抗割裂成长Cut GrowthE G E G G G G-E P-F GResistanceENVIRO NMEN TRESIS TANCE 耐环境物性抗氧化OxidationResistanceF-G F-G E G-E G-E F-G G-F E E抗臭氧OzoneResistanceP P G-E E G P E E E 耐候WeatheringResistanceF F E EG F-G G-E EG-E 抗日晒SunlightResistanceP-F F E E G-E P-F G-E E E 耐水性WaterResistanceE G-E E E G G-E G G G耐燃性FlameResistanceP P P P G P P-G F-G G耐热性HeatResistanceF F-G G G-E F-G G F-G E G 低温柔软性LowTemperature FlexibilityG-E G F-G G-E F F-G G EF-GCHEMI CALR ESISTA NCE 耐化学品物性耐油和汽油Oil andGasolineP P P P F-G G-E G-E P-FF-G耐动植物油Animal &VegetableOileF F G-EG G G-E G F-G G耐醇类AlcoholsG G G F-G G-E F-G F-G GG-E 耐碱性AlkaliesF F E G-E E G-E P P E耐酸性Acids F-G F-G G-E G G G P-F FG-E耐石腊烃溶剂AliphaticHydrocarbon solventsP P P P G E G P-F G耐芳香烃溶剂Aromatic Hydrocarbo n solvents P P P P P-F F-G P-F P-FP-F耐酮类溶剂OxygenatedSolventsG G G-E G-E P-F P P F F 注: E=Excellent 优G=Good 良F=Fair可P=Poor 不可以上硬度及密度是有一定的变化范围,同时其它物性也是可根据要求作相应的配方来改善其物性。
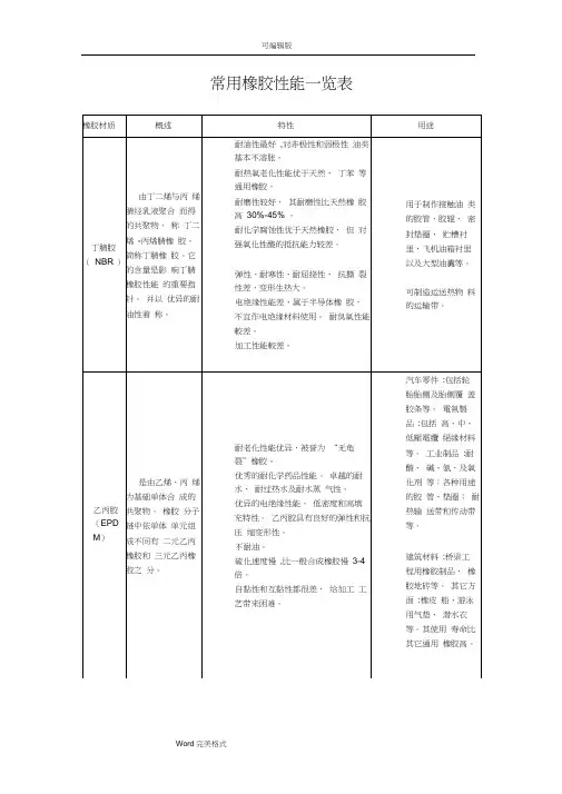
常用橡胶性能一览表橡胶材质概述特性用途丁腈胶(NBR )由丁二烯与丙烯腈经乳液聚合而得的共聚物,称丁二烯-丙烯腈橡胶,简称丁腈橡胶。
它的含量是影响丁腈橡胶性能的重要指针。
并以优异的耐油性着称。
耐油性最好,对非极性和弱极性油类基本不溶胀。
耐热氧老化性能优于天然、丁苯等通用橡胶。
耐磨性较好,其耐磨性比天然橡胶高30%-45% 。
耐化学腐蚀性优于天然橡胶,但对强氧化性酸的抵抗能力较差。
弹性、耐寒性、耐屈挠性、抗撕裂性差,变形生热大。
电绝缘性能差,属于半导体橡胶,不宜作电绝缘材料使用。
耐臭氧性能較差。
加工性能較差。
用于制作接触油类的胶管、胶辊、密封垫圈、贮槽衬里,飞机油箱衬里以及大型油囊等。
可制造运送热物料的运输带。
乙丙胶(EPD M)是由乙烯、丙烯为基础单体合成的共聚物。
橡胶分子链中依单体单元组成不同有二元乙丙橡胶和三元乙丙橡胶之分。
耐老化性能优异,被誉为“无龟裂”橡胶。
优秀的耐化学药品性能。
卓越的耐水、耐过热水及耐水蒸气性。
优异的电绝缘性能。
低密度和高填充特性。
乙丙胶具有良好的弹性和抗压缩变形性。
不耐油。
硫化速度慢,比一般合成橡胶慢3-4倍。
自黏性和互黏性都很差,给加工工艺带来困难。
汽车零件:包括轮胎胎侧及胎侧覆盖胶条等。
電氣製品:包括高、中、低壓電纜絕緣材料等。
工业制品:耐酸、碱、氨、及氧化剂等;各种用途的胶管、垫圈;耐热输送带和传动带等。
建筑材料:桥梁工程用橡胶制品,橡胶地砖等。
其它方面:橡皮船、游泳用气垫、潜水衣等。
其使用寿命比其它通用橡胶高。
由于具有优异的耐老化性能耐冲击性也较好,所以常用做胎侧。
EPDM 三元乙丙胶三元乙丙橡胶是一种在乙烯和丙烯共聚物中引入了第三单体的高分子聚合物,产品性能及优点: 超高分子量,高乙烯含量,可高度填充填充剂和油,易碎的性能缩短了混炼的时间.分子结构和特性三元乙丙是乙烯、丙烯和非共轭二烯烃的三元共聚物。
二烯烃具有特殊的结构,只有两键之一的才能共聚,不饱和的双键主要是作为交链处。
橡胶材料种类性能表序号橡胶种类主要材料优点劣势适用范围使用温度1 天然橡胶(NR)异戊二烯聚合物优良的回弹性,拉伸强度、伸长率、耐磨性,撕裂和压缩永久变形性能不耐油,耐天候、臭氧、氧的性能较差制作轮胎、减震零件、缓冲绳和密封零件-60~100℃2 丁苯橡胶(SBR)丁二烯与苯乙烯的共聚物含10%苯乙烯的丁苯-10有良好寒性,含30%苯乙烯的丁苯-30耐磨性优良耐油、耐老化性能较差制作轮胎和密封零件-60~120℃3 丁二烯橡胶(BR)丁二烯聚合物常用的顺丁二烯橡胶,耐寒、耐磨及回弹性能较好制品不耐油,不耐老化适于制作轮胎、密封零件、减震零件、胶带和胶管等制品-70~100℃4 氯丁橡胶(CR)氯丁二烯聚合物耐天候,耐臭氧老化,有自熄性,耐油性能仅次于丁腈橡胶,拉伸强度、伸长率、回弹性优良,与金属和织物粘结性很好制品不耐合成双酯润滑油及磷酸酯液压油适于制作密封圈及密封型材、胶管、涂层、电线绝缘层、胶布及配制胶粘剂等-35~130℃5 丁腈橡胶(NBR)丁二烯丙烯腈的共聚物一般含丙烯腈18%、26%或40%,含量愈高,耐油、耐热、耐磨性能愈好,但耐寒性则相反。
含羧基的丁腈橡胶,耐磨、耐高温、耐油性能优于丁腈橡胶制品不耐天候、不耐臭氧老化、不耐磷酸酯液压油丁腈橡胶适于制作各种耐油密封零件、膜片、胶管和软油箱-55~130℃6 乙丙橡胶(EPM、EPDM )乙烯、丙烯的二元共聚物(EPM)或乙烯、丙烯、二烯类烯烃的三元共聚(EPDM)耐天候、耐臭氧老化,耐蒸汽、磷酸酯液压油、酸、碱以及火箭燃料和氧化剂,电绝缘性能优良品不耐石油基油类适于制作磷酸酯液压油系统的密封零件、胶管及飞机、汽车门窗密封型材、胶布和电线绝缘层-60~150℃7 丁基橡胶(IIR)异丁烯和异戊二烯的共聚物耐天候、臭氧老化,耐磷酸酯液压油,耐酸、碱、火箭燃料及氧化剂,制品不耐石油基油类适于制作轮胎内胎,门窗密封条,磷酸酯液压油系统的-60~150℃具有优良的介电性能和绝缘性能,透气性极小密封零件、胶管,电线的绝缘层,胶布和减震阻尼器8 氯磺化聚乙烯橡胶(CSM)氯磺化聚乙烯橡胶耐天候及臭氧老化,耐油性随其氯含量增加而增加,耐酸碱适于制作胶布、车用空滤器联接套,散热器排水管、密封垫、电缆套管、防腐涂层及软油箱外壁-50~150℃9 聚氨酯橡胶聚氨基甲酸酯通常有聚酯型(AU)和聚醚型(EU)两种。
常用橡胶性能一览表由于具有优异的耐老化性能耐冲击性也较好,所以常用做胎侧。
EPDM三元乙丙胶三元乙丙橡胶是一种在乙烯和丙烯共聚物中引入了第三单体的高分子聚合物,产品性能及优点:超高分子量,高乙烯含量,可高度填充填充剂和油,易碎的性能缩短了混炼的时间.分子结构和特性三元乙丙是乙烯、丙烯和非共轭二烯烃的三元共聚物。
二烯烃具有特殊的结构,只有两键之一的才能共聚,不饱和的双键主要是作为交链处。
另一个不饱和的不会成为聚合物主链,只会成为边侧链。
三元乙丙的主要聚合物链是完全饱和的。
这个特性使得三元乙丙可以抵抗热,光,氧气,尤其是臭氧。
三元乙丙本质上是无极性的,对极性溶液和化学物具有抗性,吸水率低,具有良好的绝缘特性。
在三元乙丙生产过程中,通过改变三单体的数量,乙烯丙烯比,分子量及其分布以及硫化的方法可以调整其特性。
热塑性弹性体(TPE)高刚性耐高温且保有低温的弯曲性,优异的耐化学品性,应用于管材、静音齿轮、电线被覆、发卷、自动收缩管线.TPE热塑性弹性体特性:1、材料有半透、高透明、白色、黑色供选择。
2、已通过ROHS、PAHs、FDA测试,等级测试。
3、材料环保无卤无毒无味,不含塑胶软化剂、磷苯二甲酸盐、重金属等化合物。
4、良好的减震性和防滑耐磨。
5、良好的抗紫外线及耐化学药品性。
6、广阔的硬度范围选择(邵氏0度-110度)。
可根据需求任意调整。
7、在—60度至135度的长期使用温度8、压缩变形及永久变形小9、卓越的抗动态疲劳性能10、极优的耐臭氧及耐候性能11、亮面、雾面均可,光滑的外观和舒适的橡胶柔软质感。
12、材料不含水分,无须干燥可直接使用,节约能源。
13、易于加工,着色。
水口料即边角料可百分百回收再利用,降低产品,且不影响产品物性。
14、它可以通过二次注塑成型,与PP、PE、PS、ABS、PC、PA等基体材料包覆粘合,也可单独成形。
替代软质PVC部分硅橡胶。
TPE/TPR 之应用领域运动器材:手把类(高尔夫球、各种球拍、脚踏车、滑雪器材、滑水器材等),潜水器材(蛙鞋、蛙镜、呼吸管、手电筒等)、刹车块、运动护垫。
常用橡胶的性能与用途
1.天然橡胶
主要性能=优点:弹性极大,有非常好的机械强度,抗折、耐磨、耐挠曲,有较好的耐透气性,可塑性和工艺加工性能良好。
缺点:不耐老化,耐热性和热稳定性差,耐碱但不耐强酸,耐油、耐溶剂性能差
用途=综合性能好,广泛用于轮胎、胶带、胶管、胶鞋及其他橡胶制品以及电线电缆的绝缘层
2.丁苯橡胶
主要性能=优点:耐热、耐油、耐磨、耐老化性能优于天然橡胶。
缺点:力学性能、耐寒性、可塑性和工艺加工性能较天然橡胶差
用途=主要用于制造轮胎、胶板、胶鞋等
3.丁腈橡胶
主要性能=有优异的耐油性,耐热性优于天然橡胶和丁苯橡胶
用途=广泛用于各种耐油橡胶制品、密封件、油槽衬里等
4.丁基橡胶
主要性能=优点:气密性极好,耐热性好,耐老化性好,减震性好,耐酸、碱和耐极性溶剂性强。
缺点:硫化速度慢,工艺性能较差
用途=用于制造轮胎内胎、水胎、耐热、耐水、耐老化垫片,化工容器衬里、减震制品、胶管、耐热运输带等
5.氯丁橡胶
主要性能=优点:耐老化性极好,耐热性、耐燃性好,耐油性仅次于丁腈橡胶而优于其他通用橡胶,耐酸碱性能好。
缺点:耐寒性差,储存稳定性差,加工不易控制
用途=用途极为广泛,用于制造各种耐油、耐老化、耐热耐燃、耐化学腐蚀橡胶制品,电缆的护套包皮,密封圈、垫,粘胶剂等。
16种橡胶的化学组成性能特点及主要用途橡胶是一种具有高弹性的弹性体,广泛应用于工业、建筑、交通运输和日常生活等领域。
根据橡胶的化学组成和性能特点的不同,可以分为多种类型,下面介绍16种常见的橡胶及其特点和主要用途。
1. 天然橡胶(Natural Rubber)天然橡胶是由橡胶树分泌的胶乳经过加工和硫化而得到的。
它具有优异的弹性和耐磨性,耐低温性能较好,但抗老化性能较差。
天然橡胶主要用于轮胎、橡胶鞋、橡胶管等制品的生产。
2. 丁苯橡胶(Styrene Butadiene Rubber,SBR)丁苯橡胶是以丁二烯与苯乙烯为主要原料合成的合成橡胶。
它具有良好的耐磨性、耐老化性和抗张强度,但耐油性和耐溶剂性较差。
丁苯橡胶广泛应用于轮胎、橡胶管、橡胶板等制品的生产。
3. 丁腈橡胶(Nitrile Rubber,NBR)丁腈橡胶是以丁二烯与丙烯腈为原料合成的合成橡胶。
它具有优异的耐油性、耐溶剂性和耐磨性,但耐热性较差。
丁腈橡胶主要用于石油化工、汽车制造、航空航天等领域的密封件、胶管等制品。
4. 氯丁橡胶(Chloroprene Rubber,CR)氯丁橡胶是以氯丁二烯为原料合成的合成橡胶。
它具有优异的耐热性、耐油性和耐溶剂性,但耐寒性较差。
氯丁橡胶主要用于橡胶制品、胶粘剂、密封件等领域。
5. 丁蓄橡胶(Butyl Rubber,IIR)丁蓄橡胶是一种高度耐化学品腐蚀的合成橡胶,具有出色的气体和水蒸气阻隔性能,尤其适用于制造内胎和药品容器等密封产品。
6. 氟橡胶(Fluororubber,FKM)氟橡胶是一种耐高温、耐化学品腐蚀的合成橡胶。
它具有优异的耐热性、耐油性和耐溶剂性,广泛应用于航空航天、汽车制造等领域的密封件、橡胶制品等。
7. 聚氨酯橡胶(Polyurethane Rubber,PU)聚氨酯橡胶是一种高性能合成橡胶,具有耐磨性、耐撕裂性和抗刺穿性等优点。
它广泛应用于轮胎、液压密封件、刮板等领域。
8. 丁基橡胶(Polybutadiene Rubber,BR)丁基橡胶是一种重要的合成橡胶,具有优异的弹性、抗磨性和耐寒性。
常用橡胶性能一览表橡胶材质概述特性用途丁腈胶(NBR )由丁一烯与丙烯腈经乳液聚合而得的共聚物,称丁二烯-丙烯腈橡胶,简称丁腈橡胶。
它的含量是影响丁腈橡胶性能的重要指针。
并以优异的耐油性着称。
•耐油性最好,对非极性和弱极性油类基本不溶胀。
*耐热氧老化性能优于天然、丁本等通用橡胶。
•耐磨性较好,其耐磨性比天然橡胶高30%-45%。
•耐化学腐蚀性优于天然橡胶,但对强氧化性酸的抵抗能力较差。
*弹性、耐寒性、耐屈挠性、抗撕裂性差,变形生热大。
•电绝缘性能差,属于半导体橡胶,不宜作电绝缘材料使用。
•耐臭氧性能較差。
•加工性能較差。
•用于制作接触油类的胶管、胶辊、密圭寸垫圈、贮槽衬里,飞机油箱衬里以及大型油囊等。
* 可制造运送热物料的运输带。
乙丙胶(EPD M)是由乙烯、丙烯为基础单体合成的共聚物。
橡胶分子链中依单体单兀组成不同有二元乙丙橡胶和三元乙丙橡胶之分。
*耐老化性能优异,被誉为无龟裂”橡胶。
•优秀的耐化学药品性能。
•卓越的耐水、耐过热水及耐水蒸气性。
•优异的电绝缘性能。
•低密度和高填充特性。
•乙丙胶具有良好的弹性和抗压缩变形性。
* 不耐油。
•硫化速度慢,比一般合成橡胶慢3-4 倍。
•自黏性和互黏性都很差,给加工工艺带来困难。
*汽车零件:包括轮胎胎侧及胎侧覆盖胶条等。
*電氣製品:包括高、中、低壓電纜絕緣材料等。
*工业制品:耐酸、碱、氨、及氧化剂等;各种用途的胶管、垫圈;耐热输送带和传动带等。
*建筑材料:桥梁工程用橡胶制品,橡胶地砖等。
*其它方面:橡皮船、游泳用气垫、潜水衣等。
其使用寿命比其它通用橡胶咼。
由于具有优异的耐老化性能耐冲击性也较好,所以常用做胎侧。
EPDM三元乙丙胶三元乙丙橡胶是一种在乙烯和丙烯共聚物中引入了第三单体的高分子聚合物,产品性能及优点:超高分子量,高乙烯含量,可高度填充填充剂和油,易碎的性能缩短了混炼的时间•分子结构和特性三元乙丙是乙烯、丙烯和非共轭二烯烃的三元共聚物。
二烯烃具有特殊的结构,只有两键之一的才能共聚,不饱和的双键主要是作为交链处。
各种橡胶性能的比较表
注:芳香烃溶剂对硅橡胶有影响,采用氟硅橡胶可获得良好的耐芳香烃性。
材质Material
物性Physical 天然
橡胶
(NR)
Natu
ral
Rubb
er
丁
苯
橡
胶
(SB
R)
丁
基
橡
胶
(II
R)
But
三
元
乙
丙
橡
胶
EP
D
氯丁橡胶
(CR)
Neoprene
丁
腈
橡
胶
(N
BR)
Nitr
聚氨
脂
(PU)
Uret
硅
(硅)
胶
(SR)
Silic
one
氯
磺
化
聚
乙
烯
胶
(
yl M ile hane C
S
M
)
H
y
p
al
o
n PHYSI
CALPR O PERTI ES
一般物性
比重
Specific
Gravity
0.93
1.45
0.94
1.20
0.9
2
1.1
0.8
6
1.3
1.10
1.35
1.00
1.20
1.02
1.25
0.98
1.6
1.
1
2
1.
3
5硬度范围30-1035-130-30-35-9530-55-120-9
4
0-
Hardness Rang(Shor e A°)00090901000009
最大搞张强度Tensile
Strength Max(psi Rm.Temp
)4000
300
250
300
3000
300
30001500
3
最大延伸
率
Elongatio n Max(% Rm.Temp
)750600700600600600750800
6
回复力
Resilience E G P-F G G-E F-G F-E F-G
F
-
G
压缩变形
Compressi on Set G F
P-
G
G F-G G G-E G-E
F
-
G
不透气性
Impermea
blity to
Gases
F F E F F-
G G P-F P-F G
抗屈曲龟
裂
Flex
Cracking
Resistance
F G G G G F G-E F-E G
抗撕裂性
Tear Strength E F G
F-
G
F-G F-G E P-F
F
-
G
耐磨性
Abrasion Resistance E G-E G
G-
E
G-E
G-
E
E P-F
G
-
E
抗冲击强
度
Impact
Strength
E E G G G-E F-G G-E P-G G
抗割裂成
长
Cut
Growth
E G E G G G G-E P-
F G
Resistance
ENVIR ONME
N TRESIS TANC
E 耐环境物性
抗氧化
Oxidation
Resistance
F-G F-G E
G-
E
G-E F-G G-F E E 抗臭氧
Ozone
Resistance
P P
G-
E
E G P E E E 耐候
Weatherin
g
Resistance
F F E E
G F-G G-E E
G
-
E 抗日晒P-
F F E E G-E P-F G-E E E
Sunlight Resistance
耐水性
Water Resistance E G-E E E G
G-
E
G G G
耐燃性
Flame
Resistance
P P P P G P P-G F-G G 耐热性
Heat Resistance F F-G G
G-
E
F-G G F-G E G
低温柔软G-E G F-G-F F-G G E
F
-
性
Low
Temperat
ure
Flexibility
G E G
CHEM ICALR ESIST ANCE 耐化学品物性耐油和汽
油
Oil and
Gasoline
P P P P F-G
G-
E
G-E P-F
F
-
G
耐动植物
油
Animal &
Vegetable
Oile
F F
G-
E
G G
G-
E
G F-G G
耐醇类
Alcohols
G G G
F-
G
G-E F-G F-G G
G
-
E 耐碱性
Alkalies F F E
G-
E
E
G-
E
P P E
耐酸性
Acids F-G F-G
G-
E
G G G P-F F
G
-
E
耐石腊烃
溶剂
Aliphatic
Hydrocarb
on
solvents
P P P P G E G P-F G
耐芳香烃
溶剂
Aromatic Hydrocarb P P P P P-F F-G P-F P-F
P
-
F
on solvents
耐酮类溶
剂
Oxygenate d Solvents G G
G-
E
G-
E
P-F P P F F
注: E=Excellent 优G=Good 良
F=Fair 可P=Poor 不可
以上硬度及密度是有一定的变化范围,同时其它物性也是可根据要求作相应的配方来改善其物性。
而并非以上参考资料是固定的,具体要求请与相关技术人员联系了解。