定制式义齿现场检查指导原则
- 格式:doc
- 大小:165.50 KB
- 文档页数:15
希望对大家有所帮助,多谢您的浏览!
医疗器械生产质量管理规范定制式义齿现场检查指导原则
注解:
1.本指导原则条款编号的编排方式为:X1.X
2.X3,其中X1为章节的顺序号,如1.1.1的第一位X1表示“机构与人员”章节,2.1.1的第一位X1表示“厂房与设施”章节;X2为同一章节内条款的顺序号,如1.1.1的第二位X2表示“机构与人员”章节第一条要求,1.2.1的第二位X2表示“机构与人员”章节第二条要求;X3为同一条款内细化的检查指导的顺序号,如1.1.1的第三位X3表示“机构与人员”章节对第一条要求细化的第一个检查要点,1.1.2的第三位X3表示“机构与人员”
章节对第一条要求细化的第二个检查要点。
其他章节编号规则相同。
2.每一章节的检查指导原则由两部分组成,一部分主要是按照《医疗器械生产质量管理规范》所规定条款制定的检查指导,另一部分主要是按照《医疗器械生产质量管理规范附录定制式义齿》所规定条款制定的检查指导。
(注:可编辑下载,若有不当之处,请指正,谢谢!)。
医疗器械生产质量管理规范定制式义齿
现场检查指导原则
注解:
1.本指导原则条款编号的编排方式为:,其中X1为章节的顺序号,如1.1.1的第一位X1表示“机构与人员”章节,的第一位X1表示“厂房与设施”章节;X2为同一章节内条款的顺序号,如的第二位X2表示“机构与人员”章节第一条要求,的第二位X2表示“机构与人员”章节第二条要求;X3为同一条款内细化的检查指导的顺序号,如的第三位X3表示“机构与人员”章节对第一条要求细化的第一个检查要点,的第三位X3表示“机构与人员”章节对第一条要求细化的第二个检查要点。
其他章节编号规则相同。
2.每一章节的检查指导原则由两部分组成,一部分主要是按照《医疗
器械生产质量管理规范》所规定条款制定的检查指导,另一部分主要是按照《医疗器械生产质量管理规范附录定制式义齿》所规定条款制定的检查指导。
医疗器械生产质量管理规范定制式义齿
注解:
1.本指导原则条款编号的编排方式为:X1.X
2.X3,其中X1为章节的顺序号,如1.1.1的第一位X1表示“机构与人员”章节,2.1.1的第一位X1表示“厂房与设施”章节;X2为同一章节内条款的顺序号,如1.1.1的第二位X2表示“机构与人员”章节第一条要求,1.2.1的第二位X2表示“机构与人员”章节第二条要求;X3为同一条款内细化的检查指导的顺序号,如1.1.1的第三位X3表示“机构与人员”章节对第一条要求细化的第一个检查要点,1.1.2的第三位X3表示“机构与人员”章节对第一条要求细化的第二个检查要点。
其他章节编号规则相同。
2.每一章节的检查指导原则由两部分组成,一部分主要是按照《医疗器械生产质量管理规范》所规定条款制定的检查指导,另一部分主要是按照《医疗器械生产质量管理规范附录定制式义齿》所规定条款制定的检查指导。
国家食品药品监督管理总局办公厅2016年12月19日印发。
医疗器械生产质量管理标准定制式义齿
现场检查指导原那么
注解:
1.本指导原那么条款编号的编排方式为:X1.X
2.X3,其中X1为章节的顺序号,如的第一位X1表示“机构与人员〞章节,的第一位X1表示“厂房与设施〞章节;X2为同一章节内条款的顺序号,如的第二位X2表示“机构与人员〞章节第一条要求,的第二位X2表示“机构与人员〞章节第二条要求;X3为同一条款内细化的检查指导的顺序号,如的第三位X3表示“机构与人员〞章节对第一条要求细化的第一个检查要点,的第三位X3表示“机构与人员〞章节对第一条要求细化的第二个检查要点。
其他章节编号规那么相同。
2.每一章节的检查指导原那么由两局部组成,一局部主要是按照?医
疗器械生产质量管理标准?所规定条款制定的检查指导,另一局部主要是按照?医疗器械生产质量管理标准附录定制式义齿?所规定条款制定的检查指导。
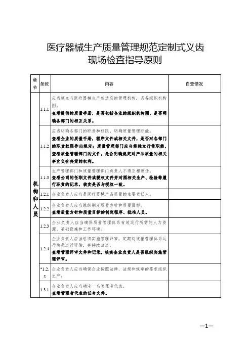
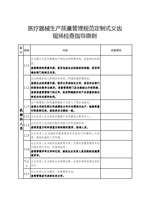
医疗器械生产质量管理规范定制式义齿现场检查指导原则应当建立与医疗器械生产相适应的管理机构,具备组织机构图。
查看提供的质量手册,是否包括企业的组织机构图,是否明确各部门的相互 关系。
应当明确各部门的职责和权限,明确质量管理职能。
查看企业的质量手册,程序文件或相关文件,是否对各部门的职责权限作出 规定;质量管理部门应当能独立行使职能,查看质量管理部门的文件,是否明确规定对产品质量的相关事宜负有决策的权利。
生产管理部门和质量管理部门负责人不得互相兼任。
查看公司的任职文件或授权文件并对照相关生产、检验等履行职责的记录, 核实是否与授权一致。
章节条款 内容1.1.21.1.3机 构 和 人 员1.2.11.2.21.2.31.2.4*1.2.51.3.11.3.2企业负责人应当是医疗器械产品质量的主要责任人。
企业负责人应当组织制定质量方针和质量目标。
查看质量方针和质量目标的制定程序、批准人员。
企业负责人应当确保质量管理体系有效运行所需的人力资源、 环境。
基础设施和工作企业负责人应当组织实施管理评审,定期对质量管理体系运行情况进行评估, 并持续改进。
查看管理评审文件和记录,核实企业负责人是否组织实施管理评审。
企业负责人应当确保企业按照法律、法规和规章的要求组织生产。
企业负责人应当确定一名管理者代表。
查看管理者代表的任命文件。
管理者代表应当负责建立、实施并保持质量管理体系,报告质量管理体系的运 行情况和改进需求,提高员工满足法规、规章和顾客要求的意识。
查看是否对上述职责作出明确规定。
查看管理者代表报告质量管理体系运行 情况和改进的相关记录。
章节 条款 内容技术、生产和质量管理负责人应当具有口腔修复学相关专业知识,并具有相应的实践经验,应当有能力对生产管理和质量管理中实际问题作出正确判断和处 理。
查看部门负责人的任职资格要求,是否对专业知识、工作技能、工作经历作 出规定。
查看学历证书、职称证书、培训考核评价记录,现场询问,是否符 合要求。
附件2
医疗器械生产质量管理规范
定制式义齿现场检查指导原则
注解:
1.本指导原则条款编号的编排方式为:X1.X
2.X3,其中X1为章节的顺序号,如1.1.1的第一位X1表示“机构与人员”章节,2.1.1的第一位X1表示“厂房与设施”章节;X2为同一章节内条款的顺序号,如1.1.1的第二位X2表示“机构与人员”章节第一条要求,1.2.1的第二位X2表示“机构与人员”章节第二条要求;X3为同一条款内细化的检查指导的顺序号,如1.1.1的第三位X3表示“机构与人员”章节对第一条要求细化的第一个检查要点,1.1.2的第三位X3表示“机构与人员”章节对第一条要求细化的第二个检查要点。
其他章节编号规则相同。
2.每一章节的检查指导原则由前后两部分组成,每章的前半部分是按照《医疗器械生产质量规范》所规定条款制定的检查指导,每章的后半部是按照《医疗器械生产质量规范附录定制式义齿》所规定条
款制定的检查指导。
.。
医疗器械生产质量管理规范定制式义齿
现场检查指导原则
注解:
1.本指导原则条款编号的编排方式为:X1.X
2.X3,其中X1为章节的顺序号,如1.1.1的第一位X1表示“机构与人员”章节,2.1.1的第一位X1表示“厂房与设施”章节;X2为同一章节内条款的顺序号,如1.1.1的第二位X2表示“机构与人员”章节第一条要求,1.2.1的第二位X2表示“机构与人员”章节第二条要求;X3为同一条款内细化的检查指导的顺序号,如1.1.1的第三位X3表示“机构与人员”章节对第一条要求细化的第一个检查要点,1.1.2的第三位X3表示“机构与人员”章节对第一条要求细化的第二个检查要点。
其他章节编号规则相同。
2.每一章节的检查指导原则由两部分组成,一部分主要是按照《医疗器械生产质量管理规范》所规定条款制定的检查指导,另一部分主要是按
照《医疗器械生产质量管理规范附录定制式义齿》所规定条款制定的检查指导。
医疗器械生产质量管理标准定制式义齿
现场检查指导原那么
注解:
1.本指导原那么条款编号的编排方式为:X1.X
2.X3,其中X1为章节的顺序号,如的第一位X1表示“机构与人员〞章节,的第一位X1表示“厂房与设施〞章节;X2为同一章节内条款的顺序号,如的第二位X2表示“机构与人员〞章节第一条要求,的第二位X2表示“机构与人员〞章节第二条要求;X3为同一条款内细化的检查指导的顺序号,如的第三位X3表示“机构与人员〞章节对第一条要求细化的第一个检查要点,的第三位X3表示“机构与人员〞章节对第一条要求细化的第二个检查要点。
其他章节编号规那么相同。
2.每一章节的检查指导原那么由两局部组成,一局部主要是按照?医
疗器械生产质量管理标准?所规定条款制定的检查指导,另一局部主要是按照?医疗器械生产质量管理标准附录定制式义齿?所规定条款制定的检查指导。
医疗器械生产质量管理规范定制式义齿
现场检查指导原则
注解:
1.本指导原则条款编号的编排方式为:X1.X
2.X3,其中X1为章节的顺序号,如1.1.1的第一位X1表示“机构与人员”章节,2.1.1的第一位X1表示“厂房与设施”章节;X2为同一章节内条款的顺序号,如1.1.1的第二位X2表示“机构与人员”章节第一条要求,1.2.1的第二位X2表示“机构与人员”章节第二条要求;X3为同一条款内细化的检查指导的顺序号,如1.1.1的第三位X3表示“机构与人员”章节对第一条要求细化的第一个检查要点,1.1.2的第三位X3表示“机构与人员”章节对第一条要求细化的第二个检查要点。
其他章节编号规则相同。
2.每一章节的检查指导原则由两部分组成,一部分主要是按照《医疗器械生产质量管理规范》所规定条款制定的检查指导,另一部分主要是按
照《医疗器械生产质量管理规范附录定制式义齿》所规定条款制定的检查指导。
国家食品药品监督管理总局关于印发医疗器械生产质量管理规范定制式义齿现场检查指导原则的通知
文章属性
•【制定机关】国家食品药品监督管理总局(已撤销)
•【公布日期】2016.12.16
•【文号】食药监械监〔2016〕165号
•【施行日期】2016.12.16
•【效力等级】部门规范性文件
•【时效性】现行有效
•【主题分类】药政管理
正文
总局关于印发医疗器械生产质量管理规范定制式义齿现场检
查指导原则的通知
食药监械监〔2016〕165号各省、自治区、直辖市食品药品监督管理局,新疆生产建设兵团食品药品监督管理局:
为加强医疗器械生产监督管理,指导监管部门对医疗器械生产企业实施《医疗器械生产质量管理规范》及其相关附录的现场检查和对检查结果的评估,根据《医疗器械生产质量管理规范》及其相关附录,国家食品药品监督管理总局组织制定了《医疗器械生产质量管理规范定制式义齿现场检查指导原则》。
现印发给你们,请遵照执行。
食品药品监管总局
2016年12月16日附件:医疗器械生产质量管理规范定制式义齿现场检查指导原则。
医疗器材生产质量管理规范定制式义齿现场检查指导原则章节条款内容应该成立与医疗器材生产相适应的管理机构,具备组织机构图。
查察供给的质量手册,能否包含公司的组织机构图,能否明确各部门的相互关系。
应该明确各部门的职责和权限,明确质量管理职能。
查察公司的质量手册,程序言件或有关文件,能否对各部门的职责权限作出规定;质量管理部门应该能独立履行职能 ,查察质量管理部门的文件,能否明确规定对产质量量的有关事宜负有决议的权益。
生产管理部门和质量管理部门负责人不得相互兼任。
查察公司的任职文件或受权文件并比较有关生产、查验等执行职责的记录,核实能否与受权一致。
机构和人员公司负责人应该是医疗器材产质量量的主要责任人。
公司负责人应该组织拟订质量目标和质量目标。
查察质量目标和质量目标的拟订程序、同意人员。
公司负责人应该保证质量管理系统有效运转所需的人力资源、基础设备和工作环境。
公司负责人应该组织实行管理评审,按期对证量管理系统运转状况进行评估,并连续改良。
查察管理评审文件和记录,核实公司负责人能否组织实行管理评审。
公司负责人应该保证公司依据法律、法例和规章的要求组织生产。
公司负责人应该确立一名管理者代表。
查察管理者代表的委任文件。
管理者代表应该负责成立、实行并保持质量管理系统,报告质量管理系统的运行状况和改良需求,提升职工知足法例、规章和顾客要求的意识。
查察能否对上述职责作出明确规定。
查察管理者代表报告质量管理系统运转状况和改良的有关记录。
章节机构和人员条款内容技术、生产和质量管理负责人应该拥有口腔修复学有关专业知识,并拥有相应的实践经验,应该有能力对生产管理和质量管理中实质问题作出正确判断和处理。
查察部门负责人的任职资格要求,能否对专业知识、工作技术、工作经历作出规定。
查察学历证书、职称证书、培训查核评论记录,现场咨询,能否切合要求。
与口腔修复学有关的专业一般包含:口腔修复学、口腔解剖学、牙体解剖学、口腔资料学、色彩学、雕琢学、口腔生物力学等。
定制式义齿现场检查指导原则定制式义齿是依据牙科医生对患者口腔具体情况进行设计和制作的一种人工修复装置,它可以完美地适应患者的牙龈和牙形,提供美观和舒适的口腔修复效果。
然而,为了确保定制式义齿的质量,需要在现场进行详细检查和指导。
本文将介绍定制式义齿现场检查的原则和指导,以确保患者在使用定制式义齿时获得最佳体验。
首先,定制式义齿现场检查应该从患者的口腔状况开始。
牙科医生应该检查患者的牙龈健康状况、牙体状态和咬合情况。
如果患者存在牙龈疾病或其他口腔问题,这些问题需要在制作定制义齿之前得到解决。
否则,这些口腔问题可能会影响定制式义齿的稳定性和适应性。
其次,牙科医生应该根据患者的口腔状况进行定制义齿的设计。
定制义齿应该与患者的牙龈和牙形相匹配,并与周围自然牙和义齿协调一致。
为了达到这个目标,牙科医生需要详细测量患者的牙龈和牙形,并使用数字修复技术进行设计。
通过这种方式,可以确保定制式义齿具有更高的适应性和美观度。
在进行定制式义齿现场检查时,牙科医生还应该检查义齿的稳定性和适配性。
牙科医生需要确保义齿与周围自然牙和牙龈之间没有明显的间隙,并且能够稳定地固定在口腔中。
如果义齿不适合或不稳定,可以通过调整或重新制作来解决这个问题。
确保义齿的稳定性和适配性可以保证患者在使用义齿时不会感到不适或口腔刺激。
除了检查义齿的质量和适应性,牙科医生还应该向患者提供关于定制式义齿的使用和保养的指导。
患者需要知道如何正确佩戴和清洁义齿,以及如何保持口腔卫生。
牙科医生可以向患者提供一些口腔清洁产品的建议,并告知他们定期复诊的重要性。
通过提供这些指导,可以确保患者在使用定制式义齿时能够正确维护和保养它们,延长它们的使用寿命。
总之,定制式义齿现场检查的原则是基于患者的口腔状况进行详细检查,设计适合患者的定制义齿,并确保义齿的质量、稳定性和适配性。
此外,牙科医生还应该向患者提供关于义齿使用和保养的指导。
通过遵循这些原则和指导,可以确保患者在使用定制式义齿时获得最佳的口腔修复效果。
医疗器械生产质量管理规范定制式义齿
现场检查指引原则
注解:
1.本指引原则条款编号编排方式为:X1.X
2.X3,其中X1为章节顺序号,如1.1.1第一位X1表达“机构与人员”章节,2.1.1第一位X1表达“厂房与设施”章节;X2为同一章节内条款顺序号,如1.1.1第二位X2表达“机构与人员”章节第一条规定,1.2.1第二位X2表达“机构与人员”章节第二条规定;X3为同一条款内细化检查指引顺序号,如1.1.1第三位X3表达“机构与人员”章节对第一条规定细化第一种检查要点,1.1.2第三位X3表达“机构与人员”章节对第一条规定细化第二个检查要点。
其她章节编号规则相似。
2.每一章节检查指引原则由两某些构成,一某些重要是按照《医疗器械生产质量管理规范》所规定条款制定检查指引,另一某些重要是按照《医疗器械生产质量管理规范附录定制式义齿》所规定条款制定检查指引。
附件2
医疗器械生产质量管理规范
定制式义齿现场检查指导原则
注解:
1.本指导原则条款编号的编排方式为:X1.X
2.X3,其中X1为章节的顺序号,如1.1.1的第一位X1表示“机构与人员”章节,2.1.1的第一位X1表示“厂房与设施”章节;X2为同一章节内条款的顺序号,如1.1.1
的第二位X2表示“机构与人员”章节第一条要求,1.2.1的第二位X2
表示“机构与人员”章节第二条要求;X3为同一条款内细化的检查指导
的顺序号,如1.1.1的第三位X3表示“机构与人员”章节对第一条要求
细化的第一个检查要点,1.1.2的第三位X3表示“机构与人员”章节对
第一条要求细化的第二个检查要点。
其他章节编号规则相同。
2 .每一章节的检查指导原则由前后两部分组成,每章的前半部分是按
照《医疗器械生产质量规范》所规定条款制定的检查指导,每章的后
半部是按照《医疗器械生产质量规范附录定制式义齿》所规定条款制
定的检查指导。