高压旋喷桩技术交底大全
- 格式:doc
- 大小:102.00 KB
- 文档页数:14
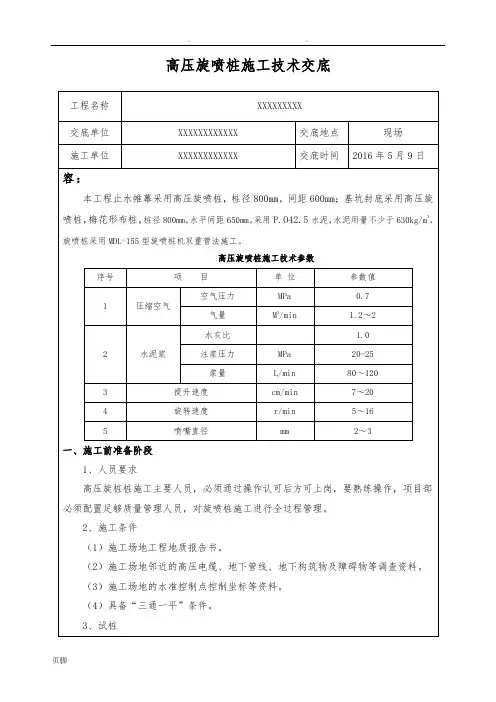
技术交底记录工程名称开封三义寨闸改建工程分部工程地基与基础分项工程名称高压旋喷桩交底时间一:施工概况高压旋喷桩连续墙在上游翼墙区及闸室区基础范围内。
桩基采用正方形布置,桩径0.6m,桩间距0.4m。
二:工艺流程本标段拟采用单管旋喷法,工艺流程为施工准备→测量定位→机具就位→钻孔至设计标高→旋喷开始→提升旋喷注浆→旋喷结束成桩三:施工方法(1)场地平整正式进场施工前,进行管线调查后,清除施工场地地面以下2米以内的障碍物,不能清除的做好保护措施,然后整平、夯实;同时合理布置施工机械、排浆沟、灰浆拌制系统和电力线路位置,确保施工场地的“三通一平”。
(2)测量定位施工前用全站仪测定旋喷桩施工的控制点,用白灰标记,经过复测验线合格后,用钢尺和测线实地布设桩位,并用竹签钉紧,一桩一签,确保桩机准确就位。
(3)机具就位钻机就位后,对桩机进行调平、对中,调整桩机的垂直度,保证钻杆应与桩位一致,偏差应在10mm以内,钻孔垂直度误差小于1 %;钻孔前应调试空压机、泥浆泵,使设备运转正常;校验钻杆长度,并在钻塔旁标注深度线,保证孔底标高满足设计深度。
(4)钻孔、插管采单管旋喷法施工。
该方法插管与钻孔两道工序合二为一,即钻孔完成时插管作业同时完成。
当第一阶段贯入土中时,借助喷射管本身的喷射或振动贯入。
其过程为:启动钻机,同时开启高压泥浆泵低压输送水泥浆液,使钻杆沿导向架振动、射流成孔下沉;直到桩底设计标高,观察工作电流不应大于额定值。
在插管过程中,为防止泥砂堵塞喷嘴,可用较小压力(0.5~1.0MPa)边下管边射水,至设计标高后停止钻进。
(5)浆液配置桩机移位时,即开始按设计确定的配合比拌制水泥浆。
高压旋喷桩的浆液,采用普通硅酸盐水泥,水泥浆液配制严格按设计要求控制为水灰比1∶0.8。
搅拌灰浆时,首先将水加入桶中,再将水泥倒入,开动搅拌机搅拌10~20分钟,浆液在灰浆拌和机中要不断搅拌,直到喷浆前。
喷浆时,拧开搅拌桶底部阀门,放入第一道筛网,过滤后流入浆液池,然后通过泥浆泵抽进第二道过滤网,第二次过滤后流入浆液桶中。
技术交底书技术交底书表格编号1001项目名称杭州地铁4号线5标南星桥站第1 页共10 页交底编号工程名称杭州地铁4号线5标南星桥站双重管高压旋喷桩设计文件图号HD4-1-S-ECI-04-Z07-JG-01-B施工部位双重管高压旋喷桩交底日期技术交底内容:1、设计情况2、作业范围3、人员机械配置4、施工工艺5、控制要点6、质量标准7、成品保护8、公用事业管线保护9、安全、质量、环境保护及文明施工注意事项附件及附图:1、附图一《双重管加固图》编制人(签字)复核人(签字)交底人(签字)接受交底人(签字):一、设计情况南星桥站为4号线与5号线的换乘车站,南星桥站4号线车站总长199.996m,标准段宽20.3m,地下双层岛式站台车站,站台宽度12m,共设4个出入口和2个风道;5号线车站总长160.15m,标准段宽20.7m,地下三层岛式站台车站,站台宽度12m,共设2个出入口和2个风道。
二、作业范围南星桥站处于杭州市上城区,为4号线与5号线的换乘车站,车站位于钱江路与飞云江路的交叉口,4号线车站大体沿钱江路东西走向布置,5号线车站大体沿飞云江路南北向布置。
施工范围为车站二期围挡内已施工导墙的地下连续墙两侧进行旋喷加固,本工程地基加固采用高压旋喷桩,地连墙接口部位采用Φ800二重管旋喷桩代替,深度30m。
坑外旋喷桩加固Φ800@600,加固深度为坑底以下3m,水泥掺量为20%,详见附图一《双重管加固图》。
三、人员机械配置1、为保证作业班组人员高效稳定,便于管理,并隶属于项目经理部统一领导,统筹调度。
其劳动力组织安排见表:2、主要施工机械计划合理选择施工设备是保证施工顺利的重要环节。
设备型号数量选择的原则是:能满足设计对工程的技术和质量标准。
投入施工的主要设备如下表:投入施工主要设备表四、施工工艺旋喷桩施工工艺流程图见图4-1所示。
图4-1 旋喷桩施工工艺流程图①就位在现场按设计图的孔位放线,然后移动钻机,使钻杆头对准孔位中心。
完整版)高压旋喷桩安全交底
安全交底:高压旋喷桩施工
本文介绍了XXX在广州市轨道交通七号线一期大洲车辆
段与综合基地施工1标中,高压旋喷桩工种的安全交底内容。
一、安全生产规定
施工人员必须遵守国家的安全政策、法律法规和规章制度。
进入施工现场前必须接受安全检查,并遵守安全操作规程。
施工现场应设置醒目的安全、防火标志提示牌。
在施工前,安质部要对桩基队进行三级安全教育,并定期开展现场安全检查整治活动。
所有高压旋喷桩施工人员都必须接受安全教育和培训。
施工前必须进行安全技术交底,并认真填写安全日记。
二、安全交底
施工人员进入施工现场时必须佩戴安全帽,并禁止赤脚、穿拖鞋进入现场。
施工现场必须按照规定设置安全防护设施,
保证施工现场及相邻区域的人员和设施安全。
每次注浆前要认真检查安全阀、压力表的灵敏度,并调整到规定注浆压力位置。
安装高压管路和泵头各部件时,各丝扣的联接必须拧紧,保证联接完好。
注浆过程中,禁止现场人员在注浆孔附近停留,防止密封胶冲式阀门破裂伤人。
注浆时不得随意停水停电,必要时必须事先通知,待注浆完成并冲洗后方可停水停电。
注浆施工期间,必须有专职机电修理工,以便出现机械和电器故障时能及时处理。
水泥浆配置人员和注浆操作人员必须佩戴安全帽、防尘口罩和手套等劳动保护用品,方可进行注浆施工。
施工前必须对高压泵全面检查和清洗,防止泵体的残渣和铁屑存在。
高压胶管不能超过压力范围使用,并且使用时弯曲必须不小于规定的弯曲半径,严禁将高压管弯折捆绑,防止高压管爆裂伤人。
技术交底书.技术交底书表格编号1131项目名称中铁四局蒙华铁路MHTJ-3标段项目经理部共7 页交底编号工程名称新建蒙西至华中地区铁路煤运通道工程设计文件图号蒙华浩三段施隧01-10施工部位白城隧道DK209+353-DK209+610段高压旋喷桩交底日期技术交底内容:1、技术交底范围本交底适用于新建蒙西至华中地区铁路煤运通道工程MHTJ-3标白城隧道DK209+353-DK209+610段(257m)地层加固。
2、设计情况(1)旋喷桩技术参数1)旋喷桩桩径:0.6m;2)DK209+353-DK209+437洞顶采用清表加固,DK209+437-DK209+610采用直接地面加固;3)喷射方式:旋喷。
4)隧道轮廓线以内桩间距为0.52m,轮廓线以外2m内桩间距0.45m,长度从地表位置钻入近期过轨顶面处,I区全部为11.62m实桩,注1:1.1水泥浆;II区为实桩,注1:1.3水泥浆DK209+353-DK209+592桩长5m,DK209+592-DK209+610桩长根据地面高度确定,平均值为3.1m;空钻区DK209+353-DK209+437长7m,DK209+437-DK209+610根据地表高度而定,平均长3.6m,孔位布置详图如下图所示;5)灌浆材料:搅拌浆液宜选用强度等级为42.5级或以上的普通硅酸盐水泥,湿法的水泥浆水灰比选用1:1.1、1:1.3。
水取用降水井抽出的水,并补充一定量的自来水。
旋喷桩施工参数表旋喷桩布置详图旋喷桩施工横断面图3、开始施工的条件及施工准备工作①平整场地。
②测定桩位,在四个角放样出控制桩后进行引桩,先施工隧道轮廓线外侧旋喷桩。
②桩机就位,调整沉管与地面垂直,确保垂直度偏差不大于1%。
③搅拌下沉将喷射注浆管钻入土中, 喷嘴钻至内轨顶标高时,即可喷射注浆。
④在喷射注浆参数达到规定值后,提升喷射管,由下而上喷射注浆至设计桩顶,固结体有效直径±50mm ;⑤高压喷射注浆完成后,冲洗喷嘴,做好桩顶标记。
技术交底书
提升接近桩顶时,应从桩顶以下1m开始,慢速提升旋喷,旋喷一定时间,再向上慢速提升0.5m,直至停喷面。
桩顶和桩底宜复喷。
(6)冲洗器具
喷射作业完成后,应把注浆管等机具设备冲洗干净,管内机内不得残存水泥浆。
通常把浆液换成水,在地面上喷射,以便把注浆泵、注浆管和软管内的浆液全部排除。
(7)移动机具:
将钻机等机具设备移到新孔位上。
四、质量控制
由于高压旋喷桩施工难度大,根据本工程实际特制定施工细则,在施工中严格遵守,以保证施工质量。
(1)确保定位轴线质量
a、严格按照施工图及施工现场实际位置定出桩的起始点及轴线位置;
b、旋喷桩起始点及轴线位置经验收合格后,方可进行旋喷桩施工;
(2)确保桩位质量
桩位移机前要量好间距尺寸并做好标记,移位时在内外边线间移动,就位前对桩间距进行复核,以确保桩间搭接长度符合设计要求。
(3)确保桩顶、桩底标高
施工时应不断测量施工场地及机架标高,并及时修正相应桩深和其它标高控制位置,如周围存在建筑物时,也可以将桩底和其他位置控制标高标志在建筑物上。
(4)保证桩体垂直度
在铺设道轨枕木处要垫平整实,使道轨枕木在同一水平线上,在开孔前用水平尺对机架进行校对以确保桩体垂直度(不得超过 1.0%)达到设计要求。
(5)保证加固体强度均匀性
交底人:复核/审核人:签收人:
技术交底签收记录表
说明:1、本表除列表名称外,其余手签;
2、技术交底交至作业班组或多人签收时采用本表记录。
高压旋喷桩施工交底1. 施工简介高压旋喷桩施工是一种常用的地基处理方式,通过高压水泥浆进行钻孔注入,形成强固的桩基。
本次施工旨在为项目提供稳定的地基支撑。
2. 施工过程2.1 钻孔准备- 根据设计要求,确定桩基的数量和位置。
- 进行地质勘探,了解地层情况,并根据勘探结果确定钻孔深度。
- 准备钻孔设备和工具,确保设备正常运行。
2.2 桩基施工- 使用钻孔设备进行钻孔,控制孔径和钻孔深度。
- 在钻孔过程中,定期检查岩屑排出情况,确保钻孔质量。
- 完成钻孔后,开始注浆,使用高压水泥浆注入钻孔,形成桩体。
- 根据施工要求,确保注浆均匀、密实,避免产生空洞或塌陷。
3. 安全措施- 在施工现场设置明显的安全警示标志,保持施工区域的安全。
- 操作人员必须穿戴安全帽、防护眼镜、手套等个人防护装备。
- 钻孔机械设备必须经过检修和保养,确保正常运行。
- 操作人员必须熟悉设备操作规程,并严格遵守操作规范。
4. 质量控制- 施工过程中,定期进行质量抽验,保证桩基质量。
- 检查桩体硬度和均匀性,确保桩基的稳定性。
- 记录施工过程中的关键数据和质量记录,以备查验。
5. 施工总结高压旋喷桩施工是一项重要的地基处理工艺,在施工过程中需要严格按照设计要求和操作规范进行操作。
同时,保证施工安全和质量控制是施工的关键。
通过合理的施工过程和控制措施,可为项目提供稳定的地基支撑。
以上为高压旋喷桩施工交底文档,供参考使用。
如有疑问,请及时沟通。
高压旋喷桩技术交底1. 概述高压旋喷桩技术是目前常用的土方加固技术之一,其工作原理是通过高压气流喷洒水泥浆或其他混合材料,将其混合成悬浮状态,并在喷口附近加入旋转机构使其产生旋转,使喷出的混合物在空气中产生离心作用并且短暂回流,从而在地层中形成一定直径和长度的加固带,提高土体的抗拔能力、抗剪强度以及承载力等性能。
2. 工作原理高压旋喷桩利用高压气流将水泥浆或混合材料带入喷嘴,喷嘴附近有旋转机构可以使材料在喷出的同时形成旋转,产生离心作用,从而形成一定直径和长度的加固带,并在材料固化之后增强土体的力学性能。
高压旋喷桩的工作原理主要包括以下几个方面:•喷嘴:作为喷洒混合物的出口,水泥浆或混合材料通过喷嘴直接喷向地层,从而形成加固带。
•高压气源:用于驱动水泥浆等混合材料通过喷嘴进行喷洒。
•旋转机构:沿着土体纵向方向旋转,使得喷出的水泥浆或混合材料能够形成旋转,并产生离心作用。
3. 工作流程高压旋喷桩的施工流程一般分为以下几个步骤:1.现场考察:了解地层情况、土层厚度、土层性质等相关信息,为施工提供依据。
2.设计方案:针对具体的项目和地层情况,设计加固加固带形状、长度、直径等参数,以及材料的配比。
3.洞口准备:对于需要加固的地方进行挖掘和洞口的准备。
4.施工混合物:将水泥、碎石和水混合,加入到高压混合机中,混合均匀。
5.高压喷洒:利用高压气流将混合物喷出,形成一定直径和长度的加固带。
6.固化:待喷出的材料固化后,形成经过加固的地层。
4. 安全措施针对高压旋喷桩施工过程中存在的安全风险,应该采取如下安全措施:•工作人员必须佩戴符合要求的防护装备,避免喷溅物质对眼睛和皮肤造成伤害。
•在施工现场设置明显的警示牌和安全栏杆,确保人员和设备的安全。
•按照施工规范和相关标准进行施工,确保工作过程中不产生其他安全隐患。
•进行必要的培训,提高工作人员的安全意识和技能,确保工作安全。
5. 结论高压旋喷桩技术具有工艺简单、效果显著、工期短等优点,采用适当的设计方案和措施可以有效地提高土体的力学性能,同时在施工过程中做好安全保障,保证施工过程中人员和设备的安全,是一种非常实用的土方加固工艺。
高压旋喷桩施工安全技术交底一、安全生产有关规定交底:1、全体人员必须认真遵守国家有关安全面旳政策、法令和规章制度。
建立安全岗位责任制,逐层签订安全生产责任状,明确分工,责任到人。
2、遵守高压旋桩施工安全操作规程和各项安全施工制度,并接受班前班后旳安全检查。
工班制定班前安全告知制度,阐明施工中应当注意旳安全问题。
3、现场施工人员必须戴好安全帽、穿黄马甲。
员工着装应符合施工规定,规定统一旳工作服,施工现场重要出口、危险处和警戒区等处挂醒目旳安全、防火标志提醒牌。
提醒每个人时时刻刻注意安全。
5、有安全隐患旳工作场所,应配置齐全安全防护用品;沾有易燃污渍旳衣物不得继续使用。
6、工人进场后,要由工区、架子队安全负责人对其进行三级安全教育,定期开展安全教育培训,定期开展现场安全检查整改活动,重点检查,电缆及保护装置设备传动系统等与否正常,发现隐患,限期整改。
7、所有高压旋喷桩施工旳人员都要接受安全教育和培训,且考试合格。
8、坚持执行施工前旳安全技术交底,认真填写安全日志。
9、机电设备必须专人操作,操作时必须遵守操作规程,特殊工种(电工)及中小机械操作工必须持证上岗,没有证件旳统一办理,费用自理。
二、现场管理交底1、工地现场24小时安排管理人员值班。
2、当班安全员、防护员与现场管理人员对工地现场发生旳问题应及时处理。
如碰到重大旳问题,应在第一时间按工区规定进行上报处理。
3、施工现场严禁嬉戏、打闹、酗酒等,严禁酒后上岗作业,违者立即清除现场,在既有线施工范围,严禁闲杂人员进入现场。
4、特殊工种人员持证上岗,严禁无证上岗操作,防止机电事故旳发生和伤害他人事故旳发生。
没有证件旳,把需要办证人员旳花名册上报安质部,统一办理证件。
5、现场电缆必须架空布设,多种电器控制必须设置二级供电三级保护装置,贯彻“一机一闸一漏保”及五线三相制等各项措施。
6、电器、线路必须断电修理,并挂上警示牌。
在保护措施不齐全旳状况下,严禁人员处理场地旳障碍物等。
技术交底书技术交底书表格编号1001项目名称地铁4号线5标南星桥站第1 页共10 页交底编号工程名称地铁4号线5标南星桥站双重管高压旋喷桩设计文件图号HD4-1-S-ECI-04-Z07-JG-01-B施工部位双重管高压旋喷桩交底日期技术交底容:1、设计情况2、作业围3、人员机械配置4、施工工艺5、控制要点6、质量标准7、成品保护8、公用事业管线保护9、安全、质量、环境保护及文明施工注意事项附件及附图:1、附图一《双重管加固图》编制人(签字)复核人(签字)交底人(签字)接受交底人(签字):一、设计情况南星桥站为4号线与5号线的换乘车站,南星桥站4号线车站总长199.996m,标准段宽20.3m,地下双层岛式站台车站,站台宽度12m,共设4个出入口和2个风道;5号线车站总长160.15m,标准段宽20.7m,地下三层岛式站台车站,站台宽度12m,共设2个出入口和2个风道。
二、作业围南星桥站处于市上城区,为4号线与5号线的换乘车站,车站位于江路与飞云江路的交叉口,4号线车站大体沿江路东西走向布置,5号线车站大体沿飞云江路南北向布置。
施工围为车站二期围挡已施工导墙的地下连续墙两侧进行旋喷加固,本工程地基加固采用高压旋喷桩,地连墙接口部位采用Φ800二重管旋喷桩代替,深度30m。
坑外旋喷桩加固Φ800@600,加固深度为坑底以下3m,水泥掺量为20%,详见附图一《双重管加固图》。
三、人员机械配置1、为保证作业班组人员高效稳定,便于管理,并隶属于项目经理部统一领导,统筹调度。
其劳动力组织安排见表:2、主要施工机械计划合理选择施工设备是保证施工顺利的重要环节。
设备型号数量选择的原则是:能满足设计对工程的技术和质量标准。
投入施工的主要设备如下表:投入施工主要设备表四、施工工艺旋喷桩施工工艺流程图见图4-1所示。
图4-1 旋喷桩施工工艺流程图①就位在现场按设计图的位放线,然后移动钻机,使钻杆头对准位中心。
同时为保证钻机达到设计要求的垂直度,钻机就位后必须作水平校正,使其钻杆轴线垂直对准钻中心位置,保证钻的垂直度不超过0.5%。
在校直纠偏检查中,利用垂球(高度不得低于2米)从垂直两个向进行检查,若发现偏斜,则在机座下加垫薄木块进行调整。
②、成采用JP76-2型钻机成,格按已定桩位进行成,平面位置偏差不得大于50mm,采用原土造浆护壁。
说明:依据钻所探明的地质情况对技术参数作适当调整。
③、下喷射管将高喷台车移至口,下喷射管至设计喷射深度。
④、制浆按设计要求制备浆液,并准确测量浆液比重。
高喷灌浆采用P.0.42.5普通硅酸盐水泥,根据地层条件,可以利用回浆与水泥混合拌制成水泥浆液,并根据灰浆浆液比重及设计要求适当调整水泥掺量,水灰比控制在2.0。
⑤、喷射提升喷射管下至设计深度,开始送入符合要求的水、气、浆。
待浆液冒出口后,即按设计的提升速度、旋转速度,自下而上开始喷射、旋转、提升,提钻速度10~20 cm/min,到设计的终喷高度停喷,并提出喷射管。
⑥、回灌高压喷射注浆完毕,应迅速拔出喷射管。
为防止浆液凝固收缩影响桩顶高程,必要时可在原位采用冒浆回灌或第二次注浆等措施,直到浆液面不下沉为止。
⑦、废弃浆液处理喷射注浆施工中,将产生不少废弃浆液。
为确保场地整洁和顺利施工,在施工前拟在场地设置泥浆池,泥浆在施工中抽排汇入泥浆池中,待泥浆固结后再外运处理。
⑧、冲洗喷射注浆施工完毕后,应把注浆管等机具设备冲洗干净,管、机不得残存水泥浆,通常把浆液换成水,在地面上低压喷水,以便把泥浆泵、泥浆管和软管的浆液全部排出。
⑨、移动机械把钻机等机械设备移到下一位上。
五、控制要点在喷浆提升过程中,控制水泥用量是关键。
水泥的用量根据施工设备的喷浆压力、喷嘴直径、提升速度及水灰比的配置,确定水泥的使用数量。
1、若水泥量剩余措施如下:(1)适当增加喷浆压力;(2)加大喷嘴直径;(3)减慢提升速度;2、若水泥量不够措施如下:①保证桩径的情况下适当减少压力;②喷嘴直径适当减少;③保证桩体强度的情况下适当加快提升速度;④加大水灰比值;针对具体情况,每根桩分次进行旋喷,施工用水精确量取,确量的水和水泥比例进行拌制水泥浆,通过调整以上参数可保证水泥量满足设计要求;3、冒浆处理在旋喷过程中,往往有一定数量的土颗粒,随着一部分浆液沿着注浆管管壁冒出地面,通过对冒浆的观察,可以及时了解土层状况,判断旋喷的大致效果和断定参数合理性等,根据经验,冒浆(有土粒、水及浆液)量小于注浆量20%为正常现象,超过20%或完全不冒浆时,应查明原因,调整旋喷参数或改变喷嘴直径。
(1)、流量不变而压力突然下降时,应检查部位的泄漏情况,必要时拨出注浆管,检查其封密性能;(2)、出现不冒浆或断续冒浆时,或系土质松软则视为正常现象,可适当进行复喷;如系附近有空洞、暗道,则应不提升注浆管,继续注浆直至冒浆为止,或拨出注浆管待浆液凝固后,重新注浆直至冒浆为止,必要时采用速凝浆液,便于浆液在注浆管附近凝固;(3)、减少冒浆的措施冒浆量过大的主要原因,一般是有效喷射围与注浆不相适应,注浆量大大超过旋喷固结所需的浆量所致;①提高旋喷压力(喷浆量不变);②适当缩小喷嘴直径(旋喷压力不变);③加快提升和旋转速度;对于冒出地面的浆液,可经过选择和调整浓度后进行前一根桩返浆回灌,以防止空穴现象。
4、固结体控形固结体的形状,可以通过调节旋喷压力和注浆量,改变喷嘴移动向和提升速度,予以控制。
由于本工程设计固结体的形状为圆柱形,在施工中采用边提升边旋转注浆,考虑到深层部位的成形,在底部喷射时,加大喷射压力,做重复旋喷或降低喷嘴的旋转提升速度,而且针对不同土层(硬土)可适当加大压力和降低喷嘴的旋转提升速度,使固结体达到匀称,保证桩径差别不大。
5、确保桩顶强度当采用水泥浆液进行喷射时,在浆液与土粒搅拌混合后的凝固过程中,由于浆液析水作用,一般均有不同程度的收缩,造成固结体顶部出现一个凹穴,凹穴的深度随地层性质、浆液的析水性、固结体的直径和成深度因素不同而不同。
6、旋喷桩施工技术要点(1)施工前要检查高压设备和管路系统,其压力和流量必须满足设计要求。
注浆管及喷嘴不得有任杂物。
注浆管接头的密封圈必须良好。
(2)垂直施工时,钻的倾斜度一般不得大于0.5%。
(3)在插管和喷射过程中,要注意防止喷嘴被堵,在拆卸或安装注浆管时动作要快。
水、气、浆的压力和流量必须符合设计值,否则要拔管清洗再重新进行插管和旋喷。
(4)喷射时,要做好压力、流量和冒浆量的量测工作,并按要求逐项记录,钻杆的旋转和提升必须连续不中断。
(5)深层喷射时,应先喷浆后旋转和提升,以防止浆管扭断。
(6)搅拌水泥时,水灰比要求按设计规定,不得随意更改,在喷浆过程中应防止水泥浆沉淀,使浓度降低。
每次投料后拌合时间不得少于3min,待压浆前将浆液倒入集料斗中。
(7)施工完毕,立即拔出注浆管彻底清洗浆管和注浆泵。
管不得有残存水泥浆。
7、高压旋喷桩施工参数表:旋喷桩施工参数表六、质量标准高压旋喷注浆施工,属隐蔽工程,虽在施工时不能直接观察它的质量,但可通过施工过程中的各工序操作、工艺参数和浆液浓度等因素的实际执行情况和土层的各种反应(冒浆量大小和冒浆浓度,冒浆的通道位置,土体开裂状态),来控制高压旋喷注浆的质量:1、确保桩位准确性桩位由专业技术人员进行放样,并经监理人员复验合格;施工时,钻机就位必须在定位员的指挥下准确对准桩位,由质检员复核,监理工程师认可后,钻机可开钻;施工完毕,及时做好施工记录,并在施工图上做标记;②确保桩身垂直度钻机开钻前必须调平,依机架两边所吊线锤平行机架为准;钻进过程中,若因故钻机下陷倾斜,需及时调整;③确保桩顶标高各桩位点放出后,按施工现场平整度划分若干个区,每个区用水准仪准确测出标高,算出其钻深度和空喷深度;每开钻前,应将深度盘指针对零,确保钻深准确性;钻头离桩端1m 时,提前喷浆,防止桩底部因送浆距离较远不能准确到达,而缩短桩长;④提高桩顶强度对桩头进行复喷;自桩顶向上超喷不小于1 倍的桩径;⑤防止缩径及夹泥针对密实度较高的土层,采用慢档高压提升和下沉;加适当的搅拌叶片;增大喷嘴作业半径;⑥针对淤泥质粉质粘土层防患措施采取跳打的施工法;减小旋喷压力;加快提升速度等;添加适量粉煤灰。
⑦确保桩体连续性喷浆时必须连续,不能间断;施工中一旦出现故障,待修好后,必须再向下搭接长度不小于50cm;⑧材料质量控制水泥采用P.O42.5级普通硅酸盐水泥,同一产地、品种、规格、批号的水泥和外加剂,袋装水泥每200T为一批、散装水泥500T为一批,当袋装水泥及外加剂不足200T或散装水泥不足500T时也按一批计,合格后可使用。
禁止使用过期、雨淋、受潮、结块水泥;水泥浆液必须搅拌均匀,对超过初凝时间4 小时的水泥浆液禁使用2、试块检测根据规要求每台班做一组7.07×7.07×7.07水泥土试块,一组三块试块。
试样来源于沟槽中的置换出的水泥土,按规定条件养护,到达龄期后送三块水泥土试块做抗压强度试验,试验报告及时提交监理。
取试块时,分包队伍需做好配合工作。
七、成品保护1、提前保护,以防止成品可能发生的损伤和污染。
2、对于地面成品主要采取覆盖措施,以防止成品损伤。
如用木板、加气板等覆盖,以防操作人员踩踏和物体磕碰;高级地面用苫布或棉毡覆盖。
3、对于已浇注混凝土区域暂时封闭,待达到上人强度并采取保护措施后再开放。
4、对已完产品实行全天候的巡逻看护,并实行标色管理,规定进入各个施工区域的人员必须佩戴由承包颁发的贴有不同颜色标记的胸卡,防止无关人员进入。
5、物资的采购、使用单位应对其搬运的物资进行保护,保证物资在搬运过程中不被损坏,并保护产品的标识。
搬运考虑道路情况、搬运工具、搬运能力与天气情况等。
八、公用事业管线保护1、在工程开工前摸清施工区域各种公用管线的分布情况(包括标高、埋深、走向、规格、容量、用途、性质、完好程度等),做好记录;2、工程实施前,把施工现场地下管线的详细情况和制定的管线保护措施向现场施工技术负责人、工地主管、班组长直至每一位操作工人作层层安全交底,明确各级人员的责任;3、工程实施前,对受保护公用管线设置沉降观测点,工程实施时,定期观测管线的沉降量,及时向建设单位和有关管线管理单位提供观测点布置图与沉降观测资料。
4、在施工过程中,要根据需要组织专业队伍,负责保护地下管线的监控工作。
5、各级管线保护负责人应深入施工现场监护地下管线,督促操作(指挥)人员遵守操作规程,制止违章操作、违章指挥和违章施工。
6、施工过程中对可能发生意外情况的地下管线,事先制订应急措施,配备好抢修器材,以便在管线出现险兆时及时抢修,做到防患于未然。
九、安全、质量、环境保护及文明施工注意事项1、加强学习和宣传,增强文明施工的自觉性,格执行市政府的相关规定;2、遵守现行劳动保护法和有关法律法规,配备足够的降尘设备和劳保用品,保证施工现场清洁及操作工人的身体健康;3、所有施工人员都应穿戴整齐,行为文明;4、与边单位搞好关系,树立良好企业形象。